Избранное 0 Корзина 0 Личный кабинет
logo
Каталог
Каталог
  • Справочник
    • Грузовые автомобили
    • Автобусы
    • Сельхозтехника
    • Спецтехника
    • Двигатели
  • Доставка
  • Оплата
  • О компании
    • Реквизиты
    • Магазины
    • Оплата
    • Доставка
    • Лицензии и сертификаты
    • Новости
    • Вакансии
  • Контакты
Отправить заявку
Личный кабинет
8 (800) 700-35-68
sales@din76.ru
Избранное 0 Корзина 0
8 (800) 700-35-68
Оптовый прайс-лист
Каталог
  • Двигатели
  • Запчасти WEICHAI
  • Запчасти ЯМЗ, ТМЗ (V-образные)
  • Запчасти ЯМЗ-534, ЯМЗ-536
  • Запчасти ЯМЗ-650, ЯМЗ-651, DCi-11
  • Топливная аппаратура
  • Запчасти УРАЛ
  • Запчасти МАЗ
  • Запчасти КамАЗ
  • Запчасти ММЗ
  • Ремни
Автокаталог (справочник)
  • Доставка
  • Оплата
  • О компании
  • Контакты
8 (800) 700-35-68
Написать в Whatsapp
sales@din76.ru
Динамика 76
Меню  
  • Каталог
    • Двигатели  
      • Двигатели ТМЗ  
        • Двигатели ТМЗ для автомобилей
        • Двигатели ТМЗ для тракторов
        • Специальные двигатели ТМЗ
        • Промышленные двигатели ТМЗ
      • Двигатели ЯМЗ  
        • ЯМЗ 236
        • ЯМЗ 238
        • ЯМЗ 240
        • ЯМЗ 751
        • ЯМЗ 840
        • ЯМЗ 850
        • ЯМЗ 656
        • ЯМЗ 658
        • ЯМЗ 534
        • ЯМЗ 536
        • ЯМЗ 650
        • Двигатели ЯМЗ для электростанций
      • Двигатели КАМАЗ
      • Двигатели ММЗ
      • Двигатели индивидуальной сборки
      • Комплекты переоборудования
    • Запчасти WEICHAI  
      • Основные запчасти двигателя  
        • Клапаны и толкатели
        • Шатуны
        • Вал коленчатый и маховик
        • Вал распределительный
        • Цилиндро-поршневая группа
      • Система питания  
        • Форсунки
        • Турбокомпрессор
      • Система смазки  
        • Насос масляный
      • Головка блока
      • Ремкомплекты
      • Система охлаждения  
        • Насос водяной
        • Муфта вязкостная и крыльчатка
      • Фильтры
      • Электрооборудование  
        • Генератор
        • Стартер
    • Запчасти ЯМЗ, ТМЗ (V-образные)  
      • Основные запчасти двигателя  
        • Блок двигателя и комплектующие
        • Валы распределительные и клапаны
        • Головка блока и комплектующие
        • Цилиндро-поршневая группа
        • Маховики и комплектующие
        • Валы коленчатые и комплектующие
        • Шатуны и комплектующие
      • Система питания  
        • Коллекторы и патрубки
        • Топливные трубопроводы
        • Турбокомпрессор
        • Топливные фильтры
      • Электрооборудование двигателя
      • Система охлаждения  
        • Вязкостные муфты и крыльчатки
        • Приводы вентилятора
        • Водяные насосы
        • Водяные трубы и термостаты
      • Коробки переключения передач  
        • 8 Ступенчатые КПП
        • 5 Ступенчатые КПП
        • 9 Ступенчатые КПП
        • Запасные части КПП ЯМЗ, ТМЗ
      • Система смазки  
        • Теплообменник и комплектующие
        • Масляные насосы
        • Фильтры масляные (ФГОМ, ФЦОМ)
      • Сцепление  
        • Запасные части механизма сцепления
        • Муфты (подшипники выжимные)
        • Корзины (диски нажимные)
        • Диски ведомые
      • Прочие запчасти двигателя  
        • Ремкомплекты
        • Привод агрегатов
        • Натяжные устройства
        • Трубки
    • Запчасти ЯМЗ-534, ЯМЗ-536  
      • Основные запчасти двигателя  
        • Цилиндро-поршневая группа
        • Головка блока цилиндров и комплектующие
        • Блок цилиндров и комплектующие
        • Вал коленчатый и маховик
        • Вал распределительный
        • Клапаны и толкатели
        • ГУР (Гидроусилитель руля)
        • Система рециркуляции отработавших газов
        • Выпускной коллектор
      • Система питания  
        • Коллекторы и патрубки
        • Топливные фильтры
        • Турбокомпрессор
        • Топливные трубопроводы
      • Система смазки  
        • Масляный картер поддон
        • Масляный насос
        • Теплообменник /Водо-масляный радиатор
        • Фильтры масляные (ФГОМ, ФЦОМ)
      • Пневмокомпрессор и натяжное
      • Система охлаждения  
        • Водяной насос
        • Водяные трубы и патрубки
        • Муфты вязкостные, приводы, крыльчатки
      • Ремкомплекты
      • Сцепление
      • Электрооборудование
    • Запчасти ЯМЗ-650, ЯМЗ-651, DCi-11  
      • Основные запчасти двигателя  
        • Цилиндро-поршневая группа
        • Головка блока цилиндров и комплектующие
        • Блок цилиндров и комплектующие
        • Вал коленчатый и маховик
        • Выпускной коллектор
        • Вал распределительный
        • Клапаны и толкатели
        • ГУР (Гидроусилитель руля)
        • Система рециркуляции отработавших газов
      • Система питания  
        • Коллекторы и патрубки
        • Топливные трубопроводы
        • Топливные фильтры
        • Турбокомпрессор
      • Система смазки  
        • Масляный картер / поддон
        • Масляный насос
        • Теплообменник / Водо-масляный радиатор
        • Фильтры масляные (ФГОМ, ФЦОМ)
      • Система охлаждения  
        • Водяной насос
        • Водяные трубы и патрубки
        • Муфты вязкостные, приводы, крыльчатки
      • Ремкомплекты
      • Пневмокомпрессор и натяжное
      • Электрооборудование
      • Сцепление
    • Топливная аппаратура  
      • ЯЗДА  
        • Распылители
        • ТНВД
        • Форсунки
        • Топливный насос низкого давления
        • Пары плунжерные
        • Муфта опережения впрыска топлива
        • Запчасти и комплектующие ТНВД
      • НЗТА
      • АЗПИ  
        • Распылители
        • Форсунки
      • BOSCH
    • Запчасти УРАЛ  
      • Трансмиссия  
        • Коробка раздаточная
        • Передача карданная
        • Мост задний
        • Мост передний (ведущий)
        • Мост средний (промежуточный)
      • Кузов  
        • Дверь кабины
        • Капот, крылья, облицовка радиатора
        • Окно ветровое и заднее
        • Отопление и вентиляция кабины
        • Кабина
      • Механизмы управления  
        • Управление рулевое
        • Тормоза
      • Дополнительное оборудование  
        • Отбор мощности
        • Устройство седельное
      • Электрооборудование
      • Ходовая часть  
        • Колеса и ступицы
        • Ось передняя
        • Подвеска автомобиля
        • Рама
    • Запчасти МАЗ  
      • Трансмиссия  
        • Мост задний
        • Мост передний (ведущий)
        • Передача карданная
        • Мост средний (промежуточный)
      • Кузов  
        • Кабина
        • Дверь кабины
        • Детали основания кабины
        • Окно ветровое и заднее
        • Платформа
      • Механизмы управления  
        • Тормоза
        • Управление рулевое
      • Ходовая часть  
        • Колеса и ступицы
        • Ось передняя
        • Подвеска автомобиля
        • Рама
    • Запчасти КамАЗ  
      • Кузов  
        • Кабина
        • Капот, крылья, облицовка радиатора
        • Дверь кабины
        • Платформа
        • Окно ветровое и заднее
        • Устройство подъемное и опрокидывающее
        • Сиденье
        • Крыша кабины (крыша кузова)
        • Отопление и вентиляция кабины
      • Трансмиссия  
        • Коробка передач
        • Коробка раздаточная
        • Мост задний
        • Сцепление
        • Мост средний (промежуточный)
        • Передача карданная
        • Мост передний (ведущий)
      • Двигатель  
        • Основные запчасти двигателя
        • Система охлаждения
        • Система питания
        • Система смазки
      • Дополнительное оборудование  
        • Отбор мощности
        • Устройство седельное
      • Ходовая часть  
        • Подвеска автомобиля
        • Рама
        • Колеса и ступицы
        • Ось передняя
      • Механизмы управления  
        • Тормоза
        • Управление рулевое
      • Электрооборудование
    • Запчасти ММЗ
    • Ремни
  • Справочник
    • Грузовые автомобили
    • Автобусы
    • Сельхозтехника
    • Спецтехника
    • Двигатели
  • Как купить
    • Условия оплаты
    • Условия доставки
    • Гарантия на товар
    • Пункты выдачи
  • Услуги
    • Капитальный ремонт двигателей ЯМЗ
  • Акции
  • Статьи
  • Контакты
  • Компания
    • Реквизиты
    • Магазины
    • Оплата
    • Доставка
    • Лицензии и сертификаты
    • Новости
    • Вакансии
Избранное 0 Корзина 0
8-800-700-35-68

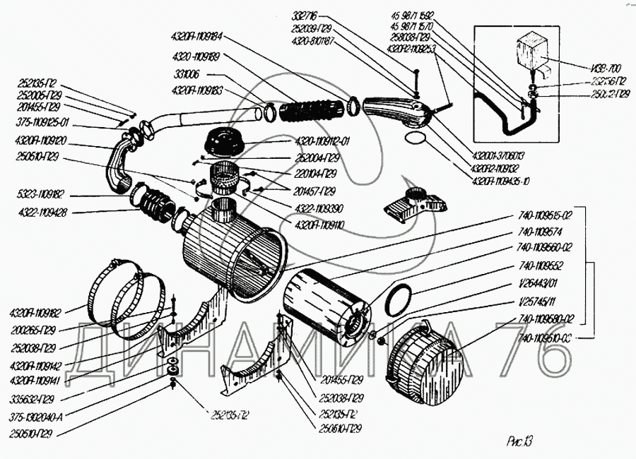
Воздухопровод с воздушным фильтром на УРАЛ-4320-31

Справочник
Главная
-
Автокаталог
-
Грузовые автомобили и прицепы
-
УралАЗ
-
УРАЛ-4320-31
Справочный каталог

Воздухопровод с воздушным фильтром — УРАЛ-4320-31:

1/25745/11 1/26443/01 200265-П29 201455-П29 201455-П29 201457-П29 220104-П29 250510-П29 250510-П29 250510-П29 250512-П29 252004-П29 252005-П29 252038-П29 252038-П29 252039-П29 252135-П2 252135-П2 252135-П2 252156-П2 258038-П29 331006 332716 335632-П29 375-1109125-01 375-1302040-А 4320-1109112-01 4320-8101187 432001-3706013 4320Я-1109110 4320Я-1109120 4320Я-1109141 4320Я-1109142 4320Я-1109182 4320Я-1109183 4320Я-1109435-10 4320Я2-1109132 4320Я2-1109189 4320Я2-1109253 4322-1109390 4322-1109428 45 9871 1570 45 9871 1592 5323-1109182 740-1109510-03 740-1109515-02 740-1109552 740-1109560-02 740-1109574 740-1109580-02 ИЗ8-700
в наличии
нет в наличии
масштаб

В наличии
Нет в наличии

Перечень комплектующих от Воздухопровод с воздушным фильтром на УРАЛ-4320-31

Схемы запчастей предназначены для справочных целей! Мы продаем не все запчасти от Воздухопровод с воздушным фильтром на УРАЛ-4320-31, представленные в этом списке.
Наличие на складах по деталям с ценой смотрите в карточке товара.
Артикул: 1/25745/11
нет в наличии
Гайка М10х1,25
Количество на схеме: 1
Информация
Гайка М10х1,25
Количество
1
Крепежная деталь
да
Материал
сталь 50 (сталь с пределом прочности на разрыв 490-784 (50-80) МПа (кг/мм2)
Покрытие
цинкование
Артикул: 1/26443/01
нет в наличии
Шайба плоская 10х35
Количество на схеме: 1
Информация
Шайба плоская 10х35
Количество
1
Крепежная деталь
да
Материал
сталь 40 (сталь с пределом прочности на разрыв 333-490 (34-50) МПа (кг/мм2)
Покрытие
цинкование
Артикул: 200265-П29
нет в наличии
Болт М8-6gх40
Количество на схеме: 2
Информация
Болт М8-6gх40
Количество
2
Покрытие
цинкование и пассивирование (цинковое с хроматированием)
Артикул: 201455-П29
нет в наличии
Болт М8-6gх18
Количество на схеме: 12
Информация
Болт М8-6gх18
Количество
12
Покрытие
цинкование и пассивирование (цинковое с хроматированием)
Артикул: 201457-П29
в наличии
Болт М8-6gх22
Количество на схеме: 2
Информация
Болт М8-6gх22
Количество
2
Покрытие
цинкование и пассивирование (цинковое с хроматированием)
Болт М8х1.25х22 УРАЛ облицовки радиатора (АО АЗ УРАЛ)
Артикул: 201457-П29
Болт М8х1.25х22 УРАЛ облицовки радиатора (АО АЗ УРАЛ)
Код для заказа: 00023011
Цена: 34 ₽/шт.
Под заказ
Болт М8х1.25х22 УРАЛ облицовки радиатора (АО АЗ УРАЛ)
Артикул: 201457-П29
Код для заказа: 00023011
Болт М8х1.25х22 УРАЛ облицовки радиатора (АО АЗ УРАЛ)
Цена: 34 ₽/шт.
Под заказ
Артикул: 220104-П29
нет в наличии
Винт М6-6gх14
Количество на схеме: 3
Информация
Винт М6-6gх14
Количество
3
Покрытие
цинкование и пассивирование (цинковое с хроматированием)
Артикул: 250510-П29
нет в наличии
Гайка М8-6Н
Количество на схеме: 10
Информация
Гайка М8-6Н
Количество
10
Покрытие
цинкование и пассивирование (цинковое с хроматированием)
Артикул: 250512-П29
в наличии
Гайка М10
Количество на схеме: 1
Информация
Гайка М10
Количество
1
Покрытие
цинкование и пассивирование (цинковое с хроматированием)
Гайка М10х1.5х8 ГАЗ-2410,3110,УРАЛ под ключ 17мм облиц.радиатора, топл.бака, ГЦС, РЦС
Артикул: 250512-П29
Гайка М10х1.5х8 ГАЗ-2410,3110,УРАЛ под ключ 17мм облиц.радиатора, топл.бака, ГЦС, РЦС
Код для заказа: 00008044
Цена: 20 ₽/шт.
Под заказ
Гайка М10х1.5х8 ГАЗ-2410,3110,УРАЛ под ключ 17мм облиц.радиатора, топл.бака, ГЦС, РЦС
Артикул: 250512-П29
Код для заказа: 00008044
Гайка М10х1.5х8 ГАЗ-2410,3110,УРАЛ под ключ 17мм облиц.радиатора, топл.бака, ГЦС, РЦС
Цена: 20 ₽/шт.
Под заказ
Артикул: 252004-П29
в наличии
Шайба 6
Количество на схеме: 3
Информация
Шайба 6
Количество
3
Покрытие
цинкование и пассивирование (цинковое с хроматированием)
Шайба 6.0 УРАЛ кабины (АО АЗ УРАЛ)
Артикул: 252004-П29
Шайба 6.0 УРАЛ кабины (АО АЗ УРАЛ)
Код для заказа: 00002895
Цена: 12 ₽/шт.
В наличии: 41 шт.
- +
В корзинуВ корзине
Шайба 6.0 УРАЛ кабины (АО АЗ УРАЛ)
Артикул: 252004-П29
Код для заказа: 00002895
Шайба 6.0 УРАЛ кабины (АО АЗ УРАЛ)
Цена: 12 ₽/шт.
В наличии: 41 шт.
- +
В корзинуВ корзине
Артикул: 252005-П29
в наличии
Шайба 8
Количество на схеме: 6
Информация
Шайба 8
Количество
6
Покрытие
цинкование и пассивирование (цинковое с хроматированием)
Шайба 8.0 УРАЛ кабины (АО АЗ УРАЛ)
Артикул: 252005-П29
Шайба 8.0 УРАЛ кабины (АО АЗ УРАЛ)
Код для заказа: 00006120
Цена: 17 ₽/шт.
Под заказ
Шайба 8.0 УРАЛ кабины (АО АЗ УРАЛ)
Артикул: 252005-П29
Код для заказа: 00006120
Шайба 8.0 УРАЛ кабины (АО АЗ УРАЛ)
Цена: 17 ₽/шт.
Под заказ
Артикул: 252038-П29
нет в наличии
Шайба 8,5
Количество на схеме: 8
Информация
Шайба 8,5
Количество
8
Покрытие
цинкование и пассивирование (цинковое с хроматированием)
Артикул: 252039-П29
нет в наличии
Шайба 10
Количество на схеме: 1
Информация
Шайба 10
Количество
1
Покрытие
цинкование и пассивирование (цинковое с хроматированием)
Артикул: 252135-П2
в наличии
Шайба 8 пружинная
Количество на схеме: 14
Информация
Шайба 8 пружинная
Количество
14
Покрытие
фосфатирование и промасливание
Шайба 8х2.5 ЯМЗ заглушки блока цилиндров АВТОДИЗЕЛЬ
Артикул: 252135-П2
Шайба 8х2.5 ЯМЗ заглушки блока цилиндров АВТОДИЗЕЛЬ
Код для заказа: 00006017
Цена: 3 ₽/шт.
Под заказ
Шайба 8х2.5 ЯМЗ заглушки блока цилиндров АВТОДИЗЕЛЬ
Артикул: 252135-П2
Код для заказа: 00006017
Шайба 8х2.5 ЯМЗ заглушки блока цилиндров АВТОДИЗЕЛЬ
Цена: 3 ₽/шт.
Под заказ
Артикул: 252156-П2
в наличии
Шайба 10 пружинная
Количество на схеме: 1
Информация
Шайба 10 пружинная
Количество
1
Покрытие
фосфатирование и промасливание
ШАЙБА 10,1 (ЯМЗ)
Артикул: 252156-П2
ШАЙБА 10,1 (ЯМЗ)
Код для заказа: 00006021
Цена: 3 ₽/шт.
Под заказ
ШАЙБА 10,1 (ЯМЗ)
Артикул: 252156-П2
Код для заказа: 00006021
ШАЙБА 10,1 (ЯМЗ)
Цена: 3 ₽/шт.
Под заказ
Артикул: 258038-П29
нет в наличии
Шплинт 3,2х16
Количество на схеме: 2
Информация
Шплинт 3,2х16
Количество
2
Покрытие
цинкование и пассивирование (цинковое с хроматированием)
Артикул: 331006
нет в наличии
Болт хомута
Количество на схеме: 6
Информация
Болт хомута
Количество
6
Покрытие
без покрытия
Артикул: 332716
в наличии
Болт
Количество на схеме: 1
Информация
Болт
Количество
1
Покрытие
без покрытия
Болт М10х135 насадки воздуховода УРАЛ (АО АЗ УРАЛ)
Артикул: 332716
Болт М10х135 насадки воздуховода УРАЛ (АО АЗ УРАЛ)
Код для заказа: 00022544
Цена: 89 ₽/шт.
Под заказ
Болт М10х135 насадки воздуховода УРАЛ (АО АЗ УРАЛ)
Артикул: 332716
Код для заказа: 00022544
Болт М10х135 насадки воздуховода УРАЛ (АО АЗ УРАЛ)
Цена: 89 ₽/шт.
Под заказ
Артикул: 335632-П29
нет в наличии
Шайба 12
Количество на схеме: 2
Информация
Шайба 12
Количество
2
Покрытие
цинкование и пассивирование (цинковое с хроматированием)
Артикул: 375-1109125-01
нет в наличии
Прокладка
Количество на схеме: 1
Информация
Прокладка
Количество
1
Модель
375
Группа
Cистема питания двигателя
Подгруппа
Фильтр воздушный
Порядковый номер детали
125
Артикул: 375-1302040-А
нет в наличии
Подушка подвески радиатора
Количество на схеме: 2
Информация
Подушка подвески радиатора
Количество
2
Модель
375
Группа
Система охлаждения
Подгруппа
Подвеска радиатора
Порядковый номер детали
040
Артикул: 4320-1109112-01
в наличии
Колпак
Количество на схеме: 1
Информация
Колпак
Количество
1
Модель
4320
Группа
Cистема питания двигателя
Подгруппа
Фильтр воздушный
Порядковый номер детали
112
Колпак УРАЛ трубы воздухозаборной (АО АЗ УРАЛ)
Артикул: 4320-1109112-01
Колпак УРАЛ трубы воздухозаборной (АО АЗ УРАЛ)
Код для заказа: 00033154
Цена: 389 ₽/шт.
Под заказ
Колпак УРАЛ трубы воздухозаборной (АО АЗ УРАЛ)
Артикул: 4320-1109112-01
Код для заказа: 00033154
Колпак УРАЛ трубы воздухозаборной (АО АЗ УРАЛ)
Цена: 389 ₽/шт.
Под заказ
Артикул: 4320-8101187
нет в наличии
Уплотнитель
Количество на схеме: 1
Информация
Уплотнитель
Количество
1
Модель
4320
Группа
Отопление и вентиляция кабины
Подгруппа
Отопитель (кузова)
Порядковый номер детали
187
Артикул: 432001-3706013
нет в наличии
Штуцер
Количество на схеме: 1
Информация
Штуцер
Количество
1
Модель
432001
Группа
Электрооборудование
Подгруппа
Датчик-распределитель
Порядковый номер детали
013
Артикул: 4320Я-1109110
в наличии
Труба воздухозаборная в сборе
Количество на схеме: 1
Информация
Труба воздухозаборная в сборе
Количество
1
Модель
4320Я
Группа
Cистема питания двигателя
Подгруппа
Фильтр воздушный
Порядковый номер детали
110
Труба УРАЛ воздухозаборная с колпаком в сборе (АО АЗ УРАЛ)
Артикул: 4320Я-1109110
Труба УРАЛ воздухозаборная с колпаком в сборе (АО АЗ УРАЛ)
Код для заказа: 00057592
Цена: 2 202 ₽/шт.
Под заказ
Труба УРАЛ воздухозаборная с колпаком в сборе (АО АЗ УРАЛ)
Артикул: 4320Я-1109110
Код для заказа: 00057592
Труба УРАЛ воздухозаборная с колпаком в сборе (АО АЗ УРАЛ)
Цена: 2 202 ₽/шт.
Под заказ
Артикул: 4320Я-1109120
в наличии
Труба воздухопровода в сборе
Количество на схеме: 1
Информация
Труба воздухопровода в сборе
Количество
1
Модель
4320Я
Группа
Cистема питания двигателя
Подгруппа
Фильтр воздушный
Порядковый номер детали
120
Труба УРАЛ воздухозаборная боковая дв.ЯМЗ (АО АЗ УРАЛ)
Артикул: 4320Я-1109120
Труба УРАЛ воздухозаборная боковая дв.ЯМЗ (АО АЗ УРАЛ)
Код для заказа: 00057591
Цена: 3 165 ₽/шт.
Под заказ
Труба УРАЛ воздухозаборная боковая дв.ЯМЗ (АО АЗ УРАЛ)
Артикул: 4320Я-1109120
Код для заказа: 00057591
Труба УРАЛ воздухозаборная боковая дв.ЯМЗ (АО АЗ УРАЛ)
Цена: 3 165 ₽/шт.
Под заказ
Артикул: 4320Я-1109141
в наличии
Кронштейн воздушного фильтра
Количество на схеме: 2
Информация
Кронштейн воздушного фильтра
Количество
2
Модель
4320Я
Группа
Cистема питания двигателя
Подгруппа
Фильтр воздушный
Порядковый номер детали
141
Кронштейн УРАЛ фильтра воздушного дв.ЯМЗ-236,238М2 (АО АЗ УРАЛ)
Артикул: 4320Я-1109141
Кронштейн УРАЛ фильтра воздушного дв.ЯМЗ-236,238М2 (АО АЗ УРАЛ)
Код для заказа: 00036695
Цена: 1 363 ₽/шт.
Под заказ
Кронштейн УРАЛ фильтра воздушного дв.ЯМЗ-236,238М2 (АО АЗ УРАЛ)
Артикул: 4320Я-1109141
Код для заказа: 00036695
Кронштейн УРАЛ фильтра воздушного дв.ЯМЗ-236,238М2 (АО АЗ УРАЛ)
Цена: 1 363 ₽/шт.
Под заказ
Артикул: 4320Я-1109142
нет в наличии
Втулка
Количество на схеме: 2
Информация
Втулка
Количество
2
Модель
4320Я
Группа
Cистема питания двигателя
Подгруппа
Фильтр воздушный
Порядковый номер детали
142
Артикул: 4320Я-1109182
в наличии
Хомут в сборе
Количество на схеме: 2
Информация
Хомут в сборе
Количество
2
Модель
4320Я
Группа
Cистема питания двигателя
Подгруппа
Фильтр воздушный
Порядковый номер детали
182
Лента УРАЛ хомута воздухопровода (АО АЗ УРАЛ)
Артикул: 4320Я-1109182
Лента УРАЛ хомута воздухопровода (АО АЗ УРАЛ)
Код для заказа: 00037895
Цена: 585 ₽/шт.
Под заказ
Лента УРАЛ хомута воздухопровода (АО АЗ УРАЛ)
Артикул: 4320Я-1109182
Код для заказа: 00037895
Лента УРАЛ хомута воздухопровода (АО АЗ УРАЛ)
Цена: 585 ₽/шт.
Под заказ
Артикул: 4320Я-1109183
в наличии
Лента хомута в сборе
Количество на схеме: 2
Информация
Лента хомута в сборе
Количество
2
Модель
4320Я
Группа
Cистема питания двигателя
Подгруппа
Фильтр воздушный
Порядковый номер детали
183
Лента УРАЛ хомута воздухопровода (АО АЗ УРАЛ)
Артикул: 4320Я-1109183
Лента УРАЛ хомута воздухопровода (АО АЗ УРАЛ)
Код для заказа: 00037896
Цена: 585 ₽/шт.
Под заказ
Лента УРАЛ хомута воздухопровода (АО АЗ УРАЛ)
Артикул: 4320Я-1109183
Код для заказа: 00037896
Лента УРАЛ хомута воздухопровода (АО АЗ УРАЛ)
Цена: 585 ₽/шт.
Под заказ
Артикул: 4320Я-1109435-10
нет в наличии
Кольцо уплотнительное
Количество на схеме: 1
Информация
Кольцо уплотнительное
Количество
1
Модель
4320Я
Группа
Cистема питания двигателя
Подгруппа
Фильтр воздушный
Порядковый номер детали
435
Дополнительно
Не взаимозаменяема с деталью, выпущенной ранее под этим же номером
Артикул: 4320Я2-1109132
в наличии
Насадок
Количество на схеме: 1
Информация
Насадок
Количество
1
Модель
4320Я2
Группа
Cистема питания двигателя
Подгруппа
Фильтр воздушный
Порядковый номер детали
132
Насадок УРАЛ фильтра воздушного (АО АЗ УРАЛ)
Артикул: 4320Я2-1109132
Насадок УРАЛ фильтра воздушного (АО АЗ УРАЛ)
Код для заказа: 00040303
Цена: 4 827 ₽/шт.
Под заказ
Насадок УРАЛ фильтра воздушного (АО АЗ УРАЛ)
Артикул: 4320Я2-1109132
Код для заказа: 00040303
Насадок УРАЛ фильтра воздушного (АО АЗ УРАЛ)
Цена: 4 827 ₽/шт.
Под заказ
Артикул: 4320Я2-1109189
нет в наличии
Шланг воздухопровода в сборе
Количество на схеме: 1
Информация
Шланг воздухопровода в сборе
Количество
1
Модель
4320Я2
Группа
Cистема питания двигателя
Подгруппа
Фильтр воздушный
Порядковый номер детали
189
Артикул: 4320Я2-1109253
нет в наличии
Трубка индикатора
Количество на схеме: 1
Информация
Трубка индикатора
Количество
1
Модель
4320Я2
Группа
Cистема питания двигателя
Подгруппа
Фильтр воздушный
Порядковый номер детали
253
Артикул: 4322-1109390
нет в наличии
Хомут
Количество на схеме: 2
Информация
Хомут
Количество
2
Модель
4322
Группа
Cистема питания двигателя
Подгруппа
Фильтр воздушный
Порядковый номер детали
390
Артикул: 4322-1109428
в наличии
Щланг соединительный в сборе
Количество на схеме: 1
Информация
Щланг соединительный в сборе
Количество
1
Модель
4322
Группа
Cистема питания двигателя
Подгруппа
Фильтр воздушный
Порядковый номер детали
428
Шланг УРАЛ соединительный воздушный
Артикул: 4322-1109428
Шланг УРАЛ соединительный воздушный
Код для заказа: 00065751
Цена: 273 ₽/шт.
Под заказ
Шланг УРАЛ соединительный воздушный
Артикул: 4322-1109428
Код для заказа: 00065751
Шланг УРАЛ соединительный воздушный
Цена: 273 ₽/шт.
Под заказ
Артикул: 45-9871-1570
нет в наличии
Лента 14 хомута
Количество на схеме: 2
Информация
Лента 14 хомута
Количество
2
Артикул: 45-9871-1592
нет в наличии
Пряжка хомута
Количество на схеме: 2
Информация
Пряжка хомута
Количество
2
Артикул: 5323-1109182
нет в наличии
Лента хомута
Количество на схеме: 2
Информация
Лента хомута
Количество
2
Модель
5323
Группа
Cистема питания двигателя
Подгруппа
Фильтр воздушный
Порядковый номер детали
182
Артикул: 740-1109510-03
нет в наличии
Фильтр воздушный в сборе
Количество на схеме: 1
Информация
Фильтр воздушный в сборе
Количество
1
Примечание
2
Модель
740
Группа
Cистема питания двигателя
Подгруппа
Фильтр воздушный
Порядковый номер детали
510
Артикул: 740-1109515-02
нет в наличии
Корпус с пылеотбойником в сборе
Количество на схеме: 1
Информация
Корпус с пылеотбойником в сборе
Количество
1
Примечание
3
Модель
740
Группа
Cистема питания двигателя
Подгруппа
Фильтр воздушный
Порядковый номер детали
515
Артикул: 740-1109552
нет в наличии
Прокладка элемента
Количество на схеме: 1
Информация
Прокладка элемента
Количество
1
Примечание
4
Модель
740
Группа
Cистема питания двигателя
Подгруппа
Фильтр воздушный
Порядковый номер детали
552
Артикул: 740-1109560-02
в наличии
Элемент фильтрующий в сборе
Количество на схеме: 1
Информация
Элемент фильтрующий в сборе
Количество
1
Примечание
5
Модель
740
Группа
Cистема питания двигателя
Подгруппа
Фильтр воздушный
Порядковый номер детали
560
Чехол КАМАЗ защитный элемента фильтрующего воздушного DIFA
Артикул: 740-1109560-02
Чехол КАМАЗ защитный элемента фильтрующего воздушного DIFA
Код для заказа: 00062898
Цена: 1 301 ₽/шт.
Под заказ
Чехол КАМАЗ защитный элемента фильтрующего воздушного DIFA
Артикул: 740-1109560-02
Код для заказа: 00062898
Чехол КАМАЗ защитный элемента фильтрующего воздушного DIFA
Цена: 1 301 ₽/шт.
Под заказ
Элемент фильтрующий КАМАЗ воздушный ЭКОФИЛ
Артикул: 740-1109560-02
Элемент фильтрующий КАМАЗ воздушный ЭКОФИЛ
Код для заказа: 00067129
Цена: 1 614 ₽/шт.
Под заказ
Элемент фильтрующий КАМАЗ воздушный ЭКОФИЛ
Артикул: 740-1109560-02
Код для заказа: 00067129
Элемент фильтрующий КАМАЗ воздушный ЭКОФИЛ
Цена: 1 614 ₽/шт.
Под заказ
Элемент фильтрующий КАМАЗ воздушный ЭКОФИЛ
Артикул: 740-1109560-02
Элемент фильтрующий КАМАЗ воздушный ЭКОФИЛ
Код для заказа: 00067130
Цена: 1 614 ₽/шт.
Под заказ
Элемент фильтрующий КАМАЗ воздушный ЭКОФИЛ
Артикул: 740-1109560-02
Код для заказа: 00067130
Элемент фильтрующий КАМАЗ воздушный ЭКОФИЛ
Цена: 1 614 ₽/шт.
Под заказ
Артикул: 740-1109574
нет в наличии
Предочиститель
Количество на схеме: 1
Информация
Предочиститель
Количество
1
Примечание
6
Модель
740
Группа
Cистема питания двигателя
Подгруппа
Фильтр воздушный
Порядковый номер детали
574
Артикул: 740-1109580-02
нет в наличии
Крышка фильтра
Количество на схеме: 1
Информация
Крышка фильтра
Количество
1
Модель
740
Группа
Cистема питания двигателя
Подгруппа
Фильтр воздушный
Порядковый номер детали
580
Артикул: ИЗ8-700
нет в наличии
Индикатор засоренности
Количество на схеме: 1
Информация
Индикатор засоренности
Количество
1
  • Грузовые автомобили
  • Автобусы
  • Сельхозтехника
  • Спецтехника
  • Двигатели
Получить оптовый прайс-лист
Скачать прайс-лист от 07.05.2026 16:00
Специальное предложение от 07.05.2026 13:00
Производители:


  • WEICHAI
  • Автодизель ПАО (ЯМЗ)
  • Тутаевский МЗ
  • ЯЗДА
  • УралАЗ
  • МАЗ
  • АЗПИ
  • BOSCH
  • ММЗ
  • ШААЗ
  • FEDERAL MOGUL
  • ПРАМО
  • Мотордеталь
  • ТАИМ
  • АвтоКрАЗ
  • БЕЛКАРД
  • CZ Strakonice
  • КамАЗ
  • БЗА
  • ЧМЗ
  • BMZ
Новости
Все новости
25 марта 2024
Флагманский седельный тягач «Валдай 45» на выставке «TransRussia»
10 марта 2024
Современные автобусы «CITYMAX 9» и ЛиАЗ-5292 CNG
25 февраля 2024
Серийное производство средних дизельных двигателей повышенной мощности от ЯМЗ
Статьи
Все статьи
Датчики двигателя: за что они отвечают, признаки неисправности и как не прогадать с выбором
Двигатели ЯМЗ-534: история, технические характеристики и области применения
Двигатели ЯМЗ 650: углублённый технический обзор и история
Компания
О компании
Реквизиты
Новости
Политика
Магазины
Информация
Условия оплаты
Условия доставки
Гарантия на товар
Обмен и возврат товара
Помощь
Как оформить заказ
Полезные статьи
Бренды
Пункты выдачи
Оставайтесь на связи
  • Вконтакте
  • YouTube
  • Одноклассники
  • Google Plus
Увидели ошибку?
Выделите, нажав Ctrl + Enter
Наши контакты
8-800-700-35-68
sales@din76.ru
г. Ярославль, Ленинградский пр-т 33, ТЦ "ОМЕГА"
2026 © ООО «Динамика 76» - Все права защищены ООО "Динамика 76"
Предложения на сайте не являются публичной офертой.
На сайте обнаружена ошибка

Текст с ошибкой