Избранное 0 Корзина 0 Личный кабинет
logo
Каталог
Каталог
  • Справочник
    • Грузовые автомобили
    • Автобусы
    • Сельхозтехника
    • Спецтехника
    • Двигатели
  • Доставка
  • Оплата
  • О компании
    • Реквизиты
    • Магазины
    • Оплата
    • Доставка
    • Лицензии и сертификаты
    • Новости
    • Вакансии
  • Контакты
Отправить заявку
Личный кабинет
8 (800) 700-35-68
sales@din76.ru
Избранное 0 Корзина 0
8 (800) 700-35-68
Оптовый прайс-лист
Каталог
  • Двигатели
  • Запчасти WEICHAI
  • Запчасти ЯМЗ, ТМЗ (V-образные)
  • Запчасти ЯМЗ-534, ЯМЗ-536
  • Запчасти ЯМЗ-650, ЯМЗ-651, DCi-11
  • Топливная аппаратура
  • Запчасти УРАЛ
  • Запчасти МАЗ
  • Запчасти КамАЗ
  • Запчасти ММЗ
  • Ремни
Автокаталог (справочник)
  • Доставка
  • Оплата
  • О компании
  • Контакты
8 (800) 700-35-68
Написать в Whatsapp
sales@din76.ru
Динамика 76
Меню  
  • Каталог
    • Двигатели  
      • Двигатели ТМЗ  
        • Двигатели ТМЗ для автомобилей
        • Двигатели ТМЗ для тракторов
        • Специальные двигатели ТМЗ
        • Промышленные двигатели ТМЗ
      • Двигатели ЯМЗ  
        • ЯМЗ 236
        • ЯМЗ 238
        • ЯМЗ 240
        • ЯМЗ 751
        • ЯМЗ 840
        • ЯМЗ 850
        • ЯМЗ 656
        • ЯМЗ 658
        • ЯМЗ 534
        • ЯМЗ 536
        • ЯМЗ 650
        • Двигатели ЯМЗ для электростанций
      • Двигатели КАМАЗ
      • Двигатели ММЗ
      • Двигатели индивидуальной сборки
      • Комплекты переоборудования
    • Запчасти WEICHAI  
      • Основные запчасти двигателя  
        • Клапаны и толкатели
        • Шатуны
        • Вал коленчатый и маховик
        • Вал распределительный
        • Цилиндро-поршневая группа
      • Система питания  
        • Форсунки
        • Турбокомпрессор
      • Система смазки  
        • Насос масляный
      • Головка блока
      • Ремкомплекты
      • Система охлаждения  
        • Насос водяной
        • Муфта вязкостная и крыльчатка
      • Фильтры
      • Электрооборудование  
        • Генератор
        • Стартер
    • Запчасти ЯМЗ, ТМЗ (V-образные)  
      • Основные запчасти двигателя  
        • Блок двигателя и комплектующие
        • Валы распределительные и клапаны
        • Головка блока и комплектующие
        • Цилиндро-поршневая группа
        • Маховики и комплектующие
        • Валы коленчатые и комплектующие
        • Шатуны и комплектующие
      • Система питания  
        • Коллекторы и патрубки
        • Топливные трубопроводы
        • Турбокомпрессор
        • Топливные фильтры
      • Электрооборудование двигателя
      • Система охлаждения  
        • Вязкостные муфты и крыльчатки
        • Приводы вентилятора
        • Водяные насосы
        • Водяные трубы и термостаты
      • Коробки переключения передач  
        • 8 Ступенчатые КПП
        • 5 Ступенчатые КПП
        • 9 Ступенчатые КПП
        • Запасные части КПП ЯМЗ, ТМЗ
      • Система смазки  
        • Теплообменник и комплектующие
        • Масляные насосы
        • Фильтры масляные (ФГОМ, ФЦОМ)
      • Сцепление  
        • Запасные части механизма сцепления
        • Муфты (подшипники выжимные)
        • Корзины (диски нажимные)
        • Диски ведомые
      • Прочие запчасти двигателя  
        • Ремкомплекты
        • Привод агрегатов
        • Натяжные устройства
        • Трубки
    • Запчасти ЯМЗ-534, ЯМЗ-536  
      • Основные запчасти двигателя  
        • Цилиндро-поршневая группа
        • Головка блока цилиндров и комплектующие
        • Блок цилиндров и комплектующие
        • Вал коленчатый и маховик
        • Вал распределительный
        • Клапаны и толкатели
        • ГУР (Гидроусилитель руля)
        • Система рециркуляции отработавших газов
        • Выпускной коллектор
      • Система питания  
        • Коллекторы и патрубки
        • Топливные фильтры
        • Турбокомпрессор
        • Топливные трубопроводы
      • Система смазки  
        • Масляный картер поддон
        • Масляный насос
        • Теплообменник /Водо-масляный радиатор
        • Фильтры масляные (ФГОМ, ФЦОМ)
      • Пневмокомпрессор и натяжное
      • Система охлаждения  
        • Водяной насос
        • Водяные трубы и патрубки
        • Муфты вязкостные, приводы, крыльчатки
      • Ремкомплекты
      • Сцепление
      • Электрооборудование
    • Запчасти ЯМЗ-650, ЯМЗ-651, DCi-11  
      • Основные запчасти двигателя  
        • Цилиндро-поршневая группа
        • Головка блока цилиндров и комплектующие
        • Блок цилиндров и комплектующие
        • Вал коленчатый и маховик
        • Выпускной коллектор
        • Вал распределительный
        • Клапаны и толкатели
        • ГУР (Гидроусилитель руля)
        • Система рециркуляции отработавших газов
      • Система питания  
        • Коллекторы и патрубки
        • Топливные трубопроводы
        • Топливные фильтры
        • Турбокомпрессор
      • Система смазки  
        • Масляный картер / поддон
        • Масляный насос
        • Теплообменник / Водо-масляный радиатор
        • Фильтры масляные (ФГОМ, ФЦОМ)
      • Система охлаждения  
        • Водяной насос
        • Водяные трубы и патрубки
        • Муфты вязкостные, приводы, крыльчатки
      • Ремкомплекты
      • Пневмокомпрессор и натяжное
      • Электрооборудование
      • Сцепление
    • Топливная аппаратура  
      • ЯЗДА  
        • Распылители
        • ТНВД
        • Форсунки
        • Топливный насос низкого давления
        • Пары плунжерные
        • Муфта опережения впрыска топлива
        • Запчасти и комплектующие ТНВД
      • НЗТА
      • АЗПИ  
        • Распылители
        • Форсунки
      • BOSCH
    • Запчасти УРАЛ  
      • Трансмиссия  
        • Коробка раздаточная
        • Передача карданная
        • Мост задний
        • Мост передний (ведущий)
        • Мост средний (промежуточный)
      • Кузов  
        • Дверь кабины
        • Капот, крылья, облицовка радиатора
        • Окно ветровое и заднее
        • Отопление и вентиляция кабины
        • Кабина
      • Механизмы управления  
        • Управление рулевое
        • Тормоза
      • Дополнительное оборудование  
        • Отбор мощности
        • Устройство седельное
      • Электрооборудование
      • Ходовая часть  
        • Колеса и ступицы
        • Ось передняя
        • Подвеска автомобиля
        • Рама
    • Запчасти МАЗ  
      • Трансмиссия  
        • Мост задний
        • Мост передний (ведущий)
        • Передача карданная
        • Мост средний (промежуточный)
      • Кузов  
        • Кабина
        • Дверь кабины
        • Детали основания кабины
        • Окно ветровое и заднее
        • Платформа
      • Механизмы управления  
        • Тормоза
        • Управление рулевое
      • Ходовая часть  
        • Колеса и ступицы
        • Ось передняя
        • Подвеска автомобиля
        • Рама
    • Запчасти КамАЗ  
      • Кузов  
        • Кабина
        • Капот, крылья, облицовка радиатора
        • Дверь кабины
        • Платформа
        • Окно ветровое и заднее
        • Устройство подъемное и опрокидывающее
        • Сиденье
        • Крыша кабины (крыша кузова)
        • Отопление и вентиляция кабины
      • Трансмиссия  
        • Коробка передач
        • Коробка раздаточная
        • Мост задний
        • Сцепление
        • Мост средний (промежуточный)
        • Передача карданная
        • Мост передний (ведущий)
      • Двигатель  
        • Основные запчасти двигателя
        • Система охлаждения
        • Система питания
        • Система смазки
      • Дополнительное оборудование  
        • Отбор мощности
        • Устройство седельное
      • Ходовая часть  
        • Подвеска автомобиля
        • Рама
        • Колеса и ступицы
        • Ось передняя
      • Механизмы управления  
        • Тормоза
        • Управление рулевое
      • Электрооборудование
    • Запчасти ММЗ
    • Ремни
  • Справочник
    • Грузовые автомобили
    • Автобусы
    • Сельхозтехника
    • Спецтехника
    • Двигатели
  • Как купить
    • Условия оплаты
    • Условия доставки
    • Гарантия на товар
    • Пункты выдачи
  • Услуги
    • Капитальный ремонт двигателей ЯМЗ
  • Акции
  • Статьи
  • Контакты
  • Компания
    • Реквизиты
    • Магазины
    • Оплата
    • Доставка
    • Лицензии и сертификаты
    • Новости
    • Вакансии
Избранное 0 Корзина 0
8-800-700-35-68

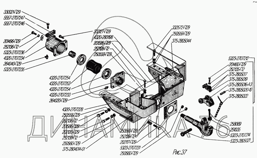
Буксирный прибор на УРАЛ-4320-31

Справочник
Главная
-
Автокаталог
-
Грузовые автомобили и прицепы
-
УралАЗ
-
УРАЛ-4320-31
Справочный каталог

Буксирный прибор — УРАЛ-4320-31:

201460-П29 201496-П29 201586-П29 201586-П29 202117-П29 202120-П29 202127-П29 250558-П29 250558-П29 250559-П29 250560-П29 250560-П29 250560-П29 251035 252135-П2 252136-П2 252138-П2 252138-П2 252139-П2 252139-П2 258069 264020-П29 264040-П29 330021-П29 332572-П29 375-2804014-01 375-2805016-А3 375-2805017 375-2805019 375-2805020-10 375-2805022 375-2805044 4320-2107228 4320-2707233 4320-2707234 4320-2707253 4320-2707254 4320-2707254 4320-2801198 5323-2707212 5323-2707214 5323-2707231 5323-2707235 5323-2707236 5323-2805021 5557-2707246 5557-2707247
в наличии
нет в наличии
масштаб

В наличии
Нет в наличии

Перечень комплектующих от Буксирный прибор на УРАЛ-4320-31

Схемы запчастей предназначены для справочных целей! Мы продаем не все запчасти от Буксирный прибор на УРАЛ-4320-31, представленные в этом списке.
Наличие на складах по деталям с ценой смотрите в карточке товара.
Артикул: 201460-П29
нет в наличии
Болт М8-6gх30
Количество на схеме: 1
Информация
Болт М8-6gх30
Количество
1
Покрытие
цинкование и пассивирование (цинковое с хроматированием)
Артикул: 201496-П29
в наличии
Болт М10-6gх22
Количество на схеме: 1
Информация
Болт М10-6gх22
Количество
1
Покрытие
цинкование и пассивирование (цинковое с хроматированием)
Болт М10х22 крышки картера редуктора УРАЛ (АО АЗ УРАЛ)
Артикул: 201496-П29
Болт М10х22 крышки картера редуктора УРАЛ (АО АЗ УРАЛ)
Код для заказа: 00022552
Цена: 46 ₽/шт.
Под заказ
Болт М10х22 крышки картера редуктора УРАЛ (АО АЗ УРАЛ)
Артикул: 201496-П29
Код для заказа: 00022552
Болт М10х22 крышки картера редуктора УРАЛ (АО АЗ УРАЛ)
Цена: 46 ₽/шт.
Под заказ
Артикул: 201586-П29
в наличии
Болт М14-6gх32
Количество на схеме: 4
Информация
Болт М14-6gх32
Количество
4
Покрытие
цинкование и пассивирование (цинковое с хроматированием)
Болт М14х2х32 крепления кронштейна бака топливного УРАЛ (АО АЗ УРАЛ)
Артикул: 201586-П29
Болт М14х2х32 крепления кронштейна бака топливного УРАЛ (АО АЗ УРАЛ)
Код для заказа: 00022781
Цена: 54 ₽/шт.
Под заказ
Болт М14х2х32 крепления кронштейна бака топливного УРАЛ (АО АЗ УРАЛ)
Артикул: 201586-П29
Код для заказа: 00022781
Болт М14х2х32 крепления кронштейна бака топливного УРАЛ (АО АЗ УРАЛ)
Цена: 54 ₽/шт.
Под заказ
Артикул: 202117-П29
в наличии
Болт М16-6gх35
Количество на схеме: 2
Информация
Болт М16-6gх35
Количество
2
Покрытие
цинкование и пассивирование (цинковое с хроматированием)
Болт М16х2.0х35 облицовки радиатора УРАЛ (АО АЗ УРАЛ)
Артикул: 202117-П29
Болт М16х2.0х35 облицовки радиатора УРАЛ (АО АЗ УРАЛ)
Код для заказа: 00022862
Цена: 69 ₽/шт.
Под заказ
Болт М16х2.0х35 облицовки радиатора УРАЛ (АО АЗ УРАЛ)
Артикул: 202117-П29
Код для заказа: 00022862
Болт М16х2.0х35 облицовки радиатора УРАЛ (АО АЗ УРАЛ)
Цена: 69 ₽/шт.
Под заказ
Артикул: 202120-П29
в наличии
Болт М16-6gх42
Количество на схеме: 4
Информация
Болт М16-6gх42
Количество
4
Покрытие
цинкование и пассивирование (цинковое с хроматированием)
Болт М16х2.0х42 крепление поперечины прибора буксирного УРАЛ (АО АЗ УРАЛ)
Артикул: 202120-П29
Болт М16х2.0х42 крепление поперечины прибора буксирного УРАЛ (АО АЗ УРАЛ)
Код для заказа: 00022865
Цена: 96 ₽/шт.
Под заказ
Болт М16х2.0х42 крепление поперечины прибора буксирного УРАЛ (АО АЗ УРАЛ)
Артикул: 202120-П29
Код для заказа: 00022865
Болт М16х2.0х42 крепление поперечины прибора буксирного УРАЛ (АО АЗ УРАЛ)
Цена: 96 ₽/шт.
Под заказ
Артикул: 202127-П29
в наличии
Болт М16-6gх70
Количество на схеме: 4
Информация
Болт М16-6gх70
Количество
4
Покрытие
цинкование и пассивирование (цинковое с хроматированием)
Болт М16х2.0х70 прибора буксирного УРАЛ (АО АЗ УРАЛ)
Артикул: 202127-П29
Болт М16х2.0х70 прибора буксирного УРАЛ (АО АЗ УРАЛ)
Код для заказа: 00022868
Цена: 104 ₽/шт.
Под заказ
Болт М16х2.0х70 прибора буксирного УРАЛ (АО АЗ УРАЛ)
Артикул: 202127-П29
Код для заказа: 00022868
Болт М16х2.0х70 прибора буксирного УРАЛ (АО АЗ УРАЛ)
Цена: 104 ₽/шт.
Под заказ
Артикул: 250558-П29
нет в наличии
Гайка М14-6Н
Количество на схеме: 4
Информация
Гайка М14-6Н
Количество
4
Покрытие
цинкование и пассивирование (цинковое с хроматированием)
Артикул: 250559-П29
нет в наличии
Гайка М14х1,5-6Н
Количество на схеме: 28
Информация
Гайка М14х1,5-6Н
Количество
28
Покрытие
цинкование и пассивирование (цинковое с хроматированием)
Артикул: 250560-П29
нет в наличии
Гайка М16х1,5-6Н
Количество на схеме: 8
Информация
Гайка М16х1,5-6Н
Количество
8
Покрытие
цинкование и пассивирование (цинковое с хроматированием)
Артикул: 251035
в наличии
Гайка М24х2-6Н
Количество на схеме: 1
Информация
Гайка М24х2-6Н
Количество
1
Покрытие
без покрытия
Гайка М24х2-6Н МАЗ пальца рулевого корончатая
Артикул: 251035
Гайка М24х2-6Н МАЗ пальца рулевого корончатая
Код для заказа: 00027587
Цена: 300 ₽/шт.
Под заказ
Гайка М24х2-6Н МАЗ пальца рулевого корончатая
Артикул: 251035
Код для заказа: 00027587
Гайка М24х2-6Н МАЗ пальца рулевого корончатая
Цена: 300 ₽/шт.
Под заказ
Артикул: 252135-П2
в наличии
Шайба 8 пружинная
Количество на схеме: 1
Информация
Шайба 8 пружинная
Количество
1
Покрытие
фосфатирование и промасливание
Шайба 8х2.5 ЯМЗ заглушки блока цилиндров АВТОДИЗЕЛЬ
Артикул: 252135-П2
Шайба 8х2.5 ЯМЗ заглушки блока цилиндров АВТОДИЗЕЛЬ
Код для заказа: 00006017
Цена: 3 ₽/шт.
Под заказ
Шайба 8х2.5 ЯМЗ заглушки блока цилиндров АВТОДИЗЕЛЬ
Артикул: 252135-П2
Код для заказа: 00006017
Шайба 8х2.5 ЯМЗ заглушки блока цилиндров АВТОДИЗЕЛЬ
Цена: 3 ₽/шт.
Под заказ
Артикул: 252136-П2
в наличии
Шайба 10 пружинная
Количество на схеме: 1
Информация
Шайба 10 пружинная
Количество
1
Покрытие
фосфатирование и промасливание
Шайба 10.2х2.5 пружинная цинк ЭТНА
Артикул: 252136-П2
Шайба 10.2х2.5 пружинная цинк ЭТНА
Код для заказа: 00062958
Цена: 10 ₽/шт.
Под заказ
Шайба 10.2х2.5 пружинная цинк ЭТНА
Артикул: 252136-П2
Код для заказа: 00062958
Шайба 10.2х2.5 пружинная цинк ЭТНА
Цена: 10 ₽/шт.
Под заказ
Шайба гроверная 17,1х10,1х3,5
Артикул: 252136-П2
Шайба гроверная 17,1х10,1х3,5
Код для заказа: 00006018
Цена: 10 ₽/шт.
Под заказ
Шайба гроверная 17,1х10,1х3,5
Артикул: 252136-П2
Код для заказа: 00006018
Шайба гроверная 17,1х10,1х3,5
Цена: 10 ₽/шт.
Под заказ
Артикул: 252138-П2
нет в наличии
Шайба 14 пружинная
Количество на схеме: 4
Информация
Шайба 14 пружинная
Количество
4
Покрытие
фосфатирование и промасливание
Артикул: 252139-П2
в наличии
Шайба 16
Количество на схеме: 6
Информация
Шайба 16
Количество
6
Покрытие
фосфатирование и промасливание
Шайба 16 пружинная подвески двигателя УРАЛ (АО АЗ УРАЛ)
Артикул: 252139-П2
Шайба 16 пружинная подвески двигателя УРАЛ (АО АЗ УРАЛ)
Код для заказа: 00062994
Цена: 12 ₽/шт.
Под заказ
Шайба 16 пружинная подвески двигателя УРАЛ (АО АЗ УРАЛ)
Артикул: 252139-П2
Код для заказа: 00062994
Шайба 16 пружинная подвески двигателя УРАЛ (АО АЗ УРАЛ)
Цена: 12 ₽/шт.
Под заказ
Артикул: 258069
нет в наличии
Шплинт 5х36
Количество на схеме: 1
Информация
Шплинт 5х36
Количество
1
Покрытие
без покрытия
Артикул: 264020-П29
нет в наличии
Масленка 1.3
Количество на схеме: 1
Информация
Масленка 1.3
Количество
1
Покрытие
цинкование и пассивирование (цинковое с хроматированием)
Артикул: 264040-П29
нет в наличии
Масленка 2.3.90.01 в сборе
Количество на схеме: 1
Информация
Масленка 2.3.90.01 в сборе
Количество
1
Покрытие
цинкование и пассивирование (цинковое с хроматированием)
Артикул: 330021-П29
в наличии
Болт М14х29
Количество на схеме: 4
Информация
Болт М14х29
Количество
4
Покрытие
цинкование и пассивирование (цинковое с хроматированием)
Болт М14х2.0х29 прибора буксирного УРАЛ (АО АЗ УРАЛ)
Артикул: 330021-П29
Болт М14х2.0х29 прибора буксирного УРАЛ (АО АЗ УРАЛ)
Код для заказа: 00022775
Цена: 62 ₽/шт.
Под заказ
Болт М14х2.0х29 прибора буксирного УРАЛ (АО АЗ УРАЛ)
Артикул: 330021-П29
Код для заказа: 00022775
Болт М14х2.0х29 прибора буксирного УРАЛ (АО АЗ УРАЛ)
Цена: 62 ₽/шт.
Под заказ
Артикул: 332572-П29
нет в наличии
Болт М14
Количество на схеме: 14
Информация
Болт М14
Количество
14
Покрытие
цинкование и пассивирование (цинковое с хроматированием)
Артикул: 375-2804014-01
в наличии
Буфер задний
Количество на схеме: 2
Информация
Буфер задний
Количество
2
Модель
375
Группа
Рама
Подгруппа
Буфер задний
Порядковый номер детали
014
Буфер УРАЛ задний (АО АЗ УРАЛ)
Артикул: 375-2804014-01
Буфер УРАЛ задний (АО АЗ УРАЛ)
Код для заказа: 00023583
Цена: 6 484 ₽/шт.
Под заказ
Буфер УРАЛ задний (АО АЗ УРАЛ)
Артикул: 375-2804014-01
Код для заказа: 00023583
Буфер УРАЛ задний (АО АЗ УРАЛ)
Цена: 6 484 ₽/шт.
Под заказ
Артикул: 375-2805016-А3
нет в наличии
Защелка буксирного крюка
Количество на схеме: 1
Информация
Защелка буксирного крюка
Количество
1
Модель
375
Группа
Рама
Подгруппа
Прибор буксирный
Порядковый номер детали
016
Артикул: 375-2805017
нет в наличии
Собачка защелки в сборе
Количество на схеме: 1
Информация
Собачка защелки в сборе
Количество
1
Модель
375
Группа
Рама
Подгруппа
Прибор буксирный
Порядковый номер детали
017
Артикул: 375-2805019
нет в наличии
Пружина
Количество на схеме: 1
Информация
Пружина
Количество
1
Модель
375
Группа
Рама
Подгруппа
Прибор буксирный
Порядковый номер детали
019
Артикул: 375-2805020-10
нет в наличии
Ось собачки
Количество на схеме: 1
Информация
Ось собачки
Количество
1
Модель
375
Группа
Рама
Подгруппа
Прибор буксирный
Порядковый номер детали
020
Дополнительно
Не взаимозаменяема с деталью, выпущенной ранее под этим же номером
Артикул: 375-2805022
нет в наличии
Цепочка со шплинтом в сборе
Количество на схеме: 1
Информация
Цепочка со шплинтом в сборе
Количество
1
Модель
375
Группа
Рама
Подгруппа
Прибор буксирный
Порядковый номер детали
022
Артикул: 375-2805044
нет в наличии
Пластина ограничительная
Количество на схеме: 2
Информация
Пластина ограничительная
Количество
2
Модель
375
Группа
Рама
Подгруппа
Прибор буксирный
Порядковый номер детали
044
Артикул: 4320-2107228
нет в наличии
Поперечина буксирного прибора в сборе
Количество на схеме: 1
Информация
Поперечина буксирного прибора в сборе
Количество
1
Модель
4320
Подгруппа
2107
Порядковый номер детали
228
Артикул: 4320-2707233
в наличии
Втулка
Количество на схеме: 1
Информация
Втулка
Количество
1
Модель
4320
Группа
Устройство седельное
Подгруппа
Устройство тягово-сцепное
Порядковый номер детали
233
Втулка УРАЛ прибора буксирного (АО АЗ УРАЛ)
Артикул: 4320-2707233
Втулка УРАЛ прибора буксирного (АО АЗ УРАЛ)
Код для заказа: 00026941
Цена: 6 400 ₽/шт.
Под заказ
Втулка УРАЛ прибора буксирного (АО АЗ УРАЛ)
Артикул: 4320-2707233
Код для заказа: 00026941
Втулка УРАЛ прибора буксирного (АО АЗ УРАЛ)
Цена: 6 400 ₽/шт.
Под заказ
Артикул: 4320-2707234
в наличии
Корпус буксирного прибора
Количество на схеме: 1
Информация
Корпус буксирного прибора
Количество
1
Модель
4320
Группа
Устройство седельное
Подгруппа
Устройство тягово-сцепное
Порядковый номер детали
234
Корпус УРАЛ прибора буксирного (АО АЗ УРАЛ)
Артикул: 4320-2707234
Корпус УРАЛ прибора буксирного (АО АЗ УРАЛ)
Код для заказа: 00034917
Цена: 11 427 ₽/шт.
Под заказ
Корпус УРАЛ прибора буксирного (АО АЗ УРАЛ)
Артикул: 4320-2707234
Код для заказа: 00034917
Корпус УРАЛ прибора буксирного (АО АЗ УРАЛ)
Цена: 11 427 ₽/шт.
Под заказ
Артикул: 4320-2707253
в наличии
Буфер буксирного прибора
Количество на схеме: 1
Информация
Буфер буксирного прибора
Количество
1
Модель
4320
Группа
Устройство седельное
Подгруппа
Устройство тягово-сцепное
Порядковый номер детали
253
Буфер УРАЛ прибора буксирного
Артикул: 4320-2707253
Буфер УРАЛ прибора буксирного
Код для заказа: 00023589
Цена: 723 ₽/шт.
Под заказ
Буфер УРАЛ прибора буксирного
Артикул: 4320-2707253
Код для заказа: 00023589
Буфер УРАЛ прибора буксирного
Цена: 723 ₽/шт.
Под заказ
Артикул: 4320-2707254
в наличии
Кольцо нажимное
Количество на схеме: 2
Информация
Кольцо нажимное
Количество
2
Модель
4320
Группа
Устройство седельное
Подгруппа
Устройство тягово-сцепное
Порядковый номер детали
254
Кольцо УРАЛ прибора буксирного нажимное (АО АЗ УРАЛ)
Артикул: 4320-2707254
Кольцо УРАЛ прибора буксирного нажимное (АО АЗ УРАЛ)
Код для заказа: 00033948
Цена: 1 777 ₽/шт.
Под заказ
Кольцо УРАЛ прибора буксирного нажимное (АО АЗ УРАЛ)
Артикул: 4320-2707254
Код для заказа: 00033948
Кольцо УРАЛ прибора буксирного нажимное (АО АЗ УРАЛ)
Цена: 1 777 ₽/шт.
Под заказ
Артикул: 4320-2801198
в наличии
Поперечина №6
Количество на схеме: 1
Информация
Поперечина №6
Количество
1
Модель
4320
Группа
Рама
Подгруппа
Рама
Порядковый номер детали
198
Поперечина УРАЛ рамы №6 (АО АЗ УРАЛ)
Артикул: 4320-2801198
Поперечина УРАЛ рамы №6 (АО АЗ УРАЛ)
Код для заказа: 00046275
Цена: 41 386 ₽/шт.
Под заказ
Поперечина УРАЛ рамы №6 (АО АЗ УРАЛ)
Артикул: 4320-2801198
Код для заказа: 00046275
Поперечина УРАЛ рамы №6 (АО АЗ УРАЛ)
Цена: 41 386 ₽/шт.
Под заказ
Артикул: 5323-2707212
в наличии
Крюк буксирного прибора в сборе
Количество на схеме: 1
Информация
Крюк буксирного прибора в сборе
Количество
1
Модель
5323
Группа
Устройство седельное
Подгруппа
Устройство тягово-сцепное
Порядковый номер детали
212
Крюк УРАЛ прибора буксирного в сборе L=430мм (АО АЗ УРАЛ)
Артикул: 5323-2707212
Крюк УРАЛ прибора буксирного в сборе L=430мм (АО АЗ УРАЛ)
Код для заказа: 00037631
Цена: 14 648 ₽/шт.
Под заказ
Крюк УРАЛ прибора буксирного в сборе L=430мм (АО АЗ УРАЛ)
Артикул: 5323-2707212
Код для заказа: 00037631
Крюк УРАЛ прибора буксирного в сборе L=430мм (АО АЗ УРАЛ)
Цена: 14 648 ₽/шт.
Под заказ
Артикул: 5323-2707214
нет в наличии
Крюк буксирного прибора
Количество на схеме: 1
Информация
Крюк буксирного прибора
Количество
1
Модель
5323
Группа
Устройство седельное
Подгруппа
Устройство тягово-сцепное
Порядковый номер детали
214
Артикул: 5323-2707231
нет в наличии
Усилитель поперечины
Количество на схеме: 1
Информация
Усилитель поперечины
Количество
1
Модель
5323
Группа
Устройство седельное
Подгруппа
Устройство тягово-сцепное
Порядковый номер детали
231
Артикул: 5323-2707235
в наличии
Гайка буксирного прибора
Количество на схеме: 1
Информация
Гайка буксирного прибора
Количество
1
Модель
5323
Группа
Устройство седельное
Подгруппа
Устройство тягово-сцепное
Порядковый номер детали
235
Гайка УРАЛ прибора буксирного (АО АЗ УРАЛ)
Артикул: 5323-2707235
Гайка УРАЛ прибора буксирного (АО АЗ УРАЛ)
Код для заказа: 00027785
Цена: 1 490 ₽/шт.
Под заказ
Гайка УРАЛ прибора буксирного (АО АЗ УРАЛ)
Артикул: 5323-2707235
Код для заказа: 00027785
Гайка УРАЛ прибора буксирного (АО АЗ УРАЛ)
Цена: 1 490 ₽/шт.
Под заказ
Артикул: 5323-2707236
в наличии
Пластина стопорная
Количество на схеме: 1
Информация
Пластина стопорная
Количество
1
Модель
5323
Группа
Устройство седельное
Подгруппа
Устройство тягово-сцепное
Порядковый номер детали
236
Пластина УРАЛ прибора буксирного (АО АЗ УРАЛ)
Артикул: 5323-2707236
Пластина УРАЛ прибора буксирного (АО АЗ УРАЛ)
Код для заказа: 00044589
Цена: 263 ₽/шт.
Под заказ
Пластина УРАЛ прибора буксирного (АО АЗ УРАЛ)
Артикул: 5323-2707236
Код для заказа: 00044589
Пластина УРАЛ прибора буксирного (АО АЗ УРАЛ)
Цена: 263 ₽/шт.
Под заказ
Артикул: 5323-2805021
нет в наличии
Палец защелки в сборе
Количество на схеме: 1
Информация
Палец защелки в сборе
Количество
1
Модель
5323
Группа
Рама
Подгруппа
Прибор буксирный
Порядковый номер детали
021
Артикул: 5557-2707246
в наличии
Пластина
Количество на схеме: 2
Информация
Пластина
Количество
2
Модель
5557
Группа
Устройство седельное
Подгруппа
Устройство тягово-сцепное
Порядковый номер детали
246
Пластина УРАЛ прибора буксирного (АО АЗ УРАЛ)
Артикул: 5557-2707246
Пластина УРАЛ прибора буксирного (АО АЗ УРАЛ)
Код для заказа: 00044590
Цена: 263 ₽/шт.
Под заказ
Пластина УРАЛ прибора буксирного (АО АЗ УРАЛ)
Артикул: 5557-2707246
Код для заказа: 00044590
Пластина УРАЛ прибора буксирного (АО АЗ УРАЛ)
Цена: 263 ₽/шт.
Под заказ
Артикул: 5557-2707247
в наличии
Пластина стопорная
Количество на схеме: 2
Информация
Пластина стопорная
Количество
2
Модель
5557
Группа
Устройство седельное
Подгруппа
Устройство тягово-сцепное
Порядковый номер детали
247
Пластина УРАЛ прибора буксирного (АО АЗ УРАЛ)
Артикул: 5557-2707247
Пластина УРАЛ прибора буксирного (АО АЗ УРАЛ)
Код для заказа: 00044591
Цена: 263 ₽/шт.
Под заказ
Пластина УРАЛ прибора буксирного (АО АЗ УРАЛ)
Артикул: 5557-2707247
Код для заказа: 00044591
Пластина УРАЛ прибора буксирного (АО АЗ УРАЛ)
Цена: 263 ₽/шт.
Под заказ
  • Грузовые автомобили
  • Автобусы
  • Сельхозтехника
  • Спецтехника
  • Двигатели
Получить оптовый прайс-лист
Скачать прайс-лист от 09.05.2026 16:00
Специальное предложение от 09.05.2026 17:00
Производители:


  • WEICHAI
  • Автодизель ПАО (ЯМЗ)
  • Тутаевский МЗ
  • ЯЗДА
  • УралАЗ
  • МАЗ
  • АЗПИ
  • BOSCH
  • ММЗ
  • ШААЗ
  • FEDERAL MOGUL
  • ПРАМО
  • Мотордеталь
  • ТАИМ
  • АвтоКрАЗ
  • БЕЛКАРД
  • CZ Strakonice
  • КамАЗ
  • БЗА
  • ЧМЗ
  • BMZ
Новости
Все новости
25 марта 2024
Флагманский седельный тягач «Валдай 45» на выставке «TransRussia»
10 марта 2024
Современные автобусы «CITYMAX 9» и ЛиАЗ-5292 CNG
25 февраля 2024
Серийное производство средних дизельных двигателей повышенной мощности от ЯМЗ
Статьи
Все статьи
Датчики двигателя: за что они отвечают, признаки неисправности и как не прогадать с выбором
Двигатели ЯМЗ-534: история, технические характеристики и области применения
Двигатели ЯМЗ 650: углублённый технический обзор и история
Компания
О компании
Реквизиты
Новости
Политика
Магазины
Информация
Условия оплаты
Условия доставки
Гарантия на товар
Обмен и возврат товара
Помощь
Как оформить заказ
Полезные статьи
Бренды
Пункты выдачи
Оставайтесь на связи
  • Вконтакте
  • YouTube
  • Одноклассники
  • Google Plus
Увидели ошибку?
Выделите, нажав Ctrl + Enter
Наши контакты
8-800-700-35-68
sales@din76.ru
г. Ярославль, Ленинградский пр-т 33, ТЦ "ОМЕГА"
2026 © ООО «Динамика 76» - Все права защищены ООО "Динамика 76"
Предложения на сайте не являются публичной офертой.
На сайте обнаружена ошибка

Текст с ошибкой