Избранное 0 Корзина 0 Личный кабинет
logo
Каталог
Каталог
  • Справочник
    • Грузовые автомобили
    • Автобусы
    • Сельхозтехника
    • Спецтехника
    • Двигатели
  • Доставка
  • Оплата
  • О компании
    • Реквизиты
    • Магазины
    • Оплата
    • Доставка
    • Лицензии и сертификаты
    • Новости
    • Вакансии
  • Контакты
Отправить заявку
Личный кабинет
8 (800) 700-35-68
sales@din76.ru
Избранное 0 Корзина 0
8 (800) 700-35-68
Оптовый прайс-лист
Каталог
  • Двигатели
  • Запчасти WEICHAI
  • Запчасти ЯМЗ, ТМЗ (V-образные)
  • Запчасти ЯМЗ-534, ЯМЗ-536
  • Запчасти ЯМЗ-650, ЯМЗ-651, DCi-11
  • Топливная аппаратура
  • Запчасти УРАЛ
  • Запчасти МАЗ
  • Запчасти КамАЗ
  • Запчасти ММЗ
  • Ремни
Автокаталог (справочник)
  • Доставка
  • Оплата
  • О компании
  • Контакты
8 (800) 700-35-68
Написать в Whatsapp
sales@din76.ru
Динамика 76
Меню  
  • Каталог
    • Двигатели  
      • Двигатели ТМЗ  
        • Двигатели ТМЗ для автомобилей
        • Двигатели ТМЗ для тракторов
        • Специальные двигатели ТМЗ
        • Промышленные двигатели ТМЗ
      • Двигатели ЯМЗ  
        • ЯМЗ 236
        • ЯМЗ 238
        • ЯМЗ 240
        • ЯМЗ 751
        • ЯМЗ 840
        • ЯМЗ 850
        • ЯМЗ 656
        • ЯМЗ 658
        • ЯМЗ 534
        • ЯМЗ 536
        • ЯМЗ 650
        • Двигатели ЯМЗ для электростанций
      • Двигатели КАМАЗ
      • Двигатели ММЗ
      • Двигатели индивидуальной сборки
      • Комплекты переоборудования
    • Запчасти WEICHAI  
      • Основные запчасти двигателя  
        • Клапаны и толкатели
        • Шатуны
        • Вал коленчатый и маховик
        • Вал распределительный
        • Цилиндро-поршневая группа
      • Система питания  
        • Форсунки
        • Турбокомпрессор
      • Система смазки  
        • Насос масляный
      • Головка блока
      • Ремкомплекты
      • Система охлаждения  
        • Насос водяной
        • Муфта вязкостная и крыльчатка
      • Фильтры
      • Электрооборудование  
        • Генератор
        • Стартер
    • Запчасти ЯМЗ, ТМЗ (V-образные)  
      • Основные запчасти двигателя  
        • Блок двигателя и комплектующие
        • Валы распределительные и клапаны
        • Головка блока и комплектующие
        • Цилиндро-поршневая группа
        • Маховики и комплектующие
        • Валы коленчатые и комплектующие
        • Шатуны и комплектующие
      • Система питания  
        • Коллекторы и патрубки
        • Топливные трубопроводы
        • Турбокомпрессор
        • Топливные фильтры
      • Электрооборудование двигателя
      • Система охлаждения  
        • Вязкостные муфты и крыльчатки
        • Приводы вентилятора
        • Водяные насосы
        • Водяные трубы и термостаты
      • Коробки переключения передач  
        • 8 Ступенчатые КПП
        • 5 Ступенчатые КПП
        • 9 Ступенчатые КПП
        • Запасные части КПП ЯМЗ, ТМЗ
      • Система смазки  
        • Теплообменник и комплектующие
        • Масляные насосы
        • Фильтры масляные (ФГОМ, ФЦОМ)
      • Сцепление  
        • Запасные части механизма сцепления
        • Муфты (подшипники выжимные)
        • Корзины (диски нажимные)
        • Диски ведомые
      • Прочие запчасти двигателя  
        • Ремкомплекты
        • Привод агрегатов
        • Натяжные устройства
        • Трубки
    • Запчасти ЯМЗ-534, ЯМЗ-536  
      • Основные запчасти двигателя  
        • Цилиндро-поршневая группа
        • Головка блока цилиндров и комплектующие
        • Блок цилиндров и комплектующие
        • Вал коленчатый и маховик
        • Вал распределительный
        • Клапаны и толкатели
        • ГУР (Гидроусилитель руля)
        • Система рециркуляции отработавших газов
        • Выпускной коллектор
      • Система питания  
        • Коллекторы и патрубки
        • Топливные фильтры
        • Турбокомпрессор
        • Топливные трубопроводы
      • Система смазки  
        • Масляный картер поддон
        • Масляный насос
        • Теплообменник /Водо-масляный радиатор
        • Фильтры масляные (ФГОМ, ФЦОМ)
      • Пневмокомпрессор и натяжное
      • Система охлаждения  
        • Водяной насос
        • Водяные трубы и патрубки
        • Муфты вязкостные, приводы, крыльчатки
      • Ремкомплекты
      • Сцепление
      • Электрооборудование
    • Запчасти ЯМЗ-650, ЯМЗ-651, DCi-11  
      • Основные запчасти двигателя  
        • Цилиндро-поршневая группа
        • Головка блока цилиндров и комплектующие
        • Блок цилиндров и комплектующие
        • Вал коленчатый и маховик
        • Выпускной коллектор
        • Вал распределительный
        • Клапаны и толкатели
        • ГУР (Гидроусилитель руля)
        • Система рециркуляции отработавших газов
      • Система питания  
        • Коллекторы и патрубки
        • Топливные трубопроводы
        • Топливные фильтры
        • Турбокомпрессор
      • Система смазки  
        • Масляный картер / поддон
        • Масляный насос
        • Теплообменник / Водо-масляный радиатор
        • Фильтры масляные (ФГОМ, ФЦОМ)
      • Система охлаждения  
        • Водяной насос
        • Водяные трубы и патрубки
        • Муфты вязкостные, приводы, крыльчатки
      • Ремкомплекты
      • Пневмокомпрессор и натяжное
      • Электрооборудование
      • Сцепление
    • Топливная аппаратура  
      • ЯЗДА  
        • Распылители
        • ТНВД
        • Форсунки
        • Топливный насос низкого давления
        • Пары плунжерные
        • Муфта опережения впрыска топлива
        • Запчасти и комплектующие ТНВД
      • НЗТА
      • АЗПИ  
        • Распылители
        • Форсунки
      • BOSCH
    • Запчасти УРАЛ  
      • Трансмиссия  
        • Коробка раздаточная
        • Передача карданная
        • Мост задний
        • Мост передний (ведущий)
        • Мост средний (промежуточный)
      • Кузов  
        • Дверь кабины
        • Капот, крылья, облицовка радиатора
        • Окно ветровое и заднее
        • Отопление и вентиляция кабины
        • Кабина
      • Механизмы управления  
        • Управление рулевое
        • Тормоза
      • Дополнительное оборудование  
        • Отбор мощности
        • Устройство седельное
      • Электрооборудование
      • Ходовая часть  
        • Колеса и ступицы
        • Ось передняя
        • Подвеска автомобиля
        • Рама
    • Запчасти МАЗ  
      • Трансмиссия  
        • Мост задний
        • Мост передний (ведущий)
        • Передача карданная
        • Мост средний (промежуточный)
      • Кузов  
        • Кабина
        • Дверь кабины
        • Детали основания кабины
        • Окно ветровое и заднее
        • Платформа
      • Механизмы управления  
        • Тормоза
        • Управление рулевое
      • Ходовая часть  
        • Колеса и ступицы
        • Ось передняя
        • Подвеска автомобиля
        • Рама
    • Запчасти КамАЗ  
      • Кузов  
        • Кабина
        • Капот, крылья, облицовка радиатора
        • Дверь кабины
        • Платформа
        • Окно ветровое и заднее
        • Устройство подъемное и опрокидывающее
        • Сиденье
        • Крыша кабины (крыша кузова)
        • Отопление и вентиляция кабины
      • Трансмиссия  
        • Коробка передач
        • Коробка раздаточная
        • Мост задний
        • Сцепление
        • Мост средний (промежуточный)
        • Передача карданная
        • Мост передний (ведущий)
      • Двигатель  
        • Основные запчасти двигателя
        • Система охлаждения
        • Система питания
        • Система смазки
      • Дополнительное оборудование  
        • Отбор мощности
        • Устройство седельное
      • Ходовая часть  
        • Подвеска автомобиля
        • Рама
        • Колеса и ступицы
        • Ось передняя
      • Механизмы управления  
        • Тормоза
        • Управление рулевое
      • Электрооборудование
    • Запчасти ММЗ
    • Ремни
  • Справочник
    • Грузовые автомобили
    • Автобусы
    • Сельхозтехника
    • Спецтехника
    • Двигатели
  • Как купить
    • Условия оплаты
    • Условия доставки
    • Гарантия на товар
    • Пункты выдачи
  • Услуги
    • Капитальный ремонт двигателей ЯМЗ
  • Акции
  • Статьи
  • Контакты
  • Компания
    • Реквизиты
    • Магазины
    • Оплата
    • Доставка
    • Лицензии и сертификаты
    • Новости
    • Вакансии
Избранное 0 Корзина 0
8-800-700-35-68

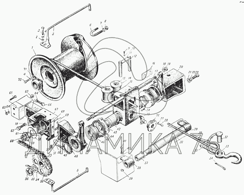
Тросоукладчик лебедки (Рис. 132) на УРАЛ-375

Справочник
Главная
-
Автокаталог
-
Грузовые автомобили и прицепы
-
УралАЗ
-
УРАЛ-375
Справочный каталог

Тросоукладчик лебедки (Рис. 132) — УРАЛ-375:

252023-П29 375-4504012 375-4511010 375-4511072 375-4511074-А 375-4511077 375-4511078 1 2 3 4 4 5 5 6 7 8 9 10 11 12 13 14 15 16 17 18 18 19 20 21 22 23 24 25 26 27 28 29 30 31 32 33 34 35 36 37 38 39 40 41 42 43 44 45 46 47 48 49 50 51 52 53 54 55 56 57 58 59 60 62 63 63 64 64 65 66 67 68 69 70 71
в наличии
нет в наличии
масштаб

В наличии
Нет в наличии

Перечень комплектующих от Тросоукладчик лебедки (Рис. 132) на УРАЛ-375

Схемы запчастей предназначены для справочных целей! Мы продаем не все запчасти от Тросоукладчик лебедки (Рис. 132) на УРАЛ-375, представленные в этом списке.
Наличие на складах по деталям с ценой смотрите в карточке товара.
Артикул: 252023-П29
нет в наличии
Шайба 31
Количество на схеме: 1
Информация
Шайба 31
Количество
1
Вес;Материал
;;
Покрытие
цинкование и пассивирование (цинковое с хроматированием)
Артикул: 375-4504012
нет в наличии
Трос лебедки с коушем в сборе
Количество на схеме: 1
Информация
Трос лебедки с коушем в сборе
Количество
1
Вес;Материал
100;;
Модель
375
Группа
Лебедка
Подгруппа
Трос, крюк и цепь лебедки
Порядковый номер детали
012
Артикул: 375-4511010
нет в наличии
Лебедка с тросоукладчиком в сборе
Количество на схеме: 1
Информация
Лебедка с тросоукладчиком в сборе
Количество
1
Вес;Материал
360;;
Модель
375
Группа
Лебедка
Подгруппа
4511
Порядковый номер детали
010
Артикул: 375-4511072
нет в наличии
Прокладка регулировочная левая, толщиной 0,5мм (для Урал-375, Урал-375Д)
Количество на схеме: ;;;;
Информация
Прокладка регулировочная левая, толщиной 0,5мм (для Урал-375, Урал-375Д)
Количество
;;;;
Примечание
5
Модель
375
Группа
Лебедка
Подгруппа
4511
Порядковый номер детали
072
Артикул: 375-4511074-А
нет в наличии
Прокладка регулировочная левая толщиной 4 или 5 мм
Количество на схеме: ;;;;
Информация
Прокладка регулировочная левая толщиной 4 или 5 мм
Количество
;;;;
Примечание
5
Модель
375
Группа
Лебедка
Подгруппа
4511
Порядковый номер детали
074
Артикул: 375-4511077
нет в наличии
Прокладка регулировочная правая, толщиной 4 или 5мм
Количество на схеме: ;;;;
Информация
Прокладка регулировочная правая, толщиной 4 или 5мм
Количество
;;;;
Примечание
5
Модель
375
Группа
Лебедка
Подгруппа
4511
Порядковый номер детали
077
Артикул: 375-4511078
нет в наличии
Прокладка регулировочная правая, толщиной 1мм (для Урал-375, Урал-375Д)
Количество на схеме: ;;;;
Информация
Прокладка регулировочная правая, толщиной 1мм (для Урал-375, Урал-375Д)
Количество
;;;;
Примечание
5
Модель
375
Группа
Лебедка
Подгруппа
4511
Порядковый номер детали
078
1
1
Артикул: 375-4501110-Б
нет в наличии
Барабан лебедки со ступицей в сборе
Количество на схеме: 1
Информация
Барабан лебедки со ступицей в сборе
Количество
1
Вес;Материал
50;;
Модель
375
Группа
Лебедка
Подгруппа
Лебедка
Порядковый номер детали
110
2
2
Артикул: 252006-П29
нет в наличии
Шайба 10
Количество на схеме: 4
Информация
Шайба 10
Количество
4
Вес;Материал
;;
Покрытие
цинкование и пассивирование (цинковое с хроматированием)
3
3
Артикул: 201496-П29
в наличии
Болт М10-6gх22
Количество на схеме: 4
Информация
Болт М10-6gх22
Количество
4
Вес;Материал
;;
Покрытие
цинкование и пассивирование (цинковое с хроматированием)
Болт М10х22 крышки картера редуктора УРАЛ (АО АЗ УРАЛ)
Артикул: 201496-П29
Болт М10х22 крышки картера редуктора УРАЛ (АО АЗ УРАЛ)
Код для заказа: 00022552
Цена: 46 ₽/шт.
Под заказ
Болт М10х22 крышки картера редуктора УРАЛ (АО АЗ УРАЛ)
Артикул: 201496-П29
Код для заказа: 00022552
Болт М10х22 крышки картера редуктора УРАЛ (АО АЗ УРАЛ)
Цена: 46 ₽/шт.
Под заказ
4
4
Артикул: 252136-П9
нет в наличии
Шайба пружинная 10
Количество на схеме: 4
Информация
Шайба пружинная 10
Количество
4
Вес;Материал
;;
Покрытие
воронение
5
5
Артикул: 375-4504005
нет в наличии
Отбойник троса в сборе
Количество на схеме: 1
Информация
Отбойник троса в сборе
Количество
1
Вес;Материал
0,45;;
Модель
375
Группа
Лебедка
Подгруппа
Трос, крюк и цепь лебедки
Порядковый номер детали
005
6
6
Артикул: 375-4501138
нет в наличии
Скоба крепления троса
Количество на схеме: 1
Информация
Скоба крепления троса
Количество
1
Вес;Материал
0,11;Сталь 40Х;
Модель
375
Группа
Лебедка
Подгруппа
Лебедка
Порядковый номер детали
138
7
7
Артикул: 252137-П9
нет в наличии
Шайба пружинная 12
Количество на схеме: 2
Информация
Шайба пружинная 12
Количество
2
Вес;Материал
;;
Покрытие
воронение
8
8
Артикул: 250515-П29
в наличии
Гайка М12х1,25-6Н
Количество на схеме: 2
Информация
Гайка М12х1,25-6Н
Количество
2
Вес;Материал
;;
Покрытие
цинкование и пассивирование (цинковое с хроматированием)
Гайка М12*1,25-10
Артикул: 250515-П29
Гайка М12*1,25-10
Код для заказа: 00008613
Цена: 20 ₽/шт.
Под заказ
Гайка М12*1,25-10
Артикул: 250515-П29
Код для заказа: 00008613
Гайка М12*1,25-10
Цена: 20 ₽/шт.
Под заказ
9
9
Артикул: 201416-П29
нет в наличии
Болт М6-6gх12
Количество на схеме: 1
Информация
Болт М6-6gх12
Количество
1
Вес;Материал
;;
Покрытие
цинкование и пассивирование (цинковое с хроматированием)
10
10
Артикул: 252134-П9
нет в наличии
Шайба пружинная 6
Количество на схеме: 1
Информация
Шайба пружинная 6
Количество
1
Вес;Материал
;;
Покрытие
воронение
11
11
Артикул: 375-4511069
нет в наличии
Пластина стопорная
Количество на схеме: 1
Информация
Пластина стопорная
Количество
1
Вес;Материал
0,04;Сталь 20;
Модель
375
Группа
Лебедка
Подгруппа
4511
Порядковый номер детали
069
12
12
Артикул: 375-4511070
нет в наличии
Палец направляющего ролика
Количество на схеме: 2
Информация
Палец направляющего ролика
Количество
2
Вес;Материал
0,51;Сталь 45;
Модель
375
Группа
Лебедка
Подгруппа
4511
Порядковый номер детали
070
13
13
Артикул: 375-3504020
нет в наличии
Втулка вала педали
Количество на схеме: 4
Информация
Втулка вала педали
Количество
4
Вес;Материал
;Полиамидная смола;
Модель
375
Группа
Тормоза
Подгруппа
Педаль и привод механизма управления тормозами (привод тормозного крана)
Порядковый номер детали
020
14
14
Артикул: 375-4511060
нет в наличии
Ролик направляющий со втулкой в сборе
Количество на схеме: 2
Информация
Ролик направляющий со втулкой в сборе
Количество
2
Вес;Материал
;;
Модель
375
Группа
Лебедка
Подгруппа
4511
Порядковый номер детали
060
15
15
Артикул: 375-4511015
нет в наличии
Корпус держателя направляющих роликов
Количество на схеме: 1
Информация
Корпус держателя направляющих роликов
Количество
1
Вес;Материал
13;Чугун КЧ35-10;
Модель
375
Группа
Лебедка
Подгруппа
4511
Порядковый номер детали
015
16
16
Артикул: 375-4511079
нет в наличии
Прокладка регулировочная правая, толщиной 0,5мм (для Урал-375, Урал-375Д)
Количество на схеме: ;;;;
Информация
Прокладка регулировочная правая, толщиной 0,5мм (для Урал-375, Урал-375Д)
Количество
;;;;
Примечание
5
Модель
375
Группа
Лебедка
Подгруппа
4511
Порядковый номер детали
079
17
17
Артикул: 375-4511067
в наличии
Вал направляющий
Количество на схеме: 2
Информация
Вал направляющий
Количество
2
Вес;Материал
2,46;Сталь 45;
Модель
375
Группа
Лебедка
Подгруппа
4511
Порядковый номер детали
067
Вал УРАЛ тросоукладчика (АО АЗ УРАЛ)
Артикул: 375-4511067
Вал УРАЛ тросоукладчика (АО АЗ УРАЛ)
Код для заказа: 00024973
Цена: 6 762 ₽/шт.
Под заказ
Вал УРАЛ тросоукладчика (АО АЗ УРАЛ)
Артикул: 375-4511067
Код для заказа: 00024973
Вал УРАЛ тросоукладчика (АО АЗ УРАЛ)
Цена: 6 762 ₽/шт.
Под заказ
18
18
Артикул: 252141-П9
нет в наличии
Шайба 20 пружинная
Количество на схеме: 2
Информация
Шайба 20 пружинная
Количество
2
Вес;Материал
;;
Покрытие
воронение
19
19
Артикул: 250565-П29
нет в наличии
Гайка М20х1,5-6Н
Количество на схеме: 2
Информация
Гайка М20х1,5-6Н
Количество
2
Вес;Материал
;;
Покрытие
цинкование и пассивирование (цинковое с хроматированием)
20
20
Артикул: 375-4511011-А
нет в наличии
Кронштейн ходового винта правый
Количество на схеме: 1
Информация
Кронштейн ходового винта правый
Количество
1
Вес;Материал
13,3;Чугун КЧ35-10;
Модель
375
Группа
Лебедка
Подгруппа
4511
Порядковый номер детали
011
21
21
Артикул: 252020-П29
нет в наличии
Шайба 22
Количество на схеме: 4
Информация
Шайба 22
Количество
4
Вес;Материал
;;
Покрытие
цинкование и пассивирование (цинковое с хроматированием)
22
22
Артикул: 252142-П9
нет в наличии
Шайба 22 пружинная
Количество на схеме: 4
Информация
Шайба 22 пружинная
Количество
4
Вес;Материал
;;
Покрытие
воронение
23
23
Артикул: 202273-П29
нет в наличии
Болт М22-6gх45
Количество на схеме: 4
Информация
Болт М22-6gх45
Количество
4
Вес;Материал
;;
Покрытие
цинкование и пассивирование (цинковое с хроматированием)
24
24
Артикул: 221663-П29
нет в наличии
Винт М8-6gх18
Количество на схеме: 8
Информация
Винт М8-6gх18
Количество
8
Вес;Материал
;;
Покрытие
цинкование и пассивирование (цинковое с хроматированием)
25
25
Артикул: 375-4511023-А
нет в наличии
Сухарь ходового винта
Количество на схеме: 1
Информация
Сухарь ходового винта
Количество
1
Вес;Материал
0,53;Сталь 18ХГТ;
Модель
375
Группа
Лебедка
Подгруппа
4511
Порядковый номер детали
023
26
26
Артикул: 375-4511031
нет в наличии
Крышка опорная сухаря
Количество на схеме: 1
Информация
Крышка опорная сухаря
Количество
1
Вес;Материал
0,707;Чугун КЧ35-10;
Модель
375
Группа
Лебедка
Подгруппа
4511
Порядковый номер детали
031
27
27
Артикул: 252135-П9
нет в наличии
Шайба пружинная 8
Количество на схеме: 6
Информация
Шайба пружинная 8
Количество
6
Вес;Материал
;;
Покрытие
воронение
28
28
Артикул: 201460-П29
нет в наличии
Болт М8-6gх30
Количество на схеме: 6
Информация
Болт М8-6gх30
Количество
6
Вес;Материал
;;
Покрытие
цинкование и пассивирование (цинковое с хроматированием)
29
29
Артикул: 375-4501260-Б
нет в наличии
Кронштейн направляющего ролика правый
Количество на схеме: 1
Информация
Кронштейн направляющего ролика правый
Количество
1
Вес;Материал
1,3;Чугун КЧ35-10;
Модель
375
Группа
Лебедка
Подгруппа
Лебедка
Порядковый номер детали
260
30
30
Артикул: 375-4504015
нет в наличии
Трос 17,5-Н-190-1 длиной 70,5м
Количество на схеме: 1
Информация
Трос 17,5-Н-190-1 длиной 70,5м
Количество
1
Вес;Материал
95,3;;
Модель
375
Группа
Лебедка
Подгруппа
Трос, крюк и цепь лебедки
Порядковый номер детали
015
31
31
Артикул: 375-4504021
нет в наличии
Клин коуша
Количество на схеме: 1
Информация
Клин коуша
Количество
1
Вес;Материал
0,73;Сталь 35Л;
Модель
375
Группа
Лебедка
Подгруппа
Трос, крюк и цепь лебедки
Порядковый номер детали
021
32
32
Артикул: 375-4504023
в наличии
Валик
Количество на схеме: 1
Информация
Валик
Количество
1
Вес;Материал
0,45;Сталь 40Х;
Модель
375
Группа
Лебедка
Подгруппа
Трос, крюк и цепь лебедки
Порядковый номер детали
023
Валик УРАЛ тросоукладчика лебедки (АО АЗ УРАЛ)
Артикул: 375-4504023
Валик УРАЛ тросоукладчика лебедки (АО АЗ УРАЛ)
Код для заказа: 00025023
Цена: 757 ₽/шт.
Под заказ
Валик УРАЛ тросоукладчика лебедки (АО АЗ УРАЛ)
Артикул: 375-4504023
Код для заказа: 00025023
Валик УРАЛ тросоукладчика лебедки (АО АЗ УРАЛ)
Цена: 757 ₽/шт.
Под заказ
33
33
Артикул: 375-4504035
нет в наличии
Крюк лебедки
Количество на схеме: 1
Информация
Крюк лебедки
Количество
1
Вес;Материал
3,5;Сталь 40Х;
Модель
375
Группа
Лебедка
Подгруппа
Трос, крюк и цепь лебедки
Порядковый номер детали
035
34
34
Артикул: 258069-П
нет в наличии
Шплинт 5х36
Количество на схеме: 1
Информация
Шплинт 5х36
Количество
1
Вес;Материал
;;
Покрытие
без покрытия
35
35
Артикул: 375-4504020
нет в наличии
Коуш троса
Количество на схеме: 1
Информация
Коуш троса
Количество
1
Вес;Материал
4,5;Сталь 35Л;
Модель
375
Группа
Лебедка
Подгруппа
Трос, крюк и цепь лебедки
Порядковый номер детали
020
36
36
Артикул: 375-4501250
нет в наличии
Ролик направляющий в сборе
Количество на схеме: 1
Информация
Ролик направляющий в сборе
Количество
1
Вес;Материал
10,55;;
Модель
375
Группа
Лебедка
Подгруппа
Лебедка
Порядковый номер детали
250
37
37
Артикул: 375-4501259-Б
нет в наличии
Втулка
Количество на схеме: 1
Информация
Втулка
Количество
1
Вес;Материал
0,025;Полиамид;
Модель
375
Группа
Лебедка
Подгруппа
Лебедка
Порядковый номер детали
259
38
38
Артикул: 375-4501261-Б
нет в наличии
Кронштейн направляющего ролика левый
Количество на схеме: 1
Информация
Кронштейн направляющего ролика левый
Количество
1
Вес;Материал
1,3;Чугун КЧ35-10;
Модель
375
Группа
Лебедка
Подгруппа
Лебедка
Порядковый номер детали
261
39
39
Артикул: 250512-П29
в наличии
Гайка М10
Количество на схеме: 6
Информация
Гайка М10
Количество
6
Вес;Материал
;;
Покрытие
цинкование и пассивирование (цинковое с хроматированием)
Гайка М10х1.5х8 ГАЗ-2410,3110,УРАЛ под ключ 17мм облиц.радиатора, топл.бака, ГЦС, РЦС
Артикул: 250512-П29
Гайка М10х1.5х8 ГАЗ-2410,3110,УРАЛ под ключ 17мм облиц.радиатора, топл.бака, ГЦС, РЦС
Код для заказа: 00008044
Цена: 20 ₽/шт.
Под заказ
Гайка М10х1.5х8 ГАЗ-2410,3110,УРАЛ под ключ 17мм облиц.радиатора, топл.бака, ГЦС, РЦС
Артикул: 250512-П29
Код для заказа: 00008044
Гайка М10х1.5х8 ГАЗ-2410,3110,УРАЛ под ключ 17мм облиц.радиатора, топл.бака, ГЦС, РЦС
Цена: 20 ₽/шт.
Под заказ
40
40
Артикул: 252136-П9
нет в наличии
Шайба пружинная 10
Количество на схеме: 6
Информация
Шайба пружинная 10
Количество
6
Вес;Материал
;;
Покрытие
воронение
41
41
Артикул: 201501-П29
в наличии
Болт М10-6gх35
Количество на схеме: 6
Информация
Болт М10-6gх35
Количество
6
Вес;Материал
;;
Покрытие
цинкование и пассивирование (цинковое с хроматированием)
Болт М10х1.5х35 ГАЗ-3110 выхлопной системы ЭТНА
Артикул: 201501-П29
Болт М10х1.5х35 ГАЗ-3110 выхлопной системы ЭТНА
Код для заказа: 00022521
Цена: 11 ₽/шт.
Под заказ
Болт М10х1.5х35 ГАЗ-3110 выхлопной системы ЭТНА
Артикул: 201501-П29
Код для заказа: 00022521
Болт М10х1.5х35 ГАЗ-3110 выхлопной системы ЭТНА
Цена: 11 ₽/шт.
Под заказ
42
42
Артикул: 375-4511026-А
в наличии
Винт ходовой
Количество на схеме: 1
Информация
Винт ходовой
Количество
1
Вес;Материал
17;Сталь 35ХГСА;
Модель
375
Группа
Лебедка
Подгруппа
4511
Порядковый номер детали
026
Винт УРАЛ тросоукладчика ходовой (АО АЗ УРАЛ)
Артикул: 375-4511026-А
Винт УРАЛ тросоукладчика ходовой (АО АЗ УРАЛ)
Код для заказа: 00025630
Цена: 24 071 ₽/шт.
Под заказ
Винт УРАЛ тросоукладчика ходовой (АО АЗ УРАЛ)
Артикул: 375-4511026-А
Код для заказа: 00025630
Винт УРАЛ тросоукладчика ходовой (АО АЗ УРАЛ)
Цена: 24 071 ₽/шт.
Под заказ
43
43
Артикул: 375-4511048
нет в наличии
Крышка подшипника
Количество на схеме: 2
Информация
Крышка подшипника
Количество
2
Вес;Материал
0,49;Сталь 08;
Модель
375
Группа
Лебедка
Подгруппа
4511
Порядковый номер детали
048
44
44
Артикул: 375-4511049
нет в наличии
Прокладка крышки
Количество на схеме: 2
Информация
Прокладка крышки
Количество
2
Вес;Материал
;Паронит;
Модель
375
Группа
Лебедка
Подгруппа
4511
Порядковый номер детали
049
45
45
Артикул: 375-3405084
в наличии
Кольцо уплотнительное
Количество на схеме: 2
Информация
Кольцо уплотнительное
Количество
2
Вес;Материал
;Резина;
Модель
375
Группа
Управление рулевое
Подгруппа
Цилиндр силовой гидроусилителя
Порядковый номер детали
084
Кольцо УРАЛ ГУРА уплотнительное ПФ АМТ
Артикул: 375-3405084
Кольцо УРАЛ ГУРА уплотнительное ПФ АМТ
Код для заказа: 00033935
Цена: 38 ₽/шт.
Под заказ
Кольцо УРАЛ ГУРА уплотнительное ПФ АМТ
Артикул: 375-3405084
Код для заказа: 00033935
Кольцо УРАЛ ГУРА уплотнительное ПФ АМТ
Цена: 38 ₽/шт.
Под заказ
46
46
Артикул: 311
в наличии
Подшипник шариковый радиальный однорядный
Количество на схеме: 2
Информация
Подшипник шариковый радиальный однорядный
Количество
2
Вес;Материал
;;
Подшипник среднего моста КАМАЗ
Артикул: 311
Подшипник среднего моста КАМАЗ
Код для заказа: 00045745
Цена: 663 ₽/шт.
Под заказ
Подшипник среднего моста КАМАЗ
Артикул: 311
Код для заказа: 00045745
Подшипник среднего моста КАМАЗ
Цена: 663 ₽/шт.
Под заказ
47
47
Артикул: 375-4511012-А
нет в наличии
Кронштейн ходового винта левый
Количество на схеме: 1
Информация
Кронштейн ходового винта левый
Количество
1
Вес;Материал
6,47;Чугун КЧ35-10;
Модель
375
Группа
Лебедка
Подгруппа
4511
Порядковый номер детали
012
48
48
Артикул: 375-4511029
нет в наличии
Сальник
Количество на схеме: 1
Информация
Сальник
Количество
1
Вес;Материал
0,015;Войлок;
Модель
375
Группа
Лебедка
Подгруппа
4511
Порядковый номер детали
029
49
49
Артикул: 201613-П29
нет в наличии
Болт М14х1,5х38
Количество на схеме: 3
Информация
Болт М14х1,5х38
Количество
3
Вес;Материал
;;
Покрытие
цинкование и пассивирование (цинковое с хроматированием)
50
50
Артикул: 252138-П9
нет в наличии
Шайба пружинная 14
Количество на схеме: 3
Информация
Шайба пружинная 14
Количество
3
Вес;Материал
;;
Покрытие
воронение
51
51
Артикул: 264020-П29
нет в наличии
Масленка 1.3
Количество на схеме: 1
Информация
Масленка 1.3
Количество
1
Вес;Материал
;;
Покрытие
цинкование и пассивирование (цинковое с хроматированием)
52
52
Артикул: 338071-П
нет в наличии
Шпонка 10х13
Количество на схеме: 1
Информация
Шпонка 10х13
Количество
1
Вес;Материал
;;
Покрытие
без покрытия
53
53
Артикул: 375-4511050-А
нет в наличии
Звездочка ведомая
Количество на схеме: 1
Информация
Звездочка ведомая
Количество
1
Вес;Материал
3,5;Сталь 40Х;
Модель
375
Группа
Лебедка
Подгруппа
4511
Порядковый номер детали
050
54
54
Артикул: 375-1802086
нет в наличии
Шайба упорная
Количество на схеме: 1
Информация
Шайба упорная
Количество
1
Вес;Материал
0,055;Сталь 65Г;
Модель
375
Группа
Коробка раздаточная
Подгруппа
Коробка раздаточная
Порядковый номер детали
086
55
55
Артикул: 375-1802083
нет в наличии
Шайба стопорная
Количество на схеме: 1
Информация
Шайба стопорная
Количество
1
Вес;Материал
0,012;Сталь 08;
Модель
375
Группа
Коробка раздаточная
Подгруппа
Коробка раздаточная
Порядковый номер детали
083
56
56
Артикул: 375-1802060
нет в наличии
Гайка М42х1,5
Количество на схеме: 1
Информация
Гайка М42х1,5
Количество
1
Вес;Материал
0,15;Сталь 40Х;
Модель
375
Группа
Коробка раздаточная
Подгруппа
Коробка раздаточная
Порядковый номер детали
060
57
57
Артикул: 375-4511052
нет в наличии
Цепь приводная роликовая однорядная нормальная 12х19,05 в сборе
Количество на схеме: 1
Информация
Цепь приводная роликовая однорядная нормальная 12х19,05 в сборе
Количество
1
Вес;Материал
1,705;;
Модель
375
Группа
Лебедка
Подгруппа
4511
Порядковый номер детали
052
58
58
Артикул: 375-4501064
нет в наличии
Шайба упорная
Количество на схеме: 1
Информация
Шайба упорная
Количество
1
Вес;Материал
0,24;Сталь 40Х;
Модель
375
Группа
Лебедка
Подгруппа
Лебедка
Порядковый номер детали
064
59
59
Артикул: 375-4501067
нет в наличии
Шайба стопорная
Количество на схеме: 1
Информация
Шайба стопорная
Количество
1
Вес;Материал
0,01;Сталь 08;
Модель
375
Группа
Лебедка
Подгруппа
Лебедка
Порядковый номер детали
067
60
60
Артикул: 375-4501063
нет в наличии
Гайка М33х2
Количество на схеме: 1
Информация
Гайка М33х2
Количество
1
Вес;Материал
0,145;Сталь 35;
Модель
375
Группа
Лебедка
Подгруппа
Лебедка
Порядковый номер детали
063
62
62
Артикул: 202220-П29
нет в наличии
Болт М20-6gх45
Количество на схеме: 4
Информация
Болт М20-6gх45
Количество
4
Вес;Материал
;;
Покрытие
цинкование и пассивирование (цинковое с хроматированием)
63
63
Артикул: 250562-П29
нет в наличии
Гайка М18-6Н
Количество на схеме: 1
Информация
Гайка М18-6Н
Количество
1
Вес;Материал
;;
Покрытие
цинкование и пассивирование (цинковое с хроматированием)
64
64
Артикул: 252140-П9
нет в наличии
Шайба пружинная 18
Количество на схеме: 1
Информация
Шайба пружинная 18
Количество
1
Вес;Материал
;;
Покрытие
воронение
65
65
Артикул: 202166-П29
нет в наличии
Болт М18х38
Количество на схеме: 4
Информация
Болт М18х38
Количество
4
Вес;Материал
;;
Покрытие
цинкование и пассивирование (цинковое с хроматированием)
66
66
Артикул: 202172-П29
нет в наличии
Болт М18-6gх55
Количество на схеме: 1
Информация
Болт М18-6gх55
Количество
1
Вес;Материал
;;
Покрытие
цинкование и пассивирование (цинковое с хроматированием)
67
67
Артикул: 375-4511014
нет в наличии
Кронштейн со втулкой в сборе
Количество на схеме: 1
Информация
Кронштейн со втулкой в сборе
Количество
1
Вес;Материал
12,54;Чугун КЧ35-10;
Модель
375
Группа
Лебедка
Подгруппа
4511
Порядковый номер детали
014
68
68
Артикул: 375-4501140
нет в наличии
Втулка
Количество на схеме: 1
Информация
Втулка
Количество
1
Вес;Материал
0,17;Бронза Бр.ОЦС 6-6-3;
Модель
375
Группа
Лебедка
Подгруппа
Лебедка
Порядковый номер детали
140
69
69
Артикул: 375-4511073-А
нет в наличии
Прокладка регулировочная левая, толщиной 1мм (для Урал-375, Урал-375Д)
Количество на схеме: ;;;;
Информация
Прокладка регулировочная левая, толщиной 1мм (для Урал-375, Урал-375Д)
Количество
;;;;
Примечание
5
Модель
375
Группа
Лебедка
Подгруппа
4511
Порядковый номер детали
073
70
70
Артикул: 201499-П29
в наличии
Болт М10-6gх30
Количество на схеме: 4
Информация
Болт М10-6gх30
Количество
4
Вес;Материал
;;
Покрытие
цинкование и пассивирование (цинковое с хроматированием)
Болт М10х1.5х30
Артикул: 201499-П29
Болт М10х1.5х30
Код для заказа: 00002865
Цена: 40 ₽/шт.
В наличии: 72 шт.
- +
В корзинуВ корзине
Болт М10х1.5х30
Артикул: 201499-П29
Код для заказа: 00002865
Болт М10х1.5х30
Цена: 40 ₽/шт.
В наличии: 72 шт.
- +
В корзинуВ корзине
71
71
Артикул: 375-4501121-Б
нет в наличии
Фланец опорный
Количество на схеме: 1
Информация
Фланец опорный
Количество
1
Вес;Материал
1,82;Чугун КЧ35-10;
Модель
375
Группа
Лебедка
Подгруппа
Лебедка
Порядковый номер детали
121
  • Грузовые автомобили
  • Автобусы
  • Сельхозтехника
  • Спецтехника
  • Двигатели
Получить оптовый прайс-лист
Скачать прайс-лист от 09.05.2026 08:00
Специальное предложение от 08.05.2026 17:00
Производители:


  • WEICHAI
  • Автодизель ПАО (ЯМЗ)
  • Тутаевский МЗ
  • ЯЗДА
  • УралАЗ
  • МАЗ
  • АЗПИ
  • BOSCH
  • ММЗ
  • ШААЗ
  • FEDERAL MOGUL
  • ПРАМО
  • Мотордеталь
  • ТАИМ
  • АвтоКрАЗ
  • БЕЛКАРД
  • CZ Strakonice
  • КамАЗ
  • БЗА
  • ЧМЗ
  • BMZ
Новости
Все новости
25 марта 2024
Флагманский седельный тягач «Валдай 45» на выставке «TransRussia»
10 марта 2024
Современные автобусы «CITYMAX 9» и ЛиАЗ-5292 CNG
25 февраля 2024
Серийное производство средних дизельных двигателей повышенной мощности от ЯМЗ
Статьи
Все статьи
Датчики двигателя: за что они отвечают, признаки неисправности и как не прогадать с выбором
Двигатели ЯМЗ-534: история, технические характеристики и области применения
Двигатели ЯМЗ 650: углублённый технический обзор и история
Компания
О компании
Реквизиты
Новости
Политика
Магазины
Информация
Условия оплаты
Условия доставки
Гарантия на товар
Обмен и возврат товара
Помощь
Как оформить заказ
Полезные статьи
Бренды
Пункты выдачи
Оставайтесь на связи
  • Вконтакте
  • YouTube
  • Одноклассники
  • Google Plus
Увидели ошибку?
Выделите, нажав Ctrl + Enter
Наши контакты
8-800-700-35-68
sales@din76.ru
г. Ярославль, Ленинградский пр-т 33, ТЦ "ОМЕГА"
2026 © ООО «Динамика 76» - Все права защищены ООО "Динамика 76"
Предложения на сайте не являются публичной офертой.
На сайте обнаружена ошибка

Текст с ошибкой