Избранное 0 Корзина 0 Личный кабинет
logo
Каталог
Каталог
  • Справочник
    • Грузовые автомобили
    • Автобусы
    • Сельхозтехника
    • Спецтехника
    • Двигатели
  • Доставка
  • Оплата
  • О компании
    • Реквизиты
    • Магазины
    • Оплата
    • Доставка
    • Лицензии и сертификаты
    • Новости
    • Вакансии
  • Контакты
Отправить заявку
Личный кабинет
8 (800) 700-35-68
sales@din76.ru
Избранное 0 Корзина 0
8 (800) 700-35-68
Оптовый прайс-лист
Каталог
  • Двигатели
  • Запчасти WEICHAI
  • Запчасти ЯМЗ, ТМЗ (V-образные)
  • Запчасти ЯМЗ-534, ЯМЗ-536
  • Запчасти ЯМЗ-650, ЯМЗ-651, DCi-11
  • Топливная аппаратура
  • Запчасти УРАЛ
  • Запчасти МАЗ
  • Запчасти КамАЗ
  • Запчасти ММЗ
  • Ремни
Автокаталог (справочник)
  • Доставка
  • Оплата
  • О компании
  • Контакты
8 (800) 700-35-68
Написать в Whatsapp
sales@din76.ru
Динамика 76
Меню  
  • Каталог
    • Двигатели  
      • Двигатели ТМЗ  
        • Двигатели ТМЗ для автомобилей
        • Двигатели ТМЗ для тракторов
        • Специальные двигатели ТМЗ
        • Промышленные двигатели ТМЗ
      • Двигатели ЯМЗ  
        • ЯМЗ 236
        • ЯМЗ 238
        • ЯМЗ 240
        • ЯМЗ 751
        • ЯМЗ 840
        • ЯМЗ 850
        • ЯМЗ 656
        • ЯМЗ 658
        • ЯМЗ 534
        • ЯМЗ 536
        • ЯМЗ 650
        • Двигатели ЯМЗ для электростанций
      • Двигатели КАМАЗ
      • Двигатели ММЗ
      • Двигатели индивидуальной сборки
      • Комплекты переоборудования
    • Запчасти WEICHAI  
      • Основные запчасти двигателя  
        • Клапаны и толкатели
        • Шатуны
        • Вал коленчатый и маховик
        • Вал распределительный
        • Цилиндро-поршневая группа
      • Система питания  
        • Форсунки
        • Турбокомпрессор
      • Система смазки  
        • Насос масляный
      • Головка блока
      • Ремкомплекты
      • Система охлаждения  
        • Насос водяной
        • Муфта вязкостная и крыльчатка
      • Фильтры
      • Электрооборудование  
        • Генератор
        • Стартер
    • Запчасти ЯМЗ, ТМЗ (V-образные)  
      • Основные запчасти двигателя  
        • Блок двигателя и комплектующие
        • Валы распределительные и клапаны
        • Головка блока и комплектующие
        • Цилиндро-поршневая группа
        • Маховики и комплектующие
        • Валы коленчатые и комплектующие
        • Шатуны и комплектующие
      • Система питания  
        • Коллекторы и патрубки
        • Топливные трубопроводы
        • Турбокомпрессор
        • Топливные фильтры
      • Электрооборудование двигателя
      • Система охлаждения  
        • Вязкостные муфты и крыльчатки
        • Приводы вентилятора
        • Водяные насосы
        • Водяные трубы и термостаты
      • Коробки переключения передач  
        • 8 Ступенчатые КПП
        • 5 Ступенчатые КПП
        • 9 Ступенчатые КПП
        • Запасные части КПП ЯМЗ, ТМЗ
      • Система смазки  
        • Теплообменник и комплектующие
        • Масляные насосы
        • Фильтры масляные (ФГОМ, ФЦОМ)
      • Сцепление  
        • Запасные части механизма сцепления
        • Муфты (подшипники выжимные)
        • Корзины (диски нажимные)
        • Диски ведомые
      • Прочие запчасти двигателя  
        • Ремкомплекты
        • Привод агрегатов
        • Натяжные устройства
        • Трубки
    • Запчасти ЯМЗ-534, ЯМЗ-536  
      • Основные запчасти двигателя  
        • Цилиндро-поршневая группа
        • Головка блока цилиндров и комплектующие
        • Блок цилиндров и комплектующие
        • Вал коленчатый и маховик
        • Вал распределительный
        • Клапаны и толкатели
        • ГУР (Гидроусилитель руля)
        • Система рециркуляции отработавших газов
        • Выпускной коллектор
      • Система питания  
        • Коллекторы и патрубки
        • Топливные фильтры
        • Турбокомпрессор
        • Топливные трубопроводы
      • Система смазки  
        • Масляный картер поддон
        • Масляный насос
        • Теплообменник /Водо-масляный радиатор
        • Фильтры масляные (ФГОМ, ФЦОМ)
      • Пневмокомпрессор и натяжное
      • Система охлаждения  
        • Водяной насос
        • Водяные трубы и патрубки
        • Муфты вязкостные, приводы, крыльчатки
      • Ремкомплекты
      • Сцепление
      • Электрооборудование
    • Запчасти ЯМЗ-650, ЯМЗ-651, DCi-11  
      • Основные запчасти двигателя  
        • Цилиндро-поршневая группа
        • Головка блока цилиндров и комплектующие
        • Блок цилиндров и комплектующие
        • Вал коленчатый и маховик
        • Выпускной коллектор
        • Вал распределительный
        • Клапаны и толкатели
        • ГУР (Гидроусилитель руля)
        • Система рециркуляции отработавших газов
      • Система питания  
        • Коллекторы и патрубки
        • Топливные трубопроводы
        • Топливные фильтры
        • Турбокомпрессор
      • Система смазки  
        • Масляный картер / поддон
        • Масляный насос
        • Теплообменник / Водо-масляный радиатор
        • Фильтры масляные (ФГОМ, ФЦОМ)
      • Система охлаждения  
        • Водяной насос
        • Водяные трубы и патрубки
        • Муфты вязкостные, приводы, крыльчатки
      • Ремкомплекты
      • Пневмокомпрессор и натяжное
      • Электрооборудование
      • Сцепление
    • Топливная аппаратура  
      • ЯЗДА  
        • Распылители
        • ТНВД
        • Форсунки
        • Топливный насос низкого давления
        • Пары плунжерные
        • Муфта опережения впрыска топлива
        • Запчасти и комплектующие ТНВД
      • НЗТА
      • АЗПИ  
        • Распылители
        • Форсунки
      • BOSCH
    • Запчасти УРАЛ  
      • Трансмиссия  
        • Коробка раздаточная
        • Передача карданная
        • Мост задний
        • Мост передний (ведущий)
        • Мост средний (промежуточный)
      • Кузов  
        • Дверь кабины
        • Капот, крылья, облицовка радиатора
        • Окно ветровое и заднее
        • Отопление и вентиляция кабины
        • Кабина
      • Механизмы управления  
        • Управление рулевое
        • Тормоза
      • Дополнительное оборудование  
        • Отбор мощности
        • Устройство седельное
      • Электрооборудование
      • Ходовая часть  
        • Колеса и ступицы
        • Ось передняя
        • Подвеска автомобиля
        • Рама
    • Запчасти МАЗ  
      • Трансмиссия  
        • Мост задний
        • Мост передний (ведущий)
        • Передача карданная
        • Мост средний (промежуточный)
      • Кузов  
        • Кабина
        • Дверь кабины
        • Детали основания кабины
        • Окно ветровое и заднее
        • Платформа
      • Механизмы управления  
        • Тормоза
        • Управление рулевое
      • Ходовая часть  
        • Колеса и ступицы
        • Ось передняя
        • Подвеска автомобиля
        • Рама
    • Запчасти КамАЗ  
      • Кузов  
        • Кабина
        • Капот, крылья, облицовка радиатора
        • Дверь кабины
        • Платформа
        • Окно ветровое и заднее
        • Устройство подъемное и опрокидывающее
        • Сиденье
        • Крыша кабины (крыша кузова)
        • Отопление и вентиляция кабины
      • Трансмиссия  
        • Коробка передач
        • Коробка раздаточная
        • Мост задний
        • Сцепление
        • Мост средний (промежуточный)
        • Передача карданная
        • Мост передний (ведущий)
      • Двигатель  
        • Основные запчасти двигателя
        • Система охлаждения
        • Система питания
        • Система смазки
      • Дополнительное оборудование  
        • Отбор мощности
        • Устройство седельное
      • Ходовая часть  
        • Подвеска автомобиля
        • Рама
        • Колеса и ступицы
        • Ось передняя
      • Механизмы управления  
        • Тормоза
        • Управление рулевое
      • Электрооборудование
    • Запчасти ММЗ
    • Ремни
  • Справочник
    • Грузовые автомобили
    • Автобусы
    • Сельхозтехника
    • Спецтехника
    • Двигатели
  • Как купить
    • Условия оплаты
    • Условия доставки
    • Гарантия на товар
    • Пункты выдачи
  • Услуги
    • Капитальный ремонт двигателей ЯМЗ
  • Акции
  • Статьи
  • Контакты
  • Компания
    • Реквизиты
    • Магазины
    • Оплата
    • Доставка
    • Лицензии и сертификаты
    • Новости
    • Вакансии
Избранное 0 Корзина 0
8-800-700-35-68

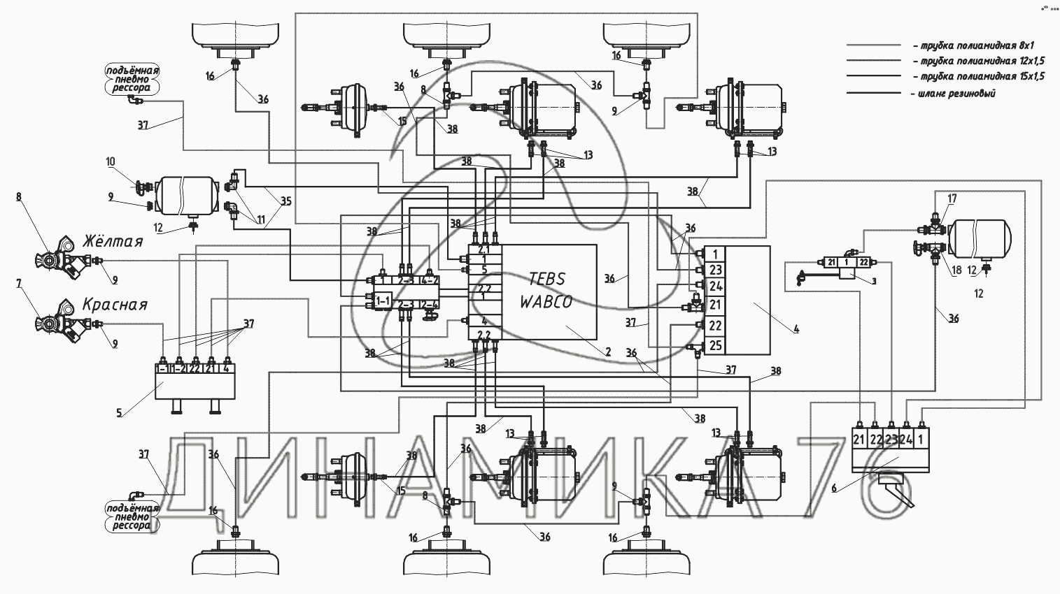
Схема пневматическая с компонентами WABCO на Тонар-97461 (до с 01.2013 г.)

Справочник
Главная
-
Автокаталог
-
Грузовые автомобили и прицепы
-
Тонар
-
Тонар-97461
Справочный каталог

Схема пневматическая с компонентами WABCO — Тонар-97461:

2 3 4 5 6 7 8 8 8 9 9 9 9 9 10 11 12 12 12 13 13 13 13 14 15 15 16 16 16 16 16 16 17 18 19 20 21 22 23 25 26 35 36 36 36 36 36 36 36 36 36 36 37 37 37 37 37 38 38 38 38 38 38 38 38 38 38 38 38 47 48
в наличии
нет в наличии
масштаб

В наличии
Нет в наличии

Перечень комплектующих от Схема пневматическая с компонентами WABCO на Тонар-97461

Схемы запчастей предназначены для справочных целей! Мы продаем не все запчасти от Схема пневматическая с компонентами WABCO на Тонар-97461, представленные в этом списке.
Наличие на складах по деталям с ценой смотрите в карточке товара.
2
2
Артикул: 1284000173
нет в наличии
Блок EBS-2S/2M 480 102 063 0 Wabco
Количество на схеме: 1
Информация
Блок EBS-2S/2M 480 102 063 0 Wabco
Количество
1
Примечание
EBS 2S/2M 480 102 063 0
Группа
Система выпуска газов двигателя
Подгруппа
1284
Порядковый номер детали
000
Дополнительно
Не взаимозаменяема с деталью, выпущенной ранее под этим же номером
3
3
Артикул: 1284000392
нет в наличии
Кран уровня пола 464 006 102 0
Количество на схеме: 1
Информация
Кран уровня пола 464 006 102 0
Количество
1
Примечание
464 006 102 0
Группа
Система выпуска газов двигателя
Подгруппа
1284
Порядковый номер детали
000
Дополнительно
Не взаимозаменяема с деталью, выпущенной ранее под этим же номером
4
4
Артикул: 1284000272
нет в наличии
Клапан управления подъёмной осью 463 084 100 0
Количество на схеме: 1
Информация
Клапан управления подъёмной осью 463 084 100 0
Количество
1
Примечание
463 084 100 0
Группа
Система выпуска газов двигателя
Подгруппа
1284
Порядковый номер детали
000
Дополнительно
Не взаимозаменяема с деталью, выпущенной ранее под этим же номером
5
5
Артикул: 4591191117
нет в наличии
Клапана растормаживания полуприцепа 971 002 900 0
Количество на схеме: 1
Информация
Клапана растормаживания полуприцепа 971 002 900 0
Количество
1
Примечание
971 002 900 0
Группа
Лебедка
Подгруппа
4591
Порядковый номер детали
191
Дополнительно
Не взаимозаменяема с деталью, выпущенной ранее под этим же номером
6
6
Артикул: 1284000191
нет в наличии
Кран управления пневмоподвеской 463 032 220 0 с фитингами, WABCO
Количество на схеме: 1
Информация
Кран управления пневмоподвеской 463 032 220 0 с фитингами, WABCO
Количество
1
Примечание
463 032 220 0 с фитингами, WABCO
Группа
Система выпуска газов двигателя
Подгруппа
1284
Порядковый номер детали
000
Дополнительно
Не взаимозаменяема с деталью, выпущенной ранее под этим же номером
7
7
Артикул: 1284000108
нет в наличии
Головка с фильтром красная
Количество на схеме: 1
Информация
Головка с фильтром красная
Количество
1
Примечание
952 201 002 0
Группа
Система выпуска газов двигателя
Подгруппа
1284
Порядковый номер детали
000
8
8
Артикул: 1284000107
нет в наличии
Головка с фильтром желтая
Количество на схеме: 1
Информация
Головка с фильтром желтая
Количество
1
Примечание
952 201 001 0
Группа
Система выпуска газов двигателя
Подгруппа
1284
Порядковый номер детали
000
9
9
Артикул: 1284000190
нет в наличии
Фитинг М16х1,5 трубка 8x1 из блока EBS
Количество на схеме: 2
Информация
Фитинг М16х1,5 трубка 8x1 из блока EBS
Количество
2
Примечание
М16х1,5 трубка 8x1 из блока EBS
Группа
Система выпуска газов двигателя
Подгруппа
1284
Порядковый номер детали
000
Дополнительно
Не взаимозаменяема с деталью, выпущенной ранее под этим же номером
10
10
Артикул: 1284000152
нет в наличии
Клапан контрольного вывода
Количество на схеме: 2
Информация
Клапан контрольного вывода
Количество
2
Примечание
М22х1,5 463 703 120 0
Группа
Система выпуска газов двигателя
Подгруппа
1284
Порядковый номер детали
000
Дополнительно
Не взаимозаменяема с деталью, выпущенной ранее под этим же номером
11
11
Артикул: 1284000167
нет в наличии
Пробка М22х1,5 №26952212, SIRIT
Количество на схеме: 1
Информация
Пробка М22х1,5 №26952212, SIRIT
Количество
1
Примечание
М22х1,5 №26952212, SIRIT
Группа
Система выпуска газов двигателя
Подгруппа
1284
Порядковый номер детали
000
Дополнительно
Не взаимозаменяема с деталью, выпущенной ранее под этим же номером
12
12
Артикул: 1284000160
нет в наличии
Клапан слива конденсата
Количество на схеме: 2
Информация
Клапан слива конденсата
Количество
2
Примечание
М22х1,5
Группа
Система выпуска газов двигателя
Подгруппа
1284
Порядковый номер детали
000
Дополнительно
Не взаимозаменяема с деталью, выпущенной ранее под этим же номером
13
13
Артикул: 1284000168
нет в наличии
Фитинг-угольник 90 градусов
Количество на схеме: 2
Информация
Фитинг-угольник 90 градусов
Количество
2
Примечание
90 град. М22х1,5 трубка ф15х1,5
Группа
Система выпуска газов двигателя
Подгруппа
1284
Порядковый номер детали
000
Дополнительно
Не взаимозаменяема с деталью, выпущенной ранее под этим же номером
14
14
Артикул: 2332900001
нет в наличии
Тройник 9540 12-12-8 CAMOZZI
Количество на схеме: 2
Информация
Тройник 9540 12-12-8 CAMOZZI
Количество
2
Примечание
9540 12-12-8 CAMOZZI
Группа
Мост ведущий передний
Подгруппа
2332
Порядковый номер детали
900
15
15
Артикул: 1284000117
нет в наличии
Фитинг ёлочка
Количество на схеме: 6
Информация
Фитинг ёлочка
Количество
6
Примечание
елочка М16х1,5 893 129 401 2
Группа
Система выпуска газов двигателя
Подгруппа
1284
Порядковый номер детали
000
Дополнительно
Не взаимозаменяема с деталью, выпущенной ранее под этим же номером
16
16
Артикул: 1284000157
нет в наличии
Фитинг прямой
Количество на схеме: 10
Информация
Фитинг прямой
Количество
10
Группа
Система выпуска газов двигателя
Подгруппа
1284
Порядковый номер детали
000
Дополнительно
Не взаимозаменяема с деталью, выпущенной ранее под этим же номером
17
17
Артикул: 1284000163
нет в наличии
Фитинг-тройник
Количество на схеме: 1
Информация
Фитинг-тройник
Количество
1
Примечание
№28200806022153, SIRIT
Группа
Система выпуска газов двигателя
Подгруппа
1284
Порядковый номер детали
000
Дополнительно
Не взаимозаменяема с деталью, выпущенной ранее под этим же номером
18
18
Артикул: 2332900006
нет в наличии
Тройник с контрольным выводом
Количество на схеме: 1
Информация
Тройник с контрольным выводом
Количество
1
Примечание
М22х1,5
Группа
Мост ведущий передний
Подгруппа
2332
Порядковый номер детали
900
19
19
Артикул: 1284002256
нет в наличии
Фитинг- тройник под трубку М12х1,5
Количество на схеме: 2
Информация
Фитинг- тройник под трубку М12х1,5
Количество
2
Примечание
М12х1,5
Группа
Система выпуска газов двигателя
Подгруппа
1284
Порядковый номер детали
002
Дополнительно
Не взаимозаменяема с деталью, выпущенной ранее под этим же номером
20
20
Артикул: 4598700098
нет в наличии
Хомут ABA 15-24 C7/W1
Количество на схеме: 20
Информация
Хомут ABA 15-24 C7/W1
Количество
20
Примечание
ABA 15-24 C7/W1, ширина ленты Эмм
Группа
Лебедка
Подгруппа
4598
Порядковый номер детали
700
Дополнительно
Не взаимозаменяема с деталью, выпущенной ранее под этим же номером
21
21
Артикул: 2312523013
нет в наличии
Стяжка кабельная 5/011234
Количество на схеме: 150
Информация
Стяжка кабельная 5/011234
Количество
150
Примечание
5/011234 L=252x4,8mm
Группа
Мост ведущий передний
Подгруппа
2312
Порядковый номер детали
523
Дополнительно
Не взаимозаменяема с деталью, выпущенной ранее под этим же номером
22
22
Артикул: 1284000181
нет в наличии
Кабель питания EBS 449 173 120 0
Количество на схеме: 1
Информация
Кабель питания EBS 449 173 120 0
Количество
1
Примечание
EBS 449 173 120 0
Группа
Система выпуска газов двигателя
Подгруппа
1284
Порядковый номер детали
000
Дополнительно
Не взаимозаменяема с деталью, выпущенной ранее под этим же номером
23
23
Артикул: 1284000176
нет в наличии
Кабель датчика АБС 449 723 030 0
Количество на схеме: 2
Информация
Кабель датчика АБС 449 723 030 0
Количество
2
Примечание
АБС 449 723 030 0
Группа
Система выпуска газов двигателя
Подгруппа
1284
Порядковый номер детали
000
Дополнительно
Не взаимозаменяема с деталью, выпущенной ранее под этим же номером
25
25
Артикул: 1284000180
нет в наличии
Кабель клапана подъемной оси 449 445 050 0
Количество на схеме: 1
Информация
Кабель клапана подъемной оси 449 445 050 0
Количество
1
Примечание
449 445 050 0
Группа
Система выпуска газов двигателя
Подгруппа
1284
Порядковый номер детали
000
Дополнительно
Не взаимозаменяема с деталью, выпущенной ранее под этим же номером
26
26
Артикул: 2247210011
нет в наличии
Трубка полиамидная ф15х1,5
Количество на схеме: 7
Информация
Трубка полиамидная ф15х1,5
Количество
7
Примечание
ф15х1,5 .метров
Группа
Валы карданные
Подгруппа
2247
Порядковый номер детали
210
Дополнительно
Не взаимозаменяема с деталью, выпущенной ранее под этим же номером
35
35
Артикул: 2247210012
нет в наличии
Трубка полиамидная ф12х1,5
Количество на схеме: 21
Информация
Трубка полиамидная ф12х1,5
Количество
21
Примечание
ф12х1,5 .метров
Группа
Валы карданные
Подгруппа
2247
Порядковый номер детали
210
Дополнительно
Не взаимозаменяема с деталью, выпущенной ранее под этим же номером
36
36
Артикул: 2247210008
нет в наличии
Трубка полиамидная ф8х1
Количество на схеме: 52
Информация
Трубка полиамидная ф8х1
Количество
52
Примечание
ф8х1 .метров
Группа
Валы карданные
Подгруппа
2247
Порядковый номер детали
210
37
37
Артикул: 1284000120
нет в наличии
Шланг 828 876 411 6 Wabco
Количество на схеме: 24
Информация
Шланг 828 876 411 6 Wabco
Количество
24
Примечание
828 876 411 6. WABCO
Группа
Система выпуска газов двигателя
Подгруппа
1284
Порядковый номер детали
000
Дополнительно
Не взаимозаменяема с деталью, выпущенной ранее под этим же номером
38
38
Артикул: 2200080078
нет в наличии
Кольцо защитное 9746-2801128
Количество на схеме: 3
Информация
Кольцо защитное 9746-2801128
Количество
3
Примечание
9746-2801128
Группа
Валы карданные
Подгруппа
Валы карданные (карданная передача трансмиссии)
Порядковый номер детали
080
Дополнительно
Не взаимозаменяема с деталью, выпущенной ранее под этим же номером
47
47
Артикул: 3491522007
нет в наличии
Лента спиральная
Количество на схеме: 3
Информация
Лента спиральная
Количество
3
Примечание
ЛСТ-8, метров
Группа
Управление рулевое
Подгруппа
3491
Порядковый номер детали
522
48
48
Артикул: 3491522009
нет в наличии
Лента спиральная
Количество на схеме: 3
Информация
Лента спиральная
Количество
3
Примечание
ЛСТ-12, метров
Группа
Управление рулевое
Подгруппа
3491
Порядковый номер детали
522
  • Грузовые автомобили
  • Автобусы
  • Сельхозтехника
  • Спецтехника
  • Двигатели
Получить оптовый прайс-лист
Скачать прайс-лист от 08.05.2026 16:00
Специальное предложение от 08.05.2026 17:00
Производители:


  • WEICHAI
  • Автодизель ПАО (ЯМЗ)
  • Тутаевский МЗ
  • ЯЗДА
  • УралАЗ
  • МАЗ
  • АЗПИ
  • BOSCH
  • ММЗ
  • ШААЗ
  • FEDERAL MOGUL
  • ПРАМО
  • Мотордеталь
  • ТАИМ
  • АвтоКрАЗ
  • БЕЛКАРД
  • CZ Strakonice
  • КамАЗ
  • БЗА
  • ЧМЗ
  • BMZ
Новости
Все новости
25 марта 2024
Флагманский седельный тягач «Валдай 45» на выставке «TransRussia»
10 марта 2024
Современные автобусы «CITYMAX 9» и ЛиАЗ-5292 CNG
25 февраля 2024
Серийное производство средних дизельных двигателей повышенной мощности от ЯМЗ
Статьи
Все статьи
Датчики двигателя: за что они отвечают, признаки неисправности и как не прогадать с выбором
Двигатели ЯМЗ-534: история, технические характеристики и области применения
Двигатели ЯМЗ 650: углублённый технический обзор и история
Компания
О компании
Реквизиты
Новости
Политика
Магазины
Информация
Условия оплаты
Условия доставки
Гарантия на товар
Обмен и возврат товара
Помощь
Как оформить заказ
Полезные статьи
Бренды
Пункты выдачи
Оставайтесь на связи
  • Вконтакте
  • YouTube
  • Одноклассники
  • Google Plus
Увидели ошибку?
Выделите, нажав Ctrl + Enter
Наши контакты
8-800-700-35-68
sales@din76.ru
г. Ярославль, Ленинградский пр-т 33, ТЦ "ОМЕГА"
2026 © ООО «Динамика 76» - Все права защищены ООО "Динамика 76"
Предложения на сайте не являются публичной офертой.
На сайте обнаружена ошибка

Текст с ошибкой