Избранное 0 Корзина 0 Личный кабинет
logo
Каталог
Каталог
  • Справочник
    • Грузовые автомобили
    • Автобусы
    • Сельхозтехника
    • Спецтехника
    • Двигатели
  • Доставка
  • Оплата
  • О компании
    • Реквизиты
    • Магазины
    • Оплата
    • Доставка
    • Лицензии и сертификаты
    • Новости
    • Вакансии
  • Контакты
Отправить заявку
Личный кабинет
8 (800) 700-35-68
sales@din76.ru
Избранное 0 Корзина 0
8 (800) 700-35-68
Оптовый прайс-лист
Каталог
  • Двигатели
  • Запчасти WEICHAI
  • Запчасти ЯМЗ, ТМЗ (V-образные)
  • Запчасти ЯМЗ-534, ЯМЗ-536
  • Запчасти ЯМЗ-650, ЯМЗ-651, DCi-11
  • Топливная аппаратура
  • Запчасти УРАЛ
  • Запчасти МАЗ
  • Запчасти КамАЗ
  • Запчасти ММЗ
  • Ремни
Автокаталог (справочник)
  • Доставка
  • Оплата
  • О компании
  • Контакты
8 (800) 700-35-68
Написать в Whatsapp
sales@din76.ru
Динамика 76
Меню  
  • Каталог
    • Двигатели  
      • Двигатели ТМЗ  
        • Двигатели ТМЗ для автомобилей
        • Двигатели ТМЗ для тракторов
        • Специальные двигатели ТМЗ
        • Промышленные двигатели ТМЗ
      • Двигатели ЯМЗ  
        • ЯМЗ 236
        • ЯМЗ 238
        • ЯМЗ 240
        • ЯМЗ 751
        • ЯМЗ 840
        • ЯМЗ 850
        • ЯМЗ 656
        • ЯМЗ 658
        • ЯМЗ 534
        • ЯМЗ 536
        • ЯМЗ 650
        • Двигатели ЯМЗ для электростанций
      • Двигатели КАМАЗ
      • Двигатели ММЗ
      • Двигатели индивидуальной сборки
      • Комплекты переоборудования
    • Запчасти WEICHAI  
      • Основные запчасти двигателя  
        • Клапаны и толкатели
        • Шатуны
        • Вал коленчатый и маховик
        • Вал распределительный
        • Цилиндро-поршневая группа
      • Система питания  
        • Форсунки
        • Турбокомпрессор
      • Система смазки  
        • Насос масляный
      • Головка блока
      • Ремкомплекты
      • Система охлаждения  
        • Насос водяной
        • Муфта вязкостная и крыльчатка
      • Фильтры
      • Электрооборудование  
        • Генератор
        • Стартер
    • Запчасти ЯМЗ, ТМЗ (V-образные)  
      • Основные запчасти двигателя  
        • Блок двигателя и комплектующие
        • Валы распределительные и клапаны
        • Головка блока и комплектующие
        • Цилиндро-поршневая группа
        • Маховики и комплектующие
        • Валы коленчатые и комплектующие
        • Шатуны и комплектующие
      • Система питания  
        • Коллекторы и патрубки
        • Топливные трубопроводы
        • Турбокомпрессор
        • Топливные фильтры
      • Электрооборудование двигателя
      • Система охлаждения  
        • Вязкостные муфты и крыльчатки
        • Приводы вентилятора
        • Водяные насосы
        • Водяные трубы и термостаты
      • Коробки переключения передач  
        • 8 Ступенчатые КПП
        • 5 Ступенчатые КПП
        • 9 Ступенчатые КПП
        • Запасные части КПП ЯМЗ, ТМЗ
      • Система смазки  
        • Теплообменник и комплектующие
        • Масляные насосы
        • Фильтры масляные (ФГОМ, ФЦОМ)
      • Сцепление  
        • Запасные части механизма сцепления
        • Муфты (подшипники выжимные)
        • Корзины (диски нажимные)
        • Диски ведомые
      • Прочие запчасти двигателя  
        • Ремкомплекты
        • Привод агрегатов
        • Натяжные устройства
        • Трубки
    • Запчасти ЯМЗ-534, ЯМЗ-536  
      • Основные запчасти двигателя  
        • Цилиндро-поршневая группа
        • Головка блока цилиндров и комплектующие
        • Блок цилиндров и комплектующие
        • Вал коленчатый и маховик
        • Вал распределительный
        • Клапаны и толкатели
        • ГУР (Гидроусилитель руля)
        • Система рециркуляции отработавших газов
        • Выпускной коллектор
      • Система питания  
        • Коллекторы и патрубки
        • Топливные фильтры
        • Турбокомпрессор
        • Топливные трубопроводы
      • Система смазки  
        • Масляный картер поддон
        • Масляный насос
        • Теплообменник /Водо-масляный радиатор
        • Фильтры масляные (ФГОМ, ФЦОМ)
      • Пневмокомпрессор и натяжное
      • Система охлаждения  
        • Водяной насос
        • Водяные трубы и патрубки
        • Муфты вязкостные, приводы, крыльчатки
      • Ремкомплекты
      • Сцепление
      • Электрооборудование
    • Запчасти ЯМЗ-650, ЯМЗ-651, DCi-11  
      • Основные запчасти двигателя  
        • Цилиндро-поршневая группа
        • Головка блока цилиндров и комплектующие
        • Блок цилиндров и комплектующие
        • Вал коленчатый и маховик
        • Выпускной коллектор
        • Вал распределительный
        • Клапаны и толкатели
        • ГУР (Гидроусилитель руля)
        • Система рециркуляции отработавших газов
      • Система питания  
        • Коллекторы и патрубки
        • Топливные трубопроводы
        • Топливные фильтры
        • Турбокомпрессор
      • Система смазки  
        • Масляный картер / поддон
        • Масляный насос
        • Теплообменник / Водо-масляный радиатор
        • Фильтры масляные (ФГОМ, ФЦОМ)
      • Система охлаждения  
        • Водяной насос
        • Водяные трубы и патрубки
        • Муфты вязкостные, приводы, крыльчатки
      • Ремкомплекты
      • Пневмокомпрессор и натяжное
      • Электрооборудование
      • Сцепление
    • Топливная аппаратура  
      • ЯЗДА  
        • Распылители
        • ТНВД
        • Форсунки
        • Топливный насос низкого давления
        • Пары плунжерные
        • Муфта опережения впрыска топлива
        • Запчасти и комплектующие ТНВД
      • НЗТА
      • АЗПИ  
        • Распылители
        • Форсунки
      • BOSCH
    • Запчасти УРАЛ  
      • Трансмиссия  
        • Коробка раздаточная
        • Передача карданная
        • Мост задний
        • Мост передний (ведущий)
        • Мост средний (промежуточный)
      • Кузов  
        • Дверь кабины
        • Капот, крылья, облицовка радиатора
        • Окно ветровое и заднее
        • Отопление и вентиляция кабины
        • Кабина
      • Механизмы управления  
        • Управление рулевое
        • Тормоза
      • Дополнительное оборудование  
        • Отбор мощности
        • Устройство седельное
      • Электрооборудование
      • Ходовая часть  
        • Колеса и ступицы
        • Ось передняя
        • Подвеска автомобиля
        • Рама
    • Запчасти МАЗ  
      • Трансмиссия  
        • Мост задний
        • Мост передний (ведущий)
        • Передача карданная
        • Мост средний (промежуточный)
      • Кузов  
        • Кабина
        • Дверь кабины
        • Детали основания кабины
        • Окно ветровое и заднее
        • Платформа
      • Механизмы управления  
        • Тормоза
        • Управление рулевое
      • Ходовая часть  
        • Колеса и ступицы
        • Ось передняя
        • Подвеска автомобиля
        • Рама
    • Запчасти КамАЗ  
      • Кузов  
        • Кабина
        • Капот, крылья, облицовка радиатора
        • Дверь кабины
        • Платформа
        • Окно ветровое и заднее
        • Устройство подъемное и опрокидывающее
        • Сиденье
        • Крыша кабины (крыша кузова)
        • Отопление и вентиляция кабины
      • Трансмиссия  
        • Коробка передач
        • Коробка раздаточная
        • Мост задний
        • Сцепление
        • Мост средний (промежуточный)
        • Передача карданная
        • Мост передний (ведущий)
      • Двигатель  
        • Основные запчасти двигателя
        • Система охлаждения
        • Система питания
        • Система смазки
      • Дополнительное оборудование  
        • Отбор мощности
        • Устройство седельное
      • Ходовая часть  
        • Подвеска автомобиля
        • Рама
        • Колеса и ступицы
        • Ось передняя
      • Механизмы управления  
        • Тормоза
        • Управление рулевое
      • Электрооборудование
    • Запчасти ММЗ
    • Ремни
  • Справочник
    • Грузовые автомобили
    • Автобусы
    • Сельхозтехника
    • Спецтехника
    • Двигатели
  • Как купить
    • Условия оплаты
    • Условия доставки
    • Гарантия на товар
    • Пункты выдачи
  • Услуги
    • Капитальный ремонт двигателей ЯМЗ
  • Акции
  • Статьи
  • Контакты
  • Компания
    • Реквизиты
    • Магазины
    • Оплата
    • Доставка
    • Лицензии и сертификаты
    • Новости
    • Вакансии
Избранное 0 Корзина 0
8-800-700-35-68

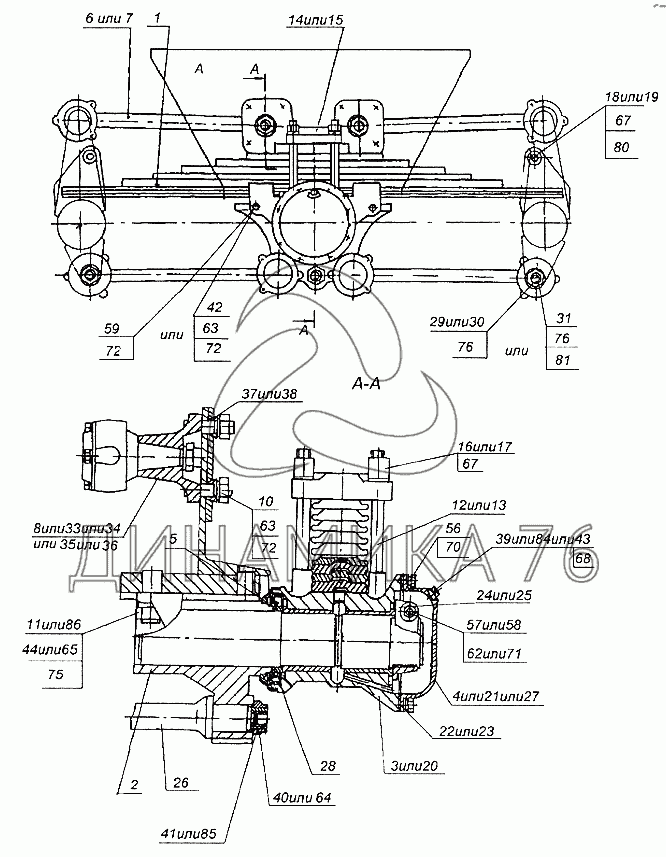
Подвеска 9334-08-2910002 на НефАЗ-9334 (до 2004 г.)

Справочник
Главная
-
Автокаталог
-
Грузовые автомобили и прицепы
-
Нефтекамский автозавод
-
НефАЗ-9334
Справочный каталог

Подвеска 9334-08-2910002 — НефАЗ-9334:

1 2 3 4 5 6 7 8 10 11 12 13 14 15 16 17 18 19 20 21 22 23 24 25 26 27 28 29 30 31 33 34 35 36 37 38 39 40 41 42 43 44 57 58 59 62 63 63 64 65 67 67 68 72 72 72 75 76 76 80 81 84 85 86
в наличии
нет в наличии
масштаб

В наличии
Нет в наличии

Перечень комплектующих от Подвеска 9334-08-2910002 на НефАЗ-9334

Схемы запчастей предназначены для справочных целей! Мы продаем не все запчасти от Подвеска 9334-08-2910002 на НефАЗ-9334, представленные в этом списке.
Наличие на складах по деталям с ценой смотрите в карточке товара.
1
1
Артикул: 9385-2912012
нет в наличии
Рессора
Количество на схеме: 2
Информация
Рессора
Количество
2
1072399;
Модель
9385
Группа
Подвеска автомобиля
Подгруппа
Рессоры задние (пружины задней подвески)
Порядковый номер детали
012
2
2
Артикул: 5320-2918052
в наличии
Кронштейн балансира задней подвески с осью в сборе
Количество на схеме: 2
Информация
Кронштейн балансира задней подвески с осью в сборе
Количество
2
1072400;
Модель
5320
Группа
Подвеска автомобиля
Подгруппа
Подвеска балансирная задняя
Порядковый номер детали
052
Кронштейн КАМАЗ балансира в сборе
Артикул: 5320-2918052
Кронштейн КАМАЗ балансира в сборе
Код для заказа: 00035747
Цена: 17 638 ₽/шт.
Под заказ
Кронштейн КАМАЗ балансира в сборе
Артикул: 5320-2918052
Код для заказа: 00035747
Кронштейн КАМАЗ балансира в сборе
Цена: 17 638 ₽/шт.
Под заказ
Кронштейн КАМАЗ балансира в сборе (ОАО КАМАЗ)
Артикул: 5320-2918052
Кронштейн КАМАЗ балансира в сборе (ОАО КАМАЗ)
Код для заказа: 00035748
Цена: 24 800 ₽/шт.
Под заказ
Кронштейн КАМАЗ балансира в сборе (ОАО КАМАЗ)
Артикул: 5320-2918052
Код для заказа: 00035748
Кронштейн КАМАЗ балансира в сборе (ОАО КАМАЗ)
Цена: 24 800 ₽/шт.
Под заказ
3
3
Артикул: 5320-2918068-10
нет в наличии
Башмак рессоры
Количество на схеме: 2
Информация
Башмак рессоры
Количество
2
1072401;
Модель
5320
Группа
Подвеска автомобиля
Подгруппа
Подвеска балансирная задняя
Порядковый номер детали
068
Дополнительно
Не взаимозаменяема с деталью, выпущенной ранее под этим же номером
4
4
Артикул: 96741-2918120-01
нет в наличии
Крышка башмака
Количество на схеме: 2
Информация
Крышка башмака
Количество
2
1072402;
Примечание
применяется с 96741-2919112, 1/55413/21
Модель
96741
Группа
Подвеска автомобиля
Подгруппа
Подвеска балансирная задняя
Порядковый номер детали
120
5
5
Артикул: 5320-2918180
в наличии
Кольцо уплотнительное в сборе
Количество на схеме: 2
Информация
Кольцо уплотнительное в сборе
Количество
2
1072403;
Модель
5320
Группа
Подвеска автомобиля
Подгруппа
Подвеска балансирная задняя
Порядковый номер детали
180
Кольцо КАМАЗ башмака балансира уплотнительное
Артикул: 5320-2918180
Кольцо КАМАЗ башмака балансира уплотнительное
Код для заказа: 00033494
Цена: 118 ₽/шт.
Под заказ
Кольцо КАМАЗ башмака балансира уплотнительное
Артикул: 5320-2918180
Код для заказа: 00033494
Кольцо КАМАЗ башмака балансира уплотнительное
Цена: 118 ₽/шт.
Под заказ
Кольцо КАМАЗ башмака балансира уплотнительное фторопласт
Артикул: 5320-2918180
Кольцо КАМАЗ башмака балансира уплотнительное фторопласт
Код для заказа: 00033496
Цена: 118 ₽/шт.
Под заказ
Кольцо КАМАЗ башмака балансира уплотнительное фторопласт
Артикул: 5320-2918180
Код для заказа: 00033496
Кольцо КАМАЗ башмака балансира уплотнительное фторопласт
Цена: 118 ₽/шт.
Под заказ
6
6
Артикул: 5511-2919012
в наличии
Штанга реактивная задней подвески с пальцами
Количество на схеме: 6
Информация
Штанга реактивная задней подвески с пальцами
Количество
6
1072404;
Модель
5511
Группа
Подвеска автомобиля
Подгруппа
Штанги реактивные задней подвески
Порядковый номер детали
012
Штанга реактивная КАМАЗ (без гаек) в сборе
Артикул: 5511-2919012
Штанга реактивная КАМАЗ (без гаек) в сборе
Код для заказа: 00066125
Цена: 4 120 ₽/шт.
Под заказ
Штанга реактивная КАМАЗ (без гаек) в сборе
Артикул: 5511-2919012
Код для заказа: 00066125
Штанга реактивная КАМАЗ (без гаек) в сборе
Цена: 4 120 ₽/шт.
Под заказ
Штанга реактивная КАМАЗ (все модели, кроме 6520) с конусным РМШ ТЕХНОТРОН
Артикул: 5511-2919012
Штанга реактивная КАМАЗ (все модели, кроме 6520) с конусным РМШ ТЕХНОТРОН
Код для заказа: 00066127
Цена: 5 301 ₽/шт.
Под заказ
Штанга реактивная КАМАЗ (все модели, кроме 6520) с конусным РМШ ТЕХНОТРОН
Артикул: 5511-2919012
Код для заказа: 00066127
Штанга реактивная КАМАЗ (все модели, кроме 6520) с конусным РМШ ТЕХНОТРОН
Цена: 5 301 ₽/шт.
Под заказ
Штанга реактивная КАМАЗ (кроме 6520-6460) цельнокованая с конусным РМШ L=530мм ROSTAR
Артикул: 5511-2919012
Штанга реактивная КАМАЗ (кроме 6520-6460) цельнокованая с конусным РМШ L=530мм ROSTAR
Код для заказа: 00066142
Цена: 11 663 ₽/шт.
Под заказ
Штанга реактивная КАМАЗ (кроме 6520-6460) цельнокованая с конусным РМШ L=530мм ROSTAR
Артикул: 5511-2919012
Код для заказа: 00066142
Штанга реактивная КАМАЗ (кроме 6520-6460) цельнокованая с конусным РМШ L=530мм ROSTAR
Цена: 11 663 ₽/шт.
Под заказ
7
7
Артикул: 96741-2919012
нет в наличии
Штанга реактивная задней подвески с пальцами в сборе
Количество на схеме: 6
Информация
Штанга реактивная задней подвески с пальцами в сборе
Количество
6
1072405;
Примечание
допускается замена на 5511-2919012
Модель
96741
Группа
Подвеска автомобиля
Подгруппа
Штанги реактивные задней подвески
Порядковый номер детали
012
8
8
Артикул: 96741-2919094-01
нет в наличии
Кронштейн реактивной штанги
Количество на схеме: 2
Информация
Кронштейн реактивной штанги
Количество
2
1072406;
Примечание
допускается замена на 9370-2919094, 96741- 2919094
Модель
96741
Группа
Подвеска автомобиля
Подгруппа
Штанги реактивные задней подвески
Порядковый номер детали
094
10
10
Артикул: 96741-2910094
нет в наличии
Шпилька
Количество на схеме: 8
Информация
Шпилька
Количество
8
1072407;
Модель
96741
Группа
Подвеска автомобиля
Подгруппа
Подвеска задняя
Порядковый номер детали
094
11
11
Артикул: 96741-2910095
нет в наличии
Шпилька
Количество на схеме: 8
Информация
Шпилька
Количество
8
1072408;
Модель
96741
Группа
Подвеска автомобиля
Подгруппа
Подвеска задняя
Порядковый номер детали
095
12
12
Артикул: 4310-2912408
в наличии
Стремянка рессоры
Количество на схеме: 4
Информация
Стремянка рессоры
Количество
4
1072409;
Модель
4310
Группа
Подвеска автомобиля
Подгруппа
Рессоры задние (пружины задней подвески)
Порядковый номер детали
408
Стремянка КАМАЗ-4310,5320 рессоры задней h=350мм в сборе
Артикул: 4310-2912408
Стремянка КАМАЗ-4310,5320 рессоры задней h=350мм в сборе
Код для заказа: 00055709
Цена: 1 856 ₽/шт.
Под заказ
Стремянка КАМАЗ-4310,5320 рессоры задней h=350мм в сборе
Артикул: 4310-2912408
Код для заказа: 00055709
Стремянка КАМАЗ-4310,5320 рессоры задней h=350мм в сборе
Цена: 1 856 ₽/шт.
Под заказ
Стремянка КАМАЗ-4310,5320 рессоры задней h=350мм ЭЛЕМЕНТ
Артикул: 4310-2912408
Стремянка КАМАЗ-4310,5320 рессоры задней h=350мм ЭЛЕМЕНТ
Код для заказа: 00055710
Цена: 998 ₽/шт.
Под заказ
Стремянка КАМАЗ-4310,5320 рессоры задней h=350мм ЭЛЕМЕНТ
Артикул: 4310-2912408
Код для заказа: 00055710
Стремянка КАМАЗ-4310,5320 рессоры задней h=350мм ЭЛЕМЕНТ
Цена: 998 ₽/шт.
Под заказ
13
13
Артикул: 96741-2912408
нет в наличии
Стремянка рессоры
Количество на схеме: 4
Информация
Стремянка рессоры
Количество
4
1072410;
Модель
96741
Группа
Подвеска автомобиля
Подгруппа
Рессоры задние (пружины задней подвески)
Порядковый номер детали
408
14
14
Артикул: 4310-2912412-10
нет в наличии
Накладка стремянок задней рессоры
Количество на схеме: 4
Информация
Накладка стремянок задней рессоры
Количество
4
1072411;
Модель
4310
Группа
Подвеска автомобиля
Подгруппа
Рессоры задние (пружины задней подвески)
Порядковый номер детали
412
Дополнительно
Не взаимозаменяема с деталью, выпущенной ранее под этим же номером
15
15
Артикул: 96741-2912412
нет в наличии
Накладка стремянок задней рессоры
Количество на схеме: 4
Информация
Накладка стремянок задней рессоры
Количество
4
1072412;
Модель
96741
Группа
Подвеска автомобиля
Подгруппа
Рессоры задние (пружины задней подвески)
Порядковый номер детали
412
16
16
Артикул: 4310-2912416
в наличии
Гайка
Количество на схеме: 8
Информация
Гайка
Количество
8
1072413;
Модель
4310
Группа
Подвеска автомобиля
Подгруппа
Рессоры задние (пружины задней подвески)
Порядковый номер детали
416
Гайка М24х1.5х27 КАМАЗ стремянки рессоры задней 8т
Артикул: 4310-2912416
Гайка М24х1.5х27 КАМАЗ стремянки рессоры задней 8т
Код для заказа: 00027581
Цена: 152 ₽/шт.
Под заказ
Гайка М24х1.5х27 КАМАЗ стремянки рессоры задней 8т
Артикул: 4310-2912416
Код для заказа: 00027581
Гайка М24х1.5х27 КАМАЗ стремянки рессоры задней 8т
Цена: 152 ₽/шт.
Под заказ
17
17
Артикул: 96741-2912416
нет в наличии
Гайка стремянки
Количество на схеме: 8
Информация
Гайка стремянки
Количество
8
1072414;
Примечание
допускается замена на 4310-2912416
Модель
96741
Группа
Подвеска автомобиля
Подгруппа
Рессоры задние (пружины задней подвески)
Порядковый номер детали
416
18
18
Артикул: 96741-2912485
нет в наличии
Палец опоры
Количество на схеме: 4
Информация
Палец опоры
Количество
4
1072415;
Модель
96741
Группа
Подвеска автомобиля
Подгруппа
Рессоры задние (пружины задней подвески)
Порядковый номер детали
485
19
19
Артикул: 96741-2912485-02
нет в наличии
Палец опоры
Количество на схеме: 4
Информация
Палец опоры
Количество
4
1072416;
Модель
96741
Группа
Подвеска автомобиля
Подгруппа
Рессоры задние (пружины задней подвески)
Порядковый номер детали
485
20
20
Артикул: 96741-2918068
нет в наличии
Башмак рессоры
Количество на схеме: 2
Информация
Башмак рессоры
Количество
2
1072417;
Модель
96741
Группа
Подвеска автомобиля
Подгруппа
Подвеска балансирная задняя
Порядковый номер детали
068
21
21
Артикул: 5320-2918120
в наличии
Крышка башмака
Количество на схеме: 2
Информация
Крышка башмака
Количество
2
1072418;
Модель
5320
Группа
Подвеска автомобиля
Подгруппа
Подвеска балансирная задняя
Порядковый номер детали
120
Крышка КАМАЗ башмака балансира алюминиевая
Артикул: 5320-2918120
Крышка КАМАЗ башмака балансира алюминиевая
Код для заказа: 00037146
Цена: 564 ₽/шт.
Под заказ
Крышка КАМАЗ башмака балансира алюминиевая
Артикул: 5320-2918120
Код для заказа: 00037146
Крышка КАМАЗ башмака балансира алюминиевая
Цена: 564 ₽/шт.
Под заказ
22
22
Артикул: 5320-2918122
в наличии
Прокладка
Количество на схеме: 2
Информация
Прокладка
Количество
2
1072419;
Модель
5320
Группа
Подвеска автомобиля
Подгруппа
Подвеска балансирная задняя
Порядковый номер детали
122
Прокладка КАМАЗ крышки башмака балансира
Артикул: 5320-2918122
Прокладка КАМАЗ крышки башмака балансира
Код для заказа: 00047944
Цена: 28 ₽/шт.
Под заказ
Прокладка КАМАЗ крышки башмака балансира
Артикул: 5320-2918122
Код для заказа: 00047944
Прокладка КАМАЗ крышки башмака балансира
Цена: 28 ₽/шт.
Под заказ
23
23
Артикул: 96741-2918122
нет в наличии
Прокладка
Количество на схеме: 2
Информация
Прокладка
Количество
2
1072420;
Примечание
допускается замена на 5320-2918122
Модель
96741
Группа
Подвеска автомобиля
Подгруппа
Подвеска балансирная задняя
Порядковый номер детали
122
24
24
Артикул: 5320-2918169
в наличии
Гайка башмака
Количество на схеме: 2
Информация
Гайка башмака
Количество
2
1072421;
Модель
5320
Группа
Подвеска автомобиля
Подгруппа
Подвеска балансирная задняя
Порядковый номер детали
169
Гайка КАМАЗ крепления оси балансира
Артикул: 5320-2918169
Гайка КАМАЗ крепления оси балансира
Код для заказа: 00027246
Цена: 1 202 ₽/шт.
Под заказ
Гайка КАМАЗ крепления оси балансира
Артикул: 5320-2918169
Код для заказа: 00027246
Гайка КАМАЗ крепления оси балансира
Цена: 1 202 ₽/шт.
Под заказ
Гайка КАМАЗ крепления оси балансира (ОАО КАМАЗ)
Артикул: 5320-2918169
Гайка КАМАЗ крепления оси балансира (ОАО КАМАЗ)
Код для заказа: 00027247
Цена: 1 202 ₽/шт.
Под заказ
Гайка КАМАЗ крепления оси балансира (ОАО КАМАЗ)
Артикул: 5320-2918169
Код для заказа: 00027247
Гайка КАМАЗ крепления оси балансира (ОАО КАМАЗ)
Цена: 1 202 ₽/шт.
Под заказ
25
25
Артикул: 96741-2918169
нет в наличии
Гайка башмака
Количество на схеме: 2
Информация
Гайка башмака
Количество
2
1072422;
Примечание
допускается замена на 5320-2918169
Модель
96741
Группа
Подвеска автомобиля
Подгруппа
Подвеска балансирная задняя
Порядковый номер детали
169
26
26
Артикул: 9334-08-2918189
нет в наличии
Стяжка кронштейнов оси балансира
Количество на схеме: 1
Информация
Стяжка кронштейнов оси балансира
Количество
1
1072423;
Модель
9334-08
Группа
Подвеска автомобиля
Подгруппа
Подвеска балансирная задняя
Порядковый номер детали
189
27
27
Артикул: 96741-2918120
нет в наличии
Крышка башмака
Количество на схеме: 2
Информация
Крышка башмака
Количество
2
1072424;
Модель
96741
Группа
Подвеска автомобиля
Подгруппа
Подвеска балансирная задняя
Порядковый номер детали
120
28
28
Артикул: 96741-2918255
нет в наличии
Кольцо упорное
Количество на схеме: 2
Информация
Кольцо упорное
Количество
2
1072425;
Модель
96741
Группа
Подвеска автомобиля
Подгруппа
Подвеска балансирная задняя
Порядковый номер детали
255
29
29
Артикул: 5511-2919031
в наличии
Гайка крепления пальца
Количество на схеме: 12
Информация
Гайка крепления пальца
Количество
12
1072426;
Примечание
допускается замена на 96741-2919031, 96741-2919032
Модель
5511
Группа
Подвеска автомобиля
Подгруппа
Штанги реактивные задней подвески
Порядковый номер детали
031
Гайка КАМАЗ пальца штанги реактивной
Артикул: 5511-2919031
Гайка КАМАЗ пальца штанги реактивной
Код для заказа: 00027250
Цена: 74 ₽/шт.
Под заказ
Гайка КАМАЗ пальца штанги реактивной
Артикул: 5511-2919031
Код для заказа: 00027250
Гайка КАМАЗ пальца штанги реактивной
Цена: 74 ₽/шт.
Под заказ
30
30
Артикул: 96741-2919031
нет в наличии
Гайка крепления пальца
Количество на схеме: 12
Информация
Гайка крепления пальца
Количество
12
1072427;
Примечание
допускается замена на 5511-2919031, 96741- 2919032
Модель
96741
Группа
Подвеска автомобиля
Подгруппа
Штанги реактивные задней подвески
Порядковый номер детали
031
31
31
Артикул: 96741-2919032
нет в наличии
Гайка крепления пальца
Количество на схеме: 12
Информация
Гайка крепления пальца
Количество
12
1072428;
Примечание
Допускается замена на 5511-2919031, 96741- 2919031
Модель
96741
Группа
Подвеска автомобиля
Подгруппа
Штанги реактивные задней подвески
Порядковый номер детали
032
33
33
Артикул: 9370-2919094
нет в наличии
Кронштейн реактивной штанги
Количество на схеме: 2
Информация
Кронштейн реактивной штанги
Количество
2
1072429;
Примечание
допускается замена на 96741-2919094, 96741-2919094-02, 96741-2919094-04
Модель
9370
Группа
Подвеска автомобиля
Подгруппа
Штанги реактивные задней подвески
Порядковый номер детали
094
34
34
Артикул: 96741-2919094
нет в наличии
Кронштейн реактивной штанги
Количество на схеме: 2
Информация
Кронштейн реактивной штанги
Количество
2
1072430;
Примечание
допускается замена на 96741-2919094, 96741-2919094-02, 96741-2919094-04
Модель
96741
Группа
Подвеска автомобиля
Подгруппа
Штанги реактивные задней подвески
Порядковый номер детали
094
35
35
Артикул: 96741-2919094-02
нет в наличии
Кронштейн реактивной штанги
Количество на схеме: 2
Информация
Кронштейн реактивной штанги
Количество
2
1072431;
Примечание
допускается замена на 9370-2919094, 96741- 2919094-02, 96741-2919094-04
Модель
96741
Группа
Подвеска автомобиля
Подгруппа
Штанги реактивные задней подвески
Порядковый номер детали
094
36
36
Артикул: 96741-2919094-04
нет в наличии
Кронштейн реактивной штанги
Количество на схеме: 2
Информация
Кронштейн реактивной штанги
Количество
2
1072432;
Примечание
допускается замена на 9370-2919094, 96741- 2919094, 96741-2919094-02
Модель
96741
Группа
Подвеска автомобиля
Подгруппа
Штанги реактивные задней подвески
Порядковый номер детали
094
37
37
Артикул: 5320-2919105
в наличии
Втулка кронштейна
Количество на схеме: 8
Информация
Втулка кронштейна
Количество
8
1072433;
Примечание
допускается замена на 96741-2919105
Модель
5320
Группа
Подвеска автомобиля
Подгруппа
Штанги реактивные задней подвески
Порядковый номер детали
105
Втулка КАМАЗ кронштейна штанги реактивной (ОАО КАМАЗ)
Артикул: 5320-2919105
Втулка КАМАЗ кронштейна штанги реактивной (ОАО КАМАЗ)
Код для заказа: 00026458
Цена: 139 ₽/шт.
Под заказ
Втулка КАМАЗ кронштейна штанги реактивной (ОАО КАМАЗ)
Артикул: 5320-2919105
Код для заказа: 00026458
Втулка КАМАЗ кронштейна штанги реактивной (ОАО КАМАЗ)
Цена: 139 ₽/шт.
Под заказ
38
38
Артикул: 96741-2919105
нет в наличии
Втулка кронштейна
Количество на схеме: 8
Информация
Втулка кронштейна
Количество
8
1072434;
Примечание
допускается замена на 5320-2919105
Модель
96741
Группа
Подвеска автомобиля
Подгруппа
Штанги реактивные задней подвески
Порядковый номер детали
105
39
39
Артикул: 96741-2919107
нет в наличии
Пробка
Количество на схеме: 2
Информация
Пробка
Количество
2
1072435;
Модель
96741
Группа
Подвеска автомобиля
Подгруппа
Штанги реактивные задней подвески
Порядковый номер детали
107
40
40
Артикул: 96741-2919109
нет в наличии
Гайка стяжки
Количество на схеме: 2
Информация
Гайка стяжки
Количество
2
1072436;
Модель
96741
Группа
Подвеска автомобиля
Подгруппа
Штанги реактивные задней подвески
Порядковый номер детали
109
41
41
Артикул: 96741-2919111
нет в наличии
Заглушка стяжки
Количество на схеме: 2
Информация
Заглушка стяжки
Количество
2
1072437;
Модель
96741
Группа
Подвеска автомобиля
Подгруппа
Штанги реактивные задней подвески
Порядковый номер детали
111
42
42
Артикул: 96741-2919112
нет в наличии
Шпилька башмака
Количество на схеме: 4
Информация
Шпилька башмака
Количество
4
1072438;
Модель
96741
Группа
Подвеска автомобиля
Подгруппа
Штанги реактивные задней подвески
Порядковый номер детали
112
43
43
Артикул: 9674-3506394
нет в наличии
Пробка
Количество на схеме: 2
Информация
Пробка
Количество
2
1072439;
Модель
9674
Группа
Тормоза
Подгруппа
Трубопроводы пневмотормозов
Порядковый номер детали
394
44
44
Артикул: 8602-2912550
нет в наличии
Гайка М27х1,5-6Н
Количество на схеме: 8
Информация
Гайка М27х1,5-6Н
Количество
8
1072440;
Примечание
допускается замена на 853518-П29
Модель
8602
Группа
Подвеска автомобиля
Подгруппа
Рессоры задние (пружины задней подвески)
Порядковый номер детали
550
57
57
Артикул: 1/59707/21
нет в наличии
Болт ТЕМ10х1,25-6gх25
Количество на схеме: 2
Информация
Болт ТЕМ10х1,25-6gх25
Количество
2
1072442;
Крепежная деталь
да
Материал
сталь 80 (сталь с пределом прочности на разрыв 784-980 (80-100) МПа (кг/мм2)
Покрытие
цинкование
58
58
Артикул: 1/55413/21
нет в наличии
Болт ТЕМ12х1,25-6gх75
Количество на схеме: 2
Информация
Болт ТЕМ12х1,25-6gх75
Количество
2
1072443;
Крепежная деталь
да
Материал
сталь 80 (сталь с пределом прочности на разрыв 784-980 (80-100) МПа (кг/мм2)
Покрытие
цинкование
59
59
Артикул: 1/59903/21
в наличии
Болт ТЕМ20х1,5-6gх160
Количество на схеме: 2
Информация
Болт ТЕМ20х1,5-6gх160
Количество
2
1072444;
Крепежная деталь
да
Материал
сталь 80 (сталь с пределом прочности на разрыв 784-980 (80-100) МПа (кг/мм2)
Покрытие
цинкование
Болт М20х1.5х160 башмака балансира КАМАЗ
Артикул: 1/59903/21
Болт М20х1.5х160 башмака балансира КАМАЗ
Код для заказа: 00022897
Цена: 331 ₽/шт.
Под заказ
Болт М20х1.5х160 башмака балансира КАМАЗ
Артикул: 1/59903/21
Код для заказа: 00022897
Болт М20х1.5х160 башмака балансира КАМАЗ
Цена: 331 ₽/шт.
Под заказ
62
62
Артикул: 251647
в наличии
Гайка ЕМ12х1,25-6Н ОСТ37.001.197-75
Количество на схеме: 2
Информация
Гайка ЕМ12х1,25-6Н ОСТ37.001.197-75
Количество
2
1072445;
Покрытие
без покрытия
Гайка М12х1,25
Артикул: 251647
Гайка М12х1,25
Код для заказа: 00009212
Цена: 115 ₽/шт.
Под заказ
Гайка М12х1,25
Артикул: 251647
Код для заказа: 00009212
Гайка М12х1,25
Цена: 115 ₽/шт.
Под заказ
63
63
Артикул: 1/21643/11
в наличии
Гайка ЕМ20х1,5-6Н
Количество на схеме: 12
Информация
Гайка ЕМ20х1,5-6Н
Количество
12
1072446;
Крепежная деталь
да
Материал
сталь 50 (сталь с пределом прочности на разрыв 490-784 (50-80) МПа (кг/мм2)
Покрытие
цинкование
Гайка М20х1.5-Н6 многоцелевая (АО АЗ УРАЛ)
Артикул: 1/21643/11
Гайка М20х1.5-Н6 многоцелевая (АО АЗ УРАЛ)
Код для заказа: 00027545
Цена: 57 ₽/шт.
Под заказ
Гайка М20х1.5-Н6 многоцелевая (АО АЗ УРАЛ)
Артикул: 1/21643/11
Код для заказа: 00027545
Гайка М20х1.5-Н6 многоцелевая (АО АЗ УРАЛ)
Цена: 57 ₽/шт.
Под заказ
64
64
Артикул: 853516
нет в наличии
Гайка М42х1,5-6Н
Количество на схеме: 2
Информация
Гайка М42х1,5-6Н
Количество
2
1072447;
Покрытие
без покрытия
65
65
Артикул: 853518-П29
нет в наличии
Гайка М27х1,5-6Н
Количество на схеме: 8
Информация
Гайка М27х1,5-6Н
Количество
8
1072448;
Покрытие
цинкование и пассивирование (цинковое с хроматированием)
67
67
Артикул: 1/05206/01
нет в наличии
Шайба 24х42
Количество на схеме: ;
Информация
Шайба 24х42
Количество
;
Крепежная деталь
да
Материал
сталь 40 (сталь с пределом прочности на разрыв 333-490 (34-50) МПа (кг/мм2)
Покрытие
цинкование
68
68
Артикул: 1/02634/60
в наличии
Прокладка 22х28х1,5
Количество на схеме: 2
Информация
Прокладка 22х28х1,5
Количество
2
1072450;
Крепежная деталь
да
Материал
медь
Покрытие
без покрытия
Шайба 22.0х27.0х1.5 КАМАЗ пневмотормозов медная (плоская)
Артикул: 1/02634/60
Шайба 22.0х27.0х1.5 КАМАЗ пневмотормозов медная (плоская)
Код для заказа: 00063025
Цена: 65 ₽/шт.
Под заказ
Шайба 22.0х27.0х1.5 КАМАЗ пневмотормозов медная (плоская)
Артикул: 1/02634/60
Код для заказа: 00063025
Шайба 22.0х27.0х1.5 КАМАЗ пневмотормозов медная (плоская)
Цена: 65 ₽/шт.
Под заказ
72
72
Артикул: 1/05174/70
нет в наличии
Шайба плоская 20х35
Количество на схеме: 12
Информация
Шайба плоская 20х35
Количество
12
1072453;
Крепежная деталь
да
Материал
другие металлические материалы, т. е. не сталь, не латунь, не легкий сплав, не медь
Покрытие
без покрытия
75
75
Артикул: 252164
в наличии
Шайба 27Л ОСТ37.001.115-75
Количество на схеме: 8
Информация
Шайба 27Л ОСТ37.001.115-75
Количество
8
1072454;
Покрытие
без покрытия
Шайба 27.0 пружинная КАМАЗ (гровер) белый
Артикул: 252164
Шайба 27.0 пружинная КАМАЗ (гровер) белый
Код для заказа: 00063034
Цена: 26 ₽/шт.
Под заказ
Шайба 27.0 пружинная КАМАЗ (гровер) белый
Артикул: 252164
Код для заказа: 00063034
Шайба 27.0 пружинная КАМАЗ (гровер) белый
Цена: 26 ₽/шт.
Под заказ
76
76
Артикул: 252165
нет в наличии
Шайба пружинная 30 ОСТ37.001.115-75
Количество на схеме: 12
Информация
Шайба пружинная 30 ОСТ37.001.115-75
Количество
12
1072455;
Покрытие
без покрытия
80
80
Артикул: 1/07974/01
нет в наличии
Шплинт разводной 5х40
Количество на схеме: 8
Информация
Шплинт разводной 5х40
Количество
8
1072456;
Крепежная деталь
да
Материал
сталь 40 (сталь с пределом прочности на разрыв 333-490 (34-50) МПа (кг/мм2)
Покрытие
цинкование
81
81
Артикул: 1/07979/01
в наличии
Шплинт 6х60
Количество на схеме: 12
Информация
Шплинт 6х60
Количество
12
1072457;
Крепежная деталь
да
Материал
сталь 40 (сталь с пределом прочности на разрыв 333-490 (34-50) МПа (кг/мм2)
Покрытие
цинкование
Шплинт 5.9х60 штанги реактивной КАМАЗ
Артикул: 1/07979/01
Шплинт 5.9х60 штанги реактивной КАМАЗ
Код для заказа: 00066003
Цена: 12 ₽/шт.
Под заказ
Шплинт 5.9х60 штанги реактивной КАМАЗ
Артикул: 1/07979/01
Код для заказа: 00066003
Шплинт 5.9х60 штанги реактивной КАМАЗ
Цена: 12 ₽/шт.
Под заказ
84
84
Артикул: КГ1/2-ОСТ37-001-174-75
нет в наличии
Пробка КГ1/2 ОСТ37.001.174-75
Количество на схеме: 2
Информация
Пробка КГ1/2 ОСТ37.001.174-75
Количество
2
1072458;
85
85
Артикул: 864313-П
нет в наличии
Пробка ОСТ37.001.174-75
Количество на схеме: 2
Информация
Пробка ОСТ37.001.174-75
Количество
2
1072459;
Покрытие
без покрытия
86
86
Артикул: 853302-П29
нет в наличии
Шпилька
Количество на схеме: 8
Информация
Шпилька
Количество
8
1072460;
Покрытие
цинкование и пассивирование (цинковое с хроматированием)
  • Грузовые автомобили
  • Автобусы
  • Сельхозтехника
  • Спецтехника
  • Двигатели
Получить оптовый прайс-лист
Скачать прайс-лист от 06.05.2026 16:00
Специальное предложение от 06.05.2026 17:00
Производители:


  • WEICHAI
  • Автодизель ПАО (ЯМЗ)
  • Тутаевский МЗ
  • ЯЗДА
  • УралАЗ
  • МАЗ
  • АЗПИ
  • BOSCH
  • ММЗ
  • ШААЗ
  • FEDERAL MOGUL
  • ПРАМО
  • Мотордеталь
  • ТАИМ
  • АвтоКрАЗ
  • БЕЛКАРД
  • CZ Strakonice
  • КамАЗ
  • БЗА
  • ЧМЗ
  • BMZ
Новости
Все новости
25 марта 2024
Флагманский седельный тягач «Валдай 45» на выставке «TransRussia»
10 марта 2024
Современные автобусы «CITYMAX 9» и ЛиАЗ-5292 CNG
25 февраля 2024
Серийное производство средних дизельных двигателей повышенной мощности от ЯМЗ
Статьи
Все статьи
Датчики двигателя: за что они отвечают, признаки неисправности и как не прогадать с выбором
Двигатели ЯМЗ-534: история, технические характеристики и области применения
Двигатели ЯМЗ 650: углублённый технический обзор и история
Компания
О компании
Реквизиты
Новости
Политика
Магазины
Информация
Условия оплаты
Условия доставки
Гарантия на товар
Обмен и возврат товара
Помощь
Как оформить заказ
Полезные статьи
Бренды
Пункты выдачи
Оставайтесь на связи
  • Вконтакте
  • YouTube
  • Одноклассники
  • Google Plus
Увидели ошибку?
Выделите, нажав Ctrl + Enter
Наши контакты
8-800-700-35-68
sales@din76.ru
г. Ярославль, Ленинградский пр-т 33, ТЦ "ОМЕГА"
2026 © ООО «Динамика 76» - Все права защищены ООО "Динамика 76"
Предложения на сайте не являются публичной офертой.
На сайте обнаружена ошибка

Текст с ошибкой