Избранное 0 Корзина 0 Личный кабинет
logo
Каталог
Каталог
  • Справочник
    • Грузовые автомобили
    • Автобусы
    • Сельхозтехника
    • Спецтехника
    • Двигатели
  • Доставка
  • Оплата
  • О компании
    • Реквизиты
    • Магазины
    • Оплата
    • Доставка
    • Лицензии и сертификаты
    • Новости
    • Вакансии
  • Контакты
Отправить заявку
Личный кабинет
8 (800) 700-35-68
sales@din76.ru
Избранное 0 Корзина 0
8 (800) 700-35-68
Оптовый прайс-лист
Каталог
  • Двигатели
  • Запчасти WEICHAI
  • Запчасти ЯМЗ, ТМЗ (V-образные)
  • Запчасти ЯМЗ-534, ЯМЗ-536
  • Запчасти ЯМЗ-650, ЯМЗ-651, DCi-11
  • Топливная аппаратура
  • Запчасти УРАЛ
  • Запчасти МАЗ
  • Запчасти КамАЗ
  • Запчасти ММЗ
  • Ремни
Автокаталог (справочник)
  • Доставка
  • Оплата
  • О компании
  • Контакты
8 (800) 700-35-68
Написать в Whatsapp
sales@din76.ru
Динамика 76
Меню  
  • Каталог
    • Двигатели  
      • Двигатели ТМЗ  
        • Двигатели ТМЗ для автомобилей
        • Двигатели ТМЗ для тракторов
        • Специальные двигатели ТМЗ
        • Промышленные двигатели ТМЗ
      • Двигатели ЯМЗ  
        • ЯМЗ 236
        • ЯМЗ 238
        • ЯМЗ 240
        • ЯМЗ 751
        • ЯМЗ 840
        • ЯМЗ 850
        • ЯМЗ 656
        • ЯМЗ 658
        • ЯМЗ 534
        • ЯМЗ 536
        • ЯМЗ 650
        • Двигатели ЯМЗ для электростанций
      • Двигатели КАМАЗ
      • Двигатели ММЗ
      • Двигатели индивидуальной сборки
      • Комплекты переоборудования
    • Запчасти WEICHAI  
      • Основные запчасти двигателя  
        • Клапаны и толкатели
        • Шатуны
        • Вал коленчатый и маховик
        • Вал распределительный
        • Цилиндро-поршневая группа
      • Система питания  
        • Форсунки
        • Турбокомпрессор
      • Система смазки  
        • Насос масляный
      • Головка блока
      • Ремкомплекты
      • Система охлаждения  
        • Насос водяной
        • Муфта вязкостная и крыльчатка
      • Фильтры
      • Электрооборудование  
        • Генератор
        • Стартер
    • Запчасти ЯМЗ, ТМЗ (V-образные)  
      • Основные запчасти двигателя  
        • Блок двигателя и комплектующие
        • Валы распределительные и клапаны
        • Головка блока и комплектующие
        • Цилиндро-поршневая группа
        • Маховики и комплектующие
        • Валы коленчатые и комплектующие
        • Шатуны и комплектующие
      • Система питания  
        • Коллекторы и патрубки
        • Топливные трубопроводы
        • Турбокомпрессор
        • Топливные фильтры
      • Электрооборудование двигателя
      • Система охлаждения  
        • Вязкостные муфты и крыльчатки
        • Приводы вентилятора
        • Водяные насосы
        • Водяные трубы и термостаты
      • Коробки переключения передач  
        • 8 Ступенчатые КПП
        • 5 Ступенчатые КПП
        • 9 Ступенчатые КПП
        • Запасные части КПП ЯМЗ, ТМЗ
      • Система смазки  
        • Теплообменник и комплектующие
        • Масляные насосы
        • Фильтры масляные (ФГОМ, ФЦОМ)
      • Сцепление  
        • Запасные части механизма сцепления
        • Муфты (подшипники выжимные)
        • Корзины (диски нажимные)
        • Диски ведомые
      • Прочие запчасти двигателя  
        • Ремкомплекты
        • Привод агрегатов
        • Натяжные устройства
        • Трубки
    • Запчасти ЯМЗ-534, ЯМЗ-536  
      • Основные запчасти двигателя  
        • Цилиндро-поршневая группа
        • Головка блока цилиндров и комплектующие
        • Блок цилиндров и комплектующие
        • Вал коленчатый и маховик
        • Вал распределительный
        • Клапаны и толкатели
        • ГУР (Гидроусилитель руля)
        • Система рециркуляции отработавших газов
        • Выпускной коллектор
      • Система питания  
        • Коллекторы и патрубки
        • Топливные фильтры
        • Турбокомпрессор
        • Топливные трубопроводы
      • Система смазки  
        • Масляный картер поддон
        • Масляный насос
        • Теплообменник /Водо-масляный радиатор
        • Фильтры масляные (ФГОМ, ФЦОМ)
      • Пневмокомпрессор и натяжное
      • Система охлаждения  
        • Водяной насос
        • Водяные трубы и патрубки
        • Муфты вязкостные, приводы, крыльчатки
      • Ремкомплекты
      • Сцепление
      • Электрооборудование
    • Запчасти ЯМЗ-650, ЯМЗ-651, DCi-11  
      • Основные запчасти двигателя  
        • Цилиндро-поршневая группа
        • Головка блока цилиндров и комплектующие
        • Блок цилиндров и комплектующие
        • Вал коленчатый и маховик
        • Выпускной коллектор
        • Вал распределительный
        • Клапаны и толкатели
        • ГУР (Гидроусилитель руля)
        • Система рециркуляции отработавших газов
      • Система питания  
        • Коллекторы и патрубки
        • Топливные трубопроводы
        • Топливные фильтры
        • Турбокомпрессор
      • Система смазки  
        • Масляный картер / поддон
        • Масляный насос
        • Теплообменник / Водо-масляный радиатор
        • Фильтры масляные (ФГОМ, ФЦОМ)
      • Система охлаждения  
        • Водяной насос
        • Водяные трубы и патрубки
        • Муфты вязкостные, приводы, крыльчатки
      • Ремкомплекты
      • Пневмокомпрессор и натяжное
      • Электрооборудование
      • Сцепление
    • Топливная аппаратура  
      • ЯЗДА  
        • Распылители
        • ТНВД
        • Форсунки
        • Топливный насос низкого давления
        • Пары плунжерные
        • Муфта опережения впрыска топлива
        • Запчасти и комплектующие ТНВД
      • НЗТА
      • АЗПИ  
        • Распылители
        • Форсунки
      • BOSCH
    • Запчасти УРАЛ  
      • Трансмиссия  
        • Коробка раздаточная
        • Передача карданная
        • Мост задний
        • Мост передний (ведущий)
        • Мост средний (промежуточный)
      • Кузов  
        • Дверь кабины
        • Капот, крылья, облицовка радиатора
        • Окно ветровое и заднее
        • Отопление и вентиляция кабины
        • Кабина
      • Механизмы управления  
        • Управление рулевое
        • Тормоза
      • Дополнительное оборудование  
        • Отбор мощности
        • Устройство седельное
      • Электрооборудование
      • Ходовая часть  
        • Колеса и ступицы
        • Ось передняя
        • Подвеска автомобиля
        • Рама
    • Запчасти МАЗ  
      • Трансмиссия  
        • Мост задний
        • Мост передний (ведущий)
        • Передача карданная
        • Мост средний (промежуточный)
      • Кузов  
        • Кабина
        • Дверь кабины
        • Детали основания кабины
        • Окно ветровое и заднее
        • Платформа
      • Механизмы управления  
        • Тормоза
        • Управление рулевое
      • Ходовая часть  
        • Колеса и ступицы
        • Ось передняя
        • Подвеска автомобиля
        • Рама
    • Запчасти КамАЗ  
      • Кузов  
        • Кабина
        • Капот, крылья, облицовка радиатора
        • Дверь кабины
        • Платформа
        • Окно ветровое и заднее
        • Устройство подъемное и опрокидывающее
        • Сиденье
        • Крыша кабины (крыша кузова)
        • Отопление и вентиляция кабины
      • Трансмиссия  
        • Коробка передач
        • Коробка раздаточная
        • Мост задний
        • Сцепление
        • Мост средний (промежуточный)
        • Передача карданная
        • Мост передний (ведущий)
      • Двигатель  
        • Основные запчасти двигателя
        • Система охлаждения
        • Система питания
        • Система смазки
      • Дополнительное оборудование  
        • Отбор мощности
        • Устройство седельное
      • Ходовая часть  
        • Подвеска автомобиля
        • Рама
        • Колеса и ступицы
        • Ось передняя
      • Механизмы управления  
        • Тормоза
        • Управление рулевое
      • Электрооборудование
    • Запчасти ММЗ
    • Ремни
  • Справочник
    • Грузовые автомобили
    • Автобусы
    • Сельхозтехника
    • Спецтехника
    • Двигатели
  • Как купить
    • Условия оплаты
    • Условия доставки
    • Гарантия на товар
    • Пункты выдачи
  • Услуги
    • Капитальный ремонт двигателей ЯМЗ
  • Акции
  • Статьи
  • Контакты
  • Компания
    • Реквизиты
    • Магазины
    • Оплата
    • Доставка
    • Лицензии и сертификаты
    • Новости
    • Вакансии
Избранное 0 Корзина 0
8-800-700-35-68

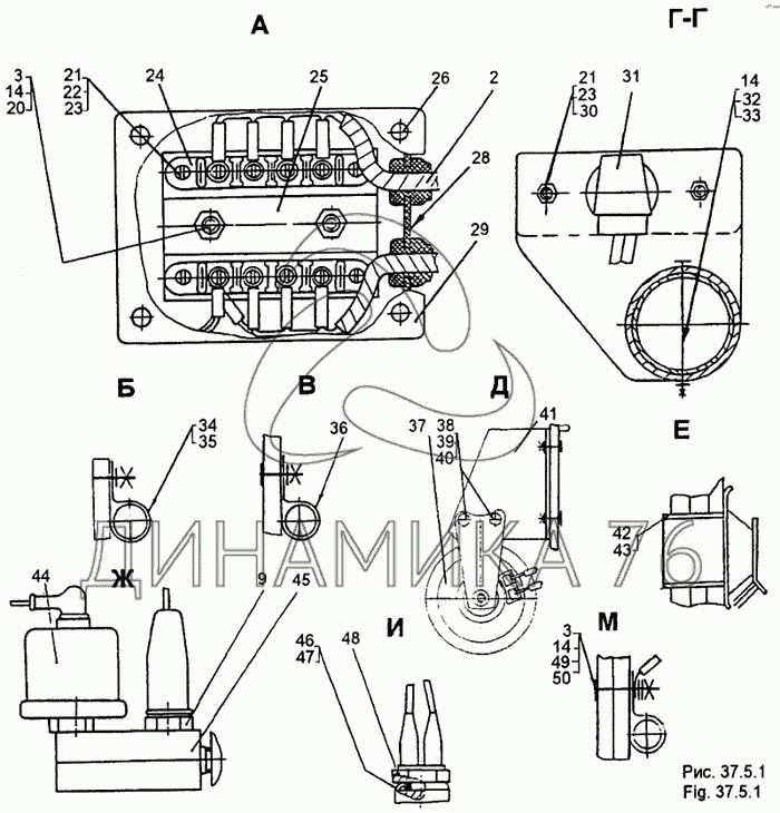
Установка электрооборудования на шасси на МЗКТ-65158 (до 1999 г.)

Справочник
Главная
-
Автокаталог
-
Грузовые автомобили и прицепы
-
МЗКТ
-
МЗКТ-65158
Справочный каталог

Установка электрооборудования на шасси — МЗКТ-65158:

3 9 14 20 21 22 22 23 24 25 26 27 28 29 30 31 32 33 34 35 36 38 39 40 41 42 43 44 45 46 47 48 48 49 50
в наличии
нет в наличии
масштаб

В наличии
Нет в наличии

Перечень комплектующих от Установка электрооборудования на шасси на МЗКТ-65158

Схемы запчастей предназначены для справочных целей! Мы продаем не все запчасти от Установка электрооборудования на шасси на МЗКТ-65158, представленные в этом списке.
Наличие на складах по деталям с ценой смотрите в карточке товара.
3
3
Артикул: 252134
нет в наличии
Шайба 6Т
Количество на схеме: 72
Информация
Шайба 6Т
Количество
72
Сборочная ед-ца
6515-3700010;
Покрытие
без покрытия
9
9
Артикул: ММ124В-3810600-0
нет в наличии
Датчик аварийного давления воздуха ММ124В-0
Количество на схеме: 3
Информация
Датчик аварийного давления воздуха ММ124В-0
Количество
3
Сборочная ед-ца
6515-3700010;
Модель
ММ124В
Группа
Приборы
Подгруппа
Манометры (указатель давления масла)
Порядковый номер детали
600
14
14
Артикул: 250508
нет в наличии
Гайка М6-6Н
Количество на схеме: 12
Информация
Гайка М6-6Н
Количество
12
Сборочная ед-ца
6515-3700010;
Покрытие
без покрытия
20
20
Артикул: 201422
нет в наличии
Болт М6-6gх25
Количество на схеме: 7
Информация
Болт М6-6gх25
Количество
7
Сборочная ед-ца
6515-3700010;
Покрытие
без покрытия
21
21
Артикул: 220080
нет в наличии
Винт М5-6gх16
Количество на схеме: 4
Информация
Винт М5-6gх16
Количество
4
Сборочная ед-ца
6515-3700010;
Покрытие
без покрытия
22
22
Артикул: 252003
нет в наличии
Шайба 5
Количество на схеме: 4
Информация
Шайба 5
Количество
4
Сборочная ед-ца
6515-3700010;
Покрытие
без покрытия
22
22
Артикул: 543-3506223
нет в наличии
Прокладка резиновая
Количество на схеме: 6
Информация
Прокладка резиновая
Количество
6
Сборочная ед-ца
6515-3700010;
Модель
543
Группа
Тормоза
Подгруппа
Трубопроводы пневмотормозов
Порядковый номер детали
223
23
23
Артикул: 252133
нет в наличии
Шайба 5Т
Количество на схеме: 12
Информация
Шайба 5Т
Количество
12
Сборочная ед-ца
6515-3700010;
Покрытие
без покрытия
24
24
Артикул: 16-3723000
нет в наличии
Панель соединительная 16.3723
Количество на схеме: 2
Информация
Панель соединительная 16.3723
Количество
2
Сборочная ед-ца
6515-3700010;
Модель
16
Группа
Электрооборудование
Подгруппа
Соединители электропроводов
Порядковый номер детали
000
25
25
Артикул: 8007-3723096
нет в наличии
Кронштейн
Количество на схеме: 1
Информация
Кронштейн
Количество
1
Сборочная ед-ца
6515-3700010;
Модель
8007
Группа
Электрооборудование
Подгруппа
Соединители электропроводов
Порядковый номер детали
096
26
26
Артикул: 6422-3724544
нет в наличии
Гайка
Количество на схеме: 4
Информация
Гайка
Количество
4
Сборочная ед-ца
6515-3700010;
Модель
6422
Группа
Электрооборудование
Подгруппа
Электропровода
Порядковый номер детали
544
27
27
Артикул: 200217
нет в наличии
Болт М6-6gх45
Количество на схеме: 4
Информация
Болт М6-6gх45
Количество
4
Сборочная ед-ца
6515-3700010;
Покрытие
без покрытия
28
28
Артикул: 64221-3724514
нет в наличии
Основание
Количество на схеме: 1
Информация
Основание
Количество
1
Сборочная ед-ца
6515-3700010;
Модель
64221
Группа
Электрооборудование
Подгруппа
Электропровода
Порядковый номер детали
514
29
29
Артикул: 6422-3724530
в наличии
Крышка
Количество на схеме: 1
Информация
Крышка
Количество
1
Сборочная ед-ца
6515-3700010;
Модель
6422
Группа
Электрооборудование
Подгруппа
Электропровода
Порядковый номер детали
530
Крышка МАЗ фонарей задних ОАО МАЗ
Артикул: 6422-3724530
Крышка МАЗ фонарей задних ОАО МАЗ
Код для заказа: 00037371
Цена: 350 ₽/шт.
Под заказ
Крышка МАЗ фонарей задних ОАО МАЗ
Артикул: 6422-3724530
Код для заказа: 00037371
Крышка МАЗ фонарей задних ОАО МАЗ
Цена: 350 ₽/шт.
Под заказ
30
30
Артикул: 250464
нет в наличии
Гайка М5-6Н
Количество на схеме: 8
Информация
Гайка М5-6Н
Количество
8
Сборочная ед-ца
6515-3700010;
Покрытие
без покрытия
31
31
Артикул: 69237-3731020
нет в наличии
Фонарь маркерный
Количество на схеме: 4
Информация
Фонарь маркерный
Количество
4
Сборочная ед-ца
6515-3700010;
Модель
69237
Группа
Электрооборудование
Подгруппа
Фонарь сигнальный
Порядковый номер детали
020
32
32
Артикул: 200222
нет в наличии
Болт М6-6gх65
Количество на схеме: 4
Информация
Болт М6-6gх65
Количество
4
Сборочная ед-ца
6515-3700010;
Покрытие
без покрытия
33
33
Артикул: 252263
нет в наличии
Шайба 6
Количество на схеме: 4
Информация
Шайба 6
Количество
4
Сборочная ед-ца
6515-3700010;
Покрытие
без покрытия
34
34
Артикул: 543-1804397
нет в наличии
Прокладка
Количество на схеме: 21
Информация
Прокладка
Количество
21
Сборочная ед-ца
6515-3700010;
Модель
543
Группа
Коробка раздаточная
Подгруппа
Привод управления механизмом переключения передач
Порядковый номер детали
397
35
35
Артикул: 379198
нет в наличии
Кляммер
Количество на схеме: 34
Информация
Кляммер
Количество
34
Сборочная ед-ца
6515-3700010;
Покрытие
без покрытия
36
36
Артикул: 543-3506226-А
нет в наличии
Прокладка резиновая Д4101.545
Количество на схеме: 28
Информация
Прокладка резиновая Д4101.545
Количество
28
Сборочная ед-ца
6515-3700010;
Модель
543
Группа
Тормоза
Подгруппа
Трубопроводы пневмотормозов
Порядковый номер детали
226
38
38
Артикул: 201456
нет в наличии
Болт М8-6gх20
Количество на схеме: 2
Информация
Болт М8-6gх20
Количество
2
Сборочная ед-ца
6515-3700010;
Покрытие
без покрытия
39
39
Артикул: 250510
нет в наличии
Гайка М8х1-6Н
Количество на схеме: 2
Информация
Гайка М8х1-6Н
Количество
2
Сборочная ед-ца
6515-3700010;
Покрытие
без покрытия
40
40
Артикул: 252135
нет в наличии
Шайба 8Т
Количество на схеме: 2
Информация
Шайба 8Т
Количество
2
Сборочная ед-ца
6515-3700010;
Покрытие
без покрытия
41
41
Артикул: 7908-3721020
нет в наличии
Кронштейн
Количество на схеме: 1
Информация
Кронштейн
Количество
1
Сборочная ед-ца
6515-3700010;
Модель
7908
Группа
Электрооборудование
Подгруппа
Сигналы звуковые
Порядковый номер детали
020
42
42
Артикул: 64221-3724406
нет в наличии
Хомут правый
Количество на схеме: 2
Информация
Хомут правый
Количество
2
Сборочная ед-ца
6515-3700010;
Модель
64221
Группа
Электрооборудование
Подгруппа
Электропровода
Порядковый номер детали
406
43
43
Артикул: 79092-3754104
нет в наличии
Прокладка
Количество на схеме: 2
Информация
Прокладка
Количество
2
Сборочная ед-ца
6515-3700010;
Модель
79092
Группа
Электрооборудование
Подгруппа
3754
Порядковый номер детали
104
44
44
Артикул: 18-3829010
в наличии
Датчик давления в пневмосистеме 18.3829
Количество на схеме: 2
Информация
Датчик давления в пневмосистеме 18.3829
Количество
2
Сборочная ед-ца
6515-3700010;
Модель
18
Группа
Приборы
Подгруппа
Датчик указателя давления масла
Порядковый номер детали
010
Датчик давления масла МАЗ,БЕЛАЗ,К-700,ПАЗ ПЕКАР
Артикул: 18-3829010
Датчик давления масла МАЗ,БЕЛАЗ,К-700,ПАЗ ПЕКАР
Код для заказа: 00029130
Цена: 683 ₽/шт.
Под заказ
Датчик давления масла МАЗ,БЕЛАЗ,К-700,ПАЗ ПЕКАР
Артикул: 18-3829010
Код для заказа: 00029130
Датчик давления масла МАЗ,БЕЛАЗ,К-700,ПАЗ ПЕКАР
Цена: 683 ₽/шт.
Под заказ
45
45
Артикул: 69237-3830040
нет в наличии
Переходник
Количество на схеме: 2
Информация
Переходник
Количество
2
Сборочная ед-ца
6515-3700010;
Модель
69237
Группа
Приборы
Подгруппа
Манометры
Порядковый номер детали
040
46
46
Артикул: 0000-1602722
нет в наличии
Кольцо 012-016-25-2-2
Количество на схеме: 5
Информация
Кольцо 012-016-25-2-2
Количество
5
Сборочная ед-ца
6515-3700010;
Модель
0000
Группа
Сцепление
Подгруппа
Педаль и привод управления сцеплением
Порядковый номер детали
722
47
47
Артикул: 375818
нет в наличии
Шайба 12
Количество на схеме: 5
Информация
Шайба 12
Количество
5
Сборочная ед-ца
6515-3700010;
Покрытие
без покрытия
48
48
Артикул: ММ125Д-3810000
нет в наличии
Включатель пневматического сигнала торможения
Количество на схеме: 5
Информация
Включатель пневматического сигнала торможения
Количество
5
Сборочная ед-ца
6515-3700010;
Модель
ММ125Д
Группа
Приборы
Подгруппа
Манометры (указатель давления масла)
Порядковый номер детали
000
48
48
Артикул: С314-3721000
нет в наличии
Сигнал звуковой С314
Количество на схеме: 1
Информация
Сигнал звуковой С314
Количество
1
Сборочная ед-ца
6515-3700010;
Модель
С314
Группа
Электрооборудование
Подгруппа
Сигналы звуковые
Порядковый номер детали
000
49
49
Артикул: 201424
нет в наличии
Болт М6-6gх30
Количество на схеме: 2
Информация
Болт М6-6gх30
Количество
2
Сборочная ед-ца
6515-3700010;
Покрытие
без покрытия
50
50
Артикул: 252004
нет в наличии
Шайба 6
Количество на схеме: 26
Информация
Шайба 6
Количество
26
Сборочная ед-ца
6515-3700010;
Покрытие
без покрытия
  • Грузовые автомобили
  • Автобусы
  • Сельхозтехника
  • Спецтехника
  • Двигатели
Получить оптовый прайс-лист
Скачать прайс-лист от 06.05.2026 16:00
Специальное предложение от 06.05.2026 17:00
Производители:


  • WEICHAI
  • Автодизель ПАО (ЯМЗ)
  • Тутаевский МЗ
  • ЯЗДА
  • УралАЗ
  • МАЗ
  • АЗПИ
  • BOSCH
  • ММЗ
  • ШААЗ
  • FEDERAL MOGUL
  • ПРАМО
  • Мотордеталь
  • ТАИМ
  • АвтоКрАЗ
  • БЕЛКАРД
  • CZ Strakonice
  • КамАЗ
  • БЗА
  • ЧМЗ
  • BMZ
Новости
Все новости
25 марта 2024
Флагманский седельный тягач «Валдай 45» на выставке «TransRussia»
10 марта 2024
Современные автобусы «CITYMAX 9» и ЛиАЗ-5292 CNG
25 февраля 2024
Серийное производство средних дизельных двигателей повышенной мощности от ЯМЗ
Статьи
Все статьи
Датчики двигателя: за что они отвечают, признаки неисправности и как не прогадать с выбором
Двигатели ЯМЗ-534: история, технические характеристики и области применения
Двигатели ЯМЗ 650: углублённый технический обзор и история
Компания
О компании
Реквизиты
Новости
Политика
Магазины
Информация
Условия оплаты
Условия доставки
Гарантия на товар
Обмен и возврат товара
Помощь
Как оформить заказ
Полезные статьи
Бренды
Пункты выдачи
Оставайтесь на связи
  • Вконтакте
  • YouTube
  • Одноклассники
  • Google Plus
Увидели ошибку?
Выделите, нажав Ctrl + Enter
Наши контакты
8-800-700-35-68
sales@din76.ru
г. Ярославль, Ленинградский пр-т 33, ТЦ "ОМЕГА"
2026 © ООО «Динамика 76» - Все права защищены ООО "Динамика 76"
Предложения на сайте не являются публичной офертой.
На сайте обнаружена ошибка

Текст с ошибкой