Избранное 0 Корзина 0 Личный кабинет
logo
Каталог
Каталог
  • Справочник
    • Грузовые автомобили
    • Автобусы
    • Сельхозтехника
    • Спецтехника
    • Двигатели
  • Доставка
  • Оплата
  • О компании
    • Реквизиты
    • Магазины
    • Оплата
    • Доставка
    • Лицензии и сертификаты
    • Новости
    • Вакансии
  • Контакты
Отправить заявку
Личный кабинет
8 (800) 700-35-68
sales@din76.ru
Избранное 0 Корзина 0
8 (800) 700-35-68
Оптовый прайс-лист
Каталог
  • Двигатели
  • Запчасти WEICHAI
  • Запчасти ЯМЗ, ТМЗ (V-образные)
  • Запчасти ЯМЗ-534, ЯМЗ-536
  • Запчасти ЯМЗ-650, ЯМЗ-651, DCi-11
  • Топливная аппаратура
  • Запчасти УРАЛ
  • Запчасти МАЗ
  • Запчасти КамАЗ
  • Запчасти ММЗ
  • Ремни
Автокаталог (справочник)
  • Доставка
  • Оплата
  • О компании
  • Контакты
8 (800) 700-35-68
Написать в Whatsapp
sales@din76.ru
Динамика 76
Меню  
  • Каталог
    • Двигатели  
      • Двигатели ТМЗ  
        • Двигатели ТМЗ для автомобилей
        • Двигатели ТМЗ для тракторов
        • Специальные двигатели ТМЗ
        • Промышленные двигатели ТМЗ
      • Двигатели ЯМЗ  
        • ЯМЗ 236
        • ЯМЗ 238
        • ЯМЗ 240
        • ЯМЗ 751
        • ЯМЗ 840
        • ЯМЗ 850
        • ЯМЗ 656
        • ЯМЗ 658
        • ЯМЗ 534
        • ЯМЗ 536
        • ЯМЗ 650
        • Двигатели ЯМЗ для электростанций
      • Двигатели КАМАЗ
      • Двигатели ММЗ
      • Двигатели индивидуальной сборки
      • Комплекты переоборудования
    • Запчасти WEICHAI  
      • Основные запчасти двигателя  
        • Клапаны и толкатели
        • Шатуны
        • Вал коленчатый и маховик
        • Вал распределительный
        • Цилиндро-поршневая группа
      • Система питания  
        • Форсунки
        • Турбокомпрессор
      • Система смазки  
        • Насос масляный
      • Головка блока
      • Ремкомплекты
      • Система охлаждения  
        • Насос водяной
        • Муфта вязкостная и крыльчатка
      • Фильтры
      • Электрооборудование  
        • Генератор
        • Стартер
    • Запчасти ЯМЗ, ТМЗ (V-образные)  
      • Основные запчасти двигателя  
        • Блок двигателя и комплектующие
        • Валы распределительные и клапаны
        • Головка блока и комплектующие
        • Цилиндро-поршневая группа
        • Маховики и комплектующие
        • Валы коленчатые и комплектующие
        • Шатуны и комплектующие
      • Система питания  
        • Коллекторы и патрубки
        • Топливные трубопроводы
        • Турбокомпрессор
        • Топливные фильтры
      • Электрооборудование двигателя
      • Система охлаждения  
        • Вязкостные муфты и крыльчатки
        • Приводы вентилятора
        • Водяные насосы
        • Водяные трубы и термостаты
      • Коробки переключения передач  
        • 8 Ступенчатые КПП
        • 5 Ступенчатые КПП
        • 9 Ступенчатые КПП
        • Запасные части КПП ЯМЗ, ТМЗ
      • Система смазки  
        • Теплообменник и комплектующие
        • Масляные насосы
        • Фильтры масляные (ФГОМ, ФЦОМ)
      • Сцепление  
        • Запасные части механизма сцепления
        • Муфты (подшипники выжимные)
        • Корзины (диски нажимные)
        • Диски ведомые
      • Прочие запчасти двигателя  
        • Ремкомплекты
        • Привод агрегатов
        • Натяжные устройства
        • Трубки
    • Запчасти ЯМЗ-534, ЯМЗ-536  
      • Основные запчасти двигателя  
        • Цилиндро-поршневая группа
        • Головка блока цилиндров и комплектующие
        • Блок цилиндров и комплектующие
        • Вал коленчатый и маховик
        • Вал распределительный
        • Клапаны и толкатели
        • ГУР (Гидроусилитель руля)
        • Система рециркуляции отработавших газов
        • Выпускной коллектор
      • Система питания  
        • Коллекторы и патрубки
        • Топливные фильтры
        • Турбокомпрессор
        • Топливные трубопроводы
      • Система смазки  
        • Масляный картер поддон
        • Масляный насос
        • Теплообменник /Водо-масляный радиатор
        • Фильтры масляные (ФГОМ, ФЦОМ)
      • Пневмокомпрессор и натяжное
      • Система охлаждения  
        • Водяной насос
        • Водяные трубы и патрубки
        • Муфты вязкостные, приводы, крыльчатки
      • Ремкомплекты
      • Сцепление
      • Электрооборудование
    • Запчасти ЯМЗ-650, ЯМЗ-651, DCi-11  
      • Основные запчасти двигателя  
        • Цилиндро-поршневая группа
        • Головка блока цилиндров и комплектующие
        • Блок цилиндров и комплектующие
        • Вал коленчатый и маховик
        • Выпускной коллектор
        • Вал распределительный
        • Клапаны и толкатели
        • ГУР (Гидроусилитель руля)
        • Система рециркуляции отработавших газов
      • Система питания  
        • Коллекторы и патрубки
        • Топливные трубопроводы
        • Топливные фильтры
        • Турбокомпрессор
      • Система смазки  
        • Масляный картер / поддон
        • Масляный насос
        • Теплообменник / Водо-масляный радиатор
        • Фильтры масляные (ФГОМ, ФЦОМ)
      • Система охлаждения  
        • Водяной насос
        • Водяные трубы и патрубки
        • Муфты вязкостные, приводы, крыльчатки
      • Ремкомплекты
      • Пневмокомпрессор и натяжное
      • Электрооборудование
      • Сцепление
    • Топливная аппаратура  
      • ЯЗДА  
        • Распылители
        • ТНВД
        • Форсунки
        • Топливный насос низкого давления
        • Пары плунжерные
        • Муфта опережения впрыска топлива
        • Запчасти и комплектующие ТНВД
      • НЗТА
      • АЗПИ  
        • Распылители
        • Форсунки
      • BOSCH
    • Запчасти УРАЛ  
      • Трансмиссия  
        • Коробка раздаточная
        • Передача карданная
        • Мост задний
        • Мост передний (ведущий)
        • Мост средний (промежуточный)
      • Кузов  
        • Дверь кабины
        • Капот, крылья, облицовка радиатора
        • Окно ветровое и заднее
        • Отопление и вентиляция кабины
        • Кабина
      • Механизмы управления  
        • Управление рулевое
        • Тормоза
      • Дополнительное оборудование  
        • Отбор мощности
        • Устройство седельное
      • Электрооборудование
      • Ходовая часть  
        • Колеса и ступицы
        • Ось передняя
        • Подвеска автомобиля
        • Рама
    • Запчасти МАЗ  
      • Трансмиссия  
        • Мост задний
        • Мост передний (ведущий)
        • Передача карданная
        • Мост средний (промежуточный)
      • Кузов  
        • Кабина
        • Дверь кабины
        • Детали основания кабины
        • Окно ветровое и заднее
        • Платформа
      • Механизмы управления  
        • Тормоза
        • Управление рулевое
      • Ходовая часть  
        • Колеса и ступицы
        • Ось передняя
        • Подвеска автомобиля
        • Рама
    • Запчасти КамАЗ  
      • Кузов  
        • Кабина
        • Капот, крылья, облицовка радиатора
        • Дверь кабины
        • Платформа
        • Окно ветровое и заднее
        • Устройство подъемное и опрокидывающее
        • Сиденье
        • Крыша кабины (крыша кузова)
        • Отопление и вентиляция кабины
      • Трансмиссия  
        • Коробка передач
        • Коробка раздаточная
        • Мост задний
        • Сцепление
        • Мост средний (промежуточный)
        • Передача карданная
        • Мост передний (ведущий)
      • Двигатель  
        • Основные запчасти двигателя
        • Система охлаждения
        • Система питания
        • Система смазки
      • Дополнительное оборудование  
        • Отбор мощности
        • Устройство седельное
      • Ходовая часть  
        • Подвеска автомобиля
        • Рама
        • Колеса и ступицы
        • Ось передняя
      • Механизмы управления  
        • Тормоза
        • Управление рулевое
      • Электрооборудование
    • Запчасти ММЗ
    • Ремни
  • Справочник
    • Грузовые автомобили
    • Автобусы
    • Сельхозтехника
    • Спецтехника
    • Двигатели
  • Как купить
    • Условия оплаты
    • Условия доставки
    • Гарантия на товар
    • Пункты выдачи
  • Услуги
    • Капитальный ремонт двигателей ЯМЗ
  • Акции
  • Статьи
  • Контакты
  • Компания
    • Реквизиты
    • Магазины
    • Оплата
    • Доставка
    • Лицензии и сертификаты
    • Новости
    • Вакансии
Избранное 0 Корзина 0
8-800-700-35-68

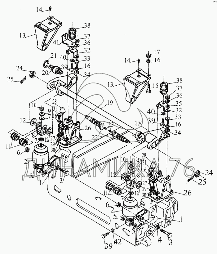
Переднее подрессоривание кабины на МАЗ-643068 (до 2003 г.)

Справочник
Главная
-
Автокаталог
-
Грузовые автомобили и прицепы
-
МАЗ
-
МАЗ-643068
Справочный каталог

Переднее подрессоривание кабины — МАЗ-643068:

1 1 2 2 3 3 4 4 5 5 5 6 6 7 7 7 7 8 8 9 9 10 10 11 11 12 12 12 12 13 13 14 14 15 16 16 16 16 16 17 18 19 20 21 22 23 24 24 25 25 26 26 27 27 28 28 29 29 30 30 31 31 32 32 33 33 34 34 35 36 36 37 37 38 38 39 39 39 40 40 41 42
в наличии
нет в наличии
масштаб

В наличии
Нет в наличии

Перечень комплектующих от Переднее подрессоривание кабины на МАЗ-643068

Схемы запчастей предназначены для справочных целей! Мы продаем не все запчасти от Переднее подрессоривание кабины на МАЗ-643068, представленные в этом списке.
Наличие на складах по деталям с ценой смотрите в карточке товара.
1
1
Артикул: 6430-5001754
в наличии
Кронштейн
Количество на схеме: 2
Информация
Кронштейн
Количество
2
Модель
6430
Группа
Кабина (Кузов)
Подгруппа
Крепление кабины (кузова)
Порядковый номер детали
754
Кронштейн МАЗ-6430,5440 крепления кабины ОАО МАЗ
Артикул: 6430-5001754
Кронштейн МАЗ-6430,5440 крепления кабины ОАО МАЗ
Код для заказа: 00036381
Цена: 505 ₽/шт.
Под заказ
Кронштейн МАЗ-6430,5440 крепления кабины ОАО МАЗ
Артикул: 6430-5001754
Код для заказа: 00036381
Кронштейн МАЗ-6430,5440 крепления кабины ОАО МАЗ
Цена: 505 ₽/шт.
Под заказ
2
2
Артикул: 72-1700-105-831
нет в наличии
Пневмогидроэлемент
Количество на схеме: 2
Информация
Пневмогидроэлемент
Количество
2
3
3
Артикул: 201600
нет в наличии
Болт М14-6gх85
Количество на схеме: 2
Информация
Болт М14-6gх85
Количество
2
Покрытие
без покрытия
4
4
Артикул: 252158
нет в наличии
Шайба 14Л
Количество на схеме: 2
Информация
Шайба 14Л
Количество
2
Покрытие
без покрытия
5
5
Артикул: 252016
нет в наличии
Шайба 14
Количество на схеме: 2
Информация
Шайба 14
Количество
2
Покрытие
без покрытия
6
6
Артикул: 250558
нет в наличии
Гайка М14-6Н
Количество на схеме: 2
Информация
Гайка М14-6Н
Количество
2
Покрытие
без покрытия
7
7
Артикул: 6430-5001706
в наличии
Опора
Количество на схеме: 2
Информация
Опора
Количество
2
Модель
6430
Группа
Кабина (Кузов)
Подгруппа
Крепление кабины (кузова)
Порядковый номер детали
706
Кронштейн МАЗ-6430,5440 пневмогидроэлемента передний (верхний)
Артикул: 6430-5001706
Кронштейн МАЗ-6430,5440 пневмогидроэлемента передний (верхний)
Код для заказа: 00036383
Цена: 2 635 ₽/шт.
Под заказ
Кронштейн МАЗ-6430,5440 пневмогидроэлемента передний (верхний)
Артикул: 6430-5001706
Код для заказа: 00036383
Кронштейн МАЗ-6430,5440 пневмогидроэлемента передний (верхний)
Цена: 2 635 ₽/шт.
Под заказ
Кронштейн МАЗ-6430,5440 пневмогидроэлемента передний (верхний) ОАО МАЗ
Артикул: 6430-5001706
Кронштейн МАЗ-6430,5440 пневмогидроэлемента передний (верхний) ОАО МАЗ
Код для заказа: 00036384
Цена: 2 635 ₽/шт.
Под заказ
Кронштейн МАЗ-6430,5440 пневмогидроэлемента передний (верхний) ОАО МАЗ
Артикул: 6430-5001706
Код для заказа: 00036384
Кронштейн МАЗ-6430,5440 пневмогидроэлемента передний (верхний) ОАО МАЗ
Цена: 2 635 ₽/шт.
Под заказ
8
8
Артикул: 6430-5001896
нет в наличии
Прокладка
Количество на схеме: 4
Информация
Прокладка
Количество
4
Модель
6430
Группа
Кабина (Кузов)
Подгруппа
Крепление кабины (кузова)
Порядковый номер детали
896
9
9
Артикул: 375853
нет в наличии
Шайба 12
Количество на схеме: 2
Информация
Шайба 12
Количество
2
Покрытие
без покрытия
10
10
Артикул: 250514
в наличии
Гайка М12-6Н
Количество на схеме: 2
Информация
Гайка М12-6Н
Количество
2
Покрытие
без покрытия
Гайка М12-6Н МАЗ ОСТ 37.001.124-75 ОАО МАЗ
Артикул: 250514
Гайка М12-6Н МАЗ ОСТ 37.001.124-75 ОАО МАЗ
Код для заказа: 00027437
Цена: 19 ₽/шт.
Под заказ
Гайка М12-6Н МАЗ ОСТ 37.001.124-75 ОАО МАЗ
Артикул: 250514
Код для заказа: 00027437
Гайка М12-6Н МАЗ ОСТ 37.001.124-75 ОАО МАЗ
Цена: 19 ₽/шт.
Под заказ
11
11
Артикул: 6430-5001742
в наличии
Втулка
Количество на схеме: 4
Информация
Втулка
Количество
4
Модель
6430
Группа
Кабина (Кузов)
Подгруппа
Крепление кабины (кузова)
Порядковый номер детали
742
Втулка МАЗ оси стабилизатора 28х44х32
Артикул: 6430-5001742
Втулка МАЗ оси стабилизатора 28х44х32
Код для заказа: 00026646
Цена: 52 ₽/шт.
Под заказ
Втулка МАЗ оси стабилизатора 28х44х32
Артикул: 6430-5001742
Код для заказа: 00026646
Втулка МАЗ оси стабилизатора 28х44х32
Цена: 52 ₽/шт.
Под заказ
12
12
Артикул: 6430-5001793
нет в наличии
Прокладка
Количество на схеме: 4
Информация
Прокладка
Количество
4
Модель
6430
Группа
Кабина (Кузов)
Подгруппа
Крепление кабины (кузова)
Порядковый номер детали
793
13
13
Артикул: 6430-5001012
в наличии
Кронштейн
Количество на схеме: 2
Информация
Кронштейн
Количество
2
Модель
6430
Группа
Кабина (Кузов)
Подгруппа
Крепление кабины (кузова)
Порядковый номер детали
012
Кронштейн МАЗ кабины (пневмо подвеска) ОАО МАЗ
Артикул: 6430-5001012
Кронштейн МАЗ кабины (пневмо подвеска) ОАО МАЗ
Код для заказа: 00036161
Цена: 8 375 ₽/шт.
Под заказ
Кронштейн МАЗ кабины (пневмо подвеска) ОАО МАЗ
Артикул: 6430-5001012
Код для заказа: 00036161
Кронштейн МАЗ кабины (пневмо подвеска) ОАО МАЗ
Цена: 8 375 ₽/шт.
Под заказ
14
14
Артикул: 6422-1001039
нет в наличии
Штырь направляющий
Количество на схеме: 2
Информация
Штырь направляющий
Количество
2
Модель
6422
Группа
Двигатель
Подгруппа
Подвеска двигателя (силового агрегата)
Порядковый номер детали
039
15
15
Артикул: 202119
нет в наличии
Болт
Количество на схеме: 8
Информация
Болт
Количество
8
Покрытие
без покрытия
16
16
Артикул: 252139
нет в наличии
Шайба 16.ОТ
Количество на схеме: 20
Информация
Шайба 16.ОТ
Количество
20
Покрытие
без покрытия
17
17
Артикул: 250560
нет в наличии
Гайка М16-6Н
Количество на схеме: 8
Информация
Гайка М16-6Н
Количество
8
Покрытие
без покрытия
18
18
Артикул: 6430-5001710
в наличии
Стабилизатор
Количество на схеме: 1
Информация
Стабилизатор
Количество
1
Модель
6430
Группа
Кабина (Кузов)
Подгруппа
Крепление кабины (кузова)
Порядковый номер детали
710
Стабилизатор МАЗ переднего подрессоривания кабины ОАО МАЗ
Артикул: 6430-5001710
Стабилизатор МАЗ переднего подрессоривания кабины ОАО МАЗ
Код для заказа: 00054933
Цена: 40 500 ₽/шт.
Под заказ
Стабилизатор МАЗ переднего подрессоривания кабины ОАО МАЗ
Артикул: 6430-5001710
Код для заказа: 00054933
Стабилизатор МАЗ переднего подрессоривания кабины ОАО МАЗ
Цена: 40 500 ₽/шт.
Под заказ
19
19
Артикул: 6430-5001714
в наличии
Стабилизатор
Количество на схеме: 1
Информация
Стабилизатор
Количество
1
Модель
6430
Группа
Кабина (Кузов)
Подгруппа
Крепление кабины (кузова)
Порядковый номер детали
714
Стабилизатор МАЗ переднего подрессоривания кабины ОАО МАЗ
Артикул: 6430-5001714
Стабилизатор МАЗ переднего подрессоривания кабины ОАО МАЗ
Код для заказа: 00054934
Цена: 29 250 ₽/шт.
Под заказ
Стабилизатор МАЗ переднего подрессоривания кабины ОАО МАЗ
Артикул: 6430-5001714
Код для заказа: 00054934
Стабилизатор МАЗ переднего подрессоривания кабины ОАО МАЗ
Цена: 29 250 ₽/шт.
Под заказ
20
20
Артикул: 64226-5001723
в наличии
Опора задняя
Количество на схеме: 2
Информация
Опора задняя
Количество
2
Модель
64226
Группа
Кабина (Кузов)
Подгруппа
Крепление кабины (кузова)
Порядковый номер детали
723
Опора МАЗ кабины стабилизатора БРТИ
Артикул: 64226-5001723
Опора МАЗ кабины стабилизатора БРТИ
Код для заказа: 00010351
Цена: 2 871 ₽/шт.
Под заказ
Опора МАЗ кабины стабилизатора БРТИ
Артикул: 64226-5001723
Код для заказа: 00010351
Опора МАЗ кабины стабилизатора БРТИ
Цена: 2 871 ₽/шт.
Под заказ
21
21
Артикул: 400457
в наличии
Кольцо УБ 65
Количество на схеме: 2
Информация
Кольцо УБ 65
Количество
2
Покрытие
без покрытия
Кольцо МАЗ стопорное стабилизатора УБ65 ОАО МАЗ
Артикул: 400457
Кольцо МАЗ стопорное стабилизатора УБ65 ОАО МАЗ
Код для заказа: 00033765
Цена: 256 ₽/шт.
Под заказ
Кольцо МАЗ стопорное стабилизатора УБ65 ОАО МАЗ
Артикул: 400457
Код для заказа: 00033765
Кольцо МАЗ стопорное стабилизатора УБ65 ОАО МАЗ
Цена: 256 ₽/шт.
Под заказ
22
22
Артикул: 6430-5001722
в наличии
Ось
Количество на схеме: 2
Информация
Ось
Количество
2
Модель
6430
Группа
Кабина (Кузов)
Подгруппа
Крепление кабины (кузова)
Порядковый номер детали
722
Ось МАЗ крепления стабилизатора с гайкой
Артикул: 6430-5001722
Ось МАЗ крепления стабилизатора с гайкой
Код для заказа: 00041864
Цена: 2 034 ₽/шт.
Под заказ
Ось МАЗ крепления стабилизатора с гайкой
Артикул: 6430-5001722
Код для заказа: 00041864
Ось МАЗ крепления стабилизатора с гайкой
Цена: 2 034 ₽/шт.
Под заказ
23
23
Артикул: 264020
нет в наличии
Масленка 1.3.Ц6хр
Количество на схеме: 2
Информация
Масленка 1.3.Ц6хр
Количество
2
Покрытие
без покрытия
24
24
Артикул: 250979
в наличии
Гайка М16х1,5-6Н
Количество на схеме: 2
Информация
Гайка М16х1,5-6Н
Количество
2
Покрытие
без покрытия
Гайка МАЗ оси стабилизатора ОАО МАЗ
Артикул: 250979
Гайка МАЗ оси стабилизатора ОАО МАЗ
Код для заказа: 00027695
Цена: 78 ₽/шт.
Под заказ
Гайка МАЗ оси стабилизатора ОАО МАЗ
Артикул: 250979
Код для заказа: 00027695
Гайка МАЗ оси стабилизатора ОАО МАЗ
Цена: 78 ₽/шт.
Под заказ
25
25
Артикул: 258053
нет в наличии
Шплинт 4х25
Количество на схеме: 2
Информация
Шплинт 4х25
Количество
2
Покрытие
без покрытия
26
26
Артикул: 6430-5001720
в наличии
Опора
Количество на схеме: 2
Информация
Опора
Количество
2
Модель
6430
Группа
Кабина (Кузов)
Подгруппа
Крепление кабины (кузова)
Порядковый номер детали
720
Кронштейн МАЗ кабины (пневмо подвеска) ОАО МАЗ
Артикул: 6430-5001720
Кронштейн МАЗ кабины (пневмо подвеска) ОАО МАЗ
Код для заказа: 00036162
Цена: 8 613 ₽/шт.
Под заказ
Кронштейн МАЗ кабины (пневмо подвеска) ОАО МАЗ
Артикул: 6430-5001720
Код для заказа: 00036162
Кронштейн МАЗ кабины (пневмо подвеска) ОАО МАЗ
Цена: 8 613 ₽/шт.
Под заказ
27
27
Артикул: 6430-5001892
в наличии
Кронштейн
Количество на схеме: 2
Информация
Кронштейн
Количество
2
Модель
6430
Группа
Кабина (Кузов)
Подгруппа
Крепление кабины (кузова)
Порядковый номер детали
892
Кронштейн МАЗ-6430,5440 кабины в сборе ОАО МАЗ
Артикул: 6430-5001892
Кронштейн МАЗ-6430,5440 кабины в сборе ОАО МАЗ
Код для заказа: 00036380
Цена: 769 ₽/шт.
Под заказ
Кронштейн МАЗ-6430,5440 кабины в сборе ОАО МАЗ
Артикул: 6430-5001892
Код для заказа: 00036380
Кронштейн МАЗ-6430,5440 кабины в сборе ОАО МАЗ
Цена: 769 ₽/шт.
Под заказ
28
28
Артикул: 5336-5001840
в наличии
Буфер
Количество на схеме: 2
Информация
Буфер
Количество
2
Модель
5336
Группа
Кабина (Кузов)
Подгруппа
Крепление кабины (кузова)
Порядковый номер детали
840
Буфер МАЗ заднего подрессоривания кабины ОАО МАЗ
Артикул: 5336-5001840
Буфер МАЗ заднего подрессоривания кабины ОАО МАЗ
Код для заказа: 00023560
Цена: 404 ₽/шт.
Под заказ
Буфер МАЗ заднего подрессоривания кабины ОАО МАЗ
Артикул: 5336-5001840
Код для заказа: 00023560
Буфер МАЗ заднего подрессоривания кабины ОАО МАЗ
Цена: 404 ₽/шт.
Под заказ
29
29
Артикул: 252155
нет в наличии
Шайба 8Л
Количество на схеме: 2
Информация
Шайба 8Л
Количество
2
Покрытие
без покрытия
30
30
Артикул: 250510
нет в наличии
Гайка М8-6Н
Количество на схеме: 2
Информация
Гайка М8-6Н
Количество
2
Покрытие
без покрытия
31
31
Артикул: 372592
нет в наличии
Болт М16х1,5-6gх35
Количество на схеме: 8
Информация
Болт М16х1,5-6gх35
Количество
8
Покрытие
без покрытия
32
32
Артикул: 6430-5001768
в наличии
Кронштейн
Количество на схеме: 2
Информация
Кронштейн
Количество
2
Модель
6430
Группа
Кабина (Кузов)
Подгруппа
Крепление кабины (кузова)
Порядковый номер детали
768
Кронштейн МАЗ крепления отбойника кабины ОАО МАЗ
Артикул: 6430-5001768
Кронштейн МАЗ крепления отбойника кабины ОАО МАЗ
Код для заказа: 00036203
Цена: 205 ₽/шт.
Под заказ
Кронштейн МАЗ крепления отбойника кабины ОАО МАЗ
Артикул: 6430-5001768
Код для заказа: 00036203
Кронштейн МАЗ крепления отбойника кабины ОАО МАЗ
Цена: 205 ₽/шт.
Под заказ
33
33
Артикул: 6430-5001894
в наличии
Фиксатор
Количество на схеме: 4
Информация
Фиксатор
Количество
4
Модель
6430
Группа
Кабина (Кузов)
Подгруппа
Крепление кабины (кузова)
Порядковый номер детали
894
Фиксатор МАЗ шарнира кабины ОАО МАЗ
Артикул: 6430-5001894
Фиксатор МАЗ шарнира кабины ОАО МАЗ
Код для заказа: 00060582
Цена: 296 ₽/шт.
Под заказ
Фиксатор МАЗ шарнира кабины ОАО МАЗ
Артикул: 6430-5001894
Код для заказа: 00060582
Фиксатор МАЗ шарнира кабины ОАО МАЗ
Цена: 296 ₽/шт.
Под заказ
34
34
Артикул: 252017
нет в наличии
Шайба 16
Количество на схеме: 4
Информация
Шайба 16
Количество
4
Покрытие
без покрытия
35
35
Артикул: 252006
нет в наличии
Шайба 10
Количество на схеме: 4
Информация
Шайба 10
Количество
4
Покрытие
без покрытия
36
36
Артикул: 252136
нет в наличии
Шайба 10.ОТ
Количество на схеме: 4
Информация
Шайба 10.ОТ
Количество
4
Покрытие
без покрытия
37
37
Артикул: 250512
в наличии
Гайка М10-6Н
Количество на схеме: 4
Информация
Гайка М10-6Н
Количество
4
Покрытие
без покрытия
Гайка М10-6Н МАЗ ОСТ 37.001.124-96 омедненная усиленная
Артикул: 250512
Гайка М10-6Н МАЗ ОСТ 37.001.124-96 омедненная усиленная
Код для заказа: 00027392
Цена: 5 ₽/шт.
В наличии: 14 шт.
- +
В корзинуВ корзине
Гайка М10-6Н МАЗ ОСТ 37.001.124-96 омедненная усиленная
Артикул: 250512
Код для заказа: 00027392
Гайка М10-6Н МАЗ ОСТ 37.001.124-96 омедненная усиленная
Цена: 5 ₽/шт.
В наличии: 14 шт.
- +
В корзинуВ корзине
38
38
Артикул: 5336-5001766-01
нет в наличии
Буфер
Количество на схеме: 2
Информация
Буфер
Количество
2
Модель
5336
Группа
Кабина (Кузов)
Подгруппа
Крепление кабины (кузова)
Порядковый номер детали
766
39
39
Артикул: 201538
нет в наличии
Болт М12-6gх25
Количество на схеме: 6
Информация
Болт М12-6gх25
Количество
6
Покрытие
без покрытия
40
40
Артикул: 252137
нет в наличии
Шайба 12.ОТ
Количество на схеме: 2
Информация
Шайба 12.ОТ
Количество
2
Покрытие
без покрытия
41
41
Артикул: 6430-5001302
в наличии
Кронштейн
Количество на схеме: 1
Информация
Кронштейн
Количество
1
Модель
6430
Группа
Кабина (Кузов)
Подгруппа
Крепление кабины (кузова)
Порядковый номер детали
302
Кронштейн МАЗ регулятора пола кабины ОАО МАЗ
Артикул: 6430-5001302
Кронштейн МАЗ регулятора пола кабины ОАО МАЗ
Код для заказа: 00036279
Цена: 199 ₽/шт.
Под заказ
Кронштейн МАЗ регулятора пола кабины ОАО МАЗ
Артикул: 6430-5001302
Код для заказа: 00036279
Кронштейн МАЗ регулятора пола кабины ОАО МАЗ
Цена: 199 ₽/шт.
Под заказ
42
42
Артикул: 252157
нет в наличии
Шайба 124
Количество на схеме: 4
Информация
Шайба 124
Количество
4
Покрытие
без покрытия
  • Грузовые автомобили
  • Автобусы
  • Сельхозтехника
  • Спецтехника
  • Двигатели
Получить оптовый прайс-лист
Скачать прайс-лист от 07.05.2026 16:00
Специальное предложение от 07.05.2026 17:00
Производители:


  • WEICHAI
  • Автодизель ПАО (ЯМЗ)
  • Тутаевский МЗ
  • ЯЗДА
  • УралАЗ
  • МАЗ
  • АЗПИ
  • BOSCH
  • ММЗ
  • ШААЗ
  • FEDERAL MOGUL
  • ПРАМО
  • Мотордеталь
  • ТАИМ
  • АвтоКрАЗ
  • БЕЛКАРД
  • CZ Strakonice
  • КамАЗ
  • БЗА
  • ЧМЗ
  • BMZ
Новости
Все новости
25 марта 2024
Флагманский седельный тягач «Валдай 45» на выставке «TransRussia»
10 марта 2024
Современные автобусы «CITYMAX 9» и ЛиАЗ-5292 CNG
25 февраля 2024
Серийное производство средних дизельных двигателей повышенной мощности от ЯМЗ
Статьи
Все статьи
Датчики двигателя: за что они отвечают, признаки неисправности и как не прогадать с выбором
Двигатели ЯМЗ-534: история, технические характеристики и области применения
Двигатели ЯМЗ 650: углублённый технический обзор и история
Компания
О компании
Реквизиты
Новости
Политика
Магазины
Информация
Условия оплаты
Условия доставки
Гарантия на товар
Обмен и возврат товара
Помощь
Как оформить заказ
Полезные статьи
Бренды
Пункты выдачи
Оставайтесь на связи
  • Вконтакте
  • YouTube
  • Одноклассники
  • Google Plus
Увидели ошибку?
Выделите, нажав Ctrl + Enter
Наши контакты
8-800-700-35-68
sales@din76.ru
г. Ярославль, Ленинградский пр-т 33, ТЦ "ОМЕГА"
2026 © ООО «Динамика 76» - Все права защищены ООО "Динамика 76"
Предложения на сайте не являются публичной офертой.
На сайте обнаружена ошибка

Текст с ошибкой