Избранное 0 Корзина 0 Личный кабинет
logo
Каталог
Каталог
  • Справочник
    • Грузовые автомобили
    • Автобусы
    • Сельхозтехника
    • Спецтехника
    • Двигатели
  • Доставка
  • Оплата
  • О компании
    • Реквизиты
    • Магазины
    • Оплата
    • Доставка
    • Лицензии и сертификаты
    • Новости
    • Вакансии
  • Контакты
Отправить заявку
Личный кабинет
8 (800) 700-35-68
sales@din76.ru
Избранное 0 Корзина 0
8 (800) 700-35-68
Оптовый прайс-лист
Каталог
  • Двигатели
  • Запчасти WEICHAI
  • Запчасти ЯМЗ, ТМЗ (V-образные)
  • Запчасти ЯМЗ-534, ЯМЗ-536
  • Запчасти ЯМЗ-650, ЯМЗ-651, DCi-11
  • Топливная аппаратура
  • Запчасти УРАЛ
  • Запчасти МАЗ
  • Запчасти КамАЗ
  • Запчасти ММЗ
  • Ремни
Автокаталог (справочник)
  • Доставка
  • Оплата
  • О компании
  • Контакты
8 (800) 700-35-68
Написать в Whatsapp
sales@din76.ru
Динамика 76
Меню  
  • Каталог
    • Двигатели  
      • Двигатели ТМЗ  
        • Двигатели ТМЗ для автомобилей
        • Двигатели ТМЗ для тракторов
        • Специальные двигатели ТМЗ
        • Промышленные двигатели ТМЗ
      • Двигатели ЯМЗ  
        • ЯМЗ 236
        • ЯМЗ 238
        • ЯМЗ 240
        • ЯМЗ 751
        • ЯМЗ 840
        • ЯМЗ 850
        • ЯМЗ 656
        • ЯМЗ 658
        • ЯМЗ 534
        • ЯМЗ 536
        • ЯМЗ 650
        • Двигатели ЯМЗ для электростанций
      • Двигатели КАМАЗ
      • Двигатели ММЗ
      • Двигатели индивидуальной сборки
      • Комплекты переоборудования
    • Запчасти WEICHAI  
      • Основные запчасти двигателя  
        • Клапаны и толкатели
        • Шатуны
        • Вал коленчатый и маховик
        • Вал распределительный
        • Цилиндро-поршневая группа
      • Система питания  
        • Форсунки
        • Турбокомпрессор
      • Система смазки  
        • Насос масляный
      • Головка блока
      • Ремкомплекты
      • Система охлаждения  
        • Насос водяной
        • Муфта вязкостная и крыльчатка
      • Фильтры
      • Электрооборудование  
        • Генератор
        • Стартер
    • Запчасти ЯМЗ, ТМЗ (V-образные)  
      • Основные запчасти двигателя  
        • Блок двигателя и комплектующие
        • Валы распределительные и клапаны
        • Головка блока и комплектующие
        • Цилиндро-поршневая группа
        • Маховики и комплектующие
        • Валы коленчатые и комплектующие
        • Шатуны и комплектующие
      • Система питания  
        • Коллекторы и патрубки
        • Топливные трубопроводы
        • Турбокомпрессор
        • Топливные фильтры
      • Электрооборудование двигателя
      • Система охлаждения  
        • Вязкостные муфты и крыльчатки
        • Приводы вентилятора
        • Водяные насосы
        • Водяные трубы и термостаты
      • Коробки переключения передач  
        • 8 Ступенчатые КПП
        • 5 Ступенчатые КПП
        • 9 Ступенчатые КПП
        • Запасные части КПП ЯМЗ, ТМЗ
      • Система смазки  
        • Теплообменник и комплектующие
        • Масляные насосы
        • Фильтры масляные (ФГОМ, ФЦОМ)
      • Сцепление  
        • Запасные части механизма сцепления
        • Муфты (подшипники выжимные)
        • Корзины (диски нажимные)
        • Диски ведомые
      • Прочие запчасти двигателя  
        • Ремкомплекты
        • Привод агрегатов
        • Натяжные устройства
        • Трубки
    • Запчасти ЯМЗ-534, ЯМЗ-536  
      • Основные запчасти двигателя  
        • Цилиндро-поршневая группа
        • Головка блока цилиндров и комплектующие
        • Блок цилиндров и комплектующие
        • Вал коленчатый и маховик
        • Вал распределительный
        • Клапаны и толкатели
        • ГУР (Гидроусилитель руля)
        • Система рециркуляции отработавших газов
        • Выпускной коллектор
      • Система питания  
        • Коллекторы и патрубки
        • Топливные фильтры
        • Турбокомпрессор
        • Топливные трубопроводы
      • Система смазки  
        • Масляный картер поддон
        • Масляный насос
        • Теплообменник /Водо-масляный радиатор
        • Фильтры масляные (ФГОМ, ФЦОМ)
      • Пневмокомпрессор и натяжное
      • Система охлаждения  
        • Водяной насос
        • Водяные трубы и патрубки
        • Муфты вязкостные, приводы, крыльчатки
      • Ремкомплекты
      • Сцепление
      • Электрооборудование
    • Запчасти ЯМЗ-650, ЯМЗ-651, DCi-11  
      • Основные запчасти двигателя  
        • Цилиндро-поршневая группа
        • Головка блока цилиндров и комплектующие
        • Блок цилиндров и комплектующие
        • Вал коленчатый и маховик
        • Выпускной коллектор
        • Вал распределительный
        • Клапаны и толкатели
        • ГУР (Гидроусилитель руля)
        • Система рециркуляции отработавших газов
      • Система питания  
        • Коллекторы и патрубки
        • Топливные трубопроводы
        • Топливные фильтры
        • Турбокомпрессор
      • Система смазки  
        • Масляный картер / поддон
        • Масляный насос
        • Теплообменник / Водо-масляный радиатор
        • Фильтры масляные (ФГОМ, ФЦОМ)
      • Система охлаждения  
        • Водяной насос
        • Водяные трубы и патрубки
        • Муфты вязкостные, приводы, крыльчатки
      • Ремкомплекты
      • Пневмокомпрессор и натяжное
      • Электрооборудование
      • Сцепление
    • Топливная аппаратура  
      • ЯЗДА  
        • Распылители
        • ТНВД
        • Форсунки
        • Топливный насос низкого давления
        • Пары плунжерные
        • Муфта опережения впрыска топлива
        • Запчасти и комплектующие ТНВД
      • НЗТА
      • АЗПИ  
        • Распылители
        • Форсунки
      • BOSCH
    • Запчасти УРАЛ  
      • Трансмиссия  
        • Коробка раздаточная
        • Передача карданная
        • Мост задний
        • Мост передний (ведущий)
        • Мост средний (промежуточный)
      • Кузов  
        • Дверь кабины
        • Капот, крылья, облицовка радиатора
        • Окно ветровое и заднее
        • Отопление и вентиляция кабины
        • Кабина
      • Механизмы управления  
        • Управление рулевое
        • Тормоза
      • Дополнительное оборудование  
        • Отбор мощности
        • Устройство седельное
      • Электрооборудование
      • Ходовая часть  
        • Колеса и ступицы
        • Ось передняя
        • Подвеска автомобиля
        • Рама
    • Запчасти МАЗ  
      • Трансмиссия  
        • Мост задний
        • Мост передний (ведущий)
        • Передача карданная
        • Мост средний (промежуточный)
      • Кузов  
        • Кабина
        • Дверь кабины
        • Детали основания кабины
        • Окно ветровое и заднее
        • Платформа
      • Механизмы управления  
        • Тормоза
        • Управление рулевое
      • Ходовая часть  
        • Колеса и ступицы
        • Ось передняя
        • Подвеска автомобиля
        • Рама
    • Запчасти КамАЗ  
      • Кузов  
        • Кабина
        • Капот, крылья, облицовка радиатора
        • Дверь кабины
        • Платформа
        • Окно ветровое и заднее
        • Устройство подъемное и опрокидывающее
        • Сиденье
        • Крыша кабины (крыша кузова)
        • Отопление и вентиляция кабины
      • Трансмиссия  
        • Коробка передач
        • Коробка раздаточная
        • Мост задний
        • Сцепление
        • Мост средний (промежуточный)
        • Передача карданная
        • Мост передний (ведущий)
      • Двигатель  
        • Основные запчасти двигателя
        • Система охлаждения
        • Система питания
        • Система смазки
      • Дополнительное оборудование  
        • Отбор мощности
        • Устройство седельное
      • Ходовая часть  
        • Подвеска автомобиля
        • Рама
        • Колеса и ступицы
        • Ось передняя
      • Механизмы управления  
        • Тормоза
        • Управление рулевое
      • Электрооборудование
    • Запчасти ММЗ
    • Ремни
  • Справочник
    • Грузовые автомобили
    • Автобусы
    • Сельхозтехника
    • Спецтехника
    • Двигатели
  • Как купить
    • Условия оплаты
    • Условия доставки
    • Гарантия на товар
    • Пункты выдачи
  • Услуги
    • Капитальный ремонт двигателей ЯМЗ
  • Акции
  • Статьи
  • Контакты
  • Компания
    • Реквизиты
    • Магазины
    • Оплата
    • Доставка
    • Лицензии и сертификаты
    • Новости
    • Вакансии
Избранное 0 Корзина 0
8-800-700-35-68

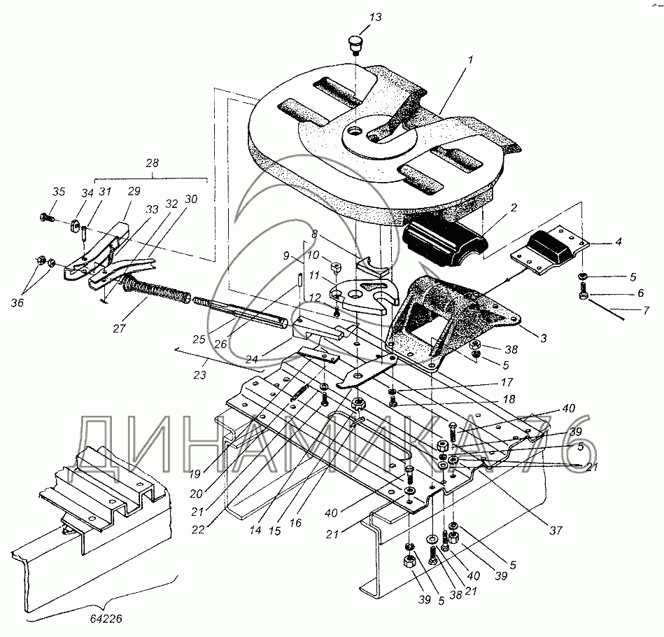
Устройство седельное с подставкой на МАЗ-64226 (до 2000 г.)

Справочник
Главная
-
Автокаталог
-
Грузовые автомобили и прицепы
-
МАЗ
-
МАЗ-64226
Справочный каталог

Устройство седельное с подставкой — МАЗ-64226:

1 2 3 4 5 5 5 5 5 6 7 8 9 10 11 12 13 14 15 16 17 18 19 20 21 21 21 21 22 23 24 25 26 27 28 29 30 31 32 33 34 35 36 37 38 38 39 39 39 40 40 40
в наличии
нет в наличии
масштаб

В наличии
Нет в наличии

Перечень комплектующих от Устройство седельное с подставкой на МАЗ-64226

Схемы запчастей предназначены для справочных целей! Мы продаем не все запчасти от Устройство седельное с подставкой на МАЗ-64226, представленные в этом списке.
Наличие на складах по деталям с ценой смотрите в карточке товара.
1
1
Артикул: 64221-2702030-01
нет в наличии
Седло
Количество на схеме: 1
Информация
Седло
Количество
1
782510;
Модель
64221
Группа
Устройство седельное
Подгруппа
Устройство седельное
Порядковый номер детали
030
2
2
Артикул: 64221-2702090
нет в наличии
Подушка
Количество на схеме: 2
Информация
Подушка
Количество
2
782511;
Модель
64221
Группа
Устройство седельное
Подгруппа
Устройство седельное
Порядковый номер детали
090
3
3
Артикул: 64221-2702071
в наличии
Кронштейн
Количество на схеме: 2
Информация
Кронштейн
Количество
2
782512;
Модель
64221
Группа
Устройство седельное
Подгруппа
Устройство седельное
Порядковый номер детали
071
Кронштейн МАЗ устройства седельного (лапа 6 отверстий) ТАИМ
Артикул: 64221-2702071
Кронштейн МАЗ устройства седельного (лапа 6 отверстий) ТАИМ
Код для заказа: 00036330
Цена: 11 875 ₽/шт.
Под заказ
Кронштейн МАЗ устройства седельного (лапа 6 отверстий) ТАИМ
Артикул: 64221-2702071
Код для заказа: 00036330
Кронштейн МАЗ устройства седельного (лапа 6 отверстий) ТАИМ
Цена: 11 875 ₽/шт.
Под заказ
4
4
Артикул: 64221-2702056
нет в наличии
Кронштейн
Количество на схеме: 2
Информация
Кронштейн
Количество
2
782513;
Модель
64221
Группа
Устройство седельное
Подгруппа
Устройство седельное
Порядковый номер детали
056
5
5
Артикул: 252139
нет в наличии
Шайба 16.ОТ
Количество на схеме: 25
Информация
Шайба 16.ОТ
Количество
25
782514;
Покрытие
без покрытия
6
6
Артикул: 372703
нет в наличии
Болт 3М16-6hх45
Количество на схеме: 1
Информация
Болт 3М16-6hх45
Количество
1
782515;
Покрытие
без покрытия
7
7
Артикул: 258286
нет в наличии
Шплинт 1,6х300
Количество на схеме: 4
Информация
Шплинт 1,6х300
Количество
4
782516;
Покрытие
без покрытия
8
8
Артикул: 64221-2703016
нет в наличии
Захват передний
Количество на схеме: 1
Информация
Захват передний
Количество
1
782517;
Модель
64221
Группа
Устройство седельное
Подгруппа
Механизм сцепной седельного устройства
Порядковый номер детали
016
9
9
Артикул: 64221-2703015
нет в наличии
Захват задний
Количество на схеме: 1
Информация
Захват задний
Количество
1
782518;
Модель
64221
Группа
Устройство седельное
Подгруппа
Механизм сцепной седельного устройства
Порядковый номер детали
015
10
10
Артикул: 64221-2703020
нет в наличии
Опора
Количество на схеме: 1
Информация
Опора
Количество
1
782519;
Модель
64221
Группа
Устройство седельное
Подгруппа
Механизм сцепной седельного устройства
Порядковый номер детали
020
11
11
Артикул: 64221-2703017
нет в наличии
Захват задний
Количество на схеме: 1
Информация
Захват задний
Количество
1
782520;
Модель
64221
Группа
Устройство седельное
Подгруппа
Механизм сцепной седельного устройства
Порядковый номер детали
017
12
12
Артикул: 201495
нет в наличии
Болт М10-6gх20
Количество на схеме: 1
Информация
Болт М10-6gх20
Количество
1
782521;
Покрытие
без покрытия
13
13
Артикул: 64221-2704125
нет в наличии
Палец
Количество на схеме: 1
Информация
Палец
Количество
1
782522;
Модель
64221
Группа
Устройство седельное
Подгруппа
2704
Порядковый номер детали
125
14
14
Артикул: 64221-2703156
нет в наличии
Крышка
Количество на схеме: 1
Информация
Крышка
Количество
1
782523;
Модель
64221
Группа
Устройство седельное
Подгруппа
Механизм сцепной седельного устройства
Порядковый номер детали
156
15
15
Артикул: 250910
нет в наличии
Гайка М24х2-5Н6Н
Количество на схеме: 1
Информация
Гайка М24х2-5Н6Н
Количество
1
782524;
Покрытие
без покрытия
16
16
Артикул: 258071
нет в наличии
Шплинт 5х45
Количество на схеме: 1
Информация
Шплинт 5х45
Количество
1
782525;
Покрытие
без покрытия
17
17
Артикул: 252138
нет в наличии
Шайба 14.ОТ
Количество на схеме: 1
Информация
Шайба 14.ОТ
Количество
1
782526;
Покрытие
без покрытия
18
18
Артикул: 201585
нет в наличии
Болт М14-6gх30
Количество на схеме: 1
Информация
Болт М14-6gх30
Количество
1
782527;
Покрытие
без покрытия
19
19
Артикул: 64221-2704138
нет в наличии
Защелка
Количество на схеме: 1
Информация
Защелка
Количество
1
782528;
Модель
64221
Группа
Устройство седельное
Подгруппа
2704
Порядковый номер детали
138
20
20
Артикул: 200В-2703033
нет в наличии
Пружина
Количество на схеме: 1
Информация
Пружина
Количество
1
782529;
Модель
200В
Группа
Устройство седельное
Подгруппа
Механизм сцепной седельного устройства
Порядковый номер детали
033
21
21
Артикул: 252017
нет в наличии
Шайба 16
Количество на схеме: 25
Информация
Шайба 16
Количество
25
782530;
Покрытие
без покрытия
22
22
Артикул: 372179
нет в наличии
Болт М14-6hх25
Количество на схеме: 1
Информация
Болт М14-6hх25
Количество
1
782531;
Покрытие
без покрытия
23
23
Артикул: 64221-2703028
нет в наличии
Кулак
Количество на схеме: 1
Информация
Кулак
Количество
1
782532;
Модель
64221
Группа
Устройство седельное
Подгруппа
Механизм сцепной седельного устройства
Порядковый номер детали
028
24
24
Артикул: 64221-2703029
в наличии
Кулак
Количество на схеме: 1
Информация
Кулак
Количество
1
782533;
Модель
64221
Группа
Устройство седельное
Подгруппа
Механизм сцепной седельного устройства
Порядковый номер детали
029
Кулак МАЗ седельного устройства ГИДРОМАШ
Артикул: 64221-2703029
Кулак МАЗ седельного устройства ГИДРОМАШ
Код для заказа: 00037678
Цена: 3 544 ₽/шт.
Под заказ
Кулак МАЗ седельного устройства ГИДРОМАШ
Артикул: 64221-2703029
Код для заказа: 00037678
Кулак МАЗ седельного устройства ГИДРОМАШ
Цена: 3 544 ₽/шт.
Под заказ
25
25
Артикул: 64221-2703032
нет в наличии
Шток
Количество на схеме: 1
Информация
Шток
Количество
1
782534;
Модель
64221
Группа
Устройство седельное
Подгруппа
Механизм сцепной седельного устройства
Порядковый номер детали
032
26
26
Артикул: 377576
нет в наличии
Штифт 10х45
Количество на схеме: 1
Информация
Штифт 10х45
Количество
1
782535;
Покрытие
без покрытия
27
27
Артикул: 64221-2703033
нет в наличии
Пружина
Количество на схеме: 1
Информация
Пружина
Количество
1
782536;
Модель
64221
Группа
Устройство седельное
Подгруппа
Механизм сцепной седельного устройства
Порядковый номер детали
033
28
28
Артикул: 64221-2703140
нет в наличии
Рукоятка
Количество на схеме: 1
Информация
Рукоятка
Количество
1
782537;
Модель
64221
Группа
Устройство седельное
Подгруппа
Механизм сцепной седельного устройства
Порядковый номер детали
140
29
29
Артикул: 64221-2703137
нет в наличии
Рукоятка
Количество на схеме: 1
Информация
Рукоятка
Количество
1
782538;
Модель
64221
Группа
Устройство седельное
Подгруппа
Механизм сцепной седельного устройства
Порядковый номер детали
137
30
30
Артикул: 64221-2703152
нет в наличии
Опора
Количество на схеме: 1
Информация
Опора
Количество
1
782539;
Модель
64221
Группа
Устройство седельное
Подгруппа
Механизм сцепной седельного устройства
Порядковый номер детали
152
31
31
Артикул: 260065
в наличии
Палец 10х48
Количество на схеме: 1
Информация
Палец 10х48
Количество
1
782540;
Покрытие
без покрытия
Палец 260065 ОАО МАЗ
Артикул: 260065
Палец 260065 ОАО МАЗ
Код для заказа: 00042190
Цена: 44 ₽/шт.
Под заказ
Палец 260065 ОАО МАЗ
Артикул: 260065
Код для заказа: 00042190
Палец 260065 ОАО МАЗ
Цена: 44 ₽/шт.
Под заказ
32
32
Артикул: 258038
нет в наличии
Шплинт 3,2х16
Количество на схеме: 1
Информация
Шплинт 3,2х16
Количество
1
782541;
Покрытие
без покрытия
33
33
Артикул: 200В-2703146
нет в наличии
Пружина
Количество на схеме: 1
Информация
Пружина
Количество
1
782542;
Модель
200В
Группа
Устройство седельное
Подгруппа
Механизм сцепной седельного устройства
Порядковый номер детали
146
34
34
Артикул: 64221-2704140
нет в наличии
Планка предохранительная
Количество на схеме: 1
Информация
Планка предохранительная
Количество
1
782543;
Модель
64221
Группа
Устройство седельное
Подгруппа
2704
Порядковый номер детали
140
35
35
Артикул: 372179
нет в наличии
Болт М14-6hх25
Количество на схеме: 1
Информация
Болт М14-6hх25
Количество
1
782544;
Покрытие
без покрытия
36
36
Артикул: 250636
нет в наличии
Гайка М16х1,5-6Н
Количество на схеме: 2
Информация
Гайка М16х1,5-6Н
Количество
2
782545;
Покрытие
без покрытия
37
37
Артикул: 54321-2702171
в наличии
Подставка
Количество на схеме: 1
Информация
Подставка
Количество
1
782546;
Модель
54321
Группа
Устройство седельное
Подгруппа
Устройство седельное
Порядковый номер детали
171
Подставка МАЗ под седельное устройство ОАО МАЗ
Артикул: 54321-2702171
Подставка МАЗ под седельное устройство ОАО МАЗ
Код для заказа: 00044998
Цена: 24 400 ₽/шт.
Под заказ
Подставка МАЗ под седельное устройство ОАО МАЗ
Артикул: 54321-2702171
Код для заказа: 00044998
Подставка МАЗ под седельное устройство ОАО МАЗ
Цена: 24 400 ₽/шт.
Под заказ
38
38
Артикул: 372613
в наличии
Болт М16х1,5-6gх55
Количество на схеме: 12
Информация
Болт М16х1,5-6gх55
Количество
12
782547;
Покрытие
без покрытия
Болт М16х1.5х55 седельного устройства в сборе МАЗ
Артикул: 372613
Болт М16х1.5х55 седельного устройства в сборе МАЗ
Код для заказа: 00022837
Цена: 71 ₽/шт.
Под заказ
Болт М16х1.5х55 седельного устройства в сборе МАЗ
Артикул: 372613
Код для заказа: 00022837
Болт М16х1.5х55 седельного устройства в сборе МАЗ
Цена: 71 ₽/шт.
Под заказ
39
39
Артикул: 250691
нет в наличии
Гайка М16х1,5-6Н
Количество на схеме: 24
Информация
Гайка М16х1,5-6Н
Количество
24
782548;
Покрытие
без покрытия
40
40
Артикул: 372629
в наличии
Болт М16х1,5-6gх45
Количество на схеме: 12
Информация
Болт М16х1,5-6gх45
Количество
12
782549;
Покрытие
без покрытия
Болт М16х1.5х45 седельного устройства МАЗ в сборе
Артикул: 372629
Болт М16х1.5х45 седельного устройства МАЗ в сборе
Код для заказа: 00022828
Цена: 71 ₽/шт.
Под заказ
Болт М16х1.5х45 седельного устройства МАЗ в сборе
Артикул: 372629
Код для заказа: 00022828
Болт М16х1.5х45 седельного устройства МАЗ в сборе
Цена: 71 ₽/шт.
Под заказ
  • Грузовые автомобили
  • Автобусы
  • Сельхозтехника
  • Спецтехника
  • Двигатели
Получить оптовый прайс-лист
Скачать прайс-лист от 06.05.2026 08:00
Специальное предложение от 06.05.2026 13:00
Производители:


  • WEICHAI
  • Автодизель ПАО (ЯМЗ)
  • Тутаевский МЗ
  • ЯЗДА
  • УралАЗ
  • МАЗ
  • АЗПИ
  • BOSCH
  • ММЗ
  • ШААЗ
  • FEDERAL MOGUL
  • ПРАМО
  • Мотордеталь
  • ТАИМ
  • АвтоКрАЗ
  • БЕЛКАРД
  • CZ Strakonice
  • КамАЗ
  • БЗА
  • ЧМЗ
  • BMZ
Новости
Все новости
25 марта 2024
Флагманский седельный тягач «Валдай 45» на выставке «TransRussia»
10 марта 2024
Современные автобусы «CITYMAX 9» и ЛиАЗ-5292 CNG
25 февраля 2024
Серийное производство средних дизельных двигателей повышенной мощности от ЯМЗ
Статьи
Все статьи
Датчики двигателя: за что они отвечают, признаки неисправности и как не прогадать с выбором
Двигатели ЯМЗ-534: история, технические характеристики и области применения
Двигатели ЯМЗ 650: углублённый технический обзор и история
Компания
О компании
Реквизиты
Новости
Политика
Магазины
Информация
Условия оплаты
Условия доставки
Гарантия на товар
Обмен и возврат товара
Помощь
Как оформить заказ
Полезные статьи
Бренды
Пункты выдачи
Оставайтесь на связи
  • Вконтакте
  • YouTube
  • Одноклассники
  • Google Plus
Увидели ошибку?
Выделите, нажав Ctrl + Enter
Наши контакты
8-800-700-35-68
sales@din76.ru
г. Ярославль, Ленинградский пр-т 33, ТЦ "ОМЕГА"
2026 © ООО «Динамика 76» - Все права защищены ООО "Динамика 76"
Предложения на сайте не являются публичной офертой.
На сайте обнаружена ошибка

Текст с ошибкой