Избранное 0 Корзина 0 Личный кабинет
logo
Каталог
Каталог
  • Справочник
    • Грузовые автомобили
    • Автобусы
    • Сельхозтехника
    • Спецтехника
    • Двигатели
  • Доставка
  • Оплата
  • О компании
    • Реквизиты
    • Магазины
    • Оплата
    • Доставка
    • Лицензии и сертификаты
    • Новости
    • Вакансии
  • Контакты
Отправить заявку
Личный кабинет
8 (800) 700-35-68
sales@din76.ru
Избранное 0 Корзина 0
8 (800) 700-35-68
Оптовый прайс-лист
Каталог
  • Двигатели
  • Запчасти WEICHAI
  • Запчасти ЯМЗ, ТМЗ (V-образные)
  • Запчасти ЯМЗ-534, ЯМЗ-536
  • Запчасти ЯМЗ-650, ЯМЗ-651, DCi-11
  • Топливная аппаратура
  • Запчасти УРАЛ
  • Запчасти МАЗ
  • Запчасти КамАЗ
  • Запчасти ММЗ
  • Ремни
Автокаталог (справочник)
  • Доставка
  • Оплата
  • О компании
  • Контакты
8 (800) 700-35-68
Написать в Whatsapp
sales@din76.ru
Динамика 76
Меню  
  • Каталог
    • Двигатели  
      • Двигатели ТМЗ  
        • Двигатели ТМЗ для автомобилей
        • Двигатели ТМЗ для тракторов
        • Специальные двигатели ТМЗ
        • Промышленные двигатели ТМЗ
      • Двигатели ЯМЗ  
        • ЯМЗ 236
        • ЯМЗ 238
        • ЯМЗ 240
        • ЯМЗ 751
        • ЯМЗ 840
        • ЯМЗ 850
        • ЯМЗ 656
        • ЯМЗ 658
        • ЯМЗ 534
        • ЯМЗ 536
        • ЯМЗ 650
        • Двигатели ЯМЗ для электростанций
      • Двигатели КАМАЗ
      • Двигатели ММЗ
      • Двигатели индивидуальной сборки
      • Комплекты переоборудования
    • Запчасти WEICHAI  
      • Основные запчасти двигателя  
        • Клапаны и толкатели
        • Шатуны
        • Вал коленчатый и маховик
        • Вал распределительный
        • Цилиндро-поршневая группа
      • Система питания  
        • Форсунки
        • Турбокомпрессор
      • Система смазки  
        • Насос масляный
      • Головка блока
      • Ремкомплекты
      • Система охлаждения  
        • Насос водяной
        • Муфта вязкостная и крыльчатка
      • Фильтры
      • Электрооборудование  
        • Генератор
        • Стартер
    • Запчасти ЯМЗ, ТМЗ (V-образные)  
      • Основные запчасти двигателя  
        • Блок двигателя и комплектующие
        • Валы распределительные и клапаны
        • Головка блока и комплектующие
        • Цилиндро-поршневая группа
        • Маховики и комплектующие
        • Валы коленчатые и комплектующие
        • Шатуны и комплектующие
      • Система питания  
        • Коллекторы и патрубки
        • Топливные трубопроводы
        • Турбокомпрессор
        • Топливные фильтры
      • Электрооборудование двигателя
      • Система охлаждения  
        • Вязкостные муфты и крыльчатки
        • Приводы вентилятора
        • Водяные насосы
        • Водяные трубы и термостаты
      • Коробки переключения передач  
        • 8 Ступенчатые КПП
        • 5 Ступенчатые КПП
        • 9 Ступенчатые КПП
        • Запасные части КПП ЯМЗ, ТМЗ
      • Система смазки  
        • Теплообменник и комплектующие
        • Масляные насосы
        • Фильтры масляные (ФГОМ, ФЦОМ)
      • Сцепление  
        • Запасные части механизма сцепления
        • Муфты (подшипники выжимные)
        • Корзины (диски нажимные)
        • Диски ведомые
      • Прочие запчасти двигателя  
        • Ремкомплекты
        • Привод агрегатов
        • Натяжные устройства
        • Трубки
    • Запчасти ЯМЗ-534, ЯМЗ-536  
      • Основные запчасти двигателя  
        • Цилиндро-поршневая группа
        • Головка блока цилиндров и комплектующие
        • Блок цилиндров и комплектующие
        • Вал коленчатый и маховик
        • Вал распределительный
        • Клапаны и толкатели
        • ГУР (Гидроусилитель руля)
        • Система рециркуляции отработавших газов
        • Выпускной коллектор
      • Система питания  
        • Коллекторы и патрубки
        • Топливные фильтры
        • Турбокомпрессор
        • Топливные трубопроводы
      • Система смазки  
        • Масляный картер поддон
        • Масляный насос
        • Теплообменник /Водо-масляный радиатор
        • Фильтры масляные (ФГОМ, ФЦОМ)
      • Пневмокомпрессор и натяжное
      • Система охлаждения  
        • Водяной насос
        • Водяные трубы и патрубки
        • Муфты вязкостные, приводы, крыльчатки
      • Ремкомплекты
      • Сцепление
      • Электрооборудование
    • Запчасти ЯМЗ-650, ЯМЗ-651, DCi-11  
      • Основные запчасти двигателя  
        • Цилиндро-поршневая группа
        • Головка блока цилиндров и комплектующие
        • Блок цилиндров и комплектующие
        • Вал коленчатый и маховик
        • Выпускной коллектор
        • Вал распределительный
        • Клапаны и толкатели
        • ГУР (Гидроусилитель руля)
        • Система рециркуляции отработавших газов
      • Система питания  
        • Коллекторы и патрубки
        • Топливные трубопроводы
        • Топливные фильтры
        • Турбокомпрессор
      • Система смазки  
        • Масляный картер / поддон
        • Масляный насос
        • Теплообменник / Водо-масляный радиатор
        • Фильтры масляные (ФГОМ, ФЦОМ)
      • Система охлаждения  
        • Водяной насос
        • Водяные трубы и патрубки
        • Муфты вязкостные, приводы, крыльчатки
      • Ремкомплекты
      • Пневмокомпрессор и натяжное
      • Электрооборудование
      • Сцепление
    • Топливная аппаратура  
      • ЯЗДА  
        • Распылители
        • ТНВД
        • Форсунки
        • Топливный насос низкого давления
        • Пары плунжерные
        • Муфта опережения впрыска топлива
        • Запчасти и комплектующие ТНВД
      • НЗТА
      • АЗПИ  
        • Распылители
        • Форсунки
      • BOSCH
    • Запчасти УРАЛ  
      • Трансмиссия  
        • Коробка раздаточная
        • Передача карданная
        • Мост задний
        • Мост передний (ведущий)
        • Мост средний (промежуточный)
      • Кузов  
        • Дверь кабины
        • Капот, крылья, облицовка радиатора
        • Окно ветровое и заднее
        • Отопление и вентиляция кабины
        • Кабина
      • Механизмы управления  
        • Управление рулевое
        • Тормоза
      • Дополнительное оборудование  
        • Отбор мощности
        • Устройство седельное
      • Электрооборудование
      • Ходовая часть  
        • Колеса и ступицы
        • Ось передняя
        • Подвеска автомобиля
        • Рама
    • Запчасти МАЗ  
      • Трансмиссия  
        • Мост задний
        • Мост передний (ведущий)
        • Передача карданная
        • Мост средний (промежуточный)
      • Кузов  
        • Кабина
        • Дверь кабины
        • Детали основания кабины
        • Окно ветровое и заднее
        • Платформа
      • Механизмы управления  
        • Тормоза
        • Управление рулевое
      • Ходовая часть  
        • Колеса и ступицы
        • Ось передняя
        • Подвеска автомобиля
        • Рама
    • Запчасти КамАЗ  
      • Кузов  
        • Кабина
        • Капот, крылья, облицовка радиатора
        • Дверь кабины
        • Платформа
        • Окно ветровое и заднее
        • Устройство подъемное и опрокидывающее
        • Сиденье
        • Крыша кабины (крыша кузова)
        • Отопление и вентиляция кабины
      • Трансмиссия  
        • Коробка передач
        • Коробка раздаточная
        • Мост задний
        • Сцепление
        • Мост средний (промежуточный)
        • Передача карданная
        • Мост передний (ведущий)
      • Двигатель  
        • Основные запчасти двигателя
        • Система охлаждения
        • Система питания
        • Система смазки
      • Дополнительное оборудование  
        • Отбор мощности
        • Устройство седельное
      • Ходовая часть  
        • Подвеска автомобиля
        • Рама
        • Колеса и ступицы
        • Ось передняя
      • Механизмы управления  
        • Тормоза
        • Управление рулевое
      • Электрооборудование
    • Запчасти ММЗ
    • Ремни
  • Справочник
    • Грузовые автомобили
    • Автобусы
    • Сельхозтехника
    • Спецтехника
    • Двигатели
  • Как купить
    • Условия оплаты
    • Условия доставки
    • Гарантия на товар
    • Пункты выдачи
  • Услуги
    • Капитальный ремонт двигателей ЯМЗ
  • Акции
  • Статьи
  • Контакты
  • Компания
    • Реквизиты
    • Магазины
    • Оплата
    • Доставка
    • Лицензии и сертификаты
    • Новости
    • Вакансии
Избранное 0 Корзина 0
8-800-700-35-68

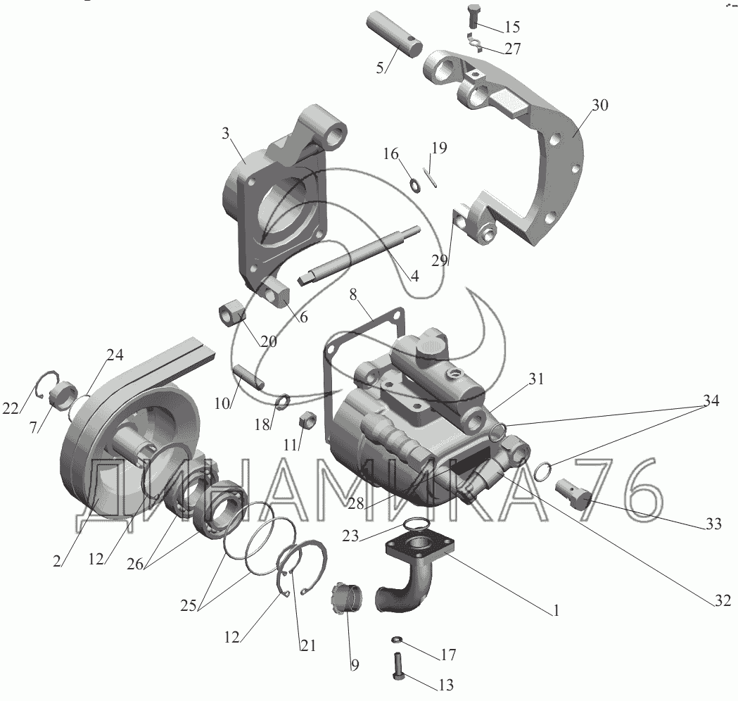
Насос 630300-3407010 (-700) на МАЗ-551605 (до 2007 г.)

Справочник
Главная
-
Автокаталог
-
Грузовые автомобили и прицепы
-
МАЗ
-
МАЗ-551605
Справочный каталог

Насос 630300-3407010 (-700) — МАЗ-551605:

1 2 3 4 5 6 7 8 9 9 10 11 12 12 13 15 16 17 18 19 20 21 22 23 24 25 26 26 26 27 28 29 30 31 31 32 33 34
в наличии
нет в наличии
масштаб

В наличии
Нет в наличии

Перечень комплектующих от Насос 630300-3407010 (-700) на МАЗ-551605

Схемы запчастей предназначены для справочных целей! Мы продаем не все запчасти от Насос 630300-3407010 (-700) на МАЗ-551605, представленные в этом списке.
Наличие на складах по деталям с ценой смотрите в карточке товара.
1
1
Артикул: 630300-3407220
нет в наличии
Фланец
Количество на схеме: 1
Информация
Фланец
Количество
1
Модель
630300
Группа
Управление рулевое
Подгруппа
Насос гидроусилителя механизма рулевого управления
Порядковый номер детали
220
2
2
Артикул: 5336-3407240
в наличии
Шкив
Количество на схеме: 1
Информация
Шкив
Количество
1
Модель
5336
Группа
Управление рулевое
Подгруппа
Насос гидроусилителя механизма рулевого управления
Порядковый номер детали
240
Шкив МАЗ насоса ГУРа
Артикул: 5336-3407240
Шкив МАЗ насоса ГУРа
Код для заказа: 00064787
Цена: 2 775 ₽/шт.
Под заказ
Шкив МАЗ насоса ГУРа
Артикул: 5336-3407240
Код для заказа: 00064787
Шкив МАЗ насоса ГУРа
Цена: 2 775 ₽/шт.
Под заказ
3
3
Артикул: 5336-3407205
в наличии
Кронштейн подвижный
Количество на схеме: 1
Информация
Кронштейн подвижный
Количество
1
Модель
5336
Группа
Управление рулевое
Подгруппа
Насос гидроусилителя механизма рулевого управления
Порядковый номер детали
205
Кронштейн МАЗ насоса ГУР БААЗ
Артикул: 5336-3407205
Кронштейн МАЗ насоса ГУР БААЗ
Код для заказа: 00036235
Цена: 5 004 ₽/шт.
Под заказ
Кронштейн МАЗ насоса ГУР БААЗ
Артикул: 5336-3407205
Код для заказа: 00036235
Кронштейн МАЗ насоса ГУР БААЗ
Цена: 5 004 ₽/шт.
Под заказ
4
4
Артикул: 5336-3407216
в наличии
Регулировочный болт
Количество на схеме: 1
Информация
Регулировочный болт
Количество
1
Модель
5336
Группа
Управление рулевое
Подгруппа
Насос гидроусилителя механизма рулевого управления
Порядковый номер детали
216
Болт МАЗ регулировочный насоса ГУР БААЗ
Артикул: 5336-3407216
Болт МАЗ регулировочный насоса ГУР БААЗ
Код для заказа: 00023073
Цена: 516 ₽/шт.
Под заказ
Болт МАЗ регулировочный насоса ГУР БААЗ
Артикул: 5336-3407216
Код для заказа: 00023073
Болт МАЗ регулировочный насоса ГУР БААЗ
Цена: 516 ₽/шт.
Под заказ
5
5
Артикул: 500-3407217
в наличии
Палец
Количество на схеме: 1
Информация
Палец
Количество
1
Модель
500
Группа
Управление рулевое
Подгруппа
Насос гидроусилителя механизма рулевого управления
Порядковый номер детали
217
Палец МАЗ (ось) кронштейна насоса ГУР БААЗ
Артикул: 500-3407217
Палец МАЗ (ось) кронштейна насоса ГУР БААЗ
Код для заказа: 00042307
Цена: 278 ₽/шт.
Под заказ
Палец МАЗ (ось) кронштейна насоса ГУР БААЗ
Артикул: 500-3407217
Код для заказа: 00042307
Палец МАЗ (ось) кронштейна насоса ГУР БААЗ
Цена: 278 ₽/шт.
Под заказ
6
6
Артикул: 5336-3407219
в наличии
Упор
Количество на схеме: 1
Информация
Упор
Количество
1
Модель
5336
Группа
Управление рулевое
Подгруппа
Насос гидроусилителя механизма рулевого управления
Порядковый номер детали
219
Упор МАЗ кронштейна насоса ГУР
Артикул: 5336-3407219
Упор МАЗ кронштейна насоса ГУР
Код для заказа: 00060162
Цена: 64 ₽/шт.
Под заказ
Упор МАЗ кронштейна насоса ГУР
Артикул: 5336-3407219
Код для заказа: 00060162
Упор МАЗ кронштейна насоса ГУР
Цена: 64 ₽/шт.
Под заказ
7
7
Артикул: 5336-3407231
нет в наличии
Заглушка
Количество на схеме: 1
Информация
Заглушка
Количество
1
Модель
5336
Группа
Управление рулевое
Подгруппа
Насос гидроусилителя механизма рулевого управления
Порядковый номер детали
231
8
8
Артикул: 5551-8604013
нет в наличии
Прокладка
Количество на схеме: 1
Информация
Прокладка
Количество
1
Модель
5551
Группа
Механизм опрокидывающий платформы автомобиля-самосвала
Подгруппа
8604
Порядковый номер детали
013
9
9
Артикул: 500-5301225-10
нет в наличии
Заглушка
Количество на схеме: 1
Информация
Заглушка
Количество
1
Модель
500
Группа
Передок кабины
Подгруппа
Каркас и панели передка
Порядковый номер детали
225
Дополнительно
Не взаимозаменяема с деталью, выпущенной ранее под этим же номером
9
9
Артикул: 5549-8607247
нет в наличии
Пробка
Количество на схеме: 1
Информация
Пробка
Количество
1
Модель
5549
Группа
Механизм опрокидывающий платформы автомобиля-самосвала
Подгруппа
8607
Порядковый номер детали
247
10
10
Артикул: 373164
в наличии
Шпилька М10х25
Количество на схеме: 4
Информация
Шпилька М10х25
Количество
4
Покрытие
без покрытия
Шпилька M10X25 крышки редуктора ОАО МАЗ
Артикул: 373164
Шпилька M10X25 крышки редуктора ОАО МАЗ
Код для заказа: 00065765
Цена: 37 ₽/шт.
Под заказ
Шпилька M10X25 крышки редуктора ОАО МАЗ
Артикул: 373164
Код для заказа: 00065765
Шпилька M10X25 крышки редуктора ОАО МАЗ
Цена: 37 ₽/шт.
Под заказ
11
11
Артикул: 374377
нет в наличии
Гайка М10х1,25-6Н
Количество на схеме: 4
Информация
Гайка М10х1,25-6Н
Количество
4
Покрытие
без покрытия
12
12
Артикул: 400420
нет в наличии
Кольцо
Количество на схеме: 2
Информация
Кольцо
Количество
2
Покрытие
без покрытия
13
13
Артикул: 201458
нет в наличии
Болт М8-6gх25
Количество на схеме: 4
Информация
Болт М8-6gх25
Количество
4
Покрытие
без покрытия
15
15
Артикул: 201476
нет в наличии
Болт М8-1,6gх20
Количество на схеме: 1
Информация
Болт М8-1,6gх20
Количество
1
Покрытие
без покрытия
16
16
Артикул: 252005
нет в наличии
Шайба 8
Количество на схеме: 1
Информация
Шайба 8
Количество
1
Покрытие
без покрытия
17
17
Артикул: 252135
нет в наличии
Шайба 8Т
Количество на схеме: 4
Информация
Шайба 8Т
Количество
4
Покрытие
без покрытия
18
18
Артикул: 252156
нет в наличии
Шайба 10Л
Количество на схеме: 4
Информация
Шайба 10Л
Количество
4
Покрытие
без покрытия
19
19
Артикул: 258038
нет в наличии
Шплинт 3,2х16
Количество на схеме: 1
Информация
Шплинт 3,2х16
Количество
1
Покрытие
без покрытия
20
20
Артикул: 374626
нет в наличии
Гайка М14Х1.5-6Н
Количество на схеме: 1
Информация
Гайка М14Х1.5-6Н
Количество
1
Покрытие
без покрытия
21
21
Артикул: 400356
нет в наличии
Кольцо В30
Количество на схеме: 1
Информация
Кольцо В30
Количество
1
Покрытие
без покрытия
22
22
Артикул: 400378
нет в наличии
Кольцо В30
Количество на схеме: 1
Информация
Кольцо В30
Количество
1
Покрытие
без покрытия
23
23
Артикул: 028-033-30-2-3
нет в наличии
Кольцо
Количество на схеме: 1
Информация
Кольцо
Количество
1
24
24
Артикул: 030-033-19-2-3
нет в наличии
Кольцо
Количество на схеме: 1
Информация
Кольцо
Количество
1
25
25
Артикул: 062-066-25-2-3
нет в наличии
Кольцо
Количество на схеме: 2
Информация
Кольцо
Количество
2
26
26
Артикул: 180206C17
нет в наличии
Подшипник
Количество на схеме: 1
Информация
Подшипник
Количество
1
Покрытие
26
26
Артикул: 180206C9
нет в наличии
Подшипник
Количество на схеме: 1
Информация
Подшипник
Количество
1
Покрытие
воронение
26
26
Артикул: 180206АC17
нет в наличии
Подшипник
Количество на схеме: 2
Информация
Подшипник
Количество
2
Покрытие
27
27
Артикул: 535А-2405134
нет в наличии
Шайба
Количество на схеме: 1
Информация
Шайба
Количество
1
Модель
535А
Группа
Мост задний
Подгруппа
2405
Порядковый номер детали
134
28
28
Артикул: 22-3407919
нет в наличии
Табличка
Количество на схеме: 1
Информация
Табличка
Количество
1
Модель
22
Группа
Управление рулевое
Подгруппа
Насос гидроусилителя механизма рулевого управления
Порядковый номер детали
919
29
29
Артикул: 5336-3407218
нет в наличии
Упор
Количество на схеме: 1
Информация
Упор
Количество
1
Модель
5336
Группа
Управление рулевое
Подгруппа
Насос гидроусилителя механизма рулевого управления
Порядковый номер детали
218
30
30
Артикул: 543240-3407203
в наличии
Кронштейн неподвижный
Количество на схеме: 1
Информация
Кронштейн неподвижный
Количество
1
Модель
543240
Группа
Управление рулевое
Подгруппа
Насос гидроусилителя механизма рулевого управления
Порядковый номер детали
203
Кронштейн МАЗ насоса ГУР БААЗ
Артикул: 543240-3407203
Кронштейн МАЗ насоса ГУР БААЗ
Код для заказа: 00036236
Цена: 5 004 ₽/шт.
Под заказ
Кронштейн МАЗ насоса ГУР БААЗ
Артикул: 543240-3407203
Код для заказа: 00036236
Кронштейн МАЗ насоса ГУР БААЗ
Цена: 5 004 ₽/шт.
Под заказ
Кронштейн МАЗ насоса ГУРа комплект с шкивом ЕВРО
Артикул: 543240-3407203
Кронштейн МАЗ насоса ГУРа комплект с шкивом ЕВРО
Код для заказа: 00036239
Цена: 9 700 ₽/шт.
Под заказ
Кронштейн МАЗ насоса ГУРа комплект с шкивом ЕВРО
Артикул: 543240-3407203
Код для заказа: 00036239
Кронштейн МАЗ насоса ГУРа комплект с шкивом ЕВРО
Цена: 9 700 ₽/шт.
Под заказ
31
31
Артикул: НШ32УКП-0
нет в наличии
Насос шестеренный с клапаном расхода и давления
Количество на схеме: 1
Информация
Насос шестеренный с клапаном расхода и давления
Количество
1
31
31
Артикул: НШ32УКП-0Т
нет в наличии
Насос шестеренный с клапаном расхода и давления
Количество на схеме: 1
Информация
Насос шестеренный с клапаном расхода и давления
Количество
1
Примечание
для 6303003407010700
32
32
Артикул: 630300-3408014
нет в наличии
Наконечник
Количество на схеме: 1
Информация
Наконечник
Количество
1
Модель
630300
Группа
Управление рулевое
Подгруппа
Трубопроводы гидроусилителя механизма рулевого управления
Порядковый номер детали
014
33
33
Артикул: 630300-3408017
нет в наличии
Болт приводной
Количество на схеме: 1
Информация
Болт приводной
Количество
1
Модель
630300
Группа
Управление рулевое
Подгруппа
Трубопроводы гидроусилителя механизма рулевого управления
Порядковый номер детали
017
34
34
Артикул: 018-022-25-2-3
нет в наличии
Кольцо
Количество на схеме: 2
Информация
Кольцо
Количество
2
  • Грузовые автомобили
  • Автобусы
  • Сельхозтехника
  • Спецтехника
  • Двигатели
Получить оптовый прайс-лист
Скачать прайс-лист от 12.05.2026 16:00
Специальное предложение от 12.05.2026 17:00
Производители:


  • WEICHAI
  • Автодизель ПАО (ЯМЗ)
  • Тутаевский МЗ
  • ЯЗДА
  • УралАЗ
  • МАЗ
  • АЗПИ
  • BOSCH
  • ММЗ
  • ШААЗ
  • FEDERAL MOGUL
  • ПРАМО
  • Мотордеталь
  • ТАИМ
  • АвтоКрАЗ
  • БЕЛКАРД
  • CZ Strakonice
  • КамАЗ
  • БЗА
  • ЧМЗ
  • BMZ
Новости
Все новости
25 марта 2024
Флагманский седельный тягач «Валдай 45» на выставке «TransRussia»
10 марта 2024
Современные автобусы «CITYMAX 9» и ЛиАЗ-5292 CNG
25 февраля 2024
Серийное производство средних дизельных двигателей повышенной мощности от ЯМЗ
Статьи
Все статьи
Датчики двигателя: за что они отвечают, признаки неисправности и как не прогадать с выбором
Двигатели ЯМЗ-534: история, технические характеристики и области применения
Двигатели ЯМЗ 650: углублённый технический обзор и история
Компания
О компании
Реквизиты
Новости
Политика
Магазины
Информация
Условия оплаты
Условия доставки
Гарантия на товар
Обмен и возврат товара
Помощь
Как оформить заказ
Полезные статьи
Бренды
Пункты выдачи
Оставайтесь на связи
  • Вконтакте
  • YouTube
  • Одноклассники
  • Google Plus
Увидели ошибку?
Выделите, нажав Ctrl + Enter
Наши контакты
8-800-700-35-68
sales@din76.ru
г. Ярославль, Ленинградский пр-т 33, ТЦ "ОМЕГА"
2026 © ООО «Динамика 76» - Все права защищены ООО "Динамика 76"
Предложения на сайте не являются публичной офертой.
На сайте обнаружена ошибка

Текст с ошибкой