Избранное 0 Корзина 0 Личный кабинет
logo
Каталог
Каталог
  • Справочник
    • Грузовые автомобили
    • Автобусы
    • Сельхозтехника
    • Спецтехника
    • Двигатели
  • Доставка
  • Оплата
  • О компании
    • Реквизиты
    • Магазины
    • Оплата
    • Доставка
    • Лицензии и сертификаты
    • Новости
    • Вакансии
  • Контакты
Отправить заявку
Личный кабинет
8 (800) 700-35-68
sales@din76.ru
Избранное 0 Корзина 0
8 (800) 700-35-68
Оптовый прайс-лист
Каталог
  • Двигатели
  • Запчасти WEICHAI
  • Запчасти ЯМЗ, ТМЗ (V-образные)
  • Запчасти ЯМЗ-534, ЯМЗ-536
  • Запчасти ЯМЗ-650, ЯМЗ-651, DCi-11
  • Топливная аппаратура
  • Запчасти УРАЛ
  • Запчасти МАЗ
  • Запчасти КамАЗ
  • Запчасти ММЗ
  • Ремни
Автокаталог (справочник)
  • Доставка
  • Оплата
  • О компании
  • Контакты
8 (800) 700-35-68
Написать в Whatsapp
sales@din76.ru
Динамика 76
Меню  
  • Каталог
    • Двигатели  
      • Двигатели ТМЗ  
        • Двигатели ТМЗ для автомобилей
        • Двигатели ТМЗ для тракторов
        • Специальные двигатели ТМЗ
        • Промышленные двигатели ТМЗ
      • Двигатели ЯМЗ  
        • ЯМЗ 236
        • ЯМЗ 238
        • ЯМЗ 240
        • ЯМЗ 751
        • ЯМЗ 840
        • ЯМЗ 850
        • ЯМЗ 656
        • ЯМЗ 658
        • ЯМЗ 534
        • ЯМЗ 536
        • ЯМЗ 650
        • Двигатели ЯМЗ для электростанций
      • Двигатели КАМАЗ
      • Двигатели ММЗ
      • Двигатели индивидуальной сборки
      • Комплекты переоборудования
    • Запчасти WEICHAI  
      • Основные запчасти двигателя  
        • Клапаны и толкатели
        • Шатуны
        • Вал коленчатый и маховик
        • Вал распределительный
        • Цилиндро-поршневая группа
      • Система питания  
        • Форсунки
        • Турбокомпрессор
      • Система смазки  
        • Насос масляный
      • Головка блока
      • Ремкомплекты
      • Система охлаждения  
        • Насос водяной
        • Муфта вязкостная и крыльчатка
      • Фильтры
      • Электрооборудование  
        • Генератор
        • Стартер
    • Запчасти ЯМЗ, ТМЗ (V-образные)  
      • Основные запчасти двигателя  
        • Блок двигателя и комплектующие
        • Валы распределительные и клапаны
        • Головка блока и комплектующие
        • Цилиндро-поршневая группа
        • Маховики и комплектующие
        • Валы коленчатые и комплектующие
        • Шатуны и комплектующие
      • Система питания  
        • Коллекторы и патрубки
        • Топливные трубопроводы
        • Турбокомпрессор
        • Топливные фильтры
      • Электрооборудование двигателя
      • Система охлаждения  
        • Вязкостные муфты и крыльчатки
        • Приводы вентилятора
        • Водяные насосы
        • Водяные трубы и термостаты
      • Коробки переключения передач  
        • 8 Ступенчатые КПП
        • 5 Ступенчатые КПП
        • 9 Ступенчатые КПП
        • Запасные части КПП ЯМЗ, ТМЗ
      • Система смазки  
        • Теплообменник и комплектующие
        • Масляные насосы
        • Фильтры масляные (ФГОМ, ФЦОМ)
      • Сцепление  
        • Запасные части механизма сцепления
        • Муфты (подшипники выжимные)
        • Корзины (диски нажимные)
        • Диски ведомые
      • Прочие запчасти двигателя  
        • Ремкомплекты
        • Привод агрегатов
        • Натяжные устройства
        • Трубки
    • Запчасти ЯМЗ-534, ЯМЗ-536  
      • Основные запчасти двигателя  
        • Цилиндро-поршневая группа
        • Головка блока цилиндров и комплектующие
        • Блок цилиндров и комплектующие
        • Вал коленчатый и маховик
        • Вал распределительный
        • Клапаны и толкатели
        • ГУР (Гидроусилитель руля)
        • Система рециркуляции отработавших газов
        • Выпускной коллектор
      • Система питания  
        • Коллекторы и патрубки
        • Топливные фильтры
        • Турбокомпрессор
        • Топливные трубопроводы
      • Система смазки  
        • Масляный картер поддон
        • Масляный насос
        • Теплообменник /Водо-масляный радиатор
        • Фильтры масляные (ФГОМ, ФЦОМ)
      • Пневмокомпрессор и натяжное
      • Система охлаждения  
        • Водяной насос
        • Водяные трубы и патрубки
        • Муфты вязкостные, приводы, крыльчатки
      • Ремкомплекты
      • Сцепление
      • Электрооборудование
    • Запчасти ЯМЗ-650, ЯМЗ-651, DCi-11  
      • Основные запчасти двигателя  
        • Цилиндро-поршневая группа
        • Головка блока цилиндров и комплектующие
        • Блок цилиндров и комплектующие
        • Вал коленчатый и маховик
        • Выпускной коллектор
        • Вал распределительный
        • Клапаны и толкатели
        • ГУР (Гидроусилитель руля)
        • Система рециркуляции отработавших газов
      • Система питания  
        • Коллекторы и патрубки
        • Топливные трубопроводы
        • Топливные фильтры
        • Турбокомпрессор
      • Система смазки  
        • Масляный картер / поддон
        • Масляный насос
        • Теплообменник / Водо-масляный радиатор
        • Фильтры масляные (ФГОМ, ФЦОМ)
      • Система охлаждения  
        • Водяной насос
        • Водяные трубы и патрубки
        • Муфты вязкостные, приводы, крыльчатки
      • Ремкомплекты
      • Пневмокомпрессор и натяжное
      • Электрооборудование
      • Сцепление
    • Топливная аппаратура  
      • ЯЗДА  
        • Распылители
        • ТНВД
        • Форсунки
        • Топливный насос низкого давления
        • Пары плунжерные
        • Муфта опережения впрыска топлива
        • Запчасти и комплектующие ТНВД
      • НЗТА
      • АЗПИ  
        • Распылители
        • Форсунки
      • BOSCH
    • Запчасти УРАЛ  
      • Трансмиссия  
        • Коробка раздаточная
        • Передача карданная
        • Мост задний
        • Мост передний (ведущий)
        • Мост средний (промежуточный)
      • Кузов  
        • Дверь кабины
        • Капот, крылья, облицовка радиатора
        • Окно ветровое и заднее
        • Отопление и вентиляция кабины
        • Кабина
      • Механизмы управления  
        • Управление рулевое
        • Тормоза
      • Дополнительное оборудование  
        • Отбор мощности
        • Устройство седельное
      • Электрооборудование
      • Ходовая часть  
        • Колеса и ступицы
        • Ось передняя
        • Подвеска автомобиля
        • Рама
    • Запчасти МАЗ  
      • Трансмиссия  
        • Мост задний
        • Мост передний (ведущий)
        • Передача карданная
        • Мост средний (промежуточный)
      • Кузов  
        • Кабина
        • Дверь кабины
        • Детали основания кабины
        • Окно ветровое и заднее
        • Платформа
      • Механизмы управления  
        • Тормоза
        • Управление рулевое
      • Ходовая часть  
        • Колеса и ступицы
        • Ось передняя
        • Подвеска автомобиля
        • Рама
    • Запчасти КамАЗ  
      • Кузов  
        • Кабина
        • Капот, крылья, облицовка радиатора
        • Дверь кабины
        • Платформа
        • Окно ветровое и заднее
        • Устройство подъемное и опрокидывающее
        • Сиденье
        • Крыша кабины (крыша кузова)
        • Отопление и вентиляция кабины
      • Трансмиссия  
        • Коробка передач
        • Коробка раздаточная
        • Мост задний
        • Сцепление
        • Мост средний (промежуточный)
        • Передача карданная
        • Мост передний (ведущий)
      • Двигатель  
        • Основные запчасти двигателя
        • Система охлаждения
        • Система питания
        • Система смазки
      • Дополнительное оборудование  
        • Отбор мощности
        • Устройство седельное
      • Ходовая часть  
        • Подвеска автомобиля
        • Рама
        • Колеса и ступицы
        • Ось передняя
      • Механизмы управления  
        • Тормоза
        • Управление рулевое
      • Электрооборудование
    • Запчасти ММЗ
    • Ремни
  • Справочник
    • Грузовые автомобили
    • Автобусы
    • Сельхозтехника
    • Спецтехника
    • Двигатели
  • Как купить
    • Условия оплаты
    • Условия доставки
    • Гарантия на товар
    • Пункты выдачи
  • Услуги
    • Капитальный ремонт двигателей ЯМЗ
  • Акции
  • Статьи
  • Контакты
  • Компания
    • Реквизиты
    • Магазины
    • Оплата
    • Доставка
    • Лицензии и сертификаты
    • Новости
    • Вакансии
Избранное 0 Корзина 0
8-800-700-35-68

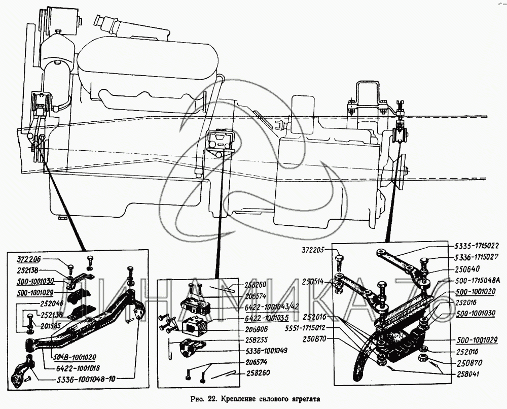
Крепление силового агрегата на МАЗ-5433

Справочник
Главная
-
Автокаталог
-
Грузовые автомобили и прицепы
-
МАЗ
-
МАЗ-5433
Справочный каталог

Крепление силового агрегата — МАЗ-5433:

201585 206574 206574 206906 250514 250640 250870 250870 252016 252016 252016 252046 252138 252138 258041 258255 258260 258260 372205 372206 500-1001020 500-1001029 500-1001029 500-1001030 500-1001030 500-1715048А 504В-1001020 5335-1715022 5336-1001048-10 5336-1001049 5336-1715027 5551-1715012 6422-1001018 6422-1001035 6422-1001042 6422-1001043
в наличии
нет в наличии
масштаб

В наличии
Нет в наличии

Перечень комплектующих от Крепление силового агрегата на МАЗ-5433

Схемы запчастей предназначены для справочных целей! Мы продаем не все запчасти от Крепление силового агрегата на МАЗ-5433, представленные в этом списке.
Наличие на складах по деталям с ценой смотрите в карточке товара.
Артикул: 201585
нет в наличии
Болт М14-6gх30
Информация
Болт М14-6gх30
Артикул: 206574
в наличии
Болт 3М12-6gх25
Информация
Болт 3М12-6gх25
Болт М12х25-6h полуприцепа крепления крышки сальника МАЗ ОАО МАЗ
Артикул: 206574
Болт М12х25-6h полуприцепа крепления крышки сальника МАЗ ОАО МАЗ
Код для заказа: 00022697
Цена: 65 ₽/шт.
Под заказ
Болт М12х25-6h полуприцепа крепления крышки сальника МАЗ ОАО МАЗ
Артикул: 206574
Код для заказа: 00022697
Болт М12х25-6h полуприцепа крепления крышки сальника МАЗ ОАО МАЗ
Цена: 65 ₽/шт.
Под заказ
Артикул: 206574
в наличии
Болт 3М12-6gх25
Информация
Болт 3М12-6gх25
Болт М12х25-6h полуприцепа крепления крышки сальника МАЗ ОАО МАЗ
Артикул: 206574
Болт М12х25-6h полуприцепа крепления крышки сальника МАЗ ОАО МАЗ
Код для заказа: 00022697
Цена: 65 ₽/шт.
Под заказ
Болт М12х25-6h полуприцепа крепления крышки сальника МАЗ ОАО МАЗ
Артикул: 206574
Код для заказа: 00022697
Болт М12х25-6h полуприцепа крепления крышки сальника МАЗ ОАО МАЗ
Цена: 65 ₽/шт.
Под заказ
Артикул: 206906
в наличии
Болт 3М14-6gх35
Информация
Болт 3М14-6gх35
Болт М14х35 опоры двигателя (3M14X-6HX35 OCT 3700) ОАО МАЗ
Артикул: 206906
Болт М14х35 опоры двигателя (3M14X-6HX35 OCT 3700) ОАО МАЗ
Код для заказа: 00022785
Цена: 68 ₽/шт.
Под заказ
Болт М14х35 опоры двигателя (3M14X-6HX35 OCT 3700) ОАО МАЗ
Артикул: 206906
Код для заказа: 00022785
Болт М14х35 опоры двигателя (3M14X-6HX35 OCT 3700) ОАО МАЗ
Цена: 68 ₽/шт.
Под заказ
Артикул: 250514
в наличии
Гайка М12-6Н
Информация
Гайка М12-6Н
Гайка М12-6Н МАЗ ОСТ 37.001.124-75 ОАО МАЗ
Артикул: 250514
Гайка М12-6Н МАЗ ОСТ 37.001.124-75 ОАО МАЗ
Код для заказа: 00027437
Цена: 19 ₽/шт.
Под заказ
Гайка М12-6Н МАЗ ОСТ 37.001.124-75 ОАО МАЗ
Артикул: 250514
Код для заказа: 00027437
Гайка М12-6Н МАЗ ОСТ 37.001.124-75 ОАО МАЗ
Цена: 19 ₽/шт.
Под заказ
Артикул: 250640
нет в наличии
Гайка М20х1,5
Информация
Гайка М20х1,5
Артикул: 250870
нет в наличии
Гайка М14х1,5-5Н6Н
Информация
Гайка М14х1,5-5Н6Н
Артикул: 252016
нет в наличии
Шайба 14
Информация
Шайба 14
Артикул: 252046
нет в наличии
Шайба 14
Информация
Шайба 14
Артикул: 252138
нет в наличии
Шайба 14.ОТ
Информация
Шайба 14.ОТ
Артикул: 252138
нет в наличии
Шайба 14.ОТ
Информация
Шайба 14.ОТ
Артикул: 258041
нет в наличии
Шплинт 3,2х32
Информация
Шплинт 3,2х32
Артикул: 258255
нет в наличии
Шплинт 1,2х225
Информация
Шплинт 1,2х225
Артикул: 258260
нет в наличии
Шплинт-проволока
Информация
Шплинт-проволока
Артикул: 372205
нет в наличии
Болт М14х1,5-6gх42
Информация
Болт М14х1,5-6gх42
Артикул: 372206
в наличии
Болт М14-6gх42
Информация
Болт М14-6gх42
Болт М14х42 крепления стакана подшипника ОАО МАЗ
Артикул: 372206
Болт М14х42 крепления стакана подшипника ОАО МАЗ
Код для заказа: 00022786
Цена: 35 ₽/шт.
Под заказ
Болт М14х42 крепления стакана подшипника ОАО МАЗ
Артикул: 372206
Код для заказа: 00022786
Болт М14х42 крепления стакана подшипника ОАО МАЗ
Цена: 35 ₽/шт.
Под заказ
Артикул: 500-1001020
нет в наличии
Подушка передней опоры двигателя в сборе
Информация
Подушка передней опоры двигателя в сборе
Группа
Двигатель
Подгруппа
Подвеска двигателя (силового агрегата)
Порядковый номер детали
020
Артикул: 500-1001029
в наличии
Амортизатор
Количество на схеме: 2
Информация
Амортизатор
Количество
2
Примечание
40
Модель
500
Группа
Двигатель
Подгруппа
Подвеска двигателя (силового агрегата)
Порядковый номер детали
029
Подушка МАЗ двигателя передняя верхняя,КПП нижняя
Артикул: 500-1001029
Подушка МАЗ двигателя передняя верхняя,КПП нижняя
Код для заказа: 00008073
Цена: 175 ₽/шт.
Под заказ
Подушка МАЗ двигателя передняя верхняя,КПП нижняя
Артикул: 500-1001029
Код для заказа: 00008073
Подушка МАЗ двигателя передняя верхняя,КПП нижняя
Цена: 175 ₽/шт.
Под заказ
Артикул: 500-1001030
нет в наличии
Скоба
Информация
Скоба
Группа
Двигатель
Подгруппа
Подвеска двигателя (силового агрегата)
Порядковый номер детали
030
Артикул: 500-1715048А
нет в наличии
Усилитель подушки
Информация
Усилитель подушки
Группа
Коробка передач
Подгруппа
1715
Порядковый номер детали
048
Артикул: 504В-1001020
в наличии
Подушка
Количество на схеме: 2
Информация
Подушка
Количество
2
Примечание
40
Модель
504В
Группа
Двигатель
Подгруппа
Подвеска двигателя (силового агрегата)
Порядковый номер детали
020
Подушка МАЗ двигателя передняя нижняя
Артикул: 504В-1001020
Подушка МАЗ двигателя передняя нижняя
Код для заказа: 00009401
Цена: 1 015 ₽/шт.
Под заказ
Подушка МАЗ двигателя передняя нижняя
Артикул: 504В-1001020
Код для заказа: 00009401
Подушка МАЗ двигателя передняя нижняя
Цена: 1 015 ₽/шт.
Под заказ
Артикул: 5335-1715022
в наличии
Кронштейн
Информация
Кронштейн
Группа
Коробка передач
Подгруппа
1715
Порядковый номер детали
022
Кронштейн МАЗ КПП нижний ОАО МАЗ
Артикул: 5335-1715022
Кронштейн МАЗ КПП нижний ОАО МАЗ
Код для заказа: 00036176
Цена: 446 ₽/шт.
Под заказ
Кронштейн МАЗ КПП нижний ОАО МАЗ
Артикул: 5335-1715022
Код для заказа: 00036176
Кронштейн МАЗ КПП нижний ОАО МАЗ
Цена: 446 ₽/шт.
Под заказ
Артикул: 5336-1001048-10
нет в наличии
Кронштейн
Информация
Кронштейн
Группа
Двигатель
Подгруппа
Подвеска двигателя (силового агрегата)
Порядковый номер детали
048
Дополнительно
Не взаимозаменяема с деталью, выпущенной ранее под этим же номером
Артикул: 5336-1001049
в наличии
Кронштейн
Информация
Кронштейн
Группа
Двигатель
Подгруппа
Подвеска двигателя (силового агрегата)
Порядковый номер детали
049
Кронштейн МАЗ двигателя боковой ОАО МАЗ
Артикул: 5336-1001049
Кронштейн МАЗ двигателя боковой ОАО МАЗ
Код для заказа: 00036113
Цена: 6 450 ₽/шт.
Под заказ
Кронштейн МАЗ двигателя боковой ОАО МАЗ
Артикул: 5336-1001049
Код для заказа: 00036113
Кронштейн МАЗ двигателя боковой ОАО МАЗ
Цена: 6 450 ₽/шт.
Под заказ
Артикул: 5336-1715027
в наличии
Винт
Информация
Винт
Группа
Коробка передач
Подгруппа
1715
Порядковый номер детали
027
Болт МАЗ крепления КПП ОАО МАЗ
Артикул: 5336-1715027
Болт МАЗ крепления КПП ОАО МАЗ
Код для заказа: 00023067
Цена: 328 ₽/шт.
Под заказ
Болт МАЗ крепления КПП ОАО МАЗ
Артикул: 5336-1715027
Код для заказа: 00023067
Болт МАЗ крепления КПП ОАО МАЗ
Цена: 328 ₽/шт.
Под заказ
Артикул: 5551-1715012
в наличии
Кронштейн
Информация
Кронштейн
Группа
Коробка передач
Подгруппа
1715
Порядковый номер детали
012
Кронштейн МАЗ КПП верхний ОАО МАЗ
Артикул: 5551-1715012
Кронштейн МАЗ КПП верхний ОАО МАЗ
Код для заказа: 00036175
Цена: 2 835 ₽/шт.
Под заказ
Кронштейн МАЗ КПП верхний ОАО МАЗ
Артикул: 5551-1715012
Код для заказа: 00036175
Кронштейн МАЗ КПП верхний ОАО МАЗ
Цена: 2 835 ₽/шт.
Под заказ
Артикул: 6422-1001018
в наличии
Балка
Информация
Балка
Группа
Двигатель
Подгруппа
Подвеска двигателя (силового агрегата)
Порядковый номер детали
018
Балка опоры двигателя МАЗ
Артикул: 6422-1001018
Балка опоры двигателя МАЗ
Код для заказа: 00008105
Цена: 10 225 ₽/шт.
В наличии: 1 шт.
- +
В корзинуВ корзине
Балка опоры двигателя МАЗ
Артикул: 6422-1001018
Код для заказа: 00008105
Балка опоры двигателя МАЗ
Цена: 10 225 ₽/шт.
В наличии: 1 шт.
- +
В корзинуВ корзине
Артикул: 6422-1001035
в наличии
Подушка боковой опоры двигателя
Количество на схеме: 2
Информация
Подушка боковой опоры двигателя
Количество
2
Примечание
12
Модель
6422
Группа
Двигатель
Подгруппа
Подвеска двигателя (силового агрегата)
Порядковый номер детали
035
Подушка МАЗ боковой опоры двигателя
Артикул: 6422-1001035
Подушка МАЗ боковой опоры двигателя
Код для заказа: 00045153
Цена: 1 180 ₽/шт.
Под заказ
Подушка МАЗ боковой опоры двигателя
Артикул: 6422-1001035
Код для заказа: 00045153
Подушка МАЗ боковой опоры двигателя
Цена: 1 180 ₽/шт.
Под заказ
Артикул: 6422-1001042
в наличии
Опора правая
Информация
Опора правая
Группа
Двигатель
Подгруппа
Подвеска двигателя (силового агрегата)
Порядковый номер детали
042
Опора двигателя МАЗ правая (4 отверстия)
Артикул: 6422-1001042
Опора двигателя МАЗ правая (4 отверстия)
Код для заказа: 00010377
Цена: 3 305 ₽/шт.
Под заказ
Опора двигателя МАЗ правая (4 отверстия)
Артикул: 6422-1001042
Код для заказа: 00010377
Опора двигателя МАЗ правая (4 отверстия)
Цена: 3 305 ₽/шт.
Под заказ
Артикул: 6422-1001043
в наличии
Опора левая
Информация
Опора левая
Группа
Двигатель
Подгруппа
Подвеска двигателя (силового агрегата)
Порядковый номер детали
043
Опора двигателя МАЗ левая (3 отверстия)
Артикул: 6422-1001043
Опора двигателя МАЗ левая (3 отверстия)
Код для заказа: 00010376
Цена: 3 300 ₽/шт.
Под заказ
Опора двигателя МАЗ левая (3 отверстия)
Артикул: 6422-1001043
Код для заказа: 00010376
Опора двигателя МАЗ левая (3 отверстия)
Цена: 3 300 ₽/шт.
Под заказ
  • Грузовые автомобили
  • Автобусы
  • Сельхозтехника
  • Спецтехника
  • Двигатели
Получить оптовый прайс-лист
Скачать прайс-лист от 07.05.2026 16:00
Специальное предложение от 07.05.2026 17:00
Производители:


  • WEICHAI
  • Автодизель ПАО (ЯМЗ)
  • Тутаевский МЗ
  • ЯЗДА
  • УралАЗ
  • МАЗ
  • АЗПИ
  • BOSCH
  • ММЗ
  • ШААЗ
  • FEDERAL MOGUL
  • ПРАМО
  • Мотордеталь
  • ТАИМ
  • АвтоКрАЗ
  • БЕЛКАРД
  • CZ Strakonice
  • КамАЗ
  • БЗА
  • ЧМЗ
  • BMZ
Новости
Все новости
25 марта 2024
Флагманский седельный тягач «Валдай 45» на выставке «TransRussia»
10 марта 2024
Современные автобусы «CITYMAX 9» и ЛиАЗ-5292 CNG
25 февраля 2024
Серийное производство средних дизельных двигателей повышенной мощности от ЯМЗ
Статьи
Все статьи
Датчики двигателя: за что они отвечают, признаки неисправности и как не прогадать с выбором
Двигатели ЯМЗ-534: история, технические характеристики и области применения
Двигатели ЯМЗ 650: углублённый технический обзор и история
Компания
О компании
Реквизиты
Новости
Политика
Магазины
Информация
Условия оплаты
Условия доставки
Гарантия на товар
Обмен и возврат товара
Помощь
Как оформить заказ
Полезные статьи
Бренды
Пункты выдачи
Оставайтесь на связи
  • Вконтакте
  • YouTube
  • Одноклассники
  • Google Plus
Увидели ошибку?
Выделите, нажав Ctrl + Enter
Наши контакты
8-800-700-35-68
sales@din76.ru
г. Ярославль, Ленинградский пр-т 33, ТЦ "ОМЕГА"
2026 © ООО «Динамика 76» - Все права защищены ООО "Динамика 76"
Предложения на сайте не являются публичной офертой.
На сайте обнаружена ошибка

Текст с ошибкой