Избранное 0 Корзина 0 Личный кабинет
logo
Каталог
Каталог
  • Справочник
    • Грузовые автомобили
    • Автобусы
    • Сельхозтехника
    • Спецтехника
    • Двигатели
  • Доставка
  • Оплата
  • О компании
    • Реквизиты
    • Магазины
    • Оплата
    • Доставка
    • Лицензии и сертификаты
    • Новости
    • Вакансии
  • Контакты
Отправить заявку
Личный кабинет
8 (800) 700-35-68
sales@din76.ru
Избранное 0 Корзина 0
8 (800) 700-35-68
Оптовый прайс-лист
Каталог
  • Двигатели
  • Запчасти WEICHAI
  • Запчасти ЯМЗ, ТМЗ (V-образные)
  • Запчасти ЯМЗ-534, ЯМЗ-536
  • Запчасти ЯМЗ-650, ЯМЗ-651, DCi-11
  • Топливная аппаратура
  • Запчасти УРАЛ
  • Запчасти МАЗ
  • Запчасти КамАЗ
  • Запчасти ММЗ
  • Ремни
Автокаталог (справочник)
  • Доставка
  • Оплата
  • О компании
  • Контакты
8 (800) 700-35-68
Написать в Whatsapp
sales@din76.ru
Динамика 76
Меню  
  • Каталог
    • Двигатели  
      • Двигатели ТМЗ  
        • Двигатели ТМЗ для автомобилей
        • Двигатели ТМЗ для тракторов
        • Специальные двигатели ТМЗ
        • Промышленные двигатели ТМЗ
      • Двигатели ЯМЗ  
        • ЯМЗ 236
        • ЯМЗ 238
        • ЯМЗ 240
        • ЯМЗ 751
        • ЯМЗ 840
        • ЯМЗ 850
        • ЯМЗ 656
        • ЯМЗ 658
        • ЯМЗ 534
        • ЯМЗ 536
        • ЯМЗ 650
        • Двигатели ЯМЗ для электростанций
      • Двигатели КАМАЗ
      • Двигатели ММЗ
      • Двигатели индивидуальной сборки
      • Комплекты переоборудования
    • Запчасти WEICHAI  
      • Основные запчасти двигателя  
        • Клапаны и толкатели
        • Шатуны
        • Вал коленчатый и маховик
        • Вал распределительный
        • Цилиндро-поршневая группа
      • Система питания  
        • Форсунки
        • Турбокомпрессор
      • Система смазки  
        • Насос масляный
      • Головка блока
      • Ремкомплекты
      • Система охлаждения  
        • Насос водяной
        • Муфта вязкостная и крыльчатка
      • Фильтры
      • Электрооборудование  
        • Генератор
        • Стартер
    • Запчасти ЯМЗ, ТМЗ (V-образные)  
      • Основные запчасти двигателя  
        • Блок двигателя и комплектующие
        • Валы распределительные и клапаны
        • Головка блока и комплектующие
        • Цилиндро-поршневая группа
        • Маховики и комплектующие
        • Валы коленчатые и комплектующие
        • Шатуны и комплектующие
      • Система питания  
        • Коллекторы и патрубки
        • Топливные трубопроводы
        • Турбокомпрессор
        • Топливные фильтры
      • Электрооборудование двигателя
      • Система охлаждения  
        • Вязкостные муфты и крыльчатки
        • Приводы вентилятора
        • Водяные насосы
        • Водяные трубы и термостаты
      • Коробки переключения передач  
        • 8 Ступенчатые КПП
        • 5 Ступенчатые КПП
        • 9 Ступенчатые КПП
        • Запасные части КПП ЯМЗ, ТМЗ
      • Система смазки  
        • Теплообменник и комплектующие
        • Масляные насосы
        • Фильтры масляные (ФГОМ, ФЦОМ)
      • Сцепление  
        • Запасные части механизма сцепления
        • Муфты (подшипники выжимные)
        • Корзины (диски нажимные)
        • Диски ведомые
      • Прочие запчасти двигателя  
        • Ремкомплекты
        • Привод агрегатов
        • Натяжные устройства
        • Трубки
    • Запчасти ЯМЗ-534, ЯМЗ-536  
      • Основные запчасти двигателя  
        • Цилиндро-поршневая группа
        • Головка блока цилиндров и комплектующие
        • Блок цилиндров и комплектующие
        • Вал коленчатый и маховик
        • Вал распределительный
        • Клапаны и толкатели
        • ГУР (Гидроусилитель руля)
        • Система рециркуляции отработавших газов
        • Выпускной коллектор
      • Система питания  
        • Коллекторы и патрубки
        • Топливные фильтры
        • Турбокомпрессор
        • Топливные трубопроводы
      • Система смазки  
        • Масляный картер поддон
        • Масляный насос
        • Теплообменник /Водо-масляный радиатор
        • Фильтры масляные (ФГОМ, ФЦОМ)
      • Пневмокомпрессор и натяжное
      • Система охлаждения  
        • Водяной насос
        • Водяные трубы и патрубки
        • Муфты вязкостные, приводы, крыльчатки
      • Ремкомплекты
      • Сцепление
      • Электрооборудование
    • Запчасти ЯМЗ-650, ЯМЗ-651, DCi-11  
      • Основные запчасти двигателя  
        • Цилиндро-поршневая группа
        • Головка блока цилиндров и комплектующие
        • Блок цилиндров и комплектующие
        • Вал коленчатый и маховик
        • Выпускной коллектор
        • Вал распределительный
        • Клапаны и толкатели
        • ГУР (Гидроусилитель руля)
        • Система рециркуляции отработавших газов
      • Система питания  
        • Коллекторы и патрубки
        • Топливные трубопроводы
        • Топливные фильтры
        • Турбокомпрессор
      • Система смазки  
        • Масляный картер / поддон
        • Масляный насос
        • Теплообменник / Водо-масляный радиатор
        • Фильтры масляные (ФГОМ, ФЦОМ)
      • Система охлаждения  
        • Водяной насос
        • Водяные трубы и патрубки
        • Муфты вязкостные, приводы, крыльчатки
      • Ремкомплекты
      • Пневмокомпрессор и натяжное
      • Электрооборудование
      • Сцепление
    • Топливная аппаратура  
      • ЯЗДА  
        • Распылители
        • ТНВД
        • Форсунки
        • Топливный насос низкого давления
        • Пары плунжерные
        • Муфта опережения впрыска топлива
        • Запчасти и комплектующие ТНВД
      • НЗТА
      • АЗПИ  
        • Распылители
        • Форсунки
      • BOSCH
    • Запчасти УРАЛ  
      • Трансмиссия  
        • Коробка раздаточная
        • Передача карданная
        • Мост задний
        • Мост передний (ведущий)
        • Мост средний (промежуточный)
      • Кузов  
        • Дверь кабины
        • Капот, крылья, облицовка радиатора
        • Окно ветровое и заднее
        • Отопление и вентиляция кабины
        • Кабина
      • Механизмы управления  
        • Управление рулевое
        • Тормоза
      • Дополнительное оборудование  
        • Отбор мощности
        • Устройство седельное
      • Электрооборудование
      • Ходовая часть  
        • Колеса и ступицы
        • Ось передняя
        • Подвеска автомобиля
        • Рама
    • Запчасти МАЗ  
      • Трансмиссия  
        • Мост задний
        • Мост передний (ведущий)
        • Передача карданная
        • Мост средний (промежуточный)
      • Кузов  
        • Кабина
        • Дверь кабины
        • Детали основания кабины
        • Окно ветровое и заднее
        • Платформа
      • Механизмы управления  
        • Тормоза
        • Управление рулевое
      • Ходовая часть  
        • Колеса и ступицы
        • Ось передняя
        • Подвеска автомобиля
        • Рама
    • Запчасти КамАЗ  
      • Кузов  
        • Кабина
        • Капот, крылья, облицовка радиатора
        • Дверь кабины
        • Платформа
        • Окно ветровое и заднее
        • Устройство подъемное и опрокидывающее
        • Сиденье
        • Крыша кабины (крыша кузова)
        • Отопление и вентиляция кабины
      • Трансмиссия  
        • Коробка передач
        • Коробка раздаточная
        • Мост задний
        • Сцепление
        • Мост средний (промежуточный)
        • Передача карданная
        • Мост передний (ведущий)
      • Двигатель  
        • Основные запчасти двигателя
        • Система охлаждения
        • Система питания
        • Система смазки
      • Дополнительное оборудование  
        • Отбор мощности
        • Устройство седельное
      • Ходовая часть  
        • Подвеска автомобиля
        • Рама
        • Колеса и ступицы
        • Ось передняя
      • Механизмы управления  
        • Тормоза
        • Управление рулевое
      • Электрооборудование
    • Запчасти ММЗ
    • Ремни
  • Справочник
    • Грузовые автомобили
    • Автобусы
    • Сельхозтехника
    • Спецтехника
    • Двигатели
  • Как купить
    • Условия оплаты
    • Условия доставки
    • Гарантия на товар
    • Пункты выдачи
  • Услуги
    • Капитальный ремонт двигателей ЯМЗ
  • Акции
  • Статьи
  • Контакты
  • Компания
    • Реквизиты
    • Магазины
    • Оплата
    • Доставка
    • Лицензии и сертификаты
    • Новости
    • Вакансии
Избранное 0 Корзина 0
8-800-700-35-68

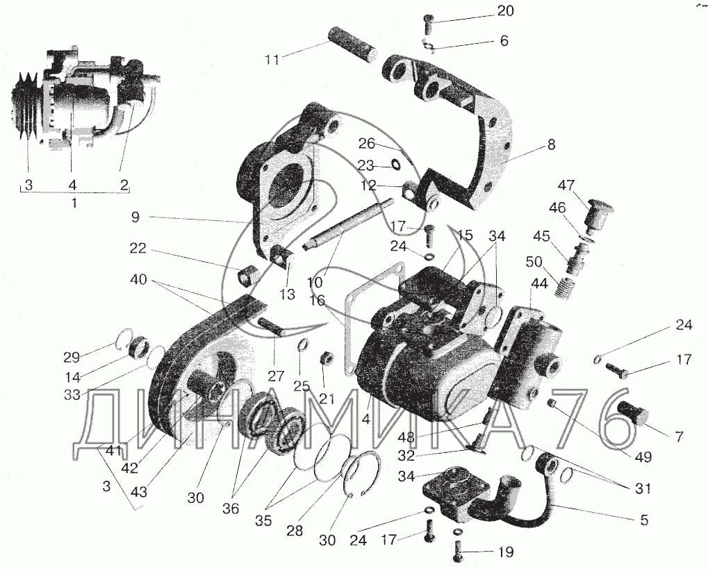
Насос на МАЗ-5432 (до 2003 г.)

Справочник
Главная
-
Автокаталог
-
Грузовые автомобили и прицепы
-
МАЗ
-
МАЗ-5432
Справочный каталог

Насос — МАЗ-5432:

1 2 3 3 4 4 5 6 7 8 9 10 11 12 13 14 15 16 17 17 17 19 20 21 22 23 24 24 24 25 26 27 28 29 30 30 31 32 33 34 34 35 36 40 41 42 43 44 45 46 47 48 49 50
в наличии
нет в наличии
масштаб

В наличии
Нет в наличии

Перечень комплектующих от Насос на МАЗ-5432

Схемы запчастей предназначены для справочных целей! Мы продаем не все запчасти от Насос на МАЗ-5432, представленные в этом списке.
Наличие на складах по деталям с ценой смотрите в карточке товара.
1
1
Артикул: 543240-3407010
в наличии
Насос в сборе
Количество на схеме: 1
Информация
Насос в сборе
Количество
1
778361;
Модель
543240
Группа
Управление рулевое
Подгруппа
Насос гидроусилителя механизма рулевого управления
Порядковый номер детали
010
Насос ГУР в сб. МАЗ
Артикул: 543240-3407010
Насос ГУР в сб. МАЗ
Код для заказа: 00018312
Цена: 59 125 ₽/шт.
Под заказ
Насос ГУР в сб. МАЗ
Артикул: 543240-3407010
Код для заказа: 00018312
Насос ГУР в сб. МАЗ
Цена: 59 125 ₽/шт.
Под заказ
2
2
Артикул: 5336-3407260
в наличии
Клапан
Количество на схеме: 1
Информация
Клапан
Количество
1
778362;
Модель
5336
Группа
Управление рулевое
Подгруппа
Насос гидроусилителя механизма рулевого управления
Порядковый номер детали
260
Клапан МАЗ расхода и давления ГУРа БААЗ
Артикул: 5336-3407260
Клапан МАЗ расхода и давления ГУРа БААЗ
Код для заказа: 00014312
Цена: 6 285 ₽/шт.
Под заказ
Клапан МАЗ расхода и давления ГУРа БААЗ
Артикул: 5336-3407260
Код для заказа: 00014312
Клапан МАЗ расхода и давления ГУРа БААЗ
Цена: 6 285 ₽/шт.
Под заказ
3
3
Артикул: 5336-3407240
в наличии
Шкив
Количество на схеме: 1
Информация
Шкив
Количество
1
778363;
Модель
5336
Группа
Управление рулевое
Подгруппа
Насос гидроусилителя механизма рулевого управления
Порядковый номер детали
240
Шкив МАЗ насоса ГУРа
Артикул: 5336-3407240
Шкив МАЗ насоса ГУРа
Код для заказа: 00064787
Цена: 2 775 ₽/шт.
Под заказ
Шкив МАЗ насоса ГУРа
Артикул: 5336-3407240
Код для заказа: 00064787
Шкив МАЗ насоса ГУРа
Цена: 2 775 ₽/шт.
Под заказ
4
4
Артикул: 64229-3407310
в наличии
Насос в сборе
Количество на схеме: 1
Информация
Насос в сборе
Количество
1
778364;
Модель
64229
Группа
Управление рулевое
Подгруппа
Насос гидроусилителя механизма рулевого управления
Порядковый номер детали
310
Насос гидроусилителя МАЗ в сборе №
Артикул: 64229-3407310
Насос гидроусилителя МАЗ в сборе №
Код для заказа: 00040549
Цена: 27 750 ₽/шт.
Под заказ
Насос гидроусилителя МАЗ в сборе №
Артикул: 64229-3407310
Код для заказа: 00040549
Насос гидроусилителя МАЗ в сборе №
Цена: 27 750 ₽/шт.
Под заказ
5
5
Артикул: 543240-3407220
в наличии
Фланец
Количество на схеме: 1
Информация
Фланец
Количество
1
778365;
Модель
543240
Группа
Управление рулевое
Подгруппа
Насос гидроусилителя механизма рулевого управления
Порядковый номер детали
220
Фланец МАЗ насоса ГУР (под насос 543240)
Артикул: 543240-3407220
Фланец МАЗ насоса ГУР (под насос 543240)
Код для заказа: 00061691
Цена: 1 369 ₽/шт.
Под заказ
Фланец МАЗ насоса ГУР (под насос 543240)
Артикул: 543240-3407220
Код для заказа: 00061691
Фланец МАЗ насоса ГУР (под насос 543240)
Цена: 1 369 ₽/шт.
Под заказ
6
6
Артикул: 535А-2405134
нет в наличии
Шайба
Количество на схеме: 1
Информация
Шайба
Количество
1
778366;
Модель
535А
Группа
Мост задний
Подгруппа
2405
Порядковый номер детали
134
7
7
Артикул: 503-3405188-10
в наличии
Болт
Количество на схеме: 1
Информация
Болт
Количество
1
778367;
Модель
503
Группа
Управление рулевое
Подгруппа
Цилиндр силовой гидроусилителя
Порядковый номер детали
188
Дополнительно
Не взаимозаменяема с деталью, выпущенной ранее под этим же номером
Болт МАЗ приводной БААЗ
Артикул: 503-3405188-10
Болт МАЗ приводной БААЗ
Код для заказа: 00023069
Цена: 255 ₽/шт.
Под заказ
Болт МАЗ приводной БААЗ
Артикул: 503-3405188-10
Код для заказа: 00023069
Болт МАЗ приводной БААЗ
Цена: 255 ₽/шт.
Под заказ
8
8
Артикул: 543240-3407203
в наличии
Кронштейн неподвижный
Количество на схеме: 1
Информация
Кронштейн неподвижный
Количество
1
778368;
Модель
543240
Группа
Управление рулевое
Подгруппа
Насос гидроусилителя механизма рулевого управления
Порядковый номер детали
203
Кронштейн МАЗ насоса ГУР БААЗ
Артикул: 543240-3407203
Кронштейн МАЗ насоса ГУР БААЗ
Код для заказа: 00036236
Цена: 5 004 ₽/шт.
Под заказ
Кронштейн МАЗ насоса ГУР БААЗ
Артикул: 543240-3407203
Код для заказа: 00036236
Кронштейн МАЗ насоса ГУР БААЗ
Цена: 5 004 ₽/шт.
Под заказ
Кронштейн МАЗ насоса ГУРа комплект с шкивом ЕВРО
Артикул: 543240-3407203
Кронштейн МАЗ насоса ГУРа комплект с шкивом ЕВРО
Код для заказа: 00036239
Цена: 9 700 ₽/шт.
Под заказ
Кронштейн МАЗ насоса ГУРа комплект с шкивом ЕВРО
Артикул: 543240-3407203
Код для заказа: 00036239
Кронштейн МАЗ насоса ГУРа комплект с шкивом ЕВРО
Цена: 9 700 ₽/шт.
Под заказ
9
9
Артикул: 5336-3407205
в наличии
Кронштейн подвижный
Количество на схеме: 1
Информация
Кронштейн подвижный
Количество
1
778369;
Модель
5336
Группа
Управление рулевое
Подгруппа
Насос гидроусилителя механизма рулевого управления
Порядковый номер детали
205
Кронштейн МАЗ насоса ГУР БААЗ
Артикул: 5336-3407205
Кронштейн МАЗ насоса ГУР БААЗ
Код для заказа: 00036235
Цена: 5 004 ₽/шт.
Под заказ
Кронштейн МАЗ насоса ГУР БААЗ
Артикул: 5336-3407205
Код для заказа: 00036235
Кронштейн МАЗ насоса ГУР БААЗ
Цена: 5 004 ₽/шт.
Под заказ
10
10
Артикул: 5336-3407216
в наличии
Регулировочный болт
Количество на схеме: 1
Информация
Регулировочный болт
Количество
1
778370;
Модель
5336
Группа
Управление рулевое
Подгруппа
Насос гидроусилителя механизма рулевого управления
Порядковый номер детали
216
Болт МАЗ регулировочный насоса ГУР БААЗ
Артикул: 5336-3407216
Болт МАЗ регулировочный насоса ГУР БААЗ
Код для заказа: 00023073
Цена: 516 ₽/шт.
Под заказ
Болт МАЗ регулировочный насоса ГУР БААЗ
Артикул: 5336-3407216
Код для заказа: 00023073
Болт МАЗ регулировочный насоса ГУР БААЗ
Цена: 516 ₽/шт.
Под заказ
11
11
Артикул: 500-3407217
в наличии
Палец
Количество на схеме: 1
Информация
Палец
Количество
1
778371;
Модель
500
Группа
Управление рулевое
Подгруппа
Насос гидроусилителя механизма рулевого управления
Порядковый номер детали
217
Палец МАЗ (ось) кронштейна насоса ГУР БААЗ
Артикул: 500-3407217
Палец МАЗ (ось) кронштейна насоса ГУР БААЗ
Код для заказа: 00042307
Цена: 278 ₽/шт.
Под заказ
Палец МАЗ (ось) кронштейна насоса ГУР БААЗ
Артикул: 500-3407217
Код для заказа: 00042307
Палец МАЗ (ось) кронштейна насоса ГУР БААЗ
Цена: 278 ₽/шт.
Под заказ
12
12
Артикул: 5336-3407218
нет в наличии
Упор
Количество на схеме: 1
Информация
Упор
Количество
1
778372;
Модель
5336
Группа
Управление рулевое
Подгруппа
Насос гидроусилителя механизма рулевого управления
Порядковый номер детали
218
13
13
Артикул: 5336-3407219
в наличии
Упор
Количество на схеме: 1
Информация
Упор
Количество
1
778373;
Модель
5336
Группа
Управление рулевое
Подгруппа
Насос гидроусилителя механизма рулевого управления
Порядковый номер детали
219
Упор МАЗ кронштейна насоса ГУР
Артикул: 5336-3407219
Упор МАЗ кронштейна насоса ГУР
Код для заказа: 00060162
Цена: 64 ₽/шт.
Под заказ
Упор МАЗ кронштейна насоса ГУР
Артикул: 5336-3407219
Код для заказа: 00060162
Упор МАЗ кронштейна насоса ГУР
Цена: 64 ₽/шт.
Под заказ
14
14
Артикул: 5336-3407231
нет в наличии
Заглушка
Количество на схеме: 1
Информация
Заглушка
Количество
1
778374;
Модель
5336
Группа
Управление рулевое
Подгруппа
Насос гидроусилителя механизма рулевого управления
Порядковый номер детали
231
15
15
Артикул: 64221-3407263
нет в наличии
Фланец
Количество на схеме: 1
Информация
Фланец
Количество
1
778375;
Модель
64221
Группа
Управление рулевое
Подгруппа
Насос гидроусилителя механизма рулевого управления
Порядковый номер детали
263
16
16
Артикул: 5551-8604013
нет в наличии
Прокладка
Количество на схеме: 2
Информация
Прокладка
Количество
2
778376;
Модель
5551
Группа
Механизм опрокидывающий платформы автомобиля-самосвала
Подгруппа
8604
Порядковый номер детали
013
17
17
Артикул: 201458
нет в наличии
Болт М8-6gх25
Количество на схеме: 10
Информация
Болт М8-6gх25
Количество
10
778377;
Покрытие
без покрытия
19
19
Артикул: 201464
нет в наличии
Болт М8-6gх40
Количество на схеме: 2
Информация
Болт М8-6gх40
Количество
2
778378;
Покрытие
без покрытия
20
20
Артикул: 201476
нет в наличии
Болт М8-1,6gх20
Количество на схеме: 1
Информация
Болт М8-1,6gх20
Количество
1
778379;
Покрытие
без покрытия
21
21
Артикул: 374377
нет в наличии
Гайка М10х1,25-6Н
Количество на схеме: 4
Информация
Гайка М10х1,25-6Н
Количество
4
778380;
Покрытие
без покрытия
22
22
Артикул: 374626
нет в наличии
Гайка М14Х1.5-6Н
Количество на схеме: 1
Информация
Гайка М14Х1.5-6Н
Количество
1
778381;
Покрытие
без покрытия
23
23
Артикул: 252005
нет в наличии
Шайба 8
Количество на схеме: 1
Информация
Шайба 8
Количество
1
778382;
Покрытие
без покрытия
24
24
Артикул: 25135
нет в наличии
Шайба 8Т
Количество на схеме: 12
Информация
Шайба 8Т
Количество
12
778383;
25
25
Артикул: 252156
нет в наличии
Шайба 10Л
Количество на схеме: 4
Информация
Шайба 10Л
Количество
4
778384;
Покрытие
без покрытия
26
26
Артикул: 258038
нет в наличии
Шплинт 3,2х16
Количество на схеме: 1
Информация
Шплинт 3,2х16
Количество
1
778385;
Покрытие
без покрытия
27
27
Артикул: 373164
в наличии
Шпилька М10х25
Количество на схеме: 4
Информация
Шпилька М10х25
Количество
4
778386;
Покрытие
без покрытия
Шпилька M10X25 крышки редуктора ОАО МАЗ
Артикул: 373164
Шпилька M10X25 крышки редуктора ОАО МАЗ
Код для заказа: 00065765
Цена: 37 ₽/шт.
Под заказ
Шпилька M10X25 крышки редуктора ОАО МАЗ
Артикул: 373164
Код для заказа: 00065765
Шпилька M10X25 крышки редуктора ОАО МАЗ
Цена: 37 ₽/шт.
Под заказ
28
28
Артикул: 400356
нет в наличии
Кольцо В30
Количество на схеме: 1
Информация
Кольцо В30
Количество
1
778387;
Покрытие
без покрытия
29
29
Артикул: 400378
нет в наличии
Кольцо В30
Количество на схеме: 1
Информация
Кольцо В30
Количество
1
778388;
Покрытие
без покрытия
30
30
Артикул: 400420
нет в наличии
Кольцо
Количество на схеме: 2
Информация
Кольцо
Количество
2
778389;
Покрытие
без покрытия
31
31
Артикул: 018-022-25-2-3
нет в наличии
Кольцо
Количество на схеме: 2
Информация
Кольцо
Количество
2
778390;
32
32
Артикул: 378942
нет в наличии
Заглушка М16х1,5
Количество на схеме: 1
Информация
Заглушка М16х1,5
Количество
1
778391;
Покрытие
без покрытия
33
33
Артикул: 030-033-19-2-3
нет в наличии
Кольцо
Количество на схеме: 1
Информация
Кольцо
Количество
1
778392;
34
34
Артикул: 028-033-30-2-3
нет в наличии
Кольцо
Количество на схеме: 3
Информация
Кольцо
Количество
3
778393;
35
35
Артикул: 062-066-25-2-3
нет в наличии
Кольцо
Количество на схеме: 2
Информация
Кольцо
Количество
2
778394;
36
36
Артикул: 180206С17
нет в наличии
Подшипник
Количество на схеме: 2
Информация
Подшипник
Количество
2
778395;
Покрытие
40
40
Артикул: 503-3407209
нет в наличии
Ремень (1-14х13-987)
Количество на схеме: 2
Информация
Ремень (1-14х13-987)
Количество
2
778396;
Модель
503
Группа
Управление рулевое
Подгруппа
Насос гидроусилителя механизма рулевого управления
Порядковый номер детали
209
41
41
Артикул: 252707
нет в наличии
Заклепка 6х22
Количество на схеме: 6
Информация
Заклепка 6х22
Количество
6
778397;
Покрытие
без покрытия
42
42
Артикул: 5336-3407245
в наличии
Ступица
Количество на схеме: 1
Информация
Ступица
Количество
1
778398;
Модель
5336
Группа
Управление рулевое
Подгруппа
Насос гидроусилителя механизма рулевого управления
Порядковый номер детали
245
Ступица МАЗ насоса ГУР БААЗ
Артикул: 5336-3407245
Ступица МАЗ насоса ГУР БААЗ
Код для заказа: 00056069
Цена: 2 691 ₽/шт.
Под заказ
Ступица МАЗ насоса ГУР БААЗ
Артикул: 5336-3407245
Код для заказа: 00056069
Ступица МАЗ насоса ГУР БААЗ
Цена: 2 691 ₽/шт.
Под заказ
43
43
Артикул: 5336-3407241
нет в наличии
Шкив
Количество на схеме: 1
Информация
Шкив
Количество
1
778399;
Модель
5336
Группа
Управление рулевое
Подгруппа
Насос гидроусилителя механизма рулевого управления
Порядковый номер детали
241
44
44
Артикул: 5336-3407262
нет в наличии
Корпус
Количество на схеме: 1
Информация
Корпус
Количество
1
778400;
Модель
5336
Группа
Управление рулевое
Подгруппа
Насос гидроусилителя механизма рулевого управления
Порядковый номер детали
262
45
45
Артикул: 53212-3407270
нет в наличии
Клапан
Количество на схеме: 1
Информация
Клапан
Количество
1
778401;
Модель
53212
Группа
Управление рулевое
Подгруппа
Насос гидроусилителя механизма рулевого управления
Порядковый номер детали
270
46
46
Артикул: 021-025-25-2-3
нет в наличии
Кольцо
Количество на схеме: 1
Информация
Кольцо
Количество
1
778402;
47
47
Артикул: 5336-3407264
нет в наличии
Пробка
Количество на схеме: 1
Информация
Пробка
Количество
1
778403;
Модель
5336
Группа
Управление рулевое
Подгруппа
Насос гидроусилителя механизма рулевого управления
Порядковый номер детали
264
48
48
Артикул: 5336-3407266
нет в наличии
Жиклер
Количество на схеме: 1
Информация
Жиклер
Количество
1
778404;
Модель
5336
Группа
Управление рулевое
Подгруппа
Насос гидроусилителя механизма рулевого управления
Порядковый номер детали
266
49
49
Артикул: 262531
нет в наличии
Пробка КГ 1/8"
Количество на схеме: 1
Информация
Пробка КГ 1/8"
Количество
1
778405;
Покрытие
без покрытия
50
50
Артикул: 5336-3410054
нет в наличии
Пружина
Количество на схеме: 1
Информация
Пружина
Количество
1
778406;
Модель
5336
Группа
Управление рулевое
Подгруппа
3410
Порядковый номер детали
054
  • Грузовые автомобили
  • Автобусы
  • Сельхозтехника
  • Спецтехника
  • Двигатели
Получить оптовый прайс-лист
Скачать прайс-лист от 06.05.2026 16:00
Специальное предложение от 06.05.2026 17:00
Производители:


  • WEICHAI
  • Автодизель ПАО (ЯМЗ)
  • Тутаевский МЗ
  • ЯЗДА
  • УралАЗ
  • МАЗ
  • АЗПИ
  • BOSCH
  • ММЗ
  • ШААЗ
  • FEDERAL MOGUL
  • ПРАМО
  • Мотордеталь
  • ТАИМ
  • АвтоКрАЗ
  • БЕЛКАРД
  • CZ Strakonice
  • КамАЗ
  • БЗА
  • ЧМЗ
  • BMZ
Новости
Все новости
25 марта 2024
Флагманский седельный тягач «Валдай 45» на выставке «TransRussia»
10 марта 2024
Современные автобусы «CITYMAX 9» и ЛиАЗ-5292 CNG
25 февраля 2024
Серийное производство средних дизельных двигателей повышенной мощности от ЯМЗ
Статьи
Все статьи
Датчики двигателя: за что они отвечают, признаки неисправности и как не прогадать с выбором
Двигатели ЯМЗ-534: история, технические характеристики и области применения
Двигатели ЯМЗ 650: углублённый технический обзор и история
Компания
О компании
Реквизиты
Новости
Политика
Магазины
Информация
Условия оплаты
Условия доставки
Гарантия на товар
Обмен и возврат товара
Помощь
Как оформить заказ
Полезные статьи
Бренды
Пункты выдачи
Оставайтесь на связи
  • Вконтакте
  • YouTube
  • Одноклассники
  • Google Plus
Увидели ошибку?
Выделите, нажав Ctrl + Enter
Наши контакты
8-800-700-35-68
sales@din76.ru
г. Ярославль, Ленинградский пр-т 33, ТЦ "ОМЕГА"
2026 © ООО «Динамика 76» - Все права защищены ООО "Динамика 76"
Предложения на сайте не являются публичной офертой.
На сайте обнаружена ошибка

Текст с ошибкой