Избранное 0 Корзина 0 Личный кабинет
logo
Каталог
Каталог
  • Справочник
    • Грузовые автомобили
    • Автобусы
    • Сельхозтехника
    • Спецтехника
    • Двигатели
  • Доставка
  • Оплата
  • О компании
    • Реквизиты
    • Магазины
    • Оплата
    • Доставка
    • Лицензии и сертификаты
    • Новости
    • Вакансии
  • Контакты
Отправить заявку
Личный кабинет
8 (800) 700-35-68
sales@din76.ru
Избранное 0 Корзина 0
8 (800) 700-35-68
Оптовый прайс-лист
Каталог
  • Двигатели
  • Запчасти WEICHAI
  • Запчасти ЯМЗ, ТМЗ (V-образные)
  • Запчасти ЯМЗ-534, ЯМЗ-536
  • Запчасти ЯМЗ-650, ЯМЗ-651, DCi-11
  • Топливная аппаратура
  • Запчасти УРАЛ
  • Запчасти МАЗ
  • Запчасти КамАЗ
  • Запчасти ММЗ
  • Ремни
Автокаталог (справочник)
  • Доставка
  • Оплата
  • О компании
  • Контакты
8 (800) 700-35-68
Написать в Whatsapp
sales@din76.ru
Динамика 76
Меню  
  • Каталог
    • Двигатели  
      • Двигатели ТМЗ  
        • Двигатели ТМЗ для автомобилей
        • Двигатели ТМЗ для тракторов
        • Специальные двигатели ТМЗ
        • Промышленные двигатели ТМЗ
      • Двигатели ЯМЗ  
        • ЯМЗ 236
        • ЯМЗ 238
        • ЯМЗ 240
        • ЯМЗ 751
        • ЯМЗ 840
        • ЯМЗ 850
        • ЯМЗ 656
        • ЯМЗ 658
        • ЯМЗ 534
        • ЯМЗ 536
        • ЯМЗ 650
        • Двигатели ЯМЗ для электростанций
      • Двигатели КАМАЗ
      • Двигатели ММЗ
      • Двигатели индивидуальной сборки
      • Комплекты переоборудования
    • Запчасти WEICHAI  
      • Основные запчасти двигателя  
        • Клапаны и толкатели
        • Шатуны
        • Вал коленчатый и маховик
        • Вал распределительный
        • Цилиндро-поршневая группа
      • Система питания  
        • Форсунки
        • Турбокомпрессор
      • Система смазки  
        • Насос масляный
      • Головка блока
      • Ремкомплекты
      • Система охлаждения  
        • Насос водяной
        • Муфта вязкостная и крыльчатка
      • Фильтры
      • Электрооборудование  
        • Генератор
        • Стартер
    • Запчасти ЯМЗ, ТМЗ (V-образные)  
      • Основные запчасти двигателя  
        • Блок двигателя и комплектующие
        • Валы распределительные и клапаны
        • Головка блока и комплектующие
        • Цилиндро-поршневая группа
        • Маховики и комплектующие
        • Валы коленчатые и комплектующие
        • Шатуны и комплектующие
      • Система питания  
        • Коллекторы и патрубки
        • Топливные трубопроводы
        • Турбокомпрессор
        • Топливные фильтры
      • Электрооборудование двигателя
      • Система охлаждения  
        • Вязкостные муфты и крыльчатки
        • Приводы вентилятора
        • Водяные насосы
        • Водяные трубы и термостаты
      • Коробки переключения передач  
        • 8 Ступенчатые КПП
        • 5 Ступенчатые КПП
        • 9 Ступенчатые КПП
        • Запасные части КПП ЯМЗ, ТМЗ
      • Система смазки  
        • Теплообменник и комплектующие
        • Масляные насосы
        • Фильтры масляные (ФГОМ, ФЦОМ)
      • Сцепление  
        • Запасные части механизма сцепления
        • Муфты (подшипники выжимные)
        • Корзины (диски нажимные)
        • Диски ведомые
      • Прочие запчасти двигателя  
        • Ремкомплекты
        • Привод агрегатов
        • Натяжные устройства
        • Трубки
    • Запчасти ЯМЗ-534, ЯМЗ-536  
      • Основные запчасти двигателя  
        • Цилиндро-поршневая группа
        • Головка блока цилиндров и комплектующие
        • Блок цилиндров и комплектующие
        • Вал коленчатый и маховик
        • Вал распределительный
        • Клапаны и толкатели
        • ГУР (Гидроусилитель руля)
        • Система рециркуляции отработавших газов
        • Выпускной коллектор
      • Система питания  
        • Коллекторы и патрубки
        • Топливные фильтры
        • Турбокомпрессор
        • Топливные трубопроводы
      • Система смазки  
        • Масляный картер поддон
        • Масляный насос
        • Теплообменник /Водо-масляный радиатор
        • Фильтры масляные (ФГОМ, ФЦОМ)
      • Пневмокомпрессор и натяжное
      • Система охлаждения  
        • Водяной насос
        • Водяные трубы и патрубки
        • Муфты вязкостные, приводы, крыльчатки
      • Ремкомплекты
      • Сцепление
      • Электрооборудование
    • Запчасти ЯМЗ-650, ЯМЗ-651, DCi-11  
      • Основные запчасти двигателя  
        • Цилиндро-поршневая группа
        • Головка блока цилиндров и комплектующие
        • Блок цилиндров и комплектующие
        • Вал коленчатый и маховик
        • Выпускной коллектор
        • Вал распределительный
        • Клапаны и толкатели
        • ГУР (Гидроусилитель руля)
        • Система рециркуляции отработавших газов
      • Система питания  
        • Коллекторы и патрубки
        • Топливные трубопроводы
        • Топливные фильтры
        • Турбокомпрессор
      • Система смазки  
        • Масляный картер / поддон
        • Масляный насос
        • Теплообменник / Водо-масляный радиатор
        • Фильтры масляные (ФГОМ, ФЦОМ)
      • Система охлаждения  
        • Водяной насос
        • Водяные трубы и патрубки
        • Муфты вязкостные, приводы, крыльчатки
      • Ремкомплекты
      • Пневмокомпрессор и натяжное
      • Электрооборудование
      • Сцепление
    • Топливная аппаратура  
      • ЯЗДА  
        • Распылители
        • ТНВД
        • Форсунки
        • Топливный насос низкого давления
        • Пары плунжерные
        • Муфта опережения впрыска топлива
        • Запчасти и комплектующие ТНВД
      • НЗТА
      • АЗПИ  
        • Распылители
        • Форсунки
      • BOSCH
    • Запчасти УРАЛ  
      • Трансмиссия  
        • Коробка раздаточная
        • Передача карданная
        • Мост задний
        • Мост передний (ведущий)
        • Мост средний (промежуточный)
      • Кузов  
        • Дверь кабины
        • Капот, крылья, облицовка радиатора
        • Окно ветровое и заднее
        • Отопление и вентиляция кабины
        • Кабина
      • Механизмы управления  
        • Управление рулевое
        • Тормоза
      • Дополнительное оборудование  
        • Отбор мощности
        • Устройство седельное
      • Электрооборудование
      • Ходовая часть  
        • Колеса и ступицы
        • Ось передняя
        • Подвеска автомобиля
        • Рама
    • Запчасти МАЗ  
      • Трансмиссия  
        • Мост задний
        • Мост передний (ведущий)
        • Передача карданная
        • Мост средний (промежуточный)
      • Кузов  
        • Кабина
        • Дверь кабины
        • Детали основания кабины
        • Окно ветровое и заднее
        • Платформа
      • Механизмы управления  
        • Тормоза
        • Управление рулевое
      • Ходовая часть  
        • Колеса и ступицы
        • Ось передняя
        • Подвеска автомобиля
        • Рама
    • Запчасти КамАЗ  
      • Кузов  
        • Кабина
        • Капот, крылья, облицовка радиатора
        • Дверь кабины
        • Платформа
        • Окно ветровое и заднее
        • Устройство подъемное и опрокидывающее
        • Сиденье
        • Крыша кабины (крыша кузова)
        • Отопление и вентиляция кабины
      • Трансмиссия  
        • Коробка передач
        • Коробка раздаточная
        • Мост задний
        • Сцепление
        • Мост средний (промежуточный)
        • Передача карданная
        • Мост передний (ведущий)
      • Двигатель  
        • Основные запчасти двигателя
        • Система охлаждения
        • Система питания
        • Система смазки
      • Дополнительное оборудование  
        • Отбор мощности
        • Устройство седельное
      • Ходовая часть  
        • Подвеска автомобиля
        • Рама
        • Колеса и ступицы
        • Ось передняя
      • Механизмы управления  
        • Тормоза
        • Управление рулевое
      • Электрооборудование
    • Запчасти ММЗ
    • Ремни
  • Справочник
    • Грузовые автомобили
    • Автобусы
    • Сельхозтехника
    • Спецтехника
    • Двигатели
  • Как купить
    • Условия оплаты
    • Условия доставки
    • Гарантия на товар
    • Пункты выдачи
  • Услуги
    • Капитальный ремонт двигателей ЯМЗ
  • Акции
  • Статьи
  • Контакты
  • Компания
    • Реквизиты
    • Магазины
    • Оплата
    • Доставка
    • Лицензии и сертификаты
    • Новости
    • Вакансии
Избранное 0 Корзина 0
8-800-700-35-68

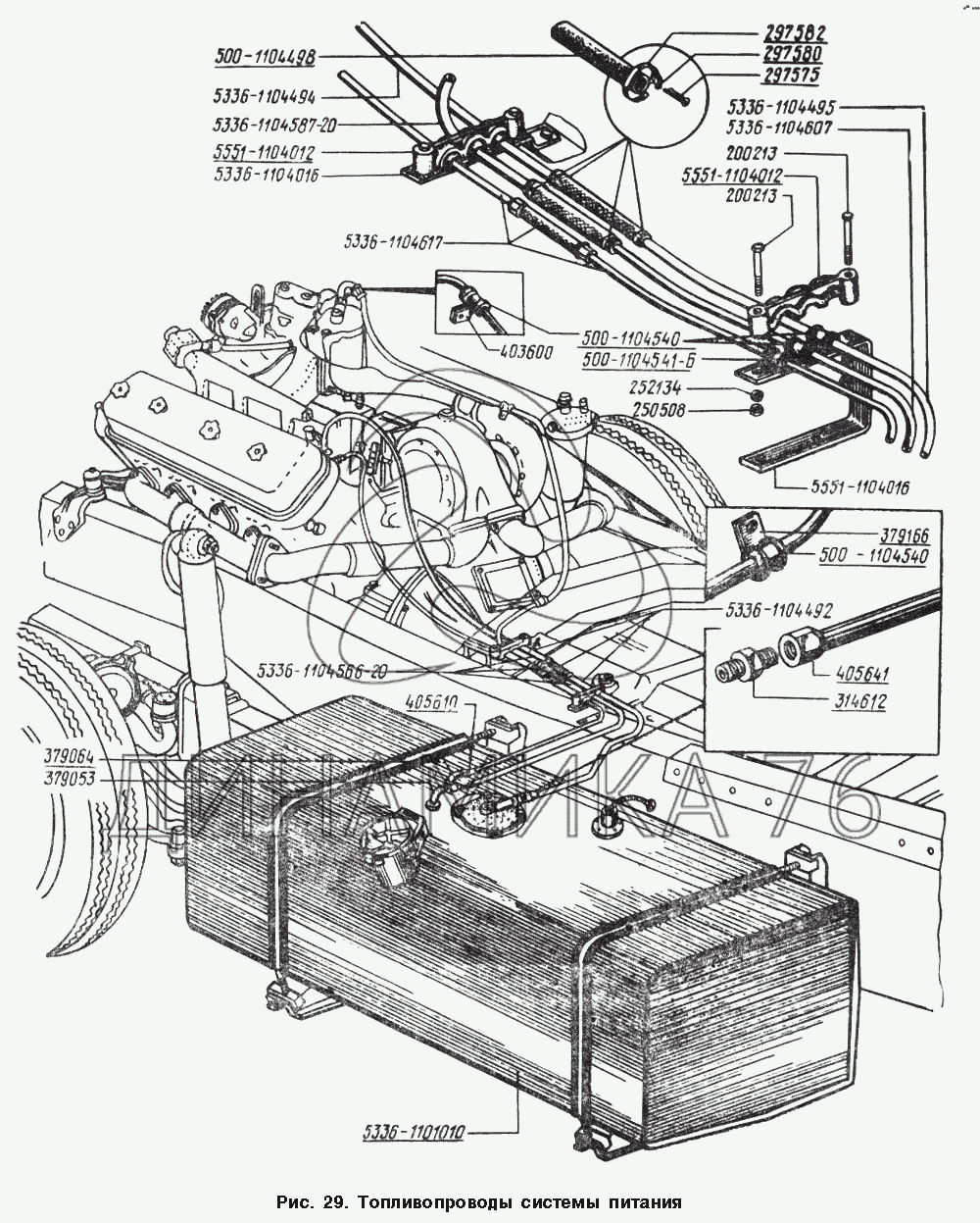
Топливопроводы системы питания на МАЗ-54328

Справочник
Главная
-
Автокаталог
-
Грузовые автомобили и прицепы
-
МАЗ
-
МАЗ-54328
Справочный каталог

Топливопроводы системы питания — МАЗ-54328:

200213 200213 250508-П29 252134-П2 297575-П29 297580-П29 297582-П29 314612 314802 379053 379064-П29 379166-П29 402766 403600 405610 405641 500-1104000 500-1104498 500-1104540 500-1104540 500-1104541-Б 509А-1101110-01 5336-1101010 5336-1104016 5336-1104492 5336-1104494 5336-1104495 5336-1104556-20 5336-1104587-20 5336-1104607 5336-1104617 5336-1108008 5336-1115010 5551-1104012 5551-1104012 5551-1104016 6422-1101102 6422-1101110-01 6422-1108589 64229-1109460 64229-1109468
в наличии
нет в наличии
масштаб

В наличии
Нет в наличии

Перечень комплектующих от Топливопроводы системы питания на МАЗ-54328

Схемы запчастей предназначены для справочных целей! Мы продаем не все запчасти от Топливопроводы системы питания на МАЗ-54328, представленные в этом списке.
Наличие на складах по деталям с ценой смотрите в карточке товара.
Артикул: 200213
нет в наличии
Болт М6-6gх35
Информация
Болт М6-6gх35
Артикул: 250508-П29
в наличии
Гайка М6
Информация
Гайка М6
ГАЙКА М6-6Н.6.16 (ЯМЗ)
Артикул: 250508-П29
ГАЙКА М6-6Н.6.16 (ЯМЗ)
Код для заказа: 00006006
Цена: 13 ₽/шт.
Под заказ
ГАЙКА М6-6Н.6.16 (ЯМЗ)
Артикул: 250508-П29
Код для заказа: 00006006
ГАЙКА М6-6Н.6.16 (ЯМЗ)
Цена: 13 ₽/шт.
Под заказ
Артикул: 252134-П2
в наличии
Шайба
Информация
Шайба
ШАЙБА 6Х2 (ЯМЗ)
Артикул: 252134-П2
ШАЙБА 6Х2 (ЯМЗ)
Код для заказа: 00006016
Цена: 3 ₽/шт.
Под заказ
ШАЙБА 6Х2 (ЯМЗ)
Артикул: 252134-П2
Код для заказа: 00006016
ШАЙБА 6Х2 (ЯМЗ)
Цена: 3 ₽/шт.
Под заказ
Артикул: 297575-П29
нет в наличии
Шплинт
Информация
Шплинт
Артикул: 297580-П29
нет в наличии
Пряжка хомутика
Информация
Пряжка хомутика
Артикул: 297582-П29
нет в наличии
Лента стяжная
Информация
Лента стяжная
Артикул: 314612
в наличии
Ниппель
Количество на схеме: 1
Информация
Ниппель
Количество
1
Примечание
12
Покрытие
без покрытия
Ниппель МАЗ топливопровода d=10мм ОАО МАЗ
Артикул: 314612
Ниппель МАЗ топливопровода d=10мм ОАО МАЗ
Код для заказа: 00041120
Цена: 86 ₽/шт.
Под заказ
Ниппель МАЗ топливопровода d=10мм ОАО МАЗ
Артикул: 314612
Код для заказа: 00041120
Ниппель МАЗ топливопровода d=10мм ОАО МАЗ
Цена: 86 ₽/шт.
Под заказ
Артикул: 314802
нет в наличии
Муфта зажимная
Количество на схеме: 2
Информация
Муфта зажимная
Количество
2
Примечание
20
Покрытие
без покрытия
Артикул: 379053
в наличии
Угольник
Количество на схеме: 1
Информация
Угольник
Количество
1
Примечание
10
Покрытие
без покрытия
Угольник МАЗ бака топливного 350л,500л ОАО МАЗ
Артикул: 379053
Угольник МАЗ бака топливного 350л,500л ОАО МАЗ
Код для заказа: 00059650
Цена: 198 ₽/шт.
Под заказ
Угольник МАЗ бака топливного 350л,500л ОАО МАЗ
Артикул: 379053
Код для заказа: 00059650
Угольник МАЗ бака топливного 350л,500л ОАО МАЗ
Цена: 198 ₽/шт.
Под заказ
Артикул: 379064-П29
нет в наличии
Угольник
Информация
Угольник
Артикул: 379166-П29
нет в наличии
Кляммер
Информация
Кляммер
Артикул: 402766
в наличии
Угольник
Количество на схеме: 1
Информация
Угольник
Количество
1
Примечание
2
Покрытие
без покрытия
Угольник МАЗ М12х1,25-1/4 ОАО МАЗ
Артикул: 402766
Угольник МАЗ М12х1,25-1/4 ОАО МАЗ
Код для заказа: 00059658
Цена: 214 ₽/шт.
Под заказ
Угольник МАЗ М12х1,25-1/4 ОАО МАЗ
Артикул: 402766
Код для заказа: 00059658
Угольник МАЗ М12х1,25-1/4 ОАО МАЗ
Цена: 214 ₽/шт.
Под заказ
Артикул: 403600
нет в наличии
Кляммер
Информация
Кляммер
Артикул: 405610
нет в наличии
Гайка накидная
Информация
Гайка накидная
Артикул: 405641
нет в наличии
Гайка стяжная
Количество на схеме: 4
Информация
Гайка стяжная
Количество
4
Примечание
20
Покрытие
без покрытия
Артикул: 500-1104000
нет в наличии
Трубка мерная диаметр 10 мм длиной 5000 мм
Количество на схеме: 1
Информация
Трубка мерная диаметр 10 мм длиной 5000 мм
Количество
1
Примечание
10
Модель
500
Группа
Cистема питания двигателя
Подгруппа
Трубопроводы топливные
Порядковый номер детали
000
Артикул: 500-1104498
нет в наличии
Шланг
Информация
Шланг
Группа
Cистема питания двигателя
Подгруппа
Трубопроводы топливные
Порядковый номер детали
498
Артикул: 500-1104540
нет в наличии
Втулка
Количество на схеме: 7
Информация
Втулка
Количество
7
Примечание
85
Модель
500
Группа
Cистема питания двигателя
Подгруппа
Трубопроводы топливные
Порядковый номер детали
540
Артикул: 500-1104541-Б
нет в наличии
Втулка
Количество на схеме: 2
Информация
Втулка
Количество
2
Примечание
30
Модель
500
Группа
Cистема питания двигателя
Подгруппа
Трубопроводы топливные
Порядковый номер детали
541
Артикул: 509А-1101110-01
нет в наличии
Хомут топливного бака
Количество на схеме: 2
Информация
Хомут топливного бака
Количество
2
Примечание
2
Модель
509А
Группа
Cистема питания двигателя
Подгруппа
Бак топливный
Порядковый номер детали
110
Артикул: 5336-1101010
в наличии
Бак
Количество на схеме: 1
Информация
Бак
Количество
1
Примечание
2
Модель
5336
Группа
Cистема питания двигателя
Подгруппа
Бак топливный
Порядковый номер детали
010
Бак топливный МАЗ 350л (450х600х1400) БАКОР
Артикул: 5336-1101010
Бак топливный МАЗ 350л (450х600х1400) БАКОР
Код для заказа: 00021297
Цена: 20 825 ₽/шт.
Под заказ
Бак топливный МАЗ 350л (450х600х1400) БАКОР
Артикул: 5336-1101010
Код для заказа: 00021297
Бак топливный МАЗ 350л (450х600х1400) БАКОР
Цена: 20 825 ₽/шт.
Под заказ
Бак топливный МАЗ 350л (450х600х1400) с комплектом для установки+РТИ (без ДУТ,ТЗ) БАКОР
Артикул: 5336-1101010
Бак топливный МАЗ 350л (450х600х1400) с комплектом для установки+РТИ (без ДУТ,ТЗ) БАКОР
Код для заказа: 00021298
Цена: 31 250 ₽/шт.
Под заказ
Бак топливный МАЗ 350л (450х600х1400) с комплектом для установки+РТИ (без ДУТ,ТЗ) БАКОР
Артикул: 5336-1101010
Код для заказа: 00021298
Бак топливный МАЗ 350л (450х600х1400) с комплектом для установки+РТИ (без ДУТ,ТЗ) БАКОР
Цена: 31 250 ₽/шт.
Под заказ
Бак топливный МАЗ 350л ОАО МАЗ
Артикул: 5336-1101010
Бак топливный МАЗ 350л ОАО МАЗ
Код для заказа: 00021299
Цена: 47 500 ₽/шт.
Под заказ
Бак топливный МАЗ 350л ОАО МАЗ
Артикул: 5336-1101010
Код для заказа: 00021299
Бак топливный МАЗ 350л ОАО МАЗ
Цена: 47 500 ₽/шт.
Под заказ
Артикул: 5336-1104016
нет в наличии
Кронштейн
Информация
Кронштейн
Группа
Cистема питания двигателя
Подгруппа
Трубопроводы топливные
Порядковый номер детали
016
Артикул: 5336-1104492
в наличии
Трубка
Информация
Трубка
Группа
Cистема питания двигателя
Подгруппа
Трубопроводы топливные
Порядковый номер детали
492
Трубка топливная МАЗ в сборе со шлангом короткая ОАО МАЗ
Артикул: 5336-1104492
Трубка топливная МАЗ в сборе со шлангом короткая ОАО МАЗ
Код для заказа: 00058278
Цена: 2 843 ₽/шт.
Под заказ
Трубка топливная МАЗ в сборе со шлангом короткая ОАО МАЗ
Артикул: 5336-1104492
Код для заказа: 00058278
Трубка топливная МАЗ в сборе со шлангом короткая ОАО МАЗ
Цена: 2 843 ₽/шт.
Под заказ
Артикул: 5336-1104494
нет в наличии
Трубка всасывающая передняя
Информация
Трубка всасывающая передняя
Группа
Cистема питания двигателя
Подгруппа
Трубопроводы топливные
Порядковый номер детали
494
Артикул: 5336-1104495
нет в наличии
Трубка всасывающая задняя
Информация
Трубка всасывающая задняя
Группа
Cистема питания двигателя
Подгруппа
Трубопроводы топливные
Порядковый номер детали
495
Артикул: 5336-1104556-20
нет в наличии
Трубка топливная со шлангом
Информация
Трубка топливная со шлангом
Группа
Cистема питания двигателя
Подгруппа
Трубопроводы топливные
Порядковый номер детали
556
Дополнительно
Не взаимозаменяема с деталью, выпущенной ранее под этим же номером
Артикул: 5336-1104587-20
нет в наличии
Трубка отводящая передняя
Информация
Трубка отводящая передняя
Группа
Cистема питания двигателя
Подгруппа
Трубопроводы топливные
Порядковый номер детали
587
Дополнительно
Не взаимозаменяема с деталью, выпущенной ранее под этим же номером
Артикул: 5336-1104607
нет в наличии
Трубка отводящая задняя
Информация
Трубка отводящая задняя
Группа
Cистема питания двигателя
Подгруппа
Трубопроводы топливные
Порядковый номер детали
607
Артикул: 5336-1104617
нет в наличии
Трубка
Информация
Трубка
Группа
Cистема питания двигателя
Подгруппа
Трубопроводы топливные
Порядковый номер детали
617
Артикул: 5336-1108008
нет в наличии
Педаль акселератора с втулкой и рычагом
Количество на схеме: 1
Информация
Педаль акселератора с втулкой и рычагом
Количество
1
Примечание
1
Модель
5336
Группа
Cистема питания двигателя
Подгруппа
Управление карбюратором (акселератор - управление подачей топлива)
Порядковый номер детали
008
Артикул: 5336-1115010
в наличии
Тяга останова двигателя
Количество на схеме: 1
Информация
Тяга останова двигателя
Количество
1
Примечание
4
Модель
5336
Группа
Cистема питания двигателя
Подгруппа
1115
Порядковый номер детали
010
Трос МАЗ останова двигателя
Артикул: 5336-1115010
Трос МАЗ останова двигателя
Код для заказа: 00009544
Цена: 1 451 ₽/шт.
Под заказ
Трос МАЗ останова двигателя
Артикул: 5336-1115010
Код для заказа: 00009544
Трос МАЗ останова двигателя
Цена: 1 451 ₽/шт.
Под заказ
Артикул: 5551-1104012
нет в наличии
Хомут
Информация
Хомут
Группа
Cистема питания двигателя
Подгруппа
Трубопроводы топливные
Порядковый номер детали
012
Артикул: 5551-1104016
нет в наличии
Кронштейн
Информация
Кронштейн
Группа
Cистема питания двигателя
Подгруппа
Трубопроводы топливные
Порядковый номер детали
016
Артикул: 6422-1101102
в наличии
Кронштейн бака
Количество на схеме: 2
Информация
Кронштейн бака
Количество
2
Примечание
3
Модель
6422
Группа
Cистема питания двигателя
Подгруппа
Бак топливный
Порядковый номер детали
102
Кронштейн МАЗ бака топливного 350л ОАО МАЗ
Артикул: 6422-1101102
Кронштейн МАЗ бака топливного 350л ОАО МАЗ
Код для заказа: 00036081
Цена: 8 975 ₽/шт.
Под заказ
Кронштейн МАЗ бака топливного 350л ОАО МАЗ
Артикул: 6422-1101102
Код для заказа: 00036081
Кронштейн МАЗ бака топливного 350л ОАО МАЗ
Цена: 8 975 ₽/шт.
Под заказ
Артикул: 6422-1101110-01
в наличии
Хомут с прокладкой
Количество на схеме: 2
Информация
Хомут с прокладкой
Количество
2
Примечание
1
Модель
6422
Группа
Cистема питания двигателя
Подгруппа
Бак топливный
Порядковый номер детали
110
Хомут МАЗ бака топливного 200-350л (450х600) БАКОР
Артикул: 6422-1101110-01
Хомут МАЗ бака топливного 200-350л (450х600) БАКОР
Код для заказа: 00062332
Цена: 651 ₽/шт.
Под заказ
Хомут МАЗ бака топливного 200-350л (450х600) БАКОР
Артикул: 6422-1101110-01
Код для заказа: 00062332
Хомут МАЗ бака топливного 200-350л (450х600) БАКОР
Цена: 651 ₽/шт.
Под заказ
Артикул: 6422-1108589
нет в наличии
Оболочка с наконечником
Количество на схеме: 1
Информация
Оболочка с наконечником
Количество
1
Примечание
2
Модель
6422
Группа
Cистема питания двигателя
Подгруппа
Управление карбюратором (акселератор - управление подачей топлива)
Порядковый номер детали
589
Артикул: 64229-1109460
в наличии
Хомут
Количество на схеме: 4
Информация
Хомут
Количество
4
Примечание
2
Модель
64229
Группа
Cистема питания двигателя
Подгруппа
Фильтр воздушный
Порядковый номер детали
460
Хомут МАЗ фильтра воздушного ОАО МАЗ
Артикул: 64229-1109460
Хомут МАЗ фильтра воздушного ОАО МАЗ
Код для заказа: 00062359
Цена: 47 ₽/шт.
Под заказ
Хомут МАЗ фильтра воздушного ОАО МАЗ
Артикул: 64229-1109460
Код для заказа: 00062359
Хомут МАЗ фильтра воздушного ОАО МАЗ
Цена: 47 ₽/шт.
Под заказ
Артикул: 64229-1109468
нет в наличии
Хомут
Количество на схеме: 4
Информация
Хомут
Количество
4
Примечание
2
Модель
64229
Группа
Cистема питания двигателя
Подгруппа
Фильтр воздушный
Порядковый номер детали
468
  • Грузовые автомобили
  • Автобусы
  • Сельхозтехника
  • Спецтехника
  • Двигатели
Получить оптовый прайс-лист
Скачать прайс-лист от 08.05.2026 16:00
Специальное предложение от 08.05.2026 17:00
Производители:


  • WEICHAI
  • Автодизель ПАО (ЯМЗ)
  • Тутаевский МЗ
  • ЯЗДА
  • УралАЗ
  • МАЗ
  • АЗПИ
  • BOSCH
  • ММЗ
  • ШААЗ
  • FEDERAL MOGUL
  • ПРАМО
  • Мотордеталь
  • ТАИМ
  • АвтоКрАЗ
  • БЕЛКАРД
  • CZ Strakonice
  • КамАЗ
  • БЗА
  • ЧМЗ
  • BMZ
Новости
Все новости
25 марта 2024
Флагманский седельный тягач «Валдай 45» на выставке «TransRussia»
10 марта 2024
Современные автобусы «CITYMAX 9» и ЛиАЗ-5292 CNG
25 февраля 2024
Серийное производство средних дизельных двигателей повышенной мощности от ЯМЗ
Статьи
Все статьи
Датчики двигателя: за что они отвечают, признаки неисправности и как не прогадать с выбором
Двигатели ЯМЗ-534: история, технические характеристики и области применения
Двигатели ЯМЗ 650: углублённый технический обзор и история
Компания
О компании
Реквизиты
Новости
Политика
Магазины
Информация
Условия оплаты
Условия доставки
Гарантия на товар
Обмен и возврат товара
Помощь
Как оформить заказ
Полезные статьи
Бренды
Пункты выдачи
Оставайтесь на связи
  • Вконтакте
  • YouTube
  • Одноклассники
  • Google Plus
Увидели ошибку?
Выделите, нажав Ctrl + Enter
Наши контакты
8-800-700-35-68
sales@din76.ru
г. Ярославль, Ленинградский пр-т 33, ТЦ "ОМЕГА"
2026 © ООО «Динамика 76» - Все права защищены ООО "Динамика 76"
Предложения на сайте не являются публичной офертой.
На сайте обнаружена ошибка

Текст с ошибкой