Избранное 0 Корзина 0 Личный кабинет
logo
Каталог
Каталог
  • Справочник
    • Грузовые автомобили
    • Автобусы
    • Сельхозтехника
    • Спецтехника
    • Двигатели
  • Доставка
  • Оплата
  • О компании
    • Реквизиты
    • Магазины
    • Оплата
    • Доставка
    • Лицензии и сертификаты
    • Новости
    • Вакансии
  • Контакты
Отправить заявку
Личный кабинет
8 (800) 700-35-68
sales@din76.ru
Избранное 0 Корзина 0
8 (800) 700-35-68
Оптовый прайс-лист
Каталог
  • Двигатели
  • Запчасти WEICHAI
  • Запчасти ЯМЗ, ТМЗ (V-образные)
  • Запчасти ЯМЗ-534, ЯМЗ-536
  • Запчасти ЯМЗ-650, ЯМЗ-651, DCi-11
  • Топливная аппаратура
  • Запчасти УРАЛ
  • Запчасти МАЗ
  • Запчасти КамАЗ
  • Запчасти ММЗ
  • Ремни
Автокаталог (справочник)
  • Доставка
  • Оплата
  • О компании
  • Контакты
8 (800) 700-35-68
Написать в Whatsapp
sales@din76.ru
Динамика 76
Меню  
  • Каталог
    • Двигатели  
      • Двигатели ТМЗ  
        • Двигатели ТМЗ для автомобилей
        • Двигатели ТМЗ для тракторов
        • Специальные двигатели ТМЗ
        • Промышленные двигатели ТМЗ
      • Двигатели ЯМЗ  
        • ЯМЗ 236
        • ЯМЗ 238
        • ЯМЗ 240
        • ЯМЗ 751
        • ЯМЗ 840
        • ЯМЗ 850
        • ЯМЗ 656
        • ЯМЗ 658
        • ЯМЗ 534
        • ЯМЗ 536
        • ЯМЗ 650
        • Двигатели ЯМЗ для электростанций
      • Двигатели КАМАЗ
      • Двигатели ММЗ
      • Двигатели индивидуальной сборки
      • Комплекты переоборудования
    • Запчасти WEICHAI  
      • Основные запчасти двигателя  
        • Клапаны и толкатели
        • Шатуны
        • Вал коленчатый и маховик
        • Вал распределительный
        • Цилиндро-поршневая группа
      • Система питания  
        • Форсунки
        • Турбокомпрессор
      • Система смазки  
        • Насос масляный
      • Головка блока
      • Ремкомплекты
      • Система охлаждения  
        • Насос водяной
        • Муфта вязкостная и крыльчатка
      • Фильтры
      • Электрооборудование  
        • Генератор
        • Стартер
    • Запчасти ЯМЗ, ТМЗ (V-образные)  
      • Основные запчасти двигателя  
        • Блок двигателя и комплектующие
        • Валы распределительные и клапаны
        • Головка блока и комплектующие
        • Цилиндро-поршневая группа
        • Маховики и комплектующие
        • Валы коленчатые и комплектующие
        • Шатуны и комплектующие
      • Система питания  
        • Коллекторы и патрубки
        • Топливные трубопроводы
        • Турбокомпрессор
        • Топливные фильтры
      • Электрооборудование двигателя
      • Система охлаждения  
        • Вязкостные муфты и крыльчатки
        • Приводы вентилятора
        • Водяные насосы
        • Водяные трубы и термостаты
      • Коробки переключения передач  
        • 8 Ступенчатые КПП
        • 5 Ступенчатые КПП
        • 9 Ступенчатые КПП
        • Запасные части КПП ЯМЗ, ТМЗ
      • Система смазки  
        • Теплообменник и комплектующие
        • Масляные насосы
        • Фильтры масляные (ФГОМ, ФЦОМ)
      • Сцепление  
        • Запасные части механизма сцепления
        • Муфты (подшипники выжимные)
        • Корзины (диски нажимные)
        • Диски ведомые
      • Прочие запчасти двигателя  
        • Ремкомплекты
        • Привод агрегатов
        • Натяжные устройства
        • Трубки
    • Запчасти ЯМЗ-534, ЯМЗ-536  
      • Основные запчасти двигателя  
        • Цилиндро-поршневая группа
        • Головка блока цилиндров и комплектующие
        • Блок цилиндров и комплектующие
        • Вал коленчатый и маховик
        • Вал распределительный
        • Клапаны и толкатели
        • ГУР (Гидроусилитель руля)
        • Система рециркуляции отработавших газов
        • Выпускной коллектор
      • Система питания  
        • Коллекторы и патрубки
        • Топливные фильтры
        • Турбокомпрессор
        • Топливные трубопроводы
      • Система смазки  
        • Масляный картер поддон
        • Масляный насос
        • Теплообменник /Водо-масляный радиатор
        • Фильтры масляные (ФГОМ, ФЦОМ)
      • Пневмокомпрессор и натяжное
      • Система охлаждения  
        • Водяной насос
        • Водяные трубы и патрубки
        • Муфты вязкостные, приводы, крыльчатки
      • Ремкомплекты
      • Сцепление
      • Электрооборудование
    • Запчасти ЯМЗ-650, ЯМЗ-651, DCi-11  
      • Основные запчасти двигателя  
        • Цилиндро-поршневая группа
        • Головка блока цилиндров и комплектующие
        • Блок цилиндров и комплектующие
        • Вал коленчатый и маховик
        • Выпускной коллектор
        • Вал распределительный
        • Клапаны и толкатели
        • ГУР (Гидроусилитель руля)
        • Система рециркуляции отработавших газов
      • Система питания  
        • Коллекторы и патрубки
        • Топливные трубопроводы
        • Топливные фильтры
        • Турбокомпрессор
      • Система смазки  
        • Масляный картер / поддон
        • Масляный насос
        • Теплообменник / Водо-масляный радиатор
        • Фильтры масляные (ФГОМ, ФЦОМ)
      • Система охлаждения  
        • Водяной насос
        • Водяные трубы и патрубки
        • Муфты вязкостные, приводы, крыльчатки
      • Ремкомплекты
      • Пневмокомпрессор и натяжное
      • Электрооборудование
      • Сцепление
    • Топливная аппаратура  
      • ЯЗДА  
        • Распылители
        • ТНВД
        • Форсунки
        • Топливный насос низкого давления
        • Пары плунжерные
        • Муфта опережения впрыска топлива
        • Запчасти и комплектующие ТНВД
      • НЗТА
      • АЗПИ  
        • Распылители
        • Форсунки
      • BOSCH
    • Запчасти УРАЛ  
      • Трансмиссия  
        • Коробка раздаточная
        • Передача карданная
        • Мост задний
        • Мост передний (ведущий)
        • Мост средний (промежуточный)
      • Кузов  
        • Дверь кабины
        • Капот, крылья, облицовка радиатора
        • Окно ветровое и заднее
        • Отопление и вентиляция кабины
        • Кабина
      • Механизмы управления  
        • Управление рулевое
        • Тормоза
      • Дополнительное оборудование  
        • Отбор мощности
        • Устройство седельное
      • Электрооборудование
      • Ходовая часть  
        • Колеса и ступицы
        • Ось передняя
        • Подвеска автомобиля
        • Рама
    • Запчасти МАЗ  
      • Трансмиссия  
        • Мост задний
        • Мост передний (ведущий)
        • Передача карданная
        • Мост средний (промежуточный)
      • Кузов  
        • Кабина
        • Дверь кабины
        • Детали основания кабины
        • Окно ветровое и заднее
        • Платформа
      • Механизмы управления  
        • Тормоза
        • Управление рулевое
      • Ходовая часть  
        • Колеса и ступицы
        • Ось передняя
        • Подвеска автомобиля
        • Рама
    • Запчасти КамАЗ  
      • Кузов  
        • Кабина
        • Капот, крылья, облицовка радиатора
        • Дверь кабины
        • Платформа
        • Окно ветровое и заднее
        • Устройство подъемное и опрокидывающее
        • Сиденье
        • Крыша кабины (крыша кузова)
        • Отопление и вентиляция кабины
      • Трансмиссия  
        • Коробка передач
        • Коробка раздаточная
        • Мост задний
        • Сцепление
        • Мост средний (промежуточный)
        • Передача карданная
        • Мост передний (ведущий)
      • Двигатель  
        • Основные запчасти двигателя
        • Система охлаждения
        • Система питания
        • Система смазки
      • Дополнительное оборудование  
        • Отбор мощности
        • Устройство седельное
      • Ходовая часть  
        • Подвеска автомобиля
        • Рама
        • Колеса и ступицы
        • Ось передняя
      • Механизмы управления  
        • Тормоза
        • Управление рулевое
      • Электрооборудование
    • Запчасти ММЗ
    • Ремни
  • Справочник
    • Грузовые автомобили
    • Автобусы
    • Сельхозтехника
    • Спецтехника
    • Двигатели
  • Как купить
    • Условия оплаты
    • Условия доставки
    • Гарантия на товар
    • Пункты выдачи
  • Услуги
    • Капитальный ремонт двигателей ЯМЗ
  • Акции
  • Статьи
  • Контакты
  • Компания
    • Реквизиты
    • Магазины
    • Оплата
    • Доставка
    • Лицензии и сертификаты
    • Новости
    • Вакансии
Избранное 0 Корзина 0
8-800-700-35-68

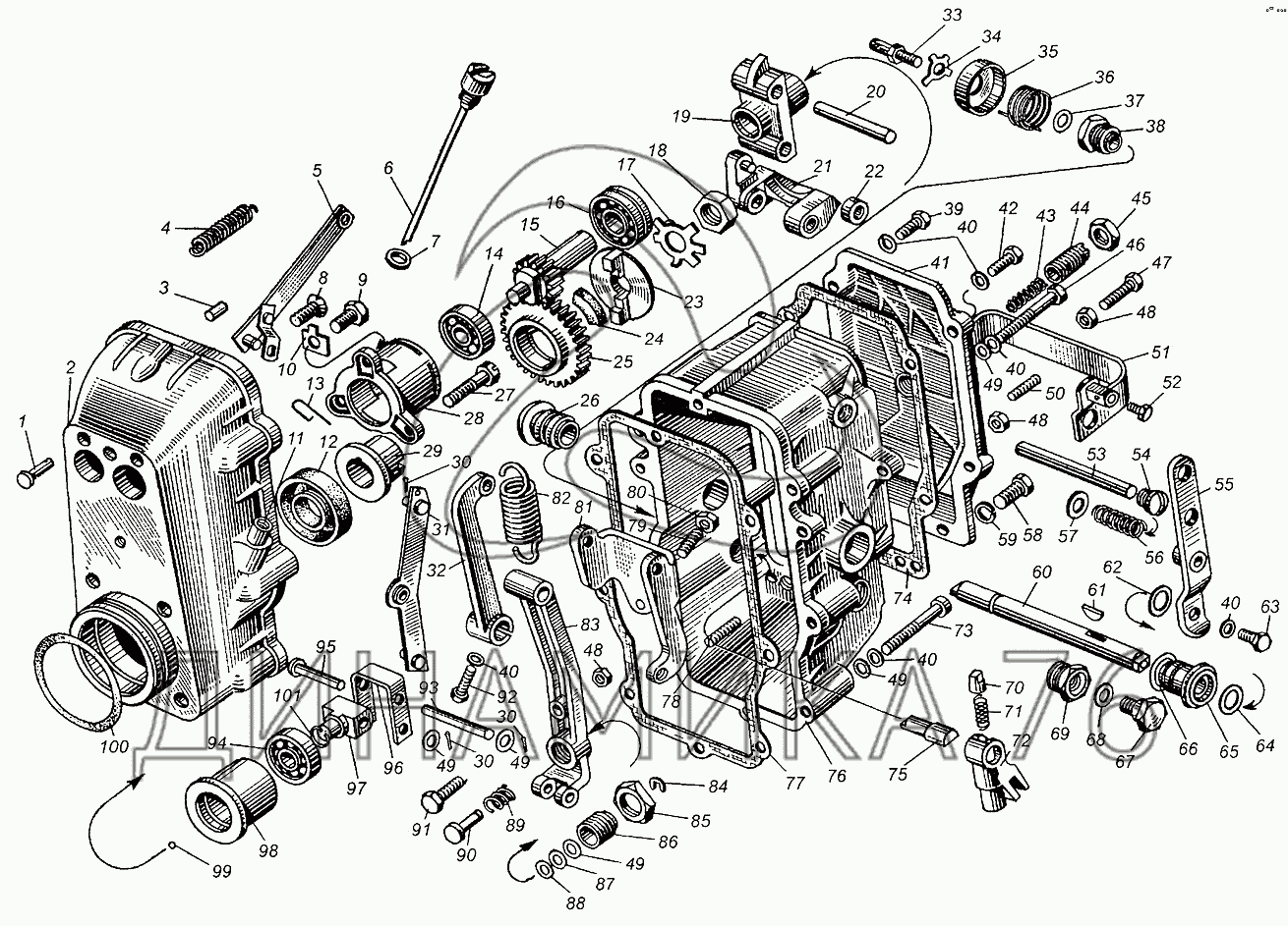
Регулятор частоты вращения двигателя на МАЗ-5429 (до 2003 г.)

Справочник
Главная
-
Автокаталог
-
Грузовые автомобили и прицепы
-
МАЗ
-
МАЗ-5429
Справочный каталог

Регулятор частоты вращения двигателя — МАЗ-5429:

236-1110020-В 236-1110040-А2 236-1110060-А 236-1111188-А 236-1111190 238-1110380 312446-П 1 2 3 4 5 6 7 8 9 10 11 12 13 14 15 16 17 18 19 20 21 22 23 24 25 26 27 28 29 30 30 30 31 32 33 34 35 36 37 38 39 40 40 40 40 40 41 42 43 44 45 46 47 48 48 48 49 49 49 49 49 50 51 52 53 54 55 56 57 58 59 60 61 62 63 64 65 66 67 68 69 70 71 72 73 74 75 76 77 78 79 80 81 82 83 84 85 86 87 88 89 90 91 92 93 94 95 96 97 98 99 100 101
в наличии
нет в наличии
масштаб

В наличии
Нет в наличии

Перечень комплектующих от Регулятор частоты вращения двигателя на МАЗ-5429

Схемы запчастей предназначены для справочных целей! Мы продаем не все запчасти от Регулятор частоты вращения двигателя на МАЗ-5429, представленные в этом списке.
Наличие на складах по деталям с ценой смотрите в карточке товара.
Артикул: 236-1110020-В
нет в наличии
Корпус регулятора в сборе
Количество на схеме: 1
Информация
Корпус регулятора в сборе
Количество
1
14359287;
Модель
236
Группа
Cистема питания двигателя
Подгруппа
Ограничитель частоты вращения коленчатого вала двигателя
Порядковый номер детали
020
Артикул: 236-1110040-А2
в наличии
Державка грузов со стаканом в сборе
Количество на схеме: 1
Информация
Державка грузов со стаканом в сборе
Количество
1
14359286;
Модель
236
Группа
Cистема питания двигателя
Подгруппа
Ограничитель частоты вращения коленчатого вала двигателя
Порядковый номер детали
040
Державка ЯМЗ грузов со стаканом в сб. (ЯЗДА)
Артикул: 236-1110040-А2
Державка ЯМЗ грузов со стаканом в сб. (ЯЗДА)
Код для заказа: 00001571
Цена: 4 493 ₽/шт.
Под заказ
Державка ЯМЗ грузов со стаканом в сб. (ЯЗДА)
Артикул: 236-1110040-А2
Код для заказа: 00001571
Державка ЯМЗ грузов со стаканом в сб. (ЯЗДА)
Цена: 4 493 ₽/шт.
Под заказ
Артикул: 236-1110060-А
нет в наличии
Муфта грузов в сборе
Количество на схеме: 1
Информация
Муфта грузов в сборе
Количество
1
14359289;
Модель
236
Группа
Cистема питания двигателя
Подгруппа
Ограничитель частоты вращения коленчатого вала двигателя
Порядковый номер детали
060
Артикул: 236-1111188-А
нет в наличии
Манжета
Количество на схеме: 1
Информация
Манжета
Количество
1
14359288;
Модель
236
Группа
Cистема питания двигателя
Подгруппа
Насос топливный высокого давления
Порядковый номер детали
188
Артикул: 236-1111190
нет в наличии
Пружина
Количество на схеме: 1
Информация
Пружина
Количество
1
14359290;
Модель
236
Группа
Cистема питания двигателя
Подгруппа
Насос топливный высокого давления
Порядковый номер детали
190
Артикул: 238-1110380
нет в наличии
Скоба кулисы в сборе
Количество на схеме: 1
Информация
Скоба кулисы в сборе
Количество
1
14359291;
Модель
238
Группа
Cистема питания двигателя
Подгруппа
Ограничитель частоты вращения коленчатого вала двигателя
Порядковый номер детали
380
Артикул: 312446-П
нет в наличии
Шайба
Количество на схеме: 2
Информация
Шайба
Количество
2
14359292;
Покрытие
без покрытия
1
1
Артикул: 260003-П15
нет в наличии
Палец пружины рычага рейки
Количество на схеме: 1
Информация
Палец пружины рычага рейки
Количество
1
14359185;
Покрытие
оксидирование (окисное)
2
2
Артикул: 236-1110022-А
нет в наличии
Корпус регулятора
Количество на схеме: 1
Информация
Корпус регулятора
Количество
1
14359186;
Модель
236
Группа
Cистема питания двигателя
Подгруппа
Ограничитель частоты вращения коленчатого вала двигателя
Порядковый номер детали
022
3
3
Артикул: 258639-П15
нет в наличии
Штифт
Количество на схеме: 2
Информация
Штифт
Количество
2
14359187;
Покрытие
оксидирование (окисное)
4
4
Артикул: 236-1110448
нет в наличии
Пружина рычага рейки
Количество на схеме: 1
Информация
Пружина рычага рейки
Количество
1
14359188;
Модель
236
Группа
Cистема питания двигателя
Подгруппа
Ограничитель частоты вращения коленчатого вала двигателя
Порядковый номер детали
448
5
5
Артикул: 236-1110454
нет в наличии
Тяга рейки с пружинной планкой в сборе
Количество на схеме: 1
Информация
Тяга рейки с пружинной планкой в сборе
Количество
1
14359189;
Модель
236
Группа
Cистема питания двигателя
Подгруппа
Ограничитель частоты вращения коленчатого вала двигателя
Порядковый номер детали
454
6
6
Артикул: 236-1110206-Б
нет в наличии
Указатель уровня масла в сборе
Количество на схеме: 1
Информация
Указатель уровня масла в сборе
Количество
1
14359190;
Модель
236
Группа
Cистема питания двигателя
Подгруппа
Ограничитель частоты вращения коленчатого вала двигателя
Порядковый номер детали
206
7
7
Артикул: 236-1111278
нет в наличии
Шайба уплотнительная указателя уровня масла
Количество на схеме: 1
Информация
Шайба уплотнительная указателя уровня масла
Количество
1
14359191;
Модель
236
Группа
Cистема питания двигателя
Подгруппа
Насос топливный высокого давления
Порядковый номер детали
278
8
8
Артикул: 311200-П29
нет в наличии
Винт
Количество на схеме: 3
Информация
Винт
Количество
3
14359192;
Покрытие
цинкование и пассивирование (цинковое с хроматированием)
9
9
Артикул: 310139-П15
нет в наличии
Болт
Количество на схеме: 1
Информация
Болт
Количество
1
14359193;
Покрытие
оксидирование (окисное)
10
10
Артикул: 312529-П15
нет в наличии
Шайба стопорная
Количество на схеме: 3
Информация
Шайба стопорная
Количество
3
14359194;
Покрытие
оксидирование (окисное)
11
11
Артикул: 236-1110209-Б
нет в наличии
Втулка направляющая
Количество на схеме: 1
Информация
Втулка направляющая
Количество
1
14359195;
Модель
236
Группа
Cистема питания двигателя
Подгруппа
Ограничитель частоты вращения коленчатого вала двигателя
Порядковый номер детали
209
12
12
Артикул: 236-1111186-А
нет в наличии
Сальник крышки подшипника с пружиной в сборе
Количество на схеме: 1
Информация
Сальник крышки подшипника с пружиной в сборе
Количество
1
14359196;
Модель
236
Группа
Cистема питания двигателя
Подгруппа
Насос топливный высокого давления
Порядковый номер детали
186
13
13
Артикул: 236-1110042
нет в наличии
Стопор пружинный
Количество на схеме: 1
Информация
Стопор пружинный
Количество
1
14359197;
Модель
236
Группа
Cистема питания двигателя
Подгруппа
Ограничитель частоты вращения коленчатого вала двигателя
Порядковый номер детали
042
14
14
Артикул: 200
нет в наличии
Подшипник шариковый ролика державки грузов
Количество на схеме: 1
Информация
Подшипник шариковый ролика державки грузов
Количество
1
14359198;
15
15
Артикул: 236-1110051-В
нет в наличии
Валик державки грузов
Количество на схеме: 1
Информация
Валик державки грузов
Количество
1
14359199;
Модель
236
Группа
Cистема питания двигателя
Подгруппа
Ограничитель частоты вращения коленчатого вала двигателя
Порядковый номер детали
051
16
16
Артикул: 46202К
нет в наличии
Подшипник
Количество на схеме: 1
Информация
Подшипник
Количество
1
14359200;
17
17
Артикул: 312536-П15
нет в наличии
Шайба стопорная
Количество на схеме: 1
Информация
Шайба стопорная
Количество
1
14359201;
Покрытие
оксидирование (окисное)
18
18
Артикул: 250634-П15
нет в наличии
Гайка
Количество на схеме: 1
Информация
Гайка
Количество
1
14359202;
Покрытие
оксидирование (окисное)
19
19
Артикул: 236-1110046-Б
нет в наличии
Державка грузов
Количество на схеме: 1
Информация
Державка грузов
Количество
1
14359203;
Модель
236
Группа
Cистема питания двигателя
Подгруппа
Ограничитель частоты вращения коленчатого вала двигателя
Порядковый номер детали
046
20
20
Артикул: 236-1110049
нет в наличии
Ось грузов регулятора
Количество на схеме: 2
Информация
Ось грузов регулятора
Количество
2
14359204;
Модель
236
Группа
Cистема питания двигателя
Подгруппа
Ограничитель частоты вращения коленчатого вала двигателя
Порядковый номер детали
049
21
21
Артикул: 236-1110045
нет в наличии
Груз регулятора в сборе
Количество на схеме: 2
Информация
Груз регулятора в сборе
Количество
2
14359205;
Модель
236
Группа
Cистема питания двигателя
Подгруппа
Ограничитель частоты вращения коленчатого вала двигателя
Порядковый номер детали
045
22
22
Артикул: 236-1110532
нет в наличии
Ролик груза регулятора
Количество на схеме: 2
Информация
Ролик груза регулятора
Количество
2
14359206;
Модель
236
Группа
Cистема питания двигателя
Подгруппа
Ограничитель частоты вращения коленчатого вала двигателя
Порядковый номер детали
532
23
23
Артикул: 236-1110521
нет в наличии
Фланец втулки ведущей шестерни
Количество на схеме: 1
Информация
Фланец втулки ведущей шестерни
Количество
1
14359207;
Модель
236
Группа
Cистема питания двигателя
Подгруппа
Ограничитель частоты вращения коленчатого вала двигателя
Порядковый номер детали
521
24
24
Артикул: 236-1110517-Б
нет в наличии
Сухарь ведущей шестерни
Количество на схеме: 4
Информация
Сухарь ведущей шестерни
Количество
4
14359208;
Модель
236
Группа
Cистема питания двигателя
Подгруппа
Ограничитель частоты вращения коленчатого вала двигателя
Порядковый номер детали
517
25
25
Артикул: 236-1110516-Б
нет в наличии
Шестерня регулятора ведущая
Количество на схеме: 1
Информация
Шестерня регулятора ведущая
Количество
1
14359209;
Модель
236
Группа
Cистема питания двигателя
Подгруппа
Ограничитель частоты вращения коленчатого вала двигателя
Порядковый номер детали
516
26
26
Артикул: 236-1110476-Б
нет в наличии
Втулка вала рычага пружины
Количество на схеме: 2
Информация
Втулка вала рычага пружины
Количество
2
14359210;
Модель
236
Группа
Cистема питания двигателя
Подгруппа
Ограничитель частоты вращения коленчатого вала двигателя
Порядковый номер детали
476
27
27
Артикул: 310140-П15
нет в наличии
Болт
Количество на схеме: 2
Информация
Болт
Количество
2
14359211;
Покрытие
оксидирование (окисное)
28
28
Артикул: 236-1110558-В
нет в наличии
Стакан подшипников валика державки
Количество на схеме: 1
Информация
Стакан подшипников валика державки
Количество
1
14359212;
Модель
236
Группа
Cистема питания двигателя
Подгруппа
Ограничитель частоты вращения коленчатого вала двигателя
Порядковый номер детали
558
29
29
Артикул: 236-1110518-Б
нет в наличии
Втулка ведущей шестерни
Количество на схеме: 1
Информация
Втулка ведущей шестерни
Количество
1
14359213;
Модель
236
Группа
Cистема питания двигателя
Подгруппа
Ограничитель частоты вращения коленчатого вала двигателя
Порядковый номер детали
518
30
30
Артикул: 258012-П15
нет в наличии
Шплинт
Количество на схеме: 4
Информация
Шплинт
Количество
4
14359214;
Покрытие
оксидирование (окисное)
31
31
Артикул: 236-1110440
нет в наличии
Рычаг рейки в сборе
Количество на схеме: 1
Информация
Рычаг рейки в сборе
Количество
1
14359215;
Модель
236
Группа
Cистема питания двигателя
Подгруппа
Ограничитель частоты вращения коленчатого вала двигателя
Порядковый номер детали
440
32
32
Артикул: 236-1110466-А
нет в наличии
Рычаг пружины
Количество на схеме: 1
Информация
Рычаг пружины
Количество
1
14359216;
Модель
236
Группа
Cистема питания двигателя
Подгруппа
Ограничитель частоты вращения коленчатого вала двигателя
Порядковый номер детали
466
33
33
Артикул: 236-1110376
нет в наличии
Ось рычага останова двигателя
Количество на схеме: 1
Информация
Ось рычага останова двигателя
Количество
1
14359217;
Модель
236
Группа
Cистема питания двигателя
Подгруппа
Ограничитель частоты вращения коленчатого вала двигателя
Порядковый номер детали
376
34
34
Артикул: 236-1110262
нет в наличии
Шайба скобы кулисы
Количество на схеме: 1
Информация
Шайба скобы кулисы
Количество
1
14359218;
Модель
236
Группа
Cистема питания двигателя
Подгруппа
Ограничитель частоты вращения коленчатого вала двигателя
Порядковый номер детали
262
35
35
Артикул: 236-1110398
нет в наличии
Крышка возвратной пружины
Количество на схеме: 1
Информация
Крышка возвратной пружины
Количество
1
14359219;
Модель
236
Группа
Cистема питания двигателя
Подгруппа
Ограничитель частоты вращения коленчатого вала двигателя
Порядковый номер детали
398
36
36
Артикул: 236-1110396
нет в наличии
Пружина скобы кулисы возвратная
Количество на схеме: 1
Информация
Пружина скобы кулисы возвратная
Количество
1
14359220;
Модель
236
Группа
Cистема питания двигателя
Подгруппа
Ограничитель частоты вращения коленчатого вала двигателя
Порядковый номер детали
396
37
37
Артикул: 236-1110394
нет в наличии
Кольцо уплотнительное оси кулисы
Количество на схеме: 1
Информация
Кольцо уплотнительное оси кулисы
Количество
1
14359221;
Модель
236
Группа
Cистема питания двигателя
Подгруппа
Ограничитель частоты вращения коленчатого вала двигателя
Порядковый номер детали
394
38
38
Артикул: 236-1110134-Б
нет в наличии
Ввертыш оси кулисы
Количество на схеме: 1
Информация
Ввертыш оси кулисы
Количество
1
14359222;
Модель
236
Группа
Cистема питания двигателя
Подгруппа
Ограничитель частоты вращения коленчатого вала двигателя
Порядковый номер детали
134
39
39
Артикул: 310611-П15
нет в наличии
Винт
Количество на схеме: 3
Информация
Винт
Количество
3
14359223;
Покрытие
оксидирование (окисное)
40
40
Артикул: 252154-П29
нет в наличии
Шайба
Количество на схеме: 13
Информация
Шайба
Количество
13
14359224;
Покрытие
цинкование и пассивирование (цинковое с хроматированием)
41
41
Артикул: 236-1110496
нет в наличии
Крышка смотрового люка в сборе
Количество на схеме: 1
Информация
Крышка смотрового люка в сборе
Количество
1
14359225;
Модель
236
Группа
Cистема питания двигателя
Подгруппа
Ограничитель частоты вращения коленчатого вала двигателя
Порядковый номер детали
496
42
42
Артикул: 222525-П15
нет в наличии
Винт крепления крышки смотрового люка
Количество на схеме: 2
Информация
Винт крепления крышки смотрового люка
Количество
2
14359226;
Покрытие
оксидирование (окисное)
43
43
Артикул: 236-1110490
нет в наличии
Пружина буферная
Количество на схеме: 1
Информация
Пружина буферная
Количество
1
14359227;
Модель
236
Группа
Cистема питания двигателя
Подгруппа
Ограничитель частоты вращения коленчатого вала двигателя
Порядковый номер детали
490
44
44
Артикул: 236-1110492
нет в наличии
Корпус буферной пружины
Количество на схеме: 1
Информация
Корпус буферной пружины
Количество
1
14359228;
Модель
236
Группа
Cистема питания двигателя
Подгруппа
Ограничитель частоты вращения коленчатого вала двигателя
Порядковый номер детали
492
45
45
Артикул: 311511-П15
нет в наличии
Контргайка корпуса буферной пружины
Количество на схеме: 1
Информация
Контргайка корпуса буферной пружины
Количество
1
14359229;
Покрытие
оксидирование (окисное)
46
46
Артикул: 310612-П15
нет в наличии
Винт
Количество на схеме: 1
Информация
Винт
Количество
1
14359230;
Покрытие
оксидирование (окисное)
47
47
Артикул: 310142-П15
нет в наличии
Болт регулировочный
Количество на схеме: 2
Информация
Болт регулировочный
Количество
2
14359231;
Покрытие
оксидирование (окисное)
48
48
Артикул: 250508-П29
в наличии
Гайка М6
Количество на схеме: 4
Информация
Гайка М6
Количество
4
14359232;
Покрытие
цинкование и пассивирование (цинковое с хроматированием)
ГАЙКА М6-6Н.6.16 (ЯМЗ)
Артикул: 250508-П29
ГАЙКА М6-6Н.6.16 (ЯМЗ)
Код для заказа: 00006006
Цена: 13 ₽/шт.
Под заказ
ГАЙКА М6-6Н.6.16 (ЯМЗ)
Артикул: 250508-П29
Код для заказа: 00006006
ГАЙКА М6-6Н.6.16 (ЯМЗ)
Цена: 13 ₽/шт.
Под заказ
49
49
Артикул: 312370-П15
нет в наличии
Шайба
Количество на схеме: 19
Информация
Шайба
Количество
19
14359233;
Покрытие
оксидирование (окисное)
50
50
Артикул: 236-1110200
нет в наличии
Винт регулировочный
Количество на схеме: 1
Информация
Винт регулировочный
Количество
1
14359234;
Модель
236
Группа
Cистема питания двигателя
Подгруппа
Ограничитель частоты вращения коленчатого вала двигателя
Порядковый номер детали
200
51
51
Артикул: 236-1110380-А
нет в наличии
Скоба .кулисы в сборе
Количество на схеме: 1
Информация
Скоба .кулисы в сборе
Количество
1
14359235;
Модель
236
Группа
Cистема питания двигателя
Подгруппа
Ограничитель частоты вращения коленчатого вала двигателя
Порядковый номер детали
380
52
52
Артикул: 852000-П29
нет в наличии
Болт
Количество на схеме: 1
Информация
Болт
Количество
1
14359236;
Покрытие
цинкование и пассивирование (цинковое с хроматированием)
53
53
Артикул: 236-1110088
нет в наличии
Ось рычага
Количество на схеме: 1
Информация
Ось рычага
Количество
1
14359237;
Модель
236
Группа
Cистема питания двигателя
Подгруппа
Ограничитель частоты вращения коленчатого вала двигателя
Порядковый номер детали
088
54
54
Артикул: 310608-П15
нет в наличии
Винт-заглушка
Количество на схеме: 2
Информация
Винт-заглушка
Количество
2
14359238;
Покрытие
оксидирование (окисное)
55
55
Артикул: 236-1110149-Б2
нет в наличии
Рычаг управления регулятором в сборе
Количество на схеме: 1
Информация
Рычаг управления регулятором в сборе
Количество
1
14359239;
Модель
236
Группа
Cистема питания двигателя
Подгруппа
Ограничитель частоты вращения коленчатого вала двигателя
Порядковый номер детали
149
56
56
Артикул: 236-1110089
нет в наличии
Пружина компенсационная
Количество на схеме: 1
Информация
Пружина компенсационная
Количество
1
14359240;
Модель
236
Группа
Cистема питания двигателя
Подгруппа
Ограничитель частоты вращения коленчатого вала двигателя
Порядковый номер детали
089
57
57
Артикул: 312700-П15
нет в наличии
Шайба
Количество на схеме: 1
Информация
Шайба
Количество
1
14359241;
Покрытие
оксидирование (окисное)
58
58
Артикул: 222580-П29
нет в наличии
Винт
Количество на схеме: 1
Информация
Винт
Количество
1
14359242;
Покрытие
цинкование и пассивирование (цинковое с хроматированием)
59
59
Артикул: 312353-П
в наличии
Шайба
Количество на схеме: 1
Информация
Шайба
Количество
1
14359243;
Покрытие
без покрытия
Шайба
Артикул: 312353-П
Шайба
Код для заказа: 00008059
Цена: 8 ₽/шт.
В наличии: 203 шт.
- +
В корзинуВ корзине
Шайба
Артикул: 312353-П
Код для заказа: 00008059
Шайба
Цена: 8 ₽/шт.
В наличии: 203 шт.
- +
В корзинуВ корзине
60
60
Артикул: 236-1110467
нет в наличии
Вал рычага пружины
Количество на схеме: 1
Информация
Вал рычага пружины
Количество
1
14359244;
Модель
236
Группа
Cистема питания двигателя
Подгруппа
Ограничитель частоты вращения коленчатого вала двигателя
Порядковый номер детали
467
61
61
Артикул: 314003-П
нет в наличии
Шпонка сегментная
Количество на схеме: 1
Информация
Шпонка сегментная
Количество
1
14359245;
Покрытие
без покрытия
62
62
Артикул: 312347-П15
нет в наличии
Шайба
Количество на схеме: 1
Информация
Шайба
Количество
1
14359246;
Покрытие
оксидирование (окисное)
63
63
Артикул: 201418-П29
нет в наличии
Болт
Количество на схеме: 2
Информация
Болт
Количество
2
14359247;
Покрытие
цинкование и пассивирование (цинковое с хроматированием)
64
64
Артикул: 236-1110482
нет в наличии
Кольцо вала рычага пружины уплотнительное
Количество на схеме: 1
Информация
Кольцо вала рычага пружины уплотнительное
Количество
1
14359248;
Модель
236
Группа
Cистема питания двигателя
Подгруппа
Ограничитель частоты вращения коленчатого вала двигателя
Порядковый номер детали
482
65
65
Артикул: 236-1110476-Б
нет в наличии
Втулка вала рычага пружины
Количество на схеме: 2
Информация
Втулка вала рычага пружины
Количество
2
14359249;
Модель
236
Группа
Cистема питания двигателя
Подгруппа
Ограничитель частоты вращения коленчатого вала двигателя
Порядковый номер детали
476
66
66
Артикул: 236-1110479
нет в наличии
Кольцо втулки вала уплотнительное
Количество на схеме: 2
Информация
Кольцо втулки вала уплотнительное
Количество
2
14359250;
Модель
236
Группа
Cистема питания двигателя
Подгруппа
Ограничитель частоты вращения коленчатого вала двигателя
Порядковый номер детали
479
67
67
Артикул: 236-1110390
нет в наличии
Ось скобы
Количество на схеме: 1
Информация
Ось скобы
Количество
1
14359251;
Модель
236
Группа
Cистема питания двигателя
Подгруппа
Ограничитель частоты вращения коленчатого вала двигателя
Порядковый номер детали
390
68
68
Артикул: 312353-П
в наличии
Шайба
Количество на схеме: 1
Информация
Шайба
Количество
1
14359252;
Покрытие
без покрытия
Шайба
Артикул: 312353-П
Шайба
Код для заказа: 00008059
Цена: 8 ₽/шт.
В наличии: 203 шт.
- +
В корзинуВ корзине
Шайба
Артикул: 312353-П
Код для заказа: 00008059
Шайба
Цена: 8 ₽/шт.
В наличии: 203 шт.
- +
В корзинуВ корзине
69
69
Артикул: 236-1110392
нет в наличии
Ввертыш оси скобы
Количество на схеме: 1
Информация
Ввертыш оси скобы
Количество
1
14359253;
Модель
236
Группа
Cистема питания двигателя
Подгруппа
Ограничитель частоты вращения коленчатого вала двигателя
Порядковый номер детали
392
70
70
Артикул: 236-1110372-Б
нет в наличии
Фиксатор кулисы
Количество на схеме: 1
Информация
Фиксатор кулисы
Количество
1
14359254;
Модель
236
Группа
Cистема питания двигателя
Подгруппа
Ограничитель частоты вращения коленчатого вала двигателя
Порядковый номер детали
372
71
71
Артикул: 236-1110374-Б
нет в наличии
Пружина фиксатора
Количество на схеме: 1
Информация
Пружина фиксатора
Количество
1
14359255;
Модель
236
Группа
Cистема питания двигателя
Подгруппа
Ограничитель частоты вращения коленчатого вала двигателя
Порядковый номер детали
374
72
72
Артикул: 236-1110132-Б
нет в наличии
Кулиса
Количество на схеме: 1
Информация
Кулиса
Количество
1
14359256;
Модель
236
Группа
Cистема питания двигателя
Подгруппа
Ограничитель частоты вращения коленчатого вала двигателя
Порядковый номер детали
132
73
73
Артикул: 222539-П15
нет в наличии
Винт крепления крышки регулятора
Количество на схеме: 5
Информация
Винт крепления крышки регулятора
Количество
5
14359257;
Покрытие
оксидирование (окисное)
74
74
Артикул: 236-1110499-А3
нет в наличии
Прокладка крышки смотрового люка
Количество на схеме: 1
Информация
Прокладка крышки смотрового люка
Количество
1
14359258;
Модель
236
Группа
Cистема питания двигателя
Подгруппа
Ограничитель частоты вращения коленчатого вала двигателя
Порядковый номер детали
499
75
75
Артикул: 236-1110136-Б
нет в наличии
Ось кулисы
Количество на схеме: 1
Информация
Ось кулисы
Количество
1
14359259;
Модель
236
Группа
Cистема питания двигателя
Подгруппа
Ограничитель частоты вращения коленчатого вала двигателя
Порядковый номер детали
136
76
76
Артикул: 236-1110129-В2
нет в наличии
Крышка регулятора
Количество на схеме: 1
Информация
Крышка регулятора
Количество
1
14359260;
Модель
236
Группа
Cистема питания двигателя
Подгруппа
Ограничитель частоты вращения коленчатого вала двигателя
Порядковый номер детали
129
77
77
Артикул: 236-1110154-А
нет в наличии
Прокладка крышки регулятора
Количество на схеме: 1
Информация
Прокладка крышки регулятора
Количество
1
14359261;
Модель
236
Группа
Cистема питания двигателя
Подгруппа
Ограничитель частоты вращения коленчатого вала двигателя
Порядковый номер детали
154
78
78
Артикул: 236-1110201
нет в наличии
Винт регулировочный
Количество на схеме: 1
Информация
Винт регулировочный
Количество
1
14359262;
Модель
236
Группа
Cистема питания двигателя
Подгруппа
Ограничитель частоты вращения коленчатого вала двигателя
Порядковый номер детали
201
79
79
Артикул: 242519-П15
нет в наличии
Винт регулировочный
Количество на схеме: 1
Информация
Винт регулировочный
Количество
1
14359263;
Покрытие
оксидирование (окисное)
80
80
Артикул: 250511-П15
нет в наличии
Гайка
Количество на схеме: 1
Информация
Гайка
Количество
1
14359264;
Покрытие
оксидирование (окисное)
81
81
Артикул: 236-1110080
нет в наличии
Рычаг двуплечий
Количество на схеме: 1
Информация
Рычаг двуплечий
Количество
1
14359265;
Модель
236
Группа
Cистема питания двигателя
Подгруппа
Ограничитель частоты вращения коленчатого вала двигателя
Порядковый номер детали
080
82
82
Артикул: 236-1110462
нет в наличии
Пружина регулятора
Количество на схеме: 1
Информация
Пружина регулятора
Количество
1
14359266;
Модель
236
Группа
Cистема питания двигателя
Подгруппа
Ограничитель частоты вращения коленчатого вала двигателя
Порядковый номер детали
462
83
83
Артикул: 238НБ-1110406-А2
нет в наличии
Рычаг регулятора
Количество на схеме: 1
Информация
Рычаг регулятора
Количество
1
14359267;
Модель
238НБ
Группа
Cистема питания двигателя
Подгруппа
Ограничитель частоты вращения коленчатого вала двигателя
Порядковый номер детали
406
84
84
Артикул: 236-1110418
нет в наличии
Кольцо пружинное упорное
Количество на схеме: 1
Информация
Кольцо пружинное упорное
Количество
1
14359268;
Модель
236
Группа
Cистема питания двигателя
Подгруппа
Ограничитель частоты вращения коленчатого вала двигателя
Порядковый номер детали
418
85
85
Артикул: 311512-П15
нет в наличии
Контргайка
Количество на схеме: 1
Информация
Контргайка
Количество
1
14359269;
Покрытие
оксидирование (окисное)
86
86
Артикул: 236-1110416
нет в наличии
Корпус пружины корректора
Количество на схеме: 1
Информация
Корпус пружины корректора
Количество
1
14359270;
Модель
236
Группа
Cистема питания двигателя
Подгруппа
Ограничитель частоты вращения коленчатого вала двигателя
Порядковый номер детали
416
87
87
Артикул: 236-1110141
нет в наличии
Шайба регулировочная (количество по потребности)
Количество на схеме: 2
Информация
Шайба регулировочная (количество по потребности)
Количество
2
14359271;
Модель
236
Группа
Cистема питания двигателя
Подгруппа
Ограничитель частоты вращения коленчатого вала двигателя
Порядковый номер детали
141
88
88
Артикул: 236-1110140
нет в наличии
Шайба регулировочная (количество по потребности)
Количество на схеме: 2
Информация
Шайба регулировочная (количество по потребности)
Количество
2
14359272;
Модель
236
Группа
Cистема питания двигателя
Подгруппа
Ограничитель частоты вращения коленчатого вала двигателя
Порядковый номер детали
140
89
89
Артикул: 236-1110414
нет в наличии
Пружина корректора
Количество на схеме: 1
Информация
Пружина корректора
Количество
1
14359273;
Модель
236
Группа
Cистема питания двигателя
Подгруппа
Ограничитель частоты вращения коленчатого вала двигателя
Порядковый номер детали
414
90
90
Артикул: 236-1110412
нет в наличии
Корректор
Количество на схеме: 1
Информация
Корректор
Количество
1
14359274;
Модель
236
Группа
Cистема питания двигателя
Подгруппа
Ограничитель частоты вращения коленчатого вала двигателя
Порядковый номер детали
412
91
91
Артикул: 310305-П15
нет в наличии
Болт регулировочный
Количество на схеме: 1
Информация
Болт регулировочный
Количество
1
14359275;
Покрытие
оксидирование (окисное)
92
92
Артикул: 201418-П29
нет в наличии
Болт
Количество на схеме: 1
Информация
Болт
Количество
1
14359276;
Покрытие
цинкование и пассивирование (цинковое с хроматированием)
93
93
Артикул: 236-1110066
нет в наличии
Ось упорной пяты
Количество на схеме: 1
Информация
Ось упорной пяты
Количество
1
14359277;
Модель
236
Группа
Cистема питания двигателя
Подгруппа
Ограничитель частоты вращения коленчатого вала двигателя
Порядковый номер детали
066
94
94
Артикул: 8102
нет в наличии
Подшипник шариковый упорный муфты грузов регулятора частоты вращения
Количество на схеме: 1
Информация
Подшипник шариковый упорный муфты грузов регулятора частоты вращения
Количество
1
14359278;
95
95
Артикул: 317849-П15
нет в наличии
Палец
Количество на схеме: 1
Информация
Палец
Количество
1
14359279;
Покрытие
оксидирование (окисное)
96
96
Артикул: 236-1110433
нет в наличии
Серьга регулятора
Количество на схеме: 1
Информация
Серьга регулятора
Количество
1
14359280;
Модель
236
Группа
Cистема питания двигателя
Подгруппа
Ограничитель частоты вращения коленчатого вала двигателя
Порядковый номер детали
433
97
97
Артикул: 236-1110065-Б
нет в наличии
Пята упорная
Количество на схеме: 1
Информация
Пята упорная
Количество
1
14359281;
Модель
236
Группа
Cистема питания двигателя
Подгруппа
Ограничитель частоты вращения коленчатого вала двигателя
Порядковый номер детали
065
98
98
Артикул: 236-1110062-Б
нет в наличии
Муфта грузов
Количество на схеме: 1
Информация
Муфта грузов
Количество
1
14359282;
Модель
236
Группа
Cистема питания двигателя
Подгруппа
Ограничитель частоты вращения коленчатого вала двигателя
Порядковый номер детали
062
99
99
Артикул: 236-1110064
нет в наличии
Шарик
Количество на схеме: 27
Информация
Шарик
Количество
27
14359283;
Модель
236
Группа
Cистема питания двигателя
Подгруппа
Ограничитель частоты вращения коленчатого вала двигателя
Порядковый номер детали
064
100
100
Артикул: 236-1111196
нет в наличии
Кольцо уплотнительное корпуса регулятора
Количество на схеме: 1
Информация
Кольцо уплотнительное корпуса регулятора
Количество
1
14359284;
Модель
236
Группа
Cистема питания двигателя
Подгруппа
Насос топливный высокого давления
Порядковый номер детали
196
101
101
Артикул: 236-1110067
нет в наличии
Кольцо пружинное
Количество на схеме: 1
Информация
Кольцо пружинное
Количество
1
14359285;
Модель
236
Группа
Cистема питания двигателя
Подгруппа
Ограничитель частоты вращения коленчатого вала двигателя
Порядковый номер детали
067
  • Грузовые автомобили
  • Автобусы
  • Сельхозтехника
  • Спецтехника
  • Двигатели
Получить оптовый прайс-лист
Скачать прайс-лист от 07.05.2026 08:00
Специальное предложение от 07.05.2026 09:00
Производители:


  • WEICHAI
  • Автодизель ПАО (ЯМЗ)
  • Тутаевский МЗ
  • ЯЗДА
  • УралАЗ
  • МАЗ
  • АЗПИ
  • BOSCH
  • ММЗ
  • ШААЗ
  • FEDERAL MOGUL
  • ПРАМО
  • Мотордеталь
  • ТАИМ
  • АвтоКрАЗ
  • БЕЛКАРД
  • CZ Strakonice
  • КамАЗ
  • БЗА
  • ЧМЗ
  • BMZ
Новости
Все новости
25 марта 2024
Флагманский седельный тягач «Валдай 45» на выставке «TransRussia»
10 марта 2024
Современные автобусы «CITYMAX 9» и ЛиАЗ-5292 CNG
25 февраля 2024
Серийное производство средних дизельных двигателей повышенной мощности от ЯМЗ
Статьи
Все статьи
Датчики двигателя: за что они отвечают, признаки неисправности и как не прогадать с выбором
Двигатели ЯМЗ-534: история, технические характеристики и области применения
Двигатели ЯМЗ 650: углублённый технический обзор и история
Компания
О компании
Реквизиты
Новости
Политика
Магазины
Информация
Условия оплаты
Условия доставки
Гарантия на товар
Обмен и возврат товара
Помощь
Как оформить заказ
Полезные статьи
Бренды
Пункты выдачи
Оставайтесь на связи
  • Вконтакте
  • YouTube
  • Одноклассники
  • Google Plus
Увидели ошибку?
Выделите, нажав Ctrl + Enter
Наши контакты
8-800-700-35-68
sales@din76.ru
г. Ярославль, Ленинградский пр-т 33, ТЦ "ОМЕГА"
2026 © ООО «Динамика 76» - Все права защищены ООО "Динамика 76"
Предложения на сайте не являются публичной офертой.
На сайте обнаружена ошибка

Текст с ошибкой