Избранное 0 Корзина 0 Личный кабинет
logo
Каталог
Каталог
  • Справочник
    • Грузовые автомобили
    • Автобусы
    • Сельхозтехника
    • Спецтехника
    • Двигатели
  • Доставка
  • Оплата
  • О компании
    • Реквизиты
    • Магазины
    • Оплата
    • Доставка
    • Лицензии и сертификаты
    • Новости
    • Вакансии
  • Контакты
Отправить заявку
Личный кабинет
8 (800) 700-35-68
sales@din76.ru
Избранное 0 Корзина 0
8 (800) 700-35-68
Оптовый прайс-лист
Каталог
  • Двигатели
  • Запчасти WEICHAI
  • Запчасти ЯМЗ, ТМЗ (V-образные)
  • Запчасти ЯМЗ-534, ЯМЗ-536
  • Запчасти ЯМЗ-650, ЯМЗ-651, DCi-11
  • Топливная аппаратура
  • Запчасти УРАЛ
  • Запчасти МАЗ
  • Запчасти КамАЗ
  • Запчасти ММЗ
  • Ремни
Автокаталог (справочник)
  • Доставка
  • Оплата
  • О компании
  • Контакты
8 (800) 700-35-68
Написать в Whatsapp
sales@din76.ru
Динамика 76
Меню  
  • Каталог
    • Двигатели  
      • Двигатели ТМЗ  
        • Двигатели ТМЗ для автомобилей
        • Двигатели ТМЗ для тракторов
        • Специальные двигатели ТМЗ
        • Промышленные двигатели ТМЗ
      • Двигатели ЯМЗ  
        • ЯМЗ 236
        • ЯМЗ 238
        • ЯМЗ 240
        • ЯМЗ 751
        • ЯМЗ 840
        • ЯМЗ 850
        • ЯМЗ 656
        • ЯМЗ 658
        • ЯМЗ 534
        • ЯМЗ 536
        • ЯМЗ 650
        • Двигатели ЯМЗ для электростанций
      • Двигатели КАМАЗ
      • Двигатели ММЗ
      • Двигатели индивидуальной сборки
      • Комплекты переоборудования
    • Запчасти WEICHAI  
      • Основные запчасти двигателя  
        • Клапаны и толкатели
        • Шатуны
        • Вал коленчатый и маховик
        • Вал распределительный
        • Цилиндро-поршневая группа
      • Система питания  
        • Форсунки
        • Турбокомпрессор
      • Система смазки  
        • Насос масляный
      • Головка блока
      • Ремкомплекты
      • Система охлаждения  
        • Насос водяной
        • Муфта вязкостная и крыльчатка
      • Фильтры
      • Электрооборудование  
        • Генератор
        • Стартер
    • Запчасти ЯМЗ, ТМЗ (V-образные)  
      • Основные запчасти двигателя  
        • Блок двигателя и комплектующие
        • Валы распределительные и клапаны
        • Головка блока и комплектующие
        • Цилиндро-поршневая группа
        • Маховики и комплектующие
        • Валы коленчатые и комплектующие
        • Шатуны и комплектующие
      • Система питания  
        • Коллекторы и патрубки
        • Топливные трубопроводы
        • Турбокомпрессор
        • Топливные фильтры
      • Электрооборудование двигателя
      • Система охлаждения  
        • Вязкостные муфты и крыльчатки
        • Приводы вентилятора
        • Водяные насосы
        • Водяные трубы и термостаты
      • Коробки переключения передач  
        • 8 Ступенчатые КПП
        • 5 Ступенчатые КПП
        • 9 Ступенчатые КПП
        • Запасные части КПП ЯМЗ, ТМЗ
      • Система смазки  
        • Теплообменник и комплектующие
        • Масляные насосы
        • Фильтры масляные (ФГОМ, ФЦОМ)
      • Сцепление  
        • Запасные части механизма сцепления
        • Муфты (подшипники выжимные)
        • Корзины (диски нажимные)
        • Диски ведомые
      • Прочие запчасти двигателя  
        • Ремкомплекты
        • Привод агрегатов
        • Натяжные устройства
        • Трубки
    • Запчасти ЯМЗ-534, ЯМЗ-536  
      • Основные запчасти двигателя  
        • Цилиндро-поршневая группа
        • Головка блока цилиндров и комплектующие
        • Блок цилиндров и комплектующие
        • Вал коленчатый и маховик
        • Вал распределительный
        • Клапаны и толкатели
        • ГУР (Гидроусилитель руля)
        • Система рециркуляции отработавших газов
        • Выпускной коллектор
      • Система питания  
        • Коллекторы и патрубки
        • Топливные фильтры
        • Турбокомпрессор
        • Топливные трубопроводы
      • Система смазки  
        • Масляный картер поддон
        • Масляный насос
        • Теплообменник /Водо-масляный радиатор
        • Фильтры масляные (ФГОМ, ФЦОМ)
      • Пневмокомпрессор и натяжное
      • Система охлаждения  
        • Водяной насос
        • Водяные трубы и патрубки
        • Муфты вязкостные, приводы, крыльчатки
      • Ремкомплекты
      • Сцепление
      • Электрооборудование
    • Запчасти ЯМЗ-650, ЯМЗ-651, DCi-11  
      • Основные запчасти двигателя  
        • Цилиндро-поршневая группа
        • Головка блока цилиндров и комплектующие
        • Блок цилиндров и комплектующие
        • Вал коленчатый и маховик
        • Выпускной коллектор
        • Вал распределительный
        • Клапаны и толкатели
        • ГУР (Гидроусилитель руля)
        • Система рециркуляции отработавших газов
      • Система питания  
        • Коллекторы и патрубки
        • Топливные трубопроводы
        • Топливные фильтры
        • Турбокомпрессор
      • Система смазки  
        • Масляный картер / поддон
        • Масляный насос
        • Теплообменник / Водо-масляный радиатор
        • Фильтры масляные (ФГОМ, ФЦОМ)
      • Система охлаждения  
        • Водяной насос
        • Водяные трубы и патрубки
        • Муфты вязкостные, приводы, крыльчатки
      • Ремкомплекты
      • Пневмокомпрессор и натяжное
      • Электрооборудование
      • Сцепление
    • Топливная аппаратура  
      • ЯЗДА  
        • Распылители
        • ТНВД
        • Форсунки
        • Топливный насос низкого давления
        • Пары плунжерные
        • Муфта опережения впрыска топлива
        • Запчасти и комплектующие ТНВД
      • НЗТА
      • АЗПИ  
        • Распылители
        • Форсунки
      • BOSCH
    • Запчасти УРАЛ  
      • Трансмиссия  
        • Коробка раздаточная
        • Передача карданная
        • Мост задний
        • Мост передний (ведущий)
        • Мост средний (промежуточный)
      • Кузов  
        • Дверь кабины
        • Капот, крылья, облицовка радиатора
        • Окно ветровое и заднее
        • Отопление и вентиляция кабины
        • Кабина
      • Механизмы управления  
        • Управление рулевое
        • Тормоза
      • Дополнительное оборудование  
        • Отбор мощности
        • Устройство седельное
      • Электрооборудование
      • Ходовая часть  
        • Колеса и ступицы
        • Ось передняя
        • Подвеска автомобиля
        • Рама
    • Запчасти МАЗ  
      • Трансмиссия  
        • Мост задний
        • Мост передний (ведущий)
        • Передача карданная
        • Мост средний (промежуточный)
      • Кузов  
        • Кабина
        • Дверь кабины
        • Детали основания кабины
        • Окно ветровое и заднее
        • Платформа
      • Механизмы управления  
        • Тормоза
        • Управление рулевое
      • Ходовая часть  
        • Колеса и ступицы
        • Ось передняя
        • Подвеска автомобиля
        • Рама
    • Запчасти КамАЗ  
      • Кузов  
        • Кабина
        • Капот, крылья, облицовка радиатора
        • Дверь кабины
        • Платформа
        • Окно ветровое и заднее
        • Устройство подъемное и опрокидывающее
        • Сиденье
        • Крыша кабины (крыша кузова)
        • Отопление и вентиляция кабины
      • Трансмиссия  
        • Коробка передач
        • Коробка раздаточная
        • Мост задний
        • Сцепление
        • Мост средний (промежуточный)
        • Передача карданная
        • Мост передний (ведущий)
      • Двигатель  
        • Основные запчасти двигателя
        • Система охлаждения
        • Система питания
        • Система смазки
      • Дополнительное оборудование  
        • Отбор мощности
        • Устройство седельное
      • Ходовая часть  
        • Подвеска автомобиля
        • Рама
        • Колеса и ступицы
        • Ось передняя
      • Механизмы управления  
        • Тормоза
        • Управление рулевое
      • Электрооборудование
    • Запчасти ММЗ
    • Ремни
  • Справочник
    • Грузовые автомобили
    • Автобусы
    • Сельхозтехника
    • Спецтехника
    • Двигатели
  • Как купить
    • Условия оплаты
    • Условия доставки
    • Гарантия на товар
    • Пункты выдачи
  • Услуги
    • Капитальный ремонт двигателей ЯМЗ
  • Акции
  • Статьи
  • Контакты
  • Компания
    • Реквизиты
    • Магазины
    • Оплата
    • Доставка
    • Лицензии и сертификаты
    • Новости
    • Вакансии
Избранное 0 Корзина 0
8-800-700-35-68

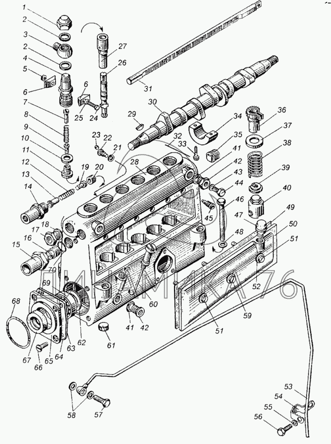
Насос топливный высокого давления на МАЗ-5429 (до 2003 г.)

Справочник
Главная
-
Автокаталог
-
Грузовые автомобили и прицепы
-
МАЗ
-
МАЗ-5429
Справочный каталог

Насос топливный высокого давления — МАЗ-5429:

236-1111007-Б2 236-1111036 236-1111062 236-1111064 236-1111188-А 236-1111190 236-1111278 236-1111282-А2 238-1111007-Б2 1 2 2 3 4 5 6 6 7 8 9 10 11 12 13 14 15 16 17 18 19 20 21 22 23 24 25 26 27 28 28 29 30 30 31 31 32 33 34 35 36 37 38 39 40 41 41 42 42 43 44 45 46 47 48 49 49 50 50 51 51 52 53 53 54 55 56 57 58 59 60 61 62 63 64 65 66 67 68 69 70
в наличии
нет в наличии
масштаб

В наличии
Нет в наличии

Перечень комплектующих от Насос топливный высокого давления на МАЗ-5429

Схемы запчастей предназначены для справочных целей! Мы продаем не все запчасти от Насос топливный высокого давления на МАЗ-5429, представленные в этом списке.
Наличие на складах по деталям с ценой смотрите в карточке товара.
Артикул: 236-1111007-Б2
нет в наличии
Насос топливный высокого давления с регулятором частоты вращения в сборе
Количество на схеме: 1
Информация
Насос топливный высокого давления с регулятором частоты вращения в сборе
Количество
1
14359374;
Модель
236
Группа
Cистема питания двигателя
Подгруппа
Насос топливный высокого давления
Порядковый номер детали
007
Артикул: 236-1111036
нет в наличии
Ввертыш
Количество на схеме: 2
Информация
Ввертыш
Количество
2
14359369;
Модель
236
Группа
Cистема питания двигателя
Подгруппа
Насос топливный высокого давления
Порядковый номер детали
036
Артикул: 236-1111062
нет в наличии
Венец зубчатый
Количество на схеме: 8
Информация
Венец зубчатый
Количество
8
14359370;
Модель
236
Группа
Cистема питания двигателя
Подгруппа
Насос топливный высокого давления
Порядковый номер детали
062
Артикул: 236-1111064
нет в наличии
Втулка зубчатого венца
Количество на схеме: 8
Информация
Втулка зубчатого венца
Количество
8
14359371;
Модель
236
Группа
Cистема питания двигателя
Подгруппа
Насос топливный высокого давления
Порядковый номер детали
064
Артикул: 236-1111188-А
нет в наличии
Манжета
Количество на схеме: 1
Информация
Манжета
Количество
1
14359373;
Модель
236
Группа
Cистема питания двигателя
Подгруппа
Насос топливный высокого давления
Порядковый номер детали
188
Артикул: 236-1111190
нет в наличии
Пружина
Количество на схеме: 1
Информация
Пружина
Количество
1
14359376;
Модель
236
Группа
Cистема питания двигателя
Подгруппа
Насос топливный высокого давления
Порядковый номер детали
190
Артикул: 236-1111278
нет в наличии
Шайба уплотнительная указателя уровня масла
Количество на схеме: 1
Информация
Шайба уплотнительная указателя уровня масла
Количество
1
14359377;
Модель
236
Группа
Cистема питания двигателя
Подгруппа
Насос топливный высокого давления
Порядковый номер детали
278
Артикул: 236-1111282-А2
нет в наличии
Клапан в сборе
Количество на схеме: 1
Информация
Клапан в сборе
Количество
1
14359372;
Модель
236
Группа
Cистема питания двигателя
Подгруппа
Насос топливный высокого давления
Порядковый номер детали
282
Артикул: 238-1111007-Б2
нет в наличии
Насос топливный высокого давления с регулятором частоты вращения в сборе
Количество на схеме: 1
Информация
Насос топливный высокого давления с регулятором частоты вращения в сборе
Количество
1
14359375;
Модель
238
Группа
Cистема питания двигателя
Подгруппа
Насос топливный высокого давления
Порядковый номер детали
007
1
1
Артикул: 312107-П15
нет в наличии
Гайка колпачковая
Количество на схеме: 8
Информация
Гайка колпачковая
Количество
8
14359293;
Покрытие
оксидирование (окисное)
2
2
Артикул: 312450-П
в наличии
Шайба ниппеля
Количество на схеме: 16
Информация
Шайба ниппеля
Количество
16
14359294;
Покрытие
без покрытия
Шайба бокового штуцера ТНВД ЯМЗ ф 14 мм. алюминий
Артикул: 312450-П
Шайба бокового штуцера ТНВД ЯМЗ ф 14 мм. алюминий
Код для заказа: 00009392
Цена: 5 ₽/шт.
Под заказ
Шайба бокового штуцера ТНВД ЯМЗ ф 14 мм. алюминий
Артикул: 312450-П
Код для заказа: 00009392
Шайба бокового штуцера ТНВД ЯМЗ ф 14 мм. алюминий
Цена: 5 ₽/шт.
Под заказ
3
3
Артикул: 236-1111116
нет в наличии
Ниппель соединительный
Количество на схеме: 8
Информация
Ниппель соединительный
Количество
8
14359295;
Модель
236
Группа
Cистема питания двигателя
Подгруппа
Насос топливный высокого давления
Порядковый номер детали
116
4
4
Артикул: 236-1111118-Б
нет в наличии
Штуцер топливного насоса
Количество на схеме: 8
Информация
Штуцер топливного насоса
Количество
8
14359296;
Модель
236
Группа
Cистема питания двигателя
Подгруппа
Насос топливный высокого давления
Порядковый номер детали
118
5
5
Артикул: 250508-П29
в наличии
Гайка М6
Количество на схеме: 4
Информация
Гайка М6
Количество
4
14359297;
Покрытие
цинкование и пассивирование (цинковое с хроматированием)
ГАЙКА М6-6Н.6.16 (ЯМЗ)
Артикул: 250508-П29
ГАЙКА М6-6Н.6.16 (ЯМЗ)
Код для заказа: 00006006
Цена: 13 ₽/шт.
Под заказ
ГАЙКА М6-6Н.6.16 (ЯМЗ)
Артикул: 250508-П29
Код для заказа: 00006006
ГАЙКА М6-6Н.6.16 (ЯМЗ)
Цена: 13 ₽/шт.
Под заказ
6
6
Артикул: 236-1111120
нет в наличии
Сухарь штуцера
Количество на схеме: 8
Информация
Сухарь штуцера
Количество
8
14359298;
Модель
236
Группа
Cистема питания двигателя
Подгруппа
Насос топливный высокого давления
Порядковый номер детали
120
7
7
Артикул: 236-1111113
нет в наличии
Упор клапана
Количество на схеме: 8
Информация
Упор клапана
Количество
8
14359299;
Модель
236
Группа
Cистема питания двигателя
Подгруппа
Насос топливный высокого давления
Порядковый номер детали
113
8
8
Артикул: 236-1111108
нет в наличии
Пружина нагнетательного клапана
Количество на схеме: 8
Информация
Пружина нагнетательного клапана
Количество
8
14359300;
Модель
236
Группа
Cистема питания двигателя
Подгруппа
Насос топливный высокого давления
Порядковый номер детали
108
9
9
Артикул: 236-1111102
нет в наличии
Клапан нагнетательный в сборе
Количество на схеме: 8
Информация
Клапан нагнетательный в сборе
Количество
8
14359301;
Модель
236
Группа
Cистема питания двигателя
Подгруппа
Насос топливный высокого давления
Порядковый номер детали
102
10
10
Артикул: 236-1111086
нет в наличии
Прокладка нагнетательного клапана
Количество на схеме: 8
Информация
Прокладка нагнетательного клапана
Количество
8
14359302;
Модель
236
Группа
Cистема питания двигателя
Подгруппа
Насос топливный высокого давления
Порядковый номер детали
086
11
11
Артикул: 236-1111102
нет в наличии
Клапан нагнетательный в сборе
Количество на схеме: 8
Информация
Клапан нагнетательный в сборе
Количество
8
14359303;
Модель
236
Группа
Cистема питания двигателя
Подгруппа
Насос топливный высокого давления
Порядковый номер детали
102
12
12
Артикул: 236-1111289-В
нет в наличии
Пружина клапана
Количество на схеме: 1
Информация
Пружина клапана
Количество
1
14359304;
Модель
236
Группа
Cистема питания двигателя
Подгруппа
Насос топливный высокого давления
Порядковый номер детали
289
13
13
Артикул: 236-1111290-А
нет в наличии
Направляющая клапана
Количество на схеме: 1
Информация
Направляющая клапана
Количество
1
14359305;
Модель
236
Группа
Cистема питания двигателя
Подгруппа
Насос топливный высокого давления
Порядковый номер детали
290
14
14
Артикул: 236-1111285-Б
нет в наличии
Корпус клапана
Количество на схеме: 1
Информация
Корпус клапана
Количество
1
14359306;
Модель
236
Группа
Cистема питания двигателя
Подгруппа
Насос топливный высокого давления
Порядковый номер детали
285
15
15
Артикул: 236-1111238-Е
нет в наличии
Втулка ограничителя мощности
Количество на схеме: 1
Информация
Втулка ограничителя мощности
Количество
1
14359307;
Модель
236
Группа
Cистема питания двигателя
Подгруппа
Насос топливный высокого давления
Порядковый номер детали
238
16
16
Артикул: 236-1111249-В
нет в наличии
Винт ограничителя мощности
Количество на схеме: 1
Информация
Винт ограничителя мощности
Количество
1
14359308;
Модель
236
Группа
Cистема питания двигателя
Подгруппа
Насос топливный высокого давления
Порядковый номер детали
249
17
17
Артикул: 236-1111032
нет в наличии
Ввертыш корпуса
Количество на схеме: 1
Информация
Ввертыш корпуса
Количество
1
14359309;
Модель
236
Группа
Cистема питания двигателя
Подгруппа
Насос топливный высокого давления
Порядковый номер детали
032
18
18
Артикул: 312630-П
в наличии
Шайба жиклера
Количество на схеме: 5
Информация
Шайба жиклера
Количество
5
14359310;
Покрытие
без покрытия
Шайба 20.3х24.0х1.5 ЯМЗ клапана перепускного ФТОТ медная
Артикул: 312630-П
Шайба 20.3х24.0х1.5 ЯМЗ клапана перепускного ФТОТ медная
Код для заказа: 00003012
Цена: 58 ₽/шт.
В наличии: 1 шт.
- +
В корзинуВ корзине
Шайба 20.3х24.0х1.5 ЯМЗ клапана перепускного ФТОТ медная
Артикул: 312630-П
Код для заказа: 00003012
Шайба 20.3х24.0х1.5 ЯМЗ клапана перепускного ФТОТ медная
Цена: 58 ₽/шт.
В наличии: 1 шт.
- +
В корзинуВ корзине
19
19
Артикул: 236-1111283
нет в наличии
Клапан
Количество на схеме: 1
Информация
Клапан
Количество
1
14359311;
Модель
236
Группа
Cистема питания двигателя
Подгруппа
Насос топливный высокого давления
Порядковый номер детали
283
20
20
Артикул: 236-1111287
нет в наличии
Седло клапана
Количество на схеме: 1
Информация
Седло клапана
Количество
1
14359312;
Модель
236
Группа
Cистема питания двигателя
Подгруппа
Насос топливный высокого давления
Порядковый номер детали
287
21
21
Артикул: 312353-П
в наличии
Шайба
Количество на схеме: 1
Информация
Шайба
Количество
1
14359313;
Покрытие
без покрытия
Шайба
Артикул: 312353-П
Шайба
Код для заказа: 00008059
Цена: 8 ₽/шт.
В наличии: 203 шт.
- +
В корзинуВ корзине
Шайба
Артикул: 312353-П
Код для заказа: 00008059
Шайба
Цена: 8 ₽/шт.
В наличии: 203 шт.
- +
В корзинуВ корзине
22
22
Артикул: 310952-П15
нет в наличии
Винт стопорный
Количество на схеме: 1
Информация
Винт стопорный
Количество
1
14359314;
Покрытие
оксидирование (окисное)
23
23
Артикул: 236-1111154-А
нет в наличии
Стопор винта
Количество на схеме: 1
Информация
Стопор винта
Количество
1
14359315;
Модель
236
Группа
Cистема питания двигателя
Подгруппа
Насос топливный высокого давления
Порядковый номер детали
154
24
24
Артикул: 201426-П29
нет в наличии
Болт стяжной сухаря
Количество на схеме: 4
Информация
Болт стяжной сухаря
Количество
4
14359316;
Покрытие
цинкование и пассивирование (цинковое с хроматированием)
25
25
Артикул: 252134-П29
нет в наличии
Шайба пружинная
Количество на схеме: 4
Информация
Шайба пружинная
Количество
4
14359317;
Покрытие
цинкование и пассивирование (цинковое с хроматированием)
26
26
Артикул: 60-1111074
нет в наличии
Пара плунжерная топливного насоса в сборе
Количество на схеме: 6
Информация
Пара плунжерная топливного насоса в сборе
Количество
6
14359318;
Модель
60
Группа
Cистема питания двигателя
Подгруппа
Насос топливный высокого давления
Порядковый номер детали
074
27
27
Артикул: 60-1111074
нет в наличии
Пара плунжерная топливного насоса в сборе
Количество на схеме: 6
Информация
Пара плунжерная топливного насоса в сборе
Количество
6
14359319;
Модель
60
Группа
Cистема питания двигателя
Подгруппа
Насос топливный высокого давления
Порядковый номер детали
074
28
28
Артикул: 236-1111020-В2
нет в наличии
Корпус топливного насоса высокого давления в сборе
Количество на схеме: 1
Информация
Корпус топливного насоса высокого давления в сборе
Количество
1
14359320;
Модель
236
Группа
Cистема питания двигателя
Подгруппа
Насос топливный высокого давления
Порядковый номер детали
020
28
28
Артикул: 238-1111020-В2
нет в наличии
Корпус топливного насоса высокого давления в сборе
Количество на схеме: 1
Информация
Корпус топливного насоса высокого давления в сборе
Количество
1
14359321;
Модель
238
Группа
Cистема питания двигателя
Подгруппа
Насос топливный высокого давления
Порядковый номер детали
020
29
29
Артикул: 314019-П
нет в наличии
Шпонка сегментная
Количество на схеме: 1
Информация
Шпонка сегментная
Количество
1
14359322;
Покрытие
без покрытия
30
30
Артикул: 236-1111172-Б
нет в наличии
Вал кулачковый
Количество на схеме: 1
Информация
Вал кулачковый
Количество
1
14359323;
Модель
236
Группа
Cистема питания двигателя
Подгруппа
Насос топливный высокого давления
Порядковый номер детали
172
30
30
Артикул: 238-1111172-Б
нет в наличии
Вал кулачковый
Количество на схеме: 1
Информация
Вал кулачковый
Количество
1
14359324;
Модель
238
Группа
Cистема питания двигателя
Подгруппа
Насос топливный высокого давления
Порядковый номер детали
172
31
31
Артикул: 236-1111040
нет в наличии
Рейка топливного насоса высокого давления
Количество на схеме: 1
Информация
Рейка топливного насоса высокого давления
Количество
1
14359325;
Модель
236
Группа
Cистема питания двигателя
Подгруппа
Насос топливный высокого давления
Порядковый номер детали
040
31
31
Артикул: 238-1111040
нет в наличии
Рейка ТНВД
Количество на схеме: 1
Информация
Рейка ТНВД
Количество
1
14359326;
Модель
238
Группа
Cистема питания двигателя
Подгруппа
Насос топливный высокого давления
Порядковый номер детали
040
32
32
Артикул: 852702-П
нет в наличии
Шплинт-проволока
Количество на схеме: 1
Информация
Шплинт-проволока
Количество
1
14359327;
Покрытие
без покрытия
33
33
Артикул: 852007-П15
нет в наличии
Болт
Количество на схеме: 2
Информация
Болт
Количество
2
14359328;
Покрытие
оксидирование (окисное)
34
34
Артикул: 236-1111177-Б
нет в наличии
Опора кулачкового вала
Количество на схеме: 1
Информация
Опора кулачкового вала
Количество
1
14359329;
Модель
236
Группа
Cистема питания двигателя
Подгруппа
Насос топливный высокого давления
Порядковый номер детали
177
35
35
Артикул: 236-1111050
нет в наличии
Пробка корпуса в сборе
Количество на схеме: 2
Информация
Пробка корпуса в сборе
Количество
2
14359330;
Модель
236
Группа
Cистема питания двигателя
Подгруппа
Насос топливный высокого давления
Порядковый номер детали
050
36
36
Артикул: 236-1111060
нет в наличии
Венец зубчатый со втулкой в сборе
Количество на схеме: 8
Информация
Венец зубчатый со втулкой в сборе
Количество
8
14359331;
Модель
236
Группа
Cистема питания двигателя
Подгруппа
Насос топливный высокого давления
Порядковый номер детали
060
37
37
Артикул: 236-1111150Б
нет в наличии
Тарелка пружины толкателя верхняя
Количество на схеме: 8
Информация
Тарелка пружины толкателя верхняя
Количество
8
14359332;
Модель
236
Группа
Cистема питания двигателя
Подгруппа
Насос топливный высокого давления
Порядковый номер детали
150
38
38
Артикул: 236-1111148-Б
нет в наличии
Пружина толкателя топливного насоса
Количество на схеме: 6
Информация
Пружина толкателя топливного насоса
Количество
6
14359333;
Модель
236
Группа
Cистема питания двигателя
Подгруппа
Насос топливный высокого давления
Порядковый номер детали
148
39
39
Артикул: 236-1111151-Б
нет в наличии
Тарелка пружины толкателя нижняя
Количество на схеме: 8
Информация
Тарелка пружины толкателя нижняя
Количество
8
14359334;
Модель
236
Группа
Cистема питания двигателя
Подгруппа
Насос топливный высокого давления
Порядковый номер детали
151
40
40
Артикул: 236-1111136
нет в наличии
Толкатель плунжера в сборе
Количество на схеме: 8
Информация
Толкатель плунжера в сборе
Количество
8
14359335;
Модель
236
Группа
Cистема питания двигателя
Подгруппа
Насос топливный высокого давления
Порядковый номер детали
136
41
41
Артикул: 312449-П
нет в наличии
Шайба
Количество на схеме: 3
Информация
Шайба
Количество
3
14359336;
Покрытие
без покрытия
42
42
Артикул: 236-1111036
нет в наличии
Ввертыш
Количество на схеме: 1
Информация
Ввертыш
Количество
1
14359337;
Модель
236
Группа
Cистема питания двигателя
Подгруппа
Насос топливный высокого давления
Порядковый номер детали
036
43
43
Артикул: 312446-П
нет в наличии
Шайба
Количество на схеме: 2
Информация
Шайба
Количество
2
14359338;
Покрытие
без покрытия
44
44
Артикул: 852882-П15
нет в наличии
Пробка
Количество на схеме: 2
Информация
Пробка
Количество
2
14359339;
Покрытие
оксидирование (окисное)
45
45
Артикул: 236-1111122
нет в наличии
Винт установочный втулки плунжера
Количество на схеме: 8
Информация
Винт установочный втулки плунжера
Количество
8
14359340;
Модель
236
Группа
Cистема питания двигателя
Подгруппа
Насос топливный высокого давления
Порядковый номер детали
122
46
46
Артикул: 200276-П29
в наличии
Болт
Количество на схеме: 4
Информация
Болт
Количество
4
14359341;
Покрытие
цинкование и пассивирование (цинковое с хроматированием)
Болт крышки термостата М8Х85 (ЯМЗ)
Артикул: 200276-П29
Болт крышки термостата М8Х85 (ЯМЗ)
Код для заказа: 00005966
Цена: 35 ₽/шт.
В наличии: 35 шт.
- +
В корзинуВ корзине
Болт крышки термостата М8Х85 (ЯМЗ)
Артикул: 200276-П29
Код для заказа: 00005966
Болт крышки термостата М8Х85 (ЯМЗ)
Цена: 35 ₽/шт.
В наличии: 35 шт.
- +
В корзинуВ корзине
47
47
Артикул: 236-1111260
нет в наличии
Сапун в сборе
Количество на схеме: 1
Информация
Сапун в сборе
Количество
1
14359342;
Модель
236
Группа
Cистема питания двигателя
Подгруппа
Насос топливный высокого давления
Порядковый номер детали
260
48
48
Артикул: 312356-П29
в наличии
Шайба
Количество на схеме: 4
Информация
Шайба
Количество
4
14359343;
Покрытие
цинкование и пассивирование (цинковое с хроматированием)
Шайба крепления ТНВД d=9 мм (ЯМЗ)
Артикул: 312356-П29
Шайба крепления ТНВД d=9 мм (ЯМЗ)
Код для заказа: 00002984
Цена: 35 ₽/шт.
Под заказ
Шайба крепления ТНВД d=9 мм (ЯМЗ)
Артикул: 312356-П29
Код для заказа: 00002984
Шайба крепления ТНВД d=9 мм (ЯМЗ)
Цена: 35 ₽/шт.
Под заказ
49
49
Артикул: 236-1111226
нет в наличии
Прокладка крышки
Количество на схеме: 1
Информация
Прокладка крышки
Количество
1
14359344;
Модель
236
Группа
Cистема питания двигателя
Подгруппа
Насос топливный высокого давления
Порядковый номер детали
226
49
49
Артикул: 238-1111226
нет в наличии
Прокладка крышки
Количество на схеме: 1
Информация
Прокладка крышки
Количество
1
14359345;
Модель
238
Группа
Cистема питания двигателя
Подгруппа
Насос топливный высокого давления
Порядковый номер детали
226
50
50
Артикул: 236-1111222-В
нет в наличии
Крышка насоса высокого давления
Количество на схеме: 1
Информация
Крышка насоса высокого давления
Количество
1
14359346;
Модель
236
Группа
Cистема питания двигателя
Подгруппа
Насос топливный высокого давления
Порядковый номер детали
222
50
50
Артикул: 238-1111222-В
нет в наличии
Крышка насоса высокого давления
Количество на схеме: 1
Информация
Крышка насоса высокого давления
Количество
1
14359347;
Модель
238
Группа
Cистема питания двигателя
Подгруппа
Насос топливный высокого давления
Порядковый номер детали
222
51
51
Артикул: 236-1111227-Б
нет в наличии
Винт крепления крышки
Количество на схеме: 2
Информация
Винт крепления крышки
Количество
2
14359348;
Модель
236
Группа
Cистема питания двигателя
Подгруппа
Насос топливный высокого давления
Порядковый номер детали
227
52
52
Артикул: 312651-П
нет в наличии
Шайба
Количество на схеме: 4
Информация
Шайба
Количество
4
14359349;
Покрытие
без покрытия
53
53
Артикул: 236-1111294-Б2
нет в наличии
Трубка дренажная в сборе
Количество на схеме: 1
Информация
Трубка дренажная в сборе
Количество
1
14359351;
Модель
236
Группа
Cистема питания двигателя
Подгруппа
Насос топливный высокого давления
Порядковый номер детали
294
53
53
Артикул: 238-1111294-А
нет в наличии
Трубка дренажная в сборе
Количество на схеме: 1
Информация
Трубка дренажная в сборе
Количество
1
14359350;
Модель
238
Группа
Cистема питания двигателя
Подгруппа
Насос топливный высокого давления
Порядковый номер детали
294
54
54
Артикул: 315455-П29
в наличии
Кляммер крепления трубки
Количество на схеме: 1
Информация
Кляммер крепления трубки
Количество
1
14359352;
Покрытие
цинкование и пассивирование (цинковое с хроматированием)
КЛЯММЕР (ЯМЗ)
Артикул: 315455-П29
КЛЯММЕР (ЯМЗ)
Код для заказа: 00003075
Цена: 23 ₽/шт.
Под заказ
КЛЯММЕР (ЯМЗ)
Артикул: 315455-П29
Код для заказа: 00003075
КЛЯММЕР (ЯМЗ)
Цена: 23 ₽/шт.
Под заказ
55
55
Артикул: 252135-П2
в наличии
Шайба
Количество на схеме: 1
Информация
Шайба
Количество
1
14359353;
Покрытие
фосфатирование и промасливание
Шайба 8х2.5 ЯМЗ заглушки блока цилиндров АВТОДИЗЕЛЬ
Артикул: 252135-П2
Шайба 8х2.5 ЯМЗ заглушки блока цилиндров АВТОДИЗЕЛЬ
Код для заказа: 00006017
Цена: 3 ₽/шт.
Под заказ
Шайба 8х2.5 ЯМЗ заглушки блока цилиндров АВТОДИЗЕЛЬ
Артикул: 252135-П2
Код для заказа: 00006017
Шайба 8х2.5 ЯМЗ заглушки блока цилиндров АВТОДИЗЕЛЬ
Цена: 3 ₽/шт.
Под заказ
56
56
Артикул: 201452-П29
нет в наличии
Болт
Количество на схеме: 1
Информация
Болт
Количество
1
14359354;
Покрытие
цинкование и пассивирование (цинковое с хроматированием)
57
57
Артикул: 310122-П2
в наличии
Болт М10х1х20
Количество на схеме: 1
Информация
Болт М10х1х20
Количество
1
14359355;
Покрытие
фосфатирование и промасливание
Болт топливный М10*1*21
Артикул: 310122-П2
Болт топливный М10*1*21
Код для заказа: 00008057
Цена: 15 ₽/шт.
Под заказ
Болт топливный М10*1*21
Артикул: 310122-П2
Код для заказа: 00008057
Болт топливный М10*1*21
Цена: 15 ₽/шт.
Под заказ
58
58
Артикул: 312482-П34
в наличии
Шайба уплотнительная диаметр 10 мм болта крепления сливных трубок
Количество на схеме: 2
Информация
Шайба уплотнительная диаметр 10 мм болта крепления сливных трубок
Количество
2
14359356;
Покрытие
Шайба 10.2х14.0х1.5 ЯМЗ крепления трубки топливной медная
Артикул: 312482-П34
Шайба 10.2х14.0х1.5 ЯМЗ крепления трубки топливной медная
Код для заказа: 00002996
Цена: 86 ₽/шт.
В наличии: 47 шт.
- +
В корзинуВ корзине
Шайба 10.2х14.0х1.5 ЯМЗ крепления трубки топливной медная
Артикул: 312482-П34
Код для заказа: 00002996
Шайба 10.2х14.0х1.5 ЯМЗ крепления трубки топливной медная
Цена: 86 ₽/шт.
В наличии: 47 шт.
- +
В корзинуВ корзине
59
59
Артикул: 236-1111229-Б
нет в наличии
Винт крепления крышки
Количество на схеме: 2
Информация
Винт крепления крышки
Количество
2
14359357;
Модель
236
Группа
Cистема питания двигателя
Подгруппа
Насос топливный высокого давления
Порядковый номер детали
229
60
60
Артикул: 236-1111271-Б
нет в наличии
Указатель уровня масла в сборе
Количество на схеме: 1
Информация
Указатель уровня масла в сборе
Количество
1
14359358;
Модель
236
Группа
Cистема питания двигателя
Подгруппа
Насос топливный высокого давления
Порядковый номер детали
271
61
61
Артикул: 236-1111027
нет в наличии
Заглушка чашечная
Количество на схеме: 8
Информация
Заглушка чашечная
Количество
8
14359359;
Модель
236
Группа
Cистема питания двигателя
Подгруппа
Насос топливный высокого давления
Порядковый номер детали
027
62
62
Артикул: 312439-П15
нет в наличии
Шайба
Количество на схеме: 2
Информация
Шайба
Количество
2
14359360;
Покрытие
оксидирование (окисное)
63
63
Артикул: 236-1111194
нет в наличии
Прокладка крышки
Количество на схеме: 3
Информация
Прокладка крышки
Количество
3
14359361;
Примечание
Количество по потребности
Модель
236
Группа
Cистема питания двигателя
Подгруппа
Насос топливный высокого давления
Порядковый номер детали
194
64
64
Артикул: 236-1111193
нет в наличии
Прокладка крышки
Количество на схеме: 9
Информация
Прокладка крышки
Количество
9
14359362;
Примечание
Количество по потребности
Модель
236
Группа
Cистема питания двигателя
Подгруппа
Насос топливный высокого давления
Порядковый номер детали
193
65
65
Артикул: 236-1111182
нет в наличии
Крышка подшипника
Количество на схеме: 1
Информация
Крышка подшипника
Количество
1
14359363;
Модель
236
Группа
Cистема питания двигателя
Подгруппа
Насос топливный высокого давления
Порядковый номер детали
182
66
66
Артикул: 311200-П29
нет в наличии
Винт
Количество на схеме: 4
Информация
Винт
Количество
4
14359364;
Покрытие
цинкование и пассивирование (цинковое с хроматированием)
67
67
Артикул: 236-1111186-А
нет в наличии
Сальник крышки подшипника с пружиной в сборе
Количество на схеме: 1
Информация
Сальник крышки подшипника с пружиной в сборе
Количество
1
14359365;
Модель
236
Группа
Cистема питания двигателя
Подгруппа
Насос топливный высокого давления
Порядковый номер детали
186
68
68
Артикул: 236-1111196
нет в наличии
Кольцо уплотнительное корпуса регулятора
Количество на схеме: 1
Информация
Кольцо уплотнительное корпуса регулятора
Количество
1
14359366;
Модель
236
Группа
Cистема питания двигателя
Подгруппа
Насос топливный высокого давления
Порядковый номер детали
196
69
69
Артикул: 7204А
нет в наличии
Подшипник роликовый кулачкового вала
Количество на схеме: 2
Информация
Подшипник роликовый кулачкового вала
Количество
2
14359367;
70
70
Артикул: 236-1111245
нет в наличии
Кольцо уплотнительное ограничителя мощности
Количество на схеме: 1
Информация
Кольцо уплотнительное ограничителя мощности
Количество
1
14359368;
Модель
236
Группа
Cистема питания двигателя
Подгруппа
Насос топливный высокого давления
Порядковый номер детали
245
  • Грузовые автомобили
  • Автобусы
  • Сельхозтехника
  • Спецтехника
  • Двигатели
Получить оптовый прайс-лист
Скачать прайс-лист от 06.05.2026 16:00
Специальное предложение от 06.05.2026 17:00
Производители:


  • WEICHAI
  • Автодизель ПАО (ЯМЗ)
  • Тутаевский МЗ
  • ЯЗДА
  • УралАЗ
  • МАЗ
  • АЗПИ
  • BOSCH
  • ММЗ
  • ШААЗ
  • FEDERAL MOGUL
  • ПРАМО
  • Мотордеталь
  • ТАИМ
  • АвтоКрАЗ
  • БЕЛКАРД
  • CZ Strakonice
  • КамАЗ
  • БЗА
  • ЧМЗ
  • BMZ
Новости
Все новости
25 марта 2024
Флагманский седельный тягач «Валдай 45» на выставке «TransRussia»
10 марта 2024
Современные автобусы «CITYMAX 9» и ЛиАЗ-5292 CNG
25 февраля 2024
Серийное производство средних дизельных двигателей повышенной мощности от ЯМЗ
Статьи
Все статьи
Датчики двигателя: за что они отвечают, признаки неисправности и как не прогадать с выбором
Двигатели ЯМЗ-534: история, технические характеристики и области применения
Двигатели ЯМЗ 650: углублённый технический обзор и история
Компания
О компании
Реквизиты
Новости
Политика
Магазины
Информация
Условия оплаты
Условия доставки
Гарантия на товар
Обмен и возврат товара
Помощь
Как оформить заказ
Полезные статьи
Бренды
Пункты выдачи
Оставайтесь на связи
  • Вконтакте
  • YouTube
  • Одноклассники
  • Google Plus
Увидели ошибку?
Выделите, нажав Ctrl + Enter
Наши контакты
8-800-700-35-68
sales@din76.ru
г. Ярославль, Ленинградский пр-т 33, ТЦ "ОМЕГА"
2026 © ООО «Динамика 76» - Все права защищены ООО "Динамика 76"
Предложения на сайте не являются публичной офертой.
На сайте обнаружена ошибка

Текст с ошибкой