Избранное 0 Корзина 0 Личный кабинет
logo
Каталог
Каталог
  • Справочник
    • Грузовые автомобили
    • Автобусы
    • Сельхозтехника
    • Спецтехника
    • Двигатели
  • Доставка
  • Оплата
  • О компании
    • Реквизиты
    • Магазины
    • Оплата
    • Доставка
    • Лицензии и сертификаты
    • Новости
    • Вакансии
  • Контакты
Отправить заявку
Личный кабинет
8 (800) 700-35-68
sales@din76.ru
Избранное 0 Корзина 0
8 (800) 700-35-68
Оптовый прайс-лист
Каталог
  • Двигатели
  • Запчасти WEICHAI
  • Запчасти ЯМЗ, ТМЗ (V-образные)
  • Запчасти ЯМЗ-534, ЯМЗ-536
  • Запчасти ЯМЗ-650, ЯМЗ-651, DCi-11
  • Топливная аппаратура
  • Запчасти УРАЛ
  • Запчасти МАЗ
  • Запчасти КамАЗ
  • Запчасти ММЗ
  • Ремни
Автокаталог (справочник)
  • Доставка
  • Оплата
  • О компании
  • Контакты
8 (800) 700-35-68
Написать в Whatsapp
sales@din76.ru
Динамика 76
Меню  
  • Каталог
    • Двигатели  
      • Двигатели ТМЗ  
        • Двигатели ТМЗ для автомобилей
        • Двигатели ТМЗ для тракторов
        • Специальные двигатели ТМЗ
        • Промышленные двигатели ТМЗ
      • Двигатели ЯМЗ  
        • ЯМЗ 236
        • ЯМЗ 238
        • ЯМЗ 240
        • ЯМЗ 751
        • ЯМЗ 840
        • ЯМЗ 850
        • ЯМЗ 656
        • ЯМЗ 658
        • ЯМЗ 534
        • ЯМЗ 536
        • ЯМЗ 650
        • Двигатели ЯМЗ для электростанций
      • Двигатели КАМАЗ
      • Двигатели ММЗ
      • Двигатели индивидуальной сборки
      • Комплекты переоборудования
    • Запчасти WEICHAI  
      • Основные запчасти двигателя  
        • Клапаны и толкатели
        • Шатуны
        • Вал коленчатый и маховик
        • Вал распределительный
        • Цилиндро-поршневая группа
      • Система питания  
        • Форсунки
        • Турбокомпрессор
      • Система смазки  
        • Насос масляный
      • Головка блока
      • Ремкомплекты
      • Система охлаждения  
        • Насос водяной
        • Муфта вязкостная и крыльчатка
      • Фильтры
      • Электрооборудование  
        • Генератор
        • Стартер
    • Запчасти ЯМЗ, ТМЗ (V-образные)  
      • Основные запчасти двигателя  
        • Блок двигателя и комплектующие
        • Валы распределительные и клапаны
        • Головка блока и комплектующие
        • Цилиндро-поршневая группа
        • Маховики и комплектующие
        • Валы коленчатые и комплектующие
        • Шатуны и комплектующие
      • Система питания  
        • Коллекторы и патрубки
        • Топливные трубопроводы
        • Турбокомпрессор
        • Топливные фильтры
      • Электрооборудование двигателя
      • Система охлаждения  
        • Вязкостные муфты и крыльчатки
        • Приводы вентилятора
        • Водяные насосы
        • Водяные трубы и термостаты
      • Коробки переключения передач  
        • 8 Ступенчатые КПП
        • 5 Ступенчатые КПП
        • 9 Ступенчатые КПП
        • Запасные части КПП ЯМЗ, ТМЗ
      • Система смазки  
        • Теплообменник и комплектующие
        • Масляные насосы
        • Фильтры масляные (ФГОМ, ФЦОМ)
      • Сцепление  
        • Запасные части механизма сцепления
        • Муфты (подшипники выжимные)
        • Корзины (диски нажимные)
        • Диски ведомые
      • Прочие запчасти двигателя  
        • Ремкомплекты
        • Привод агрегатов
        • Натяжные устройства
        • Трубки
    • Запчасти ЯМЗ-534, ЯМЗ-536  
      • Основные запчасти двигателя  
        • Цилиндро-поршневая группа
        • Головка блока цилиндров и комплектующие
        • Блок цилиндров и комплектующие
        • Вал коленчатый и маховик
        • Вал распределительный
        • Клапаны и толкатели
        • ГУР (Гидроусилитель руля)
        • Система рециркуляции отработавших газов
        • Выпускной коллектор
      • Система питания  
        • Коллекторы и патрубки
        • Топливные фильтры
        • Турбокомпрессор
        • Топливные трубопроводы
      • Система смазки  
        • Масляный картер поддон
        • Масляный насос
        • Теплообменник /Водо-масляный радиатор
        • Фильтры масляные (ФГОМ, ФЦОМ)
      • Пневмокомпрессор и натяжное
      • Система охлаждения  
        • Водяной насос
        • Водяные трубы и патрубки
        • Муфты вязкостные, приводы, крыльчатки
      • Ремкомплекты
      • Сцепление
      • Электрооборудование
    • Запчасти ЯМЗ-650, ЯМЗ-651, DCi-11  
      • Основные запчасти двигателя  
        • Цилиндро-поршневая группа
        • Головка блока цилиндров и комплектующие
        • Блок цилиндров и комплектующие
        • Вал коленчатый и маховик
        • Выпускной коллектор
        • Вал распределительный
        • Клапаны и толкатели
        • ГУР (Гидроусилитель руля)
        • Система рециркуляции отработавших газов
      • Система питания  
        • Коллекторы и патрубки
        • Топливные трубопроводы
        • Топливные фильтры
        • Турбокомпрессор
      • Система смазки  
        • Масляный картер / поддон
        • Масляный насос
        • Теплообменник / Водо-масляный радиатор
        • Фильтры масляные (ФГОМ, ФЦОМ)
      • Система охлаждения  
        • Водяной насос
        • Водяные трубы и патрубки
        • Муфты вязкостные, приводы, крыльчатки
      • Ремкомплекты
      • Пневмокомпрессор и натяжное
      • Электрооборудование
      • Сцепление
    • Топливная аппаратура  
      • ЯЗДА  
        • Распылители
        • ТНВД
        • Форсунки
        • Топливный насос низкого давления
        • Пары плунжерные
        • Муфта опережения впрыска топлива
        • Запчасти и комплектующие ТНВД
      • НЗТА
      • АЗПИ  
        • Распылители
        • Форсунки
      • BOSCH
    • Запчасти УРАЛ  
      • Трансмиссия  
        • Коробка раздаточная
        • Передача карданная
        • Мост задний
        • Мост передний (ведущий)
        • Мост средний (промежуточный)
      • Кузов  
        • Дверь кабины
        • Капот, крылья, облицовка радиатора
        • Окно ветровое и заднее
        • Отопление и вентиляция кабины
        • Кабина
      • Механизмы управления  
        • Управление рулевое
        • Тормоза
      • Дополнительное оборудование  
        • Отбор мощности
        • Устройство седельное
      • Электрооборудование
      • Ходовая часть  
        • Колеса и ступицы
        • Ось передняя
        • Подвеска автомобиля
        • Рама
    • Запчасти МАЗ  
      • Трансмиссия  
        • Мост задний
        • Мост передний (ведущий)
        • Передача карданная
        • Мост средний (промежуточный)
      • Кузов  
        • Кабина
        • Дверь кабины
        • Детали основания кабины
        • Окно ветровое и заднее
        • Платформа
      • Механизмы управления  
        • Тормоза
        • Управление рулевое
      • Ходовая часть  
        • Колеса и ступицы
        • Ось передняя
        • Подвеска автомобиля
        • Рама
    • Запчасти КамАЗ  
      • Кузов  
        • Кабина
        • Капот, крылья, облицовка радиатора
        • Дверь кабины
        • Платформа
        • Окно ветровое и заднее
        • Устройство подъемное и опрокидывающее
        • Сиденье
        • Крыша кабины (крыша кузова)
        • Отопление и вентиляция кабины
      • Трансмиссия  
        • Коробка передач
        • Коробка раздаточная
        • Мост задний
        • Сцепление
        • Мост средний (промежуточный)
        • Передача карданная
        • Мост передний (ведущий)
      • Двигатель  
        • Основные запчасти двигателя
        • Система охлаждения
        • Система питания
        • Система смазки
      • Дополнительное оборудование  
        • Отбор мощности
        • Устройство седельное
      • Ходовая часть  
        • Подвеска автомобиля
        • Рама
        • Колеса и ступицы
        • Ось передняя
      • Механизмы управления  
        • Тормоза
        • Управление рулевое
      • Электрооборудование
    • Запчасти ММЗ
    • Ремни
  • Справочник
    • Грузовые автомобили
    • Автобусы
    • Сельхозтехника
    • Спецтехника
    • Двигатели
  • Как купить
    • Условия оплаты
    • Условия доставки
    • Гарантия на товар
    • Пункты выдачи
  • Услуги
    • Капитальный ремонт двигателей ЯМЗ
  • Акции
  • Статьи
  • Контакты
  • Компания
    • Реквизиты
    • Магазины
    • Оплата
    • Доставка
    • Лицензии и сертификаты
    • Новости
    • Вакансии
Избранное 0 Корзина 0
8-800-700-35-68

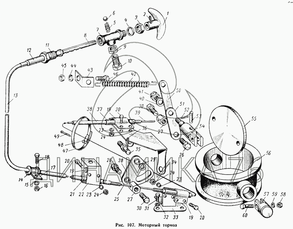
Моторный тормоз на МАЗ-500А

Справочник
Главная
-
Автокаталог
-
Грузовые автомобили и прицепы
-
МАЗ
-
МАЗ-500А
Справочный каталог

Моторный тормоз — МАЗ-500А:

500-1108256-В 500-1108259 500А-3570010 500А-3570160А 500А-3570162 500А-3570168 500А-3570176А 500А-3570178 509-3570192 509-3570194 1 2 3 4 5 6 7 8 9 10 11 12 13 14 15 16 17 18 19 19 19 20 20 20 21 22 23 23 23 24 24 24 25 26 26 27 27 28 29 30 30 31 32 33 34 35 36 37 38 39 40 41 42 43 44 45 46 47 48 49 50 51 52 53 54 55 56 57 58 59 60
в наличии
нет в наличии
масштаб

В наличии
Нет в наличии

Перечень комплектующих от Моторный тормоз на МАЗ-500А

Схемы запчастей предназначены для справочных целей! Мы продаем не все запчасти от Моторный тормоз на МАЗ-500А, представленные в этом списке.
Наличие на складах по деталям с ценой смотрите в карточке товара.
Артикул: 500-1108256-В
нет в наличии
Оболочка тяги
Количество на схеме: 1
Информация
Оболочка тяги
Количество
1
Модель
500
Группа
Cистема питания двигателя
Подгруппа
Управление карбюратором (акселератор - управление подачей топлива)
Порядковый номер детали
256
Артикул: 500-1108259
нет в наличии
Чехол оболочки
Количество на схеме: 1
Информация
Чехол оболочки
Количество
1
Модель
500
Группа
Cистема питания двигателя
Подгруппа
Управление карбюратором (акселератор - управление подачей топлива)
Порядковый номер детали
259
Артикул: 500А-3570010
нет в наличии
Заслонка моторного тормоза в сборе
Количество на схеме: 1
Информация
Заслонка моторного тормоза в сборе
Количество
1
Модель
500А
Группа
Тормоза
Подгруппа
Тормоз вспомогательный
Порядковый номер детали
010
Артикул: 500А-3570160А
нет в наличии
Тяга моторного тормоза и останова двигателя в сборе
Количество на схеме: 1
Информация
Тяга моторного тормоза и останова двигателя в сборе
Количество
1
Модель
500А
Группа
Тормоза
Подгруппа
Тормоз вспомогательный
Порядковый номер детали
160
Артикул: 500А-3570162
нет в наличии
Стержень ручки с тягой в сборе
Количество на схеме: 1
Информация
Стержень ручки с тягой в сборе
Количество
1
Модель
500А
Группа
Тормоза
Подгруппа
Тормоз вспомогательный
Порядковый номер детали
162
Артикул: 500А-3570168
нет в наличии
Тяга вторая в сборе
Количество на схеме: 1
Информация
Тяга вторая в сборе
Количество
1
Модель
500А
Группа
Тормоза
Подгруппа
Тормоз вспомогательный
Порядковый номер детали
168
Артикул: 500А-3570176А
нет в наличии
Оболочка тяги вторая
Количество на схеме: 1
Информация
Оболочка тяги вторая
Количество
1
Модель
500А
Группа
Тормоза
Подгруппа
Тормоз вспомогательный
Порядковый номер детали
176
Артикул: 500А-3570178
нет в наличии
Чехол оболочки
Количество на схеме: 1
Информация
Чехол оболочки
Количество
1
Модель
500А
Группа
Тормоза
Подгруппа
Тормоз вспомогательный
Порядковый номер детали
178
Артикул: 509-3570192
нет в наличии
Рычаг останова двигателя
Количество на схеме: 1
Информация
Рычаг останова двигателя
Количество
1
Модель
509
Группа
Тормоза
Подгруппа
Тормоз вспомогательный
Порядковый номер детали
192
Артикул: 509-3570194
нет в наличии
Втулка
Количество на схеме: 2
Информация
Втулка
Количество
2
Модель
509
Группа
Тормоза
Подгруппа
Тормоз вспомогательный
Порядковый номер детали
194
1
1
Артикул: 500-1310494
нет в наличии
Ручка
Количество на схеме: 1
Информация
Ручка
Количество
1
Модель
500
Группа
Система охлаждения
Подгруппа
Жалюзи радиатора
Порядковый номер детали
494
2
2
Артикул: 373756-П29
нет в наличии
Винт
Количество на схеме: 1
Информация
Винт
Количество
1
Покрытие
цинкование и пассивирование (цинковое с хроматированием)
3
3
Артикул: 250636-П29
в наличии
Гайка
Количество на схеме: 1
Информация
Гайка
Количество
1
Покрытие
цинкование и пассивирование (цинковое с хроматированием)
Гайка М16х1.5х8 ГАЗ многоцелевая ЭТНА
Артикул: 250636-П29
Гайка М16х1.5х8 ГАЗ многоцелевая ЭТНА
Код для заказа: 00027507
Цена: 16 ₽/шт.
Под заказ
Гайка М16х1.5х8 ГАЗ многоцелевая ЭТНА
Артикул: 250636-П29
Код для заказа: 00027507
Гайка М16х1.5х8 ГАЗ многоцелевая ЭТНА
Цена: 16 ₽/шт.
Под заказ
4
4
Артикул: 252159-П2
нет в наличии
Шайба
Количество на схеме: 1
Информация
Шайба
Количество
1
Покрытие
фосфатирование и промасливание
5
5
Артикул: 503Б-8606320
нет в наличии
Пружина
Количество на схеме: 1
Информация
Пружина
Количество
1
Модель
503Б
Группа
Механизм опрокидывающий платформы автомобиля-самосвала
Подгруппа
8606
Порядковый номер детали
320
6
6
Артикул: 500-3401035
нет в наличии
Шарик
Количество на схеме: 1
Информация
Шарик
Количество
1
Модель
500
Группа
Управление рулевое
Подгруппа
Управление рулевое (механизм рулевого управления)
Порядковый номер детали
035
7
7
Артикул: 509-3570166
нет в наличии
Корпус фиксатора
Количество на схеме: 1
Информация
Корпус фиксатора
Количество
1
Модель
509
Группа
Тормоза
Подгруппа
Тормоз вспомогательный
Порядковый номер детали
166
8
8
Артикул: 500-1310484
нет в наличии
Стержень ручки
Количество на схеме: 1
Информация
Стержень ручки
Количество
1
Модель
500
Группа
Система охлаждения
Подгруппа
Жалюзи радиатора
Порядковый номер детали
484
9
9
Артикул: 311504-П29
нет в наличии
Гайка
Количество на схеме: 1
Информация
Гайка
Количество
1
Покрытие
цинкование и пассивирование (цинковое с хроматированием)
10
10
Артикул: 503Б-8606318
нет в наличии
Пробка
Количество на схеме: 1
Информация
Пробка
Количество
1
Модель
503Б
Группа
Механизм опрокидывающий платформы автомобиля-самосвала
Подгруппа
8606
Порядковый номер детали
318
11
11
Артикул: 500-1310454
нет в наличии
Втулка
Количество на схеме: 1
Информация
Втулка
Количество
1
Модель
500
Группа
Система охлаждения
Подгруппа
Жалюзи радиатора
Порядковый номер детали
454
12
12
Артикул: 500-1310456
нет в наличии
Трубка оболочки
Количество на схеме: 1
Информация
Трубка оболочки
Количество
1
Модель
500
Группа
Система охлаждения
Подгруппа
Жалюзи радиатора
Порядковый номер детали
456
13
13
Артикул: 509-3570170-А
нет в наличии
Оболочка тяги первая в сборе
Количество на схеме: 1
Информация
Оболочка тяги первая в сборе
Количество
1
Модель
509
Группа
Тормоза
Подгруппа
Тормоз вспомогательный
Порядковый номер детали
170
14
14
Артикул: 500-1104541-Б
нет в наличии
Втулка
Количество на схеме: 1
Информация
Втулка
Количество
1
Модель
500
Группа
Cистема питания двигателя
Подгруппа
Трубопроводы топливные
Порядковый номер детали
541
15
15
Артикул: 252136-П2
в наличии
Шайба
Количество на схеме: 1
Информация
Шайба
Количество
1
Покрытие
фосфатирование и промасливание
Шайба 10.2х2.5 пружинная цинк ЭТНА
Артикул: 252136-П2
Шайба 10.2х2.5 пружинная цинк ЭТНА
Код для заказа: 00062958
Цена: 10 ₽/шт.
Под заказ
Шайба 10.2х2.5 пружинная цинк ЭТНА
Артикул: 252136-П2
Код для заказа: 00062958
Шайба 10.2х2.5 пружинная цинк ЭТНА
Цена: 10 ₽/шт.
Под заказ
Шайба гроверная 17,1х10,1х3,5
Артикул: 252136-П2
Шайба гроверная 17,1х10,1х3,5
Код для заказа: 00006018
Цена: 10 ₽/шт.
Под заказ
Шайба гроверная 17,1х10,1х3,5
Артикул: 252136-П2
Код для заказа: 00006018
Шайба гроверная 17,1х10,1х3,5
Цена: 10 ₽/шт.
Под заказ
16
16
Артикул: 250512-П29
в наличии
Гайка
Количество на схеме: 1
Информация
Гайка
Количество
1
Покрытие
цинкование и пассивирование (цинковое с хроматированием)
Гайка М10х1.5х8 ГАЗ-2410,3110,УРАЛ под ключ 17мм облиц.радиатора, топл.бака, ГЦС, РЦС
Артикул: 250512-П29
Гайка М10х1.5х8 ГАЗ-2410,3110,УРАЛ под ключ 17мм облиц.радиатора, топл.бака, ГЦС, РЦС
Код для заказа: 00008044
Цена: 20 ₽/шт.
Под заказ
Гайка М10х1.5х8 ГАЗ-2410,3110,УРАЛ под ключ 17мм облиц.радиатора, топл.бака, ГЦС, РЦС
Артикул: 250512-П29
Код для заказа: 00008044
Гайка М10х1.5х8 ГАЗ-2410,3110,УРАЛ под ключ 17мм облиц.радиатора, топл.бака, ГЦС, РЦС
Цена: 20 ₽/шт.
Под заказ
17
17
Артикул: 379224-П29
нет в наличии
Кляммер
Количество на схеме: 1
Информация
Кляммер
Количество
1
Покрытие
цинкование и пассивирование (цинковое с хроматированием)
18
18
Артикул: 201495-П29
в наличии
Болт
Количество на схеме: 1
Информация
Болт
Количество
1
Покрытие
цинкование и пассивирование (цинковое с хроматированием)
Болт М10х1.5х20 ГАЗ-3302 ремня безопасности, бака топливного ЭТНА
Артикул: 201495-П29
Болт М10х1.5х20 ГАЗ-3302 ремня безопасности, бака топливного ЭТНА
Код для заказа: 00022506
Цена: 13 ₽/шт.
Под заказ
Болт М10х1.5х20 ГАЗ-3302 ремня безопасности, бака топливного ЭТНА
Артикул: 201495-П29
Код для заказа: 00022506
Болт М10х1.5х20 ГАЗ-3302 ремня безопасности, бака топливного ЭТНА
Цена: 13 ₽/шт.
Под заказ
19
19
Артикул: 509-3570179
нет в наличии
Держатель
Количество на схеме: 3
Информация
Держатель
Количество
3
Модель
509
Группа
Тормоза
Подгруппа
Тормоз вспомогательный
Порядковый номер детали
179
20
20
Артикул: 220080-П29
нет в наличии
Винт
Количество на схеме: 6
Информация
Винт
Количество
6
Покрытие
цинкование и пассивирование (цинковое с хроматированием)
21
21
Артикул: 500-1310489-Б
нет в наличии
Втулка обжимная
Количество на схеме: 4
Информация
Втулка обжимная
Количество
4
Модель
500
Группа
Система охлаждения
Подгруппа
Жалюзи радиатора
Порядковый номер детали
489
22
22
Артикул: 509-3570186
нет в наличии
Кронштейн крепления оболочки передний
Количество на схеме: 2
Информация
Кронштейн крепления оболочки передний
Количество
2
Модель
509
Группа
Тормоза
Подгруппа
Тормоз вспомогательный
Порядковый номер детали
186
23
23
Артикул: 252133-П2
нет в наличии
Шайба
Количество на схеме: 6
Информация
Шайба
Количество
6
Покрытие
фосфатирование и промасливание
24
24
Артикул: 250763-П29
нет в наличии
Гайка
Количество на схеме: 6
Информация
Гайка
Количество
6
Покрытие
цинкование и пассивирование (цинковое с хроматированием)
25
25
Артикул: 500А-3570164
нет в наличии
Тяга
Количество на схеме: 1
Информация
Тяга
Количество
1
Модель
500А
Группа
Тормоза
Подгруппа
Тормоз вспомогательный
Порядковый номер детали
164
26
26
Артикул: 201454-П29
в наличии
Болт
Количество на схеме: 2
Информация
Болт
Количество
2
Покрытие
цинкование и пассивирование (цинковое с хроматированием)
Болт М8х1.25х16 ЗИЛ-130 крепление кронштейна радиатора масл., ГАЗ-31029 фиксатора штоков КПП
Артикул: 201454-П29
Болт М8х1.25х16 ЗИЛ-130 крепление кронштейна радиатора масл., ГАЗ-31029 фиксатора штоков КПП
Код для заказа: 00005973
Цена: 26 ₽/шт.
Под заказ
Болт М8х1.25х16 ЗИЛ-130 крепление кронштейна радиатора масл., ГАЗ-31029 фиксатора штоков КПП
Артикул: 201454-П29
Код для заказа: 00005973
Болт М8х1.25х16 ЗИЛ-130 крепление кронштейна радиатора масл., ГАЗ-31029 фиксатора штоков КПП
Цена: 26 ₽/шт.
Под заказ
27
27
Артикул: 509-3570182
нет в наличии
Муфта зажима тяги
Количество на схеме: 2
Информация
Муфта зажима тяги
Количество
2
Модель
509
Группа
Тормоза
Подгруппа
Тормоз вспомогательный
Порядковый номер детали
182
28
28
Артикул: 509-3570190
нет в наличии
Рычаг останова двигателя в сборе
Количество на схеме: 1
Информация
Рычаг останова двигателя в сборе
Количество
1
Модель
509
Группа
Тормоза
Подгруппа
Тормоз вспомогательный
Порядковый номер детали
190
29
29
Артикул: 252005-П29
в наличии
Шайба 8
Количество на схеме: 1
Информация
Шайба 8
Количество
1
Покрытие
цинкование и пассивирование (цинковое с хроматированием)
Шайба 8.0 УРАЛ кабины (АО АЗ УРАЛ)
Артикул: 252005-П29
Шайба 8.0 УРАЛ кабины (АО АЗ УРАЛ)
Код для заказа: 00006120
Цена: 17 ₽/шт.
Под заказ
Шайба 8.0 УРАЛ кабины (АО АЗ УРАЛ)
Артикул: 252005-П29
Код для заказа: 00006120
Шайба 8.0 УРАЛ кабины (АО АЗ УРАЛ)
Цена: 17 ₽/шт.
Под заказ
30
30
Артикул: 201452-П29
нет в наличии
Болт
Количество на схеме: 2
Информация
Болт
Количество
2
Покрытие
цинкование и пассивирование (цинковое с хроматированием)
31
31
Артикул: 201495-П29
в наличии
Болт
Количество на схеме: 2
Информация
Болт
Количество
2
Покрытие
цинкование и пассивирование (цинковое с хроматированием)
Болт М10х1.5х20 ГАЗ-3302 ремня безопасности, бака топливного ЭТНА
Артикул: 201495-П29
Болт М10х1.5х20 ГАЗ-3302 ремня безопасности, бака топливного ЭТНА
Код для заказа: 00022506
Цена: 13 ₽/шт.
Под заказ
Болт М10х1.5х20 ГАЗ-3302 ремня безопасности, бака топливного ЭТНА
Артикул: 201495-П29
Код для заказа: 00022506
Болт М10х1.5х20 ГАЗ-3302 ремня безопасности, бака топливного ЭТНА
Цена: 13 ₽/шт.
Под заказ
32
32
Артикул: 252136-П2
в наличии
Шайба
Количество на схеме: 2
Информация
Шайба
Количество
2
Покрытие
фосфатирование и промасливание
Шайба 10.2х2.5 пружинная цинк ЭТНА
Артикул: 252136-П2
Шайба 10.2х2.5 пружинная цинк ЭТНА
Код для заказа: 00062958
Цена: 10 ₽/шт.
Под заказ
Шайба 10.2х2.5 пружинная цинк ЭТНА
Артикул: 252136-П2
Код для заказа: 00062958
Шайба 10.2х2.5 пружинная цинк ЭТНА
Цена: 10 ₽/шт.
Под заказ
Шайба гроверная 17,1х10,1х3,5
Артикул: 252136-П2
Шайба гроверная 17,1х10,1х3,5
Код для заказа: 00006018
Цена: 10 ₽/шт.
Под заказ
Шайба гроверная 17,1х10,1х3,5
Артикул: 252136-П2
Код для заказа: 00006018
Шайба гроверная 17,1х10,1х3,5
Цена: 10 ₽/шт.
Под заказ
33
33
Артикул: Р509-3570184
нет в наличии
Кронштейн в сборе
Количество на схеме: 1
Информация
Кронштейн в сборе
Количество
1
Модель
Р509
Группа
Тормоза
Подгруппа
Тормоз вспомогательный
Порядковый номер детали
184
34
34
Артикул: 500А-3570187
нет в наличии
Кронштейн крепления оболочки задний
Количество на схеме: 1
Информация
Кронштейн крепления оболочки задний
Количество
1
Модель
500А
Группа
Тормоза
Подгруппа
Тормоз вспомогательный
Порядковый номер детали
187
35
35
Артикул: 509-3570196
нет в наличии
Ось рычага останова двигателя
Количество на схеме: 1
Информация
Ось рычага останова двигателя
Количество
1
Модель
509
Группа
Тормоза
Подгруппа
Тормоз вспомогательный
Порядковый номер детали
196
36
36
Артикул: 258025-П29
нет в наличии
Шплинт
Количество на схеме: 1
Информация
Шплинт
Количество
1
Покрытие
цинкование и пассивирование (цинковое с хроматированием)
37
37
Артикул: 500-1310489-Б
нет в наличии
Втулка обжимная
Количество на схеме: 2
Информация
Втулка обжимная
Количество
2
Модель
500
Группа
Система охлаждения
Подгруппа
Жалюзи радиатора
Порядковый номер детали
489
38
38
Артикул: 500А-3570174А
нет в наличии
Оболочка вторая в сборе
Количество на схеме: 1
Информация
Оболочка вторая в сборе
Количество
1
Модель
500А
Группа
Тормоза
Подгруппа
Тормоз вспомогательный
Порядковый номер детали
174
39
39
Артикул: 500А-3570169
нет в наличии
Тяга вторая
Количество на схеме: 1
Информация
Тяга вторая
Количество
1
Модель
500А
Группа
Тормоза
Подгруппа
Тормоз вспомогательный
Порядковый номер детали
169
40
40
Артикул: 252005-П29
в наличии
Шайба 8
Количество на схеме: 1
Информация
Шайба 8
Количество
1
Покрытие
цинкование и пассивирование (цинковое с хроматированием)
Шайба 8.0 УРАЛ кабины (АО АЗ УРАЛ)
Артикул: 252005-П29
Шайба 8.0 УРАЛ кабины (АО АЗ УРАЛ)
Код для заказа: 00006120
Цена: 17 ₽/шт.
Под заказ
Шайба 8.0 УРАЛ кабины (АО АЗ УРАЛ)
Артикул: 252005-П29
Код для заказа: 00006120
Шайба 8.0 УРАЛ кабины (АО АЗ УРАЛ)
Цена: 17 ₽/шт.
Под заказ
41
41
Артикул: 250975-П29
нет в наличии
Гайка
Количество на схеме: 1
Информация
Гайка
Количество
1
Покрытие
цинкование и пассивирование (цинковое с хроматированием)
42
42
Артикул: 509-3570032
в наличии
Пружина
Количество на схеме: 1
Информация
Пружина
Количество
1
Модель
509
Группа
Тормоза
Подгруппа
Тормоз вспомогательный
Порядковый номер детали
032
Пружина МАЗ замка кабины ОАО МАЗ
Артикул: 509-3570032
Пружина МАЗ замка кабины ОАО МАЗ
Код для заказа: 00048958
Цена: 58 ₽/шт.
Под заказ
Пружина МАЗ замка кабины ОАО МАЗ
Артикул: 509-3570032
Код для заказа: 00048958
Пружина МАЗ замка кабины ОАО МАЗ
Цена: 58 ₽/шт.
Под заказ
43
43
Артикул: 500-3504046
нет в наличии
Угольник
Количество на схеме: 1
Информация
Угольник
Количество
1
Модель
500
Группа
Тормоза
Подгруппа
Педаль и привод механизма управления тормозами (привод тормозного крана)
Порядковый номер детали
046
44
44
Артикул: 252135-П2
в наличии
Шайба
Количество на схеме: 1
Информация
Шайба
Количество
1
Покрытие
фосфатирование и промасливание
Шайба 8х2.5 ЯМЗ заглушки блока цилиндров АВТОДИЗЕЛЬ
Артикул: 252135-П2
Шайба 8х2.5 ЯМЗ заглушки блока цилиндров АВТОДИЗЕЛЬ
Код для заказа: 00006017
Цена: 3 ₽/шт.
Под заказ
Шайба 8х2.5 ЯМЗ заглушки блока цилиндров АВТОДИЗЕЛЬ
Артикул: 252135-П2
Код для заказа: 00006017
Шайба 8х2.5 ЯМЗ заглушки блока цилиндров АВТОДИЗЕЛЬ
Цена: 3 ₽/шт.
Под заказ
45
45
Артикул: 250510-П29
нет в наличии
Гайка
Количество на схеме: 1
Информация
Гайка
Количество
1
Покрытие
цинкование и пассивирование (цинковое с хроматированием)
46
46
Артикул: 201456-П29
в наличии
Болт
Количество на схеме: 1
Информация
Болт
Количество
1
Покрытие
цинкование и пассивирование (цинковое с хроматированием)
Болт М8х1.25х20(ЯМЗ)
Артикул: 201456-П29
Болт М8х1.25х20(ЯМЗ)
Код для заказа: 00005974
Цена: 8 ₽/шт.
Под заказ
Болт М8х1.25х20(ЯМЗ)
Артикул: 201456-П29
Код для заказа: 00005974
Болт М8х1.25х20(ЯМЗ)
Цена: 8 ₽/шт.
Под заказ
47
47
Артикул: 297588-П29
нет в наличии
Лента стяжная
Количество на схеме: 1
Информация
Лента стяжная
Количество
1
Покрытие
цинкование и пассивирование (цинковое с хроматированием)
48
48
Артикул: 297580-П29
нет в наличии
Пряжка хомутика
Количество на схеме: 1
Информация
Пряжка хомутика
Количество
1
Покрытие
цинкование и пассивирование (цинковое с хроматированием)
49
49
Артикул: 297575-П-29
нет в наличии
Шплинт
Количество на схеме: 1
Информация
Шплинт
Количество
1
Покрытие
цинкование и пассивирование (цинковое с хроматированием)
50
50
Артикул: 509-3570030
нет в наличии
Рычаг оттяжной пружины
Количество на схеме: 1
Информация
Рычаг оттяжной пружины
Количество
1
Модель
509
Группа
Тормоза
Подгруппа
Тормоз вспомогательный
Порядковый номер детали
030
51
51
Артикул: 509-3570024
нет в наличии
Рычаг заслонки
Количество на схеме: 1
Информация
Рычаг заслонки
Количество
1
Модель
509
Группа
Тормоза
Подгруппа
Тормоз вспомогательный
Порядковый номер детали
024
52
52
Артикул: 258025-П29
нет в наличии
Шплинт
Количество на схеме: 1
Информация
Шплинт
Количество
1
Покрытие
цинкование и пассивирование (цинковое с хроматированием)
53
53
Артикул: 377355-П29
нет в наличии
Штифт
Количество на схеме: 1
Информация
Штифт
Количество
1
Покрытие
цинкование и пассивирование (цинковое с хроматированием)
54
54
Артикул: 509-3570018
нет в наличии
Валик заслонки
Количество на схеме: 1
Информация
Валик заслонки
Количество
1
Модель
509
Группа
Тормоза
Подгруппа
Тормоз вспомогательный
Порядковый номер детали
018
55
55
Артикул: 509-3570012
нет в наличии
Заслонка моторного тормоза
Количество на схеме: 1
Информация
Заслонка моторного тормоза
Количество
1
Модель
509
Группа
Тормоза
Подгруппа
Тормоз вспомогательный
Порядковый номер детали
012
56
56
Артикул: 509-3570014
нет в наличии
Корпус заслонки
Количество на схеме: 1
Информация
Корпус заслонки
Количество
1
Модель
509
Группа
Тормоза
Подгруппа
Тормоз вспомогательный
Порядковый номер детали
014
57
57
Артикул: 509-3670020
нет в наличии
Ось заслонки
Количество на схеме: 1
Информация
Ось заслонки
Количество
1
Модель
509
Подгруппа
3670
Порядковый номер детали
020
58
58
Артикул: 250508-П29
в наличии
Гайка М6
Количество на схеме: 2
Информация
Гайка М6
Количество
2
Покрытие
цинкование и пассивирование (цинковое с хроматированием)
ГАЙКА М6-6Н.6.16 (ЯМЗ)
Артикул: 250508-П29
ГАЙКА М6-6Н.6.16 (ЯМЗ)
Код для заказа: 00006006
Цена: 13 ₽/шт.
Под заказ
ГАЙКА М6-6Н.6.16 (ЯМЗ)
Артикул: 250508-П29
Код для заказа: 00006006
ГАЙКА М6-6Н.6.16 (ЯМЗ)
Цена: 13 ₽/шт.
Под заказ
59
59
Артикул: 252134-П2
в наличии
Шайба
Количество на схеме: 2
Информация
Шайба
Количество
2
Покрытие
фосфатирование и промасливание
ШАЙБА 6Х2 (ЯМЗ)
Артикул: 252134-П2
ШАЙБА 6Х2 (ЯМЗ)
Код для заказа: 00006016
Цена: 3 ₽/шт.
Под заказ
ШАЙБА 6Х2 (ЯМЗ)
Артикул: 252134-П2
Код для заказа: 00006016
ШАЙБА 6Х2 (ЯМЗ)
Цена: 3 ₽/шт.
Под заказ
60
60
Артикул: 201420-П29
нет в наличии
Болт М6х20
Количество на схеме: 2
Информация
Болт М6х20
Количество
2
Покрытие
цинкование и пассивирование (цинковое с хроматированием)
  • Грузовые автомобили
  • Автобусы
  • Сельхозтехника
  • Спецтехника
  • Двигатели
Получить оптовый прайс-лист
Скачать прайс-лист от 06.05.2026 16:00
Специальное предложение от 06.05.2026 13:00
Производители:


  • WEICHAI
  • Автодизель ПАО (ЯМЗ)
  • Тутаевский МЗ
  • ЯЗДА
  • УралАЗ
  • МАЗ
  • АЗПИ
  • BOSCH
  • ММЗ
  • ШААЗ
  • FEDERAL MOGUL
  • ПРАМО
  • Мотордеталь
  • ТАИМ
  • АвтоКрАЗ
  • БЕЛКАРД
  • CZ Strakonice
  • КамАЗ
  • БЗА
  • ЧМЗ
  • BMZ
Новости
Все новости
25 марта 2024
Флагманский седельный тягач «Валдай 45» на выставке «TransRussia»
10 марта 2024
Современные автобусы «CITYMAX 9» и ЛиАЗ-5292 CNG
25 февраля 2024
Серийное производство средних дизельных двигателей повышенной мощности от ЯМЗ
Статьи
Все статьи
Датчики двигателя: за что они отвечают, признаки неисправности и как не прогадать с выбором
Двигатели ЯМЗ-534: история, технические характеристики и области применения
Двигатели ЯМЗ 650: углублённый технический обзор и история
Компания
О компании
Реквизиты
Новости
Политика
Магазины
Информация
Условия оплаты
Условия доставки
Гарантия на товар
Обмен и возврат товара
Помощь
Как оформить заказ
Полезные статьи
Бренды
Пункты выдачи
Оставайтесь на связи
  • Вконтакте
  • YouTube
  • Одноклассники
  • Google Plus
Увидели ошибку?
Выделите, нажав Ctrl + Enter
Наши контакты
8-800-700-35-68
sales@din76.ru
г. Ярославль, Ленинградский пр-т 33, ТЦ "ОМЕГА"
2026 © ООО «Динамика 76» - Все права защищены ООО "Динамика 76"
Предложения на сайте не являются публичной офертой.
На сайте обнаружена ошибка

Текст с ошибкой