Избранное 0 Корзина 0 Личный кабинет
logo
Каталог
Каталог
  • Справочник
    • Грузовые автомобили
    • Автобусы
    • Сельхозтехника
    • Спецтехника
    • Двигатели
  • Доставка
  • Оплата
  • О компании
    • Реквизиты
    • Магазины
    • Оплата
    • Доставка
    • Лицензии и сертификаты
    • Новости
    • Вакансии
  • Контакты
Отправить заявку
Личный кабинет
8 (800) 700-35-68
sales@din76.ru
Избранное 0 Корзина 0
8 (800) 700-35-68
Оптовый прайс-лист
Каталог
  • Двигатели
  • Запчасти WEICHAI
  • Запчасти ЯМЗ, ТМЗ (V-образные)
  • Запчасти ЯМЗ-534, ЯМЗ-536
  • Запчасти ЯМЗ-650, ЯМЗ-651, DCi-11
  • Топливная аппаратура
  • Запчасти УРАЛ
  • Запчасти МАЗ
  • Запчасти КамАЗ
  • Запчасти ММЗ
  • Ремни
Автокаталог (справочник)
  • Доставка
  • Оплата
  • О компании
  • Контакты
8 (800) 700-35-68
Написать в Whatsapp
sales@din76.ru
Динамика 76
Меню  
  • Каталог
    • Двигатели  
      • Двигатели ТМЗ  
        • Двигатели ТМЗ для автомобилей
        • Двигатели ТМЗ для тракторов
        • Специальные двигатели ТМЗ
        • Промышленные двигатели ТМЗ
      • Двигатели ЯМЗ  
        • ЯМЗ 236
        • ЯМЗ 238
        • ЯМЗ 240
        • ЯМЗ 751
        • ЯМЗ 840
        • ЯМЗ 850
        • ЯМЗ 656
        • ЯМЗ 658
        • ЯМЗ 534
        • ЯМЗ 536
        • ЯМЗ 650
        • Двигатели ЯМЗ для электростанций
      • Двигатели КАМАЗ
      • Двигатели ММЗ
      • Двигатели индивидуальной сборки
      • Комплекты переоборудования
    • Запчасти WEICHAI  
      • Основные запчасти двигателя  
        • Клапаны и толкатели
        • Шатуны
        • Вал коленчатый и маховик
        • Вал распределительный
        • Цилиндро-поршневая группа
      • Система питания  
        • Форсунки
        • Турбокомпрессор
      • Система смазки  
        • Насос масляный
      • Головка блока
      • Ремкомплекты
      • Система охлаждения  
        • Насос водяной
        • Муфта вязкостная и крыльчатка
      • Фильтры
      • Электрооборудование  
        • Генератор
        • Стартер
    • Запчасти ЯМЗ, ТМЗ (V-образные)  
      • Основные запчасти двигателя  
        • Блок двигателя и комплектующие
        • Валы распределительные и клапаны
        • Головка блока и комплектующие
        • Цилиндро-поршневая группа
        • Маховики и комплектующие
        • Валы коленчатые и комплектующие
        • Шатуны и комплектующие
      • Система питания  
        • Коллекторы и патрубки
        • Топливные трубопроводы
        • Турбокомпрессор
        • Топливные фильтры
      • Электрооборудование двигателя
      • Система охлаждения  
        • Вязкостные муфты и крыльчатки
        • Приводы вентилятора
        • Водяные насосы
        • Водяные трубы и термостаты
      • Коробки переключения передач  
        • 8 Ступенчатые КПП
        • 5 Ступенчатые КПП
        • 9 Ступенчатые КПП
        • Запасные части КПП ЯМЗ, ТМЗ
      • Система смазки  
        • Теплообменник и комплектующие
        • Масляные насосы
        • Фильтры масляные (ФГОМ, ФЦОМ)
      • Сцепление  
        • Запасные части механизма сцепления
        • Муфты (подшипники выжимные)
        • Корзины (диски нажимные)
        • Диски ведомые
      • Прочие запчасти двигателя  
        • Ремкомплекты
        • Привод агрегатов
        • Натяжные устройства
        • Трубки
    • Запчасти ЯМЗ-534, ЯМЗ-536  
      • Основные запчасти двигателя  
        • Цилиндро-поршневая группа
        • Головка блока цилиндров и комплектующие
        • Блок цилиндров и комплектующие
        • Вал коленчатый и маховик
        • Вал распределительный
        • Клапаны и толкатели
        • ГУР (Гидроусилитель руля)
        • Система рециркуляции отработавших газов
        • Выпускной коллектор
      • Система питания  
        • Коллекторы и патрубки
        • Топливные фильтры
        • Турбокомпрессор
        • Топливные трубопроводы
      • Система смазки  
        • Масляный картер поддон
        • Масляный насос
        • Теплообменник /Водо-масляный радиатор
        • Фильтры масляные (ФГОМ, ФЦОМ)
      • Пневмокомпрессор и натяжное
      • Система охлаждения  
        • Водяной насос
        • Водяные трубы и патрубки
        • Муфты вязкостные, приводы, крыльчатки
      • Ремкомплекты
      • Сцепление
      • Электрооборудование
    • Запчасти ЯМЗ-650, ЯМЗ-651, DCi-11  
      • Основные запчасти двигателя  
        • Цилиндро-поршневая группа
        • Головка блока цилиндров и комплектующие
        • Блок цилиндров и комплектующие
        • Вал коленчатый и маховик
        • Выпускной коллектор
        • Вал распределительный
        • Клапаны и толкатели
        • ГУР (Гидроусилитель руля)
        • Система рециркуляции отработавших газов
      • Система питания  
        • Коллекторы и патрубки
        • Топливные трубопроводы
        • Топливные фильтры
        • Турбокомпрессор
      • Система смазки  
        • Масляный картер / поддон
        • Масляный насос
        • Теплообменник / Водо-масляный радиатор
        • Фильтры масляные (ФГОМ, ФЦОМ)
      • Система охлаждения  
        • Водяной насос
        • Водяные трубы и патрубки
        • Муфты вязкостные, приводы, крыльчатки
      • Ремкомплекты
      • Пневмокомпрессор и натяжное
      • Электрооборудование
      • Сцепление
    • Топливная аппаратура  
      • ЯЗДА  
        • Распылители
        • ТНВД
        • Форсунки
        • Топливный насос низкого давления
        • Пары плунжерные
        • Муфта опережения впрыска топлива
        • Запчасти и комплектующие ТНВД
      • НЗТА
      • АЗПИ  
        • Распылители
        • Форсунки
      • BOSCH
    • Запчасти УРАЛ  
      • Трансмиссия  
        • Коробка раздаточная
        • Передача карданная
        • Мост задний
        • Мост передний (ведущий)
        • Мост средний (промежуточный)
      • Кузов  
        • Дверь кабины
        • Капот, крылья, облицовка радиатора
        • Окно ветровое и заднее
        • Отопление и вентиляция кабины
        • Кабина
      • Механизмы управления  
        • Управление рулевое
        • Тормоза
      • Дополнительное оборудование  
        • Отбор мощности
        • Устройство седельное
      • Электрооборудование
      • Ходовая часть  
        • Колеса и ступицы
        • Ось передняя
        • Подвеска автомобиля
        • Рама
    • Запчасти МАЗ  
      • Трансмиссия  
        • Мост задний
        • Мост передний (ведущий)
        • Передача карданная
        • Мост средний (промежуточный)
      • Кузов  
        • Кабина
        • Дверь кабины
        • Детали основания кабины
        • Окно ветровое и заднее
        • Платформа
      • Механизмы управления  
        • Тормоза
        • Управление рулевое
      • Ходовая часть  
        • Колеса и ступицы
        • Ось передняя
        • Подвеска автомобиля
        • Рама
    • Запчасти КамАЗ  
      • Кузов  
        • Кабина
        • Капот, крылья, облицовка радиатора
        • Дверь кабины
        • Платформа
        • Окно ветровое и заднее
        • Устройство подъемное и опрокидывающее
        • Сиденье
        • Крыша кабины (крыша кузова)
        • Отопление и вентиляция кабины
      • Трансмиссия  
        • Коробка передач
        • Коробка раздаточная
        • Мост задний
        • Сцепление
        • Мост средний (промежуточный)
        • Передача карданная
        • Мост передний (ведущий)
      • Двигатель  
        • Основные запчасти двигателя
        • Система охлаждения
        • Система питания
        • Система смазки
      • Дополнительное оборудование  
        • Отбор мощности
        • Устройство седельное
      • Ходовая часть  
        • Подвеска автомобиля
        • Рама
        • Колеса и ступицы
        • Ось передняя
      • Механизмы управления  
        • Тормоза
        • Управление рулевое
      • Электрооборудование
    • Запчасти ММЗ
    • Ремни
  • Справочник
    • Грузовые автомобили
    • Автобусы
    • Сельхозтехника
    • Спецтехника
    • Двигатели
  • Как купить
    • Условия оплаты
    • Условия доставки
    • Гарантия на товар
    • Пункты выдачи
  • Услуги
    • Капитальный ремонт двигателей ЯМЗ
  • Акции
  • Статьи
  • Контакты
  • Компания
    • Реквизиты
    • Магазины
    • Оплата
    • Доставка
    • Лицензии и сертификаты
    • Новости
    • Вакансии
Избранное 0 Корзина 0
8-800-700-35-68

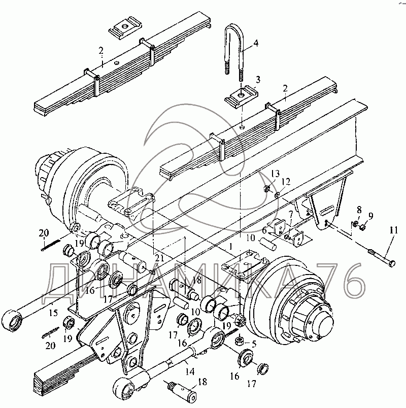
Подвеска. Установка третьей оси на МАЗ-3PP59 (до 1999 г.)

Справочник
Главная
-
Автокаталог
-
Грузовые автомобили и прицепы
-
МАЗ
-
МАЗ-3PP59
Справочный каталог

Подвеска. Установка третьей оси — МАЗ-3PP59:

1 2 2 3 4 5 6 7 8 9 10 10 11 12 13 14 15 16 16 16 17 17 17 18 18 19 19 19 20 20 21
в наличии
нет в наличии
масштаб

В наличии
Нет в наличии

Перечень комплектующих от Подвеска. Установка третьей оси на МАЗ-3PP59

Схемы запчастей предназначены для справочных целей! Мы продаем не все запчасти от Подвеска. Установка третьей оси на МАЗ-3PP59, представленные в этом списке.
Наличие на складах по деталям с ценой смотрите в карточке товара.
1
1
Артикул: 3РР59-2410007
нет в наличии
Ось с тормозами
Количество на схеме: 1
Информация
Ось с тормозами
Количество
1
771424;
Модель
3РР59
Группа
Мост задний
Подгруппа
2410
Порядковый номер детали
007
2
2
Артикул: 9379-2912012
в наличии
Рессора
Количество на схеме: 2
Информация
Рессора
Количество
2
771425;
Модель
9379
Группа
Подвеска автомобиля
Подгруппа
Рессоры задние (пружины задней подвески)
Порядковый номер детали
012
Рессора МАЗ полуприцепа задняя (12 листов) L=1150мм ЧМЗ
Артикул: 9379-2912012
Рессора МАЗ полуприцепа задняя (12 листов) L=1150мм ЧМЗ
Код для заказа: 00052396
Цена: 27 375 ₽/шт.
Под заказ
Рессора МАЗ полуприцепа задняя (12 листов) L=1150мм ЧМЗ
Артикул: 9379-2912012
Код для заказа: 00052396
Рессора МАЗ полуприцепа задняя (12 листов) L=1150мм ЧМЗ
Цена: 27 375 ₽/шт.
Под заказ
3
3
Артикул: 5206-2912412
в наличии
Накладка задней рессоры
Количество на схеме: 2
Информация
Накладка задней рессоры
Количество
2
771426;
Модель
5206
Группа
Подвеска автомобиля
Подгруппа
Рессоры задние (пружины задней подвески)
Порядковый номер детали
412
Накладка МАЗ рессоры ОАО МАЗ
Артикул: 5206-2912412
Накладка МАЗ рессоры ОАО МАЗ
Код для заказа: 00039841
Цена: 3 258 ₽/шт.
Под заказ
Накладка МАЗ рессоры ОАО МАЗ
Артикул: 5206-2912412
Код для заказа: 00039841
Накладка МАЗ рессоры ОАО МАЗ
Цена: 3 258 ₽/шт.
Под заказ
4
4
Артикул: 516-2912408
в наличии
Стремянка
Количество на схеме: 4
Информация
Стремянка
Количество
4
771427;
Модель
516
Группа
Подвеска автомобиля
Подгруппа
Рессоры задние (пружины задней подвески)
Порядковый номер детали
408
Стремянка МАЗ полуприцепа рессоры задняя L=455мм ОАО МАЗ
Артикул: 516-2912408
Стремянка МАЗ полуприцепа рессоры задняя L=455мм ОАО МАЗ
Код для заказа: 00055759
Цена: 2 121 ₽/шт.
Под заказ
Стремянка МАЗ полуприцепа рессоры задняя L=455мм ОАО МАЗ
Артикул: 516-2912408
Код для заказа: 00055759
Стремянка МАЗ полуприцепа рессоры задняя L=455мм ОАО МАЗ
Цена: 2 121 ₽/шт.
Под заказ
Стремянка МАЗ полуприцепа рессоры задняя L=455мм М27х2мм КММЗ
Артикул: 516-2912408
Стремянка МАЗ полуприцепа рессоры задняя L=455мм М27х2мм КММЗ
Код для заказа: 00055758
Цена: 911 ₽/шт.
Под заказ
Стремянка МАЗ полуприцепа рессоры задняя L=455мм М27х2мм КММЗ
Артикул: 516-2912408
Код для заказа: 00055758
Стремянка МАЗ полуприцепа рессоры задняя L=455мм М27х2мм КММЗ
Цена: 911 ₽/шт.
Под заказ
5
5
Артикул: 375059
в наличии
Гайка М27х2-5Н6Н
Количество на схеме: 8
Информация
Гайка М27х2-5Н6Н
Количество
8
771428;
Покрытие
без покрытия
Гайка М27Х2-6Н1 стремянки рессоры задней МАЗ,КАМАЗ
Артикул: 375059
Гайка М27Х2-6Н1 стремянки рессоры задней МАЗ,КАМАЗ
Код для заказа: 00027597
Цена: 384 ₽/шт.
Под заказ
Гайка М27Х2-6Н1 стремянки рессоры задней МАЗ,КАМАЗ
Артикул: 375059
Код для заказа: 00027597
Гайка М27Х2-6Н1 стремянки рессоры задней МАЗ,КАМАЗ
Цена: 384 ₽/шт.
Под заказ
6
6
Артикул: 500-2912448-Б
в наличии
Вкладыш боковой
Количество на схеме: 4
Информация
Вкладыш боковой
Количество
4
771429;
Модель
500
Группа
Подвеска автомобиля
Подгруппа
Рессоры задние (пружины задней подвески)
Порядковый номер детали
448
Вкладыш МАЗ рессоры задней боковой (прямой)
Артикул: 500-2912448-Б
Вкладыш МАЗ рессоры задней боковой (прямой)
Код для заказа: 00025711
Цена: 138 ₽/шт.
Под заказ
Вкладыш МАЗ рессоры задней боковой (прямой)
Артикул: 500-2912448-Б
Код для заказа: 00025711
Вкладыш МАЗ рессоры задней боковой (прямой)
Цена: 138 ₽/шт.
Под заказ
Вкладыш МАЗ рессоры задней боковой (прямой) БЗЗЧ
Артикул: 500-2912448-Б
Вкладыш МАЗ рессоры задней боковой (прямой) БЗЗЧ
Код для заказа: 00025712
Цена: 181 ₽/шт.
Под заказ
Вкладыш МАЗ рессоры задней боковой (прямой) БЗЗЧ
Артикул: 500-2912448-Б
Код для заказа: 00025712
Вкладыш МАЗ рессоры задней боковой (прямой) БЗЗЧ
Цена: 181 ₽/шт.
Под заказ
7
7
Артикул: 221723
нет в наличии
Винт М10-6gх30
Количество на схеме: 4
Информация
Винт М10-6gх30
Количество
4
771430;
Покрытие
без покрытия
8
8
Артикул: 252136
нет в наличии
Шайба 10.ОТ
Количество на схеме: 4
Информация
Шайба 10.ОТ
Количество
4
771431;
Покрытие
без покрытия
9
9
Артикул: 250612
нет в наличии
Гайка М10-6Н
Количество на схеме: 4
Информация
Гайка М10-6Н
Количество
4
771432;
Покрытие
без покрытия
10
10
Артикул: 200-2912452
в наличии
Втулка распорная
Количество на схеме: 2
Информация
Втулка распорная
Количество
2
771433;
Модель
200
Группа
Подвеска автомобиля
Подгруппа
Рессоры задние (пружины задней подвески)
Порядковый номер детали
452
Втулка МАЗ распорная
Артикул: 200-2912452
Втулка МАЗ распорная
Код для заказа: 00026659
Цена: 48 ₽/шт.
Под заказ
Втулка МАЗ распорная
Артикул: 200-2912452
Код для заказа: 00026659
Втулка МАЗ распорная
Цена: 48 ₽/шт.
Под заказ
11
11
Артикул: 200879
в наличии
Болт М16-6gх150
Количество на схеме: 2
Информация
Болт М16-6gх150
Количество
2
771434;
Покрытие
без покрытия
Болт М16х150 рессоры полуприцепа МАЗ ОАО МАЗ
Артикул: 200879
Болт М16х150 рессоры полуприцепа МАЗ ОАО МАЗ
Код для заказа: 00022857
Цена: 105 ₽/шт.
Под заказ
Болт М16х150 рессоры полуприцепа МАЗ ОАО МАЗ
Артикул: 200879
Код для заказа: 00022857
Болт М16х150 рессоры полуприцепа МАЗ ОАО МАЗ
Цена: 105 ₽/шт.
Под заказ
12
12
Артикул: 252139
нет в наличии
Шайба 16.ОТ
Количество на схеме: 2
Информация
Шайба 16.ОТ
Количество
2
771435;
Покрытие
без покрытия
13
13
Артикул: 250560
нет в наличии
Гайка М16-6Н
Количество на схеме: 2
Информация
Гайка М16-6Н
Количество
2
771436;
Покрытие
без покрытия
14
14
Артикул: 9506-2919010-10
в наличии
Штанга регулируемая L=493 мм
Количество на схеме: 1
Информация
Штанга регулируемая L=493 мм
Количество
1
771437;
Модель
9506
Группа
Подвеска автомобиля
Подгруппа
Штанги реактивные задней подвески
Порядковый номер детали
010
Дополнительно
Не взаимозаменяема с деталью, выпущенной ранее под этим же номером
Штанга МАЗ полуприцепа регулируемая L=515мм
Артикул: 9506-2919010-10
Штанга МАЗ полуприцепа регулируемая L=515мм
Код для заказа: 00066090
Цена: 6 745 ₽/шт.
Под заказ
Штанга МАЗ полуприцепа регулируемая L=515мм
Артикул: 9506-2919010-10
Код для заказа: 00066090
Штанга МАЗ полуприцепа регулируемая L=515мм
Цена: 6 745 ₽/шт.
Под заказ
15
15
Артикул: 9506-2919013-10
в наличии
Штанга нерегулируемая
Количество на схеме: 1
Информация
Штанга нерегулируемая
Количество
1
771438;
Модель
9506
Группа
Подвеска автомобиля
Подгруппа
Штанги реактивные задней подвески
Порядковый номер детали
013
Дополнительно
Не взаимозаменяема с деталью, выпущенной ранее под этим же номером
Штанга МАЗ полуприцепа не регулируемая L=515мм
Артикул: 9506-2919013-10
Штанга МАЗ полуприцепа не регулируемая L=515мм
Код для заказа: 00066080
Цена: 10 800 ₽/шт.
Под заказ
Штанга МАЗ полуприцепа не регулируемая L=515мм
Артикул: 9506-2919013-10
Код для заказа: 00066080
Штанга МАЗ полуприцепа не регулируемая L=515мм
Цена: 10 800 ₽/шт.
Под заказ
16
16
Артикул: 941-2919026-10
в наличии
Уплотнитель
Количество на схеме: 8
Информация
Уплотнитель
Количество
8
771439;
Модель
941
Группа
Подвеска автомобиля
Подгруппа
Штанги реактивные задней подвески
Порядковый номер детали
026
Дополнительно
Не взаимозаменяема с деталью, выпущенной ранее под этим же номером
Уплотнитель МАЗ полуприцепа штанги реактивной
Артикул: 941-2919026-10
Уплотнитель МАЗ полуприцепа штанги реактивной
Код для заказа: 00010386
Цена: 11 ₽/шт.
Под заказ
Уплотнитель МАЗ полуприцепа штанги реактивной
Артикул: 941-2919026-10
Код для заказа: 00010386
Уплотнитель МАЗ полуприцепа штанги реактивной
Цена: 11 ₽/шт.
Под заказ
Уплотнитель МАЗ полуприцепа штанги реактивной БРТИ
Артикул: 941-2919026-10
Уплотнитель МАЗ полуприцепа штанги реактивной БРТИ
Код для заказа: 00060051
Цена: 16 ₽/шт.
Под заказ
Уплотнитель МАЗ полуприцепа штанги реактивной БРТИ
Артикул: 941-2919026-10
Код для заказа: 00060051
Уплотнитель МАЗ полуприцепа штанги реактивной БРТИ
Цена: 16 ₽/шт.
Под заказ
Уплотнитель МАЗ полуприцепа штанги реактивной полиуретан
Артикул: 941-2919026-10
Уплотнитель МАЗ полуприцепа штанги реактивной полиуретан
Код для заказа: 00060052
Цена: 22 ₽/шт.
Под заказ
Уплотнитель МАЗ полуприцепа штанги реактивной полиуретан
Артикул: 941-2919026-10
Код для заказа: 00060052
Уплотнитель МАЗ полуприцепа штанги реактивной полиуретан
Цена: 22 ₽/шт.
Под заказ
17
17
Артикул: 941-2919028-11
нет в наличии
Втулка
Количество на схеме: 8
Информация
Втулка
Количество
8
771440;
Модель
941
Группа
Подвеска автомобиля
Подгруппа
Штанги реактивные задней подвески
Порядковый номер детали
028
Дополнительно
Не взаимозаменяема с деталью, выпущенной ранее под этим же номером
18
18
Артикул: 941-2919098
в наличии
Палец
Количество на схеме: 4
Информация
Палец
Количество
4
771441;
Модель
941
Группа
Подвеска автомобиля
Подгруппа
Штанги реактивные задней подвески
Порядковый номер детали
098
Палец штанги реактивной МАЗ в сборе (6 позиций)
Артикул: 941-2919098
Палец штанги реактивной МАЗ в сборе (6 позиций)
Код для заказа: 00042585
Цена: 719 ₽/шт.
Под заказ
Палец штанги реактивной МАЗ в сборе (6 позиций)
Артикул: 941-2919098
Код для заказа: 00042585
Палец штанги реактивной МАЗ в сборе (6 позиций)
Цена: 719 ₽/шт.
Под заказ
Палец штанги реактивной МАЗ
Артикул: 941-2919098
Палец штанги реактивной МАЗ
Код для заказа: 00042583
Цена: 893 ₽/шт.
Под заказ
Палец штанги реактивной МАЗ
Артикул: 941-2919098
Код для заказа: 00042583
Палец штанги реактивной МАЗ
Цена: 893 ₽/шт.
Под заказ
19
19
Артикул: 5335-2402036
в наличии
Гайка М39х2-5Н6Н
Количество на схеме: 4
Информация
Гайка М39х2-5Н6Н
Количество
4
771442;
Модель
5335
Группа
Мост задний
Подгруппа
Редуктор заднего моста (главная передача)
Порядковый номер детали
036
Гайка М39х2-5Н6Н МАЗ штанги реактивной,буксирного прибора (цинк) СМ
Артикул: 5335-2402036
Гайка М39х2-5Н6Н МАЗ штанги реактивной,буксирного прибора (цинк) СМ
Код для заказа: 00027639
Цена: 566 ₽/шт.
Под заказ
Гайка М39х2-5Н6Н МАЗ штанги реактивной,буксирного прибора (цинк) СМ
Артикул: 5335-2402036
Код для заказа: 00027639
Гайка М39х2-5Н6Н МАЗ штанги реактивной,буксирного прибора (цинк) СМ
Цена: 566 ₽/шт.
Под заказ
20
20
Артикул: 45-9871-1232
нет в наличии
Шплинт 6,3х60
Количество на схеме: 4
Информация
Шплинт 6,3х60
Количество
4
771443;
21
21
Артикул: 264020
нет в наличии
Масленка 1.3.Ц6хр
Количество на схеме: 4
Информация
Масленка 1.3.Ц6хр
Количество
4
771444;
Покрытие
без покрытия
  • Грузовые автомобили
  • Автобусы
  • Сельхозтехника
  • Спецтехника
  • Двигатели
Получить оптовый прайс-лист
Скачать прайс-лист от 20.04.2026 16:00
Специальное предложение от 20.04.2026 13:00
Производители:


  • WEICHAI
  • Автодизель ПАО (ЯМЗ)
  • Тутаевский МЗ
  • ЯЗДА
  • УралАЗ
  • МАЗ
  • АЗПИ
  • BOSCH
  • ММЗ
  • ШААЗ
  • FEDERAL MOGUL
  • ПРАМО
  • Мотордеталь
  • ТАИМ
  • АвтоКрАЗ
  • БЕЛКАРД
  • CZ Strakonice
  • КамАЗ
  • БЗА
  • ЧМЗ
  • BMZ
Новости
Все новости
25 марта 2024
Флагманский седельный тягач «Валдай 45» на выставке «TransRussia»
10 марта 2024
Современные автобусы «CITYMAX 9» и ЛиАЗ-5292 CNG
25 февраля 2024
Серийное производство средних дизельных двигателей повышенной мощности от ЯМЗ
Статьи
Все статьи
Датчики двигателя: за что они отвечают, признаки неисправности и как не прогадать с выбором
Двигатели ЯМЗ-534: история, технические характеристики и области применения
Двигатели ЯМЗ 650: углублённый технический обзор и история
Компания
О компании
Реквизиты
Новости
Политика
Магазины
Информация
Условия оплаты
Условия доставки
Гарантия на товар
Обмен и возврат товара
Помощь
Как оформить заказ
Полезные статьи
Бренды
Пункты выдачи
Оставайтесь на связи
  • Вконтакте
  • YouTube
  • Одноклассники
  • Google Plus
Увидели ошибку?
Выделите, нажав Ctrl + Enter
Наши контакты
8-800-700-35-68
sales@din76.ru
г. Ярославль, Ленинградский пр-т 33, ТЦ "ОМЕГА"
2026 © ООО «Динамика 76» - Все права защищены ООО "Динамика 76"
Предложения на сайте не являются публичной офертой.
На сайте обнаружена ошибка

Текст с ошибкой