Избранное 0 Корзина 0 Личный кабинет
logo
Каталог
Каталог
  • Справочник
    • Грузовые автомобили
    • Автобусы
    • Сельхозтехника
    • Спецтехника
    • Двигатели
  • Доставка
  • Оплата
  • О компании
    • Реквизиты
    • Магазины
    • Оплата
    • Доставка
    • Лицензии и сертификаты
    • Новости
    • Вакансии
  • Контакты
Отправить заявку
Личный кабинет
8 (800) 700-35-68
sales@din76.ru
Избранное 0 Корзина 0
8 (800) 700-35-68
Оптовый прайс-лист
Каталог
  • Двигатели
  • Запчасти WEICHAI
  • Запчасти ЯМЗ, ТМЗ (V-образные)
  • Запчасти ЯМЗ-534, ЯМЗ-536
  • Запчасти ЯМЗ-650, ЯМЗ-651, DCi-11
  • Топливная аппаратура
  • Запчасти УРАЛ
  • Запчасти МАЗ
  • Запчасти КамАЗ
  • Запчасти ММЗ
  • Ремни
Автокаталог (справочник)
  • Доставка
  • Оплата
  • О компании
  • Контакты
8 (800) 700-35-68
Написать в Whatsapp
sales@din76.ru
Динамика 76
Меню  
  • Каталог
    • Двигатели  
      • Двигатели ТМЗ  
        • Двигатели ТМЗ для автомобилей
        • Двигатели ТМЗ для тракторов
        • Специальные двигатели ТМЗ
        • Промышленные двигатели ТМЗ
      • Двигатели ЯМЗ  
        • ЯМЗ 236
        • ЯМЗ 238
        • ЯМЗ 240
        • ЯМЗ 751
        • ЯМЗ 840
        • ЯМЗ 850
        • ЯМЗ 656
        • ЯМЗ 658
        • ЯМЗ 534
        • ЯМЗ 536
        • ЯМЗ 650
        • Двигатели ЯМЗ для электростанций
      • Двигатели КАМАЗ
      • Двигатели ММЗ
      • Двигатели индивидуальной сборки
      • Комплекты переоборудования
    • Запчасти WEICHAI  
      • Основные запчасти двигателя  
        • Клапаны и толкатели
        • Шатуны
        • Вал коленчатый и маховик
        • Вал распределительный
        • Цилиндро-поршневая группа
      • Система питания  
        • Форсунки
        • Турбокомпрессор
      • Система смазки  
        • Насос масляный
      • Головка блока
      • Ремкомплекты
      • Система охлаждения  
        • Насос водяной
        • Муфта вязкостная и крыльчатка
      • Фильтры
      • Электрооборудование  
        • Генератор
        • Стартер
    • Запчасти ЯМЗ, ТМЗ (V-образные)  
      • Основные запчасти двигателя  
        • Блок двигателя и комплектующие
        • Валы распределительные и клапаны
        • Головка блока и комплектующие
        • Цилиндро-поршневая группа
        • Маховики и комплектующие
        • Валы коленчатые и комплектующие
        • Шатуны и комплектующие
      • Система питания  
        • Коллекторы и патрубки
        • Топливные трубопроводы
        • Турбокомпрессор
        • Топливные фильтры
      • Электрооборудование двигателя
      • Система охлаждения  
        • Вязкостные муфты и крыльчатки
        • Приводы вентилятора
        • Водяные насосы
        • Водяные трубы и термостаты
      • Коробки переключения передач  
        • 8 Ступенчатые КПП
        • 5 Ступенчатые КПП
        • 9 Ступенчатые КПП
        • Запасные части КПП ЯМЗ, ТМЗ
      • Система смазки  
        • Теплообменник и комплектующие
        • Масляные насосы
        • Фильтры масляные (ФГОМ, ФЦОМ)
      • Сцепление  
        • Запасные части механизма сцепления
        • Муфты (подшипники выжимные)
        • Корзины (диски нажимные)
        • Диски ведомые
      • Прочие запчасти двигателя  
        • Ремкомплекты
        • Привод агрегатов
        • Натяжные устройства
        • Трубки
    • Запчасти ЯМЗ-534, ЯМЗ-536  
      • Основные запчасти двигателя  
        • Цилиндро-поршневая группа
        • Головка блока цилиндров и комплектующие
        • Блок цилиндров и комплектующие
        • Вал коленчатый и маховик
        • Вал распределительный
        • Клапаны и толкатели
        • ГУР (Гидроусилитель руля)
        • Система рециркуляции отработавших газов
        • Выпускной коллектор
      • Система питания  
        • Коллекторы и патрубки
        • Топливные фильтры
        • Турбокомпрессор
        • Топливные трубопроводы
      • Система смазки  
        • Масляный картер поддон
        • Масляный насос
        • Теплообменник /Водо-масляный радиатор
        • Фильтры масляные (ФГОМ, ФЦОМ)
      • Пневмокомпрессор и натяжное
      • Система охлаждения  
        • Водяной насос
        • Водяные трубы и патрубки
        • Муфты вязкостные, приводы, крыльчатки
      • Ремкомплекты
      • Сцепление
      • Электрооборудование
    • Запчасти ЯМЗ-650, ЯМЗ-651, DCi-11  
      • Основные запчасти двигателя  
        • Цилиндро-поршневая группа
        • Головка блока цилиндров и комплектующие
        • Блок цилиндров и комплектующие
        • Вал коленчатый и маховик
        • Выпускной коллектор
        • Вал распределительный
        • Клапаны и толкатели
        • ГУР (Гидроусилитель руля)
        • Система рециркуляции отработавших газов
      • Система питания  
        • Коллекторы и патрубки
        • Топливные трубопроводы
        • Топливные фильтры
        • Турбокомпрессор
      • Система смазки  
        • Масляный картер / поддон
        • Масляный насос
        • Теплообменник / Водо-масляный радиатор
        • Фильтры масляные (ФГОМ, ФЦОМ)
      • Система охлаждения  
        • Водяной насос
        • Водяные трубы и патрубки
        • Муфты вязкостные, приводы, крыльчатки
      • Ремкомплекты
      • Пневмокомпрессор и натяжное
      • Электрооборудование
      • Сцепление
    • Топливная аппаратура  
      • ЯЗДА  
        • Распылители
        • ТНВД
        • Форсунки
        • Топливный насос низкого давления
        • Пары плунжерные
        • Муфта опережения впрыска топлива
        • Запчасти и комплектующие ТНВД
      • НЗТА
      • АЗПИ  
        • Распылители
        • Форсунки
      • BOSCH
    • Запчасти УРАЛ  
      • Трансмиссия  
        • Коробка раздаточная
        • Передача карданная
        • Мост задний
        • Мост передний (ведущий)
        • Мост средний (промежуточный)
      • Кузов  
        • Дверь кабины
        • Капот, крылья, облицовка радиатора
        • Окно ветровое и заднее
        • Отопление и вентиляция кабины
        • Кабина
      • Механизмы управления  
        • Управление рулевое
        • Тормоза
      • Дополнительное оборудование  
        • Отбор мощности
        • Устройство седельное
      • Электрооборудование
      • Ходовая часть  
        • Колеса и ступицы
        • Ось передняя
        • Подвеска автомобиля
        • Рама
    • Запчасти МАЗ  
      • Трансмиссия  
        • Мост задний
        • Мост передний (ведущий)
        • Передача карданная
        • Мост средний (промежуточный)
      • Кузов  
        • Кабина
        • Дверь кабины
        • Детали основания кабины
        • Окно ветровое и заднее
        • Платформа
      • Механизмы управления  
        • Тормоза
        • Управление рулевое
      • Ходовая часть  
        • Колеса и ступицы
        • Ось передняя
        • Подвеска автомобиля
        • Рама
    • Запчасти КамАЗ  
      • Кузов  
        • Кабина
        • Капот, крылья, облицовка радиатора
        • Дверь кабины
        • Платформа
        • Окно ветровое и заднее
        • Устройство подъемное и опрокидывающее
        • Сиденье
        • Крыша кабины (крыша кузова)
        • Отопление и вентиляция кабины
      • Трансмиссия  
        • Коробка передач
        • Коробка раздаточная
        • Мост задний
        • Сцепление
        • Мост средний (промежуточный)
        • Передача карданная
        • Мост передний (ведущий)
      • Двигатель  
        • Основные запчасти двигателя
        • Система охлаждения
        • Система питания
        • Система смазки
      • Дополнительное оборудование  
        • Отбор мощности
        • Устройство седельное
      • Ходовая часть  
        • Подвеска автомобиля
        • Рама
        • Колеса и ступицы
        • Ось передняя
      • Механизмы управления  
        • Тормоза
        • Управление рулевое
      • Электрооборудование
    • Запчасти ММЗ
    • Ремни
  • Справочник
    • Грузовые автомобили
    • Автобусы
    • Сельхозтехника
    • Спецтехника
    • Двигатели
  • Как купить
    • Условия оплаты
    • Условия доставки
    • Гарантия на товар
    • Пункты выдачи
  • Услуги
    • Капитальный ремонт двигателей ЯМЗ
  • Акции
  • Статьи
  • Контакты
  • Компания
    • Реквизиты
    • Магазины
    • Оплата
    • Доставка
    • Лицензии и сертификаты
    • Новости
    • Вакансии
Избранное 0 Корзина 0
8-800-700-35-68

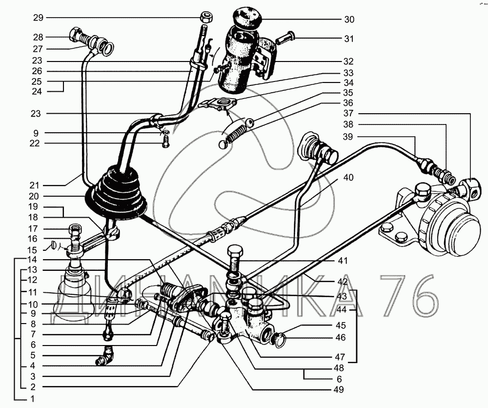
Рычаг переключения передач, кран управления на КрАЗ-7133С4 (до 2006 г.)

Справочник
Главная
-
Автокаталог
-
Грузовые автомобили и прицепы
-
КрАЗ
-
КрАЗ-7133С4
Справочный каталог

Рычаг переключения передач, кран управления — КрАЗ-7133С4:

6437-1723200 1 2 3 4 5 6 6 7 8 9 9 10 11 12 13 14 15 16 17 18 19 20 21 22 23 23 24 25 26 27 28 29 30 31 32 33 34 35 36 37 38 39 40 41 42 43 44 45 46 47 48 49
в наличии
нет в наличии
масштаб

В наличии
Нет в наличии

Перечень комплектующих от Рычаг переключения передач, кран управления на КрАЗ-7133С4

Схемы запчастей предназначены для справочных целей! Мы продаем не все запчасти от Рычаг переключения передач, кран управления на КрАЗ-7133С4, представленные в этом списке.
Наличие на складах по деталям с ценой смотрите в карточке товара.
Артикул: 6437-1723200
нет в наличии
Кран управления механизмом переключения дополнительной коробки
Количество на схеме: 1
Информация
Кран управления механизмом переключения дополнительной коробки
Количество
1
Модель
6437
Группа
Коробка передач
Подгруппа
1723
Порядковый номер детали
200
1
1
Артикул: 6437-1723308
нет в наличии
Трос крана управления в сборе
Количество на схеме: 1
Информация
Трос крана управления в сборе
Количество
1
Примечание
Входит в сборочную единицу 6437-1723200
Модель
6437
Группа
Коробка передач
Подгруппа
1723
Порядковый номер детали
308
2
2
Артикул: 15-1772034
в наличии
Кольцо
Количество на схеме: 2
Информация
Кольцо
Количество
2
Модель
15
Группа
Коробка передач
Подгруппа
Привод управления механизмом переключения делителя передач
Порядковый номер детали
034
Кольцо КАМАЗ делителя
Артикул: 15-1772034
Кольцо КАМАЗ делителя
Код для заказа: 00033505
Цена: 9 ₽/шт.
Под заказ
Кольцо КАМАЗ делителя
Артикул: 15-1772034
Код для заказа: 00033505
Кольцо КАМАЗ делителя
Цена: 9 ₽/шт.
Под заказ
3
3
Артикул: 15-1772173
нет в наличии
Прокладка крышки крана
Количество на схеме: 1
Информация
Прокладка крышки крана
Количество
1
Примечание
Входит в сборочную единицу 6437-1723200
Модель
15
Группа
Коробка передач
Подгруппа
Привод управления механизмом переключения делителя передач
Порядковый номер детали
173
4
4
Артикул: 15-1772164
нет в наличии
Золотник крана
Количество на схеме: 1
Информация
Золотник крана
Количество
1
Модель
15
Группа
Коробка передач
Подгруппа
Привод управления механизмом переключения делителя передач
Порядковый номер детали
164
5
5
Артикул: 347214
нет в наличии
Угольник К1/8"хМ10х1
Количество на схеме: 1
Информация
Угольник К1/8"хМ10х1
Количество
1
Покрытие
без покрытия
6
6
Артикул: 252135
нет в наличии
Шайба 8,65Г.029
Количество на схеме: 4
Информация
Шайба 8,65Г.029
Количество
4
Покрытие
без покрытия
7
7
Артикул: 201456
нет в наличии
Болт М8х1,25х20
Количество на схеме: 2
Информация
Болт М8х1,25х20
Количество
2
Примечание
Входит в сборочную единицу 6437-1723200
Покрытие
без покрытия
8
8
Артикул: 15-1772176
нет в наличии
Наконечник троса
Количество на схеме: 1
Информация
Наконечник троса
Количество
1
Модель
15
Группа
Коробка передач
Подгруппа
Привод управления механизмом переключения делителя передач
Порядковый номер детали
176
9
9
Артикул: 252133
нет в наличии
Шайба 5
Количество на схеме: 4
Информация
Шайба 5
Количество
4
Покрытие
без покрытия
10
10
Артикул: 250464
нет в наличии
Гайка М5
Количество на схеме: 1
Информация
Гайка М5
Количество
1
Покрытие
без покрытия
11
11
Артикул: 6437-1723312
нет в наличии
Трос
Количество на схеме: 1
Информация
Трос
Количество
1
Модель
6437
Группа
Коробка передач
Подгруппа
1723
Порядковый номер детали
312
12
12
Артикул: 6437-1723310
нет в наличии
Трос с золотником
Количество на схеме: 1
Информация
Трос с золотником
Количество
1
Модель
6437
Группа
Коробка передач
Подгруппа
1723
Порядковый номер детали
310
13
13
Артикул: 6505-1723322
нет в наличии
Оболочка направляющая
Количество на схеме: 1
Информация
Оболочка направляющая
Количество
1
Модель
6505
Группа
Коробка передач
Подгруппа
1723
Порядковый номер детали
322
14
14
Артикул: 15-1772172
нет в наличии
Крышка корпуса крана
Количество на схеме: 1
Информация
Крышка корпуса крана
Количество
1
Модель
15
Группа
Коробка передач
Подгруппа
Привод управления механизмом переключения делителя передач
Порядковый номер детали
172
15
15
Артикул: 347002
нет в наличии
Шпонка 4х65
Количество на схеме: 1
Информация
Шпонка 4х65
Количество
1
Покрытие
без покрытия
16
16
Артикул: 252138
нет в наличии
Шайба 14,2
Количество на схеме: 1
Информация
Шайба 14,2
Количество
1
Покрытие
без покрытия
17
17
Артикул: 250559
нет в наличии
Гайка М14х1,5
Количество на схеме: 1
Информация
Гайка М14х1,5
Количество
1
Покрытие
без покрытия
18
18
Артикул: 260-1723225
нет в наличии
Хомут
Количество на схеме: 1
Информация
Хомут
Количество
1
Модель
260
Группа
Коробка передач
Подгруппа
1723
Порядковый номер детали
225
19
19
Артикул: 260-1723226
нет в наличии
Хомут
Количество на схеме: 1
Информация
Хомут
Количество
1
Модель
260
Группа
Коробка передач
Подгруппа
1723
Порядковый номер детали
226
20
20
Артикул: 260-5130016-01
нет в наличии
Уплотнитель рычага
Количество на схеме: 1
Информация
Уплотнитель рычага
Количество
1
Модель
260
Группа
Детали основания (пола) кабины (Пол кузова)
Подгруппа
Уплотнители
Порядковый номер детали
016
21
21
Артикул: 260-1723130-10
нет в наличии
Трубопровод
Количество на схеме: 1
Информация
Трубопровод
Количество
1
Модель
260
Группа
Коробка передач
Подгруппа
1723
Порядковый номер детали
130
Дополнительно
Не взаимозаменяема с деталью, выпущенной ранее под этим же номером
22
22
Артикул: 220081
нет в наличии
Винт М5х0,8х18
Количество на схеме: 3
Информация
Винт М5х0,8х18
Количество
3
Покрытие
без покрытия
23
23
Артикул: 260-1723224
нет в наличии
Хомут
Количество на схеме: 2
Информация
Хомут
Количество
2
Модель
260
Группа
Коробка передач
Подгруппа
1723
Порядковый номер детали
224
24
24
Артикул: 252132
нет в наличии
Шайба 4
Количество на схеме: 2
Информация
Шайба 4
Количество
2
Покрытие
без покрытия
25
25
Артикул: 870358
нет в наличии
Винт М4х23
Количество на схеме: 2
Информация
Винт М4х23
Количество
2
Покрытие
без покрытия
26
26
Артикул: 6505-1703118
нет в наличии
Рычаг переключения передач
Количество на схеме: 1
Информация
Рычаг переключения передач
Количество
1
Модель
6505
Группа
Коробка передач
Подгруппа
Механизм управления КПП
Порядковый номер детали
118
27
27
Артикул: 312434
нет в наличии
Шайба 10
Количество на схеме: 12
Информация
Шайба 10
Количество
12
Покрытие
без покрытия
28
28
Артикул: 310122
нет в наличии
Болт М10х1х22
Количество на схеме: 3
Информация
Болт М10х1х22
Количество
3
Покрытие
без покрытия
29
29
Артикул: 250515
в наличии
Гайка 2М12х1,25.5.019
Количество на схеме: 1
Информация
Гайка 2М12х1,25.5.019
Количество
1
Покрытие
без покрытия
Болт М12х1.25х200 рессоры центровой МАЗ с гайкой
Артикул: 250515
Болт М12х1.25х200 рессоры центровой МАЗ с гайкой
Код для заказа: 00022600
Цена: 85 ₽/шт.
Под заказ
Болт М12х1.25х200 рессоры центровой МАЗ с гайкой
Артикул: 250515
Код для заказа: 00022600
Болт М12х1.25х200 рессоры центровой МАЗ с гайкой
Цена: 85 ₽/шт.
Под заказ
30
30
Артикул: 15-1772218
нет в наличии
Крышка верхняя
Количество на схеме: 1
Информация
Крышка верхняя
Количество
1
Модель
15
Группа
Коробка передач
Подгруппа
Привод управления механизмом переключения делителя передач
Порядковый номер детали
218
31
31
Артикул: 260-1772214
нет в наличии
Винт установочный
Количество на схеме: 2
Информация
Винт установочный
Количество
2
Модель
260
Группа
Коробка передач
Подгруппа
Привод управления механизмом переключения делителя передач
Порядковый номер детали
214
32
32
Артикул: 15-1772212
нет в наличии
Крышка корпуса
Количество на схеме: 1
Информация
Крышка корпуса
Количество
1
Модель
15
Группа
Коробка передач
Подгруппа
Привод управления механизмом переключения делителя передач
Порядковый номер детали
212
33
33
Артикул: 15-1772190
нет в наличии
Корпус переключателя
Количество на схеме: 1
Информация
Корпус переключателя
Количество
1
Модель
15
Группа
Коробка передач
Подгруппа
Привод управления механизмом переключения делителя передач
Порядковый номер детали
190
34
34
Артикул: 15-1772202-01
нет в наличии
Переключатель
Количество на схеме: 1
Информация
Переключатель
Количество
1
Модель
15
Группа
Коробка передач
Подгруппа
Привод управления механизмом переключения делителя передач
Порядковый номер детали
202
35
35
Артикул: 15-1772205
нет в наличии
Шарик
Количество на схеме: 2
Информация
Шарик
Количество
2
Модель
15
Группа
Коробка передач
Подгруппа
Привод управления механизмом переключения делителя передач
Порядковый номер детали
205
36
36
Артикул: 15-1772206
нет в наличии
Пружина
Количество на схеме: 1
Информация
Пружина
Количество
1
Модель
15
Группа
Коробка передач
Подгруппа
Привод управления механизмом переключения делителя передач
Порядковый номер детали
206
37
37
Артикул: 260-1723114
нет в наличии
Тройник специальный
Количество на схеме: 1
Информация
Тройник специальный
Количество
1
Модель
260
Группа
Коробка передач
Подгруппа
1723
Порядковый номер детали
114
38
38
Артикул: 347502
нет в наличии
Штуцер К1/8"хМ10х1
Количество на схеме: 1
Информация
Штуцер К1/8"хМ10х1
Количество
1
Покрытие
без покрытия
39
39
Артикул: 65055-1723110
нет в наличии
Трубопровод
Количество на схеме: 1
Информация
Трубопровод
Количество
1
Модель
65055
Группа
Коробка передач
Подгруппа
1723
Порядковый номер детали
110
40
40
Артикул: 260-1723120-10
нет в наличии
Трубопровод
Количество на схеме: 1
Информация
Трубопровод
Количество
1
Модель
260
Группа
Коробка передач
Подгруппа
1723
Порядковый номер детали
120
Дополнительно
Не взаимозаменяема с деталью, выпущенной ранее под этим же номером
41
41
Артикул: 260-1723334
нет в наличии
Болт
Количество на схеме: 3
Информация
Болт
Количество
3
Модель
260
Группа
Коробка передач
Подгруппа
1723
Порядковый номер детали
334
42
42
Артикул: 260-1723140
нет в наличии
Трубопровод
Количество на схеме: 1
Информация
Трубопровод
Количество
1
Модель
260
Группа
Коробка передач
Подгруппа
1723
Порядковый номер детали
140
43
43
Артикул: 15-1772166
нет в наличии
Гнездо золотника
Количество на схеме: 4
Информация
Гнездо золотника
Количество
4
Модель
15
Группа
Коробка передач
Подгруппа
Привод управления механизмом переключения делителя передач
Порядковый номер детали
166
44
44
Артикул: 15-1772140
нет в наличии
Корпус крана в сборе
Количество на схеме: 1
Информация
Корпус крана в сборе
Количество
1
Примечание
Входит в сборочную единицу 6437-1723200
Модель
15
Группа
Коробка передач
Подгруппа
Привод управления механизмом переключения делителя передач
Порядковый номер детали
140
45
45
Артикул: 15-1772168
нет в наличии
Фильтр крана
Количество на схеме: 1
Информация
Фильтр крана
Количество
1
Модель
15
Группа
Коробка передач
Подгруппа
Привод управления механизмом переключения делителя передач
Порядковый номер детали
168
46
46
Артикул: 15-1772150
нет в наличии
Кольцо запорное
Количество на схеме: 1
Информация
Кольцо запорное
Количество
1
Модель
15
Группа
Коробка передач
Подгруппа
Привод управления механизмом переключения делителя передач
Порядковый номер детали
150
47
47
Артикул: 15-1772144
нет в наличии
Корпус крана
Количество на схеме: 1
Информация
Корпус крана
Количество
1
Модель
15
Группа
Коробка передач
Подгруппа
Привод управления механизмом переключения делителя передач
Порядковый номер детали
144
48
48
Артикул: 201458
нет в наличии
Болт М8х1,25х25
Количество на схеме: 2
Информация
Болт М8х1,25х25
Количество
2
Покрытие
без покрытия
49
49
Артикул: 5133В2-1723103-000
нет в наличии
Шланг
Количество на схеме: 1
Информация
Шланг
Количество
1
Модель
5133В2
Группа
Коробка передач
Подгруппа
1723
Порядковый номер детали
103
  • Грузовые автомобили
  • Автобусы
  • Сельхозтехника
  • Спецтехника
  • Двигатели
Получить оптовый прайс-лист
Скачать прайс-лист от 20.04.2026 16:00
Специальное предложение от 20.04.2026 13:00
Производители:


  • WEICHAI
  • Автодизель ПАО (ЯМЗ)
  • Тутаевский МЗ
  • ЯЗДА
  • УралАЗ
  • МАЗ
  • АЗПИ
  • BOSCH
  • ММЗ
  • ШААЗ
  • FEDERAL MOGUL
  • ПРАМО
  • Мотордеталь
  • ТАИМ
  • АвтоКрАЗ
  • БЕЛКАРД
  • CZ Strakonice
  • КамАЗ
  • БЗА
  • ЧМЗ
  • BMZ
Новости
Все новости
25 марта 2024
Флагманский седельный тягач «Валдай 45» на выставке «TransRussia»
10 марта 2024
Современные автобусы «CITYMAX 9» и ЛиАЗ-5292 CNG
25 февраля 2024
Серийное производство средних дизельных двигателей повышенной мощности от ЯМЗ
Статьи
Все статьи
Датчики двигателя: за что они отвечают, признаки неисправности и как не прогадать с выбором
Двигатели ЯМЗ-534: история, технические характеристики и области применения
Двигатели ЯМЗ 650: углублённый технический обзор и история
Компания
О компании
Реквизиты
Новости
Политика
Магазины
Информация
Условия оплаты
Условия доставки
Гарантия на товар
Обмен и возврат товара
Помощь
Как оформить заказ
Полезные статьи
Бренды
Пункты выдачи
Оставайтесь на связи
  • Вконтакте
  • YouTube
  • Одноклассники
  • Google Plus
Увидели ошибку?
Выделите, нажав Ctrl + Enter
Наши контакты
8-800-700-35-68
sales@din76.ru
г. Ярославль, Ленинградский пр-т 33, ТЦ "ОМЕГА"
2026 © ООО «Динамика 76» - Все права защищены ООО "Динамика 76"
Предложения на сайте не являются публичной офертой.
На сайте обнаружена ошибка

Текст с ошибкой