Избранное 0 Корзина 0 Личный кабинет
logo
Каталог
Каталог
  • Справочник
    • Грузовые автомобили
    • Автобусы
    • Сельхозтехника
    • Спецтехника
    • Двигатели
  • Доставка
  • Оплата
  • О компании
    • Реквизиты
    • Магазины
    • Оплата
    • Доставка
    • Лицензии и сертификаты
    • Новости
    • Вакансии
  • Контакты
Отправить заявку
Личный кабинет
8 (800) 700-35-68
sales@din76.ru
Избранное 0 Корзина 0
8 (800) 700-35-68
Оптовый прайс-лист
Каталог
  • Двигатели
  • Запчасти WEICHAI
  • Запчасти ЯМЗ, ТМЗ (V-образные)
  • Запчасти ЯМЗ-534, ЯМЗ-536
  • Запчасти ЯМЗ-650, ЯМЗ-651, DCi-11
  • Топливная аппаратура
  • Запчасти УРАЛ
  • Запчасти МАЗ
  • Запчасти КамАЗ
  • Запчасти ММЗ
  • Ремни
Автокаталог (справочник)
  • Доставка
  • Оплата
  • О компании
  • Контакты
8 (800) 700-35-68
Написать в Whatsapp
sales@din76.ru
Динамика 76
Меню  
  • Каталог
    • Двигатели  
      • Двигатели ТМЗ  
        • Двигатели ТМЗ для автомобилей
        • Двигатели ТМЗ для тракторов
        • Специальные двигатели ТМЗ
        • Промышленные двигатели ТМЗ
      • Двигатели ЯМЗ  
        • ЯМЗ 236
        • ЯМЗ 238
        • ЯМЗ 240
        • ЯМЗ 751
        • ЯМЗ 840
        • ЯМЗ 850
        • ЯМЗ 656
        • ЯМЗ 658
        • ЯМЗ 534
        • ЯМЗ 536
        • ЯМЗ 650
        • Двигатели ЯМЗ для электростанций
      • Двигатели КАМАЗ
      • Двигатели ММЗ
      • Двигатели индивидуальной сборки
      • Комплекты переоборудования
    • Запчасти WEICHAI  
      • Основные запчасти двигателя  
        • Клапаны и толкатели
        • Шатуны
        • Вал коленчатый и маховик
        • Вал распределительный
        • Цилиндро-поршневая группа
      • Система питания  
        • Форсунки
        • Турбокомпрессор
      • Система смазки  
        • Насос масляный
      • Головка блока
      • Ремкомплекты
      • Система охлаждения  
        • Насос водяной
        • Муфта вязкостная и крыльчатка
      • Фильтры
      • Электрооборудование  
        • Генератор
        • Стартер
    • Запчасти ЯМЗ, ТМЗ (V-образные)  
      • Основные запчасти двигателя  
        • Блок двигателя и комплектующие
        • Валы распределительные и клапаны
        • Головка блока и комплектующие
        • Цилиндро-поршневая группа
        • Маховики и комплектующие
        • Валы коленчатые и комплектующие
        • Шатуны и комплектующие
      • Система питания  
        • Коллекторы и патрубки
        • Топливные трубопроводы
        • Турбокомпрессор
        • Топливные фильтры
      • Электрооборудование двигателя
      • Система охлаждения  
        • Вязкостные муфты и крыльчатки
        • Приводы вентилятора
        • Водяные насосы
        • Водяные трубы и термостаты
      • Коробки переключения передач  
        • 8 Ступенчатые КПП
        • 5 Ступенчатые КПП
        • 9 Ступенчатые КПП
        • Запасные части КПП ЯМЗ, ТМЗ
      • Система смазки  
        • Теплообменник и комплектующие
        • Масляные насосы
        • Фильтры масляные (ФГОМ, ФЦОМ)
      • Сцепление  
        • Запасные части механизма сцепления
        • Муфты (подшипники выжимные)
        • Корзины (диски нажимные)
        • Диски ведомые
      • Прочие запчасти двигателя  
        • Ремкомплекты
        • Привод агрегатов
        • Натяжные устройства
        • Трубки
    • Запчасти ЯМЗ-534, ЯМЗ-536  
      • Основные запчасти двигателя  
        • Цилиндро-поршневая группа
        • Головка блока цилиндров и комплектующие
        • Блок цилиндров и комплектующие
        • Вал коленчатый и маховик
        • Вал распределительный
        • Клапаны и толкатели
        • ГУР (Гидроусилитель руля)
        • Система рециркуляции отработавших газов
        • Выпускной коллектор
      • Система питания  
        • Коллекторы и патрубки
        • Топливные фильтры
        • Турбокомпрессор
        • Топливные трубопроводы
      • Система смазки  
        • Масляный картер поддон
        • Масляный насос
        • Теплообменник /Водо-масляный радиатор
        • Фильтры масляные (ФГОМ, ФЦОМ)
      • Пневмокомпрессор и натяжное
      • Система охлаждения  
        • Водяной насос
        • Водяные трубы и патрубки
        • Муфты вязкостные, приводы, крыльчатки
      • Ремкомплекты
      • Сцепление
      • Электрооборудование
    • Запчасти ЯМЗ-650, ЯМЗ-651, DCi-11  
      • Основные запчасти двигателя  
        • Цилиндро-поршневая группа
        • Головка блока цилиндров и комплектующие
        • Блок цилиндров и комплектующие
        • Вал коленчатый и маховик
        • Выпускной коллектор
        • Вал распределительный
        • Клапаны и толкатели
        • ГУР (Гидроусилитель руля)
        • Система рециркуляции отработавших газов
      • Система питания  
        • Коллекторы и патрубки
        • Топливные трубопроводы
        • Топливные фильтры
        • Турбокомпрессор
      • Система смазки  
        • Масляный картер / поддон
        • Масляный насос
        • Теплообменник / Водо-масляный радиатор
        • Фильтры масляные (ФГОМ, ФЦОМ)
      • Система охлаждения  
        • Водяной насос
        • Водяные трубы и патрубки
        • Муфты вязкостные, приводы, крыльчатки
      • Ремкомплекты
      • Пневмокомпрессор и натяжное
      • Электрооборудование
      • Сцепление
    • Топливная аппаратура  
      • ЯЗДА  
        • Распылители
        • ТНВД
        • Форсунки
        • Топливный насос низкого давления
        • Пары плунжерные
        • Муфта опережения впрыска топлива
        • Запчасти и комплектующие ТНВД
      • НЗТА
      • АЗПИ  
        • Распылители
        • Форсунки
      • BOSCH
    • Запчасти УРАЛ  
      • Трансмиссия  
        • Коробка раздаточная
        • Передача карданная
        • Мост задний
        • Мост передний (ведущий)
        • Мост средний (промежуточный)
      • Кузов  
        • Дверь кабины
        • Капот, крылья, облицовка радиатора
        • Окно ветровое и заднее
        • Отопление и вентиляция кабины
        • Кабина
      • Механизмы управления  
        • Управление рулевое
        • Тормоза
      • Дополнительное оборудование  
        • Отбор мощности
        • Устройство седельное
      • Электрооборудование
      • Ходовая часть  
        • Колеса и ступицы
        • Ось передняя
        • Подвеска автомобиля
        • Рама
    • Запчасти МАЗ  
      • Трансмиссия  
        • Мост задний
        • Мост передний (ведущий)
        • Передача карданная
        • Мост средний (промежуточный)
      • Кузов  
        • Кабина
        • Дверь кабины
        • Детали основания кабины
        • Окно ветровое и заднее
        • Платформа
      • Механизмы управления  
        • Тормоза
        • Управление рулевое
      • Ходовая часть  
        • Колеса и ступицы
        • Ось передняя
        • Подвеска автомобиля
        • Рама
    • Запчасти КамАЗ  
      • Кузов  
        • Кабина
        • Капот, крылья, облицовка радиатора
        • Дверь кабины
        • Платформа
        • Окно ветровое и заднее
        • Устройство подъемное и опрокидывающее
        • Сиденье
        • Крыша кабины (крыша кузова)
        • Отопление и вентиляция кабины
      • Трансмиссия  
        • Коробка передач
        • Коробка раздаточная
        • Мост задний
        • Сцепление
        • Мост средний (промежуточный)
        • Передача карданная
        • Мост передний (ведущий)
      • Двигатель  
        • Основные запчасти двигателя
        • Система охлаждения
        • Система питания
        • Система смазки
      • Дополнительное оборудование  
        • Отбор мощности
        • Устройство седельное
      • Ходовая часть  
        • Подвеска автомобиля
        • Рама
        • Колеса и ступицы
        • Ось передняя
      • Механизмы управления  
        • Тормоза
        • Управление рулевое
      • Электрооборудование
    • Запчасти ММЗ
    • Ремни
  • Справочник
    • Грузовые автомобили
    • Автобусы
    • Сельхозтехника
    • Спецтехника
    • Двигатели
  • Как купить
    • Условия оплаты
    • Условия доставки
    • Гарантия на товар
    • Пункты выдачи
  • Услуги
    • Капитальный ремонт двигателей ЯМЗ
  • Акции
  • Статьи
  • Контакты
  • Компания
    • Реквизиты
    • Магазины
    • Оплата
    • Доставка
    • Лицензии и сертификаты
    • Новости
    • Вакансии
Избранное 0 Корзина 0
8-800-700-35-68

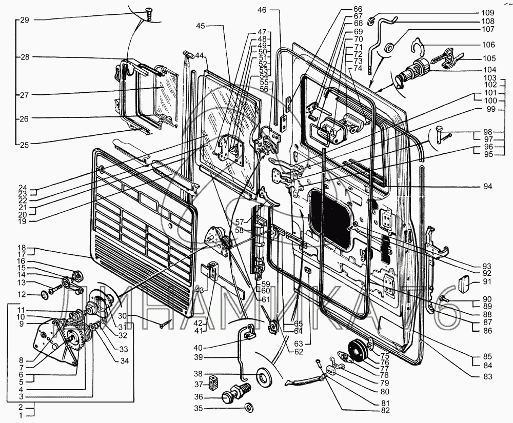
Дверь кабины на КрАЗ-7133H4 (до 2006 г.)

Справочник
Главная
-
Автокаталог
-
Грузовые автомобили и прицепы
-
КрАЗ
-
КрАЗ-7133H4
Справочный каталог

Дверь кабины — КрАЗ-7133H4:

1 2 3 4 5 6 7 8 9 10 11 12 13 14 15 16 17 18 19 20 21 22 23 24 25 26 27 28 28 29 30 31 32 33 34 35 36 37 38 39 40 41 42 43 45 46 47 48 49 50 51 52 53 54 55 56 57 58 59 60 61 62 63 64 65 66 67 68 69 70 71 72 73 74 75 76 77 78 79 80 81 82 83 84 85 86 87 88 89 90 91 92 93 94 95 96 97 98 99 100 101 102 103 104 105 106 107 108 109
в наличии
нет в наличии
масштаб

В наличии
Нет в наличии

Перечень комплектующих от Дверь кабины на КрАЗ-7133H4

Схемы запчастей предназначены для справочных целей! Мы продаем не все запчасти от Дверь кабины на КрАЗ-7133H4, представленные в этом списке.
Наличие на складах по деталям с ценой смотрите в карточке товара.
1
1
Артикул: 250С-6104021
нет в наличии
Стеклоподъемник двери левый
Количество на схеме: 1
Информация
Стеклоподъемник двери левый
Количество
1
Модель
250С
Группа
Дверь кабины (передняя)
Подгруппа
Механизм перемещения стекла двери (стеклоподъемник)
Порядковый номер детали
021
2
2
Артикул: 250С-6104020
нет в наличии
Стеклоподъемник двери правый
Количество на схеме: 1
Информация
Стеклоподъемник двери правый
Количество
1
Модель
250С
Группа
Дверь кабины (передняя)
Подгруппа
Механизм перемещения стекла двери (стеклоподъемник)
Порядковый номер детали
020
3
3
Артикул: 250-6104036
нет в наличии
Шайба
Количество на схеме: 1
Информация
Шайба
Количество
1
Модель
250
Группа
Дверь кабины (передняя)
Подгруппа
Механизм перемещения стекла двери (стеклоподъемник)
Порядковый номер детали
036
4
4
Артикул: 250-6104040-10
нет в наличии
Валик тормозного механизма
Количество на схеме: 1
Информация
Валик тормозного механизма
Количество
1
Модель
250
Группа
Дверь кабины (передняя)
Подгруппа
Механизм перемещения стекла двери (стеклоподъемник)
Порядковый номер детали
040
Дополнительно
Не взаимозаменяема с деталью, выпущенной ранее под этим же номером
5
5
Артикул: 250-6104033-10
нет в наличии
Барабан стеклоподъемника левый
Количество на схеме: 1
Информация
Барабан стеклоподъемника левый
Количество
1
Модель
250
Группа
Дверь кабины (передняя)
Подгруппа
Механизм перемещения стекла двери (стеклоподъемник)
Порядковый номер детали
033
Дополнительно
Не взаимозаменяема с деталью, выпущенной ранее под этим же номером
6
6
Артикул: 250-6104032-10
нет в наличии
Барабан стеклоподъемника правый
Количество на схеме: 1
Информация
Барабан стеклоподъемника правый
Количество
1
Модель
250
Группа
Дверь кабины (передняя)
Подгруппа
Механизм перемещения стекла двери (стеклоподъемник)
Порядковый номер детали
032
Дополнительно
Не взаимозаменяема с деталью, выпущенной ранее под этим же номером
7
7
Артикул: 250-6104023
нет в наличии
Втулка
Количество на схеме: 2
Информация
Втулка
Количество
2
Модель
250
Группа
Дверь кабины (передняя)
Подгруппа
Механизм перемещения стекла двери (стеклоподъемник)
Порядковый номер детали
023
8
8
Артикул: 250-6104058
нет в наличии
Шестерня
Количество на схеме: 1
Информация
Шестерня
Количество
1
Модель
250
Группа
Дверь кабины (передняя)
Подгруппа
Механизм перемещения стекла двери (стеклоподъемник)
Порядковый номер детали
058
9
9
Артикул: 250-6104024
нет в наличии
Корпус стеклоподъемника
Количество на схеме: 1
Информация
Корпус стеклоподъемника
Количество
1
Модель
250
Группа
Дверь кабины (передняя)
Подгруппа
Механизм перемещения стекла двери (стеклоподъемник)
Порядковый номер детали
024
10
10
Артикул: 250-6104048
нет в наличии
Втулка
Количество на схеме: 1
Информация
Втулка
Количество
1
Модель
250
Группа
Дверь кабины (передняя)
Подгруппа
Механизм перемещения стекла двери (стеклоподъемник)
Порядковый номер детали
048
11
11
Артикул: 250-6104054
нет в наличии
Пружина
Количество на схеме: 1
Информация
Пружина
Количество
1
Модель
250
Группа
Дверь кабины (передняя)
Подгруппа
Механизм перемещения стекла двери (стеклоподъемник)
Порядковый номер детали
054
12
12
Артикул: 250-6104066-10
нет в наличии
Заглушка
Количество на схеме: 1
Информация
Заглушка
Количество
1
Модель
250
Группа
Дверь кабины (передняя)
Подгруппа
Механизм перемещения стекла двери (стеклоподъемник)
Порядковый номер детали
066
Дополнительно
Не взаимозаменяема с деталью, выпущенной ранее под этим же номером
13
13
Артикул: 221580
нет в наличии
Винт М5х16
Количество на схеме: 1
Информация
Винт М5х16
Количество
1
Покрытие
без покрытия
14
14
Артикул: 256Б1-6104060
нет в наличии
Ручка стеклоподъемника
Количество на схеме: 1
Информация
Ручка стеклоподъемника
Количество
1
Модель
256Б1
Группа
Дверь кабины (передняя)
Подгруппа
Механизм перемещения стекла двери (стеклоподъемник)
Порядковый номер детали
060
15
15
Артикул: 250-6104067-10
нет в наличии
Головка ручки стеклоподъемника
Количество на схеме: 2
Информация
Головка ручки стеклоподъемника
Количество
2
Модель
250
Группа
Дверь кабины (передняя)
Подгруппа
Механизм перемещения стекла двери (стеклоподъемник)
Порядковый номер детали
067
Дополнительно
Не взаимозаменяема с деталью, выпущенной ранее под этим же номером
16
16
Артикул: 250-6104076
нет в наличии
Розетка ручки стеклоподъемника
Количество на схеме: 1
Информация
Розетка ручки стеклоподъемника
Количество
1
Модель
250
Группа
Дверь кабины (передняя)
Подгруппа
Механизм перемещения стекла двери (стеклоподъемник)
Порядковый номер детали
076
17
17
Артикул: 250-6102012-40
нет в наличии
Обивка двери правая
Количество на схеме: 1
Информация
Обивка двери правая
Количество
1
Модель
250
Группа
Дверь кабины (передняя)
Подгруппа
Обивка передней двери
Порядковый номер детали
012
Дополнительно
Не взаимозаменяема с деталью, выпущенной ранее под этим же номером
18
18
Артикул: 250-6102013-400
нет в наличии
Обивка двери левая
Количество на схеме: 1
Информация
Обивка двери левая
Количество
1
Модель
250
Группа
Дверь кабины (передняя)
Подгруппа
Обивка передней двери
Порядковый номер детали
013
Дополнительно
Не взаимозаменяема с деталью, выпущенной ранее под этим же номером
19
19
Артикул: 250-6102090-20
нет в наличии
Держатель обивки двери
Количество на схеме: 1
Информация
Держатель обивки двери
Количество
1
Модель
250
Группа
Дверь кабины (передняя)
Подгруппа
Обивка передней двери
Порядковый номер детали
090
Дополнительно
Не взаимозаменяема с деталью, выпущенной ранее под этим же номером
20
20
Артикул: 260-6103231
нет в наличии
Стойка опускного стекла двери левая
Количество на схеме: 1
Информация
Стойка опускного стекла двери левая
Количество
1
Модель
260
Группа
Дверь кабины (передняя)
Подгруппа
Окно (передней двери) двери
Порядковый номер детали
231
21
21
Артикул: 260-6103230
нет в наличии
Стойка опускного стекла двери правая
Количество на схеме: 1
Информация
Стойка опускного стекла двери правая
Количество
1
Модель
260
Группа
Дверь кабины (передняя)
Подгруппа
Окно (передней двери) двери
Порядковый номер детали
230
22
22
Артикул: 250-6103214-10
нет в наличии
Стекло опускное
Количество на схеме: 2
Информация
Стекло опускное
Количество
2
Модель
250
Группа
Дверь кабины (передняя)
Подгруппа
Окно (передней двери) двери
Порядковый номер детали
214
Дополнительно
Не взаимозаменяема с деталью, выпущенной ранее под этим же номером
23
23
Артикул: 251-6103210
нет в наличии
Стекло опускное двери правое
Количество на схеме: 1
Информация
Стекло опускное двери правое
Количество
1
Модель
251
Группа
Дверь кабины (передняя)
Подгруппа
Окно (передней двери) двери
Порядковый номер детали
210
24
24
Артикул: 251-6103211-10
нет в наличии
Стекло опускное двери левое
Количество на схеме: 1
Информация
Стекло опускное двери левое
Количество
1
Модель
251
Группа
Дверь кабины (передняя)
Подгруппа
Окно (передней двери) двери
Порядковый номер детали
211
Дополнительно
Не взаимозаменяема с деталью, выпущенной ранее под этим же номером
25
25
Артикул: 250-6103010-21
нет в наличии
Рамка окна двери с поворотным стеклом правая
Количество на схеме: 1
Информация
Рамка окна двери с поворотным стеклом правая
Количество
1
Модель
250
Группа
Дверь кабины (передняя)
Подгруппа
Окно (передней двери) двери
Порядковый номер детали
010
Дополнительно
Не взаимозаменяема с деталью, выпущенной ранее под этим же номером
26
26
Артикул: 250-6103101-10
нет в наличии
Ручка поворотного стекла с кронштейном левая в сборе
Количество на схеме: 1
Информация
Ручка поворотного стекла с кронштейном левая в сборе
Количество
1
Модель
250
Группа
Дверь кабины (передняя)
Подгруппа
Окно (передней двери) двери
Порядковый номер детали
101
Дополнительно
Не взаимозаменяема с деталью, выпущенной ранее под этим же номером
27
27
Артикул: 250-6103052-20
нет в наличии
Стекло поворотное окна двери
Количество на схеме: 2
Информация
Стекло поворотное окна двери
Количество
2
Модель
250
Группа
Дверь кабины (передняя)
Подгруппа
Окно (передней двери) двери
Порядковый номер детали
052
Дополнительно
Не взаимозаменяема с деталью, выпущенной ранее под этим же номером
28
28
Артикул: 250-6103122
нет в наличии
Уплотнитель поворотного стекла правый
Количество на схеме: 1
Информация
Уплотнитель поворотного стекла правый
Количество
1
Модель
250
Группа
Дверь кабины (передняя)
Подгруппа
Окно (передней двери) двери
Порядковый номер детали
122
28
28
Артикул: 250-6103123
нет в наличии
Уплотнитель поворотного стекла левый
Количество на схеме: 1
Информация
Уплотнитель поворотного стекла левый
Количество
1
Модель
250
Группа
Дверь кабины (передняя)
Подгруппа
Окно (передней двери) двери
Порядковый номер детали
123
29
29
Артикул: 220083
нет в наличии
Винт М5-6gх22
Количество на схеме: 2
Информация
Винт М5-6gх22
Количество
2
Покрытие
без покрытия
30
30
Артикул: 241620
нет в наличии
Винт М4х18
Количество на схеме: 12
Информация
Винт М4х18
Количество
12
Покрытие
без покрытия
31
31
Артикул: 250-6104056-01
нет в наличии
Корпус
Количество на схеме: 1
Информация
Корпус
Количество
1
Модель
250
Группа
Дверь кабины (передняя)
Подгруппа
Механизм перемещения стекла двери (стеклоподъемник)
Порядковый номер детали
056
32
32
Артикул: 250508
нет в наличии
Гайка М6-6Н
Количество на схеме: 2
Информация
Гайка М6-6Н
Количество
2
Покрытие
без покрытия
33
33
Артикул: 252134
нет в наличии
Шайба 6Т
Количество на схеме: 23
Информация
Шайба 6Т
Количество
23
Покрытие
без покрытия
34
34
Артикул: 252004
нет в наличии
Шайба 6,4
Количество на схеме: 2
Информация
Шайба 6,4
Количество
2
Покрытие
без покрытия
35
35
Артикул: 252002
нет в наличии
Шайба 4
Количество на схеме: 2
Информация
Шайба 4
Количество
2
Покрытие
без покрытия
36
36
Артикул: 6510-6105204-10
нет в наличии
Фиксатор замка двери
Количество на схеме: 1
Информация
Фиксатор замка двери
Количество
1
Модель
6510
Группа
Дверь кабины (передняя)
Подгруппа
Замок и ручки (передней) двери
Порядковый номер детали
204
Дополнительно
Не взаимозаменяема с деталью, выпущенной ранее под этим же номером
37
37
Артикул: 6510-6105148
нет в наличии
Наконечник тяги
Количество на схеме: 1
Информация
Наконечник тяги
Количество
1
Модель
6510
Группа
Дверь кабины (передняя)
Подгруппа
Замок и ручки (передней) двери
Порядковый номер детали
148
38
38
Артикул: 6510-6105206
нет в наличии
Шайба фиксатора
Количество на схеме: 2
Информация
Шайба фиксатора
Количество
2
Модель
6510
Группа
Дверь кабины (передняя)
Подгруппа
Замок и ручки (передней) двери
Порядковый номер детали
206
39
39
Артикул: 6510-6105075-30
нет в наличии
Тяга привода замка
Количество на схеме: 1
Информация
Тяга привода замка
Количество
1
Модель
6510
Группа
Дверь кабины (передняя)
Подгруппа
Замок и ручки (передней) двери
Порядковый номер детали
075
Дополнительно
Не взаимозаменяема с деталью, выпущенной ранее под этим же номером
40
40
Артикул: 6510-6105094
нет в наличии
Скоба крепления тяги выключателя
Количество на схеме: 1
Информация
Скоба крепления тяги выключателя
Количество
1
Модель
6510
Группа
Дверь кабины (передняя)
Подгруппа
Замок и ручки (передней) двери
Порядковый номер детали
094
41
41
Артикул: 250С-6103271
нет в наличии
Кронштейн упора опускного стекла левый
Количество на схеме: 1
Информация
Кронштейн упора опускного стекла левый
Количество
1
Модель
250С
Группа
Дверь кабины (передняя)
Подгруппа
Окно (передней двери) двери
Порядковый номер детали
271
42
42
Артикул: 250С-6103270
нет в наличии
Кронштейн упора опускного стекла правый
Количество на схеме: 1
Информация
Кронштейн упора опускного стекла правый
Количество
1
Модель
250С
Группа
Дверь кабины (передняя)
Подгруппа
Окно (передней двери) двери
Порядковый номер детали
270
43
43
Артикул: 250-6103216
нет в наличии
Прокладка стекла
Количество на схеме: 2
Информация
Прокладка стекла
Количество
2
Модель
250
Группа
Дверь кабины (передняя)
Подгруппа
Окно (передней двери) двери
Порядковый номер детали
216
45
45
Артикул: 250С-6103131
нет в наличии
Обойма уплотнителя поворотного стекла
Количество на схеме: 2
Информация
Обойма уплотнителя поворотного стекла
Количество
2
Модель
250С
Группа
Дверь кабины (передняя)
Подгруппа
Окно (передней двери) двери
Порядковый номер детали
131
46
46
Артикул: 6510-6105170
нет в наличии
Прокладка
Количество на схеме: 2
Информация
Прокладка
Количество
2
Модель
6510
Группа
Дверь кабины (передняя)
Подгруппа
Замок и ручки (передней) двери
Порядковый номер детали
170
47
47
Артикул: 6510-6105010-10
нет в наличии
Кронштейн с замком двери и тягами в сборе правый
Количество на схеме: 1
Информация
Кронштейн с замком двери и тягами в сборе правый
Количество
1
Модель
6510
Группа
Дверь кабины (передняя)
Подгруппа
Замок и ручки (передней) двери
Порядковый номер детали
010
Дополнительно
Не взаимозаменяема с деталью, выпущенной ранее под этим же номером
48
48
Артикул: 6510-6105011-10
нет в наличии
Кронштейн с замком двери и тягами в сборе левый
Количество на схеме: 1
Информация
Кронштейн с замком двери и тягами в сборе левый
Количество
1
Модель
6510
Группа
Дверь кабины (передняя)
Подгруппа
Замок и ручки (передней) двери
Порядковый номер детали
011
Дополнительно
Не взаимозаменяема с деталью, выпущенной ранее под этим же номером
49
49
Артикул: 221605
нет в наличии
Винт М6х16
Количество на схеме: 6
Информация
Винт М6х16
Количество
6
Покрытие
без покрытия
50
50
Артикул: 6510-6105022-10
нет в наличии
Кронштейн замка
Количество на схеме: 1
Информация
Кронштейн замка
Количество
1
Модель
6510
Группа
Дверь кабины (передняя)
Подгруппа
Замок и ручки (передней) двери
Порядковый номер детали
022
Дополнительно
Не взаимозаменяема с деталью, выпущенной ранее под этим же номером
51
51
Артикул: 6510-6105041
нет в наличии
Рычаг выключателя замка левый
Количество на схеме: 1
Информация
Рычаг выключателя замка левый
Количество
1
Модель
6510
Группа
Дверь кабины (передняя)
Подгруппа
Замок и ручки (передней) двери
Порядковый номер детали
041
52
52
Артикул: 6510-6105040-10
нет в наличии
Рычаг выключателя замка правый
Количество на схеме: 1
Информация
Рычаг выключателя замка правый
Количество
1
Модель
6510
Группа
Дверь кабины (передняя)
Подгруппа
Замок и ручки (передней) двери
Порядковый номер детали
040
Дополнительно
Не взаимозаменяема с деталью, выпущенной ранее под этим же номером
53
53
Артикул: 6510-6105050-10
нет в наличии
Стопор выключателя
Количество на схеме: 2
Информация
Стопор выключателя
Количество
2
Модель
6510
Группа
Дверь кабины (передняя)
Подгруппа
Замок и ручки (передней) двери
Порядковый номер детали
050
Дополнительно
Не взаимозаменяема с деталью, выпущенной ранее под этим же номером
54
54
Артикул: 6510-6105051-10
нет в наличии
Ось рычага
Количество на схеме: 1
Информация
Ось рычага
Количество
1
Модель
6510
Группа
Дверь кабины (передняя)
Подгруппа
Замок и ручки (передней) двери
Порядковый номер детали
051
Дополнительно
Не взаимозаменяема с деталью, выпущенной ранее под этим же номером
55
55
Артикул: 11021-6105012
нет в наличии
Замок двери в сборе правый
Количество на схеме: 1
Информация
Замок двери в сборе правый
Количество
1
Модель
11021
Группа
Дверь кабины (передняя)
Подгруппа
Замок и ручки (передней) двери
Порядковый номер детали
012
56
56
Артикул: 11021-6105013
нет в наличии
Замок двери в сборе левый
Количество на схеме: 1
Информация
Замок двери в сборе левый
Количество
1
Модель
11021
Группа
Дверь кабины (передняя)
Подгруппа
Замок и ручки (передней) двери
Порядковый номер детали
013
57
57
Артикул: 250-6105180-20
нет в наличии
Ручка двери внутренняя
Количество на схеме: 2
Информация
Ручка двери внутренняя
Количество
2
Модель
250
Группа
Дверь кабины (передняя)
Подгруппа
Замок и ручки (передней) двери
Порядковый номер детали
180
Дополнительно
Не взаимозаменяема с деталью, выпущенной ранее под этим же номером
58
58
Артикул: 260-6103254
нет в наличии
Уплотнитель опускного стекла двери задний
Количество на схеме: 1
Информация
Уплотнитель опускного стекла двери задний
Количество
1
Модель
260
Группа
Дверь кабины (передняя)
Подгруппа
Окно (передней двери) двери
Порядковый номер детали
254
59
59
Артикул: 260-6103310-10
нет в наличии
Направляющая опускного стекла правая
Количество на схеме: 1
Информация
Направляющая опускного стекла правая
Количество
1
Модель
260
Группа
Дверь кабины (передняя)
Подгруппа
Окно (передней двери) двери
Порядковый номер детали
310
Дополнительно
Не взаимозаменяема с деталью, выпущенной ранее под этим же номером
60
60
Артикул: 260-6103311-10
нет в наличии
Направляющая опускного стекла левая
Количество на схеме: 1
Информация
Направляющая опускного стекла левая
Количество
1
Модель
260
Группа
Дверь кабины (передняя)
Подгруппа
Окно (передней двери) двери
Порядковый номер детали
311
Дополнительно
Не взаимозаменяема с деталью, выпущенной ранее под этим же номером
61
61
Артикул: 251-6103220
нет в наличии
Обойма опускного стекла двери
Количество на схеме: 2
Информация
Обойма опускного стекла двери
Количество
2
Модель
251
Группа
Дверь кабины (передняя)
Подгруппа
Окно (передней двери) двери
Порядковый номер детали
220
62
62
Артикул: 250-6104038-10
нет в наличии
Трос
Количество на схеме: 1
Информация
Трос
Количество
1
Модель
250
Группа
Дверь кабины (передняя)
Подгруппа
Механизм перемещения стекла двери (стеклоподъемник)
Порядковый номер детали
038
Дополнительно
Не взаимозаменяема с деталью, выпущенной ранее под этим же номером
63
63
Артикул: 250-6104140
нет в наличии
Планка крепления троса стеклоподъемника
Количество на схеме: 1
Информация
Планка крепления троса стеклоподъемника
Количество
1
Модель
250
Группа
Дверь кабины (передняя)
Подгруппа
Механизм перемещения стекла двери (стеклоподъемник)
Порядковый номер детали
140
64
64
Артикул: 260-6103161
нет в наличии
Усилитель подоконный с роликом левый в сборе
Количество на схеме: 1
Информация
Усилитель подоконный с роликом левый в сборе
Количество
1
Модель
260
Группа
Дверь кабины (передняя)
Подгруппа
Окно (передней двери) двери
Порядковый номер детали
161
65
65
Артикул: 260-6103160
нет в наличии
Усилитель подоконный с роликом правый в сборе
Количество на схеме: 1
Информация
Усилитель подоконный с роликом правый в сборе
Количество
1
Модель
260
Группа
Дверь кабины (передняя)
Подгруппа
Окно (передней двери) двери
Порядковый номер детали
160
66
66
Артикул: 6510-6105169
нет в наличии
Пластина упорная
Количество на схеме: 2
Информация
Пластина упорная
Количество
2
Модель
6510
Группа
Дверь кабины (передняя)
Подгруппа
Замок и ручки (передней) двери
Порядковый номер детали
169
67
67
Артикул: 6510-6105163
нет в наличии
Пружина возвратная левая
Количество на схеме: 1
Информация
Пружина возвратная левая
Количество
1
Модель
6510
Группа
Дверь кабины (передняя)
Подгруппа
Замок и ручки (передней) двери
Порядковый номер детали
163
68
68
Артикул: 6510-6105157-10
нет в наличии
Ось ручки с рычагом в сборе
Количество на схеме: 2
Информация
Ось ручки с рычагом в сборе
Количество
2
Модель
6510
Группа
Дверь кабины (передняя)
Подгруппа
Замок и ручки (передней) двери
Порядковый номер детали
157
Дополнительно
Не взаимозаменяема с деталью, выпущенной ранее под этим же номером
69
69
Артикул: 6510-6105161-10
нет в наличии
Прокладка корпуса ручки
Количество на схеме: 1
Информация
Прокладка корпуса ручки
Количество
1
Модель
6510
Группа
Дверь кабины (передняя)
Подгруппа
Замок и ручки (передней) двери
Порядковый номер детали
161
Дополнительно
Не взаимозаменяема с деталью, выпущенной ранее под этим же номером
70
70
Артикул: 6510-6105156-10
нет в наличии
Корпус ручки
Количество на схеме: 2
Информация
Корпус ручки
Количество
2
Модель
6510
Группа
Дверь кабины (передняя)
Подгруппа
Замок и ручки (передней) двери
Порядковый номер детали
156
Дополнительно
Не взаимозаменяема с деталью, выпущенной ранее под этим же номером
71
71
Артикул: 6510-6105152-30
нет в наличии
Ручка наружная правая
Количество на схеме: 1
Информация
Ручка наружная правая
Количество
1
Модель
6510
Группа
Дверь кабины (передняя)
Подгруппа
Замок и ручки (передней) двери
Порядковый номер детали
152
Дополнительно
Не взаимозаменяема с деталью, выпущенной ранее под этим же номером
72
72
Артикул: 6510-6105153-30
нет в наличии
Ручка двери наружная левая
Количество на схеме: 1
Информация
Ручка двери наружная левая
Количество
1
Модель
6510
Группа
Дверь кабины (передняя)
Подгруппа
Замок и ручки (передней) двери
Порядковый номер детали
153
Дополнительно
Не взаимозаменяема с деталью, выпущенной ранее под этим же номером
73
73
Артикул: 7140C6-6105160-10
нет в наличии
Ручка
Количество на схеме: 2
Информация
Ручка
Количество
2
Модель
7140C6
Группа
Дверь кабины (передняя)
Подгруппа
Замок и ручки (передней) двери
Порядковый номер детали
160
Дополнительно
Не взаимозаменяема с деталью, выпущенной ранее под этим же номером
74
74
Артикул: 242471
нет в наличии
Винт М5х12
Количество на схеме: 4
Информация
Винт М5х12
Количество
4
Покрытие
без покрытия
75
75
Артикул: 250-6106088
нет в наличии
Кронштейн ограничителя
Количество на схеме: 1
Информация
Кронштейн ограничителя
Количество
1
Модель
250
Группа
Дверь кабины (передняя)
Подгруппа
Навески (передней) двери
Порядковый номер детали
088
76
76
Артикул: 250-6106090-10
нет в наличии
Уплотнитель
Количество на схеме: 1
Информация
Уплотнитель
Количество
1
Модель
250
Группа
Дверь кабины (передняя)
Подгруппа
Навески (передней) двери
Порядковый номер детали
090
Дополнительно
Не взаимозаменяема с деталью, выпущенной ранее под этим же номером
77
77
Артикул: 250-6106092-10
нет в наличии
Пластина уплотнителя
Количество на схеме: 1
Информация
Пластина уплотнителя
Количество
1
Модель
250
Группа
Дверь кабины (передняя)
Подгруппа
Навески (передней) двери
Порядковый номер детали
092
Дополнительно
Не взаимозаменяема с деталью, выпущенной ранее под этим же номером
78
78
Артикул: 250-6106180
нет в наличии
Стопор в сборе
Количество на схеме: 1
Информация
Стопор в сборе
Количество
1
Модель
250
Группа
Дверь кабины (передняя)
Подгруппа
Навески (передней) двери
Порядковый номер детали
180
79
79
Артикул: 250-6106196
нет в наличии
Крышка корпуса
Количество на схеме: 1
Информация
Крышка корпуса
Количество
1
Модель
250
Группа
Дверь кабины (передняя)
Подгруппа
Навески (передней) двери
Порядковый номер детали
196
80
80
Артикул: 250-6106068-10
нет в наличии
Буфер
Количество на схеме: 1
Информация
Буфер
Количество
1
Модель
250
Группа
Дверь кабины (передняя)
Подгруппа
Навески (передней) двери
Порядковый номер детали
068
Дополнительно
Не взаимозаменяема с деталью, выпущенной ранее под этим же номером
81
81
Артикул: 250-6106094-10
нет в наличии
Рычаг ограничителя
Количество на схеме: 1
Информация
Рычаг ограничителя
Количество
1
Модель
250
Группа
Дверь кабины (передняя)
Подгруппа
Навески (передней) двери
Порядковый номер детали
094
Дополнительно
Не взаимозаменяема с деталью, выпущенной ранее под этим же номером
82
82
Артикул: 260009
нет в наличии
Палец 6х14
Количество на схеме: 2
Информация
Палец 6х14
Количество
2
Покрытие
без покрытия
83
83
Артикул: 250-6107024-20
нет в наличии
Уплотнитель двери
Количество на схеме: 1
Информация
Уплотнитель двери
Количество
1
Модель
250
Группа
Дверь кабины (передняя)
Подгруппа
Уплотнение (передней) двери
Порядковый номер детали
024
Дополнительно
Не взаимозаменяема с деталью, выпущенной ранее под этим же номером
84
84
Артикул: 7133Н4-6100031-Д10
нет в наличии
Дверь левая
Количество на схеме: 1
Информация
Дверь левая
Количество
1
Модель
7133Н4
Группа
Дверь кабины (передняя)
Подгруппа
Дверь (передняя) кабины в сборе
Порядковый номер детали
031
85
85
Артикул: 7133Н4-6100030-Д10
нет в наличии
Дверь правая
Количество на схеме: 1
Информация
Дверь правая
Количество
1
Модель
7133Н4
Группа
Дверь кабины (передняя)
Подгруппа
Дверь (передняя) кабины в сборе
Порядковый номер детали
030
86
86
Артикул: 260-6107031
нет в наличии
Держатель уплотнителя двери передний левый
Количество на схеме: 1
Информация
Держатель уплотнителя двери передний левый
Количество
1
Модель
260
Группа
Дверь кабины (передняя)
Подгруппа
Уплотнение (передней) двери
Порядковый номер детали
031
87
87
Артикул: 260-6107030
нет в наличии
Держатель уплотнителя проема двери правый
Количество на схеме: 1
Информация
Держатель уплотнителя проема двери правый
Количество
1
Модель
260
Группа
Дверь кабины (передняя)
Подгруппа
Уплотнение (передней) двери
Порядковый номер детали
030
88
88
Артикул: 250-6107036-30
нет в наличии
Уплотнитель проема двери
Количество на схеме: 1
Информация
Уплотнитель проема двери
Количество
1
Модель
250
Группа
Дверь кабины (передняя)
Подгруппа
Уплотнение (передней) двери
Порядковый номер детали
036
Дополнительно
Не взаимозаменяема с деталью, выпущенной ранее под этим же номером
89
89
Артикул: 255125
нет в наличии
Заклепка 5х14
Количество на схеме: 2
Информация
Заклепка 5х14
Количество
2
Покрытие
без покрытия
90
90
Артикул: 255039
нет в наличии
Заклепка 3,5х8
Количество на схеме: 1
Информация
Заклепка 3,5х8
Количество
1
Покрытие
без покрытия
91
91
Артикул: 260-6100060
нет в наличии
Заглушка
Количество на схеме: 1
Информация
Заглушка
Количество
1
Модель
260
Группа
Дверь кабины (передняя)
Подгруппа
Дверь (передняя) кабины в сборе
Порядковый номер детали
060
92
92
Артикул: 241620
нет в наличии
Винт М4х18
Количество на схеме: 12
Информация
Винт М4х18
Количество
12
Покрытие
без покрытия
93
93
Артикул: 250-5702049
нет в наличии
Шайба облицовочная
Количество на схеме: 4
Информация
Шайба облицовочная
Количество
4
Модель
250
Группа
Крыша кабины (кузова)
Подгруппа
Обивка крыши внутренняя
Порядковый номер детали
049
94
94
Артикул: 250-6103264
нет в наличии
Уплотнитель опускного стекла двери
Количество на схеме: 2
Информация
Уплотнитель опускного стекла двери
Количество
2
Модель
250
Группа
Дверь кабины (передняя)
Подгруппа
Окно (передней двери) двери
Порядковый номер детали
264
95
95
Артикул: 250-6105105-30
нет в наличии
Основание привода замка левое
Количество на схеме: 1
Информация
Основание привода замка левое
Количество
1
Модель
250
Группа
Дверь кабины (передняя)
Подгруппа
Замок и ручки (передней) двери
Порядковый номер детали
105
Дополнительно
Не взаимозаменяема с деталью, выпущенной ранее под этим же номером
96
96
Артикул: 250-6105104-30
нет в наличии
Основание привода замка правое
Количество на схеме: 1
Информация
Основание привода замка правое
Количество
1
Модель
250
Группа
Дверь кабины (передняя)
Подгруппа
Замок и ручки (передней) двери
Порядковый номер детали
104
Дополнительно
Не взаимозаменяема с деталью, выпущенной ранее под этим же номером
97
97
Артикул: 258012
нет в наличии
Шплинт 2х12
Количество на схеме: 2
Информация
Шплинт 2х12
Количество
2
Покрытие
без покрытия
98
98
Артикул: 260014
нет в наличии
Палец 6х25
Количество на схеме: 2
Информация
Палец 6х25
Количество
2
Покрытие
без покрытия
99
99
Артикул: 250-6105192
нет в наличии
Пружина привода замка
Количество на схеме: 4
Информация
Пружина привода замка
Количество
4
Модель
250
Группа
Дверь кабины (передняя)
Подгруппа
Замок и ручки (передней) двери
Порядковый номер детали
192
100
100
Артикул: 250-6105103-60
нет в наличии
Тяга привода замка левая
Количество на схеме: 1
Информация
Тяга привода замка левая
Количество
1
Модель
250
Группа
Дверь кабины (передняя)
Подгруппа
Замок и ручки (передней) двери
Порядковый номер детали
103
Дополнительно
Не взаимозаменяема с деталью, выпущенной ранее под этим же номером
101
101
Артикул: 250-6105102-60
нет в наличии
Тяга привода замка правая
Количество на схеме: 1
Информация
Тяга привода замка правая
Количество
1
Модель
250
Группа
Дверь кабины (передняя)
Подгруппа
Замок и ручки (передней) двери
Порядковый номер детали
102
Дополнительно
Не взаимозаменяема с деталью, выпущенной ранее под этим же номером
102
102
Артикул: 250-6105081-50
нет в наличии
Привод замка двери с ручкой левый
Количество на схеме: 1
Информация
Привод замка двери с ручкой левый
Количество
1
Модель
250
Группа
Дверь кабины (передняя)
Подгруппа
Замок и ручки (передней) двери
Порядковый номер детали
081
Дополнительно
Не взаимозаменяема с деталью, выпущенной ранее под этим же номером
103
103
Артикул: 250-6105080-50
нет в наличии
Привод замка двери с ручкой правый
Количество на схеме: 1
Информация
Привод замка двери с ручкой правый
Количество
1
Модель
250
Группа
Дверь кабины (передняя)
Подгруппа
Замок и ручки (передней) двери
Порядковый номер детали
080
Дополнительно
Не взаимозаменяема с деталью, выпущенной ранее под этим же номером
104
104
Артикул: 1102-6105411
нет в наличии
Выключатель замка двери
Количество на схеме: 1
Информация
Выключатель замка двери
Количество
1
Модель
1102
Группа
Дверь кабины (передняя)
Подгруппа
Замок и ручки (передней) двери
Порядковый номер детали
411
105
105
Артикул: 1102-6105452
нет в наличии
Ключ запирания двери
Количество на схеме: 2
Информация
Ключ запирания двери
Количество
2
Модель
1102
Группа
Дверь кабины (передняя)
Подгруппа
Замок и ручки (передней) двери
Порядковый номер детали
452
106
106
Артикул: 1102-6105416
нет в наличии
Скоба крепления корпуса выключателя
Количество на схеме: 1
Информация
Скоба крепления корпуса выключателя
Количество
1
Модель
1102
Группа
Дверь кабины (передняя)
Подгруппа
Замок и ручки (передней) двери
Порядковый номер детали
416
107
107
Артикул: 252003
нет в наличии
Шайба 5
Количество на схеме: 2
Информация
Шайба 5
Количество
2
Покрытие
без покрытия
108
108
Артикул: 6510-6105074-30
нет в наличии
Тяга привода выключателя замка правая
Количество на схеме: 1
Информация
Тяга привода выключателя замка правая
Количество
1
Модель
6510
Группа
Дверь кабины (передняя)
Подгруппа
Замок и ручки (передней) двери
Порядковый номер детали
074
Дополнительно
Не взаимозаменяема с деталью, выпущенной ранее под этим же номером
109
109
Артикул: 252133
нет в наличии
Шайба 5
Количество на схеме: 2
Информация
Шайба 5
Количество
2
Покрытие
без покрытия
  • Грузовые автомобили
  • Автобусы
  • Сельхозтехника
  • Спецтехника
  • Двигатели
Получить оптовый прайс-лист
Скачать прайс-лист от 08.05.2026 16:00
Специальное предложение от 08.05.2026 17:00
Производители:


  • WEICHAI
  • Автодизель ПАО (ЯМЗ)
  • Тутаевский МЗ
  • ЯЗДА
  • УралАЗ
  • МАЗ
  • АЗПИ
  • BOSCH
  • ММЗ
  • ШААЗ
  • FEDERAL MOGUL
  • ПРАМО
  • Мотордеталь
  • ТАИМ
  • АвтоКрАЗ
  • БЕЛКАРД
  • CZ Strakonice
  • КамАЗ
  • БЗА
  • ЧМЗ
  • BMZ
Новости
Все новости
25 марта 2024
Флагманский седельный тягач «Валдай 45» на выставке «TransRussia»
10 марта 2024
Современные автобусы «CITYMAX 9» и ЛиАЗ-5292 CNG
25 февраля 2024
Серийное производство средних дизельных двигателей повышенной мощности от ЯМЗ
Статьи
Все статьи
Датчики двигателя: за что они отвечают, признаки неисправности и как не прогадать с выбором
Двигатели ЯМЗ-534: история, технические характеристики и области применения
Двигатели ЯМЗ 650: углублённый технический обзор и история
Компания
О компании
Реквизиты
Новости
Политика
Магазины
Информация
Условия оплаты
Условия доставки
Гарантия на товар
Обмен и возврат товара
Помощь
Как оформить заказ
Полезные статьи
Бренды
Пункты выдачи
Оставайтесь на связи
  • Вконтакте
  • YouTube
  • Одноклассники
  • Google Plus
Увидели ошибку?
Выделите, нажав Ctrl + Enter
Наши контакты
8-800-700-35-68
sales@din76.ru
г. Ярославль, Ленинградский пр-т 33, ТЦ "ОМЕГА"
2026 © ООО «Динамика 76» - Все права защищены ООО "Динамика 76"
Предложения на сайте не являются публичной офертой.
На сайте обнаружена ошибка

Текст с ошибкой