Избранное 0 Корзина 0 Личный кабинет
logo
Каталог
Каталог
  • Справочник
    • Грузовые автомобили
    • Автобусы
    • Сельхозтехника
    • Спецтехника
    • Двигатели
  • Доставка
  • Оплата
  • О компании
    • Реквизиты
    • Магазины
    • Оплата
    • Доставка
    • Лицензии и сертификаты
    • Новости
    • Вакансии
  • Контакты
Отправить заявку
Личный кабинет
8 (800) 700-35-68
sales@din76.ru
Избранное 0 Корзина 0
8 (800) 700-35-68
Оптовый прайс-лист
Каталог
  • Двигатели
  • Запчасти WEICHAI
  • Запчасти ЯМЗ, ТМЗ (V-образные)
  • Запчасти ЯМЗ-534, ЯМЗ-536
  • Запчасти ЯМЗ-650, ЯМЗ-651, DCi-11
  • Топливная аппаратура
  • Запчасти УРАЛ
  • Запчасти МАЗ
  • Запчасти КамАЗ
  • Запчасти ММЗ
  • Ремни
Автокаталог (справочник)
  • Доставка
  • Оплата
  • О компании
  • Контакты
8 (800) 700-35-68
Написать в Whatsapp
sales@din76.ru
Динамика 76
Меню  
  • Каталог
    • Двигатели  
      • Двигатели ТМЗ  
        • Двигатели ТМЗ для автомобилей
        • Двигатели ТМЗ для тракторов
        • Специальные двигатели ТМЗ
        • Промышленные двигатели ТМЗ
      • Двигатели ЯМЗ  
        • ЯМЗ 236
        • ЯМЗ 238
        • ЯМЗ 240
        • ЯМЗ 751
        • ЯМЗ 840
        • ЯМЗ 850
        • ЯМЗ 656
        • ЯМЗ 658
        • ЯМЗ 534
        • ЯМЗ 536
        • ЯМЗ 650
        • Двигатели ЯМЗ для электростанций
      • Двигатели КАМАЗ
      • Двигатели ММЗ
      • Двигатели индивидуальной сборки
      • Комплекты переоборудования
    • Запчасти WEICHAI  
      • Основные запчасти двигателя  
        • Клапаны и толкатели
        • Шатуны
        • Вал коленчатый и маховик
        • Вал распределительный
        • Цилиндро-поршневая группа
      • Система питания  
        • Форсунки
        • Турбокомпрессор
      • Система смазки  
        • Насос масляный
      • Головка блока
      • Ремкомплекты
      • Система охлаждения  
        • Насос водяной
        • Муфта вязкостная и крыльчатка
      • Фильтры
      • Электрооборудование  
        • Генератор
        • Стартер
    • Запчасти ЯМЗ, ТМЗ (V-образные)  
      • Основные запчасти двигателя  
        • Блок двигателя и комплектующие
        • Валы распределительные и клапаны
        • Головка блока и комплектующие
        • Цилиндро-поршневая группа
        • Маховики и комплектующие
        • Валы коленчатые и комплектующие
        • Шатуны и комплектующие
      • Система питания  
        • Коллекторы и патрубки
        • Топливные трубопроводы
        • Турбокомпрессор
        • Топливные фильтры
      • Электрооборудование двигателя
      • Система охлаждения  
        • Вязкостные муфты и крыльчатки
        • Приводы вентилятора
        • Водяные насосы
        • Водяные трубы и термостаты
      • Коробки переключения передач  
        • 8 Ступенчатые КПП
        • 5 Ступенчатые КПП
        • 9 Ступенчатые КПП
        • Запасные части КПП ЯМЗ, ТМЗ
      • Система смазки  
        • Теплообменник и комплектующие
        • Масляные насосы
        • Фильтры масляные (ФГОМ, ФЦОМ)
      • Сцепление  
        • Запасные части механизма сцепления
        • Муфты (подшипники выжимные)
        • Корзины (диски нажимные)
        • Диски ведомые
      • Прочие запчасти двигателя  
        • Ремкомплекты
        • Привод агрегатов
        • Натяжные устройства
        • Трубки
    • Запчасти ЯМЗ-534, ЯМЗ-536  
      • Основные запчасти двигателя  
        • Цилиндро-поршневая группа
        • Головка блока цилиндров и комплектующие
        • Блок цилиндров и комплектующие
        • Вал коленчатый и маховик
        • Вал распределительный
        • Клапаны и толкатели
        • ГУР (Гидроусилитель руля)
        • Система рециркуляции отработавших газов
        • Выпускной коллектор
      • Система питания  
        • Коллекторы и патрубки
        • Топливные фильтры
        • Турбокомпрессор
        • Топливные трубопроводы
      • Система смазки  
        • Масляный картер поддон
        • Масляный насос
        • Теплообменник /Водо-масляный радиатор
        • Фильтры масляные (ФГОМ, ФЦОМ)
      • Пневмокомпрессор и натяжное
      • Система охлаждения  
        • Водяной насос
        • Водяные трубы и патрубки
        • Муфты вязкостные, приводы, крыльчатки
      • Ремкомплекты
      • Сцепление
      • Электрооборудование
    • Запчасти ЯМЗ-650, ЯМЗ-651, DCi-11  
      • Основные запчасти двигателя  
        • Цилиндро-поршневая группа
        • Головка блока цилиндров и комплектующие
        • Блок цилиндров и комплектующие
        • Вал коленчатый и маховик
        • Выпускной коллектор
        • Вал распределительный
        • Клапаны и толкатели
        • ГУР (Гидроусилитель руля)
        • Система рециркуляции отработавших газов
      • Система питания  
        • Коллекторы и патрубки
        • Топливные трубопроводы
        • Топливные фильтры
        • Турбокомпрессор
      • Система смазки  
        • Масляный картер / поддон
        • Масляный насос
        • Теплообменник / Водо-масляный радиатор
        • Фильтры масляные (ФГОМ, ФЦОМ)
      • Система охлаждения  
        • Водяной насос
        • Водяные трубы и патрубки
        • Муфты вязкостные, приводы, крыльчатки
      • Ремкомплекты
      • Пневмокомпрессор и натяжное
      • Электрооборудование
      • Сцепление
    • Топливная аппаратура  
      • ЯЗДА  
        • Распылители
        • ТНВД
        • Форсунки
        • Топливный насос низкого давления
        • Пары плунжерные
        • Муфта опережения впрыска топлива
        • Запчасти и комплектующие ТНВД
      • НЗТА
      • АЗПИ  
        • Распылители
        • Форсунки
      • BOSCH
    • Запчасти УРАЛ  
      • Трансмиссия  
        • Коробка раздаточная
        • Передача карданная
        • Мост задний
        • Мост передний (ведущий)
        • Мост средний (промежуточный)
      • Кузов  
        • Дверь кабины
        • Капот, крылья, облицовка радиатора
        • Окно ветровое и заднее
        • Отопление и вентиляция кабины
        • Кабина
      • Механизмы управления  
        • Управление рулевое
        • Тормоза
      • Дополнительное оборудование  
        • Отбор мощности
        • Устройство седельное
      • Электрооборудование
      • Ходовая часть  
        • Колеса и ступицы
        • Ось передняя
        • Подвеска автомобиля
        • Рама
    • Запчасти МАЗ  
      • Трансмиссия  
        • Мост задний
        • Мост передний (ведущий)
        • Передача карданная
        • Мост средний (промежуточный)
      • Кузов  
        • Кабина
        • Дверь кабины
        • Детали основания кабины
        • Окно ветровое и заднее
        • Платформа
      • Механизмы управления  
        • Тормоза
        • Управление рулевое
      • Ходовая часть  
        • Колеса и ступицы
        • Ось передняя
        • Подвеска автомобиля
        • Рама
    • Запчасти КамАЗ  
      • Кузов  
        • Кабина
        • Капот, крылья, облицовка радиатора
        • Дверь кабины
        • Платформа
        • Окно ветровое и заднее
        • Устройство подъемное и опрокидывающее
        • Сиденье
        • Крыша кабины (крыша кузова)
        • Отопление и вентиляция кабины
      • Трансмиссия  
        • Коробка передач
        • Коробка раздаточная
        • Мост задний
        • Сцепление
        • Мост средний (промежуточный)
        • Передача карданная
        • Мост передний (ведущий)
      • Двигатель  
        • Основные запчасти двигателя
        • Система охлаждения
        • Система питания
        • Система смазки
      • Дополнительное оборудование  
        • Отбор мощности
        • Устройство седельное
      • Ходовая часть  
        • Подвеска автомобиля
        • Рама
        • Колеса и ступицы
        • Ось передняя
      • Механизмы управления  
        • Тормоза
        • Управление рулевое
      • Электрооборудование
    • Запчасти ММЗ
    • Ремни
  • Справочник
    • Грузовые автомобили
    • Автобусы
    • Сельхозтехника
    • Спецтехника
    • Двигатели
  • Как купить
    • Условия оплаты
    • Условия доставки
    • Гарантия на товар
    • Пункты выдачи
  • Услуги
    • Капитальный ремонт двигателей ЯМЗ
  • Акции
  • Статьи
  • Контакты
  • Компания
    • Реквизиты
    • Магазины
    • Оплата
    • Доставка
    • Лицензии и сертификаты
    • Новости
    • Вакансии
Избранное 0 Корзина 0
8-800-700-35-68

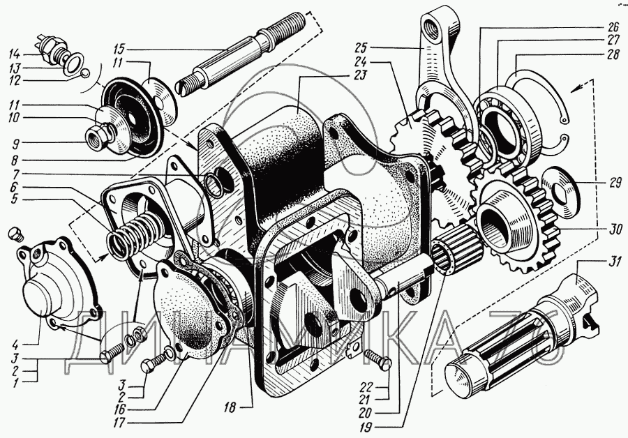
Коробка отбора мощности на КрАЗ-65055

Справочник
Главная
-
Автокаталог
-
Грузовые автомобили и прицепы
-
КрАЗ
-
КрАЗ-65055
Справочный каталог

Коробка отбора мощности — КрАЗ-65055:

6505-4202010 1 2 2 3 3 4 5 6 7 8 9 10 11 11 12 13 14 15 16 17 18 19 20 21 22 23 24 25 26 27 28 29 30 31
в наличии
нет в наличии
масштаб

В наличии
Нет в наличии

Перечень комплектующих от Коробка отбора мощности на КрАЗ-65055

Схемы запчастей предназначены для справочных целей! Мы продаем не все запчасти от Коробка отбора мощности на КрАЗ-65055, представленные в этом списке.
Наличие на складах по деталям с ценой смотрите в карточке товара.
Артикул: 6505-4202010
нет в наличии
Коробка отбора мощности в сборе
Количество на схеме: 1
Информация
Коробка отбора мощности в сборе
Количество
1
Модель
6505
Группа
Спецоборудование
Подгруппа
Коробка отбора мощности односкоростная
Порядковый номер детали
010
1
1
Артикул: 250510-П29
нет в наличии
Гайка М8
Количество на схеме: 4
Информация
Гайка М8
Количество
4
Покрытие
цинкование и пассивирование (цинковое с хроматированием)
2
2
Артикул: 252135-П2
в наличии
Шайба 8 пружинная
Количество на схеме: 9
Информация
Шайба 8 пружинная
Количество
9
Покрытие
фосфатирование и промасливание
Шайба 8х2.5 ЯМЗ заглушки блока цилиндров АВТОДИЗЕЛЬ
Артикул: 252135-П2
Шайба 8х2.5 ЯМЗ заглушки блока цилиндров АВТОДИЗЕЛЬ
Код для заказа: 00006017
Цена: 3 ₽/шт.
Под заказ
Шайба 8х2.5 ЯМЗ заглушки блока цилиндров АВТОДИЗЕЛЬ
Артикул: 252135-П2
Код для заказа: 00006017
Шайба 8х2.5 ЯМЗ заглушки блока цилиндров АВТОДИЗЕЛЬ
Цена: 3 ₽/шт.
Под заказ
3
3
Артикул: 201460-П29
нет в наличии
Болт М8х1,25х30
Количество на схеме: 4
Информация
Болт М8х1,25х30
Количество
4
Покрытие
цинкование и пассивирование (цинковое с хроматированием)
4
4
Артикул: 250Б-2509175
нет в наличии
Крышка пневмокамеры
Количество на схеме: 1
Информация
Крышка пневмокамеры
Количество
1
Модель
250Б
Группа
Мост средний
Подгруппа
Механизм блокировки межосевого дифференциала
Порядковый номер детали
175
5
5
Артикул: 255Л-2732034
нет в наличии
Пружина наружная
Количество на схеме: 1
Информация
Пружина наружная
Количество
1
Модель
255Л
Группа
Устройство седельное
Подгруппа
2732
Порядковый номер детали
034
6
6
Артикул: 250-1804173
нет в наличии
Корпус пневмокамеры
Количество на схеме: 1
Информация
Корпус пневмокамеры
Количество
1
Модель
250
Группа
Коробка раздаточная
Подгруппа
Привод управления механизмом переключения передач
Порядковый номер детали
173
7
7
Артикул: 256Б-3405187
нет в наличии
Кольцо 018-022-25-2-2
Количество на схеме: 1
Информация
Кольцо 018-022-25-2-2
Количество
1
Модель
256Б
Группа
Управление рулевое
Подгруппа
Цилиндр силовой гидроусилителя
Порядковый номер детали
187
8
8
Артикул: 250-1811162
нет в наличии
Диафрагма
Количество на схеме: 1
Информация
Диафрагма
Количество
1
Модель
250
Группа
Коробка раздаточная
Подгруппа
1811
Порядковый номер детали
162
9
9
Артикул: 250615-П29
нет в наличии
Гайка М12х1,25
Количество на схеме: 1
Информация
Гайка М12х1,25
Количество
1
Покрытие
цинкование и пассивирование (цинковое с хроматированием)
10
10
Артикул: 252137-П2
в наличии
Шайба 12 пружинная
Количество на схеме: 1
Информация
Шайба 12 пружинная
Количество
1
Покрытие
фосфатирование и промасливание
ШАЙБА 12Х4 (ЯМЗ)
Артикул: 252137-П2
ШАЙБА 12Х4 (ЯМЗ)
Код для заказа: 00006019
Цена: 14 ₽/шт.
Под заказ
ШАЙБА 12Х4 (ЯМЗ)
Артикул: 252137-П2
Код для заказа: 00006019
ШАЙБА 12Х4 (ЯМЗ)
Цена: 14 ₽/шт.
Под заказ
11
11
Артикул: 250-8606131
нет в наличии
Шайба
Количество на схеме: 2
Информация
Шайба
Количество
2
Модель
250
Группа
Механизм опрокидывающий платформы автомобиля-самосвала
Подгруппа
8606
Порядковый номер детали
131
12
12
Артикул: 201-1115043
нет в наличии
Шарик-фиксатор
Количество на схеме: 1
Информация
Шарик-фиксатор
Количество
1
Модель
201
Группа
Cистема питания двигателя
Подгруппа
1115
Порядковый номер детали
043
13
13
Артикул: 210-3502131-Б
нет в наличии
Шайба регулировочная
Количество на схеме: 6
Информация
Шайба регулировочная
Количество
6
Примечание
13
Модель
210
Группа
Тормоза
Подгруппа
Тормоза рабочие задние ножные и тормозные барабаны
Порядковый номер детали
131
14
14
Артикул: ВК418А-3716000
нет в наличии
Выключатель сигнализации
Количество на схеме: 1
Информация
Выключатель сигнализации
Количество
1
Модель
ВК418А
Группа
Электрооборудование
Подгруппа
Фонари задние
Порядковый номер детали
000
15
15
Артикул: 6505-4202206
нет в наличии
Шток
Количество на схеме: 1
Информация
Шток
Количество
1
Модель
6505
Группа
Спецоборудование
Подгруппа
Коробка отбора мощности односкоростная
Порядковый номер детали
206
16
16
Артикул: 6505-4202084
нет в наличии
Крышка
Количество на схеме: 1
Информация
Крышка
Количество
1
Модель
6505
Группа
Спецоборудование
Подгруппа
Коробка отбора мощности односкоростная
Порядковый номер детали
084
17
17
Артикул: 6505-4202086
нет в наличии
Прокладка
Количество на схеме: 1
Информация
Прокладка
Количество
1
Модель
6505
Группа
Спецоборудование
Подгруппа
Коробка отбора мощности односкоростная
Порядковый номер детали
086
18
18
Артикул: 206К
нет в наличии
Подшипник
Количество на схеме: 1
Информация
Подшипник
Количество
1
19
19
Артикул: 864904
в наличии
Подшипник
Количество на схеме: 1
Информация
Подшипник
Количество
1
Покрытие
без покрытия
Подшипник КПП ГАЗ-3307,МАЗ КОМ
Артикул: 864904
Подшипник КПП ГАЗ-3307,МАЗ КОМ
Код для заказа: 00045416
Цена: 550 ₽/шт.
Под заказ
Подшипник КПП ГАЗ-3307,МАЗ КОМ
Артикул: 864904
Код для заказа: 00045416
Подшипник КПП ГАЗ-3307,МАЗ КОМ
Цена: 550 ₽/шт.
Под заказ
20
20
Артикул: 6505-4202030
нет в наличии
Ось
Количество на схеме: 1
Информация
Ось
Количество
1
Модель
6505
Группа
Спецоборудование
Подгруппа
Коробка отбора мощности односкоростная
Порядковый номер детали
030
21
21
Артикул: 6505-4202032
нет в наличии
Замок
Количество на схеме: 1
Информация
Замок
Количество
1
Модель
6505
Группа
Спецоборудование
Подгруппа
Коробка отбора мощности односкоростная
Порядковый номер детали
032
22
22
Артикул: 201456-П29
в наличии
Болт М8х1,25х20
Количество на схеме: 6
Информация
Болт М8х1,25х20
Количество
6
Покрытие
цинкование и пассивирование (цинковое с хроматированием)
Болт М8х1.25х20(ЯМЗ)
Артикул: 201456-П29
Болт М8х1.25х20(ЯМЗ)
Код для заказа: 00005974
Цена: 8 ₽/шт.
Под заказ
Болт М8х1.25х20(ЯМЗ)
Артикул: 201456-П29
Код для заказа: 00005974
Болт М8х1.25х20(ЯМЗ)
Цена: 8 ₽/шт.
Под заказ
23
23
Артикул: 6505-4202015
нет в наличии
Картер
Количество на схеме: 1
Информация
Картер
Количество
1
Модель
6505
Группа
Спецоборудование
Подгруппа
Коробка отбора мощности односкоростная
Порядковый номер детали
015
24
24
Артикул: 6505-4202064
нет в наличии
Шестерня
Количество на схеме: 1
Информация
Шестерня
Количество
1
Модель
6505
Группа
Спецоборудование
Подгруппа
Коробка отбора мощности односкоростная
Порядковый номер детали
064
25
25
Артикул: 6505-4202126
нет в наличии
Вилка
Количество на схеме: 1
Информация
Вилка
Количество
1
Модель
6505
Группа
Спецоборудование
Подгруппа
Коробка отбора мощности односкоростная
Порядковый номер детали
126
26
26
Артикул: 6505-4202219
нет в наличии
Кольцо 2В35
Количество на схеме: 1
Информация
Кольцо 2В35
Количество
1
Модель
6505
Группа
Спецоборудование
Подгруппа
Коробка отбора мощности односкоростная
Порядковый номер детали
219
27
27
Артикул: 207
в наличии
Подшипник
Количество на схеме: 1
Информация
Подшипник
Количество
1
Подшипник компрессора ЗИЛ,МАЗ; привода ТНВД ГАЗ-4301
Артикул: 207
Подшипник компрессора ЗИЛ,МАЗ; привода ТНВД ГАЗ-4301
Код для заказа: 00045380
Цена: 194 ₽/шт.
Под заказ
Подшипник компрессора ЗИЛ,МАЗ; привода ТНВД ГАЗ-4301
Артикул: 207
Код для заказа: 00045380
Подшипник компрессора ЗИЛ,МАЗ; привода ТНВД ГАЗ-4301
Цена: 194 ₽/шт.
Под заказ
28
28
Артикул: 6505-4202220
нет в наличии
Кольцо В72
Количество на схеме: 1
Информация
Кольцо В72
Количество
1
Модель
6505
Группа
Спецоборудование
Подгруппа
Коробка отбора мощности односкоростная
Порядковый номер детали
220
29
29
Артикул: 6505-4202092
нет в наличии
Прокладка
Количество на схеме: 1
Информация
Прокладка
Количество
1
Модель
6505
Группа
Спецоборудование
Подгруппа
Коробка отбора мощности односкоростная
Порядковый номер детали
092
30
30
Артикул: 6505-4202020
нет в наличии
Шестерня
Количество на схеме: 1
Информация
Шестерня
Количество
1
Модель
6505
Группа
Спецоборудование
Подгруппа
Коробка отбора мощности односкоростная
Порядковый номер детали
020
31
31
Артикул: 6505-4202070
нет в наличии
Вал
Количество на схеме: 1
Информация
Вал
Количество
1
Модель
6505
Группа
Спецоборудование
Подгруппа
Коробка отбора мощности односкоростная
Порядковый номер детали
070
  • Грузовые автомобили
  • Автобусы
  • Сельхозтехника
  • Спецтехника
  • Двигатели
Получить оптовый прайс-лист
Скачать прайс-лист от 07.05.2026 16:00
Специальное предложение от 07.05.2026 17:00
Производители:


  • WEICHAI
  • Автодизель ПАО (ЯМЗ)
  • Тутаевский МЗ
  • ЯЗДА
  • УралАЗ
  • МАЗ
  • АЗПИ
  • BOSCH
  • ММЗ
  • ШААЗ
  • FEDERAL MOGUL
  • ПРАМО
  • Мотордеталь
  • ТАИМ
  • АвтоКрАЗ
  • БЕЛКАРД
  • CZ Strakonice
  • КамАЗ
  • БЗА
  • ЧМЗ
  • BMZ
Новости
Все новости
25 марта 2024
Флагманский седельный тягач «Валдай 45» на выставке «TransRussia»
10 марта 2024
Современные автобусы «CITYMAX 9» и ЛиАЗ-5292 CNG
25 февраля 2024
Серийное производство средних дизельных двигателей повышенной мощности от ЯМЗ
Статьи
Все статьи
Датчики двигателя: за что они отвечают, признаки неисправности и как не прогадать с выбором
Двигатели ЯМЗ-534: история, технические характеристики и области применения
Двигатели ЯМЗ 650: углублённый технический обзор и история
Компания
О компании
Реквизиты
Новости
Политика
Магазины
Информация
Условия оплаты
Условия доставки
Гарантия на товар
Обмен и возврат товара
Помощь
Как оформить заказ
Полезные статьи
Бренды
Пункты выдачи
Оставайтесь на связи
  • Вконтакте
  • YouTube
  • Одноклассники
  • Google Plus
Увидели ошибку?
Выделите, нажав Ctrl + Enter
Наши контакты
8-800-700-35-68
sales@din76.ru
г. Ярославль, Ленинградский пр-т 33, ТЦ "ОМЕГА"
2026 © ООО «Динамика 76» - Все права защищены ООО "Динамика 76"
Предложения на сайте не являются публичной офертой.
На сайте обнаружена ошибка

Текст с ошибкой