Избранное 0 Корзина 0 Личный кабинет
logo
Каталог
Каталог
  • Справочник
    • Грузовые автомобили
    • Автобусы
    • Сельхозтехника
    • Спецтехника
    • Двигатели
  • Доставка
  • Оплата
  • О компании
    • Реквизиты
    • Магазины
    • Оплата
    • Доставка
    • Лицензии и сертификаты
    • Новости
    • Вакансии
  • Контакты
Отправить заявку
Личный кабинет
8 (800) 700-35-68
sales@din76.ru
Избранное 0 Корзина 0
8 (800) 700-35-68
Оптовый прайс-лист
Каталог
  • Двигатели
  • Запчасти WEICHAI
  • Запчасти ЯМЗ, ТМЗ (V-образные)
  • Запчасти ЯМЗ-534, ЯМЗ-536
  • Запчасти ЯМЗ-650, ЯМЗ-651, DCi-11
  • Топливная аппаратура
  • Запчасти УРАЛ
  • Запчасти МАЗ
  • Запчасти КамАЗ
  • Запчасти ММЗ
  • Ремни
Автокаталог (справочник)
  • Доставка
  • Оплата
  • О компании
  • Контакты
8 (800) 700-35-68
Написать в Whatsapp
sales@din76.ru
Динамика 76
Меню  
  • Каталог
    • Двигатели  
      • Двигатели ТМЗ  
        • Двигатели ТМЗ для автомобилей
        • Двигатели ТМЗ для тракторов
        • Специальные двигатели ТМЗ
        • Промышленные двигатели ТМЗ
      • Двигатели ЯМЗ  
        • ЯМЗ 236
        • ЯМЗ 238
        • ЯМЗ 240
        • ЯМЗ 751
        • ЯМЗ 840
        • ЯМЗ 850
        • ЯМЗ 656
        • ЯМЗ 658
        • ЯМЗ 534
        • ЯМЗ 536
        • ЯМЗ 650
        • Двигатели ЯМЗ для электростанций
      • Двигатели КАМАЗ
      • Двигатели ММЗ
      • Двигатели индивидуальной сборки
      • Комплекты переоборудования
    • Запчасти WEICHAI  
      • Основные запчасти двигателя  
        • Клапаны и толкатели
        • Шатуны
        • Вал коленчатый и маховик
        • Вал распределительный
        • Цилиндро-поршневая группа
      • Система питания  
        • Форсунки
        • Турбокомпрессор
      • Система смазки  
        • Насос масляный
      • Головка блока
      • Ремкомплекты
      • Система охлаждения  
        • Насос водяной
        • Муфта вязкостная и крыльчатка
      • Фильтры
      • Электрооборудование  
        • Генератор
        • Стартер
    • Запчасти ЯМЗ, ТМЗ (V-образные)  
      • Основные запчасти двигателя  
        • Блок двигателя и комплектующие
        • Валы распределительные и клапаны
        • Головка блока и комплектующие
        • Цилиндро-поршневая группа
        • Маховики и комплектующие
        • Валы коленчатые и комплектующие
        • Шатуны и комплектующие
      • Система питания  
        • Коллекторы и патрубки
        • Топливные трубопроводы
        • Турбокомпрессор
        • Топливные фильтры
      • Электрооборудование двигателя
      • Система охлаждения  
        • Вязкостные муфты и крыльчатки
        • Приводы вентилятора
        • Водяные насосы
        • Водяные трубы и термостаты
      • Коробки переключения передач  
        • 8 Ступенчатые КПП
        • 5 Ступенчатые КПП
        • 9 Ступенчатые КПП
        • Запасные части КПП ЯМЗ, ТМЗ
      • Система смазки  
        • Теплообменник и комплектующие
        • Масляные насосы
        • Фильтры масляные (ФГОМ, ФЦОМ)
      • Сцепление  
        • Запасные части механизма сцепления
        • Муфты (подшипники выжимные)
        • Корзины (диски нажимные)
        • Диски ведомые
      • Прочие запчасти двигателя  
        • Ремкомплекты
        • Привод агрегатов
        • Натяжные устройства
        • Трубки
    • Запчасти ЯМЗ-534, ЯМЗ-536  
      • Основные запчасти двигателя  
        • Цилиндро-поршневая группа
        • Головка блока цилиндров и комплектующие
        • Блок цилиндров и комплектующие
        • Вал коленчатый и маховик
        • Вал распределительный
        • Клапаны и толкатели
        • ГУР (Гидроусилитель руля)
        • Система рециркуляции отработавших газов
        • Выпускной коллектор
      • Система питания  
        • Коллекторы и патрубки
        • Топливные фильтры
        • Турбокомпрессор
        • Топливные трубопроводы
      • Система смазки  
        • Масляный картер поддон
        • Масляный насос
        • Теплообменник /Водо-масляный радиатор
        • Фильтры масляные (ФГОМ, ФЦОМ)
      • Пневмокомпрессор и натяжное
      • Система охлаждения  
        • Водяной насос
        • Водяные трубы и патрубки
        • Муфты вязкостные, приводы, крыльчатки
      • Ремкомплекты
      • Сцепление
      • Электрооборудование
    • Запчасти ЯМЗ-650, ЯМЗ-651, DCi-11  
      • Основные запчасти двигателя  
        • Цилиндро-поршневая группа
        • Головка блока цилиндров и комплектующие
        • Блок цилиндров и комплектующие
        • Вал коленчатый и маховик
        • Выпускной коллектор
        • Вал распределительный
        • Клапаны и толкатели
        • ГУР (Гидроусилитель руля)
        • Система рециркуляции отработавших газов
      • Система питания  
        • Коллекторы и патрубки
        • Топливные трубопроводы
        • Топливные фильтры
        • Турбокомпрессор
      • Система смазки  
        • Масляный картер / поддон
        • Масляный насос
        • Теплообменник / Водо-масляный радиатор
        • Фильтры масляные (ФГОМ, ФЦОМ)
      • Система охлаждения  
        • Водяной насос
        • Водяные трубы и патрубки
        • Муфты вязкостные, приводы, крыльчатки
      • Ремкомплекты
      • Пневмокомпрессор и натяжное
      • Электрооборудование
      • Сцепление
    • Топливная аппаратура  
      • ЯЗДА  
        • Распылители
        • ТНВД
        • Форсунки
        • Топливный насос низкого давления
        • Пары плунжерные
        • Муфта опережения впрыска топлива
        • Запчасти и комплектующие ТНВД
      • НЗТА
      • АЗПИ  
        • Распылители
        • Форсунки
      • BOSCH
    • Запчасти УРАЛ  
      • Трансмиссия  
        • Коробка раздаточная
        • Передача карданная
        • Мост задний
        • Мост передний (ведущий)
        • Мост средний (промежуточный)
      • Кузов  
        • Дверь кабины
        • Капот, крылья, облицовка радиатора
        • Окно ветровое и заднее
        • Отопление и вентиляция кабины
        • Кабина
      • Механизмы управления  
        • Управление рулевое
        • Тормоза
      • Дополнительное оборудование  
        • Отбор мощности
        • Устройство седельное
      • Электрооборудование
      • Ходовая часть  
        • Колеса и ступицы
        • Ось передняя
        • Подвеска автомобиля
        • Рама
    • Запчасти МАЗ  
      • Трансмиссия  
        • Мост задний
        • Мост передний (ведущий)
        • Передача карданная
        • Мост средний (промежуточный)
      • Кузов  
        • Кабина
        • Дверь кабины
        • Детали основания кабины
        • Окно ветровое и заднее
        • Платформа
      • Механизмы управления  
        • Тормоза
        • Управление рулевое
      • Ходовая часть  
        • Колеса и ступицы
        • Ось передняя
        • Подвеска автомобиля
        • Рама
    • Запчасти КамАЗ  
      • Кузов  
        • Кабина
        • Капот, крылья, облицовка радиатора
        • Дверь кабины
        • Платформа
        • Окно ветровое и заднее
        • Устройство подъемное и опрокидывающее
        • Сиденье
        • Крыша кабины (крыша кузова)
        • Отопление и вентиляция кабины
      • Трансмиссия  
        • Коробка передач
        • Коробка раздаточная
        • Мост задний
        • Сцепление
        • Мост средний (промежуточный)
        • Передача карданная
        • Мост передний (ведущий)
      • Двигатель  
        • Основные запчасти двигателя
        • Система охлаждения
        • Система питания
        • Система смазки
      • Дополнительное оборудование  
        • Отбор мощности
        • Устройство седельное
      • Ходовая часть  
        • Подвеска автомобиля
        • Рама
        • Колеса и ступицы
        • Ось передняя
      • Механизмы управления  
        • Тормоза
        • Управление рулевое
      • Электрооборудование
    • Запчасти ММЗ
    • Ремни
  • Справочник
    • Грузовые автомобили
    • Автобусы
    • Сельхозтехника
    • Спецтехника
    • Двигатели
  • Как купить
    • Условия оплаты
    • Условия доставки
    • Гарантия на товар
    • Пункты выдачи
  • Услуги
    • Капитальный ремонт двигателей ЯМЗ
  • Акции
  • Статьи
  • Контакты
  • Компания
    • Реквизиты
    • Магазины
    • Оплата
    • Доставка
    • Лицензии и сертификаты
    • Новости
    • Вакансии
Избранное 0 Корзина 0
8-800-700-35-68

Подогреватель пусковой на КрАЗ-6443

Справочник
Главная
-
Автокаталог
-
Грузовые автомобили и прицепы
-
КрАЗ
-
КрАЗ-6443
Справочный каталог

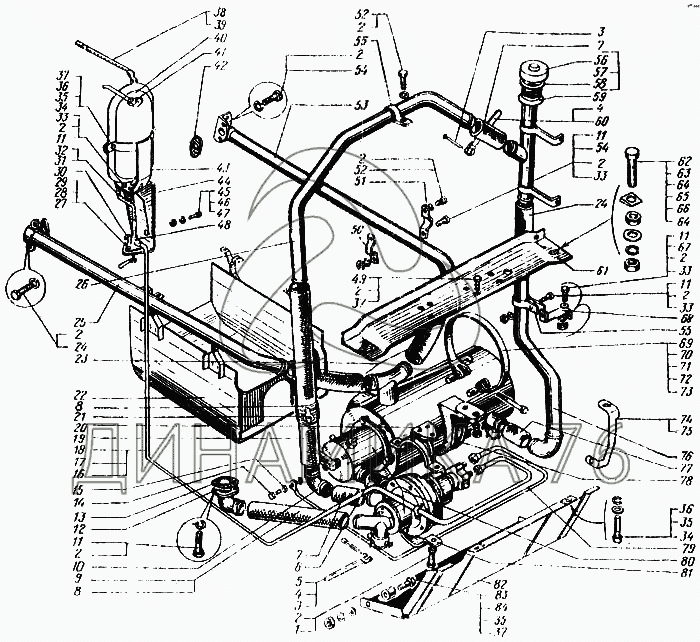
Подогреватель пусковой — КрАЗ-6443:

1 2 2 2 2 2 2 2 2 2 2 2 2 3 3 4 4 5 6 7 8 8 9 10 11 11 11 11 11 12 13 14 15 16 17 18 19 20 21 22 23 24 24 25 26 27 28 29 30 31 32 33 33 33 33 34 34 35 35 35 36 36 37 37 37 38 39 40 41 42 43 44 45 46 47 48 49 50 51 52 52 53 54 54 55 55 56 57 58 59 60 61 62 63 64 64 65 66 67 68 69 71 71 72 73 74 75 76 77 78 79 80 80 81 83 84
в наличии
нет в наличии
масштаб

В наличии
Нет в наличии

Перечень комплектующих от Подогреватель пусковой на КрАЗ-6443

Схемы запчастей предназначены для справочных целей! Мы продаем не все запчасти от Подогреватель пусковой на КрАЗ-6443, представленные в этом списке.
Наличие на складах по деталям с ценой смотрите в карточке товара.
1
1
Артикул: 200315-П29
в наличии
Болт М10х1,5х40
Количество на схеме: 2
Информация
Болт М10х1,5х40
Количество
2
Покрытие
цинкование и пассивирование (цинковое с хроматированием)
Болт М10х1.5х40 крепления сильфона ЯМЗ, генератора
Артикул: 200315-П29
Болт М10х1.5х40 крепления сильфона ЯМЗ, генератора
Код для заказа: 00002850
Цена: 52 ₽/шт.
В наличии: 4 шт.
- +
В корзинуВ корзине
Болт М10х1.5х40 крепления сильфона ЯМЗ, генератора
Артикул: 200315-П29
Код для заказа: 00002850
Болт М10х1.5х40 крепления сильфона ЯМЗ, генератора
Цена: 52 ₽/шт.
В наличии: 4 шт.
- +
В корзинуВ корзине
2
2
Артикул: 252135-П2
в наличии
Шайба 8 пружинная
Количество на схеме: 16
Информация
Шайба 8 пружинная
Количество
16
Покрытие
фосфатирование и промасливание
Шайба 8х2.5 ЯМЗ заглушки блока цилиндров АВТОДИЗЕЛЬ
Артикул: 252135-П2
Шайба 8х2.5 ЯМЗ заглушки блока цилиндров АВТОДИЗЕЛЬ
Код для заказа: 00006017
Цена: 3 ₽/шт.
Под заказ
Шайба 8х2.5 ЯМЗ заглушки блока цилиндров АВТОДИЗЕЛЬ
Артикул: 252135-П2
Код для заказа: 00006017
Шайба 8х2.5 ЯМЗ заглушки блока цилиндров АВТОДИЗЕЛЬ
Цена: 3 ₽/шт.
Под заказ
3
3
Артикул: 258080-П29
нет в наличии
Шплинт 5,6х25
Количество на схеме: 18
Информация
Шплинт 5,6х25
Количество
18
Покрытие
цинкование и пассивирование (цинковое с хроматированием)
4
4
Артикул: 212А-8101092
нет в наличии
Пряжка хомута
Количество на схеме: 18
Информация
Пряжка хомута
Количество
18
Модель
212А
Группа
Отопление и вентиляция кабины
Подгруппа
Отопитель (кузова)
Порядковый номер детали
092
5
5
Артикул: 401500-П29
нет в наличии
Лента стяжная 9,5х510
Количество на схеме: 2
Информация
Лента стяжная 9,5х510
Количество
2
Покрытие
цинкование и пассивирование (цинковое с хроматированием)
6
6
Артикул: 256-1015526
нет в наличии
Шланг соединительный
Количество на схеме: 1
Информация
Шланг соединительный
Количество
1
Модель
256
Группа
Двигатель
Подгруппа
Подогреватель пусковой двигателя
Порядковый номер детали
526
7
7
Артикул: 256-1015528
нет в наличии
Шланг соединительный
Количество на схеме: 2
Информация
Шланг соединительный
Количество
2
Модель
256
Группа
Двигатель
Подгруппа
Подогреватель пусковой двигателя
Порядковый номер детали
528
8
8
Артикул: 260-1015044
нет в наличии
Оболочка предохранительная
Количество на схеме: 2
Информация
Оболочка предохранительная
Количество
2
Модель
260
Группа
Двигатель
Подгруппа
Подогреватель пусковой двигателя
Порядковый номер детали
044
9
9
Артикул: 260-1015043-10
нет в наличии
Шланг
Количество на схеме: 1
Информация
Шланг
Количество
1
Модель
260
Группа
Двигатель
Подгруппа
Подогреватель пусковой двигателя
Порядковый номер детали
043
Дополнительно
Не взаимозаменяема с деталью, выпущенной ранее под этим же номером
10
10
Артикул: 256-1015075
нет в наличии
Переходник
Количество на схеме: 1
Информация
Переходник
Количество
1
Модель
256
Группа
Двигатель
Подгруппа
Подогреватель пусковой двигателя
Порядковый номер детали
075
11
11
Артикул: 201456-П29
в наличии
Болт М8х1,25х20
Количество на схеме: 9
Информация
Болт М8х1,25х20
Количество
9
Покрытие
цинкование и пассивирование (цинковое с хроматированием)
Болт М8х1.25х20(ЯМЗ)
Артикул: 201456-П29
Болт М8х1.25х20(ЯМЗ)
Код для заказа: 00005974
Цена: 8 ₽/шт.
Под заказ
Болт М8х1.25х20(ЯМЗ)
Артикул: 201456-П29
Код для заказа: 00005974
Болт М8х1.25х20(ЯМЗ)
Цена: 8 ₽/шт.
Под заказ
12
12
Артикул: 260-1015028-10
нет в наличии
Патрубок отводящий
Количество на схеме: 1
Информация
Патрубок отводящий
Количество
1
Модель
260
Группа
Двигатель
Подгруппа
Подогреватель пусковой двигателя
Порядковый номер детали
028
Дополнительно
Не взаимозаменяема с деталью, выпущенной ранее под этим же номером
13
13
Артикул: 256-1015030-А
нет в наличии
Прокладка фланца
Количество на схеме: 2
Информация
Прокладка фланца
Количество
2
Модель
256
Группа
Двигатель
Подгруппа
Подогреватель пусковой двигателя
Порядковый номер детали
030
14
14
Артикул: 256Б1-1015432
нет в наличии
Штуцер
Количество на схеме: 1
Информация
Штуцер
Количество
1
Модель
256Б1
Группа
Двигатель
Подгруппа
Подогреватель пусковой двигателя
Порядковый номер детали
432
15
15
Артикул: 312434-П
нет в наличии
Шайба 10
Количество на схеме: 2
Информация
Шайба 10
Количество
2
Покрытие
без покрытия
16
16
Артикул: 312310-П
нет в наличии
Шайба 12,5
Количество на схеме: 1
Информация
Шайба 12,5
Количество
1
Покрытие
без покрытия
17
17
Артикул: 347467-П29
нет в наличии
Штуцер М12х1,25
Количество на схеме: 1
Информация
Штуцер М12х1,25
Количество
1
Покрытие
цинкование и пассивирование (цинковое с хроматированием)
18
18
Артикул: 250-1015406-20
нет в наличии
Трубка от крана к насосу
Количество на схеме: 1
Информация
Трубка от крана к насосу
Количество
1
Модель
250
Группа
Двигатель
Подгруппа
Подогреватель пусковой двигателя
Порядковый номер детали
406
Дополнительно
Не взаимозаменяема с деталью, выпущенной ранее под этим же номером
19
19
Артикул: 6437-1015319
нет в наличии
Шланг
Количество на схеме: 1
Информация
Шланг
Количество
1
Модель
6437
Группа
Двигатель
Подгруппа
Подогреватель пусковой двигателя
Порядковый номер детали
319
20
20
Артикул: 256Б1-1015101
нет в наличии
Кронштейн насосного агрегата
Количество на схеме: 1
Информация
Кронштейн насосного агрегата
Количество
1
Модель
256Б1
Группа
Двигатель
Подгруппа
Подогреватель пусковой двигателя
Порядковый номер детали
101
21
21
Артикул: 347930-П29
нет в наличии
Стяжка 8х107
Количество на схеме: 1
Информация
Стяжка 8х107
Количество
1
Покрытие
цинкование и пассивирование (цинковое с хроматированием)
22
22
Артикул: 6505-1015190-01
нет в наличии
Направляющая газов
Количество на схеме: 1
Информация
Направляющая газов
Количество
1
Модель
6505
Группа
Двигатель
Подгруппа
Подогреватель пусковой двигателя
Порядковый номер детали
190
23
23
Артикул: 256-1015534
нет в наличии
Шланг соединительный заливной трубы
Количество на схеме: 3
Информация
Шланг соединительный заливной трубы
Количество
3
Модель
256
Группа
Двигатель
Подгруппа
Подогреватель пусковой двигателя
Порядковый номер детали
534
24
24
Артикул: 201460-П29
нет в наличии
Болт М8х1,25х30
Количество на схеме: 2
Информация
Болт М8х1,25х30
Количество
2
Покрытие
цинкование и пассивирование (цинковое с хроматированием)
25
25
Артикул: 256Б-1015031-03
нет в наличии
Труба к правому блоку
Количество на схеме: 1
Информация
Труба к правому блоку
Количество
1
Модель
256Б
Группа
Двигатель
Подгруппа
Подогреватель пусковой двигателя
Порядковый номер детали
031
26
26
Артикул: 6437-1015317
нет в наличии
Труба от водяного насоса
Количество на схеме: 1
Информация
Труба от водяного насоса
Количество
1
Модель
6437
Группа
Двигатель
Подгруппа
Подогреватель пусковой двигателя
Порядковый номер детали
317
27
27
Артикул: 201422-П29
нет в наличии
Болт М6х1х25
Количество на схеме: 3
Информация
Болт М6х1х25
Количество
3
Покрытие
цинкование и пассивирование (цинковое с хроматированием)
28
28
Артикул: 252134-П2
в наличии
Шайба 6 пружинная
Количество на схеме: 3
Информация
Шайба 6 пружинная
Количество
3
Покрытие
фосфатирование и промасливание
ШАЙБА 6Х2 (ЯМЗ)
Артикул: 252134-П2
ШАЙБА 6Х2 (ЯМЗ)
Код для заказа: 00006016
Цена: 3 ₽/шт.
Под заказ
ШАЙБА 6Х2 (ЯМЗ)
Артикул: 252134-П2
Код для заказа: 00006016
ШАЙБА 6Х2 (ЯМЗ)
Цена: 3 ₽/шт.
Под заказ
29
29
Артикул: 250508-П29
в наличии
Гайка М6-6Н
Количество на схеме: 3
Информация
Гайка М6-6Н
Количество
3
Покрытие
цинкование и пассивирование (цинковое с хроматированием)
ГАЙКА М6-6Н.6.16 (ЯМЗ)
Артикул: 250508-П29
ГАЙКА М6-6Н.6.16 (ЯМЗ)
Код для заказа: 00006006
Цена: 13 ₽/шт.
Под заказ
ГАЙКА М6-6Н.6.16 (ЯМЗ)
Артикул: 250508-П29
Код для заказа: 00006006
ГАЙКА М6-6Н.6.16 (ЯМЗ)
Цена: 13 ₽/шт.
Под заказ
30
30
Артикул: 256-1015654
нет в наличии
Пробка
Количество на схеме: 1
Информация
Пробка
Количество
1
Модель
256
Группа
Двигатель
Подгруппа
Подогреватель пусковой двигателя
Порядковый номер детали
654
31
31
Артикул: 250-1015382
нет в наличии
Шланг от бачка к крану
Количество на схеме: 1
Информация
Шланг от бачка к крану
Количество
1
Модель
250
Группа
Двигатель
Подгруппа
Подогреватель пусковой двигателя
Порядковый номер детали
382
32
32
Артикул: 346841-П29
нет в наличии
Штуцер К 1/4" М20х1,5
Количество на схеме: 1
Информация
Штуцер К 1/4" М20х1,5
Количество
1
Покрытие
цинкование и пассивирование (цинковое с хроматированием)
33
33
Артикул: 250510-П29
нет в наличии
Гайка М8
Количество на схеме: 8
Информация
Гайка М8
Количество
8
Покрытие
цинкование и пассивирование (цинковое с хроматированием)
34
34
Артикул: 201497-П29
нет в наличии
Болт М10х1,25х25
Количество на схеме: 5
Информация
Болт М10х1,25х25
Количество
5
Покрытие
цинкование и пассивирование (цинковое с хроматированием)
35
35
Артикул: 252006-П29
нет в наличии
Шайба 10
Количество на схеме: 10
Информация
Шайба 10
Количество
10
Покрытие
цинкование и пассивирование (цинковое с хроматированием)
36
36
Артикул: 252136-П2
в наличии
Шайба 10 пружинная
Количество на схеме: 14
Информация
Шайба 10 пружинная
Количество
14
Покрытие
фосфатирование и промасливание
Шайба 10.2х2.5 пружинная цинк ЭТНА
Артикул: 252136-П2
Шайба 10.2х2.5 пружинная цинк ЭТНА
Код для заказа: 00062958
Цена: 10 ₽/шт.
Под заказ
Шайба 10.2х2.5 пружинная цинк ЭТНА
Артикул: 252136-П2
Код для заказа: 00062958
Шайба 10.2х2.5 пружинная цинк ЭТНА
Цена: 10 ₽/шт.
Под заказ
Шайба гроверная 17,1х10,1х3,5
Артикул: 252136-П2
Шайба гроверная 17,1х10,1х3,5
Код для заказа: 00006018
Цена: 10 ₽/шт.
Под заказ
Шайба гроверная 17,1х10,1х3,5
Артикул: 252136-П2
Код для заказа: 00006018
Шайба гроверная 17,1х10,1х3,5
Цена: 10 ₽/шт.
Под заказ
37
37
Артикул: 250512-П29
в наличии
Гайка М10х1,5
Количество на схеме: 13
Информация
Гайка М10х1,5
Количество
13
Покрытие
цинкование и пассивирование (цинковое с хроматированием)
Гайка М10х1.5х8 ГАЗ-2410,3110,УРАЛ под ключ 17мм облиц.радиатора, топл.бака, ГЦС, РЦС
Артикул: 250512-П29
Гайка М10х1.5х8 ГАЗ-2410,3110,УРАЛ под ключ 17мм облиц.радиатора, топл.бака, ГЦС, РЦС
Код для заказа: 00008044
Цена: 20 ₽/шт.
Под заказ
Гайка М10х1.5х8 ГАЗ-2410,3110,УРАЛ под ключ 17мм облиц.радиатора, топл.бака, ГЦС, РЦС
Артикул: 250512-П29
Код для заказа: 00008044
Гайка М10х1.5х8 ГАЗ-2410,3110,УРАЛ под ключ 17мм облиц.радиатора, топл.бака, ГЦС, РЦС
Цена: 20 ₽/шт.
Под заказ
38
38
Артикул: 250-1015380
нет в наличии
Шланг от фильтра тонкой очистки топлива к бачку
Количество на схеме: 1
Информация
Шланг от фильтра тонкой очистки топлива к бачку
Количество
1
Модель
250
Группа
Двигатель
Подгруппа
Подогреватель пусковой двигателя
Порядковый номер детали
380
39
39
Артикул: 256Б-1104536
нет в наличии
Шайба уплотнительная
Количество на схеме: 1
Информация
Шайба уплотнительная
Количество
1
Модель
256Б
Группа
Cистема питания двигателя
Подгруппа
Трубопроводы топливные
Порядковый номер детали
536
40
40
Артикул: 250-1015140
нет в наличии
Бачок топливный подогревателя
Количество на схеме: 1
Информация
Бачок топливный подогревателя
Количество
1
Модель
250
Группа
Двигатель
Подгруппа
Подогреватель пусковой двигателя
Порядковый номер детали
140
41
41
Артикул: 346109-П29
нет в наличии
Угольник М20х1,5 К1/4"
Количество на схеме: 2
Информация
Угольник М20х1,5 К1/4"
Количество
2
Покрытие
цинкование и пассивирование (цинковое с хроматированием)
42
42
Артикул: 256-1015086
нет в наличии
Прокладка
Количество на схеме: 2
Информация
Прокладка
Количество
2
Модель
256
Группа
Двигатель
Подгруппа
Подогреватель пусковой двигателя
Порядковый номер детали
086
43
43
Артикул: 250-1015138
нет в наличии
Кронштейн
Количество на схеме: 1
Информация
Кронштейн
Количество
1
Модель
250
Группа
Двигатель
Подгруппа
Подогреватель пусковой двигателя
Порядковый номер детали
138
44
44
Артикул: 250-1015126-10
нет в наличии
Кронштейн бачка ПЖД
Количество на схеме: 1
Информация
Кронштейн бачка ПЖД
Количество
1
Модель
250
Группа
Двигатель
Подгруппа
Подогреватель пусковой двигателя
Порядковый номер детали
126
Дополнительно
Не взаимозаменяема с деталью, выпущенной ранее под этим же номером
45
45
Артикул: 201542-П29
нет в наличии
Болт М12х1,75х30
Количество на схеме: 2
Информация
Болт М12х1,75х30
Количество
2
Покрытие
цинкование и пассивирование (цинковое с хроматированием)
46
46
Артикул: 252137-П2
в наличии
Шайба 12 пружинная
Количество на схеме: 2
Информация
Шайба 12 пружинная
Количество
2
Покрытие
фосфатирование и промасливание
ШАЙБА 12Х4 (ЯМЗ)
Артикул: 252137-П2
ШАЙБА 12Х4 (ЯМЗ)
Код для заказа: 00006019
Цена: 14 ₽/шт.
Под заказ
ШАЙБА 12Х4 (ЯМЗ)
Артикул: 252137-П2
Код для заказа: 00006019
ШАЙБА 12Х4 (ЯМЗ)
Цена: 14 ₽/шт.
Под заказ
47
47
Артикул: 250514-П29
нет в наличии
Гайка М12х1,75
Количество на схеме: 2
Информация
Гайка М12х1,75
Количество
2
Покрытие
цинкование и пассивирование (цинковое с хроматированием)
48
48
Артикул: 256Б-1104010
нет в наличии
Кран ПП6-2
Количество на схеме: 1
Информация
Кран ПП6-2
Количество
1
Модель
256Б
Группа
Cистема питания двигателя
Подгруппа
Трубопроводы топливные
Порядковый номер детали
010
49
49
Артикул: 201499-П29
в наличии
Болт М10х1,5х30
Количество на схеме: 7
Информация
Болт М10х1,5х30
Количество
7
Покрытие
цинкование и пассивирование (цинковое с хроматированием)
Болт М10х1.5х30
Артикул: 201499-П29
Болт М10х1.5х30
Код для заказа: 00002865
Цена: 40 ₽/шт.
В наличии: 72 шт.
- +
В корзинуВ корзине
Болт М10х1.5х30
Артикул: 201499-П29
Код для заказа: 00002865
Болт М10х1.5х30
Цена: 40 ₽/шт.
В наличии: 72 шт.
- +
В корзинуВ корзине
50
50
Артикул: 256Б-1015662
нет в наличии
Скоба нижняя
Количество на схеме: 2
Информация
Скоба нижняя
Количество
2
Модель
256Б
Группа
Двигатель
Подгруппа
Подогреватель пусковой двигателя
Порядковый номер детали
662
51
51
Артикул: 256Б-1015661
нет в наличии
Скоба верхняя
Количество на схеме: 2
Информация
Скоба верхняя
Количество
2
Модель
256Б
Группа
Двигатель
Подгруппа
Подогреватель пусковой двигателя
Порядковый номер детали
661
52
52
Артикул: 201454-П29
в наличии
Болт М8х1,25х16
Количество на схеме: 3
Информация
Болт М8х1,25х16
Количество
3
Покрытие
цинкование и пассивирование (цинковое с хроматированием)
Болт М8х1.25х16 ЗИЛ-130 крепление кронштейна радиатора масл., ГАЗ-31029 фиксатора штоков КПП
Артикул: 201454-П29
Болт М8х1.25х16 ЗИЛ-130 крепление кронштейна радиатора масл., ГАЗ-31029 фиксатора штоков КПП
Код для заказа: 00005973
Цена: 26 ₽/шт.
Под заказ
Болт М8х1.25х16 ЗИЛ-130 крепление кронштейна радиатора масл., ГАЗ-31029 фиксатора штоков КПП
Артикул: 201454-П29
Код для заказа: 00005973
Болт М8х1.25х16 ЗИЛ-130 крепление кронштейна радиатора масл., ГАЗ-31029 фиксатора штоков КПП
Цена: 26 ₽/шт.
Под заказ
53
53
Артикул: 643701-1015034
нет в наличии
Труба к левому блоку
Количество на схеме: 1
Информация
Труба к левому блоку
Количество
1
Модель
643701
Группа
Двигатель
Подгруппа
Подогреватель пусковой двигателя
Порядковый номер детали
034
54
54
Артикул: 201458-П29
в наличии
Болт М8х1,25х25
Количество на схеме: 2
Информация
Болт М8х1,25х25
Количество
2
Покрытие
цинкование и пассивирование (цинковое с хроматированием)
Болт М8х1.25х25 ЗИЛ-433360 кронштейна радиатора масляного, ГАЗ-2410 крепление ГЦС ЭТНА
Артикул: 201458-П29
Болт М8х1.25х25 ЗИЛ-433360 кронштейна радиатора масляного, ГАЗ-2410 крепление ГЦС ЭТНА
Код для заказа: 00023015
Цена: 9 ₽/шт.
Под заказ
Болт М8х1.25х25 ЗИЛ-433360 кронштейна радиатора масляного, ГАЗ-2410 крепление ГЦС ЭТНА
Артикул: 201458-П29
Код для заказа: 00023015
Болт М8х1.25х25 ЗИЛ-433360 кронштейна радиатора масляного, ГАЗ-2410 крепление ГЦС ЭТНА
Цена: 9 ₽/шт.
Под заказ
55
55
Артикул: 347972-П29
нет в наличии
Кляммер 32
Количество на схеме: 2
Информация
Кляммер 32
Количество
2
Покрытие
цинкование и пассивирование (цинковое с хроматированием)
56
56
Артикул: 256-1015071-11
нет в наличии
Крышка
Количество на схеме: 1
Информация
Крышка
Количество
1
Модель
256
Группа
Двигатель
Подгруппа
Подогреватель пусковой двигателя
Порядковый номер детали
071
Дополнительно
Не взаимозаменяема с деталью, выпущенной ранее под этим же номером
57
57
Артикул: 256-1015070-02
нет в наличии
Крышка в сборе
Количество на схеме: 1
Информация
Крышка в сборе
Количество
1
Модель
256
Группа
Двигатель
Подгруппа
Подогреватель пусковой двигателя
Порядковый номер детали
070
58
58
Артикул: 256-1015072-А
нет в наличии
Прокладка
Количество на схеме: 1
Информация
Прокладка
Количество
1
Модель
256
Группа
Двигатель
Подгруппа
Подогреватель пусковой двигателя
Порядковый номер детали
072
59
59
Артикул: 6437-1015065
нет в наличии
Труба заливная
Количество на схеме: 1
Информация
Труба заливная
Количество
1
Модель
6437
Группа
Двигатель
Подгруппа
Подогреватель пусковой двигателя
Порядковый номер детали
065
60
60
Артикул: 250-1303027
нет в наличии
Лента стяжного хомута
Количество на схеме: 16
Информация
Лента стяжного хомута
Количество
16
Модель
250
Группа
Система охлаждения
Подгруппа
Трубопроводы и шланги системы охлаждения
Порядковый номер детали
027
61
61
Артикул: 250-1015116-02
нет в наличии
Балка крепления подогревателя
Количество на схеме: 1
Информация
Балка крепления подогревателя
Количество
1
Модель
250
Группа
Двигатель
Подгруппа
Подогреватель пусковой двигателя
Порядковый номер детали
116
62
62
Артикул: 202149-П29
нет в наличии
Болт М16х1,5х60
Количество на схеме: 2
Информация
Болт М16х1,5х60
Количество
2
Покрытие
цинкование и пассивирование (цинковое с хроматированием)
63
63
Артикул: 260-4501222-01
нет в наличии
Пластина
Количество на схеме: 2
Информация
Пластина
Количество
2
Модель
260
Группа
Лебедка
Подгруппа
Лебедка
Порядковый номер детали
222
64
64
Артикул: 250561-П29
нет в наличии
Гайка М16х1,5
Количество на схеме: 4
Информация
Гайка М16х1,5
Количество
4
Покрытие
цинкование и пассивирование (цинковое с хроматированием)
65
65
Артикул: 252017-П29
нет в наличии
Шайба 16
Количество на схеме: 2
Информация
Шайба 16
Количество
2
Покрытие
цинкование и пассивирование (цинковое с хроматированием)
66
66
Артикул: 252139-П2
в наличии
Шайба 16 пружинная
Количество на схеме: 2
Информация
Шайба 16 пружинная
Количество
2
Покрытие
фосфатирование и промасливание
Шайба 16 пружинная подвески двигателя УРАЛ (АО АЗ УРАЛ)
Артикул: 252139-П2
Шайба 16 пружинная подвески двигателя УРАЛ (АО АЗ УРАЛ)
Код для заказа: 00062994
Цена: 12 ₽/шт.
Под заказ
Шайба 16 пружинная подвески двигателя УРАЛ (АО АЗ УРАЛ)
Артикул: 252139-П2
Код для заказа: 00062994
Шайба 16 пружинная подвески двигателя УРАЛ (АО АЗ УРАЛ)
Цена: 12 ₽/шт.
Под заказ
67
67
Артикул: 252005-П29
в наличии
Шайба 8
Количество на схеме: 1
Информация
Шайба 8
Количество
1
Покрытие
цинкование и пассивирование (цинковое с хроматированием)
Шайба 8.0 УРАЛ кабины (АО АЗ УРАЛ)
Артикул: 252005-П29
Шайба 8.0 УРАЛ кабины (АО АЗ УРАЛ)
Код для заказа: 00006120
Цена: 17 ₽/шт.
Под заказ
Шайба 8.0 УРАЛ кабины (АО АЗ УРАЛ)
Артикул: 252005-П29
Код для заказа: 00006120
Шайба 8.0 УРАЛ кабины (АО АЗ УРАЛ)
Цена: 17 ₽/шт.
Под заказ
68
68
Артикул: 260-1015186
нет в наличии
Кронштейн
Количество на схеме: 1
Информация
Кронштейн
Количество
1
Модель
260
Группа
Двигатель
Подгруппа
Подогреватель пусковой двигателя
Порядковый номер детали
186
69
69
Артикул: 256-1015022
нет в наличии
Хомут крепления подогревателя
Количество на схеме: 2
Информация
Хомут крепления подогревателя
Количество
2
Модель
256
Группа
Двигатель
Подгруппа
Подогреватель пусковой двигателя
Порядковый номер детали
022
71
71
Артикул: 256-1015018-А
нет в наличии
Втулка
Количество на схеме: 2
Информация
Втулка
Количество
2
Модель
256
Группа
Двигатель
Подгруппа
Подогреватель пусковой двигателя
Порядковый номер детали
018
71
71
Артикул: 256-1015023
нет в наличии
Сухарь хомута
Количество на схеме: 2
Информация
Сухарь хомута
Количество
2
Модель
256
Группа
Двигатель
Подгруппа
Подогреватель пусковой двигателя
Порядковый номер детали
023
72
72
Артикул: 256-1015024
нет в наличии
Сухарь болта
Количество на схеме: 2
Информация
Сухарь болта
Количество
2
Модель
256
Группа
Двигатель
Подгруппа
Подогреватель пусковой двигателя
Порядковый номер детали
024
73
73
Артикул: 200272-П29
нет в наличии
Болт М8х1,25х65
Количество на схеме: 2
Информация
Болт М8х1,25х65
Количество
2
Покрытие
цинкование и пассивирование (цинковое с хроматированием)
74
74
Артикул: 6443-1015133
нет в наличии
Кронштейн крепления кожуха левый
Количество на схеме: 1
Информация
Кронштейн крепления кожуха левый
Количество
1
Модель
6443
Группа
Двигатель
Подгруппа
Подогреватель пусковой двигателя
Порядковый номер детали
133
75
75
Артикул: 6443-1015132
нет в наличии
Кронштейн крепления кожуха правый
Количество на схеме: 1
Информация
Кронштейн крепления кожуха правый
Количество
1
Модель
6443
Группа
Двигатель
Подгруппа
Подогреватель пусковой двигателя
Порядковый номер детали
132
76
76
Артикул: 6437-1015082
нет в наличии
Труба заливная промежуточная
Количество на схеме: 1
Информация
Труба заливная промежуточная
Количество
1
Модель
6437
Группа
Двигатель
Подгруппа
Подогреватель пусковой двигателя
Порядковый номер детали
082
77
77
Артикул: 256Б-1015148
нет в наличии
Шланг соединительный
Количество на схеме: 1
Информация
Шланг соединительный
Количество
1
Модель
256Б
Группа
Двигатель
Подгруппа
Подогреватель пусковой двигателя
Порядковый номер детали
148
78
78
Артикул: 250-1015114
нет в наличии
Кронштейн котла подогревателя
Количество на схеме: 2
Информация
Кронштейн котла подогревателя
Количество
2
Модель
250
Группа
Двигатель
Подгруппа
Подогреватель пусковой двигателя
Порядковый номер детали
114
79
79
Артикул: 260-1015343-20
нет в наличии
Трубка от насоса к клапану
Количество на схеме: 1
Информация
Трубка от насоса к клапану
Количество
1
Модель
260
Группа
Двигатель
Подгруппа
Подогреватель пусковой двигателя
Порядковый номер детали
343
Дополнительно
Не взаимозаменяема с деталью, выпущенной ранее под этим же номером
80
80
Артикул: 6443-1015108
нет в наличии
Кожух защитный
Количество на схеме: 1
Информация
Кожух защитный
Количество
1
Модель
6443
Группа
Двигатель
Подгруппа
Подогреватель пусковой двигателя
Порядковый номер детали
108
80
80
Артикул: ПЖД-44МБУ
нет в наличии
Подогреватель предпусковой (комплект)
Количество на схеме: 1
Информация
Подогреватель предпусковой (комплект)
Количество
1
81
81
Артикул: 256Б1-1015206
нет в наличии
Хомут
Количество на схеме: 1
Информация
Хомут
Количество
1
Модель
256Б1
Группа
Двигатель
Подгруппа
Подогреватель пусковой двигателя
Порядковый номер детали
206
83
83
Артикул: 201505-П29
нет в наличии
Болт М10х1,5х45
Количество на схеме: 2
Информация
Болт М10х1,5х45
Количество
2
Покрытие
цинкование и пассивирование (цинковое с хроматированием)
84
84
Артикул: 256-1302139
нет в наличии
Подушка крепления радиатора малая
Количество на схеме: 2
Информация
Подушка крепления радиатора малая
Количество
2
Модель
256
Группа
Система охлаждения
Подгруппа
Подвеска радиатора
Порядковый номер детали
139
  • Грузовые автомобили
  • Автобусы
  • Сельхозтехника
  • Спецтехника
  • Двигатели
Получить оптовый прайс-лист
Скачать прайс-лист от 07.05.2026 16:00
Специальное предложение от 07.05.2026 17:00
Производители:


  • WEICHAI
  • Автодизель ПАО (ЯМЗ)
  • Тутаевский МЗ
  • ЯЗДА
  • УралАЗ
  • МАЗ
  • АЗПИ
  • BOSCH
  • ММЗ
  • ШААЗ
  • FEDERAL MOGUL
  • ПРАМО
  • Мотордеталь
  • ТАИМ
  • АвтоКрАЗ
  • БЕЛКАРД
  • CZ Strakonice
  • КамАЗ
  • БЗА
  • ЧМЗ
  • BMZ
Новости
Все новости
25 марта 2024
Флагманский седельный тягач «Валдай 45» на выставке «TransRussia»
10 марта 2024
Современные автобусы «CITYMAX 9» и ЛиАЗ-5292 CNG
25 февраля 2024
Серийное производство средних дизельных двигателей повышенной мощности от ЯМЗ
Статьи
Все статьи
Датчики двигателя: за что они отвечают, признаки неисправности и как не прогадать с выбором
Двигатели ЯМЗ-534: история, технические характеристики и области применения
Двигатели ЯМЗ 650: углублённый технический обзор и история
Компания
О компании
Реквизиты
Новости
Политика
Магазины
Информация
Условия оплаты
Условия доставки
Гарантия на товар
Обмен и возврат товара
Помощь
Как оформить заказ
Полезные статьи
Бренды
Пункты выдачи
Оставайтесь на связи
  • Вконтакте
  • YouTube
  • Одноклассники
  • Google Plus
Увидели ошибку?
Выделите, нажав Ctrl + Enter
Наши контакты
8-800-700-35-68
sales@din76.ru
г. Ярославль, Ленинградский пр-т 33, ТЦ "ОМЕГА"
2026 © ООО «Динамика 76» - Все права защищены ООО "Динамика 76"
Предложения на сайте не являются публичной офертой.
На сайте обнаружена ошибка

Текст с ошибкой