Избранное 0 Корзина 0 Личный кабинет
logo
Каталог
Каталог
  • Справочник
    • Грузовые автомобили
    • Автобусы
    • Сельхозтехника
    • Спецтехника
    • Двигатели
  • Доставка
  • Оплата
  • О компании
    • Реквизиты
    • Магазины
    • Оплата
    • Доставка
    • Лицензии и сертификаты
    • Новости
    • Вакансии
  • Контакты
Отправить заявку
Личный кабинет
8 (800) 700-35-68
sales@din76.ru
Избранное 0 Корзина 0
8 (800) 700-35-68
Оптовый прайс-лист
Каталог
  • Двигатели
  • Запчасти WEICHAI
  • Запчасти ЯМЗ, ТМЗ (V-образные)
  • Запчасти ЯМЗ-534, ЯМЗ-536
  • Запчасти ЯМЗ-650, ЯМЗ-651, DCi-11
  • Топливная аппаратура
  • Запчасти УРАЛ
  • Запчасти МАЗ
  • Запчасти КамАЗ
  • Запчасти ММЗ
  • Ремни
Автокаталог (справочник)
  • Доставка
  • Оплата
  • О компании
  • Контакты
8 (800) 700-35-68
Написать в Whatsapp
sales@din76.ru
Динамика 76
Меню  
  • Каталог
    • Двигатели  
      • Двигатели ТМЗ  
        • Двигатели ТМЗ для автомобилей
        • Двигатели ТМЗ для тракторов
        • Специальные двигатели ТМЗ
        • Промышленные двигатели ТМЗ
      • Двигатели ЯМЗ  
        • ЯМЗ 236
        • ЯМЗ 238
        • ЯМЗ 240
        • ЯМЗ 751
        • ЯМЗ 840
        • ЯМЗ 850
        • ЯМЗ 656
        • ЯМЗ 658
        • ЯМЗ 534
        • ЯМЗ 536
        • ЯМЗ 650
        • Двигатели ЯМЗ для электростанций
      • Двигатели КАМАЗ
      • Двигатели ММЗ
      • Двигатели индивидуальной сборки
      • Комплекты переоборудования
    • Запчасти WEICHAI  
      • Основные запчасти двигателя  
        • Клапаны и толкатели
        • Шатуны
        • Вал коленчатый и маховик
        • Вал распределительный
        • Цилиндро-поршневая группа
      • Система питания  
        • Форсунки
        • Турбокомпрессор
      • Система смазки  
        • Насос масляный
      • Головка блока
      • Ремкомплекты
      • Система охлаждения  
        • Насос водяной
        • Муфта вязкостная и крыльчатка
      • Фильтры
      • Электрооборудование  
        • Генератор
        • Стартер
    • Запчасти ЯМЗ, ТМЗ (V-образные)  
      • Основные запчасти двигателя  
        • Блок двигателя и комплектующие
        • Валы распределительные и клапаны
        • Головка блока и комплектующие
        • Цилиндро-поршневая группа
        • Маховики и комплектующие
        • Валы коленчатые и комплектующие
        • Шатуны и комплектующие
      • Система питания  
        • Коллекторы и патрубки
        • Топливные трубопроводы
        • Турбокомпрессор
        • Топливные фильтры
      • Электрооборудование двигателя
      • Система охлаждения  
        • Вязкостные муфты и крыльчатки
        • Приводы вентилятора
        • Водяные насосы
        • Водяные трубы и термостаты
      • Коробки переключения передач  
        • 8 Ступенчатые КПП
        • 5 Ступенчатые КПП
        • 9 Ступенчатые КПП
        • Запасные части КПП ЯМЗ, ТМЗ
      • Система смазки  
        • Теплообменник и комплектующие
        • Масляные насосы
        • Фильтры масляные (ФГОМ, ФЦОМ)
      • Сцепление  
        • Запасные части механизма сцепления
        • Муфты (подшипники выжимные)
        • Корзины (диски нажимные)
        • Диски ведомые
      • Прочие запчасти двигателя  
        • Ремкомплекты
        • Привод агрегатов
        • Натяжные устройства
        • Трубки
    • Запчасти ЯМЗ-534, ЯМЗ-536  
      • Основные запчасти двигателя  
        • Цилиндро-поршневая группа
        • Головка блока цилиндров и комплектующие
        • Блок цилиндров и комплектующие
        • Вал коленчатый и маховик
        • Вал распределительный
        • Клапаны и толкатели
        • ГУР (Гидроусилитель руля)
        • Система рециркуляции отработавших газов
        • Выпускной коллектор
      • Система питания  
        • Коллекторы и патрубки
        • Топливные фильтры
        • Турбокомпрессор
        • Топливные трубопроводы
      • Система смазки  
        • Масляный картер поддон
        • Масляный насос
        • Теплообменник /Водо-масляный радиатор
        • Фильтры масляные (ФГОМ, ФЦОМ)
      • Пневмокомпрессор и натяжное
      • Система охлаждения  
        • Водяной насос
        • Водяные трубы и патрубки
        • Муфты вязкостные, приводы, крыльчатки
      • Ремкомплекты
      • Сцепление
      • Электрооборудование
    • Запчасти ЯМЗ-650, ЯМЗ-651, DCi-11  
      • Основные запчасти двигателя  
        • Цилиндро-поршневая группа
        • Головка блока цилиндров и комплектующие
        • Блок цилиндров и комплектующие
        • Вал коленчатый и маховик
        • Выпускной коллектор
        • Вал распределительный
        • Клапаны и толкатели
        • ГУР (Гидроусилитель руля)
        • Система рециркуляции отработавших газов
      • Система питания  
        • Коллекторы и патрубки
        • Топливные трубопроводы
        • Топливные фильтры
        • Турбокомпрессор
      • Система смазки  
        • Масляный картер / поддон
        • Масляный насос
        • Теплообменник / Водо-масляный радиатор
        • Фильтры масляные (ФГОМ, ФЦОМ)
      • Система охлаждения  
        • Водяной насос
        • Водяные трубы и патрубки
        • Муфты вязкостные, приводы, крыльчатки
      • Ремкомплекты
      • Пневмокомпрессор и натяжное
      • Электрооборудование
      • Сцепление
    • Топливная аппаратура  
      • ЯЗДА  
        • Распылители
        • ТНВД
        • Форсунки
        • Топливный насос низкого давления
        • Пары плунжерные
        • Муфта опережения впрыска топлива
        • Запчасти и комплектующие ТНВД
      • НЗТА
      • АЗПИ  
        • Распылители
        • Форсунки
      • BOSCH
    • Запчасти УРАЛ  
      • Трансмиссия  
        • Коробка раздаточная
        • Передача карданная
        • Мост задний
        • Мост передний (ведущий)
        • Мост средний (промежуточный)
      • Кузов  
        • Дверь кабины
        • Капот, крылья, облицовка радиатора
        • Окно ветровое и заднее
        • Отопление и вентиляция кабины
        • Кабина
      • Механизмы управления  
        • Управление рулевое
        • Тормоза
      • Дополнительное оборудование  
        • Отбор мощности
        • Устройство седельное
      • Электрооборудование
      • Ходовая часть  
        • Колеса и ступицы
        • Ось передняя
        • Подвеска автомобиля
        • Рама
    • Запчасти МАЗ  
      • Трансмиссия  
        • Мост задний
        • Мост передний (ведущий)
        • Передача карданная
        • Мост средний (промежуточный)
      • Кузов  
        • Кабина
        • Дверь кабины
        • Детали основания кабины
        • Окно ветровое и заднее
        • Платформа
      • Механизмы управления  
        • Тормоза
        • Управление рулевое
      • Ходовая часть  
        • Колеса и ступицы
        • Ось передняя
        • Подвеска автомобиля
        • Рама
    • Запчасти КамАЗ  
      • Кузов  
        • Кабина
        • Капот, крылья, облицовка радиатора
        • Дверь кабины
        • Платформа
        • Окно ветровое и заднее
        • Устройство подъемное и опрокидывающее
        • Сиденье
        • Крыша кабины (крыша кузова)
        • Отопление и вентиляция кабины
      • Трансмиссия  
        • Коробка передач
        • Коробка раздаточная
        • Мост задний
        • Сцепление
        • Мост средний (промежуточный)
        • Передача карданная
        • Мост передний (ведущий)
      • Двигатель  
        • Основные запчасти двигателя
        • Система охлаждения
        • Система питания
        • Система смазки
      • Дополнительное оборудование  
        • Отбор мощности
        • Устройство седельное
      • Ходовая часть  
        • Подвеска автомобиля
        • Рама
        • Колеса и ступицы
        • Ось передняя
      • Механизмы управления  
        • Тормоза
        • Управление рулевое
      • Электрооборудование
    • Запчасти ММЗ
    • Ремни
  • Справочник
    • Грузовые автомобили
    • Автобусы
    • Сельхозтехника
    • Спецтехника
    • Двигатели
  • Как купить
    • Условия оплаты
    • Условия доставки
    • Гарантия на товар
    • Пункты выдачи
  • Услуги
    • Капитальный ремонт двигателей ЯМЗ
  • Акции
  • Статьи
  • Контакты
  • Компания
    • Реквизиты
    • Магазины
    • Оплата
    • Доставка
    • Лицензии и сертификаты
    • Новости
    • Вакансии
Избранное 0 Корзина 0
8-800-700-35-68

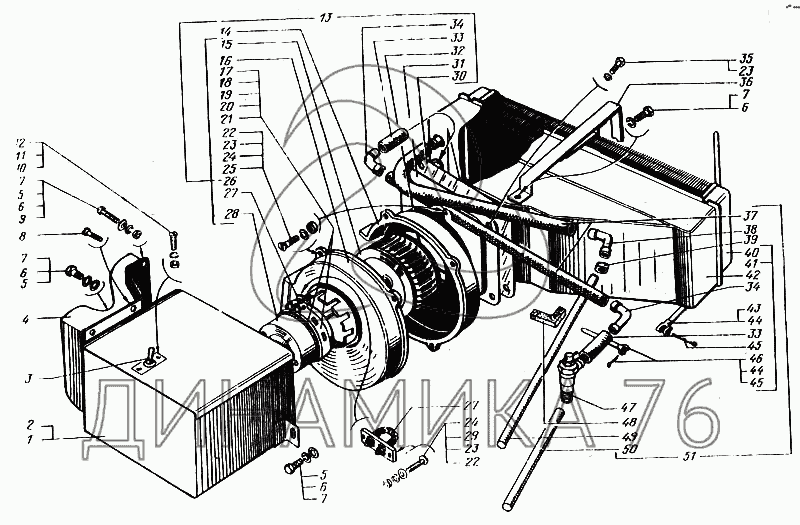
Отопитель кабины дополнительный и шланги на КрАЗ-6443

Справочник
Главная
-
Автокаталог
-
Грузовые автомобили и прицепы
-
КрАЗ
-
КрАЗ-6443
Справочный каталог

Отопитель кабины дополнительный и шланги — КрАЗ-6443:

250С-5107144 6437-5107128 6437-5107130 6437-5107148 6503-3741016 1 2 3 4 5 5 5 6 6 6 6 7 7 7 7 8 9 10 11 12 13 14 15 16 17 18 19 20 21 22 22 23 23 23 24 24 25 26 27 27 28 29 30 31 32 33 33 34 34 35 36 37 38 39 40 41 42 43 44 44 45 45 46 47 48 49 50 51
в наличии
нет в наличии
масштаб

В наличии
Нет в наличии

Перечень комплектующих от Отопитель кабины дополнительный и шланги на КрАЗ-6443

Схемы запчастей предназначены для справочных целей! Мы продаем не все запчасти от Отопитель кабины дополнительный и шланги на КрАЗ-6443, представленные в этом списке.
Наличие на складах по деталям с ценой смотрите в карточке товара.
Артикул: 250С-5107144
нет в наличии
Утеплитель крышки заднего люка
Количество на схеме: 1
Информация
Утеплитель крышки заднего люка
Количество
1
Примечание
10
Модель
250С
Группа
Детали основания (пола) кабины (Пол кузова)
Подгруппа
Кожух пола
Порядковый номер детали
144
Артикул: 6437-5107128
нет в наличии
Крышка заднего люка пола в сборе
Количество на схеме: 1
Информация
Крышка заднего люка пола в сборе
Количество
1
Примечание
10
Модель
6437
Группа
Детали основания (пола) кабины (Пол кузова)
Подгруппа
Кожух пола
Порядковый номер детали
128
Артикул: 6437-5107130
нет в наличии
Крышка заднего люка пола с подводящим патрубком в сборе
Количество на схеме: 1
Информация
Крышка заднего люка пола с подводящим патрубком в сборе
Количество
1
Примечание
10
Модель
6437
Группа
Детали основания (пола) кабины (Пол кузова)
Подгруппа
Кожух пола
Порядковый номер детали
130
Артикул: 6437-5107148
нет в наличии
Прокладка крышки заднего люка
Количество на схеме: 1
Информация
Прокладка крышки заднего люка
Количество
1
Примечание
10
Модель
6437
Группа
Детали основания (пола) кабины (Пол кузова)
Подгруппа
Кожух пола
Порядковый номер детали
148
Артикул: 6503-3741016
нет в наличии
Кожух отопителя с приборами
Количество на схеме: 1
Информация
Кожух отопителя с приборами
Количество
1
Модель
6503
Группа
Электрооборудование
Подгруппа
Электрооборудование предпускового подогревателя
Порядковый номер детали
016
1
1
Артикул: 6503-3741016
нет в наличии
Кожух отопителя с приборами
Информация
Кожух отопителя с приборами
Группа
Электрооборудование
Подгруппа
Электрооборудование предпускового подогревателя
Порядковый номер детали
016
2
2
Артикул: 6503-8110186
нет в наличии
Кожух дополнительного отопителя
Количество на схеме: 1
Информация
Кожух дополнительного отопителя
Количество
1
Модель
6503
Группа
Отопление и вентиляция кабины
Подгруппа
Отопление кузова заднее
Порядковый номер детали
186
3
3
Артикул: 5102-3709010
нет в наличии
Переключатель отопителя
Количество на схеме: 1
Информация
Переключатель отопителя
Количество
1
Модель
5102
Группа
Электрооборудование
Подгруппа
Переключатели электрические (переключатель света центральный)
Порядковый номер детали
010
4
4
Артикул: 6437-8110194
нет в наличии
Воздуховод дополнительного отопителя
Количество на схеме: 1
Информация
Воздуховод дополнительного отопителя
Количество
1
Модель
6437
Группа
Отопление и вентиляция кабины
Подгруппа
Отопление кузова заднее
Порядковый номер детали
194
5
5
Артикул: 252005-П29
в наличии
Шайба 8
Количество на схеме: 5
Информация
Шайба 8
Количество
5
Покрытие
цинкование и пассивирование (цинковое с хроматированием)
Шайба 8.0 УРАЛ кабины (АО АЗ УРАЛ)
Артикул: 252005-П29
Шайба 8.0 УРАЛ кабины (АО АЗ УРАЛ)
Код для заказа: 00006120
Цена: 17 ₽/шт.
Под заказ
Шайба 8.0 УРАЛ кабины (АО АЗ УРАЛ)
Артикул: 252005-П29
Код для заказа: 00006120
Шайба 8.0 УРАЛ кабины (АО АЗ УРАЛ)
Цена: 17 ₽/шт.
Под заказ
6
6
Артикул: 252135-П2
в наличии
Шайба 8 пружинная
Количество на схеме: 6
Информация
Шайба 8 пружинная
Количество
6
Покрытие
фосфатирование и промасливание
Шайба 8х2.5 ЯМЗ заглушки блока цилиндров АВТОДИЗЕЛЬ
Артикул: 252135-П2
Шайба 8х2.5 ЯМЗ заглушки блока цилиндров АВТОДИЗЕЛЬ
Код для заказа: 00006017
Цена: 3 ₽/шт.
Под заказ
Шайба 8х2.5 ЯМЗ заглушки блока цилиндров АВТОДИЗЕЛЬ
Артикул: 252135-П2
Код для заказа: 00006017
Шайба 8х2.5 ЯМЗ заглушки блока цилиндров АВТОДИЗЕЛЬ
Цена: 3 ₽/шт.
Под заказ
7
7
Артикул: 201454-П29
в наличии
Болт М8х1,25х16
Количество на схеме: 16
Информация
Болт М8х1,25х16
Количество
16
Покрытие
цинкование и пассивирование (цинковое с хроматированием)
Болт М8х1.25х16 ЗИЛ-130 крепление кронштейна радиатора масл., ГАЗ-31029 фиксатора штоков КПП
Артикул: 201454-П29
Болт М8х1.25х16 ЗИЛ-130 крепление кронштейна радиатора масл., ГАЗ-31029 фиксатора штоков КПП
Код для заказа: 00005973
Цена: 26 ₽/шт.
Под заказ
Болт М8х1.25х16 ЗИЛ-130 крепление кронштейна радиатора масл., ГАЗ-31029 фиксатора штоков КПП
Артикул: 201454-П29
Код для заказа: 00005973
Болт М8х1.25х16 ЗИЛ-130 крепление кронштейна радиатора масл., ГАЗ-31029 фиксатора штоков КПП
Цена: 26 ₽/шт.
Под заказ
8
8
Артикул: 240836-П29
нет в наличии
Винт М5х12
Количество на схеме: 2
Информация
Винт М5х12
Количество
2
Покрытие
цинкование и пассивирование (цинковое с хроматированием)
9
9
Артикул: 250510-П29
нет в наличии
Гайка М8
Количество на схеме: 3
Информация
Гайка М8
Количество
3
Покрытие
цинкование и пассивирование (цинковое с хроматированием)
10
10
Артикул: 250462-П29
нет в наличии
Гайка М4х0,7
Количество на схеме: 2
Информация
Гайка М4х0,7
Количество
2
Покрытие
цинкование и пассивирование (цинковое с хроматированием)
11
11
Артикул: 252132-П2
нет в наличии
Шайба 4
Количество на схеме: 2
Информация
Шайба 4
Количество
2
Покрытие
фосфатирование и промасливание
12
12
Артикул: 220052-П29
нет в наличии
Винт М4х0,7х12
Количество на схеме: 2
Информация
Винт М4х0,7х12
Количество
2
Покрытие
цинкование и пассивирование (цинковое с хроматированием)
13
13
Артикул: 6503-8110174
нет в наличии
Панель с вентилятором в сборе
Количество на схеме: 1
Информация
Панель с вентилятором в сборе
Количество
1
Модель
6503
Группа
Отопление и вентиляция кабины
Подгруппа
Отопление кузова заднее
Порядковый номер детали
174
14
14
Артикул: 250-8102024-40
нет в наличии
Кожух вентилятора обогрева ветрового стекла
Количество на схеме: 1
Информация
Кожух вентилятора обогрева ветрового стекла
Количество
1
Модель
250
Группа
Отопление и вентиляция кабины
Подгруппа
Обогрев ветрового стекла
Порядковый номер детали
024
Дополнительно
Не взаимозаменяема с деталью, выпущенной ранее под этим же номером
15
15
Артикул: 250-8102030
нет в наличии
Ротор вентилятора со втулкой в сборе
Количество на схеме: 1
Информация
Ротор вентилятора со втулкой в сборе
Количество
1
Модель
250
Группа
Отопление и вентиляция кабины
Подгруппа
Обогрев ветрового стекла
Порядковый номер детали
030
16
16
Артикул: 250-8102022-40
нет в наличии
Крышка кожуха вентилятора
Количество на схеме: 1
Информация
Крышка кожуха вентилятора
Количество
1
Модель
250
Группа
Отопление и вентиляция кабины
Подгруппа
Обогрев ветрового стекла
Порядковый номер детали
022
Дополнительно
Не взаимозаменяема с деталью, выпущенной ранее под этим же номером
17
17
Артикул: 250-8102021
нет в наличии
Хомут
Количество на схеме: 1
Информация
Хомут
Количество
1
Модель
250
Группа
Отопление и вентиляция кабины
Подгруппа
Обогрев ветрового стекла
Порядковый номер детали
021
18
18
Артикул: 214Б-1303032-Б
нет в наличии
Сухарь хомута
Количество на схеме: 1
Информация
Сухарь хомута
Количество
1
Модель
214Б
Группа
Система охлаждения
Подгруппа
Трубопроводы и шланги системы охлаждения
Порядковый номер детали
032
19
19
Артикул: 214Б-1303033-Б
нет в наличии
Сухарь хомута упорный
Количество на схеме: 1
Информация
Сухарь хомута упорный
Количество
1
Модель
214Б
Группа
Система охлаждения
Подгруппа
Трубопроводы и шланги системы охлаждения
Порядковый номер детали
033
20
20
Артикул: 349005-П29
нет в наличии
Винт М5х48
Количество на схеме: 1
Информация
Винт М5х48
Количество
1
Покрытие
цинкование и пассивирование (цинковое с хроматированием)
21
21
Артикул: 6505-8102232-10
нет в наличии
Прокладка электродвигателя вентилятора
Количество на схеме: 1
Информация
Прокладка электродвигателя вентилятора
Количество
1
Модель
6505
Группа
Отопление и вентиляция кабины
Подгруппа
Обогрев ветрового стекла
Порядковый номер детали
232
Дополнительно
Не взаимозаменяема с деталью, выпущенной ранее под этим же номером
22
22
Артикул: 250508-П29
в наличии
Гайка М6-6Н
Количество на схеме: 9
Информация
Гайка М6-6Н
Количество
9
Покрытие
цинкование и пассивирование (цинковое с хроматированием)
ГАЙКА М6-6Н.6.16 (ЯМЗ)
Артикул: 250508-П29
ГАЙКА М6-6Н.6.16 (ЯМЗ)
Код для заказа: 00006006
Цена: 13 ₽/шт.
Под заказ
ГАЙКА М6-6Н.6.16 (ЯМЗ)
Артикул: 250508-П29
Код для заказа: 00006006
ГАЙКА М6-6Н.6.16 (ЯМЗ)
Цена: 13 ₽/шт.
Под заказ
23
23
Артикул: 252134-П2
в наличии
Шайба 6 пружинная
Количество на схеме: 13
Информация
Шайба 6 пружинная
Количество
13
Покрытие
фосфатирование и промасливание
ШАЙБА 6Х2 (ЯМЗ)
Артикул: 252134-П2
ШАЙБА 6Х2 (ЯМЗ)
Код для заказа: 00006016
Цена: 3 ₽/шт.
Под заказ
ШАЙБА 6Х2 (ЯМЗ)
Артикул: 252134-П2
Код для заказа: 00006016
ШАЙБА 6Х2 (ЯМЗ)
Цена: 3 ₽/шт.
Под заказ
24
24
Артикул: 220109-П29
нет в наличии
Винт М6х1х25
Количество на схеме: 6
Информация
Винт М6х1х25
Количество
6
Покрытие
цинкование и пассивирование (цинковое с хроматированием)
25
25
Артикул: 220105-П29
в наличии
Винт М6х1х16
Количество на схеме: 3
Информация
Винт М6х1х16
Количество
3
Покрытие
цинкование и пассивирование (цинковое с хроматированием)
Винт М6х1.0х16 ГАЗ, ЗИЛ, КРАЗ, МАЗ, УАЗ, УРАЛ, полукруг многоцелевой ЭТНА
Артикул: 220105-П29
Винт М6х1.0х16 ГАЗ, ЗИЛ, КРАЗ, МАЗ, УАЗ, УРАЛ, полукруг многоцелевой ЭТНА
Код для заказа: 00025573
Цена: 4 ₽/шт.
Под заказ
Винт М6х1.0х16 ГАЗ, ЗИЛ, КРАЗ, МАЗ, УАЗ, УРАЛ, полукруг многоцелевой ЭТНА
Артикул: 220105-П29
Код для заказа: 00025573
Винт М6х1.0х16 ГАЗ, ЗИЛ, КРАЗ, МАЗ, УАЗ, УРАЛ, полукруг многоцелевой ЭТНА
Цена: 4 ₽/шт.
Под заказ
26
26
Артикул: 6505-8102020
нет в наличии
Вентилятор с крышкой кожуха в сборе
Количество на схеме: 1
Информация
Вентилятор с крышкой кожуха в сборе
Количество
1
Модель
6505
Группа
Отопление и вентиляция кабины
Подгруппа
Обогрев ветрового стекла
Порядковый номер детали
020
27
27
Артикул: СЭ300-8102100
нет в наличии
Сопротивление дополнительное
Количество на схеме: 1
Информация
Сопротивление дополнительное
Количество
1
Модель
СЭ300
Группа
Отопление и вентиляция кабины
Подгруппа
Обогрев ветрового стекла
Порядковый номер детали
100
28
28
Артикул: МЭ250-3730000-УХЛ
нет в наличии
Электродвигатель
Количество на схеме: 1
Информация
Электродвигатель
Количество
1
Модель
МЭ250
Группа
Электрооборудование
Подгруппа
Электродвигатели (электродвигатель отопителя) или розетка прицепа штепсельная
Порядковый номер детали
000
29
29
Артикул: 252004-П29
в наличии
Шайба 6
Количество на схеме: 2
Информация
Шайба 6
Количество
2
Покрытие
цинкование и пассивирование (цинковое с хроматированием)
Шайба 6.0 УРАЛ кабины (АО АЗ УРАЛ)
Артикул: 252004-П29
Шайба 6.0 УРАЛ кабины (АО АЗ УРАЛ)
Код для заказа: 00002895
Цена: 12 ₽/шт.
В наличии: 41 шт.
- +
В корзинуВ корзине
Шайба 6.0 УРАЛ кабины (АО АЗ УРАЛ)
Артикул: 252004-П29
Код для заказа: 00002895
Шайба 6.0 УРАЛ кабины (АО АЗ УРАЛ)
Цена: 12 ₽/шт.
В наличии: 41 шт.
- +
В корзинуВ корзине
30
30
Артикул: 250С-8110178
нет в наличии
Прокладка панели вентилятора
Количество на схеме: 1
Информация
Прокладка панели вентилятора
Количество
1
Модель
250С
Группа
Отопление и вентиляция кабины
Подгруппа
Отопление кузова заднее
Порядковый номер детали
178
31
31
Артикул: 250С-8110176
нет в наличии
Панель крепления кожуха вентилятора
Количество на схеме: 1
Информация
Панель крепления кожуха вентилятора
Количество
1
Модель
250С
Группа
Отопление и вентиляция кабины
Подгруппа
Отопление кузова заднее
Порядковый номер детали
176
32
32
Артикул: 250-8102029-10
нет в наличии
Прокладка кожуха вентилятора
Количество на схеме: 1
Информация
Прокладка кожуха вентилятора
Количество
1
Модель
250
Группа
Отопление и вентиляция кабины
Подгруппа
Обогрев ветрового стекла
Порядковый номер детали
029
Дополнительно
Не взаимозаменяема с деталью, выпущенной ранее под этим же номером
33
33
Артикул: 256БС-1013401
нет в наличии
Шланг соединительный
Количество на схеме: 2
Информация
Шланг соединительный
Количество
2
Модель
256БС
Группа
Двигатель
Подгруппа
Радиатор масляный
Порядковый номер детали
401
34
34
Артикул: 6437-8110200
нет в наличии
Угольник
Количество на схеме: 2
Информация
Угольник
Количество
2
Модель
6437
Группа
Отопление и вентиляция кабины
Подгруппа
Отопление кузова заднее
Порядковый номер детали
200
35
35
Артикул: 201416-П29
нет в наличии
Болт М6х1х12
Количество на схеме: 4
Информация
Болт М6х1х12
Количество
4
Покрытие
цинкование и пассивирование (цинковое с хроматированием)
36
36
Артикул: 6437-8110146
нет в наличии
Скоба крепления кожуха
Количество на схеме: 1
Информация
Скоба крепления кожуха
Количество
1
Модель
6437
Группа
Отопление и вентиляция кабины
Подгруппа
Отопление кузова заднее
Порядковый номер детали
146
37
37
Артикул: 260С-8101086
нет в наличии
Шланг
Количество на схеме: 2
Информация
Шланг
Количество
2
Модель
260С
Группа
Отопление и вентиляция кабины
Подгруппа
Отопитель (кузова)
Порядковый номер детали
086
38
38
Артикул: 6437-8110154
нет в наличии
Патрубок отводящий
Количество на схеме: 1
Информация
Патрубок отводящий
Количество
1
Модель
6437
Группа
Отопление и вентиляция кабины
Подгруппа
Отопление кузова заднее
Порядковый номер детали
154
39
39
Артикул: 200-3802045
нет в наличии
Втулка
Количество на схеме: 1
Информация
Втулка
Количество
1
Модель
200
Группа
Приборы
Подгруппа
Спидометр
Порядковый номер детали
045
40
40
Артикул: 250-8101058-01
нет в наличии
Радиатор отопителя с прокладками
Количество на схеме: 1
Информация
Радиатор отопителя с прокладками
Количество
1
Модель
250
Группа
Отопление и вентиляция кабины
Подгруппа
Отопитель (кузова)
Порядковый номер детали
058
41
41
Артикул: 6437-8110138
нет в наличии
Кожух отопителя с радиатором в сборе
Количество на схеме: 1
Информация
Кожух отопителя с радиатором в сборе
Количество
1
Модель
6437
Группа
Отопление и вентиляция кабины
Подгруппа
Отопление кузова заднее
Порядковый номер детали
138
42
42
Артикул: 6437-8110140
нет в наличии
Кожух радиатора
Количество на схеме: 1
Информация
Кожух радиатора
Количество
1
Модель
6437
Группа
Отопление и вентиляция кабины
Подгруппа
Отопление кузова заднее
Порядковый номер детали
140
43
43
Артикул: 401500-П29
нет в наличии
Лента стяжная 9,5х510
Количество на схеме: 2
Информация
Лента стяжная 9,5х510
Количество
2
Покрытие
цинкование и пассивирование (цинковое с хроматированием)
44
44
Артикул: 212А-8101092
нет в наличии
Пряжка хомута
Количество на схеме: 11
Информация
Пряжка хомута
Количество
11
Модель
212А
Группа
Отопление и вентиляция кабины
Подгруппа
Отопитель (кузова)
Порядковый номер детали
092
45
45
Артикул: 258080-П29
нет в наличии
Шплинт 5,6х25
Количество на схеме: 11
Информация
Шплинт 5,6х25
Количество
11
Покрытие
цинкование и пассивирование (цинковое с хроматированием)
46
46
Артикул: 212А-8101090
нет в наличии
Лента стяжная хомута
Количество на схеме: 9
Информация
Лента стяжная хомута
Количество
9
Модель
212А
Группа
Отопление и вентиляция кабины
Подгруппа
Отопитель (кузова)
Порядковый номер детали
090
47
47
Артикул: Кран-вентильный-сливной-тип-ВС11-0
нет в наличии
Кран вентильный сливной тип ВС11-0
Количество на схеме: 1
Информация
Кран вентильный сливной тип ВС11-0
Количество
1
48
48
Артикул: 250С-8110144
нет в наличии
Уплотнитель кожуха радиатора
Количество на схеме: 1
Информация
Уплотнитель кожуха радиатора
Количество
1
Модель
250С
Группа
Отопление и вентиляция кабины
Подгруппа
Отопление кузова заднее
Порядковый номер детали
144
49
49
Артикул: 260С-1013412-10
нет в наличии
Шланг
Количество на схеме: 1
Информация
Шланг
Количество
1
Модель
260С
Группа
Двигатель
Подгруппа
Радиатор масляный
Порядковый номер детали
412
Дополнительно
Не взаимозаменяема с деталью, выпущенной ранее под этим же номером
50
50
Артикул: 6437-8110042
нет в наличии
Шланг
Количество на схеме: 1
Информация
Шланг
Количество
1
Модель
6437
Группа
Отопление и вентиляция кабины
Подгруппа
Отопление кузова заднее
Порядковый номер детали
042
51
51
Артикул: 6437-8110010-11
нет в наличии
Отопитель дополнительный с люком
Количество на схеме: 1
Информация
Отопитель дополнительный с люком
Количество
1
Модель
6437
Группа
Отопление и вентиляция кабины
Подгруппа
Отопление кузова заднее
Порядковый номер детали
010
Дополнительно
Не взаимозаменяема с деталью, выпущенной ранее под этим же номером
  • Грузовые автомобили
  • Автобусы
  • Сельхозтехника
  • Спецтехника
  • Двигатели
Получить оптовый прайс-лист
Скачать прайс-лист от 07.05.2026 16:00
Специальное предложение от 07.05.2026 17:00
Производители:


  • WEICHAI
  • Автодизель ПАО (ЯМЗ)
  • Тутаевский МЗ
  • ЯЗДА
  • УралАЗ
  • МАЗ
  • АЗПИ
  • BOSCH
  • ММЗ
  • ШААЗ
  • FEDERAL MOGUL
  • ПРАМО
  • Мотордеталь
  • ТАИМ
  • АвтоКрАЗ
  • БЕЛКАРД
  • CZ Strakonice
  • КамАЗ
  • БЗА
  • ЧМЗ
  • BMZ
Новости
Все новости
25 марта 2024
Флагманский седельный тягач «Валдай 45» на выставке «TransRussia»
10 марта 2024
Современные автобусы «CITYMAX 9» и ЛиАЗ-5292 CNG
25 февраля 2024
Серийное производство средних дизельных двигателей повышенной мощности от ЯМЗ
Статьи
Все статьи
Датчики двигателя: за что они отвечают, признаки неисправности и как не прогадать с выбором
Двигатели ЯМЗ-534: история, технические характеристики и области применения
Двигатели ЯМЗ 650: углублённый технический обзор и история
Компания
О компании
Реквизиты
Новости
Политика
Магазины
Информация
Условия оплаты
Условия доставки
Гарантия на товар
Обмен и возврат товара
Помощь
Как оформить заказ
Полезные статьи
Бренды
Пункты выдачи
Оставайтесь на связи
  • Вконтакте
  • YouTube
  • Одноклассники
  • Google Plus
Увидели ошибку?
Выделите, нажав Ctrl + Enter
Наши контакты
8-800-700-35-68
sales@din76.ru
г. Ярославль, Ленинградский пр-т 33, ТЦ "ОМЕГА"
2026 © ООО «Динамика 76» - Все права защищены ООО "Динамика 76"
Предложения на сайте не являются публичной офертой.
На сайте обнаружена ошибка

Текст с ошибкой