Избранное 0 Корзина 0 Личный кабинет
logo
Каталог
Каталог
  • Справочник
    • Грузовые автомобили
    • Автобусы
    • Сельхозтехника
    • Спецтехника
    • Двигатели
  • Доставка
  • Оплата
  • О компании
    • Реквизиты
    • Магазины
    • Оплата
    • Доставка
    • Лицензии и сертификаты
    • Новости
    • Вакансии
  • Контакты
Отправить заявку
Личный кабинет
8 (800) 700-35-68
sales@din76.ru
Избранное 0 Корзина 0
8 (800) 700-35-68
Оптовый прайс-лист
Каталог
  • Двигатели
  • Запчасти WEICHAI
  • Запчасти ЯМЗ, ТМЗ (V-образные)
  • Запчасти ЯМЗ-534, ЯМЗ-536
  • Запчасти ЯМЗ-650, ЯМЗ-651, DCi-11
  • Топливная аппаратура
  • Запчасти УРАЛ
  • Запчасти МАЗ
  • Запчасти КамАЗ
  • Запчасти ММЗ
  • Ремни
Автокаталог (справочник)
  • Доставка
  • Оплата
  • О компании
  • Контакты
8 (800) 700-35-68
Написать в Whatsapp
sales@din76.ru
Динамика 76
Меню  
  • Каталог
    • Двигатели  
      • Двигатели ТМЗ  
        • Двигатели ТМЗ для автомобилей
        • Двигатели ТМЗ для тракторов
        • Специальные двигатели ТМЗ
        • Промышленные двигатели ТМЗ
      • Двигатели ЯМЗ  
        • ЯМЗ 236
        • ЯМЗ 238
        • ЯМЗ 240
        • ЯМЗ 751
        • ЯМЗ 840
        • ЯМЗ 850
        • ЯМЗ 656
        • ЯМЗ 658
        • ЯМЗ 534
        • ЯМЗ 536
        • ЯМЗ 650
        • Двигатели ЯМЗ для электростанций
      • Двигатели КАМАЗ
      • Двигатели ММЗ
      • Двигатели индивидуальной сборки
      • Комплекты переоборудования
    • Запчасти WEICHAI  
      • Основные запчасти двигателя  
        • Клапаны и толкатели
        • Шатуны
        • Вал коленчатый и маховик
        • Вал распределительный
        • Цилиндро-поршневая группа
      • Система питания  
        • Форсунки
        • Турбокомпрессор
      • Система смазки  
        • Насос масляный
      • Головка блока
      • Ремкомплекты
      • Система охлаждения  
        • Насос водяной
        • Муфта вязкостная и крыльчатка
      • Фильтры
      • Электрооборудование  
        • Генератор
        • Стартер
    • Запчасти ЯМЗ, ТМЗ (V-образные)  
      • Основные запчасти двигателя  
        • Блок двигателя и комплектующие
        • Валы распределительные и клапаны
        • Головка блока и комплектующие
        • Цилиндро-поршневая группа
        • Маховики и комплектующие
        • Валы коленчатые и комплектующие
        • Шатуны и комплектующие
      • Система питания  
        • Коллекторы и патрубки
        • Топливные трубопроводы
        • Турбокомпрессор
        • Топливные фильтры
      • Электрооборудование двигателя
      • Система охлаждения  
        • Вязкостные муфты и крыльчатки
        • Приводы вентилятора
        • Водяные насосы
        • Водяные трубы и термостаты
      • Коробки переключения передач  
        • 8 Ступенчатые КПП
        • 5 Ступенчатые КПП
        • 9 Ступенчатые КПП
        • Запасные части КПП ЯМЗ, ТМЗ
      • Система смазки  
        • Теплообменник и комплектующие
        • Масляные насосы
        • Фильтры масляные (ФГОМ, ФЦОМ)
      • Сцепление  
        • Запасные части механизма сцепления
        • Муфты (подшипники выжимные)
        • Корзины (диски нажимные)
        • Диски ведомые
      • Прочие запчасти двигателя  
        • Ремкомплекты
        • Привод агрегатов
        • Натяжные устройства
        • Трубки
    • Запчасти ЯМЗ-534, ЯМЗ-536  
      • Основные запчасти двигателя  
        • Цилиндро-поршневая группа
        • Головка блока цилиндров и комплектующие
        • Блок цилиндров и комплектующие
        • Вал коленчатый и маховик
        • Вал распределительный
        • Клапаны и толкатели
        • ГУР (Гидроусилитель руля)
        • Система рециркуляции отработавших газов
        • Выпускной коллектор
      • Система питания  
        • Коллекторы и патрубки
        • Топливные фильтры
        • Турбокомпрессор
        • Топливные трубопроводы
      • Система смазки  
        • Масляный картер поддон
        • Масляный насос
        • Теплообменник /Водо-масляный радиатор
        • Фильтры масляные (ФГОМ, ФЦОМ)
      • Пневмокомпрессор и натяжное
      • Система охлаждения  
        • Водяной насос
        • Водяные трубы и патрубки
        • Муфты вязкостные, приводы, крыльчатки
      • Ремкомплекты
      • Сцепление
      • Электрооборудование
    • Запчасти ЯМЗ-650, ЯМЗ-651, DCi-11  
      • Основные запчасти двигателя  
        • Цилиндро-поршневая группа
        • Головка блока цилиндров и комплектующие
        • Блок цилиндров и комплектующие
        • Вал коленчатый и маховик
        • Выпускной коллектор
        • Вал распределительный
        • Клапаны и толкатели
        • ГУР (Гидроусилитель руля)
        • Система рециркуляции отработавших газов
      • Система питания  
        • Коллекторы и патрубки
        • Топливные трубопроводы
        • Топливные фильтры
        • Турбокомпрессор
      • Система смазки  
        • Масляный картер / поддон
        • Масляный насос
        • Теплообменник / Водо-масляный радиатор
        • Фильтры масляные (ФГОМ, ФЦОМ)
      • Система охлаждения  
        • Водяной насос
        • Водяные трубы и патрубки
        • Муфты вязкостные, приводы, крыльчатки
      • Ремкомплекты
      • Пневмокомпрессор и натяжное
      • Электрооборудование
      • Сцепление
    • Топливная аппаратура  
      • ЯЗДА  
        • Распылители
        • ТНВД
        • Форсунки
        • Топливный насос низкого давления
        • Пары плунжерные
        • Муфта опережения впрыска топлива
        • Запчасти и комплектующие ТНВД
      • НЗТА
      • АЗПИ  
        • Распылители
        • Форсунки
      • BOSCH
    • Запчасти УРАЛ  
      • Трансмиссия  
        • Коробка раздаточная
        • Передача карданная
        • Мост задний
        • Мост передний (ведущий)
        • Мост средний (промежуточный)
      • Кузов  
        • Дверь кабины
        • Капот, крылья, облицовка радиатора
        • Окно ветровое и заднее
        • Отопление и вентиляция кабины
        • Кабина
      • Механизмы управления  
        • Управление рулевое
        • Тормоза
      • Дополнительное оборудование  
        • Отбор мощности
        • Устройство седельное
      • Электрооборудование
      • Ходовая часть  
        • Колеса и ступицы
        • Ось передняя
        • Подвеска автомобиля
        • Рама
    • Запчасти МАЗ  
      • Трансмиссия  
        • Мост задний
        • Мост передний (ведущий)
        • Передача карданная
        • Мост средний (промежуточный)
      • Кузов  
        • Кабина
        • Дверь кабины
        • Детали основания кабины
        • Окно ветровое и заднее
        • Платформа
      • Механизмы управления  
        • Тормоза
        • Управление рулевое
      • Ходовая часть  
        • Колеса и ступицы
        • Ось передняя
        • Подвеска автомобиля
        • Рама
    • Запчасти КамАЗ  
      • Кузов  
        • Кабина
        • Капот, крылья, облицовка радиатора
        • Дверь кабины
        • Платформа
        • Окно ветровое и заднее
        • Устройство подъемное и опрокидывающее
        • Сиденье
        • Крыша кабины (крыша кузова)
        • Отопление и вентиляция кабины
      • Трансмиссия  
        • Коробка передач
        • Коробка раздаточная
        • Мост задний
        • Сцепление
        • Мост средний (промежуточный)
        • Передача карданная
        • Мост передний (ведущий)
      • Двигатель  
        • Основные запчасти двигателя
        • Система охлаждения
        • Система питания
        • Система смазки
      • Дополнительное оборудование  
        • Отбор мощности
        • Устройство седельное
      • Ходовая часть  
        • Подвеска автомобиля
        • Рама
        • Колеса и ступицы
        • Ось передняя
      • Механизмы управления  
        • Тормоза
        • Управление рулевое
      • Электрооборудование
    • Запчасти ММЗ
    • Ремни
  • Справочник
    • Грузовые автомобили
    • Автобусы
    • Сельхозтехника
    • Спецтехника
    • Двигатели
  • Как купить
    • Условия оплаты
    • Условия доставки
    • Гарантия на товар
    • Пункты выдачи
  • Услуги
    • Капитальный ремонт двигателей ЯМЗ
  • Акции
  • Статьи
  • Контакты
  • Компания
    • Реквизиты
    • Магазины
    • Оплата
    • Доставка
    • Лицензии и сертификаты
    • Новости
    • Вакансии
Избранное 0 Корзина 0
8-800-700-35-68

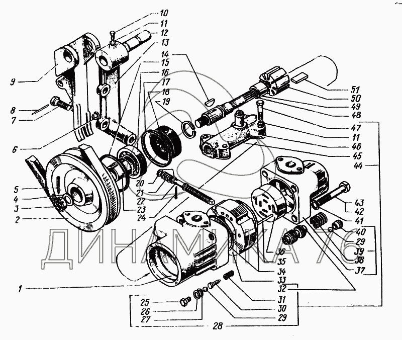
Насос масляный на КрАЗ-6443

Справочник
Главная
-
Автокаталог
-
Грузовые автомобили и прицепы
-
КрАЗ
-
КрАЗ-6443
Справочный каталог

Насос масляный — КрАЗ-6443:

6505-3407190-10 6505-3407199 1 2 3 4 5 6 7 8 9 10 11 11 12 13 14 15 16 17 18 19 20 21 22 23 24 25 26 27 28 29 29 30 31 32 33 34 35 36 37 38 39 40 41 42 43 44 45 46 47 48 49 50 51
в наличии
нет в наличии
масштаб

В наличии
Нет в наличии

Перечень комплектующих от Насос масляный на КрАЗ-6443

Схемы запчастей предназначены для справочных целей! Мы продаем не все запчасти от Насос масляный на КрАЗ-6443, представленные в этом списке.
Наличие на складах по деталям с ценой смотрите в карточке товара.
Артикул: 6505-3407190-10
нет в наличии
Насос масляный рулевого усилителя с натяжным устройством
Количество на схеме: 1
Информация
Насос масляный рулевого усилителя с натяжным устройством
Количество
1
Модель
6505
Группа
Управление рулевое
Подгруппа
Насос гидроусилителя механизма рулевого управления
Порядковый номер детали
190
Дополнительно
Не взаимозаменяема с деталью, выпущенной ранее под этим же номером
Артикул: 6505-3407199
нет в наличии
Насос усилителя без коллектора и шкива
Количество на схеме: 1
Информация
Насос усилителя без коллектора и шкива
Количество
1
Модель
6505
Группа
Управление рулевое
Подгруппа
Насос гидроусилителя механизма рулевого управления
Порядковый номер детали
199
1
1
Артикул: 130-3407211
нет в наличии
Корпус насоса
Количество на схеме: 1
Информация
Корпус насоса
Количество
1
Примечание
48
Модель
130
Группа
Управление рулевое
Подгруппа
Насос гидроусилителя механизма рулевого управления
Порядковый номер детали
211
2
2
Артикул: 256Б-3407240-Б
нет в наличии
Шкив насоса
Количество на схеме: 1
Информация
Шкив насоса
Количество
1
Примечание
51
Модель
256Б
Группа
Управление рулевое
Подгруппа
Насос гидроусилителя механизма рулевого управления
Порядковый номер детали
240
3
3
Артикул: 45-9553-9514
нет в наличии
Гайка М16х1,5
Количество на схеме: 1
Информация
Гайка М16х1,5
Количество
1
Примечание
48
4
4
Артикул: 1/35507/01
нет в наличии
Шайба 16
Количество на схеме: 1
Информация
Шайба 16
Количество
1
Примечание
48
Крепежная деталь
да
Материал
сталь 40 (сталь с пределом прочности на разрыв 333-490 (34-50) МПа (кг/мм2)
Покрытие
цинкование
5
5
Артикул: 258055
нет в наличии
Шплинт 4х36
Количество на схеме: 1
Информация
Шплинт 4х36
Количество
1
Примечание
51
Покрытие
без покрытия
6
6
Артикул: 252137-П2
в наличии
Шайба 12 пружинная
Количество на схеме: 2
Информация
Шайба 12 пружинная
Количество
2
Примечание
49
Покрытие
фосфатирование и промасливание
ШАЙБА 12Х4 (ЯМЗ)
Артикул: 252137-П2
ШАЙБА 12Х4 (ЯМЗ)
Код для заказа: 00006019
Цена: 14 ₽/шт.
Под заказ
ШАЙБА 12Х4 (ЯМЗ)
Артикул: 252137-П2
Код для заказа: 00006019
ШАЙБА 12Х4 (ЯМЗ)
Цена: 14 ₽/шт.
Под заказ
7
7
Артикул: 206576-П29
нет в наличии
Болт М12х30
Количество на схеме: 2
Информация
Болт М12х30
Количество
2
Примечание
49
Покрытие
цинкование и пассивирование (цинковое с хроматированием)
8
8
Артикул: 258284
нет в наличии
Шплинт 1,6х25
Количество на схеме: 1
Информация
Шплинт 1,6х25
Количество
1
Примечание
49
Покрытие
без покрытия
9
9
Артикул: 256Б-3407203
нет в наличии
Кронштейн неподвижный
Количество на схеме: 1
Информация
Кронштейн неподвижный
Количество
1
Примечание
49
Модель
256Б
Группа
Управление рулевое
Подгруппа
Насос гидроусилителя механизма рулевого управления
Порядковый номер детали
203
10
10
Артикул: 201416-П29
нет в наличии
Болт М6х1х12
Количество на схеме: 1
Информация
Болт М6х1х12
Количество
1
Примечание
49
Покрытие
цинкование и пассивирование (цинковое с хроматированием)
11
11
Артикул: 252134-П2
в наличии
Шайба 6 пружинная
Количество на схеме: 9
Информация
Шайба 6 пружинная
Количество
9
Покрытие
фосфатирование и промасливание
ШАЙБА 6Х2 (ЯМЗ)
Артикул: 252134-П2
ШАЙБА 6Х2 (ЯМЗ)
Код для заказа: 00006016
Цена: 3 ₽/шт.
Под заказ
ШАЙБА 6Х2 (ЯМЗ)
Артикул: 252134-П2
Код для заказа: 00006016
ШАЙБА 6Х2 (ЯМЗ)
Цена: 3 ₽/шт.
Под заказ
12
12
Артикул: 256Б-3407214
нет в наличии
Ось кронштейна
Количество на схеме: 1
Информация
Ось кронштейна
Количество
1
Примечание
49
Модель
256Б
Группа
Управление рулевое
Подгруппа
Насос гидроусилителя механизма рулевого управления
Порядковый номер детали
214
13
13
Артикул: 256Б-3407205
нет в наличии
Кронштейн подвижный
Количество на схеме: 1
Информация
Кронштейн подвижный
Количество
1
Примечание
49
Модель
256Б
Группа
Управление рулевое
Подгруппа
Насос гидроусилителя механизма рулевого управления
Порядковый номер детали
205
14
14
Артикул: 45-9951-7415
нет в наличии
Шпонка сегментная 5х7,5
Количество на схеме: 1
Информация
Шпонка сегментная 5х7,5
Количество
1
Примечание
48
15
15
Артикул: 307702-П2
нет в наличии
Кольцо стопорное
Количество на схеме: 1
Информация
Кольцо стопорное
Количество
1
Примечание
48
Покрытие
фосфатирование и промасливание
16
16
Артикул: 180304КС9
нет в наличии
Подшипник шариковый радиальный
Количество на схеме: 1
Информация
Подшипник шариковый радиальный
Количество
1
Примечание
48
Покрытие
воронение
17
17
Артикул: 130-3407059-А
нет в наличии
Проставка насоса
Количество на схеме: 1
Информация
Проставка насоса
Количество
1
Примечание
48
Модель
130
Группа
Управление рулевое
Подгруппа
Насос гидроусилителя механизма рулевого управления
Порядковый номер детали
059
18
18
Артикул: 309777-П
нет в наличии
Манжета 24х46
Количество на схеме: 1
Информация
Манжета 24х46
Количество
1
Примечание
48
Покрытие
без покрытия
19
19
Артикул: 305811-П
нет в наличии
Шайба
Количество на схеме: 1
Информация
Шайба
Количество
1
Примечание
48
Покрытие
без покрытия
20
20
Артикул: 252006-П29
нет в наличии
Шайба 10
Количество на схеме: 2
Информация
Шайба 10
Количество
2
Примечание
49
Покрытие
цинкование и пассивирование (цинковое с хроматированием)
21
21
Артикул: 200-3520022
нет в наличии
Пружина регулировочного винта
Количество на схеме: 1
Информация
Пружина регулировочного винта
Количество
1
Примечание
49
Модель
200
Группа
Тормоза
Подгруппа
Кран разобщительный
Порядковый номер детали
022
22
22
Артикул: 256Б-3407216
нет в наличии
Винт регулировочный
Количество на схеме: 1
Информация
Винт регулировочный
Количество
1
Примечание
49
Модель
256Б
Группа
Управление рулевое
Подгруппа
Насос гидроусилителя механизма рулевого управления
Порядковый номер детали
216
23
23
Артикул: 130-3407247
нет в наличии
Втулка шкива
Количество на схеме: 1
Информация
Втулка шкива
Количество
1
Примечание
48
Модель
130
Группа
Управление рулевое
Подгруппа
Насос гидроусилителя механизма рулевого управления
Порядковый номер детали
247
24
24
Артикул: 258039-П29
нет в наличии
Шплинт разводной 3х20
Количество на схеме: 1
Информация
Шплинт разводной 3х20
Количество
1
Примечание
49
Покрытие
цинкование и пассивирование (цинковое с хроматированием)
25
25
Артикул: 5320-3407277
нет в наличии
Седло предохранительного клапана
Количество на схеме: 1
Информация
Седло предохранительного клапана
Количество
1
Модель
5320
Группа
Управление рулевое
Подгруппа
Насос гидроусилителя механизма рулевого управления
Порядковый номер детали
277
26
26
Артикул: 853645-П
нет в наличии
Шайба регулировочная
Количество на схеме: ;;;
Информация
Шайба регулировочная
Количество
;;;
Покрытие
без покрытия
27
27
Артикул: 853646-П
нет в наличии
Шайба регулировочная
Количество на схеме: ;;;
Информация
Шайба регулировочная
Количество
;;;
Покрытие
без покрытия
28
28
Артикул: 6505-3407270
нет в наличии
Клапан перепускной
Количество на схеме: 1
Информация
Клапан перепускной
Количество
1
Примечание
50
Модель
6505
Группа
Управление рулевое
Подгруппа
Насос гидроусилителя механизма рулевого управления
Порядковый номер детали
270
29
29
Артикул: 864712-П
нет в наличии
Шарик
Количество на схеме: 2
Информация
Шарик
Количество
2
Покрытие
без покрытия
30
30
Артикул: 5320-3407275
нет в наличии
Направляющая пружины
Количество на схеме: 1
Информация
Направляющая пружины
Количество
1
Модель
5320
Группа
Управление рулевое
Подгруппа
Насос гидроусилителя механизма рулевого управления
Порядковый номер детали
275
31
31
Артикул: 5320-3407272
нет в наличии
Пружина предохранительного клапана
Количество на схеме: 1
Информация
Пружина предохранительного клапана
Количество
1
Модель
5320
Группа
Управление рулевое
Подгруппа
Насос гидроусилителя механизма рулевого управления
Порядковый номер детали
272
32
32
Артикул: 5320-3407271
нет в наличии
Золотник перепускной
Количество на схеме: 1
Информация
Золотник перепускной
Количество
1
Модель
5320
Группа
Управление рулевое
Подгруппа
Насос гидроусилителя механизма рулевого управления
Порядковый номер детали
271
33
33
Артикул: 5320-3407253
нет в наличии
Статор насоса
Количество на схеме: 1
Информация
Статор насоса
Количество
1
Примечание
48
Модель
5320
Группа
Управление рулевое
Подгруппа
Насос гидроусилителя механизма рулевого управления
Порядковый номер детали
253
34
34
Артикул: 130-3407252
нет в наличии
Кольцо уплотнительное
Количество на схеме: 2
Информация
Кольцо уплотнительное
Количество
2
Примечание
48
Модель
130
Группа
Управление рулевое
Подгруппа
Насос гидроусилителя механизма рулевого управления
Порядковый номер детали
252
35
35
Артикул: 853757-П
нет в наличии
Штифт установочный
Количество на схеме: 2
Информация
Штифт установочный
Количество
2
Примечание
48
Покрытие
без покрытия
36
36
Артикул: 130-3407255
нет в наличии
Диск распределительный
Количество на схеме: 1
Информация
Диск распределительный
Количество
1
Примечание
48
Модель
130
Группа
Управление рулевое
Подгруппа
Насос гидроусилителя механизма рулевого управления
Порядковый номер детали
255
37
37
Артикул: 6505-3407213
нет в наличии
Крышка насоса
Количество на схеме: 1
Информация
Крышка насоса
Количество
1
Примечание
50
Модель
6505
Группа
Управление рулевое
Подгруппа
Насос гидроусилителя механизма рулевого управления
Порядковый номер детали
213
38
38
Артикул: 130-3407281
нет в наличии
Пружина перепускного клапана
Количество на схеме: 1
Информация
Пружина перепускного клапана
Количество
1
Примечание
50
Модель
130
Группа
Управление рулевое
Подгруппа
Насос гидроусилителя механизма рулевого управления
Порядковый номер детали
281
39
39
Артикул: 6505-3407212
нет в наличии
Крышка насоса в сборе
Количество на схеме: 1
Информация
Крышка насоса в сборе
Количество
1
Примечание
48
Модель
6505
Группа
Управление рулевое
Подгруппа
Насос гидроусилителя механизма рулевого управления
Порядковый номер детали
212
40
40
Артикул: 864843-П
нет в наличии
Седло уплотнительное
Количество на схеме: 1
Информация
Седло уплотнительное
Количество
1
Примечание
50
Покрытие
без покрытия
41
41
Артикул: 45-9816-6067
нет в наличии
Шайба 10
Количество на схеме: 4
Информация
Шайба 10
Количество
4
Примечание
48
42
42
Артикул: 301512-П8
нет в наличии
Болт
Количество на схеме: 2
Информация
Болт
Количество
2
Примечание
48
Покрытие
цинкование
43
43
Артикул: 301513-П8
нет в наличии
Болт
Количество на схеме: 2
Информация
Болт
Количество
2
Примечание
48
Покрытие
цинкование
44
44
Артикул: 6505-3407200
нет в наличии
Насос с коллектором и шкивом в сборе
Количество на схеме: 1
Информация
Насос с коллектором и шкивом в сборе
Количество
1
Примечание
49
Модель
6505
Группа
Управление рулевое
Подгруппа
Насос гидроусилителя механизма рулевого управления
Порядковый номер детали
200
45
45
Артикул: 130-3407437
нет в наличии
Прокладка уплотнительная коллектора
Количество на схеме: 2
Информация
Прокладка уплотнительная коллектора
Количество
2
Примечание
51
Модель
130
Группа
Управление рулевое
Подгруппа
Насос гидроусилителя механизма рулевого управления
Порядковый номер детали
437
46
46
Артикул: 256Б-3407432-30
нет в наличии
Коллектор насоса
Количество на схеме: 1
Информация
Коллектор насоса
Количество
1
Примечание
51
Модель
256Б
Группа
Управление рулевое
Подгруппа
Насос гидроусилителя механизма рулевого управления
Порядковый номер детали
432
Дополнительно
Не взаимозаменяема с деталью, выпущенной ранее под этим же номером
47
47
Артикул: 201426-П29
нет в наличии
Болт М6х1х35
Количество на схеме: 4
Информация
Болт М6х1х35
Количество
4
Примечание
51
Покрытие
цинкование и пассивирование (цинковое с хроматированием)
48
48
Артикул: 130-3407217
нет в наличии
Валик насоса
Количество на схеме: 1
Информация
Валик насоса
Количество
1
Примечание
48
Модель
130
Группа
Управление рулевое
Подгруппа
Насос гидроусилителя механизма рулевого управления
Порядковый номер детали
217
49
49
Артикул: 154901
нет в наличии
Подшипник игольчатый
Количество на схеме: 1
Информация
Подшипник игольчатый
Количество
1
Примечание
48
Покрытие
без покрытия
50
50
Артикул: 5320-3407248
нет в наличии
Ротор насоса
Количество на схеме: 1
Информация
Ротор насоса
Количество
1
Примечание
48
Модель
5320
Группа
Управление рулевое
Подгруппа
Насос гидроусилителя механизма рулевого управления
Порядковый номер детали
248
51
51
Артикул: 5320-3407251
нет в наличии
Лопасть ротора
Количество на схеме: 10
Информация
Лопасть ротора
Количество
10
Примечание
48
Модель
5320
Группа
Управление рулевое
Подгруппа
Насос гидроусилителя механизма рулевого управления
Порядковый номер детали
251
  • Грузовые автомобили
  • Автобусы
  • Сельхозтехника
  • Спецтехника
  • Двигатели
Получить оптовый прайс-лист
Скачать прайс-лист от 07.05.2026 16:00
Специальное предложение от 07.05.2026 17:00
Производители:


  • WEICHAI
  • Автодизель ПАО (ЯМЗ)
  • Тутаевский МЗ
  • ЯЗДА
  • УралАЗ
  • МАЗ
  • АЗПИ
  • BOSCH
  • ММЗ
  • ШААЗ
  • FEDERAL MOGUL
  • ПРАМО
  • Мотордеталь
  • ТАИМ
  • АвтоКрАЗ
  • БЕЛКАРД
  • CZ Strakonice
  • КамАЗ
  • БЗА
  • ЧМЗ
  • BMZ
Новости
Все новости
25 марта 2024
Флагманский седельный тягач «Валдай 45» на выставке «TransRussia»
10 марта 2024
Современные автобусы «CITYMAX 9» и ЛиАЗ-5292 CNG
25 февраля 2024
Серийное производство средних дизельных двигателей повышенной мощности от ЯМЗ
Статьи
Все статьи
Датчики двигателя: за что они отвечают, признаки неисправности и как не прогадать с выбором
Двигатели ЯМЗ-534: история, технические характеристики и области применения
Двигатели ЯМЗ 650: углублённый технический обзор и история
Компания
О компании
Реквизиты
Новости
Политика
Магазины
Информация
Условия оплаты
Условия доставки
Гарантия на товар
Обмен и возврат товара
Помощь
Как оформить заказ
Полезные статьи
Бренды
Пункты выдачи
Оставайтесь на связи
  • Вконтакте
  • YouTube
  • Одноклассники
  • Google Plus
Увидели ошибку?
Выделите, нажав Ctrl + Enter
Наши контакты
8-800-700-35-68
sales@din76.ru
г. Ярославль, Ленинградский пр-т 33, ТЦ "ОМЕГА"
2026 © ООО «Динамика 76» - Все права защищены ООО "Динамика 76"
Предложения на сайте не являются публичной офертой.
На сайте обнаружена ошибка

Текст с ошибкой