Избранное 0 Корзина 0 Личный кабинет
logo
Каталог
Каталог
  • Справочник
    • Грузовые автомобили
    • Автобусы
    • Сельхозтехника
    • Спецтехника
    • Двигатели
  • Доставка
  • Оплата
  • О компании
    • Реквизиты
    • Магазины
    • Оплата
    • Доставка
    • Лицензии и сертификаты
    • Новости
    • Вакансии
  • Контакты
Отправить заявку
Личный кабинет
8 (800) 700-35-68
sales@din76.ru
Избранное 0 Корзина 0
8 (800) 700-35-68
Оптовый прайс-лист
Каталог
  • Двигатели
  • Запчасти WEICHAI
  • Запчасти ЯМЗ, ТМЗ (V-образные)
  • Запчасти ЯМЗ-534, ЯМЗ-536
  • Запчасти ЯМЗ-650, ЯМЗ-651, DCi-11
  • Топливная аппаратура
  • Запчасти УРАЛ
  • Запчасти МАЗ
  • Запчасти КамАЗ
  • Запчасти ММЗ
  • Ремни
Автокаталог (справочник)
  • Доставка
  • Оплата
  • О компании
  • Контакты
8 (800) 700-35-68
Написать в Whatsapp
sales@din76.ru
Динамика 76
Меню  
  • Каталог
    • Двигатели  
      • Двигатели ТМЗ  
        • Двигатели ТМЗ для автомобилей
        • Двигатели ТМЗ для тракторов
        • Специальные двигатели ТМЗ
        • Промышленные двигатели ТМЗ
      • Двигатели ЯМЗ  
        • ЯМЗ 236
        • ЯМЗ 238
        • ЯМЗ 240
        • ЯМЗ 751
        • ЯМЗ 840
        • ЯМЗ 850
        • ЯМЗ 656
        • ЯМЗ 658
        • ЯМЗ 534
        • ЯМЗ 536
        • ЯМЗ 650
        • Двигатели ЯМЗ для электростанций
      • Двигатели КАМАЗ
      • Двигатели ММЗ
      • Двигатели индивидуальной сборки
      • Комплекты переоборудования
    • Запчасти WEICHAI  
      • Основные запчасти двигателя  
        • Клапаны и толкатели
        • Шатуны
        • Вал коленчатый и маховик
        • Вал распределительный
        • Цилиндро-поршневая группа
      • Система питания  
        • Форсунки
        • Турбокомпрессор
      • Система смазки  
        • Насос масляный
      • Головка блока
      • Ремкомплекты
      • Система охлаждения  
        • Насос водяной
        • Муфта вязкостная и крыльчатка
      • Фильтры
      • Электрооборудование  
        • Генератор
        • Стартер
    • Запчасти ЯМЗ, ТМЗ (V-образные)  
      • Основные запчасти двигателя  
        • Блок двигателя и комплектующие
        • Валы распределительные и клапаны
        • Головка блока и комплектующие
        • Цилиндро-поршневая группа
        • Маховики и комплектующие
        • Валы коленчатые и комплектующие
        • Шатуны и комплектующие
      • Система питания  
        • Коллекторы и патрубки
        • Топливные трубопроводы
        • Турбокомпрессор
        • Топливные фильтры
      • Электрооборудование двигателя
      • Система охлаждения  
        • Вязкостные муфты и крыльчатки
        • Приводы вентилятора
        • Водяные насосы
        • Водяные трубы и термостаты
      • Коробки переключения передач  
        • 8 Ступенчатые КПП
        • 5 Ступенчатые КПП
        • 9 Ступенчатые КПП
        • Запасные части КПП ЯМЗ, ТМЗ
      • Система смазки  
        • Теплообменник и комплектующие
        • Масляные насосы
        • Фильтры масляные (ФГОМ, ФЦОМ)
      • Сцепление  
        • Запасные части механизма сцепления
        • Муфты (подшипники выжимные)
        • Корзины (диски нажимные)
        • Диски ведомые
      • Прочие запчасти двигателя  
        • Ремкомплекты
        • Привод агрегатов
        • Натяжные устройства
        • Трубки
    • Запчасти ЯМЗ-534, ЯМЗ-536  
      • Основные запчасти двигателя  
        • Цилиндро-поршневая группа
        • Головка блока цилиндров и комплектующие
        • Блок цилиндров и комплектующие
        • Вал коленчатый и маховик
        • Вал распределительный
        • Клапаны и толкатели
        • ГУР (Гидроусилитель руля)
        • Система рециркуляции отработавших газов
        • Выпускной коллектор
      • Система питания  
        • Коллекторы и патрубки
        • Топливные фильтры
        • Турбокомпрессор
        • Топливные трубопроводы
      • Система смазки  
        • Масляный картер поддон
        • Масляный насос
        • Теплообменник /Водо-масляный радиатор
        • Фильтры масляные (ФГОМ, ФЦОМ)
      • Пневмокомпрессор и натяжное
      • Система охлаждения  
        • Водяной насос
        • Водяные трубы и патрубки
        • Муфты вязкостные, приводы, крыльчатки
      • Ремкомплекты
      • Сцепление
      • Электрооборудование
    • Запчасти ЯМЗ-650, ЯМЗ-651, DCi-11  
      • Основные запчасти двигателя  
        • Цилиндро-поршневая группа
        • Головка блока цилиндров и комплектующие
        • Блок цилиндров и комплектующие
        • Вал коленчатый и маховик
        • Выпускной коллектор
        • Вал распределительный
        • Клапаны и толкатели
        • ГУР (Гидроусилитель руля)
        • Система рециркуляции отработавших газов
      • Система питания  
        • Коллекторы и патрубки
        • Топливные трубопроводы
        • Топливные фильтры
        • Турбокомпрессор
      • Система смазки  
        • Масляный картер / поддон
        • Масляный насос
        • Теплообменник / Водо-масляный радиатор
        • Фильтры масляные (ФГОМ, ФЦОМ)
      • Система охлаждения  
        • Водяной насос
        • Водяные трубы и патрубки
        • Муфты вязкостные, приводы, крыльчатки
      • Ремкомплекты
      • Пневмокомпрессор и натяжное
      • Электрооборудование
      • Сцепление
    • Топливная аппаратура  
      • ЯЗДА  
        • Распылители
        • ТНВД
        • Форсунки
        • Топливный насос низкого давления
        • Пары плунжерные
        • Муфта опережения впрыска топлива
        • Запчасти и комплектующие ТНВД
      • НЗТА
      • АЗПИ  
        • Распылители
        • Форсунки
      • BOSCH
    • Запчасти УРАЛ  
      • Трансмиссия  
        • Коробка раздаточная
        • Передача карданная
        • Мост задний
        • Мост передний (ведущий)
        • Мост средний (промежуточный)
      • Кузов  
        • Дверь кабины
        • Капот, крылья, облицовка радиатора
        • Окно ветровое и заднее
        • Отопление и вентиляция кабины
        • Кабина
      • Механизмы управления  
        • Управление рулевое
        • Тормоза
      • Дополнительное оборудование  
        • Отбор мощности
        • Устройство седельное
      • Электрооборудование
      • Ходовая часть  
        • Колеса и ступицы
        • Ось передняя
        • Подвеска автомобиля
        • Рама
    • Запчасти МАЗ  
      • Трансмиссия  
        • Мост задний
        • Мост передний (ведущий)
        • Передача карданная
        • Мост средний (промежуточный)
      • Кузов  
        • Кабина
        • Дверь кабины
        • Детали основания кабины
        • Окно ветровое и заднее
        • Платформа
      • Механизмы управления  
        • Тормоза
        • Управление рулевое
      • Ходовая часть  
        • Колеса и ступицы
        • Ось передняя
        • Подвеска автомобиля
        • Рама
    • Запчасти КамАЗ  
      • Кузов  
        • Кабина
        • Капот, крылья, облицовка радиатора
        • Дверь кабины
        • Платформа
        • Окно ветровое и заднее
        • Устройство подъемное и опрокидывающее
        • Сиденье
        • Крыша кабины (крыша кузова)
        • Отопление и вентиляция кабины
      • Трансмиссия  
        • Коробка передач
        • Коробка раздаточная
        • Мост задний
        • Сцепление
        • Мост средний (промежуточный)
        • Передача карданная
        • Мост передний (ведущий)
      • Двигатель  
        • Основные запчасти двигателя
        • Система охлаждения
        • Система питания
        • Система смазки
      • Дополнительное оборудование  
        • Отбор мощности
        • Устройство седельное
      • Ходовая часть  
        • Подвеска автомобиля
        • Рама
        • Колеса и ступицы
        • Ось передняя
      • Механизмы управления  
        • Тормоза
        • Управление рулевое
      • Электрооборудование
    • Запчасти ММЗ
    • Ремни
  • Справочник
    • Грузовые автомобили
    • Автобусы
    • Сельхозтехника
    • Спецтехника
    • Двигатели
  • Как купить
    • Условия оплаты
    • Условия доставки
    • Гарантия на товар
    • Пункты выдачи
  • Услуги
    • Капитальный ремонт двигателей ЯМЗ
  • Акции
  • Статьи
  • Контакты
  • Компания
    • Реквизиты
    • Магазины
    • Оплата
    • Доставка
    • Лицензии и сертификаты
    • Новости
    • Вакансии
Избранное 0 Корзина 0
8-800-700-35-68

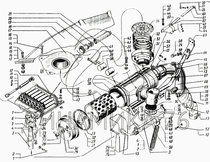
Фильтр воздушный на КрАЗ-6443

Справочник
Главная
-
Автокаталог
-
Грузовые автомобили и прицепы
-
КрАЗ
-
КрАЗ-6443
Справочный каталог

Фильтр воздушный — КрАЗ-6443:

6437-1109010-01 6437-1109022 6437-1109700 1 1 2 2 3 3 4 4 5 6 7 8 9 10 11 12 13 13 13 13 13 14 14 14 15 15 15 16 16 16 17 18 19 20 21 22 23 24 24 24 25 25 25 26 26 26 27 28 29 29 29 29 30 31 31 31 31 31 32 33 33 34 35 36 37 38 39 40 41 42 42 42 43 43 43 44 44 44 45 46 47 48 49 50 51 52 53 54 55 56 57 57 57 58 58 59 60 61 62 63 64 65 66 67 68 69 70 71 72 73 74 75 76 77
в наличии
нет в наличии
масштаб

В наличии
Нет в наличии

Перечень комплектующих от Фильтр воздушный на КрАЗ-6443

Схемы запчастей предназначены для справочных целей! Мы продаем не все запчасти от Фильтр воздушный на КрАЗ-6443, представленные в этом списке.
Наличие на складах по деталям с ценой смотрите в карточке товара.
Артикул: 6437-1109010-01
нет в наличии
Фильтр воздушный в сборе
Количество на схеме: 1
Информация
Фильтр воздушный в сборе
Количество
1
Модель
6437
Группа
Cистема питания двигателя
Подгруппа
Фильтр воздушный
Порядковый номер детали
010
Артикул: 6437-1109022
нет в наличии
Блок циклонов
Количество на схеме: 1
Информация
Блок циклонов
Количество
1
Примечание
6
Модель
6437
Группа
Cистема питания двигателя
Подгруппа
Фильтр воздушный
Порядковый номер детали
022
Артикул: 6437-1109700
нет в наличии
Воздухозаборник фильтра в сборе
Количество на схеме: 1
Информация
Воздухозаборник фильтра в сборе
Количество
1
Модель
6437
Группа
Cистема питания двигателя
Подгруппа
Фильтр воздушный
Порядковый номер детали
700
1
1
Артикул: 220086-П29
нет в наличии
Винт М5х0,8х30
Количество на схеме: 2
Информация
Винт М5х0,8х30
Количество
2
Покрытие
цинкование и пассивирование (цинковое с хроматированием)
2
2
Артикул: 251086-П29
нет в наличии
Гайка М5х0,8
Количество на схеме: 2
Информация
Гайка М5х0,8
Количество
2
Покрытие
цинкование и пассивирование (цинковое с хроматированием)
3
3
Артикул: 255Б-3408064-11
нет в наличии
Шланг питающий
Количество на схеме: 1
Информация
Шланг питающий
Количество
1
Модель
255Б
Группа
Управление рулевое
Подгруппа
Трубопроводы гидроусилителя механизма рулевого управления
Порядковый номер детали
064
Дополнительно
Не взаимозаменяема с деталью, выпущенной ранее под этим же номером
4
4
Артикул: 250-3408117
нет в наличии
Хомут шланга
Количество на схеме: 2
Информация
Хомут шланга
Количество
2
Модель
250
Группа
Управление рулевое
Подгруппа
Трубопроводы гидроусилителя механизма рулевого управления
Порядковый номер детали
117
5
5
Артикул: 6437-1137280
нет в наличии
Патрубок с фланцем
Количество на схеме: 1
Информация
Патрубок с фланцем
Количество
1
Примечание
8
Модель
6437
Группа
Cистема питания двигателя
Подгруппа
Система автоматической очистки воздушного фильтра
Порядковый номер детали
280
6
6
Артикул: 255-3509309
нет в наличии
Прокладка фланца трубы
Количество на схеме: 2
Информация
Прокладка фланца трубы
Количество
2
Примечание
6
Модель
255
Группа
Тормоза
Подгруппа
Компрессор пневмотормозов
Порядковый номер детали
309
7
7
Артикул: 6437-1109024
нет в наличии
Днище блока циклонов
Количество на схеме: 2
Информация
Днище блока циклонов
Количество
2
Примечание
7
Модель
6437
Группа
Cистема питания двигателя
Подгруппа
Фильтр воздушный
Порядковый номер детали
024
8
8
Артикул: 250464-П29
в наличии
Гайка М5х0,8
Количество на схеме: 4
Информация
Гайка М5х0,8
Количество
4
Покрытие
цинкование и пассивирование (цинковое с хроматированием)
Гайка М5 вентиляции УРАЛ (АО АЗ УРАЛ)
Артикул: 250464-П29
Гайка М5 вентиляции УРАЛ (АО АЗ УРАЛ)
Код для заказа: 00027649
Цена: 28 ₽/шт.
Под заказ
Гайка М5 вентиляции УРАЛ (АО АЗ УРАЛ)
Артикул: 250464-П29
Код для заказа: 00027649
Гайка М5 вентиляции УРАЛ (АО АЗ УРАЛ)
Цена: 28 ₽/шт.
Под заказ
9
9
Артикул: 252133-П2
нет в наличии
Шайба 5 пружинная
Количество на схеме: 5
Информация
Шайба 5 пружинная
Количество
5
Покрытие
фосфатирование и промасливание
10
10
Артикул: 6437-1109723
нет в наличии
Втулка распорная
Количество на схеме: 4
Информация
Втулка распорная
Количество
4
Примечание
7
Модель
6437
Группа
Cистема питания двигателя
Подгруппа
Фильтр воздушный
Порядковый номер детали
723
11
11
Артикул: 6437-1109025
нет в наличии
Стяжка
Количество на схеме: 4
Информация
Стяжка
Количество
4
Примечание
7
Модель
6437
Группа
Cистема питания двигателя
Подгруппа
Фильтр воздушный
Порядковый номер детали
025
12
12
Артикул: 6437-1109822
нет в наличии
Уплотнитель
Количество на схеме: 2
Информация
Уплотнитель
Количество
2
Примечание
6
Модель
6437
Группа
Cистема питания двигателя
Подгруппа
Фильтр воздушный
Порядковый номер детали
822
13
13
Артикул: 250508-П29
в наличии
Гайка М6-6Н
Количество на схеме: 13
Информация
Гайка М6-6Н
Количество
13
Покрытие
цинкование и пассивирование (цинковое с хроматированием)
ГАЙКА М6-6Н.6.16 (ЯМЗ)
Артикул: 250508-П29
ГАЙКА М6-6Н.6.16 (ЯМЗ)
Код для заказа: 00006006
Цена: 13 ₽/шт.
Под заказ
ГАЙКА М6-6Н.6.16 (ЯМЗ)
Артикул: 250508-П29
Код для заказа: 00006006
ГАЙКА М6-6Н.6.16 (ЯМЗ)
Цена: 13 ₽/шт.
Под заказ
14
14
Артикул: 252134-П2
в наличии
Шайба 6 пружинная
Количество на схеме: 9
Информация
Шайба 6 пружинная
Количество
9
Покрытие
фосфатирование и промасливание
ШАЙБА 6Х2 (ЯМЗ)
Артикул: 252134-П2
ШАЙБА 6Х2 (ЯМЗ)
Код для заказа: 00006016
Цена: 3 ₽/шт.
Под заказ
ШАЙБА 6Х2 (ЯМЗ)
Артикул: 252134-П2
Код для заказа: 00006016
ШАЙБА 6Х2 (ЯМЗ)
Цена: 3 ₽/шт.
Под заказ
15
15
Артикул: 252037-П29
нет в наличии
Шайба 6
Количество на схеме: 9
Информация
Шайба 6
Количество
9
Покрытие
цинкование и пассивирование (цинковое с хроматированием)
16
16
Артикул: 220105-П29
в наличии
Винт М6х1х16
Количество на схеме: 9
Информация
Винт М6х1х16
Количество
9
Покрытие
цинкование и пассивирование (цинковое с хроматированием)
Винт М6х1.0х16 ГАЗ, ЗИЛ, КРАЗ, МАЗ, УАЗ, УРАЛ, полукруг многоцелевой ЭТНА
Артикул: 220105-П29
Винт М6х1.0х16 ГАЗ, ЗИЛ, КРАЗ, МАЗ, УАЗ, УРАЛ, полукруг многоцелевой ЭТНА
Код для заказа: 00025573
Цена: 4 ₽/шт.
Под заказ
Винт М6х1.0х16 ГАЗ, ЗИЛ, КРАЗ, МАЗ, УАЗ, УРАЛ, полукруг многоцелевой ЭТНА
Артикул: 220105-П29
Код для заказа: 00025573
Винт М6х1.0х16 ГАЗ, ЗИЛ, КРАЗ, МАЗ, УАЗ, УРАЛ, полукруг многоцелевой ЭТНА
Цена: 4 ₽/шт.
Под заказ
17
17
Артикул: 6437-1109704-10
нет в наличии
Патрубок воздухозаборника
Количество на схеме: 1
Информация
Патрубок воздухозаборника
Количество
1
Модель
6437
Группа
Cистема питания двигателя
Подгруппа
Фильтр воздушный
Порядковый номер детали
704
Дополнительно
Не взаимозаменяема с деталью, выпущенной ранее под этим же номером
18
18
Артикул: 6437-1109702
нет в наличии
Воздухозаборник верхний
Количество на схеме: 1
Информация
Воздухозаборник верхний
Количество
1
Примечание
6
Модель
6437
Группа
Cистема питания двигателя
Подгруппа
Фильтр воздушный
Порядковый номер детали
702
19
19
Артикул: 6437-1109975
нет в наличии
Труба
Количество на схеме: 31
Информация
Труба
Количество
31
Примечание
7
Модель
6437
Группа
Cистема питания двигателя
Подгруппа
Фильтр воздушный
Порядковый номер детали
975
20
20
Артикул: 6437-1109974
нет в наличии
Завихритель
Количество на схеме: 31
Информация
Завихритель
Количество
31
Примечание
7
Модель
6437
Группа
Cистема питания двигателя
Подгруппа
Фильтр воздушный
Порядковый номер детали
974
21
21
Артикул: 6437-1109973
нет в наличии
Корпус
Количество на схеме: 31
Информация
Корпус
Количество
31
Примечание
7
Модель
6437
Группа
Cистема питания двигателя
Подгруппа
Фильтр воздушный
Порядковый номер детали
973
22
22
Артикул: 6437-1109703
нет в наличии
Воздухозаборник нижний
Количество на схеме: 1
Информация
Воздухозаборник нижний
Количество
1
Примечание
6
Модель
6437
Группа
Cистема питания двигателя
Подгруппа
Фильтр воздушный
Порядковый номер детали
703
23
23
Артикул: 214-8508181
нет в наличии
Прокладка
Количество на схеме: 2
Информация
Прокладка
Количество
2
Примечание
6
Модель
214
Группа
Платформа
Подгруппа
Тент платформы
Порядковый номер детали
181
24
24
Артикул: 252135-П2
в наличии
Шайба 8 пружинная
Количество на схеме: 7
Информация
Шайба 8 пружинная
Количество
7
Покрытие
фосфатирование и промасливание
Шайба 8х2.5 ЯМЗ заглушки блока цилиндров АВТОДИЗЕЛЬ
Артикул: 252135-П2
Шайба 8х2.5 ЯМЗ заглушки блока цилиндров АВТОДИЗЕЛЬ
Код для заказа: 00006017
Цена: 3 ₽/шт.
Под заказ
Шайба 8х2.5 ЯМЗ заглушки блока цилиндров АВТОДИЗЕЛЬ
Артикул: 252135-П2
Код для заказа: 00006017
Шайба 8х2.5 ЯМЗ заглушки блока цилиндров АВТОДИЗЕЛЬ
Цена: 3 ₽/шт.
Под заказ
25
25
Артикул: 250510-П29
нет в наличии
Гайка М8
Количество на схеме: 6
Информация
Гайка М8
Количество
6
Покрытие
цинкование и пассивирование (цинковое с хроматированием)
26
26
Артикул: 201454-П29
в наличии
Болт М8х1,25х16
Количество на схеме: 4
Информация
Болт М8х1,25х16
Количество
4
Покрытие
цинкование и пассивирование (цинковое с хроматированием)
Болт М8х1.25х16 ЗИЛ-130 крепление кронштейна радиатора масл., ГАЗ-31029 фиксатора штоков КПП
Артикул: 201454-П29
Болт М8х1.25х16 ЗИЛ-130 крепление кронштейна радиатора масл., ГАЗ-31029 фиксатора штоков КПП
Код для заказа: 00005973
Цена: 26 ₽/шт.
Под заказ
Болт М8х1.25х16 ЗИЛ-130 крепление кронштейна радиатора масл., ГАЗ-31029 фиксатора штоков КПП
Артикул: 201454-П29
Код для заказа: 00005973
Болт М8х1.25х16 ЗИЛ-130 крепление кронштейна радиатора масл., ГАЗ-31029 фиксатора штоков КПП
Цена: 26 ₽/шт.
Под заказ
27
27
Артикул: 6437-1109585
нет в наличии
Гайка-барашек
Количество на схеме: 1
Информация
Гайка-барашек
Количество
1
Модель
6437
Группа
Cистема питания двигателя
Подгруппа
Фильтр воздушный
Порядковый номер детали
585
28
28
Артикул: 255Б-8403313
нет в наличии
Шайба
Количество на схеме: 1
Информация
Шайба
Количество
1
Модель
255Б
Группа
Оперение
Подгруппа
Крыло переднее и фартук крыла
Порядковый номер детали
313
29
29
Артикул: 252006-П29
нет в наличии
Шайба 10
Количество на схеме: 5
Информация
Шайба 10
Количество
5
Покрытие
цинкование и пассивирование (цинковое с хроматированием)
30
30
Артикул: 6437-1109582-10
нет в наличии
Крышка фильтра
Количество на схеме: 1
Информация
Крышка фильтра
Количество
1
Примечание
8
Модель
6437
Группа
Cистема питания двигателя
Подгруппа
Фильтр воздушный
Порядковый номер детали
582
Дополнительно
Не взаимозаменяема с деталью, выпущенной ранее под этим же номером
31
31
Артикул: 250612-П29
нет в наличии
Гайка М10х1,5
Количество на схеме: 5
Информация
Гайка М10х1,5
Количество
5
Покрытие
цинкование и пассивирование (цинковое с хроматированием)
32
32
Артикул: 260-3724019
нет в наличии
Втулка
Количество на схеме: 1
Информация
Втулка
Количество
1
Модель
260
Группа
Электрооборудование
Подгруппа
Электропровода
Порядковый номер детали
019
33
33
Артикул: 6437-1109553
нет в наличии
Кольцо уплотнительное
Количество на схеме: 1
Информация
Кольцо уплотнительное
Количество
1
Примечание
9
Модель
6437
Группа
Cистема питания двигателя
Подгруппа
Фильтр воздушный
Порядковый номер детали
553
33
33
Артикул: 740-1109553
нет в наличии
Кольцо уплотнительное
Количество на схеме: 1
Информация
Кольцо уплотнительное
Количество
1
Примечание
8
Модель
740
Группа
Cистема питания двигателя
Подгруппа
Фильтр воздушный
Порядковый номер детали
553
34
34
Артикул: 6437-1109080
нет в наличии
Элемент фильтрующий
Количество на схеме: 1
Информация
Элемент фильтрующий
Количество
1
Модель
6437
Группа
Cистема питания двигателя
Подгруппа
Фильтр воздушный
Порядковый номер детали
080
35
35
Артикул: 6437-1109080-10
нет в наличии
Элемент фильтрующий
Количество на схеме: 1
Информация
Элемент фильтрующий
Количество
1
Модель
6437
Группа
Cистема питания двигателя
Подгруппа
Фильтр воздушный
Порядковый номер детали
080
Дополнительно
Не взаимозаменяема с деталью, выпущенной ранее под этим же номером
36
36
Артикул: 6437-1109048-10
нет в наличии
Корпус воздушного фильтра
Количество на схеме: 1
Информация
Корпус воздушного фильтра
Количество
1
Примечание
8
Модель
6437
Группа
Cистема питания двигателя
Подгруппа
Фильтр воздушный
Порядковый номер детали
048
Дополнительно
Не взаимозаменяема с деталью, выпущенной ранее под этим же номером
37
37
Артикул: 260-1158114-10
нет в наличии
Хомут крепления фильтра
Количество на схеме: 2
Информация
Хомут крепления фильтра
Количество
2
Модель
260
Группа
Cистема питания двигателя
Подгруппа
1158
Порядковый номер детали
114
Дополнительно
Не взаимозаменяема с деталью, выпущенной ранее под этим же номером
38
38
Артикул: 256-1015023
нет в наличии
Сухарь хомута
Количество на схеме: 2
Информация
Сухарь хомута
Количество
2
Модель
256
Группа
Двигатель
Подгруппа
Подогреватель пусковой двигателя
Порядковый номер детали
023
39
39
Артикул: 256-1015024
нет в наличии
Сухарь болта
Количество на схеме: 2
Информация
Сухарь болта
Количество
2
Модель
256
Группа
Двигатель
Подгруппа
Подогреватель пусковой двигателя
Порядковый номер детали
024
40
40
Артикул: 256-1015018-А
нет в наличии
Втулка
Количество на схеме: 2
Информация
Втулка
Количество
2
Модель
256
Группа
Двигатель
Подгруппа
Подогреватель пусковой двигателя
Порядковый номер детали
018
41
41
Артикул: 2002274-П29
нет в наличии
Болт М8х75
Количество на схеме: 2
Информация
Болт М8х75
Количество
2
Группа
Привод гидравлический мостов полуприцепа
Подгруппа
2002
Порядковый номер детали
274
42
42
Артикул: 201497-П29
нет в наличии
Болт М10х1,25х25
Количество на схеме: 4
Информация
Болт М10х1,25х25
Количество
4
Покрытие
цинкование и пассивирование (цинковое с хроматированием)
43
43
Артикул: 201499-П29
в наличии
Болт М10х1,5х30
Количество на схеме: 2
Информация
Болт М10х1,5х30
Количество
2
Покрытие
цинкование и пассивирование (цинковое с хроматированием)
Болт М10х1.5х30
Артикул: 201499-П29
Болт М10х1.5х30
Код для заказа: 00002865
Цена: 40 ₽/шт.
В наличии: 72 шт.
- +
В корзинуВ корзине
Болт М10х1.5х30
Артикул: 201499-П29
Код для заказа: 00002865
Болт М10х1.5х30
Цена: 40 ₽/шт.
В наличии: 72 шт.
- +
В корзинуВ корзине
44
44
Артикул: 252136-П2
в наличии
Шайба 10 пружинная
Количество на схеме: 7
Информация
Шайба 10 пружинная
Количество
7
Покрытие
фосфатирование и промасливание
Шайба 10.2х2.5 пружинная цинк ЭТНА
Артикул: 252136-П2
Шайба 10.2х2.5 пружинная цинк ЭТНА
Код для заказа: 00062958
Цена: 10 ₽/шт.
Под заказ
Шайба 10.2х2.5 пружинная цинк ЭТНА
Артикул: 252136-П2
Код для заказа: 00062958
Шайба 10.2х2.5 пружинная цинк ЭТНА
Цена: 10 ₽/шт.
Под заказ
Шайба гроверная 17,1х10,1х3,5
Артикул: 252136-П2
Шайба гроверная 17,1х10,1х3,5
Код для заказа: 00006018
Цена: 10 ₽/шт.
Под заказ
Шайба гроверная 17,1х10,1х3,5
Артикул: 252136-П2
Код для заказа: 00006018
Шайба гроверная 17,1х10,1х3,5
Цена: 10 ₽/шт.
Под заказ
45
45
Артикул: 6437-1137290
нет в наличии
Патрубок отсоса пыли
Количество на схеме: 1
Информация
Патрубок отсоса пыли
Количество
1
Модель
6437
Группа
Cистема питания двигателя
Подгруппа
Система автоматической очистки воздушного фильтра
Порядковый номер детали
290
46
46
Артикул: 345421-П29
нет в наличии
Шайба 13 косая
Количество на схеме: 4
Информация
Шайба 13 косая
Количество
4
Покрытие
цинкование и пассивирование (цинковое с хроматированием)
47
47
Артикул: 297582-П29
нет в наличии
Лента стяжная 10х180
Количество на схеме: 1
Информация
Лента стяжная 10х180
Количество
1
Покрытие
цинкование и пассивирование (цинковое с хроматированием)
48
48
Артикул: 212А-8101092
нет в наличии
Пряжка хомута
Количество на схеме: 1
Информация
Пряжка хомута
Количество
1
Модель
212А
Группа
Отопление и вентиляция кабины
Подгруппа
Отопитель (кузова)
Порядковый номер детали
092
49
49
Артикул: 258080-П29
нет в наличии
Шплинт 5,6х25
Количество на схеме: 1
Информация
Шплинт 5,6х25
Количество
1
Покрытие
цинкование и пассивирование (цинковое с хроматированием)
50
50
Артикул: 255Б-3408032
нет в наличии
Пружина
Количество на схеме: 1
Информация
Пружина
Количество
1
Модель
255Б
Группа
Управление рулевое
Подгруппа
Трубопроводы гидроусилителя механизма рулевого управления
Порядковый номер детали
032
51
51
Артикул: 6437-1109774
нет в наличии
Переходник
Количество на схеме: 1
Информация
Переходник
Количество
1
Модель
6437
Группа
Cистема питания двигателя
Подгруппа
Фильтр воздушный
Порядковый номер детали
774
52
52
Артикул: 6437-1109798
нет в наличии
Пластина пружины нижняя
Количество на схеме: 1
Информация
Пластина пружины нижняя
Количество
1
Модель
6437
Группа
Cистема питания двигателя
Подгруппа
Фильтр воздушный
Порядковый номер детали
798
53
53
Артикул: 6437-1109794
нет в наличии
Пружина воздухозаборника
Количество на схеме: 1
Информация
Пружина воздухозаборника
Количество
1
Модель
6437
Группа
Cистема питания двигателя
Подгруппа
Фильтр воздушный
Порядковый номер детали
794
54
54
Артикул: 6437-1109796
нет в наличии
Пластина упорная пружины
Количество на схеме: 1
Информация
Пластина упорная пружины
Количество
1
Модель
6437
Группа
Cистема питания двигателя
Подгруппа
Фильтр воздушный
Порядковый номер детали
796
55
55
Артикул: 6437-1109775
нет в наличии
Прокладка
Количество на схеме: 1
Информация
Прокладка
Количество
1
Модель
6437
Группа
Cистема питания двигателя
Подгруппа
Фильтр воздушный
Порядковый номер детали
775
56
56
Артикул: 6437-1109730
нет в наличии
Хомут
Количество на схеме: 2
Информация
Хомут
Количество
2
Модель
6437
Группа
Cистема питания двигателя
Подгруппа
Фильтр воздушный
Порядковый номер детали
730
57
57
Артикул: 210368-П29
нет в наличии
Болт
Количество на схеме: 5
Информация
Болт
Количество
5
Покрытие
цинкование и пассивирование (цинковое с хроматированием)
58
58
Артикул: 201456-П29
в наличии
Болт М8х1,25х20
Количество на схеме: 3
Информация
Болт М8х1,25х20
Количество
3
Покрытие
цинкование и пассивирование (цинковое с хроматированием)
Болт М8х1.25х20(ЯМЗ)
Артикул: 201456-П29
Болт М8х1.25х20(ЯМЗ)
Код для заказа: 00005974
Цена: 8 ₽/шт.
Под заказ
Болт М8х1.25х20(ЯМЗ)
Артикул: 201456-П29
Код для заказа: 00005974
Болт М8х1.25х20(ЯМЗ)
Цена: 8 ₽/шт.
Под заказ
59
59
Артикул: 252038-П29
нет в наличии
Шайба 8
Количество на схеме: 1
Информация
Шайба 8
Количество
1
Покрытие
цинкование и пассивирование (цинковое с хроматированием)
60
60
Артикул: 250Б-1104517
нет в наличии
Угольник
Количество на схеме: 1
Информация
Угольник
Количество
1
Модель
250Б
Группа
Cистема питания двигателя
Подгруппа
Трубопроводы топливные
Порядковый номер детали
517
61
61
Артикул: 6437-1109588
нет в наличии
Планка
Количество на схеме: 1
Информация
Планка
Количество
1
Модель
6437
Группа
Cистема питания двигателя
Подгруппа
Фильтр воздушный
Порядковый номер детали
588
62
62
Артикул: 6437-1109716
нет в наличии
Кронштейн
Количество на схеме: 1
Информация
Кронштейн
Количество
1
Модель
6437
Группа
Cистема питания двигателя
Подгруппа
Фильтр воздушный
Порядковый номер детали
716
63
63
Артикул: 6437-1109810
нет в наличии
Кронштейн
Количество на схеме: 1
Информация
Кронштейн
Количество
1
Модель
6437
Группа
Cистема питания двигателя
Подгруппа
Фильтр воздушный
Порядковый номер детали
810
64
64
Артикул: 6437-1158120
нет в наличии
Кронштейн фильтра
Количество на схеме: 1
Информация
Кронштейн фильтра
Количество
1
Модель
6437
Группа
Cистема питания двигателя
Подгруппа
1158
Порядковый номер детали
120
65
65
Артикул: 6437-1109474
нет в наличии
Угольник
Количество на схеме: 1
Информация
Угольник
Количество
1
Модель
6437
Группа
Cистема питания двигателя
Подгруппа
Фильтр воздушный
Порядковый номер детали
474
66
66
Артикул: 6437-1109750-01
нет в наличии
Хомут
Количество на схеме: 2
Информация
Хомут
Количество
2
Модель
6437
Группа
Cистема питания двигателя
Подгруппа
Фильтр воздушный
Порядковый номер детали
750
67
67
Артикул: 6437-1109713
нет в наличии
Патрубок переходной
Количество на схеме: 1
Информация
Патрубок переходной
Количество
1
Модель
6437
Группа
Cистема питания двигателя
Подгруппа
Фильтр воздушный
Порядковый номер детали
713
68
68
Артикул: 6437-1109790
нет в наличии
Патрубок впускной
Количество на схеме: 1
Информация
Патрубок впускной
Количество
1
Модель
6437
Группа
Cистема питания двигателя
Подгруппа
Фильтр воздушный
Порядковый номер детали
790
69
69
Артикул: 13-3839600
нет в наличии
Датчик сигнализации засоренности воздушного фильтра
Количество на схеме: 1
Информация
Датчик сигнализации засоренности воздушного фильтра
Количество
1
Модель
13
Группа
Приборы
Подгруппа
Датчик уровня эксплуатационных жидкостей
Порядковый номер детали
600
70
70
Артикул: 201495-П29
в наличии
Болт М10х1,5х20
Количество на схеме: 1
Информация
Болт М10х1,5х20
Количество
1
Покрытие
цинкование и пассивирование (цинковое с хроматированием)
Болт М10х1.5х20 ГАЗ-3302 ремня безопасности, бака топливного ЭТНА
Артикул: 201495-П29
Болт М10х1.5х20 ГАЗ-3302 ремня безопасности, бака топливного ЭТНА
Код для заказа: 00022506
Цена: 13 ₽/шт.
Под заказ
Болт М10х1.5х20 ГАЗ-3302 ремня безопасности, бака топливного ЭТНА
Артикул: 201495-П29
Код для заказа: 00022506
Болт М10х1.5х20 ГАЗ-3302 ремня безопасности, бака топливного ЭТНА
Цена: 13 ₽/шт.
Под заказ
71
71
Артикул: 6437-1109747-01
нет в наличии
Угольник
Количество на схеме: 1
Информация
Угольник
Количество
1
Модель
6437
Группа
Cистема питания двигателя
Подгруппа
Фильтр воздушный
Порядковый номер детали
747
72
72
Артикул: 6437-1109792
нет в наличии
Кольцо
Количество на схеме: 2
Информация
Кольцо
Количество
2
Модель
6437
Группа
Cистема питания двигателя
Подгруппа
Фильтр воздушный
Порядковый номер детали
792
73
73
Артикул: 6437-1109740-01
нет в наличии
Хомут
Количество на схеме: 1
Информация
Хомут
Количество
1
Модель
6437
Группа
Cистема питания двигателя
Подгруппа
Фильтр воздушный
Порядковый номер детали
740
74
74
Артикул: 6437-1109784
нет в наличии
Заглушка
Количество на схеме: 1
Информация
Заглушка
Количество
1
Модель
6437
Группа
Cистема питания двигателя
Подгруппа
Фильтр воздушный
Порядковый номер детали
784
75
75
Артикул: 201418-П29
нет в наличии
Болт М6х1х16
Количество на схеме: 2
Информация
Болт М6х1х16
Количество
2
Покрытие
цинкование и пассивирование (цинковое с хроматированием)
76
76
Артикул: 252004-П29
в наличии
Шайба 6
Количество на схеме: 4
Информация
Шайба 6
Количество
4
Покрытие
цинкование и пассивирование (цинковое с хроматированием)
Шайба 6.0 УРАЛ кабины (АО АЗ УРАЛ)
Артикул: 252004-П29
Шайба 6.0 УРАЛ кабины (АО АЗ УРАЛ)
Код для заказа: 00002895
Цена: 12 ₽/шт.
В наличии: 41 шт.
- +
В корзинуВ корзине
Шайба 6.0 УРАЛ кабины (АО АЗ УРАЛ)
Артикул: 252004-П29
Код для заказа: 00002895
Шайба 6.0 УРАЛ кабины (АО АЗ УРАЛ)
Цена: 12 ₽/шт.
В наличии: 41 шт.
- +
В корзинуВ корзине
77
77
Артикул: 6437-1109772
нет в наличии
Сетка переходника
Количество на схеме: 1
Информация
Сетка переходника
Количество
1
Модель
6437
Группа
Cистема питания двигателя
Подгруппа
Фильтр воздушный
Порядковый номер детали
772
  • Грузовые автомобили
  • Автобусы
  • Сельхозтехника
  • Спецтехника
  • Двигатели
Получить оптовый прайс-лист
Скачать прайс-лист от 07.05.2026 16:00
Специальное предложение от 07.05.2026 17:00
Производители:


  • WEICHAI
  • Автодизель ПАО (ЯМЗ)
  • Тутаевский МЗ
  • ЯЗДА
  • УралАЗ
  • МАЗ
  • АЗПИ
  • BOSCH
  • ММЗ
  • ШААЗ
  • FEDERAL MOGUL
  • ПРАМО
  • Мотордеталь
  • ТАИМ
  • АвтоКрАЗ
  • БЕЛКАРД
  • CZ Strakonice
  • КамАЗ
  • БЗА
  • ЧМЗ
  • BMZ
Новости
Все новости
25 марта 2024
Флагманский седельный тягач «Валдай 45» на выставке «TransRussia»
10 марта 2024
Современные автобусы «CITYMAX 9» и ЛиАЗ-5292 CNG
25 февраля 2024
Серийное производство средних дизельных двигателей повышенной мощности от ЯМЗ
Статьи
Все статьи
Датчики двигателя: за что они отвечают, признаки неисправности и как не прогадать с выбором
Двигатели ЯМЗ-534: история, технические характеристики и области применения
Двигатели ЯМЗ 650: углублённый технический обзор и история
Компания
О компании
Реквизиты
Новости
Политика
Магазины
Информация
Условия оплаты
Условия доставки
Гарантия на товар
Обмен и возврат товара
Помощь
Как оформить заказ
Полезные статьи
Бренды
Пункты выдачи
Оставайтесь на связи
  • Вконтакте
  • YouTube
  • Одноклассники
  • Google Plus
Увидели ошибку?
Выделите, нажав Ctrl + Enter
Наши контакты
8-800-700-35-68
sales@din76.ru
г. Ярославль, Ленинградский пр-т 33, ТЦ "ОМЕГА"
2026 © ООО «Динамика 76» - Все права защищены ООО "Динамика 76"
Предложения на сайте не являются публичной офертой.
На сайте обнаружена ошибка

Текст с ошибкой