Избранное 0 Корзина 0 Личный кабинет
logo
Каталог
Каталог
  • Справочник
    • Грузовые автомобили
    • Автобусы
    • Сельхозтехника
    • Спецтехника
    • Двигатели
  • Доставка
  • Оплата
  • О компании
    • Реквизиты
    • Магазины
    • Оплата
    • Доставка
    • Лицензии и сертификаты
    • Новости
    • Вакансии
  • Контакты
Отправить заявку
Личный кабинет
8 (800) 700-35-68
sales@din76.ru
Избранное 0 Корзина 0
8 (800) 700-35-68
Оптовый прайс-лист
Каталог
  • Двигатели
  • Запчасти WEICHAI
  • Запчасти ЯМЗ, ТМЗ (V-образные)
  • Запчасти ЯМЗ-534, ЯМЗ-536
  • Запчасти ЯМЗ-650, ЯМЗ-651, DCi-11
  • Топливная аппаратура
  • Запчасти УРАЛ
  • Запчасти МАЗ
  • Запчасти КамАЗ
  • Запчасти ММЗ
  • Ремни
Автокаталог (справочник)
  • Доставка
  • Оплата
  • О компании
  • Контакты
8 (800) 700-35-68
Написать в Whatsapp
sales@din76.ru
Динамика 76
Меню  
  • Каталог
    • Двигатели  
      • Двигатели ТМЗ  
        • Двигатели ТМЗ для автомобилей
        • Двигатели ТМЗ для тракторов
        • Специальные двигатели ТМЗ
        • Промышленные двигатели ТМЗ
      • Двигатели ЯМЗ  
        • ЯМЗ 236
        • ЯМЗ 238
        • ЯМЗ 240
        • ЯМЗ 751
        • ЯМЗ 840
        • ЯМЗ 850
        • ЯМЗ 656
        • ЯМЗ 658
        • ЯМЗ 534
        • ЯМЗ 536
        • ЯМЗ 650
        • Двигатели ЯМЗ для электростанций
      • Двигатели КАМАЗ
      • Двигатели ММЗ
      • Двигатели индивидуальной сборки
      • Комплекты переоборудования
    • Запчасти WEICHAI  
      • Основные запчасти двигателя  
        • Клапаны и толкатели
        • Шатуны
        • Вал коленчатый и маховик
        • Вал распределительный
        • Цилиндро-поршневая группа
      • Система питания  
        • Форсунки
        • Турбокомпрессор
      • Система смазки  
        • Насос масляный
      • Головка блока
      • Ремкомплекты
      • Система охлаждения  
        • Насос водяной
        • Муфта вязкостная и крыльчатка
      • Фильтры
      • Электрооборудование  
        • Генератор
        • Стартер
    • Запчасти ЯМЗ, ТМЗ (V-образные)  
      • Основные запчасти двигателя  
        • Блок двигателя и комплектующие
        • Валы распределительные и клапаны
        • Головка блока и комплектующие
        • Цилиндро-поршневая группа
        • Маховики и комплектующие
        • Валы коленчатые и комплектующие
        • Шатуны и комплектующие
      • Система питания  
        • Коллекторы и патрубки
        • Топливные трубопроводы
        • Турбокомпрессор
        • Топливные фильтры
      • Электрооборудование двигателя
      • Система охлаждения  
        • Вязкостные муфты и крыльчатки
        • Приводы вентилятора
        • Водяные насосы
        • Водяные трубы и термостаты
      • Коробки переключения передач  
        • 8 Ступенчатые КПП
        • 5 Ступенчатые КПП
        • 9 Ступенчатые КПП
        • Запасные части КПП ЯМЗ, ТМЗ
      • Система смазки  
        • Теплообменник и комплектующие
        • Масляные насосы
        • Фильтры масляные (ФГОМ, ФЦОМ)
      • Сцепление  
        • Запасные части механизма сцепления
        • Муфты (подшипники выжимные)
        • Корзины (диски нажимные)
        • Диски ведомые
      • Прочие запчасти двигателя  
        • Ремкомплекты
        • Привод агрегатов
        • Натяжные устройства
        • Трубки
    • Запчасти ЯМЗ-534, ЯМЗ-536  
      • Основные запчасти двигателя  
        • Цилиндро-поршневая группа
        • Головка блока цилиндров и комплектующие
        • Блок цилиндров и комплектующие
        • Вал коленчатый и маховик
        • Вал распределительный
        • Клапаны и толкатели
        • ГУР (Гидроусилитель руля)
        • Система рециркуляции отработавших газов
        • Выпускной коллектор
      • Система питания  
        • Коллекторы и патрубки
        • Топливные фильтры
        • Турбокомпрессор
        • Топливные трубопроводы
      • Система смазки  
        • Масляный картер поддон
        • Масляный насос
        • Теплообменник /Водо-масляный радиатор
        • Фильтры масляные (ФГОМ, ФЦОМ)
      • Пневмокомпрессор и натяжное
      • Система охлаждения  
        • Водяной насос
        • Водяные трубы и патрубки
        • Муфты вязкостные, приводы, крыльчатки
      • Ремкомплекты
      • Сцепление
      • Электрооборудование
    • Запчасти ЯМЗ-650, ЯМЗ-651, DCi-11  
      • Основные запчасти двигателя  
        • Цилиндро-поршневая группа
        • Головка блока цилиндров и комплектующие
        • Блок цилиндров и комплектующие
        • Вал коленчатый и маховик
        • Выпускной коллектор
        • Вал распределительный
        • Клапаны и толкатели
        • ГУР (Гидроусилитель руля)
        • Система рециркуляции отработавших газов
      • Система питания  
        • Коллекторы и патрубки
        • Топливные трубопроводы
        • Топливные фильтры
        • Турбокомпрессор
      • Система смазки  
        • Масляный картер / поддон
        • Масляный насос
        • Теплообменник / Водо-масляный радиатор
        • Фильтры масляные (ФГОМ, ФЦОМ)
      • Система охлаждения  
        • Водяной насос
        • Водяные трубы и патрубки
        • Муфты вязкостные, приводы, крыльчатки
      • Ремкомплекты
      • Пневмокомпрессор и натяжное
      • Электрооборудование
      • Сцепление
    • Топливная аппаратура  
      • ЯЗДА  
        • Распылители
        • ТНВД
        • Форсунки
        • Топливный насос низкого давления
        • Пары плунжерные
        • Муфта опережения впрыска топлива
        • Запчасти и комплектующие ТНВД
      • НЗТА
      • АЗПИ  
        • Распылители
        • Форсунки
      • BOSCH
    • Запчасти УРАЛ  
      • Трансмиссия  
        • Коробка раздаточная
        • Передача карданная
        • Мост задний
        • Мост передний (ведущий)
        • Мост средний (промежуточный)
      • Кузов  
        • Дверь кабины
        • Капот, крылья, облицовка радиатора
        • Окно ветровое и заднее
        • Отопление и вентиляция кабины
        • Кабина
      • Механизмы управления  
        • Управление рулевое
        • Тормоза
      • Дополнительное оборудование  
        • Отбор мощности
        • Устройство седельное
      • Электрооборудование
      • Ходовая часть  
        • Колеса и ступицы
        • Ось передняя
        • Подвеска автомобиля
        • Рама
    • Запчасти МАЗ  
      • Трансмиссия  
        • Мост задний
        • Мост передний (ведущий)
        • Передача карданная
        • Мост средний (промежуточный)
      • Кузов  
        • Кабина
        • Дверь кабины
        • Детали основания кабины
        • Окно ветровое и заднее
        • Платформа
      • Механизмы управления  
        • Тормоза
        • Управление рулевое
      • Ходовая часть  
        • Колеса и ступицы
        • Ось передняя
        • Подвеска автомобиля
        • Рама
    • Запчасти КамАЗ  
      • Кузов  
        • Кабина
        • Капот, крылья, облицовка радиатора
        • Дверь кабины
        • Платформа
        • Окно ветровое и заднее
        • Устройство подъемное и опрокидывающее
        • Сиденье
        • Крыша кабины (крыша кузова)
        • Отопление и вентиляция кабины
      • Трансмиссия  
        • Коробка передач
        • Коробка раздаточная
        • Мост задний
        • Сцепление
        • Мост средний (промежуточный)
        • Передача карданная
        • Мост передний (ведущий)
      • Двигатель  
        • Основные запчасти двигателя
        • Система охлаждения
        • Система питания
        • Система смазки
      • Дополнительное оборудование  
        • Отбор мощности
        • Устройство седельное
      • Ходовая часть  
        • Подвеска автомобиля
        • Рама
        • Колеса и ступицы
        • Ось передняя
      • Механизмы управления  
        • Тормоза
        • Управление рулевое
      • Электрооборудование
    • Запчасти ММЗ
    • Ремни
  • Справочник
    • Грузовые автомобили
    • Автобусы
    • Сельхозтехника
    • Спецтехника
    • Двигатели
  • Как купить
    • Условия оплаты
    • Условия доставки
    • Гарантия на товар
    • Пункты выдачи
  • Услуги
    • Капитальный ремонт двигателей ЯМЗ
  • Акции
  • Статьи
  • Контакты
  • Компания
    • Реквизиты
    • Магазины
    • Оплата
    • Доставка
    • Лицензии и сертификаты
    • Новости
    • Вакансии
Избранное 0 Корзина 0
8-800-700-35-68

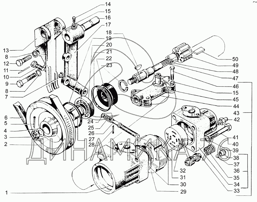
Насос масляный рулевого усилителя на КрАЗ-64431-02 (до 2008 г.)

Справочник
Главная
-
Автокаталог
-
Грузовые автомобили и прицепы
-
КрАЗ
-
КрАЗ-64431-02
Справочный каталог

Насос масляный рулевого усилителя — КрАЗ-64431-02:

256Б-3407199-01 65055-3407190-10 1 2 3 4 5 6 7 8 8 9 10 11 12 13 14 15 15 16 17 18 19 20 21 22 23 24 25 26 27 28 29 30 31 32 33 34 35 36 37 38 39 40 41 42 43 44 45 46 47 48 49 50
в наличии
нет в наличии
масштаб

В наличии
Нет в наличии

Перечень комплектующих от Насос масляный рулевого усилителя на КрАЗ-64431-02

Схемы запчастей предназначены для справочных целей! Мы продаем не все запчасти от Насос масляный рулевого усилителя на КрАЗ-64431-02, представленные в этом списке.
Наличие на складах по деталям с ценой смотрите в карточке товара.
Артикул: 256Б-3407199-01
в наличии
Насос масляный в сборе
Количество на схеме: 1
Информация
Насос масляный в сборе
Количество
1
Модель
256Б
Группа
Управление рулевое
Подгруппа
Насос гидроусилителя механизма рулевого управления
Порядковый номер детали
199
Насос гидроусилителя КРАЗ,УРАЛ
Артикул: 256Б-3407199-01
Насос гидроусилителя КРАЗ,УРАЛ
Код для заказа: 00040539
Цена: 19 425 ₽/шт.
Под заказ
Насос гидроусилителя КРАЗ,УРАЛ
Артикул: 256Б-3407199-01
Код для заказа: 00040539
Насос гидроусилителя КРАЗ,УРАЛ
Цена: 19 425 ₽/шт.
Под заказ
Насос гидроусилителя КРАЗ,УРАЛ БАГУ
Артикул: 256Б-3407199-01
Насос гидроусилителя КРАЗ,УРАЛ БАГУ
Код для заказа: 00010290
Цена: 19 425 ₽/шт.
Под заказ
Насос гидроусилителя КРАЗ,УРАЛ БАГУ
Артикул: 256Б-3407199-01
Код для заказа: 00010290
Насос гидроусилителя КРАЗ,УРАЛ БАГУ
Цена: 19 425 ₽/шт.
Под заказ
Артикул: 65055-3407190-10
нет в наличии
Насос масляный
Количество на схеме: 1
Информация
Насос масляный
Количество
1
Модель
65055
Группа
Управление рулевое
Подгруппа
Насос гидроусилителя механизма рулевого управления
Порядковый номер детали
190
Дополнительно
Не взаимозаменяема с деталью, выпущенной ранее под этим же номером
1
1
Артикул: 130-3407211
нет в наличии
Корпус насоса
Количество на схеме: 1
Информация
Корпус насоса
Количество
1
Модель
130
Группа
Управление рулевое
Подгруппа
Насос гидроусилителя механизма рулевого управления
Порядковый номер детали
211
2
2
Артикул: 256Б-3407240-Б
нет в наличии
Шкив насоса
Количество на схеме: 1
Информация
Шкив насоса
Количество
1
Модель
256Б
Группа
Управление рулевое
Подгруппа
Насос гидроусилителя механизма рулевого управления
Порядковый номер детали
240
3
3
Артикул: 4595539514
нет в наличии
Гайка М16х1,5
Количество на схеме: 1
Информация
Гайка М16х1,5
Количество
1
Группа
Лебедка
Подгруппа
4595
Порядковый номер детали
539
Дополнительно
Не взаимозаменяема с деталью, выпущенной ранее под этим же номером
4
4
Артикул: 1/35507/01
нет в наличии
Шайба 16
Количество на схеме: 1
Информация
Шайба 16
Количество
1
Примечание
29
Крепежная деталь
да
Материал
сталь 40 (сталь с пределом прочности на разрыв 333-490 (34-50) МПа (кг/мм2)
Покрытие
цинкование
5
5
Артикул: 258055
нет в наличии
Шплинт 4х36
Количество на схеме: 1
Информация
Шплинт 4х36
Количество
1
Покрытие
без покрытия
6
6
Артикул: 503-3407209
нет в наличии
Ремень привода насоса
Количество на схеме: 1
Информация
Ремень привода насоса
Количество
1
Модель
503
Группа
Управление рулевое
Подгруппа
Насос гидроусилителя механизма рулевого управления
Порядковый номер детали
209
7
7
Артикул: 252137
нет в наличии
Шайба 12 ОТ
Количество на схеме: 2
Информация
Шайба 12 ОТ
Количество
2
Покрытие
без покрытия
8
8
Артикул: 252136
нет в наличии
Шайба 10,2
Количество на схеме: 7
Информация
Шайба 10,2
Количество
7
Покрытие
без покрытия
9
9
Артикул: 201499
нет в наличии
Болт М10х30
Количество на схеме: 1
Информация
Болт М10х30
Количество
1
Покрытие
без покрытия
10
10
Артикул: 206576
нет в наличии
Болт М12х1,15х30
Количество на схеме: 2
Информация
Болт М12х1,15х30
Количество
2
Покрытие
без покрытия
11
11
Артикул: 258284
нет в наличии
Шплинт 1,6х25
Количество на схеме: 1
Информация
Шплинт 1,6х25
Количество
1
Покрытие
без покрытия
12
12
Артикул: 200327
нет в наличии
Болт М10-6gх90
Количество на схеме: 2
Информация
Болт М10-6gх90
Количество
2
Покрытие
без покрытия
13
13
Артикул: 256Б-3407203-11
нет в наличии
Кронштейн
Количество на схеме: 1
Информация
Кронштейн
Количество
1
Модель
256Б
Группа
Управление рулевое
Подгруппа
Насос гидроусилителя механизма рулевого управления
Порядковый номер детали
203
Дополнительно
Не взаимозаменяема с деталью, выпущенной ранее под этим же номером
14
14
Артикул: 201416
нет в наличии
Болт М6-6gх12
Количество на схеме: 1
Информация
Болт М6-6gх12
Количество
1
Покрытие
без покрытия
15
15
Артикул: 252134
нет в наличии
Шайба 6Т
Количество на схеме: 9
Информация
Шайба 6Т
Количество
9
Покрытие
без покрытия
16
16
Артикул: 256Б-3407214
нет в наличии
Ось кронштейна
Количество на схеме: 1
Информация
Ось кронштейна
Количество
1
Модель
256Б
Группа
Управление рулевое
Подгруппа
Насос гидроусилителя механизма рулевого управления
Порядковый номер детали
214
17
17
Артикул: 256Б-3407205
нет в наличии
Кронштейн подвижный
Количество на схеме: 1
Информация
Кронштейн подвижный
Количество
1
Модель
256Б
Группа
Управление рулевое
Подгруппа
Насос гидроусилителя механизма рулевого управления
Порядковый номер детали
205
18
18
Артикул: 418251
нет в наличии
Шпонка
Количество на схеме: 1
Информация
Шпонка
Количество
1
Покрытие
без покрытия
19
19
Артикул: 307702
нет в наличии
Кольцо упорное
Количество на схеме: 1
Информация
Кольцо упорное
Количество
1
Покрытие
без покрытия
20
20
Артикул: 1180304КС23
нет в наличии
Подшипник шариковый
Количество на схеме: 1
Информация
Подшипник шариковый
Количество
1
Группа
Cистема питания двигателя
Подгруппа
1180
Порядковый номер детали
304
21
21
Артикул: 130-3407059-А
нет в наличии
Проставка насоса
Количество на схеме: 1
Информация
Проставка насоса
Количество
1
Модель
130
Группа
Управление рулевое
Подгруппа
Насос гидроусилителя механизма рулевого управления
Порядковый номер детали
059
22
22
Артикул: 309777
нет в наличии
Манжета 24х46
Количество на схеме: 1
Информация
Манжета 24х46
Количество
1
Покрытие
без покрытия
23
23
Артикул: 305811
нет в наличии
Шайба
Количество на схеме: 1
Информация
Шайба
Количество
1
Покрытие
без покрытия
24
24
Артикул: 252006
нет в наличии
Шайба 10,5
Количество на схеме: 2
Информация
Шайба 10,5
Количество
2
Покрытие
без покрытия
25
25
Артикул: 200-3520022
нет в наличии
Пружина регулировочного винта
Количество на схеме: 1
Информация
Пружина регулировочного винта
Количество
1
Модель
200
Группа
Тормоза
Подгруппа
Кран разобщительный
Порядковый номер детали
022
26
26
Артикул: 256Б-3407216-01
нет в наличии
Винт
Количество на схеме: 1
Информация
Винт
Количество
1
Модель
256Б
Группа
Управление рулевое
Подгруппа
Насос гидроусилителя механизма рулевого управления
Порядковый номер детали
216
27
27
Артикул: 130-3407247
нет в наличии
Втулка шкива
Количество на схеме: 1
Информация
Втулка шкива
Количество
1
Модель
130
Группа
Управление рулевое
Подгруппа
Насос гидроусилителя механизма рулевого управления
Порядковый номер детали
247
28
28
Артикул: 258039
нет в наличии
Шплинт 3,2х20
Количество на схеме: 1
Информация
Шплинт 3,2х20
Количество
1
Покрытие
без покрытия
29
29
Артикул: 5320-3407253
нет в наличии
Статор насоса
Количество на схеме: 1
Информация
Статор насоса
Количество
1
Модель
5320
Группа
Управление рулевое
Подгруппа
Насос гидроусилителя механизма рулевого управления
Порядковый номер детали
253
30
30
Артикул: 130-3407252
нет в наличии
Кольцо уплотнительное
Количество на схеме: 2
Информация
Кольцо уплотнительное
Количество
2
Модель
130
Группа
Управление рулевое
Подгруппа
Насос гидроусилителя механизма рулевого управления
Порядковый номер детали
252
31
31
Артикул: 853757
нет в наличии
Штифт установочный
Количество на схеме: 2
Информация
Штифт установочный
Количество
2
Покрытие
без покрытия
32
32
Артикул: 130-3407255
нет в наличии
Диск распределительный
Количество на схеме: 1
Информация
Диск распределительный
Количество
1
Модель
130
Группа
Управление рулевое
Подгруппа
Насос гидроусилителя механизма рулевого управления
Порядковый номер детали
255
33
33
Артикул: 130-3407270-A
нет в наличии
Клапан перепускной в сборе
Количество на схеме: 1
Информация
Клапан перепускной в сборе
Количество
1
Модель
130
Группа
Управление рулевое
Подгруппа
Насос гидроусилителя механизма рулевого управления
Порядковый номер детали
270
Дополнительно
Конструкция детали модернизирована, но сохранена взаимозаменяемость с ранее выпущенными
34
34
Артикул: 130-3407213
нет в наличии
Крышка насоса
Количество на схеме: 1
Информация
Крышка насоса
Количество
1
Модель
130
Группа
Управление рулевое
Подгруппа
Насос гидроусилителя механизма рулевого управления
Порядковый номер детали
213
35
35
Артикул: 130-3407281
нет в наличии
Пружина перепускного клапана
Количество на схеме: 1
Информация
Пружина перепускного клапана
Количество
1
Модель
130
Группа
Управление рулевое
Подгруппа
Насос гидроусилителя механизма рулевого управления
Порядковый номер детали
281
36
36
Артикул: 256Б-3407212
нет в наличии
Крышка в сборе
Количество на схеме: 1
Информация
Крышка в сборе
Количество
1
Модель
256Б
Группа
Управление рулевое
Подгруппа
Насос гидроусилителя механизма рулевого управления
Порядковый номер детали
212
37
37
Артикул: 306231
нет в наличии
Шарик-клапан
Количество на схеме: 1
Информация
Шарик-клапан
Количество
1
Покрытие
без покрытия
38
38
Артикул: 300102
нет в наличии
Седло
Количество на схеме: 1
Информация
Седло
Количество
1
Покрытие
без покрытия
39
39
Артикул: 4598166067
нет в наличии
Шайба 10
Количество на схеме: 4
Информация
Шайба 10
Количество
4
Группа
Лебедка
Подгруппа
4598
Порядковый номер детали
166
Дополнительно
Не взаимозаменяема с деталью, выпущенной ранее под этим же номером
40
40
Артикул: 4593271067
нет в наличии
Болт М10-6gх70
Количество на схеме: 2
Информация
Болт М10-6gх70
Количество
2
Группа
Лебедка
Подгруппа
4593
Порядковый номер детали
271
Дополнительно
Не взаимозаменяема с деталью, выпущенной ранее под этим же номером
41
41
Артикул: 301512
нет в наличии
Болт
Количество на схеме: 2
Информация
Болт
Количество
2
Покрытие
без покрытия
42
42
Артикул: 260-1104596-10
нет в наличии
Переходник
Количество на схеме: 1
Информация
Переходник
Количество
1
Модель
260
Группа
Cистема питания двигателя
Подгруппа
Трубопроводы топливные
Порядковый номер детали
596
Дополнительно
Не взаимозаменяема с деталью, выпущенной ранее под этим же номером
43
43
Артикул: 65055-3407200
нет в наличии
Насос в сборе
Количество на схеме: 1
Информация
Насос в сборе
Количество
1
Модель
65055
Группа
Управление рулевое
Подгруппа
Насос гидроусилителя механизма рулевого управления
Порядковый номер детали
200
44
44
Артикул: 130-3407437
нет в наличии
Прокладка уплотнительная коллектора
Количество на схеме: 2
Информация
Прокладка уплотнительная коллектора
Количество
2
Модель
130
Группа
Управление рулевое
Подгруппа
Насос гидроусилителя механизма рулевого управления
Порядковый номер детали
437
45
45
Артикул: 256Б-3407432-30
нет в наличии
Коллектор насоса
Количество на схеме: 1
Информация
Коллектор насоса
Количество
1
Модель
256Б
Группа
Управление рулевое
Подгруппа
Насос гидроусилителя механизма рулевого управления
Порядковый номер детали
432
Дополнительно
Не взаимозаменяема с деталью, выпущенной ранее под этим же номером
46
46
Артикул: 201426
нет в наличии
Болт М6х35
Количество на схеме: 4
Информация
Болт М6х35
Количество
4
Покрытие
без покрытия
47
47
Артикул: 130-3407217
нет в наличии
Валик насоса
Количество на схеме: 1
Информация
Валик насоса
Количество
1
Модель
130
Группа
Управление рулевое
Подгруппа
Насос гидроусилителя механизма рулевого управления
Порядковый номер детали
217
48
48
Артикул: 154901E
нет в наличии
Подшипник игольчатый
Количество на схеме: 1
Информация
Подшипник игольчатый
Количество
1
Покрытие
без покрытия
49
49
Артикул: 5320-3407248
нет в наличии
Ротор насоса
Количество на схеме: 1
Информация
Ротор насоса
Количество
1
Модель
5320
Группа
Управление рулевое
Подгруппа
Насос гидроусилителя механизма рулевого управления
Порядковый номер детали
248
50
50
Артикул: 5320-3407251
нет в наличии
Лопасть ротора
Количество на схеме: 10
Информация
Лопасть ротора
Количество
10
Модель
5320
Группа
Управление рулевое
Подгруппа
Насос гидроусилителя механизма рулевого управления
Порядковый номер детали
251
  • Грузовые автомобили
  • Автобусы
  • Сельхозтехника
  • Спецтехника
  • Двигатели
Получить оптовый прайс-лист
Скачать прайс-лист от 07.05.2026 16:00
Специальное предложение от 07.05.2026 17:00
Производители:


  • WEICHAI
  • Автодизель ПАО (ЯМЗ)
  • Тутаевский МЗ
  • ЯЗДА
  • УралАЗ
  • МАЗ
  • АЗПИ
  • BOSCH
  • ММЗ
  • ШААЗ
  • FEDERAL MOGUL
  • ПРАМО
  • Мотордеталь
  • ТАИМ
  • АвтоКрАЗ
  • БЕЛКАРД
  • CZ Strakonice
  • КамАЗ
  • БЗА
  • ЧМЗ
  • BMZ
Новости
Все новости
25 марта 2024
Флагманский седельный тягач «Валдай 45» на выставке «TransRussia»
10 марта 2024
Современные автобусы «CITYMAX 9» и ЛиАЗ-5292 CNG
25 февраля 2024
Серийное производство средних дизельных двигателей повышенной мощности от ЯМЗ
Статьи
Все статьи
Датчики двигателя: за что они отвечают, признаки неисправности и как не прогадать с выбором
Двигатели ЯМЗ-534: история, технические характеристики и области применения
Двигатели ЯМЗ 650: углублённый технический обзор и история
Компания
О компании
Реквизиты
Новости
Политика
Магазины
Информация
Условия оплаты
Условия доставки
Гарантия на товар
Обмен и возврат товара
Помощь
Как оформить заказ
Полезные статьи
Бренды
Пункты выдачи
Оставайтесь на связи
  • Вконтакте
  • YouTube
  • Одноклассники
  • Google Plus
Увидели ошибку?
Выделите, нажав Ctrl + Enter
Наши контакты
8-800-700-35-68
sales@din76.ru
г. Ярославль, Ленинградский пр-т 33, ТЦ "ОМЕГА"
2026 © ООО «Динамика 76» - Все права защищены ООО "Динамика 76"
Предложения на сайте не являются публичной офертой.
На сайте обнаружена ошибка

Текст с ошибкой