Избранное 0 Корзина 0 Личный кабинет
logo
Каталог
Каталог
  • Справочник
    • Грузовые автомобили
    • Автобусы
    • Сельхозтехника
    • Спецтехника
    • Двигатели
  • Доставка
  • Оплата
  • О компании
    • Реквизиты
    • Магазины
    • Оплата
    • Доставка
    • Лицензии и сертификаты
    • Новости
    • Вакансии
  • Контакты
Отправить заявку
Личный кабинет
8 (800) 700-35-68
sales@din76.ru
Избранное 0 Корзина 0
8 (800) 700-35-68
Оптовый прайс-лист
Каталог
  • Двигатели
  • Запчасти WEICHAI
  • Запчасти ЯМЗ, ТМЗ (V-образные)
  • Запчасти ЯМЗ-534, ЯМЗ-536
  • Запчасти ЯМЗ-650, ЯМЗ-651, DCi-11
  • Топливная аппаратура
  • Запчасти УРАЛ
  • Запчасти МАЗ
  • Запчасти КамАЗ
  • Запчасти ММЗ
  • Ремни
Автокаталог (справочник)
  • Доставка
  • Оплата
  • О компании
  • Контакты
8 (800) 700-35-68
Написать в Whatsapp
sales@din76.ru
Динамика 76
Меню  
  • Каталог
    • Двигатели  
      • Двигатели ТМЗ  
        • Двигатели ТМЗ для автомобилей
        • Двигатели ТМЗ для тракторов
        • Специальные двигатели ТМЗ
        • Промышленные двигатели ТМЗ
      • Двигатели ЯМЗ  
        • ЯМЗ 236
        • ЯМЗ 238
        • ЯМЗ 240
        • ЯМЗ 751
        • ЯМЗ 840
        • ЯМЗ 850
        • ЯМЗ 656
        • ЯМЗ 658
        • ЯМЗ 534
        • ЯМЗ 536
        • ЯМЗ 650
        • Двигатели ЯМЗ для электростанций
      • Двигатели КАМАЗ
      • Двигатели ММЗ
      • Двигатели индивидуальной сборки
      • Комплекты переоборудования
    • Запчасти WEICHAI  
      • Основные запчасти двигателя  
        • Клапаны и толкатели
        • Шатуны
        • Вал коленчатый и маховик
        • Вал распределительный
        • Цилиндро-поршневая группа
      • Система питания  
        • Форсунки
        • Турбокомпрессор
      • Система смазки  
        • Насос масляный
      • Головка блока
      • Ремкомплекты
      • Система охлаждения  
        • Насос водяной
        • Муфта вязкостная и крыльчатка
      • Фильтры
      • Электрооборудование  
        • Генератор
        • Стартер
    • Запчасти ЯМЗ, ТМЗ (V-образные)  
      • Основные запчасти двигателя  
        • Блок двигателя и комплектующие
        • Валы распределительные и клапаны
        • Головка блока и комплектующие
        • Цилиндро-поршневая группа
        • Маховики и комплектующие
        • Валы коленчатые и комплектующие
        • Шатуны и комплектующие
      • Система питания  
        • Коллекторы и патрубки
        • Топливные трубопроводы
        • Турбокомпрессор
        • Топливные фильтры
      • Электрооборудование двигателя
      • Система охлаждения  
        • Вязкостные муфты и крыльчатки
        • Приводы вентилятора
        • Водяные насосы
        • Водяные трубы и термостаты
      • Коробки переключения передач  
        • 8 Ступенчатые КПП
        • 5 Ступенчатые КПП
        • 9 Ступенчатые КПП
        • Запасные части КПП ЯМЗ, ТМЗ
      • Система смазки  
        • Теплообменник и комплектующие
        • Масляные насосы
        • Фильтры масляные (ФГОМ, ФЦОМ)
      • Сцепление  
        • Запасные части механизма сцепления
        • Муфты (подшипники выжимные)
        • Корзины (диски нажимные)
        • Диски ведомые
      • Прочие запчасти двигателя  
        • Ремкомплекты
        • Привод агрегатов
        • Натяжные устройства
        • Трубки
    • Запчасти ЯМЗ-534, ЯМЗ-536  
      • Основные запчасти двигателя  
        • Цилиндро-поршневая группа
        • Головка блока цилиндров и комплектующие
        • Блок цилиндров и комплектующие
        • Вал коленчатый и маховик
        • Вал распределительный
        • Клапаны и толкатели
        • ГУР (Гидроусилитель руля)
        • Система рециркуляции отработавших газов
        • Выпускной коллектор
      • Система питания  
        • Коллекторы и патрубки
        • Топливные фильтры
        • Турбокомпрессор
        • Топливные трубопроводы
      • Система смазки  
        • Масляный картер поддон
        • Масляный насос
        • Теплообменник /Водо-масляный радиатор
        • Фильтры масляные (ФГОМ, ФЦОМ)
      • Пневмокомпрессор и натяжное
      • Система охлаждения  
        • Водяной насос
        • Водяные трубы и патрубки
        • Муфты вязкостные, приводы, крыльчатки
      • Ремкомплекты
      • Сцепление
      • Электрооборудование
    • Запчасти ЯМЗ-650, ЯМЗ-651, DCi-11  
      • Основные запчасти двигателя  
        • Цилиндро-поршневая группа
        • Головка блока цилиндров и комплектующие
        • Блок цилиндров и комплектующие
        • Вал коленчатый и маховик
        • Выпускной коллектор
        • Вал распределительный
        • Клапаны и толкатели
        • ГУР (Гидроусилитель руля)
        • Система рециркуляции отработавших газов
      • Система питания  
        • Коллекторы и патрубки
        • Топливные трубопроводы
        • Топливные фильтры
        • Турбокомпрессор
      • Система смазки  
        • Масляный картер / поддон
        • Масляный насос
        • Теплообменник / Водо-масляный радиатор
        • Фильтры масляные (ФГОМ, ФЦОМ)
      • Система охлаждения  
        • Водяной насос
        • Водяные трубы и патрубки
        • Муфты вязкостные, приводы, крыльчатки
      • Ремкомплекты
      • Пневмокомпрессор и натяжное
      • Электрооборудование
      • Сцепление
    • Топливная аппаратура  
      • ЯЗДА  
        • Распылители
        • ТНВД
        • Форсунки
        • Топливный насос низкого давления
        • Пары плунжерные
        • Муфта опережения впрыска топлива
        • Запчасти и комплектующие ТНВД
      • НЗТА
      • АЗПИ  
        • Распылители
        • Форсунки
      • BOSCH
    • Запчасти УРАЛ  
      • Трансмиссия  
        • Коробка раздаточная
        • Передача карданная
        • Мост задний
        • Мост передний (ведущий)
        • Мост средний (промежуточный)
      • Кузов  
        • Дверь кабины
        • Капот, крылья, облицовка радиатора
        • Окно ветровое и заднее
        • Отопление и вентиляция кабины
        • Кабина
      • Механизмы управления  
        • Управление рулевое
        • Тормоза
      • Дополнительное оборудование  
        • Отбор мощности
        • Устройство седельное
      • Электрооборудование
      • Ходовая часть  
        • Колеса и ступицы
        • Ось передняя
        • Подвеска автомобиля
        • Рама
    • Запчасти МАЗ  
      • Трансмиссия  
        • Мост задний
        • Мост передний (ведущий)
        • Передача карданная
        • Мост средний (промежуточный)
      • Кузов  
        • Кабина
        • Дверь кабины
        • Детали основания кабины
        • Окно ветровое и заднее
        • Платформа
      • Механизмы управления  
        • Тормоза
        • Управление рулевое
      • Ходовая часть  
        • Колеса и ступицы
        • Ось передняя
        • Подвеска автомобиля
        • Рама
    • Запчасти КамАЗ  
      • Кузов  
        • Кабина
        • Капот, крылья, облицовка радиатора
        • Дверь кабины
        • Платформа
        • Окно ветровое и заднее
        • Устройство подъемное и опрокидывающее
        • Сиденье
        • Крыша кабины (крыша кузова)
        • Отопление и вентиляция кабины
      • Трансмиссия  
        • Коробка передач
        • Коробка раздаточная
        • Мост задний
        • Сцепление
        • Мост средний (промежуточный)
        • Передача карданная
        • Мост передний (ведущий)
      • Двигатель  
        • Основные запчасти двигателя
        • Система охлаждения
        • Система питания
        • Система смазки
      • Дополнительное оборудование  
        • Отбор мощности
        • Устройство седельное
      • Ходовая часть  
        • Подвеска автомобиля
        • Рама
        • Колеса и ступицы
        • Ось передняя
      • Механизмы управления  
        • Тормоза
        • Управление рулевое
      • Электрооборудование
    • Запчасти ММЗ
    • Ремни
  • Справочник
    • Грузовые автомобили
    • Автобусы
    • Сельхозтехника
    • Спецтехника
    • Двигатели
  • Как купить
    • Условия оплаты
    • Условия доставки
    • Гарантия на товар
    • Пункты выдачи
  • Услуги
    • Капитальный ремонт двигателей ЯМЗ
  • Акции
  • Статьи
  • Контакты
  • Компания
    • Реквизиты
    • Магазины
    • Оплата
    • Доставка
    • Лицензии и сертификаты
    • Новости
    • Вакансии
Избранное 0 Корзина 0
8-800-700-35-68

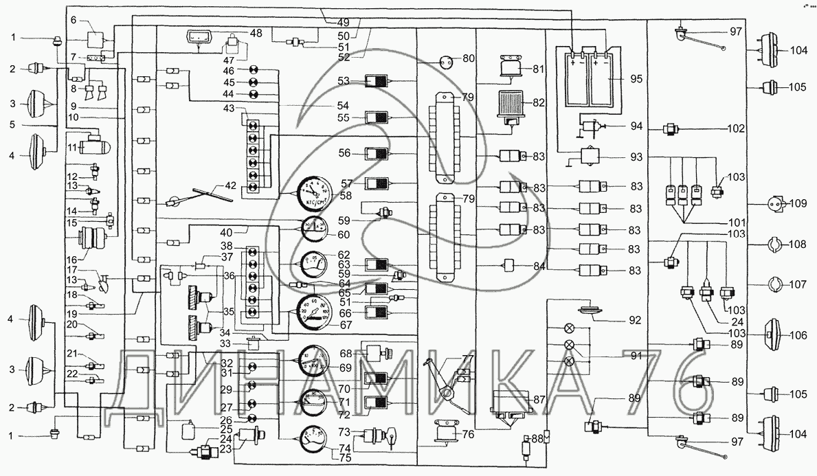
Схема электрооборудования на КрАЗ-64372, 6133М6 (до 2006 г.)

Справочник
Главная
-
Автокаталог
-
Грузовые автомобили и прицепы
-
КрАЗ
-
КрАЗ-64372, 6133М6
Справочный каталог

Схема электрооборудования — КрАЗ-64372, 6133М6:

11.3745000-21 26.3712 2622.3747000 5202.3709 65032-3718010 65032-3724030 65032-3724030 650321-3724030 65055-3724120 65055-3724420 650551-3724120 ВАК OHM С306Г-3721000 1 1 2 2 3 3 4 4 5 6 7 8 9 10 11 12 13 14 15 16 17 18 19 20 21 22 23 24 24 25 26 27 28 29 31 32 33 34 35 36 37 38 40 42 43 44 45 46 47 48 49 50 51 51 52 53 54 55 56 57 58 59 59 60 62 63 64 65 66 67 68 69 70 71 72 74 75 76 77 79 79 80 81 83 83 83 83 83 83 83 83 83 84 87 88 89 89 89 89 90 91 92 93 94 95 97 97 103 103 103 103 104 104 105 105 106 108 109
в наличии
нет в наличии
масштаб

В наличии
Нет в наличии

Перечень комплектующих от Схема электрооборудования на КрАЗ-64372, 6133М6

Схемы запчастей предназначены для справочных целей! Мы продаем не все запчасти от Схема электрооборудования на КрАЗ-64372, 6133М6, представленные в этом списке.
Наличие на складах по деталям с ценой смотрите в карточке товара.
Артикул: 11-3745000-21
в наличии
Электромагнит клапана противоугонного устройства, блокировки межосевого дифференциала включения низшей передачи, блокировки межколесного дифференциала
Количество на схеме: 1
Информация
Электромагнит клапана противоугонного устройства, блокировки межосевого дифференциала включения низшей передачи, блокировки межколесного дифференциала
Количество
1
Примечание
На рисунке не показано, It is not shown on the Figure
Модель
11
Группа
Электрооборудование
Подгруппа
3745
Порядковый номер детали
000
Дополнительно
Не взаимозаменяема с деталью, выпущенной ранее под этим же номером
Клапан электромагнитный КРАЗ-6322,6446,65055,7133,УРАЛ ПААЗ
Артикул: 11-3745000-21
Клапан электромагнитный КРАЗ-6322,6446,65055,7133,УРАЛ ПААЗ
Код для заказа: 00032352
Цена: 5 282 ₽/шт.
Под заказ
Клапан электромагнитный КРАЗ-6322,6446,65055,7133,УРАЛ ПААЗ
Артикул: 11-3745000-21
Код для заказа: 00032352
Клапан электромагнитный КРАЗ-6322,6446,65055,7133,УРАЛ ПААЗ
Цена: 5 282 ₽/шт.
Под заказ
Артикул: 26-3712
в наличии
Фонарь габаритный передний
Количество на схеме: 2
Информация
Фонарь габаритный передний
Количество
2
Примечание
На рисунке не показано, It is not shown on the Figure
Фонарь габаритный КАМАЗ,грузовой автомобиль передний 24V ОСВАР
Артикул: 26-3712
Фонарь габаритный КАМАЗ,грузовой автомобиль передний 24V ОСВАР
Код для заказа: 00061853
Цена: 460 ₽/шт.
Под заказ
Фонарь габаритный КАМАЗ,грузовой автомобиль передний 24V ОСВАР
Артикул: 26-3712
Код для заказа: 00061853
Фонарь габаритный КАМАЗ,грузовой автомобиль передний 24V ОСВАР
Цена: 460 ₽/шт.
Под заказ
Артикул: 2622-3747000
нет в наличии
Реле блокировки стартера
Количество на схеме: 1
Информация
Реле блокировки стартера
Количество
1
Примечание
На рисунке не показано, It is not shown on the Figure
Модель
2622
Группа
Электрооборудование
Подгруппа
Реле разного назначения
Порядковый номер детали
000
Артикул: 5202-3709
нет в наличии
Переключатель дополнительного отопителя
Количество на схеме: 1
Информация
Переключатель дополнительного отопителя
Количество
1
Примечание
На рисунке не показано, It is not shown on the Figure
Артикул: 65032-3718010
нет в наличии
Гидравлический корректор светового потока фар
Количество на схеме: 1
Информация
Гидравлический корректор светового потока фар
Количество
1
Примечание
На рисунке не показано, It is not shown on the Figure
Модель
65032
Группа
Электрооборудование
Подгруппа
Гидрокорректор фар
Порядковый номер детали
010
Артикул: 65032-3724030
нет в наличии
Жгут проводов по лонжерону
Количество на схеме: 1
Информация
Жгут проводов по лонжерону
Количество
1
Примечание
На рисунке не показано, It is not shown on the Figure
Модель
65032
Группа
Электрооборудование
Подгруппа
Электропровода
Порядковый номер детали
030
Артикул: 65032-3724030
нет в наличии
Жгут проводов по лонжерону
Количество на схеме: 1
Информация
Жгут проводов по лонжерону
Количество
1
Примечание
На рисунке не показано, It is not shown on the Figure
Модель
65032
Группа
Электрооборудование
Подгруппа
Электропровода
Порядковый номер детали
030
Артикул: 650321-3724030
нет в наличии
Жгут проводов по лонжерону
Количество на схеме: 1
Информация
Жгут проводов по лонжерону
Количество
1
Примечание
На рисунке не показано, It is not shown on the Figure
Модель
650321
Группа
Электрооборудование
Подгруппа
Электропровода
Порядковый номер детали
030
Артикул: 65055-3724120
нет в наличии
Жгут проводов фар
Количество на схеме: 1
Информация
Жгут проводов фар
Количество
1
Примечание
На рисунке не показано, It is not shown on the Figure
Модель
65055
Группа
Электрооборудование
Подгруппа
Электропровода
Порядковый номер детали
120
Артикул: 65055-3724420
нет в наличии
Жгут фонарей полного габарита
Количество на схеме: 1
Информация
Жгут фонарей полного габарита
Количество
1
Примечание
На рисунке не показано, It is not shown on the Figure
Модель
65055
Группа
Электрооборудование
Подгруппа
Электропровода
Порядковый номер детали
420
Артикул: 650551-3724120
нет в наличии
Жгут проводов фар
Количество на схеме: 1
Информация
Жгут проводов фар
Количество
1
Примечание
На рисунке не показано, It is not shown on the Figure
Модель
650551
Группа
Электрооборудование
Подгруппа
Электропровода
Порядковый номер детали
120
Артикул: ВАК-OHM
нет в наличии
Выключатель стояночной тормозной системы
Количество на схеме: 1
Информация
Выключатель стояночной тормозной системы
Количество
1
Примечание
На рисунке не показано, It is not shown on the Figure
Артикул: С306Г-3721000
нет в наличии
Сигнал звуковой низкого тона С306Г
Количество на схеме: 1
Информация
Сигнал звуковой низкого тона С306Г
Количество
1
Примечание
На рисунке не показано, It is not shown on the Figure
Модель
С306Г
Группа
Электрооборудование
Подгруппа
Сигналы звуковые
Порядковый номер детали
000
1
1
Артикул: УП101-3726000-В
нет в наличии
Фонарь освещения знака автопоезда
Количество на схеме: 2
Информация
Фонарь освещения знака автопоезда
Количество
2
Модель
УП101
Группа
Электрооборудование
Подгруппа
Указатели поворота (передние)
Порядковый номер детали
000
2
2
Артикул: 26-3726010
нет в наличии
Указатель поворота передний
Количество на схеме: 2
Информация
Указатель поворота передний
Количество
2
Модель
26
Группа
Электрооборудование
Подгруппа
Указатели поворота (передние)
Порядковый номер детали
010
3
3
Артикул: 3413711
нет в наличии
Фара головная
Количество на схеме: 2
Информация
Фара головная
Количество
2
Группа
Управление рулевое
Подгруппа
3413
Порядковый номер детали
711
4
4
Артикул: ФГ152А-3743010
нет в наличии
Фара противотуманная
Количество на схеме: 2
Информация
Фара противотуманная
Количество
2
Модель
ФГ152А
Группа
Электрооборудование
Подгруппа
Фары противотуманные
Порядковый номер детали
010
5
5
Артикул: 6437-3724120
нет в наличии
Жгут проводов фар
Количество на схеме: 2
Информация
Жгут проводов фар
Количество
2
Модель
6437
Группа
Электрооборудование
Подгруппа
Электропровода
Порядковый номер детали
120
6
6
Артикул: 111-3722000
в наличии
Блок предохранителей центральный
Количество на схеме: 1
Информация
Блок предохранителей центральный
Количество
1
Модель
111
Группа
Электрооборудование
Подгруппа
Предохранители (электрических цепей)
Порядковый номер детали
000
Блок предохранителей ГАЗ-3302,МАЗ,КАМАЗ 30А+60А ЛЭТЗ
Артикул: 111-3722000
Блок предохранителей ГАЗ-3302,МАЗ,КАМАЗ 30А+60А ЛЭТЗ
Код для заказа: 00021952
Цена: 434 ₽/шт.
Под заказ
Блок предохранителей ГАЗ-3302,МАЗ,КАМАЗ 30А+60А ЛЭТЗ
Артикул: 111-3722000
Код для заказа: 00021952
Блок предохранителей ГАЗ-3302,МАЗ,КАМАЗ 30А+60А ЛЭТЗ
Цена: 434 ₽/шт.
Под заказ
Предохранитель ЗИЛ,КАМАЗ,КВК-280 комплект ЛЭТЗ
Артикул: 111-3722000
Предохранитель ЗИЛ,КАМАЗ,КВК-280 комплект ЛЭТЗ
Код для заказа: 00046511
Цена: 97 ₽/шт.
Под заказ
Предохранитель ЗИЛ,КАМАЗ,КВК-280 комплект ЛЭТЗ
Артикул: 111-3722000
Код для заказа: 00046511
Предохранитель ЗИЛ,КАМАЗ,КВК-280 комплект ЛЭТЗ
Цена: 97 ₽/шт.
Под заказ
7
7
Артикул: 15-3723000
нет в наличии
Панель соединительная
Количество на схеме: 1
Информация
Панель соединительная
Количество
1
Модель
15
Группа
Электрооборудование
Подгруппа
Соединители электропроводов
Порядковый номер детали
000
8
8
Артикул: С306Д/-С307Д-3721000-01
нет в наличии
Комплект рупорных звуковых сигналов
Количество на схеме: 1
Информация
Комплект рупорных звуковых сигналов
Количество
1
Модель
С306Д/ С307Д
Группа
Электрооборудование
Подгруппа
Сигналы звуковые
Порядковый номер детали
000
9
9
Артикул: 260-7905010-01
нет в наличии
Жгут проводов генератора
Количество на схеме: 1
Информация
Жгут проводов генератора
Количество
1
Модель
260
Группа
Радиооборудование
Подгруппа
Провода радиооборудования
Порядковый номер детали
010
10
10
Артикул: 6437-3724012-12
нет в наличии
Жгут проводов освещения
Количество на схеме: 1
Информация
Жгут проводов освещения
Количество
1
Модель
6437
Группа
Электрооборудование
Подгруппа
Электропровода
Порядковый номер детали
012
Дополнительно
Не взаимозаменяема с деталью, выпущенной ранее под этим же номером
11
11
Артикул: 25-3708000-20
нет в наличии
Стартер
Количество на схеме: 1
Информация
Стартер
Количество
1
Примечание
До 2003 г. применялся 25.3708000-01 (взаимозаменяемость нарушена)
Модель
25
Группа
Электрооборудование
Подгруппа
Стартер
Порядковый номер детали
000
Дополнительно
Не взаимозаменяема с деталью, выпущенной ранее под этим же номером
12
12
Артикул: 13-3839600
нет в наличии
Датчик сигнализации засоренности воздушного фильтра
Количество на схеме: 1
Информация
Датчик сигнализации засоренности воздушного фильтра
Количество
1
Модель
13
Группа
Приборы
Подгруппа
Датчик уровня эксплуатационных жидкостей
Порядковый номер детали
600
13
13
Артикул: 1102-3740
в наличии
Свеча электрофакельная
Количество на схеме: ;;
Информация
Свеча электрофакельная
Количество
;;
Свеча ЗИЛ,КАМАЗ,МАЗ ЭФУ штифтовая факельная 6см куб./мин. 19V ПРАМО-Электро
Артикул: 1102-3740
Свеча ЗИЛ,КАМАЗ,МАЗ ЭФУ штифтовая факельная 6см куб./мин. 19V ПРАМО-Электро
Код для заказа: 00054448
Цена: 1 593 ₽/шт.
Под заказ
Свеча ЗИЛ,КАМАЗ,МАЗ ЭФУ штифтовая факельная 6см куб./мин. 19V ПРАМО-Электро
Артикул: 1102-3740
Код для заказа: 00054448
Свеча ЗИЛ,КАМАЗ,МАЗ ЭФУ штифтовая факельная 6см куб./мин. 19V ПРАМО-Электро
Цена: 1 593 ₽/шт.
Под заказ
14
14
Артикул: ТМ100В-3808000-0
нет в наличии
Датчик указателя температуры воды
Количество на схеме: 1
Информация
Датчик указателя температуры воды
Количество
1
Модель
ТМ100В
Группа
Приборы
Подгруппа
Указатель температуры воды
Порядковый номер детали
000
15
15
Артикул: 11-3741000
нет в наличии
Клапан электромагнитный ЭФУ
Количество на схеме: 1
Информация
Клапан электромагнитный ЭФУ
Количество
1
Модель
11
Группа
Электрооборудование
Подгруппа
Электрооборудование предпускового подогревателя
Порядковый номер детали
000
16
16
Артикул: 1702-3771
в наличии
Генератор
Количество на схеме: 1
Информация
Генератор
Количество
1
Генератор МАЗ,КРАЗ,УРАЛ дв.ЯМЗ-236,238 28В 50А ПРАМО-Электро
Артикул: 1702-3771
Генератор МАЗ,КРАЗ,УРАЛ дв.ЯМЗ-236,238 28В 50А ПРАМО-Электро
Код для заказа: 00005596
Цена: 10 719 ₽/шт.
Под заказ
Генератор МАЗ,КРАЗ,УРАЛ дв.ЯМЗ-236,238 28В 50А ПРАМО-Электро
Артикул: 1702-3771
Код для заказа: 00005596
Генератор МАЗ,КРАЗ,УРАЛ дв.ЯМЗ-236,238 28В 50А ПРАМО-Электро
Цена: 10 719 ₽/шт.
Под заказ
17
17
Артикул: ПД308Б-3715300-У
нет в наличии
Фонарь подкапотной подсветки
Количество на схеме: 1
Информация
Фонарь подкапотной подсветки
Количество
1
Модель
ПД308Б
Группа
Электрооборудование
Подгруппа
Лампы переносная и подкапотная
Порядковый номер детали
300
18
18
Артикул: ТМ111-3808000
нет в наличии
Датчик сигнализатора аварийной температуры воды
Количество на схеме: 1
Информация
Датчик сигнализатора аварийной температуры воды
Количество
1
Модель
ТМ111
Группа
Приборы
Подгруппа
Указатель температуры воды
Порядковый номер детали
000
19
19
Артикул: 6443-3724089-01
нет в наличии
Жгут проводов переднего щита
Количество на схеме: 1
Информация
Жгут проводов переднего щита
Количество
1
Модель
6443
Группа
Электрооборудование
Подгруппа
Электропровода
Порядковый номер детали
089
20
20
Артикул: 13-3839600
нет в наличии
Датчик сигнализации засоренности воздушного фильтра
Количество на схеме: 1
Информация
Датчик сигнализации засоренности воздушного фильтра
Количество
1
Модель
13
Группа
Приборы
Подгруппа
Датчик уровня эксплуатационных жидкостей
Порядковый номер детали
600
21
21
Артикул: АДЮИ-407529-001
нет в наличии
Датчик аварийного давления масла
Количество на схеме: 1
Информация
Датчик аварийного давления масла
Количество
1
Покрытие
без покрытия
22
22
Артикул: ММ370-3829010-УХЛ
нет в наличии
Датчик указателя давления масла
Количество на схеме: 1
Информация
Датчик указателя давления масла
Количество
1
Модель
ММ370
Группа
Приборы
Подгруппа
Датчик указателя давления масла
Порядковый номер детали
010
23
23
Артикул: 245-3710-01
нет в наличии
Выключатель аварийной сигнализации
Количество на схеме: 1
Информация
Выключатель аварийной сигнализации
Количество
1
24
24
Артикул: ММ125Д-3810600
нет в наличии
Датчик вспомогательной тормозной системы и сигнала торможения
Количество на схеме: ;;
Информация
Датчик вспомогательной тормозной системы и сигнала торможения
Количество
;;
Группа
Приборы
Подгруппа
Манометры (указатель давления масла)
Порядковый номер детали
600
25
25
Артикул: 1112-5208000-02
нет в наличии
Электростеклоомыватель
Количество на схеме: 1
Информация
Электростеклоомыватель
Количество
1
Модель
1112
Группа
Окно ветровое
Подгруппа
Обмыв ветрового ветрового (омыватель)
Порядковый номер детали
000
26
26
Артикул: 2212-3803-23
нет в наличии
Лампа контрольная падения давления масла в двигателе
Количество на схеме: 1
Информация
Лампа контрольная падения давления масла в двигателе
Количество
1
27
27
Артикул: 2212-3803-22
нет в наличии
Лампа контрольная аварийной температуры охлаждающей жидкости
Количество на схеме: 1
Информация
Лампа контрольная аварийной температуры охлаждающей жидкости
Количество
1
28
28
Артикул: 11-3745
нет в наличии
Электромагнит клапана противоугонного устройства блокировки межосевого дифференциала включениянизшей передачи, блокировки межколесного дифференциала
Количество на схеме: 4
Информация
Электромагнит клапана противоугонного устройства блокировки межосевого дифференциала включениянизшей передачи, блокировки межколесного дифференциала
Количество
4
29
29
Артикул: 2212-3803-24
нет в наличии
Лампа контрольная засоренности масляного фильтра
Количество на схеме: 1
Информация
Лампа контрольная засоренности масляного фильтра
Количество
1
31
31
Артикул: 2212-3803-20
нет в наличии
Лампа контрольная засоренности воздушного фильтра
Количество на схеме: 1
Информация
Лампа контрольная засоренности воздушного фильтра
Количество
1
32
32
Артикул: 6437-3724055-01
нет в наличии
Жгут проводов приборного щитка левого
Количество на схеме: 1
Информация
Жгут проводов приборного щитка левого
Количество
1
Модель
6437
Группа
Электрооборудование
Подгруппа
Электропровода
Порядковый номер детали
055
33
33
Артикул: 2001-3843010
нет в наличии
Датчик электроспидометра
Количество на схеме: 1
Информация
Датчик электроспидометра
Количество
1
Модель
2001
Группа
Приборы
Подгруппа
Датчик скорости
Порядковый номер детали
010
34
34
Артикул: 6437-7905012
нет в наличии
Жгут проводов электроспидометра
Количество на схеме: 1
Информация
Жгут проводов электроспидометра
Количество
1
Модель
6437
Группа
Радиооборудование
Подгруппа
Провода радиооборудования
Порядковый номер детали
012
35
35
Артикул: 196-3730
в наличии
Электродвигатели отопителя
Количество на схеме: 1
Информация
Электродвигатели отопителя
Количество
1
Мотор отопителя КАМАЗ,КРАЗ,УРАЛ (аналог МЭ250) КЗАЭ
Артикул: 196-3730
Мотор отопителя КАМАЗ,КРАЗ,УРАЛ (аналог МЭ250) КЗАЭ
Код для заказа: 00039189
Цена: 1 387 ₽/шт.
Под заказ
Мотор отопителя КАМАЗ,КРАЗ,УРАЛ (аналог МЭ250) КЗАЭ
Артикул: 196-3730
Код для заказа: 00039189
Мотор отопителя КАМАЗ,КРАЗ,УРАЛ (аналог МЭ250) КЗАЭ
Цена: 1 387 ₽/шт.
Под заказ
36
36
Артикул: СЭ300-8102100
нет в наличии
Сопротивление дополнительное
Количество на схеме: 2
Информация
Сопротивление дополнительное
Количество
2
Модель
СЭ300
Группа
Отопление и вентиляция кабины
Подгруппа
Обогрев ветрового стекла
Порядковый номер детали
100
37
37
Артикул: КБП-Ф
нет в наличии
Конденсатор проходной
Количество на схеме: 2
Информация
Конденсатор проходной
Количество
2
38
38
Артикул: 2312-3803-16
нет в наличии
Блок контрольных ламп
Количество на схеме: 1
Информация
Блок контрольных ламп
Количество
1
40
40
Артикул: 6437-3724056-01
нет в наличии
Жгут проводов приборного щитка среднего
Количество на схеме: 1
Информация
Жгут проводов приборного щитка среднего
Количество
1
Модель
6437
Группа
Электрооборудование
Подгруппа
Электропровода
Порядковый номер детали
056
42
42
Артикул: 34-5205010
нет в наличии
Стеклоочиститель электрический
Количество на схеме: 1
Информация
Стеклоочиститель электрический
Количество
1
Модель
34
Группа
Окно ветровое
Подгруппа
Стеклоочиститель и привод
Порядковый номер детали
010
43
43
Артикул: 2312-3803-15
нет в наличии
Блок контрольных ламп с диодами
Количество на схеме: 1
Информация
Блок контрольных ламп с диодами
Количество
1
44
44
Артикул: 2212-3803-13
нет в наличии
Лампа контрольная включения блокировки межколесного дифференциала
Количество на схеме: 1
Информация
Лампа контрольная включения блокировки межколесного дифференциала
Количество
1
45
45
Артикул: 2212-3803-15
нет в наличии
Лампа контрольная включения отбора мощности
Количество на схеме: 1
Информация
Лампа контрольная включения отбора мощности
Количество
1
46
46
Артикул: 2212-3803-35
нет в наличии
Лампа контрольная включения демультипликатора
Количество на схеме: 1
Информация
Лампа контрольная включения демультипликатора
Количество
1
47
47
Артикул: 1502-7904010
нет в наличии
Фильтр радиопомех
Количество на схеме: 1
Информация
Фильтр радиопомех
Количество
1
Модель
1502
Группа
Радиооборудование
Подгруппа
Фильтры радиопомех
Порядковый номер детали
010
48
48
Артикул: 112-3702010
нет в наличии
Регулятор напряжения
Количество на схеме: 1
Информация
Регулятор напряжения
Количество
1
Модель
112
Группа
Электрооборудование
Подгруппа
Реле-регулятор (напряжения)
Порядковый номер детали
010
49
49
Артикул: 6437-3724068
нет в наличии
Жгут проводов силовой
Количество на схеме: 1
Информация
Жгут проводов силовой
Количество
1
Модель
6437
Группа
Электрооборудование
Подгруппа
Электропровода
Порядковый номер детали
068
50
50
Артикул: 6437-3724030-33
нет в наличии
Жгут проводов по лонжерону
Количество на схеме: 1
Информация
Жгут проводов по лонжерону
Количество
1
Модель
6437
Группа
Электрооборудование
Подгруппа
Электропровода
Порядковый номер детали
030
Дополнительно
Не взаимозаменяема с деталью, выпущенной ранее под этим же номером
51
51
Артикул: 3403-3747000
нет в наличии
Диод разделительный
Количество на схеме: 1
Информация
Диод разделительный
Количество
1
Модель
3403
Группа
Электрооборудование
Подгруппа
Реле разного назначения
Порядковый номер детали
000
52
52
Артикул: 6437-3724010-11
нет в наличии
Жгут проводов основной
Количество на схеме: 1
Информация
Жгут проводов основной
Количество
1
Модель
6437
Группа
Электрооборудование
Подгруппа
Электропровода
Порядковый номер детали
010
Дополнительно
Не взаимозаменяема с деталью, выпущенной ранее под этим же номером
53
53
Артикул: ВКл-1-01-08
нет в наличии
Выключатель плафона кабины
Количество на схеме: 1
Информация
Выключатель плафона кабины
Количество
1
54
54
Артикул: 6437-3724057-10
нет в наличии
Жгут проводов приборного щитка
Количество на схеме: 1
Информация
Жгут проводов приборного щитка
Количество
1
Модель
6437
Группа
Электрооборудование
Подгруппа
Электропровода
Порядковый номер детали
057
Дополнительно
Не взаимозаменяема с деталью, выпущенной ранее под этим же номером
55
55
Артикул: ПКлЛБС-06-74/75
нет в наличии
Переключатель трансмиссии
Количество на схеме: 1
Информация
Переключатель трансмиссии
Количество
1
56
56
Артикул: ПКл-1-3709000-14-14
нет в наличии
Переключатель блокировки межколесного дифференциала
Количество на схеме: 1
Информация
Переключатель блокировки межколесного дифференциала
Количество
1
Модель
ПКл.1
Группа
Электрооборудование
Подгруппа
Переключатели электрические (переключатель света центральный)
Порядковый номер детали
000
Дополнительно
Не взаимозаменяема с деталью, выпущенной ранее под этим же номером
57
57
Артикул: П147-3709000-04-11
нет в наличии
Переключатель режимов электродвигателей отопителя
Количество на схеме: 1
Информация
Переключатель режимов электродвигателей отопителя
Количество
1
Модель
П147
Группа
Электрооборудование
Подгруппа
Переключатели электрические (переключатель света центральный)
Порядковый номер детали
000
58
58
Артикул: 1901-3830010-0
нет в наличии
Манометр двухстрелочный
Количество на схеме: 1
Информация
Манометр двухстрелочный
Количество
1
Модель
1901
Группа
Приборы
Подгруппа
Манометры
Порядковый номер детали
010
59
59
Артикул: 11-3704000
нет в наличии
Выключатель нагревателя топлива и ЭФУ
Количество на схеме: 1
Информация
Выключатель нагревателя топлива и ЭФУ
Количество
1
Модель
11
Группа
Электрооборудование
Подгруппа
Выключатель зажигания (замок зажигания)
Порядковый номер детали
000
60
60
Артикул: АП111Б-3811010
нет в наличии
Амперметр
Количество на схеме: 1
Информация
Амперметр
Количество
1
Модель
АП111Б
Группа
Приборы
Подгруппа
Указатель тока (амперметр)
Порядковый номер детали
010
62
62
Артикул: 34-3806010
в наличии
Указатель уровня топлива
Количество на схеме: 1
Информация
Указатель уровня топлива
Количество
1
Модель
34
Группа
Приборы
Подгруппа
Указатель уровня топлива
Порядковый номер детали
010
Указатель топлива КАМАЗ,ГАЗ-4301,3306,УРАЛ (аналог 057684) АВТОПРИБОР
Артикул: 34-3806010
Указатель топлива КАМАЗ,ГАЗ-4301,3306,УРАЛ (аналог 057684) АВТОПРИБОР
Код для заказа: 00059866
Цена: 1 363 ₽/шт.
Под заказ
Указатель топлива КАМАЗ,ГАЗ-4301,3306,УРАЛ (аналог 057684) АВТОПРИБОР
Артикул: 34-3806010
Код для заказа: 00059866
Указатель топлива КАМАЗ,ГАЗ-4301,3306,УРАЛ (аналог 057684) АВТОПРИБОР
Цена: 1 363 ₽/шт.
Под заказ
63
63
Артикул: ВКл-1-3709000-02-13
нет в наличии
Переключатель датчиков уровня топлива
Количество на схеме: 1
Информация
Переключатель датчиков уровня топлива
Количество
1
Модель
ВКл.1
Группа
Электрооборудование
Подгруппа
Переключатели электрические (переключатель света центральный)
Порядковый номер детали
000
64
64
Артикул: ПР118Б-3722000-01
нет в наличии
Предохранитель плавкий 2А
Количество на схеме: 1
Информация
Предохранитель плавкий 2А
Количество
1
Модель
ПР118Б
Группа
Электрооборудование
Подгруппа
Предохранители (электрических цепей)
Порядковый номер детали
000
65
65
Артикул: ПКл-1-3709000-06-16
нет в наличии
Переключатель знака автопоезда
Количество на схеме: 1
Информация
Переключатель знака автопоезда
Количество
1
Модель
ПКл.1
Группа
Электрооборудование
Подгруппа
Переключатели электрические (переключатель света центральный)
Порядковый номер детали
000
66
66
Артикул: ПКл-1-3709000-04-03
нет в наличии
Переключатель противо-туманных фар и заднего противотуманного огня
Количество на схеме: 1
Информация
Переключатель противо-туманных фар и заднего противотуманного огня
Количество
1
Модель
ПКл.1
Группа
Электрооборудование
Подгруппа
Переключатели электрические (переключатель света центральный)
Порядковый номер детали
000
67
67
Артикул: 1211-1-3802010
нет в наличии
Спидометр
Количество на схеме: 1
Информация
Спидометр
Количество
1
Модель
1211.1
Группа
Приборы
Подгруппа
Спидометр
Порядковый номер детали
010
68
68
Артикул: ВК416Б-3709000-01
нет в наличии
Выключатель света щитка приборов с реостатом
Количество на схеме: 1
Информация
Выключатель света щитка приборов с реостатом
Количество
1
Модель
ВК416Б
Группа
Электрооборудование
Подгруппа
Переключатели электрические (переключатель света центральный)
Порядковый номер детали
000
69
69
Артикул: 2531-3813010
в наличии
Тахометр
Количество на схеме: 1
Информация
Тахометр
Количество
1
Модель
2531
Группа
Приборы
Подгруппа
Тахометр
Порядковый номер детали
010
Тахометр МАЗ,КРАЗ
Артикул: 2531-3813010
Тахометр МАЗ,КРАЗ
Код для заказа: 00056415
Цена: 2 255 ₽/шт.
Под заказ
Тахометр МАЗ,КРАЗ
Артикул: 2531-3813010
Код для заказа: 00056415
Тахометр МАЗ,КРАЗ
Цена: 2 255 ₽/шт.
Под заказ
70
70
Артикул: ПКл-1-3709000-14-10
нет в наличии
Переключатель стекло-омывателя
Количество на схеме: 1
Информация
Переключатель стекло-омывателя
Количество
1
Модель
ПКл.1
Группа
Электрооборудование
Подгруппа
Переключатели электрические (переключатель света центральный)
Порядковый номер детали
000
Дополнительно
Не взаимозаменяема с деталью, выпущенной ранее под этим же номером
71
71
Артикул: 36-3807010
нет в наличии
Указатель температуры воды
Количество на схеме: 1
Информация
Указатель температуры воды
Количество
1
Модель
36
Группа
Приборы
Подгруппа
Приемник указателя температуры воды
Порядковый номер детали
010
72
72
Артикул: ПКл-1-3709000-09-09
нет в наличии
Переключатель стеклоочистителя
Количество на схеме: 1
Информация
Переключатель стеклоочистителя
Количество
1
Модель
ПКл.1
Группа
Электрооборудование
Подгруппа
Переключатели электрические (переключатель света центральный)
Порядковый номер детали
000
74
74
Артикул: 33-3810010
нет в наличии
Указатель давления масла
Количество на схеме: 1
Информация
Указатель давления масла
Количество
1
Модель
33
Группа
Приборы
Подгруппа
Манометры (указатель давления масла)
Порядковый номер детали
010
75
75
Артикул: А24-2
нет в наличии
Лампа
Количество на схеме: ;;
Информация
Лампа
Количество
;;
76
76
Артикул: 733-3747-10
нет в наличии
Зуммер
Количество на схеме: 1
Информация
Зуммер
Количество
1
77
77
Артикул: П145-3726000
нет в наличии
Комбинированный переключатель света и указателей поворота
Количество на схеме: 1
Информация
Комбинированный переключатель света и указателей поворота
Количество
1
Модель
П145
Группа
Электрооборудование
Подгруппа
Указатели поворота (передние)
Порядковый номер детали
000
79
79
Артикул: ПР112-3722000
нет в наличии
Блок предохранителей освещения и потребителей
Количество на схеме: 1
Информация
Блок предохранителей освещения и потребителей
Количество
1
Модель
ПР112
Группа
Электрооборудование
Подгруппа
Предохранители (электрических цепей)
Порядковый номер детали
000
80
80
Артикул: 24-3723001СБ
нет в наличии
Розетка переносной лампы
Количество на схеме: 1
Информация
Розетка переносной лампы
Количество
1
Модель
24
Группа
Электрооборудование
Подгруппа
Соединители электропроводов
Порядковый номер детали
001
81
81
Артикул: 2622-3747000
нет в наличии
Реле блокировки стартера
Количество на схеме: 1
Информация
Реле блокировки стартера
Количество
1
Модель
2622
Группа
Электрооборудование
Подгруппа
Реле разного назначения
Порядковый номер детали
000
83
83
Артикул: 11-3747010
нет в наличии
Реле
Количество на схеме: 1
Информация
Реле
Количество
1
Модель
11
Группа
Электрооборудование
Подгруппа
Реле разного назначения
Порядковый номер детали
010
84
84
Артикул: РС493-3803010-УХЛ
нет в наличии
Реле-прерыватель стояночной тормозной системы
Количество на схеме: 1
Информация
Реле-прерыватель стояночной тормозной системы
Количество
1
Модель
РС493
Группа
Приборы
Подгруппа
Лампы контрольные (Фонари контрольных ламп)
Порядковый номер детали
010
87
87
Артикул: РС951А-3726010-УХЛ
нет в наличии
Реле указателей поворота и аварийной сигнализации
Количество на схеме: 1
Информация
Реле указателей поворота и аварийной сигнализации
Количество
1
Модель
РС951А
Группа
Электрооборудование
Подгруппа
Указатели поворота (передние)
Порядковый номер детали
010
88
88
Артикул: 12-3741
нет в наличии
Сопротивление тепловое
Количество на схеме: 1
Информация
Сопротивление тепловое
Количество
1
89
89
Артикул: ММ124Д-3810600
нет в наличии
Датчик включения стояночной тормозной системы, падения давления воздуха 1-го контура, падения давления воздуха запасного контура
Количество на схеме: 1
Информация
Датчик включения стояночной тормозной системы, падения давления воздуха 1-го контура, падения давления воздуха запасного контура
Количество
1
Модель
ММ124Д
Группа
Приборы
Подгруппа
Манометры (указатель давления масла)
Порядковый номер детали
600
90
90
Артикул: 171-3711010-ХЛ
нет в наличии
Фара поворотная
Количество на схеме: 1
Информация
Фара поворотная
Количество
1
Модель
171
Группа
Электрооборудование
Подгруппа
Фары
Порядковый номер детали
010
91
91
Артикул: УП101В-3726000
нет в наличии
Фонарь знака автопоезда
Количество на схеме: ;;
Информация
Фонарь знака автопоезда
Количество
;;
Группа
Электрооборудование
Подгруппа
Указатели поворота (передние)
Порядковый номер детали
000
92
92
Артикул: ПК201-3714010Д2
нет в наличии
Плафон
Количество на схеме: 1
Информация
Плафон
Количество
1
Модель
ПК201
Группа
Электрооборудование
Подгруппа
Плафоны внутреннего освещения
Порядковый номер детали
010
93
93
Артикул: ПС315-3723100-А
нет в наличии
Розетка внешнего пуска
Количество на схеме: 1
Информация
Розетка внешнего пуска
Количество
1
Модель
ПС315
Группа
Электрооборудование
Подгруппа
Соединители электропроводов
Порядковый номер детали
100
94
94
Артикул: ВК318Б-3704000
нет в наличии
Выключатель "массы"
Количество на схеме: 1
Информация
Выключатель "массы"
Количество
1
Модель
ВК318Б
Группа
Электрооборудование
Подгруппа
Выключатель зажигания (замок зажигания)
Порядковый номер детали
000
95
95
Артикул: 6СТ-190А
нет в наличии
Батарея аккумуляторная
Количество на схеме: 1
Информация
Батарея аккумуляторная
Количество
1
97
97
Артикул: АДЮИ-407511-009
нет в наличии
Датчик указателя уровня топлива
Количество на схеме: 1
Информация
Датчик указателя уровня топлива
Количество
1
Покрытие
без покрытия
103
103
Артикул: ВАК-010
нет в наличии
Датчики сигнализации включения блокировки межосевого и межколесного дифференциалов, низшей передачи, заднего хода, отбора мощности, включения демультипликатора
Количество на схеме: 4
Информация
Датчики сигнализации включения блокировки межосевого и межколесного дифференциалов, низшей передачи, заднего хода, отбора мощности, включения демультипликатора
Количество
4
104
104
Артикул: ФП132АБ-3716010-02
нет в наличии
Фонарь задний
Количество на схеме: 2
Информация
Фонарь задний
Количество
2
Модель
ФП132АБ
Группа
Электрооборудование
Подгруппа
Фонари задние
Порядковый номер детали
010
105
105
Артикул: ФП135-3716010-Г
нет в наличии
Фонарь заднего хода
Количество на схеме: 2
Информация
Фонарь заднего хода
Количество
2
Модель
ФП135
Группа
Электрооборудование
Подгруппа
Фонари задние
Порядковый номер детали
010
106
106
Артикул: 2462-3716010
нет в наличии
Фонарь задний противотуманный
Количество на схеме: 1
Информация
Фонарь задний противотуманный
Количество
1
Модель
2462
Группа
Электрооборудование
Подгруппа
Фонари задние
Порядковый номер детали
010
108
108
Артикул: ПС325-3723100
нет в наличии
Розетка штепсельная прицепа
Количество на схеме: 2
Информация
Розетка штепсельная прицепа
Количество
2
Модель
ПС325
Группа
Электрооборудование
Подгруппа
Соединители электропроводов
Порядковый номер детали
100
109
109
Артикул: ПС400-3723000
нет в наличии
Розетка переносной лампы
Количество на схеме: 1
Информация
Розетка переносной лампы
Количество
1
Примечание
На рисунке не показано, It is not shown on the Figure
Модель
ПС400
Группа
Электрооборудование
Подгруппа
Соединители электропроводов
Порядковый номер детали
000
  • Грузовые автомобили
  • Автобусы
  • Сельхозтехника
  • Спецтехника
  • Двигатели
Получить оптовый прайс-лист
Скачать прайс-лист от 25.05.2026 16:00
Специальное предложение от 25.05.2026 17:00
Производители:


  • WEICHAI
  • Автодизель ПАО (ЯМЗ)
  • Тутаевский МЗ
  • ЯЗДА
  • УралАЗ
  • МАЗ
  • АЗПИ
  • BOSCH
  • ММЗ
  • ШААЗ
  • FEDERAL MOGUL
  • ПРАМО
  • Мотордеталь
  • ТАИМ
  • АвтоКрАЗ
  • БЕЛКАРД
  • CZ Strakonice
  • КамАЗ
  • БЗА
  • ЧМЗ
  • BMZ
Новости
Все новости
25 марта 2024
Флагманский седельный тягач «Валдай 45» на выставке «TransRussia»
10 марта 2024
Современные автобусы «CITYMAX 9» и ЛиАЗ-5292 CNG
25 февраля 2024
Серийное производство средних дизельных двигателей повышенной мощности от ЯМЗ
Статьи
Все статьи
Датчики двигателя: за что они отвечают, признаки неисправности и как не прогадать с выбором
Двигатели ЯМЗ-534: история, технические характеристики и области применения
Двигатели ЯМЗ 650: углублённый технический обзор и история
Компания
О компании
Реквизиты
Новости
Политика
Магазины
Информация
Условия оплаты
Условия доставки
Гарантия на товар
Обмен и возврат товара
Помощь
Как оформить заказ
Полезные статьи
Бренды
Пункты выдачи
Оставайтесь на связи
  • Вконтакте
  • YouTube
  • Одноклассники
  • Google Plus
Увидели ошибку?
Выделите, нажав Ctrl + Enter
Наши контакты
8-800-700-35-68
sales@din76.ru
г. Ярославль, Ленинградский пр-т 33, ТЦ "ОМЕГА"
2026 © ООО «Динамика 76» - Все права защищены ООО "Динамика 76"
Предложения на сайте не являются публичной офертой.
На сайте обнаружена ошибка

Текст с ошибкой