Избранное 0 Корзина 0 Личный кабинет
logo
Каталог
Каталог
  • Справочник
    • Грузовые автомобили
    • Автобусы
    • Сельхозтехника
    • Спецтехника
    • Двигатели
  • Доставка
  • Оплата
  • О компании
    • Реквизиты
    • Магазины
    • Оплата
    • Доставка
    • Лицензии и сертификаты
    • Новости
    • Вакансии
  • Контакты
Отправить заявку
Личный кабинет
8 (800) 700-35-68
sales@din76.ru
Избранное 0 Корзина 0
8 (800) 700-35-68
Оптовый прайс-лист
Каталог
  • Двигатели
  • Запчасти WEICHAI
  • Запчасти ЯМЗ, ТМЗ (V-образные)
  • Запчасти ЯМЗ-534, ЯМЗ-536
  • Запчасти ЯМЗ-650, ЯМЗ-651, DCi-11
  • Топливная аппаратура
  • Запчасти УРАЛ
  • Запчасти МАЗ
  • Запчасти КамАЗ
  • Запчасти ММЗ
  • Ремни
Автокаталог (справочник)
  • Доставка
  • Оплата
  • О компании
  • Контакты
8 (800) 700-35-68
Написать в Whatsapp
sales@din76.ru
Динамика 76
Меню  
  • Каталог
    • Двигатели  
      • Двигатели ТМЗ  
        • Двигатели ТМЗ для автомобилей
        • Двигатели ТМЗ для тракторов
        • Специальные двигатели ТМЗ
        • Промышленные двигатели ТМЗ
      • Двигатели ЯМЗ  
        • ЯМЗ 236
        • ЯМЗ 238
        • ЯМЗ 240
        • ЯМЗ 751
        • ЯМЗ 840
        • ЯМЗ 850
        • ЯМЗ 656
        • ЯМЗ 658
        • ЯМЗ 534
        • ЯМЗ 536
        • ЯМЗ 650
        • Двигатели ЯМЗ для электростанций
      • Двигатели КАМАЗ
      • Двигатели ММЗ
      • Двигатели индивидуальной сборки
      • Комплекты переоборудования
    • Запчасти WEICHAI  
      • Основные запчасти двигателя  
        • Клапаны и толкатели
        • Шатуны
        • Вал коленчатый и маховик
        • Вал распределительный
        • Цилиндро-поршневая группа
      • Система питания  
        • Форсунки
        • Турбокомпрессор
      • Система смазки  
        • Насос масляный
      • Головка блока
      • Ремкомплекты
      • Система охлаждения  
        • Насос водяной
        • Муфта вязкостная и крыльчатка
      • Фильтры
      • Электрооборудование  
        • Генератор
        • Стартер
    • Запчасти ЯМЗ, ТМЗ (V-образные)  
      • Основные запчасти двигателя  
        • Блок двигателя и комплектующие
        • Валы распределительные и клапаны
        • Головка блока и комплектующие
        • Цилиндро-поршневая группа
        • Маховики и комплектующие
        • Валы коленчатые и комплектующие
        • Шатуны и комплектующие
      • Система питания  
        • Коллекторы и патрубки
        • Топливные трубопроводы
        • Турбокомпрессор
        • Топливные фильтры
      • Электрооборудование двигателя
      • Система охлаждения  
        • Вязкостные муфты и крыльчатки
        • Приводы вентилятора
        • Водяные насосы
        • Водяные трубы и термостаты
      • Коробки переключения передач  
        • 8 Ступенчатые КПП
        • 5 Ступенчатые КПП
        • 9 Ступенчатые КПП
        • Запасные части КПП ЯМЗ, ТМЗ
      • Система смазки  
        • Теплообменник и комплектующие
        • Масляные насосы
        • Фильтры масляные (ФГОМ, ФЦОМ)
      • Сцепление  
        • Запасные части механизма сцепления
        • Муфты (подшипники выжимные)
        • Корзины (диски нажимные)
        • Диски ведомые
      • Прочие запчасти двигателя  
        • Ремкомплекты
        • Привод агрегатов
        • Натяжные устройства
        • Трубки
    • Запчасти ЯМЗ-534, ЯМЗ-536  
      • Основные запчасти двигателя  
        • Цилиндро-поршневая группа
        • Головка блока цилиндров и комплектующие
        • Блок цилиндров и комплектующие
        • Вал коленчатый и маховик
        • Вал распределительный
        • Клапаны и толкатели
        • ГУР (Гидроусилитель руля)
        • Система рециркуляции отработавших газов
        • Выпускной коллектор
      • Система питания  
        • Коллекторы и патрубки
        • Топливные фильтры
        • Турбокомпрессор
        • Топливные трубопроводы
      • Система смазки  
        • Масляный картер поддон
        • Масляный насос
        • Теплообменник /Водо-масляный радиатор
        • Фильтры масляные (ФГОМ, ФЦОМ)
      • Пневмокомпрессор и натяжное
      • Система охлаждения  
        • Водяной насос
        • Водяные трубы и патрубки
        • Муфты вязкостные, приводы, крыльчатки
      • Ремкомплекты
      • Сцепление
      • Электрооборудование
    • Запчасти ЯМЗ-650, ЯМЗ-651, DCi-11  
      • Основные запчасти двигателя  
        • Цилиндро-поршневая группа
        • Головка блока цилиндров и комплектующие
        • Блок цилиндров и комплектующие
        • Вал коленчатый и маховик
        • Выпускной коллектор
        • Вал распределительный
        • Клапаны и толкатели
        • ГУР (Гидроусилитель руля)
        • Система рециркуляции отработавших газов
      • Система питания  
        • Коллекторы и патрубки
        • Топливные трубопроводы
        • Топливные фильтры
        • Турбокомпрессор
      • Система смазки  
        • Масляный картер / поддон
        • Масляный насос
        • Теплообменник / Водо-масляный радиатор
        • Фильтры масляные (ФГОМ, ФЦОМ)
      • Система охлаждения  
        • Водяной насос
        • Водяные трубы и патрубки
        • Муфты вязкостные, приводы, крыльчатки
      • Ремкомплекты
      • Пневмокомпрессор и натяжное
      • Электрооборудование
      • Сцепление
    • Топливная аппаратура  
      • ЯЗДА  
        • Распылители
        • ТНВД
        • Форсунки
        • Топливный насос низкого давления
        • Пары плунжерные
        • Муфта опережения впрыска топлива
        • Запчасти и комплектующие ТНВД
      • НЗТА
      • АЗПИ  
        • Распылители
        • Форсунки
      • BOSCH
    • Запчасти УРАЛ  
      • Трансмиссия  
        • Коробка раздаточная
        • Передача карданная
        • Мост задний
        • Мост передний (ведущий)
        • Мост средний (промежуточный)
      • Кузов  
        • Дверь кабины
        • Капот, крылья, облицовка радиатора
        • Окно ветровое и заднее
        • Отопление и вентиляция кабины
        • Кабина
      • Механизмы управления  
        • Управление рулевое
        • Тормоза
      • Дополнительное оборудование  
        • Отбор мощности
        • Устройство седельное
      • Электрооборудование
      • Ходовая часть  
        • Колеса и ступицы
        • Ось передняя
        • Подвеска автомобиля
        • Рама
    • Запчасти МАЗ  
      • Трансмиссия  
        • Мост задний
        • Мост передний (ведущий)
        • Передача карданная
        • Мост средний (промежуточный)
      • Кузов  
        • Кабина
        • Дверь кабины
        • Детали основания кабины
        • Окно ветровое и заднее
        • Платформа
      • Механизмы управления  
        • Тормоза
        • Управление рулевое
      • Ходовая часть  
        • Колеса и ступицы
        • Ось передняя
        • Подвеска автомобиля
        • Рама
    • Запчасти КамАЗ  
      • Кузов  
        • Кабина
        • Капот, крылья, облицовка радиатора
        • Дверь кабины
        • Платформа
        • Окно ветровое и заднее
        • Устройство подъемное и опрокидывающее
        • Сиденье
        • Крыша кабины (крыша кузова)
        • Отопление и вентиляция кабины
      • Трансмиссия  
        • Коробка передач
        • Коробка раздаточная
        • Мост задний
        • Сцепление
        • Мост средний (промежуточный)
        • Передача карданная
        • Мост передний (ведущий)
      • Двигатель  
        • Основные запчасти двигателя
        • Система охлаждения
        • Система питания
        • Система смазки
      • Дополнительное оборудование  
        • Отбор мощности
        • Устройство седельное
      • Ходовая часть  
        • Подвеска автомобиля
        • Рама
        • Колеса и ступицы
        • Ось передняя
      • Механизмы управления  
        • Тормоза
        • Управление рулевое
      • Электрооборудование
    • Запчасти ММЗ
    • Ремни
  • Справочник
    • Грузовые автомобили
    • Автобусы
    • Сельхозтехника
    • Спецтехника
    • Двигатели
  • Как купить
    • Условия оплаты
    • Условия доставки
    • Гарантия на товар
    • Пункты выдачи
  • Услуги
    • Капитальный ремонт двигателей ЯМЗ
  • Акции
  • Статьи
  • Контакты
  • Компания
    • Реквизиты
    • Магазины
    • Оплата
    • Доставка
    • Лицензии и сертификаты
    • Новости
    • Вакансии
Избранное 0 Корзина 0
8-800-700-35-68

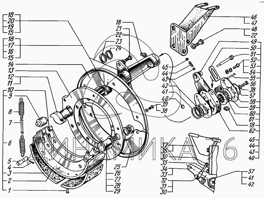
Механизмы тормозные передние на КрАЗ-6322 (шасси) (до 2005 г.)

Справочник
Главная
-
Автокаталог
-
Грузовые автомобили и прицепы
-
КрАЗ
-
КрАЗ-6322 (шасси)
Справочный каталог

Механизмы тормозные передние — КрАЗ-6322 (шасси):

1 2 3 4 5 6 7 8 9 10 11 12 13 14 15 15 16 17 18 18 18 18 19 20 21 22 22 23 24 25 26 28 29 30 30 30 31 31 32 33 34 35 36 37 38 38 39 40 40 41 41 41 41 42 42 42 43 43 44 44 45 45 46 47 48 49 50 51 52 53 54 55 56 57 57 57 58 59 60 62
в наличии
нет в наличии
масштаб

В наличии
Нет в наличии

Перечень комплектующих от Механизмы тормозные передние на КрАЗ-6322 (шасси)

Схемы запчастей предназначены для справочных целей! Мы продаем не все запчасти от Механизмы тормозные передние на КрАЗ-6322 (шасси), представленные в этом списке.
Наличие на складах по деталям с ценой смотрите в карточке товара.
1
1
Артикул: 346953
нет в наличии
Заклепка
Количество на схеме: 32
Информация
Заклепка
Количество
32
Покрытие
без покрытия
2
2
Артикул: 260-3501095
нет в наличии
Колодка
Количество на схеме: 4
Информация
Колодка
Количество
4
Модель
260
Группа
Тормоза
Подгруппа
Тормоза рабочие передние ножные
Порядковый номер детали
095
3
3
Артикул: 260-3501105
нет в наличии
Накладка колодки
Количество на схеме: 8
Информация
Накладка колодки
Количество
8
Модель
260
Группа
Тормоза
Подгруппа
Тормоза рабочие передние ножные
Порядковый номер детали
105
4
4
Артикул: 258053
нет в наличии
Шплинт 3,6х25
Количество на схеме: 2
Информация
Шплинт 3,6х25
Количество
2
Покрытие
без покрытия
5
5
Артикул: 260-3501098
нет в наличии
Палец пружины
Количество на схеме: 8
Информация
Палец пружины
Количество
8
Модель
260
Группа
Тормоза
Подгруппа
Тормоза рабочие передние ножные
Порядковый номер детали
098
6
6
Артикул: 260-3501090
нет в наличии
Колодка в сборе
Количество на схеме: 4
Информация
Колодка в сборе
Количество
4
Модель
260
Группа
Тормоза
Подгруппа
Тормоза рабочие передние ножные
Порядковый номер детали
090
7
7
Артикул: 250Б-3502036
нет в наличии
Звено пружины
Количество на схеме: 4
Информация
Звено пружины
Количество
4
Модель
250Б
Группа
Тормоза
Подгруппа
Тормоза рабочие задние ножные и тормозные барабаны
Порядковый номер детали
036
8
8
Артикул: 214Б-3502035-Б
нет в наличии
Пружина колодок
Количество на схеме: 8
Информация
Пружина колодок
Количество
8
Модель
214Б
Группа
Тормоза
Подгруппа
Тормоза рабочие задние ножные и тормозные барабаны
Порядковый номер детали
035
9
9
Артикул: 250Б-3502109
нет в наличии
Ролик колодки
Количество на схеме: 1
Информация
Ролик колодки
Количество
1
Модель
250Б
Группа
Тормоза
Подгруппа
Тормоза рабочие задние ножные и тормозные барабаны
Порядковый номер детали
109
10
10
Артикул: 250Б-3502112
нет в наличии
Стопор ролика
Количество на схеме: 1
Информация
Стопор ролика
Количество
1
Модель
250Б
Группа
Тормоза
Подгруппа
Тормоза рабочие задние ножные и тормозные барабаны
Порядковый номер детали
112
11
11
Артикул: 6505-3502111
нет в наличии
Кулак разжимной левый
Количество на схеме: 1
Информация
Кулак разжимной левый
Количество
1
Модель
6505
Группа
Тормоза
Подгруппа
Тормоза рабочие задние ножные и тормозные барабаны
Порядковый номер детали
111
12
12
Артикул: 6505-3502110
нет в наличии
Кулак разжимной правый
Количество на схеме: 1
Информация
Кулак разжимной правый
Количество
1
Модель
6505
Группа
Тормоза
Подгруппа
Тормоза рабочие задние ножные и тормозные барабаны
Порядковый номер детали
110
13
13
Артикул: 260-3501015
нет в наличии
Суппорт левый
Количество на схеме: 2
Информация
Суппорт левый
Количество
2
Модель
260
Группа
Тормоза
Подгруппа
Тормоза рабочие передние ножные
Порядковый номер детали
015
14
14
Артикул: 260-3501150
нет в наличии
Диск защитный верхний
Количество на схеме: 2
Информация
Диск защитный верхний
Количество
2
Модель
260
Группа
Тормоза
Подгруппа
Тормоза рабочие передние ножные
Порядковый номер детали
150
15
15
Артикул: 255Б-3501126-Б2
нет в наличии
Втулка кронштейна малая
Количество на схеме: 2
Информация
Втулка кронштейна малая
Количество
2
Модель
255Б
Группа
Тормоза
Подгруппа
Тормоза рабочие передние ножные
Порядковый номер детали
126
16
16
Артикул: 260-3501121
нет в наличии
Кронштейн левый в сборе
Количество на схеме: 1
Информация
Кронштейн левый в сборе
Количество
1
Модель
260
Группа
Тормоза
Подгруппа
Тормоза рабочие передние ножные
Порядковый номер детали
121
17
17
Артикул: 260-3501125
нет в наличии
Кронштейн левый
Количество на схеме: 1
Информация
Кронштейн левый
Количество
1
Модель
260
Группа
Тормоза
Подгруппа
Тормоза рабочие передние ножные
Порядковый номер детали
125
18
18
Артикул: 264020
нет в наличии
Масленка К1/8"
Количество на схеме: 2
Информация
Масленка К1/8"
Количество
2
Покрытие
без покрытия
19
19
Артикул: 260-3501120
нет в наличии
Кронштейн правый в сборе
Количество на схеме: 1
Информация
Кронштейн правый в сборе
Количество
1
Модель
260
Группа
Тормоза
Подгруппа
Тормоза рабочие передние ножные
Порядковый номер детали
120
20
20
Артикул: 2603501124
нет в наличии
Кронштейн правый
Количество на схеме: 1
Информация
Кронштейн правый
Количество
1
Подгруппа
2603
Порядковый номер детали
501
Дополнительно
Не взаимозаменяема с деталью, выпущенной ранее под этим же номером
21
21
Артикул: 202141
нет в наличии
Болт М16х1,5х35
Количество на схеме: 6
Информация
Болт М16х1,5х35
Количество
6
Покрытие
без покрытия
22
22
Артикул: 252139
нет в наличии
Шайба 16 ОТ
Количество на схеме: 6
Информация
Шайба 16 ОТ
Количество
6
Покрытие
без покрытия
23
23
Артикул: 250Б-3502129
нет в наличии
Шайба
Количество на схеме: 2
Информация
Шайба
Количество
2
Модель
250Б
Группа
Тормоза
Подгруппа
Тормоза рабочие задние ножные и тормозные барабаны
Порядковый номер детали
129
24
24
Артикул: 250Б-3502128
нет в наличии
Кольцо 038-046-46-2-2
Количество на схеме: 2
Информация
Кольцо 038-046-46-2-2
Количество
2
Модель
250Б
Группа
Тормоза
Подгруппа
Тормоза рабочие задние ножные и тормозные барабаны
Порядковый номер детали
128
25
25
Артикул: 260-3501151
нет в наличии
Диск защитный нижний
Количество на схеме: 2
Информация
Диск защитный нижний
Количество
2
Модель
260
Группа
Тормоза
Подгруппа
Тормоза рабочие передние ножные
Порядковый номер детали
151
26
26
Артикул: 250661
нет в наличии
Гайка М16х1,5
Количество на схеме: 2
Информация
Гайка М16х1,5
Количество
2
Покрытие
без покрытия
28
28
Артикул: 345056
нет в наличии
Шайба
Количество на схеме: 2
Информация
Шайба
Количество
2
Покрытие
без покрытия
29
29
Артикул: 260-3501132
нет в наличии
Ось колодок
Количество на схеме: 2
Информация
Ось колодок
Количество
2
Модель
260
Группа
Тормоза
Подгруппа
Тормоза рабочие передние ножные
Порядковый номер детали
132
30
30
Артикул: 252143
нет в наличии
Шайба
Количество на схеме: 2
Информация
Шайба
Количество
2
Покрытие
без покрытия
30
30
Артикул: 258025
нет в наличии
Шплинт 2,5х20
Количество на схеме: 4
Информация
Шплинт 2,5х20
Количество
4
Примечание
33
Покрытие
без покрытия
31
31
Артикул: 252004
нет в наличии
Шайба 6,4
Количество на схеме: 4
Информация
Шайба 6,4
Количество
4
Примечание
33
Покрытие
без покрытия
31
31
Артикул: 256Б-3501136-03
нет в наличии
Рычаг регулировочный в сборе
Количество на схеме: 2
Информация
Рычаг регулировочный в сборе
Количество
2
Модель
256Б
Группа
Тормоза
Подгруппа
Тормоза рабочие передние ножные
Порядковый номер детали
136
32
32
Артикул: 260012
нет в наличии
Палец 8х20
Количество на схеме: 2
Информация
Палец 8х20
Количество
2
Примечание
33
Покрытие
без покрытия
33
33
Артикул: РТ-40-02
нет в наличии
Регулятор тормоза
Количество на схеме: 1
Информация
Регулятор тормоза
Количество
1
Примечание
32
34
34
Артикул: РТ-40-03
нет в наличии
Регулятор тормоза
Количество на схеме: 1
Информация
Регулятор тормоза
Количество
1
Примечание
32
35
35
Артикул: 65055-3502180
нет в наличии
Тяга
Количество на схеме: 2
Информация
Тяга
Количество
2
Примечание
33
Модель
65055
Группа
Тормоза
Подгруппа
Тормоза рабочие задние ножные и тормозные барабаны
Порядковый номер детали
180
36
36
Артикул: 6437-3519068
нет в наличии
Кронштейн правый
Количество на схеме: 1
Информация
Кронштейн правый
Количество
1
Примечание
33
Модель
6437
Группа
Тормоза
Подгруппа
Камеры пневмотормозов
Порядковый номер детали
068
37
37
Артикул: 6437-3519069
нет в наличии
Кронштейн левый
Количество на схеме: 1
Информация
Кронштейн левый
Количество
1
Примечание
33
Модель
6437
Группа
Тормоза
Подгруппа
Камеры пневмотормозов
Порядковый номер детали
069
38
38
Артикул: 252136
нет в наличии
Шайба 10,2
Количество на схеме: 2
Информация
Шайба 10,2
Количество
2
Покрытие
без покрытия
39
39
Артикул: 201493
нет в наличии
Болт М10х1,5х16
Количество на схеме: 8
Информация
Болт М10х1,5х16
Количество
8
Покрытие
без покрытия
40
40
Артикул: 260305
нет в наличии
Заглушка
Количество на схеме: 1
Информация
Заглушка
Количество
1
Покрытие
без покрытия
41
41
Артикул: 200Т-3501161-А
нет в наличии
Прокладка регулировочная
Количество на схеме: 2
Информация
Прокладка регулировочная
Количество
2
Модель
200Т
Группа
Тормоза
Подгруппа
Тормоза рабочие передние ножные
Порядковый номер детали
161
41
41
Артикул: 65055-3501161
нет в наличии
Прокладка регулировочная
Количество на схеме: 2
Информация
Прокладка регулировочная
Количество
2
Примечание
33
Модель
65055
Группа
Тормоза
Подгруппа
Тормоза рабочие передние ножные
Порядковый номер детали
161
42
42
Артикул: 200Т-3501160-А
нет в наличии
Прокладка регулировочная
Количество на схеме: 2
Информация
Прокладка регулировочная
Количество
2
Модель
200Т
Группа
Тормоза
Подгруппа
Тормоза рабочие передние ножные
Порядковый номер детали
160
42
42
Артикул: 65055-3501160
нет в наличии
Прокладка регулировочная
Количество на схеме: 2
Информация
Прокладка регулировочная
Количество
2
Примечание
33
Модель
65055
Группа
Тормоза
Подгруппа
Тормоза рабочие передние ножные
Порядковый номер детали
160
43
43
Артикул: 201-1115043
нет в наличии
Шарик-фиксатор
Количество на схеме: 1
Информация
Шарик-фиксатор
Количество
1
Модель
201
Группа
Cистема питания двигателя
Подгруппа
1115
Порядковый номер детали
043
44
44
Артикул: 200Т-3501144
нет в наличии
Пружина фиксатора
Количество на схеме: 1
Информация
Пружина фиксатора
Количество
1
Модель
200Т
Группа
Тормоза
Подгруппа
Тормоза рабочие передние ножные
Порядковый номер детали
144
45
45
Артикул: 200-3501148-А
нет в наличии
Пробка фиксатора
Количество на схеме: 1
Информация
Пробка фиксатора
Количество
1
Модель
200
Группа
Тормоза
Подгруппа
Тормоза рабочие передние ножные
Порядковый номер детали
148
46
46
Артикул: 260-3519070
нет в наличии
Кронштейн правый
Количество на схеме: 1
Информация
Кронштейн правый
Количество
1
Модель
260
Группа
Тормоза
Подгруппа
Камеры пневмотормозов
Порядковый номер детали
070
47
47
Артикул: 260-3519071
нет в наличии
Кронштейн левый
Количество на схеме: 1
Информация
Кронштейн левый
Количество
1
Модель
260
Группа
Тормоза
Подгруппа
Камеры пневмотормозов
Порядковый номер детали
071
48
48
Артикул: 202119
нет в наличии
Болт М16х2х40
Количество на схеме: 6
Информация
Болт М16х2х40
Количество
6
Покрытие
без покрытия
49
49
Артикул: 256Б-3501139-01
нет в наличии
Втулка
Количество на схеме: 1
Информация
Втулка
Количество
1
Модель
256Б
Группа
Тормоза
Подгруппа
Тормоза рабочие передние ножные
Порядковый номер детали
139
50
50
Артикул: 256Б-3501154-10
нет в наличии
Пластина стопорная
Количество на схеме: 1
Информация
Пластина стопорная
Количество
1
Модель
256Б
Группа
Тормоза
Подгруппа
Тормоза рабочие передние ножные
Порядковый номер детали
154
Дополнительно
Не взаимозаменяема с деталью, выпущенной ранее под этим же номером
51
51
Артикул: 256Б-3501142-20
нет в наличии
Ось червяка
Количество на схеме: 1
Информация
Ось червяка
Количество
1
Модель
256Б
Группа
Тормоза
Подгруппа
Тормоза рабочие передние ножные
Порядковый номер детали
142
Дополнительно
Не взаимозаменяема с деталью, выпущенной ранее под этим же номером
52
52
Артикул: 201454
нет в наличии
Болт М8х16
Количество на схеме: 1
Информация
Болт М8х16
Количество
1
Покрытие
без покрытия
53
53
Артикул: 252135
нет в наличии
Шайба 8,65Г.029
Количество на схеме: 1
Информация
Шайба 8,65Г.029
Количество
1
Покрытие
без покрытия
54
54
Артикул: 252005
нет в наличии
Шайба 8,4
Количество на схеме: 1
Информация
Шайба 8,4
Количество
1
Покрытие
без покрытия
55
55
Артикул: 252607
нет в наличии
Заклепка
Количество на схеме: 5
Информация
Заклепка
Количество
5
Покрытие
без покрытия
56
56
Артикул: 201495
нет в наличии
Болт М10х1,5х20
Количество на схеме: 2
Информация
Болт М10х1,5х20
Количество
2
Покрытие
без покрытия
57
57
Артикул: 219-3501155-01
нет в наличии
Шайба упорная
Количество на схеме: 2
Информация
Шайба упорная
Количество
2
Примечание
33
Модель
219
Группа
Тормоза
Подгруппа
Тормоза рабочие передние ножные
Порядковый номер детали
155
57
57
Артикул: 219-3501155-01
нет в наличии
Шайба упорная
Количество на схеме: 2
Информация
Шайба упорная
Количество
2
Модель
219
Группа
Тормоза
Подгруппа
Тормоза рабочие передние ножные
Порядковый номер детали
155
58
58
Артикул: 256Б-3501143-10
нет в наличии
Крышка корпуса рычага
Количество на схеме: 2
Информация
Крышка корпуса рычага
Количество
2
Модель
256Б
Группа
Тормоза
Подгруппа
Тормоза рабочие передние ножные
Порядковый номер детали
143
Дополнительно
Не взаимозаменяема с деталью, выпущенной ранее под этим же номером
59
59
Артикул: 256Б-3501140-10
нет в наличии
Шестерня рычага
Количество на схеме: 1
Информация
Шестерня рычага
Количество
1
Модель
256Б
Группа
Тормоза
Подгруппа
Тормоза рабочие передние ножные
Порядковый номер детали
140
Дополнительно
Не взаимозаменяема с деталью, выпущенной ранее под этим же номером
60
60
Артикул: 256Б-3501141
нет в наличии
Червяк рычага
Количество на схеме: 1
Информация
Червяк рычага
Количество
1
Модель
256Б
Группа
Тормоза
Подгруппа
Тормоза рабочие передние ножные
Порядковый номер детали
141
62
62
Артикул: 256Б-3501138-20
нет в наличии
Корпус регулировочного рычага
Количество на схеме: 1
Информация
Корпус регулировочного рычага
Количество
1
Модель
256Б
Группа
Тормоза
Подгруппа
Тормоза рабочие передние ножные
Порядковый номер детали
138
Дополнительно
Не взаимозаменяема с деталью, выпущенной ранее под этим же номером
  • Грузовые автомобили
  • Автобусы
  • Сельхозтехника
  • Спецтехника
  • Двигатели
Получить оптовый прайс-лист
Скачать прайс-лист от 05.05.2026 16:00
Специальное предложение от 05.05.2026 17:00
Производители:


  • WEICHAI
  • Автодизель ПАО (ЯМЗ)
  • Тутаевский МЗ
  • ЯЗДА
  • УралАЗ
  • МАЗ
  • АЗПИ
  • BOSCH
  • ММЗ
  • ШААЗ
  • FEDERAL MOGUL
  • ПРАМО
  • Мотордеталь
  • ТАИМ
  • АвтоКрАЗ
  • БЕЛКАРД
  • CZ Strakonice
  • КамАЗ
  • БЗА
  • ЧМЗ
  • BMZ
Новости
Все новости
25 марта 2024
Флагманский седельный тягач «Валдай 45» на выставке «TransRussia»
10 марта 2024
Современные автобусы «CITYMAX 9» и ЛиАЗ-5292 CNG
25 февраля 2024
Серийное производство средних дизельных двигателей повышенной мощности от ЯМЗ
Статьи
Все статьи
Датчики двигателя: за что они отвечают, признаки неисправности и как не прогадать с выбором
Двигатели ЯМЗ-534: история, технические характеристики и области применения
Двигатели ЯМЗ 650: углублённый технический обзор и история
Компания
О компании
Реквизиты
Новости
Политика
Магазины
Информация
Условия оплаты
Условия доставки
Гарантия на товар
Обмен и возврат товара
Помощь
Как оформить заказ
Полезные статьи
Бренды
Пункты выдачи
Оставайтесь на связи
  • Вконтакте
  • YouTube
  • Одноклассники
  • Google Plus
Увидели ошибку?
Выделите, нажав Ctrl + Enter
Наши контакты
8-800-700-35-68
sales@din76.ru
г. Ярославль, Ленинградский пр-т 33, ТЦ "ОМЕГА"
2026 © ООО «Динамика 76» - Все права защищены ООО "Динамика 76"
Предложения на сайте не являются публичной офертой.
На сайте обнаружена ошибка

Текст с ошибкой