Избранное 0 Корзина 0 Личный кабинет
logo
Каталог
Каталог
  • Справочник
    • Грузовые автомобили
    • Автобусы
    • Сельхозтехника
    • Спецтехника
    • Двигатели
  • Доставка
  • Оплата
  • О компании
    • Реквизиты
    • Магазины
    • Оплата
    • Доставка
    • Лицензии и сертификаты
    • Новости
    • Вакансии
  • Контакты
Отправить заявку
Личный кабинет
8 (800) 700-35-68
sales@din76.ru
Избранное 0 Корзина 0
8 (800) 700-35-68
Оптовый прайс-лист
Каталог
  • Двигатели
  • Запчасти WEICHAI
  • Запчасти ЯМЗ, ТМЗ (V-образные)
  • Запчасти ЯМЗ-534, ЯМЗ-536
  • Запчасти ЯМЗ-650, ЯМЗ-651, DCi-11
  • Топливная аппаратура
  • Запчасти УРАЛ
  • Запчасти МАЗ
  • Запчасти КамАЗ
  • Запчасти ММЗ
  • Ремни
Автокаталог (справочник)
  • Доставка
  • Оплата
  • О компании
  • Контакты
8 (800) 700-35-68
Написать в Whatsapp
sales@din76.ru
Динамика 76
Меню  
  • Каталог
    • Двигатели  
      • Двигатели ТМЗ  
        • Двигатели ТМЗ для автомобилей
        • Двигатели ТМЗ для тракторов
        • Специальные двигатели ТМЗ
        • Промышленные двигатели ТМЗ
      • Двигатели ЯМЗ  
        • ЯМЗ 236
        • ЯМЗ 238
        • ЯМЗ 240
        • ЯМЗ 751
        • ЯМЗ 840
        • ЯМЗ 850
        • ЯМЗ 656
        • ЯМЗ 658
        • ЯМЗ 534
        • ЯМЗ 536
        • ЯМЗ 650
        • Двигатели ЯМЗ для электростанций
      • Двигатели КАМАЗ
      • Двигатели ММЗ
      • Двигатели индивидуальной сборки
      • Комплекты переоборудования
    • Запчасти WEICHAI  
      • Основные запчасти двигателя  
        • Клапаны и толкатели
        • Шатуны
        • Вал коленчатый и маховик
        • Вал распределительный
        • Цилиндро-поршневая группа
      • Система питания  
        • Форсунки
        • Турбокомпрессор
      • Система смазки  
        • Насос масляный
      • Головка блока
      • Ремкомплекты
      • Система охлаждения  
        • Насос водяной
        • Муфта вязкостная и крыльчатка
      • Фильтры
      • Электрооборудование  
        • Генератор
        • Стартер
    • Запчасти ЯМЗ, ТМЗ (V-образные)  
      • Основные запчасти двигателя  
        • Блок двигателя и комплектующие
        • Валы распределительные и клапаны
        • Головка блока и комплектующие
        • Цилиндро-поршневая группа
        • Маховики и комплектующие
        • Валы коленчатые и комплектующие
        • Шатуны и комплектующие
      • Система питания  
        • Коллекторы и патрубки
        • Топливные трубопроводы
        • Турбокомпрессор
        • Топливные фильтры
      • Электрооборудование двигателя
      • Система охлаждения  
        • Вязкостные муфты и крыльчатки
        • Приводы вентилятора
        • Водяные насосы
        • Водяные трубы и термостаты
      • Коробки переключения передач  
        • 8 Ступенчатые КПП
        • 5 Ступенчатые КПП
        • 9 Ступенчатые КПП
        • Запасные части КПП ЯМЗ, ТМЗ
      • Система смазки  
        • Теплообменник и комплектующие
        • Масляные насосы
        • Фильтры масляные (ФГОМ, ФЦОМ)
      • Сцепление  
        • Запасные части механизма сцепления
        • Муфты (подшипники выжимные)
        • Корзины (диски нажимные)
        • Диски ведомые
      • Прочие запчасти двигателя  
        • Ремкомплекты
        • Привод агрегатов
        • Натяжные устройства
        • Трубки
    • Запчасти ЯМЗ-534, ЯМЗ-536  
      • Основные запчасти двигателя  
        • Цилиндро-поршневая группа
        • Головка блока цилиндров и комплектующие
        • Блок цилиндров и комплектующие
        • Вал коленчатый и маховик
        • Вал распределительный
        • Клапаны и толкатели
        • ГУР (Гидроусилитель руля)
        • Система рециркуляции отработавших газов
        • Выпускной коллектор
      • Система питания  
        • Коллекторы и патрубки
        • Топливные фильтры
        • Турбокомпрессор
        • Топливные трубопроводы
      • Система смазки  
        • Масляный картер поддон
        • Масляный насос
        • Теплообменник /Водо-масляный радиатор
        • Фильтры масляные (ФГОМ, ФЦОМ)
      • Пневмокомпрессор и натяжное
      • Система охлаждения  
        • Водяной насос
        • Водяные трубы и патрубки
        • Муфты вязкостные, приводы, крыльчатки
      • Ремкомплекты
      • Сцепление
      • Электрооборудование
    • Запчасти ЯМЗ-650, ЯМЗ-651, DCi-11  
      • Основные запчасти двигателя  
        • Цилиндро-поршневая группа
        • Головка блока цилиндров и комплектующие
        • Блок цилиндров и комплектующие
        • Вал коленчатый и маховик
        • Выпускной коллектор
        • Вал распределительный
        • Клапаны и толкатели
        • ГУР (Гидроусилитель руля)
        • Система рециркуляции отработавших газов
      • Система питания  
        • Коллекторы и патрубки
        • Топливные трубопроводы
        • Топливные фильтры
        • Турбокомпрессор
      • Система смазки  
        • Масляный картер / поддон
        • Масляный насос
        • Теплообменник / Водо-масляный радиатор
        • Фильтры масляные (ФГОМ, ФЦОМ)
      • Система охлаждения  
        • Водяной насос
        • Водяные трубы и патрубки
        • Муфты вязкостные, приводы, крыльчатки
      • Ремкомплекты
      • Пневмокомпрессор и натяжное
      • Электрооборудование
      • Сцепление
    • Топливная аппаратура  
      • ЯЗДА  
        • Распылители
        • ТНВД
        • Форсунки
        • Топливный насос низкого давления
        • Пары плунжерные
        • Муфта опережения впрыска топлива
        • Запчасти и комплектующие ТНВД
      • НЗТА
      • АЗПИ  
        • Распылители
        • Форсунки
      • BOSCH
    • Запчасти УРАЛ  
      • Трансмиссия  
        • Коробка раздаточная
        • Передача карданная
        • Мост задний
        • Мост передний (ведущий)
        • Мост средний (промежуточный)
      • Кузов  
        • Дверь кабины
        • Капот, крылья, облицовка радиатора
        • Окно ветровое и заднее
        • Отопление и вентиляция кабины
        • Кабина
      • Механизмы управления  
        • Управление рулевое
        • Тормоза
      • Дополнительное оборудование  
        • Отбор мощности
        • Устройство седельное
      • Электрооборудование
      • Ходовая часть  
        • Колеса и ступицы
        • Ось передняя
        • Подвеска автомобиля
        • Рама
    • Запчасти МАЗ  
      • Трансмиссия  
        • Мост задний
        • Мост передний (ведущий)
        • Передача карданная
        • Мост средний (промежуточный)
      • Кузов  
        • Кабина
        • Дверь кабины
        • Детали основания кабины
        • Окно ветровое и заднее
        • Платформа
      • Механизмы управления  
        • Тормоза
        • Управление рулевое
      • Ходовая часть  
        • Колеса и ступицы
        • Ось передняя
        • Подвеска автомобиля
        • Рама
    • Запчасти КамАЗ  
      • Кузов  
        • Кабина
        • Капот, крылья, облицовка радиатора
        • Дверь кабины
        • Платформа
        • Окно ветровое и заднее
        • Устройство подъемное и опрокидывающее
        • Сиденье
        • Крыша кабины (крыша кузова)
        • Отопление и вентиляция кабины
      • Трансмиссия  
        • Коробка передач
        • Коробка раздаточная
        • Мост задний
        • Сцепление
        • Мост средний (промежуточный)
        • Передача карданная
        • Мост передний (ведущий)
      • Двигатель  
        • Основные запчасти двигателя
        • Система охлаждения
        • Система питания
        • Система смазки
      • Дополнительное оборудование  
        • Отбор мощности
        • Устройство седельное
      • Ходовая часть  
        • Подвеска автомобиля
        • Рама
        • Колеса и ступицы
        • Ось передняя
      • Механизмы управления  
        • Тормоза
        • Управление рулевое
      • Электрооборудование
    • Запчасти ММЗ
    • Ремни
  • Справочник
    • Грузовые автомобили
    • Автобусы
    • Сельхозтехника
    • Спецтехника
    • Двигатели
  • Как купить
    • Условия оплаты
    • Условия доставки
    • Гарантия на товар
    • Пункты выдачи
  • Услуги
    • Капитальный ремонт двигателей ЯМЗ
  • Акции
  • Статьи
  • Контакты
  • Компания
    • Реквизиты
    • Магазины
    • Оплата
    • Доставка
    • Лицензии и сертификаты
    • Новости
    • Вакансии
Избранное 0 Корзина 0
8-800-700-35-68

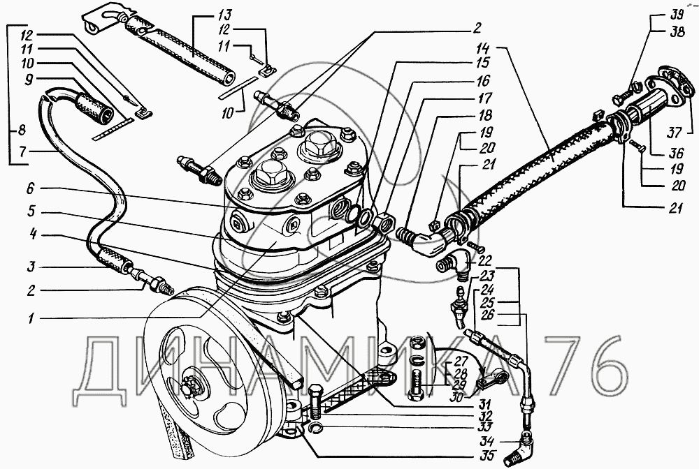
Установка и привод компрессора на КрАЗ-6322 (до 2005 г.)

Справочник
Главная
-
Автокаталог
-
Грузовые автомобили и прицепы
-
КрАЗ
-
КрАЗ-6322
Справочный каталог

Установка и привод компрессора — КрАЗ-6322:

1 2 2 3 4 5 6 7 8 9 10 10 11 11 12 12 13 14 15 17 17 18 19 19 20 20 21 21 22 23 24 25 26 27 28 29 30 31 32 33 34 35 36 37 38 38
в наличии
нет в наличии
масштаб

В наличии
Нет в наличии

Перечень комплектующих от Установка и привод компрессора на КрАЗ-6322

Схемы запчастей предназначены для справочных целей! Мы продаем не все запчасти от Установка и привод компрессора на КрАЗ-6322, представленные в этом списке.
Наличие на складах по деталям с ценой смотрите в карточке товара.
1
1
Артикул: 161-3509012-20
в наличии
Компрессор в сборе
Количество на схеме: 1
Информация
Компрессор в сборе
Количество
1
Модель
161
Группа
Тормоза
Подгруппа
Компрессор пневмотормозов
Порядковый номер детали
012
Дополнительно
Не взаимозаменяема с деталью, выпущенной ранее под этим же номером
Компрессор МАЗ,КРАЗ,УРАЛ (2 цилиндровый) 275 л/м (с паспортом) ПАНЕВЕЖИО АУРИДА
Артикул: 161-3509012-20
Компрессор МАЗ,КРАЗ,УРАЛ (2 цилиндровый) 275 л/м (с паспортом) ПАНЕВЕЖИО АУРИДА
Код для заказа: 00034262
Цена: 30 110 ₽/шт.
Под заказ
Компрессор МАЗ,КРАЗ,УРАЛ (2 цилиндровый) 275 л/м (с паспортом) ПАНЕВЕЖИО АУРИДА
Артикул: 161-3509012-20
Код для заказа: 00034262
Компрессор МАЗ,КРАЗ,УРАЛ (2 цилиндровый) 275 л/м (с паспортом) ПАНЕВЕЖИО АУРИДА
Цена: 30 110 ₽/шт.
Под заказ
Компрессор КрАЗ, МАЗ со шкивом
Артикул: 161-3509012-20
Компрессор КрАЗ, МАЗ со шкивом
Код для заказа: 00018977
Цена: 30 110 ₽/шт.
Под заказ
Компрессор КрАЗ, МАЗ со шкивом
Артикул: 161-3509012-20
Код для заказа: 00018977
Компрессор КрАЗ, МАЗ со шкивом
Цена: 30 110 ₽/шт.
Под заказ
2
2
Артикул: 347516
нет в наличии
Штуцер К3/8"
Количество на схеме: 3
Информация
Штуцер К3/8"
Количество
3
Покрытие
без покрытия
3
3
Артикул: 256Б-3509280
нет в наличии
Шланг трубки подвода воды
Количество на схеме: 1
Информация
Шланг трубки подвода воды
Количество
1
Модель
256Б
Группа
Тормоза
Подгруппа
Компрессор пневмотормозов
Порядковый номер детали
280
4
4
Артикул: 16-3509045
нет в наличии
Прокладка между проставкой и блоком цилиндров
Количество на схеме: 1
Информация
Прокладка между проставкой и блоком цилиндров
Количество
1
Модель
16
Группа
Тормоза
Подгруппа
Компрессор пневмотормозов
Порядковый номер детали
045
5
5
Артикул: 16-3509043
нет в наличии
Прокладка между головкой и проставкой
Количество на схеме: 1
Информация
Прокладка между головкой и проставкой
Количество
1
Модель
16
Группа
Тормоза
Подгруппа
Компрессор пневмотормозов
Порядковый номер детали
043
6
6
Артикул: 16-3509054
нет в наличии
Прокладка между крышкой и головкой
Количество на схеме: 1
Информация
Прокладка между крышкой и головкой
Количество
1
Модель
16
Группа
Тормоза
Подгруппа
Компрессор пневмотормозов
Порядковый номер детали
054
7
7
Артикул: 256Б1-3509281
нет в наличии
Трубка
Количество на схеме: 1
Информация
Трубка
Количество
1
Модель
256Б1
Группа
Тормоза
Подгруппа
Компрессор пневмотормозов
Порядковый номер детали
281
8
8
Артикул: 256Б1-3509278
нет в наличии
Трубка подвода воды к компрессору
Количество на схеме: 1
Информация
Трубка подвода воды к компрессору
Количество
1
Модель
256Б1
Группа
Тормоза
Подгруппа
Компрессор пневмотормозов
Порядковый номер детали
278
9
9
Артикул: 256Б1-3509280
нет в наличии
Шланг
Количество на схеме: 1
Информация
Шланг
Количество
1
Модель
256Б1
Группа
Тормоза
Подгруппа
Компрессор пневмотормозов
Порядковый номер детали
280
10
10
Артикул: 297582
нет в наличии
Лента стяжная 10х180
Количество на схеме: 4
Информация
Лента стяжная 10х180
Количество
4
Покрытие
без покрытия
11
11
Артикул: 258080
нет в наличии
Шплинт 5,6х25
Количество на схеме: 4
Информация
Шплинт 5,6х25
Количество
4
Покрытие
без покрытия
12
12
Артикул: 212А-8101092
нет в наличии
Пряжка хомута
Количество на схеме: 4
Информация
Пряжка хомута
Количество
4
Модель
212А
Группа
Отопление и вентиляция кабины
Подгруппа
Отопитель (кузова)
Порядковый номер детали
092
13
13
Артикул: 256Б-3509287
нет в наличии
Шланг отвода воды
Количество на схеме: 1
Информация
Шланг отвода воды
Количество
1
Модель
256Б
Группа
Тормоза
Подгруппа
Компрессор пневмотормозов
Порядковый номер детали
287
14
14
Артикул: 65055-3509310
нет в наличии
Шланг
Количество на схеме: 1
Информация
Шланг
Количество
1
Модель
65055
Группа
Тормоза
Подгруппа
Компрессор пневмотормозов
Порядковый номер детали
310
15
15
Артикул: 256Б-3570138
нет в наличии
Кольцо резиновое уплотнительное Н1-25х20х2
Количество на схеме: 1
Информация
Кольцо резиновое уплотнительное Н1-25х20х2
Количество
1
Модель
256Б
Группа
Тормоза
Подгруппа
Тормоз вспомогательный
Порядковый номер детали
138
17
17
Артикул: 256Б1-3506017
нет в наличии
Шайба уплотнительная
Количество на схеме: 1
Информация
Шайба уплотнительная
Количество
1
Модель
256Б1
Группа
Тормоза
Подгруппа
Трубопроводы пневмотормозов
Порядковый номер детали
017
17
17
Артикул: 349507
нет в наличии
Гайка М22х1,5
Количество на схеме: 1
Информация
Гайка М22х1,5
Количество
1
Покрытие
без покрытия
18
18
Артикул: 6510-3509245
нет в наличии
Патрубок
Количество на схеме: 1
Информация
Патрубок
Количество
1
Модель
6510
Группа
Тормоза
Подгруппа
Компрессор пневмотормозов
Порядковый номер детали
245
19
19
Артикул: 251086
нет в наличии
Гайка М5х0,8
Количество на схеме: 2
Информация
Гайка М5х0,8
Количество
2
Покрытие
без покрытия
20
20
Артикул: 220086
нет в наличии
Винт М5х0,8х30
Количество на схеме: 2
Информация
Винт М5х0,8х30
Количество
2
Покрытие
без покрытия
21
21
Артикул: 250-3408117
нет в наличии
Хомут шланга
Количество на схеме: 2
Информация
Хомут шланга
Количество
2
Модель
250
Группа
Управление рулевое
Подгруппа
Трубопроводы гидроусилителя механизма рулевого управления
Порядковый номер детали
117
22
22
Артикул: 347214
нет в наличии
Угольник К1/8"хМ10х1
Количество на схеме: 1
Информация
Угольник К1/8"хМ10х1
Количество
1
Покрытие
без покрытия
23
23
Артикул: 256Б1-3509260
нет в наличии
Трубка подвода масла передняя
Количество на схеме: 1
Информация
Трубка подвода масла передняя
Количество
1
Модель
256Б1
Группа
Тормоза
Подгруппа
Компрессор пневмотормозов
Порядковый номер детали
260
24
24
Артикул: 256Б1-3509262-01
нет в наличии
Шланг
Количество на схеме: 1
Информация
Шланг
Количество
1
Модель
256Б1
Группа
Тормоза
Подгруппа
Компрессор пневмотормозов
Порядковый номер детали
262
25
25
Артикул: 256Б-3509258-01
нет в наличии
Трубка подвода масла в сборе
Количество на схеме: 1
Информация
Трубка подвода масла в сборе
Количество
1
Модель
256Б
Группа
Тормоза
Подгруппа
Компрессор пневмотормозов
Порядковый номер детали
258
26
26
Артикул: 256Б1-3509261
нет в наличии
Трубка подвода масла задняя
Количество на схеме: 1
Информация
Трубка подвода масла задняя
Количество
1
Модель
256Б1
Группа
Тормоза
Подгруппа
Компрессор пневмотормозов
Порядковый номер детали
261
27
27
Артикул: 250508
нет в наличии
Гайка М6-6Н
Количество на схеме: 1
Информация
Гайка М6-6Н
Количество
1
Покрытие
без покрытия
28
28
Артикул: 252134
нет в наличии
Шайба 6Т
Количество на схеме: 1
Информация
Шайба 6Т
Количество
1
Покрытие
без покрытия
29
29
Артикул: 201422
нет в наличии
Болт М6х25
Количество на схеме: 1
Информация
Болт М6х25
Количество
1
Покрытие
без покрытия
30
30
Артикул: 347910
нет в наличии
Кляммер
Количество на схеме: 1
Информация
Кляммер
Количество
1
Покрытие
без покрытия
31
31
Артикул: 130-3509038
нет в наличии
Прокладка между блоком цилиндров и картером
Количество на схеме: 1
Информация
Прокладка между блоком цилиндров и картером
Количество
1
Модель
130
Группа
Тормоза
Подгруппа
Компрессор пневмотормозов
Порядковый номер детали
038
32
32
Артикул: 201499
нет в наличии
Болт М10х30
Количество на схеме: 4
Информация
Болт М10х30
Количество
4
Покрытие
без покрытия
33
33
Артикул: 252136
нет в наличии
Шайба 10,2
Количество на схеме: 4
Информация
Шайба 10,2
Количество
4
Покрытие
без покрытия
34
34
Артикул: 346100
нет в наличии
Угольник М10х1хК1/4"
Количество на схеме: 1
Информация
Угольник М10х1хК1/4"
Количество
1
Покрытие
без покрытия
35
35
Артикул: 130-3509103-Б
нет в наличии
Прокладка между картером и блоком двигателя
Количество на схеме: 1
Информация
Прокладка между картером и блоком двигателя
Количество
1
Модель
130
Группа
Тормоза
Подгруппа
Компрессор пневмотормозов
Порядковый номер детали
103
36
36
Артикул: 6437-1137280
нет в наличии
Патрубок с фланцем
Количество на схеме: 1
Информация
Патрубок с фланцем
Количество
1
Модель
6437
Группа
Cистема питания двигателя
Подгруппа
Система автоматической очистки воздушного фильтра
Порядковый номер детали
280
37
37
Артикул: 255-3509309
нет в наличии
Прокладка фланца трубы
Количество на схеме: 1
Информация
Прокладка фланца трубы
Количество
1
Модель
255
Группа
Тормоза
Подгруппа
Компрессор пневмотормозов
Порядковый номер детали
309
38
38
Артикул: 201458
нет в наличии
Болт М8х1,25х25
Количество на схеме: 2
Информация
Болт М8х1,25х25
Количество
2
Покрытие
без покрытия
38
38
Артикул: 252135
нет в наличии
Шайба 8,65Г.029
Количество на схеме: 2
Информация
Шайба 8,65Г.029
Количество
2
Покрытие
без покрытия
  • Грузовые автомобили
  • Автобусы
  • Сельхозтехника
  • Спецтехника
  • Двигатели
Получить оптовый прайс-лист
Скачать прайс-лист от 25.05.2026 12:00
Специальное предложение от 25.05.2026 13:00
Производители:


  • WEICHAI
  • Автодизель ПАО (ЯМЗ)
  • Тутаевский МЗ
  • ЯЗДА
  • УралАЗ
  • МАЗ
  • АЗПИ
  • BOSCH
  • ММЗ
  • ШААЗ
  • FEDERAL MOGUL
  • ПРАМО
  • Мотордеталь
  • ТАИМ
  • АвтоКрАЗ
  • БЕЛКАРД
  • CZ Strakonice
  • КамАЗ
  • БЗА
  • ЧМЗ
  • BMZ
Новости
Все новости
25 марта 2024
Флагманский седельный тягач «Валдай 45» на выставке «TransRussia»
10 марта 2024
Современные автобусы «CITYMAX 9» и ЛиАЗ-5292 CNG
25 февраля 2024
Серийное производство средних дизельных двигателей повышенной мощности от ЯМЗ
Статьи
Все статьи
Датчики двигателя: за что они отвечают, признаки неисправности и как не прогадать с выбором
Двигатели ЯМЗ-534: история, технические характеристики и области применения
Двигатели ЯМЗ 650: углублённый технический обзор и история
Компания
О компании
Реквизиты
Новости
Политика
Магазины
Информация
Условия оплаты
Условия доставки
Гарантия на товар
Обмен и возврат товара
Помощь
Как оформить заказ
Полезные статьи
Бренды
Пункты выдачи
Оставайтесь на связи
  • Вконтакте
  • YouTube
  • Одноклассники
  • Google Plus
Увидели ошибку?
Выделите, нажав Ctrl + Enter
Наши контакты
8-800-700-35-68
sales@din76.ru
г. Ярославль, Ленинградский пр-т 33, ТЦ "ОМЕГА"
2026 © ООО «Динамика 76» - Все права защищены ООО "Динамика 76"
Предложения на сайте не являются публичной офертой.
На сайте обнаружена ошибка

Текст с ошибкой