Избранное 0 Корзина 0 Личный кабинет
logo
Каталог
Каталог
  • Справочник
    • Грузовые автомобили
    • Автобусы
    • Сельхозтехника
    • Спецтехника
    • Двигатели
  • Доставка
  • Оплата
  • О компании
    • Реквизиты
    • Магазины
    • Оплата
    • Доставка
    • Лицензии и сертификаты
    • Новости
    • Вакансии
  • Контакты
Отправить заявку
Личный кабинет
8 (800) 700-35-68
sales@din76.ru
Избранное 0 Корзина 0
8 (800) 700-35-68
Оптовый прайс-лист
Каталог
  • Двигатели
  • Запчасти WEICHAI
  • Запчасти ЯМЗ, ТМЗ (V-образные)
  • Запчасти ЯМЗ-534, ЯМЗ-536
  • Запчасти ЯМЗ-650, ЯМЗ-651, DCi-11
  • Топливная аппаратура
  • Запчасти УРАЛ
  • Запчасти МАЗ
  • Запчасти КамАЗ
  • Запчасти ММЗ
  • Ремни
Автокаталог (справочник)
  • Доставка
  • Оплата
  • О компании
  • Контакты
8 (800) 700-35-68
Написать в Whatsapp
sales@din76.ru
Динамика 76
Меню  
  • Каталог
    • Двигатели  
      • Двигатели ТМЗ  
        • Двигатели ТМЗ для автомобилей
        • Двигатели ТМЗ для тракторов
        • Специальные двигатели ТМЗ
        • Промышленные двигатели ТМЗ
      • Двигатели ЯМЗ  
        • ЯМЗ 236
        • ЯМЗ 238
        • ЯМЗ 240
        • ЯМЗ 751
        • ЯМЗ 840
        • ЯМЗ 850
        • ЯМЗ 656
        • ЯМЗ 658
        • ЯМЗ 534
        • ЯМЗ 536
        • ЯМЗ 650
        • Двигатели ЯМЗ для электростанций
      • Двигатели КАМАЗ
      • Двигатели ММЗ
      • Двигатели индивидуальной сборки
      • Комплекты переоборудования
    • Запчасти WEICHAI  
      • Основные запчасти двигателя  
        • Клапаны и толкатели
        • Шатуны
        • Вал коленчатый и маховик
        • Вал распределительный
        • Цилиндро-поршневая группа
      • Система питания  
        • Форсунки
        • Турбокомпрессор
      • Система смазки  
        • Насос масляный
      • Головка блока
      • Ремкомплекты
      • Система охлаждения  
        • Насос водяной
        • Муфта вязкостная и крыльчатка
      • Фильтры
      • Электрооборудование  
        • Генератор
        • Стартер
    • Запчасти ЯМЗ, ТМЗ (V-образные)  
      • Основные запчасти двигателя  
        • Блок двигателя и комплектующие
        • Валы распределительные и клапаны
        • Головка блока и комплектующие
        • Цилиндро-поршневая группа
        • Маховики и комплектующие
        • Валы коленчатые и комплектующие
        • Шатуны и комплектующие
      • Система питания  
        • Коллекторы и патрубки
        • Топливные трубопроводы
        • Турбокомпрессор
        • Топливные фильтры
      • Электрооборудование двигателя
      • Система охлаждения  
        • Вязкостные муфты и крыльчатки
        • Приводы вентилятора
        • Водяные насосы
        • Водяные трубы и термостаты
      • Коробки переключения передач  
        • 8 Ступенчатые КПП
        • 5 Ступенчатые КПП
        • 9 Ступенчатые КПП
        • Запасные части КПП ЯМЗ, ТМЗ
      • Система смазки  
        • Теплообменник и комплектующие
        • Масляные насосы
        • Фильтры масляные (ФГОМ, ФЦОМ)
      • Сцепление  
        • Запасные части механизма сцепления
        • Муфты (подшипники выжимные)
        • Корзины (диски нажимные)
        • Диски ведомые
      • Прочие запчасти двигателя  
        • Ремкомплекты
        • Привод агрегатов
        • Натяжные устройства
        • Трубки
    • Запчасти ЯМЗ-534, ЯМЗ-536  
      • Основные запчасти двигателя  
        • Цилиндро-поршневая группа
        • Головка блока цилиндров и комплектующие
        • Блок цилиндров и комплектующие
        • Вал коленчатый и маховик
        • Вал распределительный
        • Клапаны и толкатели
        • ГУР (Гидроусилитель руля)
        • Система рециркуляции отработавших газов
        • Выпускной коллектор
      • Система питания  
        • Коллекторы и патрубки
        • Топливные фильтры
        • Турбокомпрессор
        • Топливные трубопроводы
      • Система смазки  
        • Масляный картер поддон
        • Масляный насос
        • Теплообменник /Водо-масляный радиатор
        • Фильтры масляные (ФГОМ, ФЦОМ)
      • Пневмокомпрессор и натяжное
      • Система охлаждения  
        • Водяной насос
        • Водяные трубы и патрубки
        • Муфты вязкостные, приводы, крыльчатки
      • Ремкомплекты
      • Сцепление
      • Электрооборудование
    • Запчасти ЯМЗ-650, ЯМЗ-651, DCi-11  
      • Основные запчасти двигателя  
        • Цилиндро-поршневая группа
        • Головка блока цилиндров и комплектующие
        • Блок цилиндров и комплектующие
        • Вал коленчатый и маховик
        • Выпускной коллектор
        • Вал распределительный
        • Клапаны и толкатели
        • ГУР (Гидроусилитель руля)
        • Система рециркуляции отработавших газов
      • Система питания  
        • Коллекторы и патрубки
        • Топливные трубопроводы
        • Топливные фильтры
        • Турбокомпрессор
      • Система смазки  
        • Масляный картер / поддон
        • Масляный насос
        • Теплообменник / Водо-масляный радиатор
        • Фильтры масляные (ФГОМ, ФЦОМ)
      • Система охлаждения  
        • Водяной насос
        • Водяные трубы и патрубки
        • Муфты вязкостные, приводы, крыльчатки
      • Ремкомплекты
      • Пневмокомпрессор и натяжное
      • Электрооборудование
      • Сцепление
    • Топливная аппаратура  
      • ЯЗДА  
        • Распылители
        • ТНВД
        • Форсунки
        • Топливный насос низкого давления
        • Пары плунжерные
        • Муфта опережения впрыска топлива
        • Запчасти и комплектующие ТНВД
      • НЗТА
      • АЗПИ  
        • Распылители
        • Форсунки
      • BOSCH
    • Запчасти УРАЛ  
      • Трансмиссия  
        • Коробка раздаточная
        • Передача карданная
        • Мост задний
        • Мост передний (ведущий)
        • Мост средний (промежуточный)
      • Кузов  
        • Дверь кабины
        • Капот, крылья, облицовка радиатора
        • Окно ветровое и заднее
        • Отопление и вентиляция кабины
        • Кабина
      • Механизмы управления  
        • Управление рулевое
        • Тормоза
      • Дополнительное оборудование  
        • Отбор мощности
        • Устройство седельное
      • Электрооборудование
      • Ходовая часть  
        • Колеса и ступицы
        • Ось передняя
        • Подвеска автомобиля
        • Рама
    • Запчасти МАЗ  
      • Трансмиссия  
        • Мост задний
        • Мост передний (ведущий)
        • Передача карданная
        • Мост средний (промежуточный)
      • Кузов  
        • Кабина
        • Дверь кабины
        • Детали основания кабины
        • Окно ветровое и заднее
        • Платформа
      • Механизмы управления  
        • Тормоза
        • Управление рулевое
      • Ходовая часть  
        • Колеса и ступицы
        • Ось передняя
        • Подвеска автомобиля
        • Рама
    • Запчасти КамАЗ  
      • Кузов  
        • Кабина
        • Капот, крылья, облицовка радиатора
        • Дверь кабины
        • Платформа
        • Окно ветровое и заднее
        • Устройство подъемное и опрокидывающее
        • Сиденье
        • Крыша кабины (крыша кузова)
        • Отопление и вентиляция кабины
      • Трансмиссия  
        • Коробка передач
        • Коробка раздаточная
        • Мост задний
        • Сцепление
        • Мост средний (промежуточный)
        • Передача карданная
        • Мост передний (ведущий)
      • Двигатель  
        • Основные запчасти двигателя
        • Система охлаждения
        • Система питания
        • Система смазки
      • Дополнительное оборудование  
        • Отбор мощности
        • Устройство седельное
      • Ходовая часть  
        • Подвеска автомобиля
        • Рама
        • Колеса и ступицы
        • Ось передняя
      • Механизмы управления  
        • Тормоза
        • Управление рулевое
      • Электрооборудование
    • Запчасти ММЗ
    • Ремни
  • Справочник
    • Грузовые автомобили
    • Автобусы
    • Сельхозтехника
    • Спецтехника
    • Двигатели
  • Как купить
    • Условия оплаты
    • Условия доставки
    • Гарантия на товар
    • Пункты выдачи
  • Услуги
    • Капитальный ремонт двигателей ЯМЗ
  • Акции
  • Статьи
  • Контакты
  • Компания
    • Реквизиты
    • Магазины
    • Оплата
    • Доставка
    • Лицензии и сертификаты
    • Новости
    • Вакансии
Избранное 0 Корзина 0
8-800-700-35-68

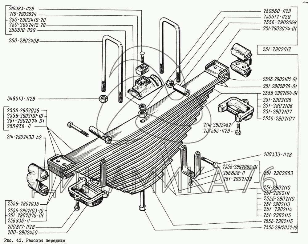
Рессоры передние на КрАЗ-260

Справочник
Главная
-
Автокаталог
-
Грузовые автомобили и прицепы
-
КрАЗ
-
КрАЗ-260
Справочный каталог

Рессоры передние — КрАЗ-260:

200-2902450 200333-П29 200817-П29 201593-П29 210383-П29 214-2902430-А2 214-2902452 219-2902624 250-2902410-20 250-2902412-20 250510-П29 250512-П29 250560-П29 251-2902012 251-2902053 251-2902074-01 251-2902074-01 251-2902076-01 251-2902076-01 251-2902105 251-2902106 251-2902107 251-2902109 251-2902110 251-2902111 251-2902113 251-2902114 251-2902115 255Б-2902036 255Б-2902036 255Б-2902062-01 255Б-2902068 255Б-2902101-10 255Б-2902102-01 255Б-2902103-10 255Б-2902104-01 255Б-2902107 255Б-2902110 255Б-2902113 255Б-2912032-10 256836-П 256836-П 256838-П 260-2902408 349513-П29
в наличии
нет в наличии
масштаб

В наличии
Нет в наличии

Перечень комплектующих от Рессоры передние на КрАЗ-260

Схемы запчастей предназначены для справочных целей! Мы продаем не все запчасти от Рессоры передние на КрАЗ-260, представленные в этом списке.
Наличие на складах по деталям с ценой смотрите в карточке товара.
Артикул: 200-2902450
нет в наличии
Крышка переднего кронштейна
Количество на схеме: 2
Информация
Крышка переднего кронштейна
Количество
2
Модель
200
Группа
Подвеска автомобиля
Подгруппа
Рессоры передние (пружины передней подвески)
Порядковый номер детали
450
Артикул: 200333-П29
в наличии
Болт М10х120
Количество на схеме: 2
Информация
Болт М10х120
Количество
2
Покрытие
цинкование и пассивирование (цинковое с хроматированием)
БОЛТ М10Х1,5Х120 (ЯМЗ)
Артикул: 200333-П29
БОЛТ М10Х1,5Х120 (ЯМЗ)
Код для заказа: 00005970
Цена: 51 ₽/шт.
Под заказ
БОЛТ М10Х1,5Х120 (ЯМЗ)
Артикул: 200333-П29
Код для заказа: 00005970
БОЛТ М10Х1,5Х120 (ЯМЗ)
Цена: 51 ₽/шт.
Под заказ
Артикул: 200817-П29
нет в наличии
Болт М14х2х60
Количество на схеме: 6
Информация
Болт М14х2х60
Количество
6
Покрытие
цинкование и пассивирование (цинковое с хроматированием)
Артикул: 201593-П29
в наличии
Болт М14х2х50
Количество на схеме: 6
Информация
Болт М14х2х50
Количество
6
Покрытие
цинкование и пассивирование (цинковое с хроматированием)
Болт М14х2х50 крепления опоры кабины задней УРАЛ (АО АЗ УРАЛ)
Артикул: 201593-П29
Болт М14х2х50 крепления опоры кабины задней УРАЛ (АО АЗ УРАЛ)
Код для заказа: 00022783
Цена: 91 ₽/шт.
Под заказ
Болт М14х2х50 крепления опоры кабины задней УРАЛ (АО АЗ УРАЛ)
Артикул: 201593-П29
Код для заказа: 00022783
Болт М14х2х50 крепления опоры кабины задней УРАЛ (АО АЗ УРАЛ)
Цена: 91 ₽/шт.
Под заказ
Артикул: 210383-П29
нет в наличии
Болт М8х40
Количество на схеме: 1
Информация
Болт М8х40
Количество
1
Покрытие
цинкование и пассивирование (цинковое с хроматированием)
Артикул: 214-2902430-А2
нет в наличии
Подушка рессоры
Количество на схеме: 4
Информация
Подушка рессоры
Количество
4
Примечание
1 - покупное изделие \n2 - на рисунке не показано
Модель
214
Группа
Подвеска автомобиля
Подгруппа
Рессоры передние (пружины передней подвески)
Порядковый номер детали
430
Артикул: 214-2902452
нет в наличии
Крышка заднего кронштейна
Количество на схеме: 2
Информация
Крышка заднего кронштейна
Количество
2
Модель
214
Группа
Подвеска автомобиля
Подгруппа
Рессоры передние (пружины передней подвески)
Порядковый номер детали
452
Артикул: 219-2902624
нет в наличии
Буфер рессоры
Количество на схеме: 1
Информация
Буфер рессоры
Количество
1
Модель
219
Группа
Подвеска автомобиля
Подгруппа
Рессоры передние (пружины передней подвески)
Порядковый номер детали
624
Артикул: 250-2902410-20
нет в наличии
Накладка рессоры в сборе
Количество на схеме: 2
Информация
Накладка рессоры в сборе
Количество
2
Модель
250
Группа
Подвеска автомобиля
Подгруппа
Рессоры передние (пружины передней подвески)
Порядковый номер детали
410
Дополнительно
Не взаимозаменяема с деталью, выпущенной ранее под этим же номером
Артикул: 250-2902412-20
нет в наличии
Накладка
Количество на схеме: 1
Информация
Накладка
Количество
1
Модель
250
Группа
Подвеска автомобиля
Подгруппа
Рессоры передние (пружины передней подвески)
Порядковый номер детали
412
Дополнительно
Не взаимозаменяема с деталью, выпущенной ранее под этим же номером
Артикул: 250510-П29
нет в наличии
Гайка М8
Количество на схеме: 1
Информация
Гайка М8
Количество
1
Покрытие
цинкование и пассивирование (цинковое с хроматированием)
Артикул: 250512-П29
в наличии
Гайка М10х1,5
Количество на схеме: 2
Информация
Гайка М10х1,5
Количество
2
Покрытие
цинкование и пассивирование (цинковое с хроматированием)
Гайка М10х1.5х8 ГАЗ-2410,3110,УРАЛ под ключ 17мм облиц.радиатора, топл.бака, ГЦС, РЦС
Артикул: 250512-П29
Гайка М10х1.5х8 ГАЗ-2410,3110,УРАЛ под ключ 17мм облиц.радиатора, топл.бака, ГЦС, РЦС
Код для заказа: 00008044
Цена: 20 ₽/шт.
Под заказ
Гайка М10х1.5х8 ГАЗ-2410,3110,УРАЛ под ключ 17мм облиц.радиатора, топл.бака, ГЦС, РЦС
Артикул: 250512-П29
Код для заказа: 00008044
Гайка М10х1.5х8 ГАЗ-2410,3110,УРАЛ под ключ 17мм облиц.радиатора, топл.бака, ГЦС, РЦС
Цена: 20 ₽/шт.
Под заказ
Артикул: 250560-П29
нет в наличии
Гайка М16х2
Количество на схеме: 1
Информация
Гайка М16х2
Количество
1
Покрытие
цинкование и пассивирование (цинковое с хроматированием)
Артикул: 251-2902012
нет в наличии
Рессора передняя в сборе
Количество на схеме: 2
Информация
Рессора передняя в сборе
Количество
2
Модель
251
Группа
Подвеска автомобиля
Подгруппа
Рессоры передние (пружины передней подвески)
Порядковый номер детали
012
Артикул: 251-2902053
нет в наличии
Лист №9 в сборе
Количество на схеме: 1
Информация
Лист №9 в сборе
Количество
1
Модель
251
Группа
Подвеска автомобиля
Подгруппа
Рессоры передние (пружины передней подвески)
Порядковый номер детали
053
Артикул: 251-2902074-01
нет в наличии
Лист №1 в сборе
Количество на схеме: 1
Информация
Лист №1 в сборе
Количество
1
Модель
251
Группа
Подвеска автомобиля
Подгруппа
Рессоры передние (пружины передней подвески)
Порядковый номер детали
074
Артикул: 251-2902076-01
нет в наличии
Лист №3 в сборе
Количество на схеме: 1
Информация
Лист №3 в сборе
Количество
1
Модель
251
Группа
Подвеска автомобиля
Подгруппа
Рессоры передние (пружины передней подвески)
Порядковый номер детали
076
Артикул: 251-2902105
нет в наличии
Лист №5
Количество на схеме: 1
Информация
Лист №5
Количество
1
Модель
251
Группа
Подвеска автомобиля
Подгруппа
Рессоры передние (пружины передней подвески)
Порядковый номер детали
105
Артикул: 251-2902106
нет в наличии
Лист №6
Количество на схеме: 1
Информация
Лист №6
Количество
1
Модель
251
Группа
Подвеска автомобиля
Подгруппа
Рессоры передние (пружины передней подвески)
Порядковый номер детали
106
Артикул: 251-2902107
нет в наличии
Лист №7
Количество на схеме: 1
Информация
Лист №7
Количество
1
Модель
251
Группа
Подвеска автомобиля
Подгруппа
Рессоры передние (пружины передней подвески)
Порядковый номер детали
107
Артикул: 251-2902109
нет в наличии
Лист №9
Количество на схеме: 1
Информация
Лист №9
Количество
1
Модель
251
Группа
Подвеска автомобиля
Подгруппа
Рессоры передние (пружины передней подвески)
Порядковый номер детали
109
Артикул: 251-2902110
нет в наличии
Лист №10
Количество на схеме: 1
Информация
Лист №10
Количество
1
Модель
251
Группа
Подвеска автомобиля
Подгруппа
Рессоры передние (пружины передней подвески)
Порядковый номер детали
110
Артикул: 251-2902111
нет в наличии
Лист №11
Количество на схеме: 1
Информация
Лист №11
Количество
1
Модель
251
Группа
Подвеска автомобиля
Подгруппа
Рессоры передние (пружины передней подвески)
Порядковый номер детали
111
Артикул: 251-2902113
нет в наличии
Лист №13
Количество на схеме: 1
Информация
Лист №13
Количество
1
Модель
251
Группа
Подвеска автомобиля
Подгруппа
Рессоры передние (пружины передней подвески)
Порядковый номер детали
113
Артикул: 251-2902114
нет в наличии
Лист №14
Количество на схеме: 1
Информация
Лист №14
Количество
1
Модель
251
Группа
Подвеска автомобиля
Подгруппа
Рессоры передние (пружины передней подвески)
Порядковый номер детали
114
Артикул: 251-2902115
нет в наличии
Лист №15
Количество на схеме: 1
Информация
Лист №15
Количество
1
Модель
251
Группа
Подвеска автомобиля
Подгруппа
Рессоры передние (пружины передней подвески)
Порядковый номер детали
115
Артикул: 255Б-2902036
нет в наличии
Чашка подушки передней рессоры нижняя
Количество на схеме: 2
Информация
Чашка подушки передней рессоры нижняя
Количество
2
Модель
255Б
Группа
Подвеска автомобиля
Подгруппа
Рессоры передние (пружины передней подвески)
Порядковый номер детали
036
Артикул: 255Б-2902062-01
нет в наличии
Хомут листа № 9
Количество на схеме: 2
Информация
Хомут листа № 9
Количество
2
Модель
255Б
Группа
Подвеска автомобиля
Подгруппа
Рессоры передние (пружины передней подвески)
Порядковый номер детали
062
Артикул: 255Б-2902068
нет в наличии
Втулка распорная
Количество на схеме: 2
Информация
Втулка распорная
Количество
2
Модель
255Б
Группа
Подвеска автомобиля
Подгруппа
Рессоры передние (пружины передней подвески)
Порядковый номер детали
068
Артикул: 255Б-2902101-10
нет в наличии
Лист № 1
Количество на схеме: 1
Информация
Лист № 1
Количество
1
Модель
255Б
Группа
Подвеска автомобиля
Подгруппа
Рессоры передние (пружины передней подвески)
Порядковый номер детали
101
Дополнительно
Не взаимозаменяема с деталью, выпущенной ранее под этим же номером
Артикул: 255Б-2902102-01
нет в наличии
Лист № 2
Количество на схеме: 1
Информация
Лист № 2
Количество
1
Модель
255Б
Группа
Подвеска автомобиля
Подгруппа
Рессоры передние (пружины передней подвески)
Порядковый номер детали
102
Артикул: 255Б-2902103-10
нет в наличии
Лист № 3
Количество на схеме: 1
Информация
Лист № 3
Количество
1
Модель
255Б
Группа
Подвеска автомобиля
Подгруппа
Рессоры передние (пружины передней подвески)
Порядковый номер детали
103
Дополнительно
Не взаимозаменяема с деталью, выпущенной ранее под этим же номером
Артикул: 255Б-2902104-01
нет в наличии
Лист №4
Количество на схеме: 1
Информация
Лист №4
Количество
1
Модель
255Б
Группа
Подвеска автомобиля
Подгруппа
Рессоры передние (пружины передней подвески)
Порядковый номер детали
104
Артикул: 255Б-2902107
нет в наличии
Лист № 7
Количество на схеме: 1
Информация
Лист № 7
Количество
1
Модель
255Б
Группа
Подвеска автомобиля
Подгруппа
Рессоры передние (пружины передней подвески)
Порядковый номер детали
107
Артикул: 255Б-2902110
нет в наличии
Лист № 10
Количество на схеме: 1
Информация
Лист № 10
Количество
1
Модель
255Б
Группа
Подвеска автомобиля
Подгруппа
Рессоры передние (пружины передней подвески)
Порядковый номер детали
110
Артикул: 255Б-2902113
нет в наличии
Лист № 13
Количество на схеме: 1
Информация
Лист № 13
Количество
1
Модель
255Б
Группа
Подвеска автомобиля
Подгруппа
Рессоры передние (пружины передней подвески)
Порядковый номер детали
113
Артикул: 255Б-2912032-10
нет в наличии
Болт центровой
Количество на схеме: 1
Информация
Болт центровой
Количество
1
Модель
255Б
Группа
Подвеска автомобиля
Подгруппа
Рессоры задние (пружины задней подвески)
Порядковый номер детали
032
Дополнительно
Не взаимозаменяема с деталью, выпущенной ранее под этим же номером
Артикул: 256836-П
нет в наличии
Заклепка
Количество на схеме: 4
Информация
Заклепка
Количество
4
Покрытие
без покрытия
Артикул: 256838-П
нет в наличии
Заклепка 10х24
Количество на схеме: 2
Информация
Заклепка 10х24
Количество
2
Покрытие
без покрытия
Артикул: 260-2902408
нет в наличии
Стремянка рессоры
Количество на схеме: 4
Информация
Стремянка рессоры
Количество
4
Модель
260
Группа
Подвеска автомобиля
Подгруппа
Рессоры передние (пружины передней подвески)
Порядковый номер детали
408
Артикул: 349513-П29
нет в наличии
Гайка М24х1,5
Количество на схеме: 8
Информация
Гайка М24х1,5
Количество
8
Покрытие
цинкование и пассивирование (цинковое с хроматированием)
  • Грузовые автомобили
  • Автобусы
  • Сельхозтехника
  • Спецтехника
  • Двигатели
Получить оптовый прайс-лист
Скачать прайс-лист от 07.05.2026 16:00
Специальное предложение от 07.05.2026 13:00
Производители:


  • WEICHAI
  • Автодизель ПАО (ЯМЗ)
  • Тутаевский МЗ
  • ЯЗДА
  • УралАЗ
  • МАЗ
  • АЗПИ
  • BOSCH
  • ММЗ
  • ШААЗ
  • FEDERAL MOGUL
  • ПРАМО
  • Мотордеталь
  • ТАИМ
  • АвтоКрАЗ
  • БЕЛКАРД
  • CZ Strakonice
  • КамАЗ
  • БЗА
  • ЧМЗ
  • BMZ
Новости
Все новости
25 марта 2024
Флагманский седельный тягач «Валдай 45» на выставке «TransRussia»
10 марта 2024
Современные автобусы «CITYMAX 9» и ЛиАЗ-5292 CNG
25 февраля 2024
Серийное производство средних дизельных двигателей повышенной мощности от ЯМЗ
Статьи
Все статьи
Датчики двигателя: за что они отвечают, признаки неисправности и как не прогадать с выбором
Двигатели ЯМЗ-534: история, технические характеристики и области применения
Двигатели ЯМЗ 650: углублённый технический обзор и история
Компания
О компании
Реквизиты
Новости
Политика
Магазины
Информация
Условия оплаты
Условия доставки
Гарантия на товар
Обмен и возврат товара
Помощь
Как оформить заказ
Полезные статьи
Бренды
Пункты выдачи
Оставайтесь на связи
  • Вконтакте
  • YouTube
  • Одноклассники
  • Google Plus
Увидели ошибку?
Выделите, нажав Ctrl + Enter
Наши контакты
8-800-700-35-68
sales@din76.ru
г. Ярославль, Ленинградский пр-т 33, ТЦ "ОМЕГА"
2026 © ООО «Динамика 76» - Все права защищены ООО "Динамика 76"
Предложения на сайте не являются публичной офертой.
На сайте обнаружена ошибка

Текст с ошибкой