Избранное 0 Корзина 0 Личный кабинет
logo
Каталог
Каталог
  • Справочник
    • Грузовые автомобили
    • Автобусы
    • Сельхозтехника
    • Спецтехника
    • Двигатели
  • Доставка
  • Оплата
  • О компании
    • Реквизиты
    • Магазины
    • Оплата
    • Доставка
    • Лицензии и сертификаты
    • Новости
    • Вакансии
  • Контакты
Отправить заявку
Личный кабинет
8 (800) 700-35-68
sales@din76.ru
Избранное 0 Корзина 0
8 (800) 700-35-68
Оптовый прайс-лист
Каталог
  • Двигатели
  • Запчасти WEICHAI
  • Запчасти ЯМЗ, ТМЗ (V-образные)
  • Запчасти ЯМЗ-534, ЯМЗ-536
  • Запчасти ЯМЗ-650, ЯМЗ-651, DCi-11
  • Топливная аппаратура
  • Запчасти УРАЛ
  • Запчасти МАЗ
  • Запчасти КамАЗ
  • Запчасти ММЗ
  • Ремни
Автокаталог (справочник)
  • Доставка
  • Оплата
  • О компании
  • Контакты
8 (800) 700-35-68
Написать в Whatsapp
sales@din76.ru
Динамика 76
Меню  
  • Каталог
    • Двигатели  
      • Двигатели ТМЗ  
        • Двигатели ТМЗ для автомобилей
        • Двигатели ТМЗ для тракторов
        • Специальные двигатели ТМЗ
        • Промышленные двигатели ТМЗ
      • Двигатели ЯМЗ  
        • ЯМЗ 236
        • ЯМЗ 238
        • ЯМЗ 240
        • ЯМЗ 751
        • ЯМЗ 840
        • ЯМЗ 850
        • ЯМЗ 656
        • ЯМЗ 658
        • ЯМЗ 534
        • ЯМЗ 536
        • ЯМЗ 650
        • Двигатели ЯМЗ для электростанций
      • Двигатели КАМАЗ
      • Двигатели ММЗ
      • Двигатели индивидуальной сборки
      • Комплекты переоборудования
    • Запчасти WEICHAI  
      • Основные запчасти двигателя  
        • Клапаны и толкатели
        • Шатуны
        • Вал коленчатый и маховик
        • Вал распределительный
        • Цилиндро-поршневая группа
      • Система питания  
        • Форсунки
        • Турбокомпрессор
      • Система смазки  
        • Насос масляный
      • Головка блока
      • Ремкомплекты
      • Система охлаждения  
        • Насос водяной
        • Муфта вязкостная и крыльчатка
      • Фильтры
      • Электрооборудование  
        • Генератор
        • Стартер
    • Запчасти ЯМЗ, ТМЗ (V-образные)  
      • Основные запчасти двигателя  
        • Блок двигателя и комплектующие
        • Валы распределительные и клапаны
        • Головка блока и комплектующие
        • Цилиндро-поршневая группа
        • Маховики и комплектующие
        • Валы коленчатые и комплектующие
        • Шатуны и комплектующие
      • Система питания  
        • Коллекторы и патрубки
        • Топливные трубопроводы
        • Турбокомпрессор
        • Топливные фильтры
      • Электрооборудование двигателя
      • Система охлаждения  
        • Вязкостные муфты и крыльчатки
        • Приводы вентилятора
        • Водяные насосы
        • Водяные трубы и термостаты
      • Коробки переключения передач  
        • 8 Ступенчатые КПП
        • 5 Ступенчатые КПП
        • 9 Ступенчатые КПП
        • Запасные части КПП ЯМЗ, ТМЗ
      • Система смазки  
        • Теплообменник и комплектующие
        • Масляные насосы
        • Фильтры масляные (ФГОМ, ФЦОМ)
      • Сцепление  
        • Запасные части механизма сцепления
        • Муфты (подшипники выжимные)
        • Корзины (диски нажимные)
        • Диски ведомые
      • Прочие запчасти двигателя  
        • Ремкомплекты
        • Привод агрегатов
        • Натяжные устройства
        • Трубки
    • Запчасти ЯМЗ-534, ЯМЗ-536  
      • Основные запчасти двигателя  
        • Цилиндро-поршневая группа
        • Головка блока цилиндров и комплектующие
        • Блок цилиндров и комплектующие
        • Вал коленчатый и маховик
        • Вал распределительный
        • Клапаны и толкатели
        • ГУР (Гидроусилитель руля)
        • Система рециркуляции отработавших газов
        • Выпускной коллектор
      • Система питания  
        • Коллекторы и патрубки
        • Топливные фильтры
        • Турбокомпрессор
        • Топливные трубопроводы
      • Система смазки  
        • Масляный картер поддон
        • Масляный насос
        • Теплообменник /Водо-масляный радиатор
        • Фильтры масляные (ФГОМ, ФЦОМ)
      • Пневмокомпрессор и натяжное
      • Система охлаждения  
        • Водяной насос
        • Водяные трубы и патрубки
        • Муфты вязкостные, приводы, крыльчатки
      • Ремкомплекты
      • Сцепление
      • Электрооборудование
    • Запчасти ЯМЗ-650, ЯМЗ-651, DCi-11  
      • Основные запчасти двигателя  
        • Цилиндро-поршневая группа
        • Головка блока цилиндров и комплектующие
        • Блок цилиндров и комплектующие
        • Вал коленчатый и маховик
        • Выпускной коллектор
        • Вал распределительный
        • Клапаны и толкатели
        • ГУР (Гидроусилитель руля)
        • Система рециркуляции отработавших газов
      • Система питания  
        • Коллекторы и патрубки
        • Топливные трубопроводы
        • Топливные фильтры
        • Турбокомпрессор
      • Система смазки  
        • Масляный картер / поддон
        • Масляный насос
        • Теплообменник / Водо-масляный радиатор
        • Фильтры масляные (ФГОМ, ФЦОМ)
      • Система охлаждения  
        • Водяной насос
        • Водяные трубы и патрубки
        • Муфты вязкостные, приводы, крыльчатки
      • Ремкомплекты
      • Пневмокомпрессор и натяжное
      • Электрооборудование
      • Сцепление
    • Топливная аппаратура  
      • ЯЗДА  
        • Распылители
        • ТНВД
        • Форсунки
        • Топливный насос низкого давления
        • Пары плунжерные
        • Муфта опережения впрыска топлива
        • Запчасти и комплектующие ТНВД
      • НЗТА
      • АЗПИ  
        • Распылители
        • Форсунки
      • BOSCH
    • Запчасти УРАЛ  
      • Трансмиссия  
        • Коробка раздаточная
        • Передача карданная
        • Мост задний
        • Мост передний (ведущий)
        • Мост средний (промежуточный)
      • Кузов  
        • Дверь кабины
        • Капот, крылья, облицовка радиатора
        • Окно ветровое и заднее
        • Отопление и вентиляция кабины
        • Кабина
      • Механизмы управления  
        • Управление рулевое
        • Тормоза
      • Дополнительное оборудование  
        • Отбор мощности
        • Устройство седельное
      • Электрооборудование
      • Ходовая часть  
        • Колеса и ступицы
        • Ось передняя
        • Подвеска автомобиля
        • Рама
    • Запчасти МАЗ  
      • Трансмиссия  
        • Мост задний
        • Мост передний (ведущий)
        • Передача карданная
        • Мост средний (промежуточный)
      • Кузов  
        • Кабина
        • Дверь кабины
        • Детали основания кабины
        • Окно ветровое и заднее
        • Платформа
      • Механизмы управления  
        • Тормоза
        • Управление рулевое
      • Ходовая часть  
        • Колеса и ступицы
        • Ось передняя
        • Подвеска автомобиля
        • Рама
    • Запчасти КамАЗ  
      • Кузов  
        • Кабина
        • Капот, крылья, облицовка радиатора
        • Дверь кабины
        • Платформа
        • Окно ветровое и заднее
        • Устройство подъемное и опрокидывающее
        • Сиденье
        • Крыша кабины (крыша кузова)
        • Отопление и вентиляция кабины
      • Трансмиссия  
        • Коробка передач
        • Коробка раздаточная
        • Мост задний
        • Сцепление
        • Мост средний (промежуточный)
        • Передача карданная
        • Мост передний (ведущий)
      • Двигатель  
        • Основные запчасти двигателя
        • Система охлаждения
        • Система питания
        • Система смазки
      • Дополнительное оборудование  
        • Отбор мощности
        • Устройство седельное
      • Ходовая часть  
        • Подвеска автомобиля
        • Рама
        • Колеса и ступицы
        • Ось передняя
      • Механизмы управления  
        • Тормоза
        • Управление рулевое
      • Электрооборудование
    • Запчасти ММЗ
    • Ремни
  • Справочник
    • Грузовые автомобили
    • Автобусы
    • Сельхозтехника
    • Спецтехника
    • Двигатели
  • Как купить
    • Условия оплаты
    • Условия доставки
    • Гарантия на товар
    • Пункты выдачи
  • Услуги
    • Капитальный ремонт двигателей ЯМЗ
  • Акции
  • Статьи
  • Контакты
  • Компания
    • Реквизиты
    • Магазины
    • Оплата
    • Доставка
    • Лицензии и сертификаты
    • Новости
    • Вакансии
Избранное 0 Корзина 0
8-800-700-35-68

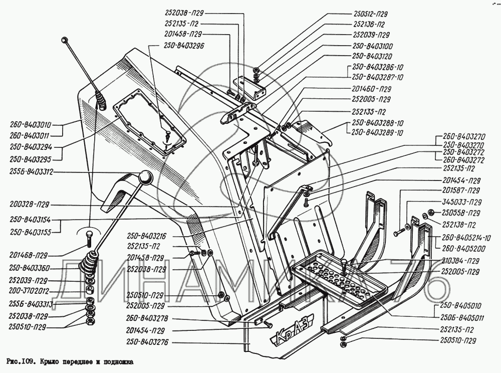
Крыло переднее и подножка на КрАЗ-260

Справочник
Главная
-
Автокаталог
-
Грузовые автомобили и прицепы
-
КрАЗ
-
КрАЗ-260
Справочный каталог

Крыло переднее и подножка — КрАЗ-260:

200-3702012 200328-П29 201454-П29 201454-П29 201458-П29 201458-П29 201460-П29 201468-П29 201587-П29 210384-П29 250-8403100 250-8403120 250-8403154 250-8403155 250-8403216 250-8403270 250-8403272 250-8403276 250-8403286-10 250-8403287-10 250-8403288-10 250-8403289-10 250-8403294 250-8403295 250-8403296 250-8403360 250-8405010 250510-П29 250510-П29 250510-П29 250512-П29 250558-П29 250Б-8405011 252005-П29 252005-П29 252005-П29 252038-П29 252038-П29 252038-П29 252039-П29 252039-П29 252135-П2 252135-П2 252135-П2 252135-П2 252135-П2 252136-П2 252138-П2 255Б-8403312 255Б-8403313 260-8403010 260-8403011 260-8403270 260-8403272 260-8403278 260-8405200 260-8405214-10 345033-П29
в наличии
нет в наличии
масштаб

В наличии
Нет в наличии

Перечень комплектующих от Крыло переднее и подножка на КрАЗ-260

Схемы запчастей предназначены для справочных целей! Мы продаем не все запчасти от Крыло переднее и подножка на КрАЗ-260, представленные в этом списке.
Наличие на складах по деталям с ценой смотрите в карточке товара.
Артикул: 200-3702012
нет в наличии
Буфер тяги ограничителя
Количество на схеме: 2
Информация
Буфер тяги ограничителя
Количество
2
Примечание
1 - покупное изделие \n2 - на рисунке не показано
Модель
200
Группа
Электрооборудование
Подгруппа
Реле-регулятор (напряжения)
Порядковый номер детали
012
Артикул: 200328-П29
в наличии
Болт М10х95
Количество на схеме: 8
Информация
Болт М10х95
Количество
8
Покрытие
цинкование и пассивирование (цинковое с хроматированием)
БОЛТ 10Х95 (ЯМЗ)
Артикул: 200328-П29
БОЛТ 10Х95 (ЯМЗ)
Код для заказа: 00005969
Цена: 48 ₽/шт.
В наличии: 7 шт.
- +
В корзинуВ корзине
БОЛТ 10Х95 (ЯМЗ)
Артикул: 200328-П29
Код для заказа: 00005969
БОЛТ 10Х95 (ЯМЗ)
Цена: 48 ₽/шт.
В наличии: 7 шт.
- +
В корзинуВ корзине
Артикул: 201454-П29
в наличии
Болт М8х1,25х16
Количество на схеме: 10
Информация
Болт М8х1,25х16
Количество
10
Покрытие
цинкование и пассивирование (цинковое с хроматированием)
Болт М8х1.25х16 ЗИЛ-130 крепление кронштейна радиатора масл., ГАЗ-31029 фиксатора штоков КПП
Артикул: 201454-П29
Болт М8х1.25х16 ЗИЛ-130 крепление кронштейна радиатора масл., ГАЗ-31029 фиксатора штоков КПП
Код для заказа: 00005973
Цена: 26 ₽/шт.
Под заказ
Болт М8х1.25х16 ЗИЛ-130 крепление кронштейна радиатора масл., ГАЗ-31029 фиксатора штоков КПП
Артикул: 201454-П29
Код для заказа: 00005973
Болт М8х1.25х16 ЗИЛ-130 крепление кронштейна радиатора масл., ГАЗ-31029 фиксатора штоков КПП
Цена: 26 ₽/шт.
Под заказ
Артикул: 201458-П29
в наличии
Болт М8х1,25х25
Количество на схеме: 8
Информация
Болт М8х1,25х25
Количество
8
Покрытие
цинкование и пассивирование (цинковое с хроматированием)
Болт М8х1.25х25 ЗИЛ-433360 кронштейна радиатора масляного, ГАЗ-2410 крепление ГЦС ЭТНА
Артикул: 201458-П29
Болт М8х1.25х25 ЗИЛ-433360 кронштейна радиатора масляного, ГАЗ-2410 крепление ГЦС ЭТНА
Код для заказа: 00023015
Цена: 9 ₽/шт.
Под заказ
Болт М8х1.25х25 ЗИЛ-433360 кронштейна радиатора масляного, ГАЗ-2410 крепление ГЦС ЭТНА
Артикул: 201458-П29
Код для заказа: 00023015
Болт М8х1.25х25 ЗИЛ-433360 кронштейна радиатора масляного, ГАЗ-2410 крепление ГЦС ЭТНА
Цена: 9 ₽/шт.
Под заказ
Артикул: 201460-П29
нет в наличии
Болт М8х1,25х30
Количество на схеме: 6
Информация
Болт М8х1,25х30
Количество
6
Покрытие
цинкование и пассивирование (цинковое с хроматированием)
Артикул: 201468-П29
нет в наличии
Болт М8х1,25х50
Количество на схеме: 2
Информация
Болт М8х1,25х50
Количество
2
Покрытие
цинкование и пассивирование (цинковое с хроматированием)
Артикул: 201587-П29
в наличии
Болт М14х2х35
Количество на схеме: 15
Информация
Болт М14х2х35
Количество
15
Покрытие
цинкование и пассивирование (цинковое с хроматированием)
Болт М14х2.0х35 крепления опоры двигателя боковой УРАЛ (АО АЗ УРАЛ)
Артикул: 201587-П29
Болт М14х2.0х35 крепления опоры двигателя боковой УРАЛ (АО АЗ УРАЛ)
Код для заказа: 00022778
Цена: 57 ₽/шт.
Под заказ
Болт М14х2.0х35 крепления опоры двигателя боковой УРАЛ (АО АЗ УРАЛ)
Артикул: 201587-П29
Код для заказа: 00022778
Болт М14х2.0х35 крепления опоры двигателя боковой УРАЛ (АО АЗ УРАЛ)
Цена: 57 ₽/шт.
Под заказ
Артикул: 210384-П29
нет в наличии
Болт М8х1,25х45
Количество на схеме: 8
Информация
Болт М8х1,25х45
Количество
8
Покрытие
цинкование и пассивирование (цинковое с хроматированием)
Артикул: 250-8403100
нет в наличии
Кронштейн крепления крыла
Количество на схеме: 2
Информация
Кронштейн крепления крыла
Количество
2
Модель
250
Группа
Оперение
Подгруппа
Крыло переднее и фартук крыла
Порядковый номер детали
100
Артикул: 250-8403120
нет в наличии
Угольник крепления крыла
Количество на схеме: 2
Информация
Угольник крепления крыла
Количество
2
Модель
250
Группа
Оперение
Подгруппа
Крыло переднее и фартук крыла
Порядковый номер детали
120
Артикул: 250-8403154
нет в наличии
Кронштейн крепления крыла нижний правый
Количество на схеме: 1
Информация
Кронштейн крепления крыла нижний правый
Количество
1
Модель
250
Группа
Оперение
Подгруппа
Крыло переднее и фартук крыла
Порядковый номер детали
154
Артикул: 250-8403155
нет в наличии
Кронштейн крепления крыла нижний левый
Количество на схеме: 1
Информация
Кронштейн крепления крыла нижний левый
Количество
1
Модель
250
Группа
Оперение
Подгруппа
Крыло переднее и фартук крыла
Порядковый номер детали
155
Артикул: 250-8403216
нет в наличии
Прокладка крыла задняя
Количество на схеме: 2
Информация
Прокладка крыла задняя
Количество
2
Примечание
1 - покупное изделие \n2 - на рисунке не показано
Модель
250
Группа
Оперение
Подгруппа
Крыло переднее и фартук крыла
Порядковый номер детали
216
Артикул: 250-8403270
нет в наличии
Брызговик крыла задний левый
Количество на схеме: 1
Информация
Брызговик крыла задний левый
Количество
1
Модель
250
Группа
Оперение
Подгруппа
Крыло переднее и фартук крыла
Порядковый номер детали
270
Артикул: 250-8403272
нет в наличии
Распорка брызговика крыла левая
Количество на схеме: 1
Информация
Распорка брызговика крыла левая
Количество
1
Модель
250
Группа
Оперение
Подгруппа
Крыло переднее и фартук крыла
Порядковый номер детали
272
Артикул: 250-8403276
нет в наличии
Брызговик крыла нижний
Количество на схеме: 2
Информация
Брызговик крыла нижний
Количество
2
Примечание
1 - покупное изделие \n2 - на рисунке не показано
Модель
250
Группа
Оперение
Подгруппа
Крыло переднее и фартук крыла
Порядковый номер детали
276
Артикул: 250-8403286-10
нет в наличии
Брызговик крыла боковой правый
Количество на схеме: 1
Информация
Брызговик крыла боковой правый
Количество
1
Модель
250
Группа
Оперение
Подгруппа
Крыло переднее и фартук крыла
Порядковый номер детали
286
Дополнительно
Не взаимозаменяема с деталью, выпущенной ранее под этим же номером
Артикул: 250-8403287-10
нет в наличии
Брызговик крыла боковой левый
Количество на схеме: 1
Информация
Брызговик крыла боковой левый
Количество
1
Модель
250
Группа
Оперение
Подгруппа
Крыло переднее и фартук крыла
Порядковый номер детали
287
Дополнительно
Не взаимозаменяема с деталью, выпущенной ранее под этим же номером
Артикул: 250-8403288-10
нет в наличии
Угольник брызговика правый
Количество на схеме: 1
Информация
Угольник брызговика правый
Количество
1
Модель
250
Группа
Оперение
Подгруппа
Крыло переднее и фартук крыла
Порядковый номер детали
288
Дополнительно
Не взаимозаменяема с деталью, выпущенной ранее под этим же номером
Артикул: 250-8403289-10
нет в наличии
Угольник брызговика левый
Количество на схеме: 1
Информация
Угольник брызговика левый
Количество
1
Модель
250
Группа
Оперение
Подгруппа
Крыло переднее и фартук крыла
Порядковый номер детали
289
Дополнительно
Не взаимозаменяема с деталью, выпущенной ранее под этим же номером
Артикул: 250-8403294
нет в наличии
Накладка крыла правая
Количество на схеме: 1
Информация
Накладка крыла правая
Количество
1
Примечание
1 - покупное изделие \n2 - на рисунке не показано
Модель
250
Группа
Оперение
Подгруппа
Крыло переднее и фартук крыла
Порядковый номер детали
294
Артикул: 250-8403295
нет в наличии
Накладка крыла левая
Количество на схеме: 1
Информация
Накладка крыла левая
Количество
1
Примечание
1 - покупное изделие \n2 - на рисунке не показано
Модель
250
Группа
Оперение
Подгруппа
Крыло переднее и фартук крыла
Порядковый номер детали
295
Артикул: 250-8403296
нет в наличии
Скрепка
Количество на схеме: 26
Информация
Скрепка
Количество
26
Примечание
1 - покупное изделие \n2 - на рисунке не показано
Модель
250
Группа
Оперение
Подгруппа
Крыло переднее и фартук крыла
Порядковый номер детали
296
Артикул: 250-8403360
нет в наличии
Стержень габаритного указателя
Количество на схеме: 2
Информация
Стержень габаритного указателя
Количество
2
Модель
250
Группа
Оперение
Подгруппа
Крыло переднее и фартук крыла
Порядковый номер детали
360
Артикул: 250-8405010
нет в наличии
Подножка правая
Количество на схеме: 1
Информация
Подножка правая
Количество
1
Модель
250
Группа
Оперение
Подгруппа
Подножка
Порядковый номер детали
010
Артикул: 250510-П29
нет в наличии
Гайка М8
Количество на схеме: 18
Информация
Гайка М8
Количество
18
Покрытие
цинкование и пассивирование (цинковое с хроматированием)
Артикул: 250512-П29
в наличии
Гайка М10х1,5
Количество на схеме: 8
Информация
Гайка М10х1,5
Количество
8
Покрытие
цинкование и пассивирование (цинковое с хроматированием)
Гайка М10х1.5х8 ГАЗ-2410,3110,УРАЛ под ключ 17мм облиц.радиатора, топл.бака, ГЦС, РЦС
Артикул: 250512-П29
Гайка М10х1.5х8 ГАЗ-2410,3110,УРАЛ под ключ 17мм облиц.радиатора, топл.бака, ГЦС, РЦС
Код для заказа: 00008044
Цена: 20 ₽/шт.
Под заказ
Гайка М10х1.5х8 ГАЗ-2410,3110,УРАЛ под ключ 17мм облиц.радиатора, топл.бака, ГЦС, РЦС
Артикул: 250512-П29
Код для заказа: 00008044
Гайка М10х1.5х8 ГАЗ-2410,3110,УРАЛ под ключ 17мм облиц.радиатора, топл.бака, ГЦС, РЦС
Цена: 20 ₽/шт.
Под заказ
Артикул: 250558-П29
нет в наличии
Гайка М14х2
Количество на схеме: 15
Информация
Гайка М14х2
Количество
15
Покрытие
цинкование и пассивирование (цинковое с хроматированием)
Артикул: 250Б-8405011
нет в наличии
Подножка левая
Количество на схеме: 1
Информация
Подножка левая
Количество
1
Модель
250Б
Группа
Оперение
Подгруппа
Подножка
Порядковый номер детали
011
Артикул: 252005-П29
в наличии
Шайба 8
Количество на схеме: 22
Информация
Шайба 8
Количество
22
Покрытие
цинкование и пассивирование (цинковое с хроматированием)
Шайба 8.0 УРАЛ кабины (АО АЗ УРАЛ)
Артикул: 252005-П29
Шайба 8.0 УРАЛ кабины (АО АЗ УРАЛ)
Код для заказа: 00006120
Цена: 17 ₽/шт.
Под заказ
Шайба 8.0 УРАЛ кабины (АО АЗ УРАЛ)
Артикул: 252005-П29
Код для заказа: 00006120
Шайба 8.0 УРАЛ кабины (АО АЗ УРАЛ)
Цена: 17 ₽/шт.
Под заказ
Артикул: 252038-П29
нет в наличии
Шайба 8
Количество на схеме: 8
Информация
Шайба 8
Количество
8
Покрытие
цинкование и пассивирование (цинковое с хроматированием)
Артикул: 252039-П29
нет в наличии
Шайба 10
Количество на схеме: 6
Информация
Шайба 10
Количество
6
Покрытие
цинкование и пассивирование (цинковое с хроматированием)
Артикул: 252135-П2
в наличии
Шайба 8 пружинная
Количество на схеме: 20
Информация
Шайба 8 пружинная
Количество
20
Покрытие
фосфатирование и промасливание
Шайба 8х2.5 ЯМЗ заглушки блока цилиндров АВТОДИЗЕЛЬ
Артикул: 252135-П2
Шайба 8х2.5 ЯМЗ заглушки блока цилиндров АВТОДИЗЕЛЬ
Код для заказа: 00006017
Цена: 3 ₽/шт.
Под заказ
Шайба 8х2.5 ЯМЗ заглушки блока цилиндров АВТОДИЗЕЛЬ
Артикул: 252135-П2
Код для заказа: 00006017
Шайба 8х2.5 ЯМЗ заглушки блока цилиндров АВТОДИЗЕЛЬ
Цена: 3 ₽/шт.
Под заказ
Артикул: 252136-П2
в наличии
Шайба 10 пружинная
Количество на схеме: 8
Информация
Шайба 10 пружинная
Количество
8
Покрытие
фосфатирование и промасливание
Шайба 10.2х2.5 пружинная цинк ЭТНА
Артикул: 252136-П2
Шайба 10.2х2.5 пружинная цинк ЭТНА
Код для заказа: 00062958
Цена: 10 ₽/шт.
Под заказ
Шайба 10.2х2.5 пружинная цинк ЭТНА
Артикул: 252136-П2
Код для заказа: 00062958
Шайба 10.2х2.5 пружинная цинк ЭТНА
Цена: 10 ₽/шт.
Под заказ
Шайба гроверная 17,1х10,1х3,5
Артикул: 252136-П2
Шайба гроверная 17,1х10,1х3,5
Код для заказа: 00006018
Цена: 10 ₽/шт.
Под заказ
Шайба гроверная 17,1х10,1х3,5
Артикул: 252136-П2
Код для заказа: 00006018
Шайба гроверная 17,1х10,1х3,5
Цена: 10 ₽/шт.
Под заказ
Артикул: 252138-П2
нет в наличии
Шайба 14 пружинная
Количество на схеме: 15
Информация
Шайба 14 пружинная
Количество
15
Покрытие
фосфатирование и промасливание
Артикул: 255Б-8403312
нет в наличии
Головка габаритного указателя
Количество на схеме: 2
Информация
Головка габаритного указателя
Количество
2
Примечание
1 - покупное изделие \n2 - на рисунке не показано
Модель
255Б
Группа
Оперение
Подгруппа
Крыло переднее и фартук крыла
Порядковый номер детали
312
Артикул: 255Б-8403313
нет в наличии
Шайба
Количество на схеме: 4
Информация
Шайба
Количество
4
Модель
255Б
Группа
Оперение
Подгруппа
Крыло переднее и фартук крыла
Порядковый номер детали
313
Артикул: 260-8403010
нет в наличии
Крыло правое
Количество на схеме: 1
Информация
Крыло правое
Количество
1
Модель
260
Группа
Оперение
Подгруппа
Крыло переднее и фартук крыла
Порядковый номер детали
010
Артикул: 260-8403011
нет в наличии
Крыло левое
Количество на схеме: 1
Информация
Крыло левое
Количество
1
Модель
260
Группа
Оперение
Подгруппа
Крыло переднее и фартук крыла
Порядковый номер детали
011
Артикул: 260-8403270
нет в наличии
Брызговик крыла задний правый
Количество на схеме: 1
Информация
Брызговик крыла задний правый
Количество
1
Модель
260
Группа
Оперение
Подгруппа
Крыло переднее и фартук крыла
Порядковый номер детали
270
Артикул: 260-8403272
нет в наличии
Распорка брызговика крыла правая
Количество на схеме: 1
Информация
Распорка брызговика крыла правая
Количество
1
Модель
260
Группа
Оперение
Подгруппа
Крыло переднее и фартук крыла
Порядковый номер детали
272
Артикул: 260-8403278
нет в наличии
Накладка нижнего брызговика
Количество на схеме: 2
Информация
Накладка нижнего брызговика
Количество
2
Модель
260
Группа
Оперение
Подгруппа
Крыло переднее и фартук крыла
Порядковый номер детали
278
Артикул: 260-8405200
нет в наличии
Кронштейн подножки правый
Количество на схеме: 2
Информация
Кронштейн подножки правый
Количество
2
Модель
260
Группа
Оперение
Подгруппа
Подножка
Порядковый номер детали
200
Артикул: 260-8405214-10
нет в наличии
Кронштейн подножки левый
Количество на схеме: 2
Информация
Кронштейн подножки левый
Количество
2
Модель
260
Группа
Оперение
Подгруппа
Подножка
Порядковый номер детали
214
Дополнительно
Не взаимозаменяема с деталью, выпущенной ранее под этим же номером
Артикул: 345033-П29
нет в наличии
Шайба
Количество на схеме: 15
Информация
Шайба
Количество
15
Покрытие
цинкование и пассивирование (цинковое с хроматированием)
  • Грузовые автомобили
  • Автобусы
  • Сельхозтехника
  • Спецтехника
  • Двигатели
Получить оптовый прайс-лист
Скачать прайс-лист от 06.05.2026 16:00
Специальное предложение от 06.05.2026 13:00
Производители:


  • WEICHAI
  • Автодизель ПАО (ЯМЗ)
  • Тутаевский МЗ
  • ЯЗДА
  • УралАЗ
  • МАЗ
  • АЗПИ
  • BOSCH
  • ММЗ
  • ШААЗ
  • FEDERAL MOGUL
  • ПРАМО
  • Мотордеталь
  • ТАИМ
  • АвтоКрАЗ
  • БЕЛКАРД
  • CZ Strakonice
  • КамАЗ
  • БЗА
  • ЧМЗ
  • BMZ
Новости
Все новости
25 марта 2024
Флагманский седельный тягач «Валдай 45» на выставке «TransRussia»
10 марта 2024
Современные автобусы «CITYMAX 9» и ЛиАЗ-5292 CNG
25 февраля 2024
Серийное производство средних дизельных двигателей повышенной мощности от ЯМЗ
Статьи
Все статьи
Датчики двигателя: за что они отвечают, признаки неисправности и как не прогадать с выбором
Двигатели ЯМЗ-534: история, технические характеристики и области применения
Двигатели ЯМЗ 650: углублённый технический обзор и история
Компания
О компании
Реквизиты
Новости
Политика
Магазины
Информация
Условия оплаты
Условия доставки
Гарантия на товар
Обмен и возврат товара
Помощь
Как оформить заказ
Полезные статьи
Бренды
Пункты выдачи
Оставайтесь на связи
  • Вконтакте
  • YouTube
  • Одноклассники
  • Google Plus
Увидели ошибку?
Выделите, нажав Ctrl + Enter
Наши контакты
8-800-700-35-68
sales@din76.ru
г. Ярославль, Ленинградский пр-т 33, ТЦ "ОМЕГА"
2026 © ООО «Динамика 76» - Все права защищены ООО "Динамика 76"
Предложения на сайте не являются публичной офертой.
На сайте обнаружена ошибка

Текст с ошибкой