Избранное 0 Корзина 0 Личный кабинет
logo
Каталог
Каталог
  • Справочник
    • Грузовые автомобили
    • Автобусы
    • Сельхозтехника
    • Спецтехника
    • Двигатели
  • Доставка
  • Оплата
  • О компании
    • Реквизиты
    • Магазины
    • Оплата
    • Доставка
    • Лицензии и сертификаты
    • Новости
    • Вакансии
  • Контакты
Отправить заявку
Личный кабинет
8 (800) 700-35-68
sales@din76.ru
Избранное 0 Корзина 0
8 (800) 700-35-68
Оптовый прайс-лист
Каталог
  • Двигатели
  • Запчасти WEICHAI
  • Запчасти ЯМЗ, ТМЗ (V-образные)
  • Запчасти ЯМЗ-534, ЯМЗ-536
  • Запчасти ЯМЗ-650, ЯМЗ-651, DCi-11
  • Топливная аппаратура
  • Запчасти УРАЛ
  • Запчасти МАЗ
  • Запчасти КамАЗ
  • Запчасти ММЗ
  • Ремни
Автокаталог (справочник)
  • Доставка
  • Оплата
  • О компании
  • Контакты
8 (800) 700-35-68
Написать в Whatsapp
sales@din76.ru
Динамика 76
Меню  
  • Каталог
    • Двигатели  
      • Двигатели ТМЗ  
        • Двигатели ТМЗ для автомобилей
        • Двигатели ТМЗ для тракторов
        • Специальные двигатели ТМЗ
        • Промышленные двигатели ТМЗ
      • Двигатели ЯМЗ  
        • ЯМЗ 236
        • ЯМЗ 238
        • ЯМЗ 240
        • ЯМЗ 751
        • ЯМЗ 840
        • ЯМЗ 850
        • ЯМЗ 656
        • ЯМЗ 658
        • ЯМЗ 534
        • ЯМЗ 536
        • ЯМЗ 650
        • Двигатели ЯМЗ для электростанций
      • Двигатели КАМАЗ
      • Двигатели ММЗ
      • Двигатели индивидуальной сборки
      • Комплекты переоборудования
    • Запчасти WEICHAI  
      • Основные запчасти двигателя  
        • Клапаны и толкатели
        • Шатуны
        • Вал коленчатый и маховик
        • Вал распределительный
        • Цилиндро-поршневая группа
      • Система питания  
        • Форсунки
        • Турбокомпрессор
      • Система смазки  
        • Насос масляный
      • Головка блока
      • Ремкомплекты
      • Система охлаждения  
        • Насос водяной
        • Муфта вязкостная и крыльчатка
      • Фильтры
      • Электрооборудование  
        • Генератор
        • Стартер
    • Запчасти ЯМЗ, ТМЗ (V-образные)  
      • Основные запчасти двигателя  
        • Блок двигателя и комплектующие
        • Валы распределительные и клапаны
        • Головка блока и комплектующие
        • Цилиндро-поршневая группа
        • Маховики и комплектующие
        • Валы коленчатые и комплектующие
        • Шатуны и комплектующие
      • Система питания  
        • Коллекторы и патрубки
        • Топливные трубопроводы
        • Турбокомпрессор
        • Топливные фильтры
      • Электрооборудование двигателя
      • Система охлаждения  
        • Вязкостные муфты и крыльчатки
        • Приводы вентилятора
        • Водяные насосы
        • Водяные трубы и термостаты
      • Коробки переключения передач  
        • 8 Ступенчатые КПП
        • 5 Ступенчатые КПП
        • 9 Ступенчатые КПП
        • Запасные части КПП ЯМЗ, ТМЗ
      • Система смазки  
        • Теплообменник и комплектующие
        • Масляные насосы
        • Фильтры масляные (ФГОМ, ФЦОМ)
      • Сцепление  
        • Запасные части механизма сцепления
        • Муфты (подшипники выжимные)
        • Корзины (диски нажимные)
        • Диски ведомые
      • Прочие запчасти двигателя  
        • Ремкомплекты
        • Привод агрегатов
        • Натяжные устройства
        • Трубки
    • Запчасти ЯМЗ-534, ЯМЗ-536  
      • Основные запчасти двигателя  
        • Цилиндро-поршневая группа
        • Головка блока цилиндров и комплектующие
        • Блок цилиндров и комплектующие
        • Вал коленчатый и маховик
        • Вал распределительный
        • Клапаны и толкатели
        • ГУР (Гидроусилитель руля)
        • Система рециркуляции отработавших газов
        • Выпускной коллектор
      • Система питания  
        • Коллекторы и патрубки
        • Топливные фильтры
        • Турбокомпрессор
        • Топливные трубопроводы
      • Система смазки  
        • Масляный картер поддон
        • Масляный насос
        • Теплообменник /Водо-масляный радиатор
        • Фильтры масляные (ФГОМ, ФЦОМ)
      • Пневмокомпрессор и натяжное
      • Система охлаждения  
        • Водяной насос
        • Водяные трубы и патрубки
        • Муфты вязкостные, приводы, крыльчатки
      • Ремкомплекты
      • Сцепление
      • Электрооборудование
    • Запчасти ЯМЗ-650, ЯМЗ-651, DCi-11  
      • Основные запчасти двигателя  
        • Цилиндро-поршневая группа
        • Головка блока цилиндров и комплектующие
        • Блок цилиндров и комплектующие
        • Вал коленчатый и маховик
        • Выпускной коллектор
        • Вал распределительный
        • Клапаны и толкатели
        • ГУР (Гидроусилитель руля)
        • Система рециркуляции отработавших газов
      • Система питания  
        • Коллекторы и патрубки
        • Топливные трубопроводы
        • Топливные фильтры
        • Турбокомпрессор
      • Система смазки  
        • Масляный картер / поддон
        • Масляный насос
        • Теплообменник / Водо-масляный радиатор
        • Фильтры масляные (ФГОМ, ФЦОМ)
      • Система охлаждения  
        • Водяной насос
        • Водяные трубы и патрубки
        • Муфты вязкостные, приводы, крыльчатки
      • Ремкомплекты
      • Пневмокомпрессор и натяжное
      • Электрооборудование
      • Сцепление
    • Топливная аппаратура  
      • ЯЗДА  
        • Распылители
        • ТНВД
        • Форсунки
        • Топливный насос низкого давления
        • Пары плунжерные
        • Муфта опережения впрыска топлива
        • Запчасти и комплектующие ТНВД
      • НЗТА
      • АЗПИ  
        • Распылители
        • Форсунки
      • BOSCH
    • Запчасти УРАЛ  
      • Трансмиссия  
        • Коробка раздаточная
        • Передача карданная
        • Мост задний
        • Мост передний (ведущий)
        • Мост средний (промежуточный)
      • Кузов  
        • Дверь кабины
        • Капот, крылья, облицовка радиатора
        • Окно ветровое и заднее
        • Отопление и вентиляция кабины
        • Кабина
      • Механизмы управления  
        • Управление рулевое
        • Тормоза
      • Дополнительное оборудование  
        • Отбор мощности
        • Устройство седельное
      • Электрооборудование
      • Ходовая часть  
        • Колеса и ступицы
        • Ось передняя
        • Подвеска автомобиля
        • Рама
    • Запчасти МАЗ  
      • Трансмиссия  
        • Мост задний
        • Мост передний (ведущий)
        • Передача карданная
        • Мост средний (промежуточный)
      • Кузов  
        • Кабина
        • Дверь кабины
        • Детали основания кабины
        • Окно ветровое и заднее
        • Платформа
      • Механизмы управления  
        • Тормоза
        • Управление рулевое
      • Ходовая часть  
        • Колеса и ступицы
        • Ось передняя
        • Подвеска автомобиля
        • Рама
    • Запчасти КамАЗ  
      • Кузов  
        • Кабина
        • Капот, крылья, облицовка радиатора
        • Дверь кабины
        • Платформа
        • Окно ветровое и заднее
        • Устройство подъемное и опрокидывающее
        • Сиденье
        • Крыша кабины (крыша кузова)
        • Отопление и вентиляция кабины
      • Трансмиссия  
        • Коробка передач
        • Коробка раздаточная
        • Мост задний
        • Сцепление
        • Мост средний (промежуточный)
        • Передача карданная
        • Мост передний (ведущий)
      • Двигатель  
        • Основные запчасти двигателя
        • Система охлаждения
        • Система питания
        • Система смазки
      • Дополнительное оборудование  
        • Отбор мощности
        • Устройство седельное
      • Ходовая часть  
        • Подвеска автомобиля
        • Рама
        • Колеса и ступицы
        • Ось передняя
      • Механизмы управления  
        • Тормоза
        • Управление рулевое
      • Электрооборудование
    • Запчасти ММЗ
    • Ремни
  • Справочник
    • Грузовые автомобили
    • Автобусы
    • Сельхозтехника
    • Спецтехника
    • Двигатели
  • Как купить
    • Условия оплаты
    • Условия доставки
    • Гарантия на товар
    • Пункты выдачи
  • Услуги
    • Капитальный ремонт двигателей ЯМЗ
  • Акции
  • Статьи
  • Контакты
  • Компания
    • Реквизиты
    • Магазины
    • Оплата
    • Доставка
    • Лицензии и сертификаты
    • Новости
    • Вакансии
Избранное 0 Корзина 0
8-800-700-35-68

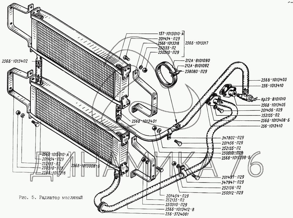
Радиатор масляный на КрАЗ-256

Справочник
Главная
-
Автокаталог
-
Грузовые автомобили и прицепы
-
КрАЗ
-
КрАЗ-256
Справочный каталог

Радиатор масляный — КрАЗ-256:

157-1013010-А 201454-П29 201454-П29 201454-П29 201456-П29 201456-П29 201497-П29 212А-8101090 212А-8101092 250510-П29 250510-П29 250510-П29 250510-П29 250512-П29 252135-П2 252135-П2 252135-П2 252135-П2 252135-П2 252136-П2 256-1013410 256-1013410 256-3724061 256Б-1013008-Б 256Б-1013010-А 256Б-1013317 256Б-1013318 256Б-1013318 256Б-1013398-Б 256Б-1013401 256Б-1013402 256Б-1013403 256Б-1013405 256Б-1013408-Б 256Б-1013412-В 258080-П29 347802-П29 347947-П29 КР-29-8101010
в наличии
нет в наличии
масштаб

В наличии
Нет в наличии

Перечень комплектующих от Радиатор масляный на КрАЗ-256

Схемы запчастей предназначены для справочных целей! Мы продаем не все запчасти от Радиатор масляный на КрАЗ-256, представленные в этом списке.
Наличие на складах по деталям с ценой смотрите в карточке товара.
Артикул: 157-1013010-А
нет в наличии
Радиатор масляный в сборе
Количество на схеме: 1
Информация
Радиатор масляный в сборе
Количество
1
Модель
157
Группа
Двигатель
Подгруппа
Радиатор масляный
Порядковый номер детали
010
Артикул: 201454-П29
в наличии
Болт М8х1,25х16
Количество на схеме: 16
Информация
Болт М8х1,25х16
Количество
16
Покрытие
цинкование и пассивирование (цинковое с хроматированием)
Болт М8х1.25х16 ЗИЛ-130 крепление кронштейна радиатора масл., ГАЗ-31029 фиксатора штоков КПП
Артикул: 201454-П29
Болт М8х1.25х16 ЗИЛ-130 крепление кронштейна радиатора масл., ГАЗ-31029 фиксатора штоков КПП
Код для заказа: 00005973
Цена: 26 ₽/шт.
Под заказ
Болт М8х1.25х16 ЗИЛ-130 крепление кронштейна радиатора масл., ГАЗ-31029 фиксатора штоков КПП
Артикул: 201454-П29
Код для заказа: 00005973
Болт М8х1.25х16 ЗИЛ-130 крепление кронштейна радиатора масл., ГАЗ-31029 фиксатора штоков КПП
Цена: 26 ₽/шт.
Под заказ
Артикул: 201456-П29
в наличии
Болт М8х1,25х20
Количество на схеме: 5
Информация
Болт М8х1,25х20
Количество
5
Покрытие
цинкование и пассивирование (цинковое с хроматированием)
Болт М8х1.25х20(ЯМЗ)
Артикул: 201456-П29
Болт М8х1.25х20(ЯМЗ)
Код для заказа: 00005974
Цена: 8 ₽/шт.
Под заказ
Болт М8х1.25х20(ЯМЗ)
Артикул: 201456-П29
Код для заказа: 00005974
Болт М8х1.25х20(ЯМЗ)
Цена: 8 ₽/шт.
Под заказ
Артикул: 201497-П29
нет в наличии
Болт М10х1,25х25
Количество на схеме: 1
Информация
Болт М10х1,25х25
Количество
1
Покрытие
цинкование и пассивирование (цинковое с хроматированием)
Артикул: 212А-8101090
нет в наличии
Лента стяжная хомута
Количество на схеме: 8
Информация
Лента стяжная хомута
Количество
8
Модель
212А
Группа
Отопление и вентиляция кабины
Подгруппа
Отопитель (кузова)
Порядковый номер детали
090
Артикул: 212А-8101092
нет в наличии
Пряжка хомута
Количество на схеме: 8
Информация
Пряжка хомута
Количество
8
Модель
212А
Группа
Отопление и вентиляция кабины
Подгруппа
Отопитель (кузова)
Порядковый номер детали
092
Артикул: 250510-П29
нет в наличии
Гайка М8
Количество на схеме: 17
Информация
Гайка М8
Количество
17
Покрытие
цинкование и пассивирование (цинковое с хроматированием)
Артикул: 250512-П29
в наличии
Гайка М10х1,5
Количество на схеме: 1
Информация
Гайка М10х1,5
Количество
1
Покрытие
цинкование и пассивирование (цинковое с хроматированием)
Гайка М10х1.5х8 ГАЗ-2410,3110,УРАЛ под ключ 17мм облиц.радиатора, топл.бака, ГЦС, РЦС
Артикул: 250512-П29
Гайка М10х1.5х8 ГАЗ-2410,3110,УРАЛ под ключ 17мм облиц.радиатора, топл.бака, ГЦС, РЦС
Код для заказа: 00008044
Цена: 20 ₽/шт.
Под заказ
Гайка М10х1.5х8 ГАЗ-2410,3110,УРАЛ под ключ 17мм облиц.радиатора, топл.бака, ГЦС, РЦС
Артикул: 250512-П29
Код для заказа: 00008044
Гайка М10х1.5х8 ГАЗ-2410,3110,УРАЛ под ключ 17мм облиц.радиатора, топл.бака, ГЦС, РЦС
Цена: 20 ₽/шт.
Под заказ
Артикул: 252135-П2
в наличии
Шайба 8 пружинная
Количество на схеме: 21
Информация
Шайба 8 пружинная
Количество
21
Покрытие
фосфатирование и промасливание
Шайба 8х2.5 ЯМЗ заглушки блока цилиндров АВТОДИЗЕЛЬ
Артикул: 252135-П2
Шайба 8х2.5 ЯМЗ заглушки блока цилиндров АВТОДИЗЕЛЬ
Код для заказа: 00006017
Цена: 3 ₽/шт.
Под заказ
Шайба 8х2.5 ЯМЗ заглушки блока цилиндров АВТОДИЗЕЛЬ
Артикул: 252135-П2
Код для заказа: 00006017
Шайба 8х2.5 ЯМЗ заглушки блока цилиндров АВТОДИЗЕЛЬ
Цена: 3 ₽/шт.
Под заказ
Артикул: 252136-П2
в наличии
Шайба 10 пружинная
Количество на схеме: 1
Информация
Шайба 10 пружинная
Количество
1
Покрытие
фосфатирование и промасливание
Шайба 10.2х2.5 пружинная цинк ЭТНА
Артикул: 252136-П2
Шайба 10.2х2.5 пружинная цинк ЭТНА
Код для заказа: 00062958
Цена: 10 ₽/шт.
Под заказ
Шайба 10.2х2.5 пружинная цинк ЭТНА
Артикул: 252136-П2
Код для заказа: 00062958
Шайба 10.2х2.5 пружинная цинк ЭТНА
Цена: 10 ₽/шт.
Под заказ
Шайба гроверная 17,1х10,1х3,5
Артикул: 252136-П2
Шайба гроверная 17,1х10,1х3,5
Код для заказа: 00006018
Цена: 10 ₽/шт.
Под заказ
Шайба гроверная 17,1х10,1х3,5
Артикул: 252136-П2
Код для заказа: 00006018
Шайба гроверная 17,1х10,1х3,5
Цена: 10 ₽/шт.
Под заказ
Артикул: 256-1013410
нет в наличии
Прокладка патрубка
Количество на схеме: 2
Информация
Прокладка патрубка
Количество
2
Модель
256
Группа
Двигатель
Подгруппа
Радиатор масляный
Порядковый номер детали
410
Артикул: 256-3724061
нет в наличии
Втулка
Количество на схеме: 2
Информация
Втулка
Количество
2
Модель
256
Группа
Электрооборудование
Подгруппа
Электропровода
Порядковый номер детали
061
Артикул: 256Б-1013008-Б
нет в наличии
Радиатор масляный с кронштейнами в сборе
Количество на схеме: 1
Информация
Радиатор масляный с кронштейнами в сборе
Количество
1
Модель
256Б
Группа
Двигатель
Подгруппа
Радиатор масляный
Порядковый номер детали
008
Артикул: 256Б-1013010-А
нет в наличии
Радиатор масляный в сборе
Количество на схеме: 1
Информация
Радиатор масляный в сборе
Количество
1
Модель
256Б
Группа
Двигатель
Подгруппа
Радиатор масляный
Порядковый номер детали
010
Артикул: 256Б-1013317
нет в наличии
Радиатор масляный с кронштейнами в сборе
Количество на схеме: 1
Информация
Радиатор масляный с кронштейнами в сборе
Количество
1
Модель
256Б
Группа
Двигатель
Подгруппа
Радиатор масляный
Порядковый номер детали
317
Артикул: 256Б-1013318
нет в наличии
Кронштейн крепления масляного радиатора
Количество на схеме: 4
Информация
Кронштейн крепления масляного радиатора
Количество
4
Модель
256Б
Группа
Двигатель
Подгруппа
Радиатор масляный
Порядковый номер детали
318
Артикул: 256Б-1013398-Б
нет в наличии
Трубка масляного радиатора в сборе
Количество на схеме: 1
Информация
Трубка масляного радиатора в сборе
Количество
1
Модель
256Б
Группа
Двигатель
Подгруппа
Радиатор масляный
Порядковый номер детали
398
Артикул: 256Б-1013401
нет в наличии
Шланг масляных радиаторов короткий
Количество на схеме: 1
Информация
Шланг масляных радиаторов короткий
Количество
1
Модель
256Б
Группа
Двигатель
Подгруппа
Радиатор масляный
Порядковый номер детали
401
Артикул: 256Б-1013402
нет в наличии
Шланг масляных радиаторов короткий
Количество на схеме: 1
Информация
Шланг масляных радиаторов короткий
Количество
1
Модель
256Б
Группа
Двигатель
Подгруппа
Радиатор масляный
Порядковый номер детали
402
Артикул: 256Б-1013403
нет в наличии
Шланг подводящий
Количество на схеме: 1
Информация
Шланг подводящий
Количество
1
Модель
256Б
Группа
Двигатель
Подгруппа
Радиатор масляный
Порядковый номер детали
403
Артикул: 256Б-1013405
нет в наличии
Патрубок подводящий в сборе
Количество на схеме: 1
Информация
Патрубок подводящий в сборе
Количество
1
Модель
256Б
Группа
Двигатель
Подгруппа
Радиатор масляный
Порядковый номер детали
405
Артикул: 256Б-1013408-Б
нет в наличии
Патрубок отводящий
Количество на схеме: 1
Информация
Патрубок отводящий
Количество
1
Модель
256Б
Группа
Двигатель
Подгруппа
Радиатор масляный
Порядковый номер детали
408
Артикул: 256Б-1013412-В
нет в наличии
Шланг отводящий
Количество на схеме: 1
Информация
Шланг отводящий
Количество
1
Модель
256Б
Группа
Двигатель
Подгруппа
Радиатор масляный
Порядковый номер детали
412
Артикул: 258080-П29
нет в наличии
Шплинт 5,6х25
Количество на схеме: 8
Информация
Шплинт 5,6х25
Количество
8
Покрытие
цинкование и пассивирование (цинковое с хроматированием)
Артикул: 347802-П29
нет в наличии
Скоба крепления трубки
Количество на схеме: 1
Информация
Скоба крепления трубки
Количество
1
Покрытие
цинкование и пассивирование (цинковое с хроматированием)
Артикул: 347947-П29
нет в наличии
Кляммер
Количество на схеме: 1
Информация
Кляммер
Количество
1
Покрытие
цинкование и пассивирование (цинковое с хроматированием)
Артикул: КР-29-8101010
нет в наличии
Кран отопителя КР-29
Количество на схеме: 1
Информация
Кран отопителя КР-29
Количество
1
Модель
КР-29
Группа
Отопление и вентиляция кабины
Подгруппа
Отопитель (кузова)
Порядковый номер детали
010
  • Грузовые автомобили
  • Автобусы
  • Сельхозтехника
  • Спецтехника
  • Двигатели
Получить оптовый прайс-лист
Скачать прайс-лист от 07.05.2026 12:00
Специальное предложение от 07.05.2026 13:00
Производители:


  • WEICHAI
  • Автодизель ПАО (ЯМЗ)
  • Тутаевский МЗ
  • ЯЗДА
  • УралАЗ
  • МАЗ
  • АЗПИ
  • BOSCH
  • ММЗ
  • ШААЗ
  • FEDERAL MOGUL
  • ПРАМО
  • Мотордеталь
  • ТАИМ
  • АвтоКрАЗ
  • БЕЛКАРД
  • CZ Strakonice
  • КамАЗ
  • БЗА
  • ЧМЗ
  • BMZ
Новости
Все новости
25 марта 2024
Флагманский седельный тягач «Валдай 45» на выставке «TransRussia»
10 марта 2024
Современные автобусы «CITYMAX 9» и ЛиАЗ-5292 CNG
25 февраля 2024
Серийное производство средних дизельных двигателей повышенной мощности от ЯМЗ
Статьи
Все статьи
Датчики двигателя: за что они отвечают, признаки неисправности и как не прогадать с выбором
Двигатели ЯМЗ-534: история, технические характеристики и области применения
Двигатели ЯМЗ 650: углублённый технический обзор и история
Компания
О компании
Реквизиты
Новости
Политика
Магазины
Информация
Условия оплаты
Условия доставки
Гарантия на товар
Обмен и возврат товара
Помощь
Как оформить заказ
Полезные статьи
Бренды
Пункты выдачи
Оставайтесь на связи
  • Вконтакте
  • YouTube
  • Одноклассники
  • Google Plus
Увидели ошибку?
Выделите, нажав Ctrl + Enter
Наши контакты
8-800-700-35-68
sales@din76.ru
г. Ярославль, Ленинградский пр-т 33, ТЦ "ОМЕГА"
2026 © ООО «Динамика 76» - Все права защищены ООО "Динамика 76"
Предложения на сайте не являются публичной офертой.
На сайте обнаружена ошибка

Текст с ошибкой