Избранное 0 Корзина 0 Личный кабинет
logo
Каталог
Каталог
  • Справочник
    • Грузовые автомобили
    • Автобусы
    • Сельхозтехника
    • Спецтехника
    • Двигатели
  • Доставка
  • Оплата
  • О компании
    • Реквизиты
    • Магазины
    • Оплата
    • Доставка
    • Лицензии и сертификаты
    • Новости
    • Вакансии
  • Контакты
Отправить заявку
Личный кабинет
8 (800) 700-35-68
sales@din76.ru
Избранное 0 Корзина 0
8 (800) 700-35-68
Оптовый прайс-лист
Каталог
  • Двигатели
  • Запчасти WEICHAI
  • Запчасти ЯМЗ, ТМЗ (V-образные)
  • Запчасти ЯМЗ-534, ЯМЗ-536
  • Запчасти ЯМЗ-650, ЯМЗ-651, DCi-11
  • Топливная аппаратура
  • Запчасти УРАЛ
  • Запчасти МАЗ
  • Запчасти КамАЗ
  • Запчасти ММЗ
  • Ремни
Автокаталог (справочник)
  • Доставка
  • Оплата
  • О компании
  • Контакты
8 (800) 700-35-68
Написать в Whatsapp
sales@din76.ru
Динамика 76
Меню  
  • Каталог
    • Двигатели  
      • Двигатели ТМЗ  
        • Двигатели ТМЗ для автомобилей
        • Двигатели ТМЗ для тракторов
        • Специальные двигатели ТМЗ
        • Промышленные двигатели ТМЗ
      • Двигатели ЯМЗ  
        • ЯМЗ 236
        • ЯМЗ 238
        • ЯМЗ 240
        • ЯМЗ 751
        • ЯМЗ 840
        • ЯМЗ 850
        • ЯМЗ 656
        • ЯМЗ 658
        • ЯМЗ 534
        • ЯМЗ 536
        • ЯМЗ 650
        • Двигатели ЯМЗ для электростанций
      • Двигатели КАМАЗ
      • Двигатели ММЗ
      • Двигатели индивидуальной сборки
      • Комплекты переоборудования
    • Запчасти WEICHAI  
      • Основные запчасти двигателя  
        • Клапаны и толкатели
        • Шатуны
        • Вал коленчатый и маховик
        • Вал распределительный
        • Цилиндро-поршневая группа
      • Система питания  
        • Форсунки
        • Турбокомпрессор
      • Система смазки  
        • Насос масляный
      • Головка блока
      • Ремкомплекты
      • Система охлаждения  
        • Насос водяной
        • Муфта вязкостная и крыльчатка
      • Фильтры
      • Электрооборудование  
        • Генератор
        • Стартер
    • Запчасти ЯМЗ, ТМЗ (V-образные)  
      • Основные запчасти двигателя  
        • Блок двигателя и комплектующие
        • Валы распределительные и клапаны
        • Головка блока и комплектующие
        • Цилиндро-поршневая группа
        • Маховики и комплектующие
        • Валы коленчатые и комплектующие
        • Шатуны и комплектующие
      • Система питания  
        • Коллекторы и патрубки
        • Топливные трубопроводы
        • Турбокомпрессор
        • Топливные фильтры
      • Электрооборудование двигателя
      • Система охлаждения  
        • Вязкостные муфты и крыльчатки
        • Приводы вентилятора
        • Водяные насосы
        • Водяные трубы и термостаты
      • Коробки переключения передач  
        • 8 Ступенчатые КПП
        • 5 Ступенчатые КПП
        • 9 Ступенчатые КПП
        • Запасные части КПП ЯМЗ, ТМЗ
      • Система смазки  
        • Теплообменник и комплектующие
        • Масляные насосы
        • Фильтры масляные (ФГОМ, ФЦОМ)
      • Сцепление  
        • Запасные части механизма сцепления
        • Муфты (подшипники выжимные)
        • Корзины (диски нажимные)
        • Диски ведомые
      • Прочие запчасти двигателя  
        • Ремкомплекты
        • Привод агрегатов
        • Натяжные устройства
        • Трубки
    • Запчасти ЯМЗ-534, ЯМЗ-536  
      • Основные запчасти двигателя  
        • Цилиндро-поршневая группа
        • Головка блока цилиндров и комплектующие
        • Блок цилиндров и комплектующие
        • Вал коленчатый и маховик
        • Вал распределительный
        • Клапаны и толкатели
        • ГУР (Гидроусилитель руля)
        • Система рециркуляции отработавших газов
        • Выпускной коллектор
      • Система питания  
        • Коллекторы и патрубки
        • Топливные фильтры
        • Турбокомпрессор
        • Топливные трубопроводы
      • Система смазки  
        • Масляный картер поддон
        • Масляный насос
        • Теплообменник /Водо-масляный радиатор
        • Фильтры масляные (ФГОМ, ФЦОМ)
      • Пневмокомпрессор и натяжное
      • Система охлаждения  
        • Водяной насос
        • Водяные трубы и патрубки
        • Муфты вязкостные, приводы, крыльчатки
      • Ремкомплекты
      • Сцепление
      • Электрооборудование
    • Запчасти ЯМЗ-650, ЯМЗ-651, DCi-11  
      • Основные запчасти двигателя  
        • Цилиндро-поршневая группа
        • Головка блока цилиндров и комплектующие
        • Блок цилиндров и комплектующие
        • Вал коленчатый и маховик
        • Выпускной коллектор
        • Вал распределительный
        • Клапаны и толкатели
        • ГУР (Гидроусилитель руля)
        • Система рециркуляции отработавших газов
      • Система питания  
        • Коллекторы и патрубки
        • Топливные трубопроводы
        • Топливные фильтры
        • Турбокомпрессор
      • Система смазки  
        • Масляный картер / поддон
        • Масляный насос
        • Теплообменник / Водо-масляный радиатор
        • Фильтры масляные (ФГОМ, ФЦОМ)
      • Система охлаждения  
        • Водяной насос
        • Водяные трубы и патрубки
        • Муфты вязкостные, приводы, крыльчатки
      • Ремкомплекты
      • Пневмокомпрессор и натяжное
      • Электрооборудование
      • Сцепление
    • Топливная аппаратура  
      • ЯЗДА  
        • Распылители
        • ТНВД
        • Форсунки
        • Топливный насос низкого давления
        • Пары плунжерные
        • Муфта опережения впрыска топлива
        • Запчасти и комплектующие ТНВД
      • НЗТА
      • АЗПИ  
        • Распылители
        • Форсунки
      • BOSCH
    • Запчасти УРАЛ  
      • Трансмиссия  
        • Коробка раздаточная
        • Передача карданная
        • Мост задний
        • Мост передний (ведущий)
        • Мост средний (промежуточный)
      • Кузов  
        • Дверь кабины
        • Капот, крылья, облицовка радиатора
        • Окно ветровое и заднее
        • Отопление и вентиляция кабины
        • Кабина
      • Механизмы управления  
        • Управление рулевое
        • Тормоза
      • Дополнительное оборудование  
        • Отбор мощности
        • Устройство седельное
      • Электрооборудование
      • Ходовая часть  
        • Колеса и ступицы
        • Ось передняя
        • Подвеска автомобиля
        • Рама
    • Запчасти МАЗ  
      • Трансмиссия  
        • Мост задний
        • Мост передний (ведущий)
        • Передача карданная
        • Мост средний (промежуточный)
      • Кузов  
        • Кабина
        • Дверь кабины
        • Детали основания кабины
        • Окно ветровое и заднее
        • Платформа
      • Механизмы управления  
        • Тормоза
        • Управление рулевое
      • Ходовая часть  
        • Колеса и ступицы
        • Ось передняя
        • Подвеска автомобиля
        • Рама
    • Запчасти КамАЗ  
      • Кузов  
        • Кабина
        • Капот, крылья, облицовка радиатора
        • Дверь кабины
        • Платформа
        • Окно ветровое и заднее
        • Устройство подъемное и опрокидывающее
        • Сиденье
        • Крыша кабины (крыша кузова)
        • Отопление и вентиляция кабины
      • Трансмиссия  
        • Коробка передач
        • Коробка раздаточная
        • Мост задний
        • Сцепление
        • Мост средний (промежуточный)
        • Передача карданная
        • Мост передний (ведущий)
      • Двигатель  
        • Основные запчасти двигателя
        • Система охлаждения
        • Система питания
        • Система смазки
      • Дополнительное оборудование  
        • Отбор мощности
        • Устройство седельное
      • Ходовая часть  
        • Подвеска автомобиля
        • Рама
        • Колеса и ступицы
        • Ось передняя
      • Механизмы управления  
        • Тормоза
        • Управление рулевое
      • Электрооборудование
    • Запчасти ММЗ
    • Ремни
  • Справочник
    • Грузовые автомобили
    • Автобусы
    • Сельхозтехника
    • Спецтехника
    • Двигатели
  • Как купить
    • Условия оплаты
    • Условия доставки
    • Гарантия на товар
    • Пункты выдачи
  • Услуги
    • Капитальный ремонт двигателей ЯМЗ
  • Акции
  • Статьи
  • Контакты
  • Компания
    • Реквизиты
    • Магазины
    • Оплата
    • Доставка
    • Лицензии и сертификаты
    • Новости
    • Вакансии
Избранное 0 Корзина 0
8-800-700-35-68

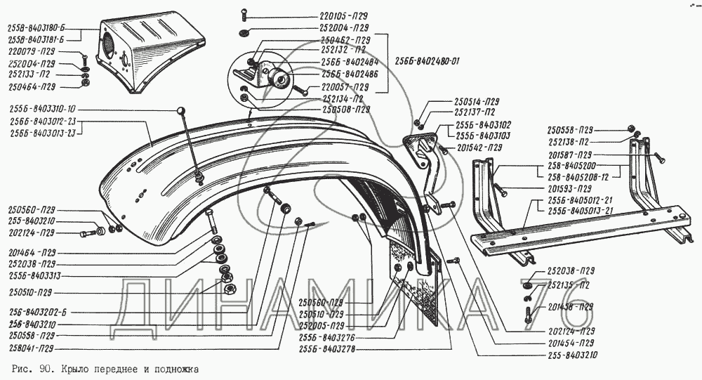
Крыло переднее и подножка на КрАЗ-256

Справочник
Главная
-
Автокаталог
-
Грузовые автомобили и прицепы
-
КрАЗ
-
КрАЗ-256
Справочный каталог

Крыло переднее и подножка — КрАЗ-256:

201454-П29 201458-П29 201464-П29 201542-П29 201587-П29 201593-П29 202124-П29 202124-П29 220057-П29 220079-П29 220105-П29 250462-П29 250464-П29 250508-П29 250510-П29 250510-П29 250514-П29 250558-П29 250558-П29 250560-П29 250560-П29 252004-П29 252004-П29 252005-П29 252038-П29 252038-П29 252132-П2 252133-П2 252134-П2 252135-П2 252137-П2 252138-П2 255-8403210 255-8403210 255Б-8403102 255Б-8403103 255Б-8403276 255Б-8403278 255Б-8403310-10 255Б-8403313 255Б-8405012-21 255Б-8405013-21 255В-8403180-Б 255В-8403181-Б 256-8403202-Б 256-8403210 256Б-8402480-01 256Б-8402484 256Б-8402486 256Б-8403012-23 256Б-8403013-23 256Б-8405112 256Б-8405122 258-8405200 258-8405208-12 258041-П29
в наличии
нет в наличии
масштаб

В наличии
Нет в наличии

Перечень комплектующих от Крыло переднее и подножка на КрАЗ-256

Схемы запчастей предназначены для справочных целей! Мы продаем не все запчасти от Крыло переднее и подножка на КрАЗ-256, представленные в этом списке.
Наличие на складах по деталям с ценой смотрите в карточке товара.
Артикул: 201454-П29
в наличии
Болт М8х1,25х16
Количество на схеме: 12
Информация
Болт М8х1,25х16
Количество
12
Покрытие
цинкование и пассивирование (цинковое с хроматированием)
Болт М8х1.25х16 ЗИЛ-130 крепление кронштейна радиатора масл., ГАЗ-31029 фиксатора штоков КПП
Артикул: 201454-П29
Болт М8х1.25х16 ЗИЛ-130 крепление кронштейна радиатора масл., ГАЗ-31029 фиксатора штоков КПП
Код для заказа: 00005973
Цена: 26 ₽/шт.
Под заказ
Болт М8х1.25х16 ЗИЛ-130 крепление кронштейна радиатора масл., ГАЗ-31029 фиксатора штоков КПП
Артикул: 201454-П29
Код для заказа: 00005973
Болт М8х1.25х16 ЗИЛ-130 крепление кронштейна радиатора масл., ГАЗ-31029 фиксатора штоков КПП
Цена: 26 ₽/шт.
Под заказ
Артикул: 201458-П29
в наличии
Болт М8х1,25х25
Количество на схеме: 8
Информация
Болт М8х1,25х25
Количество
8
Покрытие
цинкование и пассивирование (цинковое с хроматированием)
Болт М8х1.25х25 ЗИЛ-433360 кронштейна радиатора масляного, ГАЗ-2410 крепление ГЦС ЭТНА
Артикул: 201458-П29
Болт М8х1.25х25 ЗИЛ-433360 кронштейна радиатора масляного, ГАЗ-2410 крепление ГЦС ЭТНА
Код для заказа: 00023015
Цена: 9 ₽/шт.
Под заказ
Болт М8х1.25х25 ЗИЛ-433360 кронштейна радиатора масляного, ГАЗ-2410 крепление ГЦС ЭТНА
Артикул: 201458-П29
Код для заказа: 00023015
Болт М8х1.25х25 ЗИЛ-433360 кронштейна радиатора масляного, ГАЗ-2410 крепление ГЦС ЭТНА
Цена: 9 ₽/шт.
Под заказ
Артикул: 201464-П29
нет в наличии
Болт М8х1,25х40
Количество на схеме: 2
Информация
Болт М8х1,25х40
Количество
2
Покрытие
цинкование и пассивирование (цинковое с хроматированием)
Артикул: 201542-П29
нет в наличии
Болт М12х1,75х30
Количество на схеме: 6
Информация
Болт М12х1,75х30
Количество
6
Покрытие
цинкование и пассивирование (цинковое с хроматированием)
Артикул: 201587-П29
в наличии
Болт М14х2х35
Количество на схеме: 15
Информация
Болт М14х2х35
Количество
15
Покрытие
цинкование и пассивирование (цинковое с хроматированием)
Болт М14х2.0х35 крепления опоры двигателя боковой УРАЛ (АО АЗ УРАЛ)
Артикул: 201587-П29
Болт М14х2.0х35 крепления опоры двигателя боковой УРАЛ (АО АЗ УРАЛ)
Код для заказа: 00022778
Цена: 57 ₽/шт.
Под заказ
Болт М14х2.0х35 крепления опоры двигателя боковой УРАЛ (АО АЗ УРАЛ)
Артикул: 201587-П29
Код для заказа: 00022778
Болт М14х2.0х35 крепления опоры двигателя боковой УРАЛ (АО АЗ УРАЛ)
Цена: 57 ₽/шт.
Под заказ
Артикул: 201593-П29
в наличии
Болт М14х2х50
Количество на схеме: 1
Информация
Болт М14х2х50
Количество
1
Покрытие
цинкование и пассивирование (цинковое с хроматированием)
Болт М14х2х50 крепления опоры кабины задней УРАЛ (АО АЗ УРАЛ)
Артикул: 201593-П29
Болт М14х2х50 крепления опоры кабины задней УРАЛ (АО АЗ УРАЛ)
Код для заказа: 00022783
Цена: 91 ₽/шт.
Под заказ
Болт М14х2х50 крепления опоры кабины задней УРАЛ (АО АЗ УРАЛ)
Артикул: 201593-П29
Код для заказа: 00022783
Болт М14х2х50 крепления опоры кабины задней УРАЛ (АО АЗ УРАЛ)
Цена: 91 ₽/шт.
Под заказ
Артикул: 202124-П29
нет в наличии
Болт М16х2х38
Количество на схеме: 4
Информация
Болт М16х2х38
Количество
4
Покрытие
цинкование и пассивирование (цинковое с хроматированием)
Артикул: 220057-П29
нет в наличии
Винт М4х22
Количество на схеме: 1
Информация
Винт М4х22
Количество
1
Покрытие
цинкование и пассивирование (цинковое с хроматированием)
Артикул: 220079-П29
нет в наличии
Винт М5х0,8х14
Количество на схеме: 26
Информация
Винт М5х0,8х14
Количество
26
Покрытие
цинкование и пассивирование (цинковое с хроматированием)
Артикул: 220105-П29
в наличии
Винт М6х1х16
Количество на схеме: 8
Информация
Винт М6х1х16
Количество
8
Покрытие
цинкование и пассивирование (цинковое с хроматированием)
Винт М6х1.0х16 ГАЗ, ЗИЛ, КРАЗ, МАЗ, УАЗ, УРАЛ, полукруг многоцелевой ЭТНА
Артикул: 220105-П29
Винт М6х1.0х16 ГАЗ, ЗИЛ, КРАЗ, МАЗ, УАЗ, УРАЛ, полукруг многоцелевой ЭТНА
Код для заказа: 00025573
Цена: 4 ₽/шт.
Под заказ
Винт М6х1.0х16 ГАЗ, ЗИЛ, КРАЗ, МАЗ, УАЗ, УРАЛ, полукруг многоцелевой ЭТНА
Артикул: 220105-П29
Код для заказа: 00025573
Винт М6х1.0х16 ГАЗ, ЗИЛ, КРАЗ, МАЗ, УАЗ, УРАЛ, полукруг многоцелевой ЭТНА
Цена: 4 ₽/шт.
Под заказ
Артикул: 250462-П29
нет в наличии
Гайка М4х0,7
Количество на схеме: 1
Информация
Гайка М4х0,7
Количество
1
Покрытие
цинкование и пассивирование (цинковое с хроматированием)
Артикул: 250464-П29
в наличии
Гайка М5х0,8
Количество на схеме: 26
Информация
Гайка М5х0,8
Количество
26
Покрытие
цинкование и пассивирование (цинковое с хроматированием)
Гайка М5 вентиляции УРАЛ (АО АЗ УРАЛ)
Артикул: 250464-П29
Гайка М5 вентиляции УРАЛ (АО АЗ УРАЛ)
Код для заказа: 00027649
Цена: 28 ₽/шт.
Под заказ
Гайка М5 вентиляции УРАЛ (АО АЗ УРАЛ)
Артикул: 250464-П29
Код для заказа: 00027649
Гайка М5 вентиляции УРАЛ (АО АЗ УРАЛ)
Цена: 28 ₽/шт.
Под заказ
Артикул: 250508-П29
в наличии
Гайка М6-6Н
Количество на схеме: 8
Информация
Гайка М6-6Н
Количество
8
Покрытие
цинкование и пассивирование (цинковое с хроматированием)
ГАЙКА М6-6Н.6.16 (ЯМЗ)
Артикул: 250508-П29
ГАЙКА М6-6Н.6.16 (ЯМЗ)
Код для заказа: 00006006
Цена: 13 ₽/шт.
Под заказ
ГАЙКА М6-6Н.6.16 (ЯМЗ)
Артикул: 250508-П29
Код для заказа: 00006006
ГАЙКА М6-6Н.6.16 (ЯМЗ)
Цена: 13 ₽/шт.
Под заказ
Артикул: 250510-П29
нет в наличии
Гайка М8
Количество на схеме: 16
Информация
Гайка М8
Количество
16
Покрытие
цинкование и пассивирование (цинковое с хроматированием)
Артикул: 250514-П29
нет в наличии
Гайка М12х1,75
Количество на схеме: 6
Информация
Гайка М12х1,75
Количество
6
Покрытие
цинкование и пассивирование (цинковое с хроматированием)
Артикул: 250558-П29
нет в наличии
Гайка М14х2
Количество на схеме: 20
Информация
Гайка М14х2
Количество
20
Покрытие
цинкование и пассивирование (цинковое с хроматированием)
Артикул: 250560-П29
нет в наличии
Гайка М16х2
Количество на схеме: 8
Информация
Гайка М16х2
Количество
8
Покрытие
цинкование и пассивирование (цинковое с хроматированием)
Артикул: 252004-П29
в наличии
Шайба 6
Количество на схеме: 27
Информация
Шайба 6
Количество
27
Покрытие
цинкование и пассивирование (цинковое с хроматированием)
Шайба 6.0 УРАЛ кабины (АО АЗ УРАЛ)
Артикул: 252004-П29
Шайба 6.0 УРАЛ кабины (АО АЗ УРАЛ)
Код для заказа: 00002895
Цена: 12 ₽/шт.
В наличии: 41 шт.
- +
В корзинуВ корзине
Шайба 6.0 УРАЛ кабины (АО АЗ УРАЛ)
Артикул: 252004-П29
Код для заказа: 00002895
Шайба 6.0 УРАЛ кабины (АО АЗ УРАЛ)
Цена: 12 ₽/шт.
В наличии: 41 шт.
- +
В корзинуВ корзине
Артикул: 252005-П29
в наличии
Шайба 8
Количество на схеме: 12
Информация
Шайба 8
Количество
12
Покрытие
цинкование и пассивирование (цинковое с хроматированием)
Шайба 8.0 УРАЛ кабины (АО АЗ УРАЛ)
Артикул: 252005-П29
Шайба 8.0 УРАЛ кабины (АО АЗ УРАЛ)
Код для заказа: 00006120
Цена: 17 ₽/шт.
Под заказ
Шайба 8.0 УРАЛ кабины (АО АЗ УРАЛ)
Артикул: 252005-П29
Код для заказа: 00006120
Шайба 8.0 УРАЛ кабины (АО АЗ УРАЛ)
Цена: 17 ₽/шт.
Под заказ
Артикул: 252038-П29
нет в наличии
Шайба 8
Количество на схеме: 12
Информация
Шайба 8
Количество
12
Покрытие
цинкование и пассивирование (цинковое с хроматированием)
Артикул: 252132-П2
нет в наличии
Шайба 4
Количество на схеме: 1
Информация
Шайба 4
Количество
1
Покрытие
фосфатирование и промасливание
Артикул: 252133-П2
нет в наличии
Шайба 5 пружинная
Количество на схеме: 26
Информация
Шайба 5 пружинная
Количество
26
Покрытие
фосфатирование и промасливание
Артикул: 252134-П2
в наличии
Шайба 6 пружинная
Количество на схеме: 12
Информация
Шайба 6 пружинная
Количество
12
Покрытие
фосфатирование и промасливание
ШАЙБА 6Х2 (ЯМЗ)
Артикул: 252134-П2
ШАЙБА 6Х2 (ЯМЗ)
Код для заказа: 00006016
Цена: 3 ₽/шт.
Под заказ
ШАЙБА 6Х2 (ЯМЗ)
Артикул: 252134-П2
Код для заказа: 00006016
ШАЙБА 6Х2 (ЯМЗ)
Цена: 3 ₽/шт.
Под заказ
Артикул: 252135-П2
в наличии
Шайба 8 пружинная
Количество на схеме: 8
Информация
Шайба 8 пружинная
Количество
8
Покрытие
фосфатирование и промасливание
Шайба 8х2.5 ЯМЗ заглушки блока цилиндров АВТОДИЗЕЛЬ
Артикул: 252135-П2
Шайба 8х2.5 ЯМЗ заглушки блока цилиндров АВТОДИЗЕЛЬ
Код для заказа: 00006017
Цена: 3 ₽/шт.
Под заказ
Шайба 8х2.5 ЯМЗ заглушки блока цилиндров АВТОДИЗЕЛЬ
Артикул: 252135-П2
Код для заказа: 00006017
Шайба 8х2.5 ЯМЗ заглушки блока цилиндров АВТОДИЗЕЛЬ
Цена: 3 ₽/шт.
Под заказ
Артикул: 252137-П2
в наличии
Шайба 12 пружинная
Количество на схеме: 6
Информация
Шайба 12 пружинная
Количество
6
Покрытие
фосфатирование и промасливание
ШАЙБА 12Х4 (ЯМЗ)
Артикул: 252137-П2
ШАЙБА 12Х4 (ЯМЗ)
Код для заказа: 00006019
Цена: 14 ₽/шт.
Под заказ
ШАЙБА 12Х4 (ЯМЗ)
Артикул: 252137-П2
Код для заказа: 00006019
ШАЙБА 12Х4 (ЯМЗ)
Цена: 14 ₽/шт.
Под заказ
Артикул: 252138-П2
нет в наличии
Шайба 14 пружинная
Количество на схеме: 16
Информация
Шайба 14 пружинная
Количество
16
Покрытие
фосфатирование и промасливание
Артикул: 255-8403210
нет в наличии
Буфер крыла
Количество на схеме: 4
Информация
Буфер крыла
Количество
4
Модель
255
Группа
Оперение
Подгруппа
Крыло переднее и фартук крыла
Порядковый номер детали
210
Артикул: 255Б-8403102
нет в наличии
Кронштейн крыла правый
Количество на схеме: 1
Информация
Кронштейн крыла правый
Количество
1
Модель
255Б
Группа
Оперение
Подгруппа
Крыло переднее и фартук крыла
Порядковый номер детали
102
Артикул: 255Б-8403103
нет в наличии
Кронштейн крыла левый
Количество на схеме: 1
Информация
Кронштейн крыла левый
Количество
1
Модель
255Б
Группа
Оперение
Подгруппа
Крыло переднее и фартук крыла
Порядковый номер детали
103
Артикул: 255Б-8403276
нет в наличии
Брызговик нижний
Количество на схеме: 2
Информация
Брызговик нижний
Количество
2
Модель
255Б
Группа
Оперение
Подгруппа
Крыло переднее и фартук крыла
Порядковый номер детали
276
Артикул: 255Б-8403278
нет в наличии
Накладка нижнего брызговика
Количество на схеме: 2
Информация
Накладка нижнего брызговика
Количество
2
Модель
255Б
Группа
Оперение
Подгруппа
Крыло переднее и фартук крыла
Порядковый номер детали
278
Артикул: 255Б-8403310-10
нет в наличии
Указатель габаритный
Количество на схеме: 2
Информация
Указатель габаритный
Количество
2
Модель
255Б
Группа
Оперение
Подгруппа
Крыло переднее и фартук крыла
Порядковый номер детали
310
Дополнительно
Не взаимозаменяема с деталью, выпущенной ранее под этим же номером
Артикул: 255Б-8403313
нет в наличии
Шайба
Количество на схеме: 4
Информация
Шайба
Количество
4
Модель
255Б
Группа
Оперение
Подгруппа
Крыло переднее и фартук крыла
Порядковый номер детали
313
Артикул: 255Б-8405012-21
нет в наличии
Подножка правая
Количество на схеме: 1
Информация
Подножка правая
Количество
1
Модель
255Б
Группа
Оперение
Подгруппа
Подножка
Порядковый номер детали
012
Дополнительно
Не взаимозаменяема с деталью, выпущенной ранее под этим же номером
Артикул: 255Б-8405013-21
нет в наличии
Подножка левая
Количество на схеме: 1
Информация
Подножка левая
Количество
1
Модель
255Б
Группа
Оперение
Подгруппа
Подножка
Порядковый номер детали
013
Дополнительно
Не взаимозаменяема с деталью, выпущенной ранее под этим же номером
Артикул: 255В-8403180-Б
нет в наличии
Кожух фары правый в сборе
Количество на схеме: 1
Информация
Кожух фары правый в сборе
Количество
1
Модель
255В
Группа
Оперение
Подгруппа
Крыло переднее и фартук крыла
Порядковый номер детали
180
Артикул: 255В-8403181-Б
нет в наличии
Кожух фары левый в сборе
Количество на схеме: 1
Информация
Кожух фары левый в сборе
Количество
1
Модель
255В
Группа
Оперение
Подгруппа
Крыло переднее и фартук крыла
Порядковый номер детали
181
Артикул: 256-8403202-Б
нет в наличии
Шпилька крепления крыла к раме
Количество на схеме: 2
Информация
Шпилька крепления крыла к раме
Количество
2
Модель
256
Группа
Оперение
Подгруппа
Крыло переднее и фартук крыла
Порядковый номер детали
202
Артикул: 256-8403210
нет в наличии
Буфер крыла
Количество на схеме: 2
Информация
Буфер крыла
Количество
2
Модель
256
Группа
Оперение
Подгруппа
Крыло переднее и фартук крыла
Порядковый номер детали
210
Артикул: 256Б-8402480-01
нет в наличии
Буфер боковины капота в сборе
Количество на схеме: 2
Информация
Буфер боковины капота в сборе
Количество
2
Модель
256Б
Группа
Оперение
Подгруппа
Капот
Порядковый номер детали
480
Артикул: 256Б-8402484
нет в наличии
Кронштейн буфера
Количество на схеме: 2
Информация
Кронштейн буфера
Количество
2
Модель
256Б
Группа
Оперение
Подгруппа
Капот
Порядковый номер детали
484
Артикул: 256Б-8402486
нет в наличии
Буфер боковины
Количество на схеме: 2
Информация
Буфер боковины
Количество
2
Модель
256Б
Группа
Оперение
Подгруппа
Капот
Порядковый номер детали
486
Артикул: 256Б-8403012-23
нет в наличии
Крыло правое
Количество на схеме: 1
Информация
Крыло правое
Количество
1
Модель
256Б
Группа
Оперение
Подгруппа
Крыло переднее и фартук крыла
Порядковый номер детали
012
Дополнительно
Не взаимозаменяема с деталью, выпущенной ранее под этим же номером
Артикул: 256Б-8403013-23
нет в наличии
Крыло левое
Количество на схеме: 1
Информация
Крыло левое
Количество
1
Модель
256Б
Группа
Оперение
Подгруппа
Крыло переднее и фартук крыла
Порядковый номер детали
013
Дополнительно
Не взаимозаменяема с деталью, выпущенной ранее под этим же номером
Артикул: 256Б-8405112
нет в наличии
Подножка передняя
Количество на схеме: 1
Информация
Подножка передняя
Количество
1
Примечание
10
Модель
256Б
Группа
Оперение
Подгруппа
Подножка
Порядковый номер детали
112
Артикул: 256Б-8405122
нет в наличии
Пружина передней подножки
Количество на схеме: 2
Информация
Пружина передней подножки
Количество
2
Примечание
10
Модель
256Б
Группа
Оперение
Подгруппа
Подножка
Порядковый номер детали
122
Артикул: 258-8405200
нет в наличии
Кронштейн подножки левый
Количество на схеме: 2
Информация
Кронштейн подножки левый
Количество
2
Модель
258
Группа
Оперение
Подгруппа
Подножка
Порядковый номер детали
200
Артикул: 258-8405208-12
нет в наличии
Кронштейн подножки правый
Количество на схеме: 2
Информация
Кронштейн подножки правый
Количество
2
Модель
258
Группа
Оперение
Подгруппа
Подножка
Порядковый номер детали
208
Дополнительно
Не взаимозаменяема с деталью, выпущенной ранее под этим же номером
Артикул: 258041-П29
нет в наличии
Шплинт разводной 3х32
Количество на схеме: 2
Информация
Шплинт разводной 3х32
Количество
2
Покрытие
цинкование и пассивирование (цинковое с хроматированием)
  • Грузовые автомобили
  • Автобусы
  • Сельхозтехника
  • Спецтехника
  • Двигатели
Получить оптовый прайс-лист
Скачать прайс-лист от 06.05.2026 08:00
Специальное предложение от 05.05.2026 17:00
Производители:


  • WEICHAI
  • Автодизель ПАО (ЯМЗ)
  • Тутаевский МЗ
  • ЯЗДА
  • УралАЗ
  • МАЗ
  • АЗПИ
  • BOSCH
  • ММЗ
  • ШААЗ
  • FEDERAL MOGUL
  • ПРАМО
  • Мотордеталь
  • ТАИМ
  • АвтоКрАЗ
  • БЕЛКАРД
  • CZ Strakonice
  • КамАЗ
  • БЗА
  • ЧМЗ
  • BMZ
Новости
Все новости
25 марта 2024
Флагманский седельный тягач «Валдай 45» на выставке «TransRussia»
10 марта 2024
Современные автобусы «CITYMAX 9» и ЛиАЗ-5292 CNG
25 февраля 2024
Серийное производство средних дизельных двигателей повышенной мощности от ЯМЗ
Статьи
Все статьи
Датчики двигателя: за что они отвечают, признаки неисправности и как не прогадать с выбором
Двигатели ЯМЗ-534: история, технические характеристики и области применения
Двигатели ЯМЗ 650: углублённый технический обзор и история
Компания
О компании
Реквизиты
Новости
Политика
Магазины
Информация
Условия оплаты
Условия доставки
Гарантия на товар
Обмен и возврат товара
Помощь
Как оформить заказ
Полезные статьи
Бренды
Пункты выдачи
Оставайтесь на связи
  • Вконтакте
  • YouTube
  • Одноклассники
  • Google Plus
Увидели ошибку?
Выделите, нажав Ctrl + Enter
Наши контакты
8-800-700-35-68
sales@din76.ru
г. Ярославль, Ленинградский пр-т 33, ТЦ "ОМЕГА"
2026 © ООО «Динамика 76» - Все права защищены ООО "Динамика 76"
Предложения на сайте не являются публичной офертой.
На сайте обнаружена ошибка

Текст с ошибкой