Избранное 0 Корзина 0 Личный кабинет
logo
Каталог
Каталог
  • Справочник
    • Грузовые автомобили
    • Автобусы
    • Сельхозтехника
    • Спецтехника
    • Двигатели
  • Доставка
  • Оплата
  • О компании
    • Реквизиты
    • Магазины
    • Оплата
    • Доставка
    • Лицензии и сертификаты
    • Новости
    • Вакансии
  • Контакты
Отправить заявку
Личный кабинет
8 (800) 700-35-68
sales@din76.ru
Избранное 0 Корзина 0
8 (800) 700-35-68
Оптовый прайс-лист
Каталог
  • Двигатели
  • Запчасти WEICHAI
  • Запчасти ЯМЗ, ТМЗ (V-образные)
  • Запчасти ЯМЗ-534, ЯМЗ-536
  • Запчасти ЯМЗ-650, ЯМЗ-651, DCi-11
  • Топливная аппаратура
  • Запчасти УРАЛ
  • Запчасти МАЗ
  • Запчасти КамАЗ
  • Запчасти ММЗ
  • Ремни
Автокаталог (справочник)
  • Доставка
  • Оплата
  • О компании
  • Контакты
8 (800) 700-35-68
Написать в Whatsapp
sales@din76.ru
Динамика 76
Меню  
  • Каталог
    • Двигатели  
      • Двигатели ТМЗ  
        • Двигатели ТМЗ для автомобилей
        • Двигатели ТМЗ для тракторов
        • Специальные двигатели ТМЗ
        • Промышленные двигатели ТМЗ
      • Двигатели ЯМЗ  
        • ЯМЗ 236
        • ЯМЗ 238
        • ЯМЗ 240
        • ЯМЗ 751
        • ЯМЗ 840
        • ЯМЗ 850
        • ЯМЗ 656
        • ЯМЗ 658
        • ЯМЗ 534
        • ЯМЗ 536
        • ЯМЗ 650
        • Двигатели ЯМЗ для электростанций
      • Двигатели КАМАЗ
      • Двигатели ММЗ
      • Двигатели индивидуальной сборки
      • Комплекты переоборудования
    • Запчасти WEICHAI  
      • Основные запчасти двигателя  
        • Клапаны и толкатели
        • Шатуны
        • Вал коленчатый и маховик
        • Вал распределительный
        • Цилиндро-поршневая группа
      • Система питания  
        • Форсунки
        • Турбокомпрессор
      • Система смазки  
        • Насос масляный
      • Головка блока
      • Ремкомплекты
      • Система охлаждения  
        • Насос водяной
        • Муфта вязкостная и крыльчатка
      • Фильтры
      • Электрооборудование  
        • Генератор
        • Стартер
    • Запчасти ЯМЗ, ТМЗ (V-образные)  
      • Основные запчасти двигателя  
        • Блок двигателя и комплектующие
        • Валы распределительные и клапаны
        • Головка блока и комплектующие
        • Цилиндро-поршневая группа
        • Маховики и комплектующие
        • Валы коленчатые и комплектующие
        • Шатуны и комплектующие
      • Система питания  
        • Коллекторы и патрубки
        • Топливные трубопроводы
        • Турбокомпрессор
        • Топливные фильтры
      • Электрооборудование двигателя
      • Система охлаждения  
        • Вязкостные муфты и крыльчатки
        • Приводы вентилятора
        • Водяные насосы
        • Водяные трубы и термостаты
      • Коробки переключения передач  
        • 8 Ступенчатые КПП
        • 5 Ступенчатые КПП
        • 9 Ступенчатые КПП
        • Запасные части КПП ЯМЗ, ТМЗ
      • Система смазки  
        • Теплообменник и комплектующие
        • Масляные насосы
        • Фильтры масляные (ФГОМ, ФЦОМ)
      • Сцепление  
        • Запасные части механизма сцепления
        • Муфты (подшипники выжимные)
        • Корзины (диски нажимные)
        • Диски ведомые
      • Прочие запчасти двигателя  
        • Ремкомплекты
        • Привод агрегатов
        • Натяжные устройства
        • Трубки
    • Запчасти ЯМЗ-534, ЯМЗ-536  
      • Основные запчасти двигателя  
        • Цилиндро-поршневая группа
        • Головка блока цилиндров и комплектующие
        • Блок цилиндров и комплектующие
        • Вал коленчатый и маховик
        • Вал распределительный
        • Клапаны и толкатели
        • ГУР (Гидроусилитель руля)
        • Система рециркуляции отработавших газов
        • Выпускной коллектор
      • Система питания  
        • Коллекторы и патрубки
        • Топливные фильтры
        • Турбокомпрессор
        • Топливные трубопроводы
      • Система смазки  
        • Масляный картер поддон
        • Масляный насос
        • Теплообменник /Водо-масляный радиатор
        • Фильтры масляные (ФГОМ, ФЦОМ)
      • Пневмокомпрессор и натяжное
      • Система охлаждения  
        • Водяной насос
        • Водяные трубы и патрубки
        • Муфты вязкостные, приводы, крыльчатки
      • Ремкомплекты
      • Сцепление
      • Электрооборудование
    • Запчасти ЯМЗ-650, ЯМЗ-651, DCi-11  
      • Основные запчасти двигателя  
        • Цилиндро-поршневая группа
        • Головка блока цилиндров и комплектующие
        • Блок цилиндров и комплектующие
        • Вал коленчатый и маховик
        • Выпускной коллектор
        • Вал распределительный
        • Клапаны и толкатели
        • ГУР (Гидроусилитель руля)
        • Система рециркуляции отработавших газов
      • Система питания  
        • Коллекторы и патрубки
        • Топливные трубопроводы
        • Топливные фильтры
        • Турбокомпрессор
      • Система смазки  
        • Масляный картер / поддон
        • Масляный насос
        • Теплообменник / Водо-масляный радиатор
        • Фильтры масляные (ФГОМ, ФЦОМ)
      • Система охлаждения  
        • Водяной насос
        • Водяные трубы и патрубки
        • Муфты вязкостные, приводы, крыльчатки
      • Ремкомплекты
      • Пневмокомпрессор и натяжное
      • Электрооборудование
      • Сцепление
    • Топливная аппаратура  
      • ЯЗДА  
        • Распылители
        • ТНВД
        • Форсунки
        • Топливный насос низкого давления
        • Пары плунжерные
        • Муфта опережения впрыска топлива
        • Запчасти и комплектующие ТНВД
      • НЗТА
      • АЗПИ  
        • Распылители
        • Форсунки
      • BOSCH
    • Запчасти УРАЛ  
      • Трансмиссия  
        • Коробка раздаточная
        • Передача карданная
        • Мост задний
        • Мост передний (ведущий)
        • Мост средний (промежуточный)
      • Кузов  
        • Дверь кабины
        • Капот, крылья, облицовка радиатора
        • Окно ветровое и заднее
        • Отопление и вентиляция кабины
        • Кабина
      • Механизмы управления  
        • Управление рулевое
        • Тормоза
      • Дополнительное оборудование  
        • Отбор мощности
        • Устройство седельное
      • Электрооборудование
      • Ходовая часть  
        • Колеса и ступицы
        • Ось передняя
        • Подвеска автомобиля
        • Рама
    • Запчасти МАЗ  
      • Трансмиссия  
        • Мост задний
        • Мост передний (ведущий)
        • Передача карданная
        • Мост средний (промежуточный)
      • Кузов  
        • Кабина
        • Дверь кабины
        • Детали основания кабины
        • Окно ветровое и заднее
        • Платформа
      • Механизмы управления  
        • Тормоза
        • Управление рулевое
      • Ходовая часть  
        • Колеса и ступицы
        • Ось передняя
        • Подвеска автомобиля
        • Рама
    • Запчасти КамАЗ  
      • Кузов  
        • Кабина
        • Капот, крылья, облицовка радиатора
        • Дверь кабины
        • Платформа
        • Окно ветровое и заднее
        • Устройство подъемное и опрокидывающее
        • Сиденье
        • Крыша кабины (крыша кузова)
        • Отопление и вентиляция кабины
      • Трансмиссия  
        • Коробка передач
        • Коробка раздаточная
        • Мост задний
        • Сцепление
        • Мост средний (промежуточный)
        • Передача карданная
        • Мост передний (ведущий)
      • Двигатель  
        • Основные запчасти двигателя
        • Система охлаждения
        • Система питания
        • Система смазки
      • Дополнительное оборудование  
        • Отбор мощности
        • Устройство седельное
      • Ходовая часть  
        • Подвеска автомобиля
        • Рама
        • Колеса и ступицы
        • Ось передняя
      • Механизмы управления  
        • Тормоза
        • Управление рулевое
      • Электрооборудование
    • Запчасти ММЗ
    • Ремни
  • Справочник
    • Грузовые автомобили
    • Автобусы
    • Сельхозтехника
    • Спецтехника
    • Двигатели
  • Как купить
    • Условия оплаты
    • Условия доставки
    • Гарантия на товар
    • Пункты выдачи
  • Услуги
    • Капитальный ремонт двигателей ЯМЗ
  • Акции
  • Статьи
  • Контакты
  • Компания
    • Реквизиты
    • Магазины
    • Оплата
    • Доставка
    • Лицензии и сертификаты
    • Новости
    • Вакансии
Избранное 0 Корзина 0
8-800-700-35-68

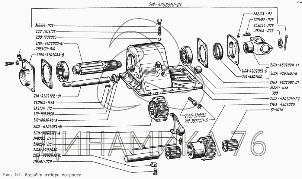
Коробка отбора мощности на КрАЗ-256

Справочник
Главная
-
Автокаталог
-
Грузовые автомобили и прицепы
-
КрАЗ
-
КрАЗ-256
Справочный каталог

Коробка отбора мощности — КрАЗ-256:

200-1702083 200-1702106 201497-П29 210-1803048-А 210-1803058 210-3502131-Б 210А-4202015-Г2 210А-4202020 210А-4202030 210А-4202032-А1 210А-4202064-01 210А-4202070-А1 210А-4202081-Б 210А-4202084-В 210А-4202085-Б 210А-4202087-01 210А-4202126-А 210А-4502024-11 214-4202010-01 214-4202122-01 214-4501100 220103-П29 252134-П2 252136-П2 252250-П8 256Б-3710052 258054-П29 298430-П10 308 310501-П29 311703-П29 313917-П29 316104-П29 348902-П2 64907К
в наличии
нет в наличии
масштаб

В наличии
Нет в наличии

Перечень комплектующих от Коробка отбора мощности на КрАЗ-256

Схемы запчастей предназначены для справочных целей! Мы продаем не все запчасти от Коробка отбора мощности на КрАЗ-256, представленные в этом списке.
Наличие на складах по деталям с ценой смотрите в карточке товара.
Артикул: 200-1702083
нет в наличии
Шарик-фиксатор
Количество на схеме: 1
Информация
Шарик-фиксатор
Количество
1
Модель
200
Группа
Коробка передач
Подгруппа
Механизм переключения передач
Порядковый номер детали
083
Артикул: 200-1702106
нет в наличии
Пружина фиксатора
Количество на схеме: 1
Информация
Пружина фиксатора
Количество
1
Модель
200
Группа
Коробка передач
Подгруппа
Механизм переключения передач
Порядковый номер детали
106
Артикул: 201497-П29
нет в наличии
Болт М10х1,25х25
Количество на схеме: 8
Информация
Болт М10х1,25х25
Количество
8
Покрытие
цинкование и пассивирование (цинковое с хроматированием)
Артикул: 210-1803048-А
нет в наличии
Кольцо уплотнительное
Количество на схеме: 1
Информация
Кольцо уплотнительное
Количество
1
Модель
210
Группа
Коробка раздаточная
Подгруппа
Механизм переключения передач
Порядковый номер детали
048
Артикул: 210-1803058
нет в наличии
Крышка сальника
Количество на схеме: 1
Информация
Крышка сальника
Количество
1
Модель
210
Группа
Коробка раздаточная
Подгруппа
Механизм переключения передач
Порядковый номер детали
058
Артикул: 210-3502131-Б
нет в наличии
Шайба регулировочная
Количество на схеме: 2
Информация
Шайба регулировочная
Количество
2
Модель
210
Группа
Тормоза
Подгруппа
Тормоза рабочие задние ножные и тормозные барабаны
Порядковый номер детали
131
Артикул: 210А-4202015-Г2
нет в наличии
Картер коробки
Количество на схеме: 1
Информация
Картер коробки
Количество
1
Модель
210А
Группа
Спецоборудование
Подгруппа
Коробка отбора мощности односкоростная
Порядковый номер детали
015
Артикул: 210А-4202020
нет в наличии
Шестерня паразитная
Количество на схеме: 1
Информация
Шестерня паразитная
Количество
1
Модель
210А
Группа
Спецоборудование
Подгруппа
Коробка отбора мощности односкоростная
Порядковый номер детали
020
Артикул: 210А-4202030
нет в наличии
Ось шестерни
Количество на схеме: 1
Информация
Ось шестерни
Количество
1
Модель
210А
Группа
Спецоборудование
Подгруппа
Коробка отбора мощности односкоростная
Порядковый номер детали
030
Артикул: 210А-4202032-А1
нет в наличии
Замок винта оси шестерни
Количество на схеме: 1
Информация
Замок винта оси шестерни
Количество
1
Модель
210А
Группа
Спецоборудование
Подгруппа
Коробка отбора мощности односкоростная
Порядковый номер детали
032
Артикул: 210А-4202064-01
нет в наличии
Шестерня ведомая
Количество на схеме: 1
Информация
Шестерня ведомая
Количество
1
Модель
210А
Группа
Спецоборудование
Подгруппа
Коробка отбора мощности односкоростная
Порядковый номер детали
064
Артикул: 210А-4202070-А1
нет в наличии
Вал ведомой шестерни
Количество на схеме: 1
Информация
Вал ведомой шестерни
Количество
1
Модель
210А
Группа
Спецоборудование
Подгруппа
Коробка отбора мощности односкоростная
Порядковый номер детали
070
Артикул: 210А-4202081-Б
нет в наличии
Крышка задняя с сальником в сборе
Количество на схеме: 1
Информация
Крышка задняя с сальником в сборе
Количество
1
Модель
210А
Группа
Спецоборудование
Подгруппа
Коробка отбора мощности односкоростная
Порядковый номер детали
081
Артикул: 210А-4202084-В
нет в наличии
Крышка передняя
Количество на схеме: 1
Информация
Крышка передняя
Количество
1
Модель
210А
Группа
Спецоборудование
Подгруппа
Коробка отбора мощности односкоростная
Порядковый номер детали
084
Артикул: 210А-4202085-Б
нет в наличии
Крышка задняя
Количество на схеме: 1
Информация
Крышка задняя
Количество
1
Модель
210А
Группа
Спецоборудование
Подгруппа
Коробка отбора мощности односкоростная
Порядковый номер детали
085
Артикул: 210А-4202087-01
нет в наличии
Прокладка крышки
Количество на схеме: 2
Информация
Прокладка крышки
Количество
2
Модель
210А
Группа
Спецоборудование
Подгруппа
Коробка отбора мощности односкоростная
Порядковый номер детали
087
Артикул: 210А-4202126-А
нет в наличии
Вилка включения коробки
Количество на схеме: 1
Информация
Вилка включения коробки
Количество
1
Модель
210А
Группа
Спецоборудование
Подгруппа
Коробка отбора мощности односкоростная
Порядковый номер детали
126
Артикул: 210А-4502024-11
нет в наличии
Вилка карданного вала
Количество на схеме: 1
Информация
Вилка карданного вала
Количество
1
Модель
210А
Группа
Лебедка
Подгруппа
Валы карданные привода лебедки
Порядковый номер детали
024
Дополнительно
Не взаимозаменяема с деталью, выпущенной ранее под этим же номером
Артикул: 214-4202010-01
нет в наличии
Коробка отбора мощности в сборе
Количество на схеме: 1
Информация
Коробка отбора мощности в сборе
Количество
1
Модель
214
Группа
Спецоборудование
Подгруппа
Коробка отбора мощности односкоростная
Порядковый номер детали
010
Артикул: 214-4202122-01
нет в наличии
Шток вилки
Количество на схеме: 1
Информация
Шток вилки
Количество
1
Модель
214
Группа
Спецоборудование
Подгруппа
Коробка отбора мощности односкоростная
Порядковый номер детали
122
Артикул: 214-4501100
нет в наличии
Манжета
Количество на схеме: 1
Информация
Манжета
Количество
1
Модель
214
Группа
Лебедка
Подгруппа
Лебедка
Порядковый номер детали
100
Артикул: 220103-П29
нет в наличии
Винт М6х1х12
Количество на схеме: 2
Информация
Винт М6х1х12
Количество
2
Покрытие
цинкование и пассивирование (цинковое с хроматированием)
Артикул: 252134-П2
в наличии
Шайба 6 пружинная
Количество на схеме: 1
Информация
Шайба 6 пружинная
Количество
1
Покрытие
фосфатирование и промасливание
ШАЙБА 6Х2 (ЯМЗ)
Артикул: 252134-П2
ШАЙБА 6Х2 (ЯМЗ)
Код для заказа: 00006016
Цена: 3 ₽/шт.
Под заказ
ШАЙБА 6Х2 (ЯМЗ)
Артикул: 252134-П2
Код для заказа: 00006016
ШАЙБА 6Х2 (ЯМЗ)
Цена: 3 ₽/шт.
Под заказ
Артикул: 252136-П2
в наличии
Шайба 10 пружинная
Количество на схеме: 8
Информация
Шайба 10 пружинная
Количество
8
Покрытие
фосфатирование и промасливание
Шайба 10.2х2.5 пружинная цинк ЭТНА
Артикул: 252136-П2
Шайба 10.2х2.5 пружинная цинк ЭТНА
Код для заказа: 00062958
Цена: 10 ₽/шт.
Под заказ
Шайба 10.2х2.5 пружинная цинк ЭТНА
Артикул: 252136-П2
Код для заказа: 00062958
Шайба 10.2х2.5 пружинная цинк ЭТНА
Цена: 10 ₽/шт.
Под заказ
Шайба гроверная 17,1х10,1х3,5
Артикул: 252136-П2
Шайба гроверная 17,1х10,1х3,5
Код для заказа: 00006018
Цена: 10 ₽/шт.
Под заказ
Шайба гроверная 17,1х10,1х3,5
Артикул: 252136-П2
Код для заказа: 00006018
Шайба гроверная 17,1х10,1х3,5
Цена: 10 ₽/шт.
Под заказ
Артикул: 252250-П8
нет в наличии
Шплинт проволока
Количество на схеме: 1
Информация
Шплинт проволока
Количество
1
Покрытие
цинкование
Артикул: 256Б-3710052
нет в наличии
Шток сигнализатора подъема платформы
Количество на схеме: 1
Информация
Шток сигнализатора подъема платформы
Количество
1
Модель
256Б
Группа
Электрооборудование
Подгруппа
Выключатели электрические (переключатель света ножной)
Порядковый номер детали
052
Артикул: 258054-П29
нет в наличии
Шплинт разводной 4х32
Количество на схеме: 1
Информация
Шплинт разводной 4х32
Количество
1
Покрытие
цинкование и пассивирование (цинковое с хроматированием)
Артикул: 298430-П10
нет в наличии
Сапун К 1/8"
Количество на схеме: 1
Информация
Сапун К 1/8"
Количество
1
Покрытие
лужение
Артикул: 308
нет в наличии
Подшипник шариковый
Количество на схеме: 2
Информация
Подшипник шариковый
Количество
2
Артикул: 310501-П29
нет в наличии
Винт М10х22
Количество на схеме: 1
Информация
Винт М10х22
Количество
1
Покрытие
цинкование и пассивирование (цинковое с хроматированием)
Артикул: 311703-П29
нет в наличии
Гайка М24х2
Количество на схеме: 1
Информация
Гайка М24х2
Количество
1
Покрытие
цинкование и пассивирование (цинковое с хроматированием)
Артикул: 313917-П29
нет в наличии
Заглушка 20
Количество на схеме: 1
Информация
Заглушка 20
Количество
1
Покрытие
цинкование и пассивирование (цинковое с хроматированием)
Артикул: 316104-П29
нет в наличии
Пробка гнезда М12
Количество на схеме: 1
Информация
Пробка гнезда М12
Количество
1
Покрытие
цинкование и пассивирование (цинковое с хроматированием)
Артикул: 348902-П2
нет в наличии
Винт установочный М10х18
Количество на схеме: 1
Информация
Винт установочный М10х18
Количество
1
Покрытие
фосфатирование и промасливание
Артикул: 64907К
в наличии
Подшипник роликовый
Количество на схеме: 2
Информация
Подшипник роликовый
Количество
2
Подшипник КПП КАМАЗ
Артикул: 64907К
Подшипник КПП КАМАЗ
Код для заказа: 00045458
Цена: 1 364 ₽/шт.
Под заказ
Подшипник КПП КАМАЗ
Артикул: 64907К
Код для заказа: 00045458
Подшипник КПП КАМАЗ
Цена: 1 364 ₽/шт.
Под заказ
  • Грузовые автомобили
  • Автобусы
  • Сельхозтехника
  • Спецтехника
  • Двигатели
Получить оптовый прайс-лист
Скачать прайс-лист от 07.05.2026 12:00
Специальное предложение от 07.05.2026 13:00
Производители:


  • WEICHAI
  • Автодизель ПАО (ЯМЗ)
  • Тутаевский МЗ
  • ЯЗДА
  • УралАЗ
  • МАЗ
  • АЗПИ
  • BOSCH
  • ММЗ
  • ШААЗ
  • FEDERAL MOGUL
  • ПРАМО
  • Мотордеталь
  • ТАИМ
  • АвтоКрАЗ
  • БЕЛКАРД
  • CZ Strakonice
  • КамАЗ
  • БЗА
  • ЧМЗ
  • BMZ
Новости
Все новости
25 марта 2024
Флагманский седельный тягач «Валдай 45» на выставке «TransRussia»
10 марта 2024
Современные автобусы «CITYMAX 9» и ЛиАЗ-5292 CNG
25 февраля 2024
Серийное производство средних дизельных двигателей повышенной мощности от ЯМЗ
Статьи
Все статьи
Датчики двигателя: за что они отвечают, признаки неисправности и как не прогадать с выбором
Двигатели ЯМЗ-534: история, технические характеристики и области применения
Двигатели ЯМЗ 650: углублённый технический обзор и история
Компания
О компании
Реквизиты
Новости
Политика
Магазины
Информация
Условия оплаты
Условия доставки
Гарантия на товар
Обмен и возврат товара
Помощь
Как оформить заказ
Полезные статьи
Бренды
Пункты выдачи
Оставайтесь на связи
  • Вконтакте
  • YouTube
  • Одноклассники
  • Google Plus
Увидели ошибку?
Выделите, нажав Ctrl + Enter
Наши контакты
8-800-700-35-68
sales@din76.ru
г. Ярославль, Ленинградский пр-т 33, ТЦ "ОМЕГА"
2026 © ООО «Динамика 76» - Все права защищены ООО "Динамика 76"
Предложения на сайте не являются публичной офертой.
На сайте обнаружена ошибка

Текст с ошибкой