Избранное 0 Корзина 0 Личный кабинет
logo
Каталог
Каталог
  • Справочник
    • Грузовые автомобили
    • Автобусы
    • Сельхозтехника
    • Спецтехника
    • Двигатели
  • Доставка
  • Оплата
  • О компании
    • Реквизиты
    • Магазины
    • Оплата
    • Доставка
    • Лицензии и сертификаты
    • Новости
    • Вакансии
  • Контакты
Отправить заявку
Личный кабинет
8 (800) 700-35-68
sales@din76.ru
Избранное 0 Корзина 0
8 (800) 700-35-68
Оптовый прайс-лист
Каталог
  • Двигатели
  • Запчасти WEICHAI
  • Запчасти ЯМЗ, ТМЗ (V-образные)
  • Запчасти ЯМЗ-534, ЯМЗ-536
  • Запчасти ЯМЗ-650, ЯМЗ-651, DCi-11
  • Топливная аппаратура
  • Запчасти УРАЛ
  • Запчасти МАЗ
  • Запчасти КамАЗ
  • Запчасти ММЗ
  • Ремни
Автокаталог (справочник)
  • Доставка
  • Оплата
  • О компании
  • Контакты
8 (800) 700-35-68
Написать в Whatsapp
sales@din76.ru
Динамика 76
Меню  
  • Каталог
    • Двигатели  
      • Двигатели ТМЗ  
        • Двигатели ТМЗ для автомобилей
        • Двигатели ТМЗ для тракторов
        • Специальные двигатели ТМЗ
        • Промышленные двигатели ТМЗ
      • Двигатели ЯМЗ  
        • ЯМЗ 236
        • ЯМЗ 238
        • ЯМЗ 240
        • ЯМЗ 751
        • ЯМЗ 840
        • ЯМЗ 850
        • ЯМЗ 656
        • ЯМЗ 658
        • ЯМЗ 534
        • ЯМЗ 536
        • ЯМЗ 650
        • Двигатели ЯМЗ для электростанций
      • Двигатели КАМАЗ
      • Двигатели ММЗ
      • Двигатели индивидуальной сборки
      • Комплекты переоборудования
    • Запчасти WEICHAI  
      • Основные запчасти двигателя  
        • Клапаны и толкатели
        • Шатуны
        • Вал коленчатый и маховик
        • Вал распределительный
        • Цилиндро-поршневая группа
      • Система питания  
        • Форсунки
        • Турбокомпрессор
      • Система смазки  
        • Насос масляный
      • Головка блока
      • Ремкомплекты
      • Система охлаждения  
        • Насос водяной
        • Муфта вязкостная и крыльчатка
      • Фильтры
      • Электрооборудование  
        • Генератор
        • Стартер
    • Запчасти ЯМЗ, ТМЗ (V-образные)  
      • Основные запчасти двигателя  
        • Блок двигателя и комплектующие
        • Валы распределительные и клапаны
        • Головка блока и комплектующие
        • Цилиндро-поршневая группа
        • Маховики и комплектующие
        • Валы коленчатые и комплектующие
        • Шатуны и комплектующие
      • Система питания  
        • Коллекторы и патрубки
        • Топливные трубопроводы
        • Турбокомпрессор
        • Топливные фильтры
      • Электрооборудование двигателя
      • Система охлаждения  
        • Вязкостные муфты и крыльчатки
        • Приводы вентилятора
        • Водяные насосы
        • Водяные трубы и термостаты
      • Коробки переключения передач  
        • 8 Ступенчатые КПП
        • 5 Ступенчатые КПП
        • 9 Ступенчатые КПП
        • Запасные части КПП ЯМЗ, ТМЗ
      • Система смазки  
        • Теплообменник и комплектующие
        • Масляные насосы
        • Фильтры масляные (ФГОМ, ФЦОМ)
      • Сцепление  
        • Запасные части механизма сцепления
        • Муфты (подшипники выжимные)
        • Корзины (диски нажимные)
        • Диски ведомые
      • Прочие запчасти двигателя  
        • Ремкомплекты
        • Привод агрегатов
        • Натяжные устройства
        • Трубки
    • Запчасти ЯМЗ-534, ЯМЗ-536  
      • Основные запчасти двигателя  
        • Цилиндро-поршневая группа
        • Головка блока цилиндров и комплектующие
        • Блок цилиндров и комплектующие
        • Вал коленчатый и маховик
        • Вал распределительный
        • Клапаны и толкатели
        • ГУР (Гидроусилитель руля)
        • Система рециркуляции отработавших газов
        • Выпускной коллектор
      • Система питания  
        • Коллекторы и патрубки
        • Топливные фильтры
        • Турбокомпрессор
        • Топливные трубопроводы
      • Система смазки  
        • Масляный картер поддон
        • Масляный насос
        • Теплообменник /Водо-масляный радиатор
        • Фильтры масляные (ФГОМ, ФЦОМ)
      • Пневмокомпрессор и натяжное
      • Система охлаждения  
        • Водяной насос
        • Водяные трубы и патрубки
        • Муфты вязкостные, приводы, крыльчатки
      • Ремкомплекты
      • Сцепление
      • Электрооборудование
    • Запчасти ЯМЗ-650, ЯМЗ-651, DCi-11  
      • Основные запчасти двигателя  
        • Цилиндро-поршневая группа
        • Головка блока цилиндров и комплектующие
        • Блок цилиндров и комплектующие
        • Вал коленчатый и маховик
        • Выпускной коллектор
        • Вал распределительный
        • Клапаны и толкатели
        • ГУР (Гидроусилитель руля)
        • Система рециркуляции отработавших газов
      • Система питания  
        • Коллекторы и патрубки
        • Топливные трубопроводы
        • Топливные фильтры
        • Турбокомпрессор
      • Система смазки  
        • Масляный картер / поддон
        • Масляный насос
        • Теплообменник / Водо-масляный радиатор
        • Фильтры масляные (ФГОМ, ФЦОМ)
      • Система охлаждения  
        • Водяной насос
        • Водяные трубы и патрубки
        • Муфты вязкостные, приводы, крыльчатки
      • Ремкомплекты
      • Пневмокомпрессор и натяжное
      • Электрооборудование
      • Сцепление
    • Топливная аппаратура  
      • ЯЗДА  
        • Распылители
        • ТНВД
        • Форсунки
        • Топливный насос низкого давления
        • Пары плунжерные
        • Муфта опережения впрыска топлива
        • Запчасти и комплектующие ТНВД
      • НЗТА
      • АЗПИ  
        • Распылители
        • Форсунки
      • BOSCH
    • Запчасти УРАЛ  
      • Трансмиссия  
        • Коробка раздаточная
        • Передача карданная
        • Мост задний
        • Мост передний (ведущий)
        • Мост средний (промежуточный)
      • Кузов  
        • Дверь кабины
        • Капот, крылья, облицовка радиатора
        • Окно ветровое и заднее
        • Отопление и вентиляция кабины
        • Кабина
      • Механизмы управления  
        • Управление рулевое
        • Тормоза
      • Дополнительное оборудование  
        • Отбор мощности
        • Устройство седельное
      • Электрооборудование
      • Ходовая часть  
        • Колеса и ступицы
        • Ось передняя
        • Подвеска автомобиля
        • Рама
    • Запчасти МАЗ  
      • Трансмиссия  
        • Мост задний
        • Мост передний (ведущий)
        • Передача карданная
        • Мост средний (промежуточный)
      • Кузов  
        • Кабина
        • Дверь кабины
        • Детали основания кабины
        • Окно ветровое и заднее
        • Платформа
      • Механизмы управления  
        • Тормоза
        • Управление рулевое
      • Ходовая часть  
        • Колеса и ступицы
        • Ось передняя
        • Подвеска автомобиля
        • Рама
    • Запчасти КамАЗ  
      • Кузов  
        • Кабина
        • Капот, крылья, облицовка радиатора
        • Дверь кабины
        • Платформа
        • Окно ветровое и заднее
        • Устройство подъемное и опрокидывающее
        • Сиденье
        • Крыша кабины (крыша кузова)
        • Отопление и вентиляция кабины
      • Трансмиссия  
        • Коробка передач
        • Коробка раздаточная
        • Мост задний
        • Сцепление
        • Мост средний (промежуточный)
        • Передача карданная
        • Мост передний (ведущий)
      • Двигатель  
        • Основные запчасти двигателя
        • Система охлаждения
        • Система питания
        • Система смазки
      • Дополнительное оборудование  
        • Отбор мощности
        • Устройство седельное
      • Ходовая часть  
        • Подвеска автомобиля
        • Рама
        • Колеса и ступицы
        • Ось передняя
      • Механизмы управления  
        • Тормоза
        • Управление рулевое
      • Электрооборудование
    • Запчасти ММЗ
    • Ремни
  • Справочник
    • Грузовые автомобили
    • Автобусы
    • Сельхозтехника
    • Спецтехника
    • Двигатели
  • Как купить
    • Условия оплаты
    • Условия доставки
    • Гарантия на товар
    • Пункты выдачи
  • Услуги
    • Капитальный ремонт двигателей ЯМЗ
  • Акции
  • Статьи
  • Контакты
  • Компания
    • Реквизиты
    • Магазины
    • Оплата
    • Доставка
    • Лицензии и сертификаты
    • Новости
    • Вакансии
Избранное 0 Корзина 0
8-800-700-35-68

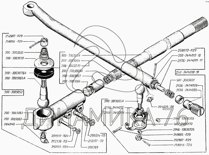
Тяги рулевые на КрАЗ-250

Справочник
Главная
-
Автокаталог
-
Грузовые автомобили и прицепы
-
КрАЗ
-
КрАЗ-250
Справочный каталог

Тяги рулевые — КрАЗ-250:

200-3003030 200-3003062 200-3003063 200-3003065А 200-3003065А 200-3003066 200-3003067 200-3003068 200-3003069А 200-3003070 200-3003078А 200-3003079 200369 201510-П29 214Б-1303032-Б 214Б-1303033-Б 250-3414010-10 250-3414012-10 250512-П29 250514-П29 250907-П29 250907-П29 252136-П2 252137-П2 255Б-3414019-10 255Б-3414019-10 255Б-3414022 255Б-3414026 255Б-3414075 256Б-3405178 258056-П29 258056-П29 258073-П29 264020-П8 264040 349005-П29 500-3003052 500-3003054 501-3003021 503-3405172
в наличии
нет в наличии
масштаб

В наличии
Нет в наличии

Перечень комплектующих от Тяги рулевые на КрАЗ-250

Схемы запчастей предназначены для справочных целей! Мы продаем не все запчасти от Тяги рулевые на КрАЗ-250, представленные в этом списке.
Наличие на складах по деталям с ценой смотрите в карточке товара.
Артикул: 200-3003030
нет в наличии
Пружина сальника опорная
Количество на схеме: 2
Информация
Пружина сальника опорная
Количество
2
Модель
200
Группа
Тяги рулевые. Оси передняя и задняя
Подгруппа
Тяги рулевые
Порядковый номер детали
030
Артикул: 200-3003062
нет в наличии
Наконечник тяги правый
Количество на схеме: 1
Информация
Наконечник тяги правый
Количество
1
Модель
200
Группа
Тяги рулевые. Оси передняя и задняя
Подгруппа
Тяги рулевые
Порядковый номер детали
062
Артикул: 200-3003063
нет в наличии
Наконечник тяги левый
Количество на схеме: 1
Информация
Наконечник тяги левый
Количество
1
Модель
200
Группа
Тяги рулевые. Оси передняя и задняя
Подгруппа
Тяги рулевые
Порядковый номер детали
063
Артикул: 200-3003065А
нет в наличии
Палец шаровой
Количество на схеме: 3
Информация
Палец шаровой
Количество
3
Модель
200
Группа
Тяги рулевые. Оси передняя и задняя
Подгруппа
Тяги рулевые
Порядковый номер детали
065
Артикул: 200-3003066
в наличии
Сухарь пальца малый
Количество на схеме: 2
Информация
Сухарь пальца малый
Количество
2
Модель
200
Группа
Тяги рулевые. Оси передняя и задняя
Подгруппа
Тяги рулевые
Порядковый номер детали
066
Вкладыш КРАЗ,МАЗ тяги рулевой правый (малый) БААЗ
Артикул: 200-3003066
Вкладыш КРАЗ,МАЗ тяги рулевой правый (малый) БААЗ
Код для заказа: 00025698
Цена: 265 ₽/шт.
Под заказ
Вкладыш КРАЗ,МАЗ тяги рулевой правый (малый) БААЗ
Артикул: 200-3003066
Код для заказа: 00025698
Вкладыш КРАЗ,МАЗ тяги рулевой правый (малый) БААЗ
Цена: 265 ₽/шт.
Под заказ
Артикул: 200-3003067
в наличии
Сухарь пальца большой
Количество на схеме: 2
Информация
Сухарь пальца большой
Количество
2
Модель
200
Группа
Тяги рулевые. Оси передняя и задняя
Подгруппа
Тяги рулевые
Порядковый номер детали
067
Вкладыш КРАЗ,МАЗ тяги рулевой левый (большой) БААЗ
Артикул: 200-3003067
Вкладыш КРАЗ,МАЗ тяги рулевой левый (большой) БААЗ
Код для заказа: 00025697
Цена: 288 ₽/шт.
Под заказ
Вкладыш КРАЗ,МАЗ тяги рулевой левый (большой) БААЗ
Артикул: 200-3003067
Код для заказа: 00025697
Вкладыш КРАЗ,МАЗ тяги рулевой левый (большой) БААЗ
Цена: 288 ₽/шт.
Под заказ
Артикул: 200-3003068
нет в наличии
Пята опорная
Количество на схеме: 1
Информация
Пята опорная
Количество
1
Модель
200
Группа
Тяги рулевые. Оси передняя и задняя
Подгруппа
Тяги рулевые
Порядковый номер детали
068
Артикул: 200-3003069А
нет в наличии
Пружина
Количество на схеме: 2
Информация
Пружина
Количество
2
Модель
200
Группа
Тяги рулевые. Оси передняя и задняя
Подгруппа
Тяги рулевые
Порядковый номер детали
069
Артикул: 200-3003070
нет в наличии
Пята опорная
Количество на схеме: 1
Информация
Пята опорная
Количество
1
Модель
200
Группа
Тяги рулевые. Оси передняя и задняя
Подгруппа
Тяги рулевые
Порядковый номер детали
070
Артикул: 200-3003078А
нет в наличии
Сальник
Количество на схеме: 2
Информация
Сальник
Количество
2
Модель
200
Группа
Тяги рулевые. Оси передняя и задняя
Подгруппа
Тяги рулевые
Порядковый номер детали
078
Артикул: 200-3003079
нет в наличии
Обойма сальника
Количество на схеме: 2
Информация
Обойма сальника
Количество
2
Модель
200
Группа
Тяги рулевые. Оси передняя и задняя
Подгруппа
Тяги рулевые
Порядковый номер детали
079
Артикул: 200369
нет в наличии
Болт
Количество на схеме: 4
Информация
Болт
Количество
4
Покрытие
без покрытия
Артикул: 201510-П29
нет в наличии
Болт М10х85
Количество на схеме: 2
Информация
Болт М10х85
Количество
2
Покрытие
цинкование и пассивирование (цинковое с хроматированием)
Артикул: 214Б-1303032-Б
нет в наличии
Сухарь
Количество на схеме: 1
Информация
Сухарь
Количество
1
Модель
214Б
Группа
Система охлаждения
Подгруппа
Трубопроводы и шланги системы охлаждения
Порядковый номер детали
032
Артикул: 214Б-1303033-Б
нет в наличии
Сухарь упорный
Количество на схеме: 1
Информация
Сухарь упорный
Количество
1
Модель
214Б
Группа
Система охлаждения
Подгруппа
Трубопроводы и шланги системы охлаждения
Порядковый номер детали
033
Артикул: 250-3414010-10
нет в наличии
Тяга продольная рулевая в сборе
Количество на схеме: 1
Информация
Тяга продольная рулевая в сборе
Количество
1
Модель
250
Группа
Управление рулевое
Подгруппа
Тяги рулевые
Порядковый номер детали
010
Дополнительно
Не взаимозаменяема с деталью, выпущенной ранее под этим же номером
Артикул: 250-3414012-10
нет в наличии
Труба продольной рулевой тяги с наконечником
Информация
Труба продольной рулевой тяги с наконечником
Группа
Управление рулевое
Подгруппа
Тяги рулевые
Порядковый номер детали
012
Дополнительно
Не взаимозаменяема с деталью, выпущенной ранее под этим же номером
Артикул: 250512-П29
в наличии
Гайка М10х1,5
Количество на схеме: 2
Информация
Гайка М10х1,5
Количество
2
Покрытие
цинкование и пассивирование (цинковое с хроматированием)
Гайка М10х1.5х8 ГАЗ-2410,3110,УРАЛ под ключ 17мм облиц.радиатора, топл.бака, ГЦС, РЦС
Артикул: 250512-П29
Гайка М10х1.5х8 ГАЗ-2410,3110,УРАЛ под ключ 17мм облиц.радиатора, топл.бака, ГЦС, РЦС
Код для заказа: 00008044
Цена: 20 ₽/шт.
Под заказ
Гайка М10х1.5х8 ГАЗ-2410,3110,УРАЛ под ключ 17мм облиц.радиатора, топл.бака, ГЦС, РЦС
Артикул: 250512-П29
Код для заказа: 00008044
Гайка М10х1.5х8 ГАЗ-2410,3110,УРАЛ под ключ 17мм облиц.радиатора, топл.бака, ГЦС, РЦС
Цена: 20 ₽/шт.
Под заказ
Артикул: 250514-П29
нет в наличии
Гайка М12х1,75
Количество на схеме: 4
Информация
Гайка М12х1,75
Количество
4
Покрытие
цинкование и пассивирование (цинковое с хроматированием)
Артикул: 250907-П29
в наличии
Гайка М18х1,5
Количество на схеме: 3
Информация
Гайка М18х1,5
Количество
3
Покрытие
цинкование и пассивирование (цинковое с хроматированием)
Гайка М18х1.5 МАЗ,КРАЗ опоры двигателя,рулевого пальца MEGAPOWER
Артикул: 250907-П29
Гайка М18х1.5 МАЗ,КРАЗ опоры двигателя,рулевого пальца MEGAPOWER
Код для заказа: 00027520
Цена: 66 ₽/шт.
Под заказ
Гайка М18х1.5 МАЗ,КРАЗ опоры двигателя,рулевого пальца MEGAPOWER
Артикул: 250907-П29
Код для заказа: 00027520
Гайка М18х1.5 МАЗ,КРАЗ опоры двигателя,рулевого пальца MEGAPOWER
Цена: 66 ₽/шт.
Под заказ
Артикул: 252136-П2
в наличии
Шайба 10 пружинная
Количество на схеме: 2
Информация
Шайба 10 пружинная
Количество
2
Покрытие
фосфатирование и промасливание
Шайба 10.2х2.5 пружинная цинк ЭТНА
Артикул: 252136-П2
Шайба 10.2х2.5 пружинная цинк ЭТНА
Код для заказа: 00062958
Цена: 10 ₽/шт.
Под заказ
Шайба 10.2х2.5 пружинная цинк ЭТНА
Артикул: 252136-П2
Код для заказа: 00062958
Шайба 10.2х2.5 пружинная цинк ЭТНА
Цена: 10 ₽/шт.
Под заказ
Шайба гроверная 17,1х10,1х3,5
Артикул: 252136-П2
Шайба гроверная 17,1х10,1х3,5
Код для заказа: 00006018
Цена: 10 ₽/шт.
Под заказ
Шайба гроверная 17,1х10,1х3,5
Артикул: 252136-П2
Код для заказа: 00006018
Шайба гроверная 17,1х10,1х3,5
Цена: 10 ₽/шт.
Под заказ
Артикул: 252137-П2
в наличии
Шайба 12 пружинная
Количество на схеме: 4
Информация
Шайба 12 пружинная
Количество
4
Покрытие
фосфатирование и промасливание
ШАЙБА 12Х4 (ЯМЗ)
Артикул: 252137-П2
ШАЙБА 12Х4 (ЯМЗ)
Код для заказа: 00006019
Цена: 14 ₽/шт.
Под заказ
ШАЙБА 12Х4 (ЯМЗ)
Артикул: 252137-П2
Код для заказа: 00006019
ШАЙБА 12Х4 (ЯМЗ)
Цена: 14 ₽/шт.
Под заказ
Артикул: 255Б-3414019-10
нет в наличии
Ограничитель хода
Количество на схеме: 1
Информация
Ограничитель хода
Количество
1
Модель
255Б
Группа
Управление рулевое
Подгруппа
Тяги рулевые
Порядковый номер детали
019
Дополнительно
Не взаимозаменяема с деталью, выпущенной ранее под этим же номером
Артикул: 255Б-3414019-10
нет в наличии
Ограничитель хода
Количество на схеме: 1
Информация
Ограничитель хода
Количество
1
Модель
255Б
Группа
Управление рулевое
Подгруппа
Тяги рулевые
Порядковый номер детали
019
Дополнительно
Не взаимозаменяема с деталью, выпущенной ранее под этим же номером
Артикул: 255Б-3414022
нет в наличии
Сухарь
Количество на схеме: 2
Информация
Сухарь
Количество
2
Модель
255Б
Группа
Управление рулевое
Подгруппа
Тяги рулевые
Порядковый номер детали
022
Артикул: 255Б-3414026
нет в наличии
Пробка
Количество на схеме: 1
Информация
Пробка
Количество
1
Модель
255Б
Группа
Управление рулевое
Подгруппа
Тяги рулевые
Порядковый номер детали
026
Артикул: 255Б-3414075
нет в наличии
Обойма
Количество на схеме: 1
Информация
Обойма
Количество
1
Модель
255Б
Группа
Управление рулевое
Подгруппа
Тяги рулевые
Порядковый номер детали
075
Артикул: 256Б-3405178
нет в наличии
Уплотнитель
Количество на схеме: 1
Информация
Уплотнитель
Количество
1
Модель
256Б
Группа
Управление рулевое
Подгруппа
Цилиндр силовой гидроусилителя
Порядковый номер детали
178
Артикул: 258056-П29
нет в наличии
Шплинт разводной 4х40
Количество на схеме: 3
Информация
Шплинт разводной 4х40
Количество
3
Покрытие
цинкование и пассивирование (цинковое с хроматированием)
Артикул: 258073-П29
нет в наличии
Шплинт разводной 5х50
Количество на схеме: 1
Информация
Шплинт разводной 5х50
Количество
1
Покрытие
цинкование и пассивирование (цинковое с хроматированием)
Артикул: 264020-П8
нет в наличии
Пресс-масленка 1/8"
Количество на схеме: 1
Информация
Пресс-масленка 1/8"
Количество
1
Покрытие
цинкование
Артикул: 264040
нет в наличии
Масленка 1/8"
Количество на схеме: 2
Информация
Масленка 1/8"
Количество
2
Покрытие
без покрытия
Артикул: 349005-П29
нет в наличии
Винт М5х48
Количество на схеме: 1
Информация
Винт М5х48
Количество
1
Покрытие
цинкование и пассивирование (цинковое с хроматированием)
Артикул: 500-3003052
в наличии
Тяга рулевой трапеции в сборе
Количество на схеме: 1
Информация
Тяга рулевой трапеции в сборе
Количество
1
Модель
500
Группа
Тяги рулевые. Оси передняя и задняя
Подгруппа
Тяги рулевые
Порядковый номер детали
052
Тяга рулевая КРАЗ-250,256 МАЗ-500 поперечная в сборе L=1470
Артикул: 500-3003052
Тяга рулевая КРАЗ-250,256 МАЗ-500 поперечная в сборе L=1470
Код для заказа: 00059435
Цена: 14 760 ₽/шт.
Под заказ
Тяга рулевая КРАЗ-250,256 МАЗ-500 поперечная в сборе L=1470
Артикул: 500-3003052
Код для заказа: 00059435
Тяга рулевая КРАЗ-250,256 МАЗ-500 поперечная в сборе L=1470
Цена: 14 760 ₽/шт.
Под заказ
Артикул: 500-3003054
нет в наличии
Тяга
Количество на схеме: 1
Информация
Тяга
Количество
1
Модель
500
Группа
Тяги рулевые. Оси передняя и задняя
Подгруппа
Тяги рулевые
Порядковый номер детали
054
Артикул: 501-3003021
в наличии
Пружина сухарей
Количество на схеме: 1
Информация
Пружина сухарей
Количество
1
Модель
501
Группа
Тяги рулевые. Оси передняя и задняя
Подгруппа
Тяги рулевые
Порядковый номер детали
021
Пружина МАЗ продольной рулевой тяги ОАО МАЗ
Артикул: 501-3003021
Пружина МАЗ продольной рулевой тяги ОАО МАЗ
Код для заказа: 00048974
Цена: 90 ₽/шт.
Под заказ
Пружина МАЗ продольной рулевой тяги ОАО МАЗ
Артикул: 501-3003021
Код для заказа: 00048974
Пружина МАЗ продольной рулевой тяги ОАО МАЗ
Цена: 90 ₽/шт.
Под заказ
Артикул: 503-3405172
нет в наличии
Хомут уплотнителя
Количество на схеме: 1
Информация
Хомут уплотнителя
Количество
1
Модель
503
Группа
Управление рулевое
Подгруппа
Цилиндр силовой гидроусилителя
Порядковый номер детали
172
  • Грузовые автомобили
  • Автобусы
  • Сельхозтехника
  • Спецтехника
  • Двигатели
Получить оптовый прайс-лист
Скачать прайс-лист от 07.05.2026 16:00
Специальное предложение от 07.05.2026 17:00
Производители:


  • WEICHAI
  • Автодизель ПАО (ЯМЗ)
  • Тутаевский МЗ
  • ЯЗДА
  • УралАЗ
  • МАЗ
  • АЗПИ
  • BOSCH
  • ММЗ
  • ШААЗ
  • FEDERAL MOGUL
  • ПРАМО
  • Мотордеталь
  • ТАИМ
  • АвтоКрАЗ
  • БЕЛКАРД
  • CZ Strakonice
  • КамАЗ
  • БЗА
  • ЧМЗ
  • BMZ
Новости
Все новости
25 марта 2024
Флагманский седельный тягач «Валдай 45» на выставке «TransRussia»
10 марта 2024
Современные автобусы «CITYMAX 9» и ЛиАЗ-5292 CNG
25 февраля 2024
Серийное производство средних дизельных двигателей повышенной мощности от ЯМЗ
Статьи
Все статьи
Датчики двигателя: за что они отвечают, признаки неисправности и как не прогадать с выбором
Двигатели ЯМЗ-534: история, технические характеристики и области применения
Двигатели ЯМЗ 650: углублённый технический обзор и история
Компания
О компании
Реквизиты
Новости
Политика
Магазины
Информация
Условия оплаты
Условия доставки
Гарантия на товар
Обмен и возврат товара
Помощь
Как оформить заказ
Полезные статьи
Бренды
Пункты выдачи
Оставайтесь на связи
  • Вконтакте
  • YouTube
  • Одноклассники
  • Google Plus
Увидели ошибку?
Выделите, нажав Ctrl + Enter
Наши контакты
8-800-700-35-68
sales@din76.ru
г. Ярославль, Ленинградский пр-т 33, ТЦ "ОМЕГА"
2026 © ООО «Динамика 76» - Все права защищены ООО "Динамика 76"
Предложения на сайте не являются публичной офертой.
На сайте обнаружена ошибка

Текст с ошибкой