Избранное 0 Корзина 0 Личный кабинет
logo
Каталог
Каталог
  • Справочник
    • Грузовые автомобили
    • Автобусы
    • Сельхозтехника
    • Спецтехника
    • Двигатели
  • Доставка
  • Оплата
  • О компании
    • Реквизиты
    • Магазины
    • Оплата
    • Доставка
    • Лицензии и сертификаты
    • Новости
    • Вакансии
  • Контакты
Отправить заявку
Личный кабинет
8 (800) 700-35-68
sales@din76.ru
Избранное 0 Корзина 0
8 (800) 700-35-68
Оптовый прайс-лист
Каталог
  • Двигатели
  • Запчасти WEICHAI
  • Запчасти ЯМЗ, ТМЗ (V-образные)
  • Запчасти ЯМЗ-534, ЯМЗ-536
  • Запчасти ЯМЗ-650, ЯМЗ-651, DCi-11
  • Топливная аппаратура
  • Запчасти УРАЛ
  • Запчасти МАЗ
  • Запчасти КамАЗ
  • Запчасти ММЗ
  • Ремни
Автокаталог (справочник)
  • Доставка
  • Оплата
  • О компании
  • Контакты
8 (800) 700-35-68
Написать в Whatsapp
sales@din76.ru
Динамика 76
Меню  
  • Каталог
    • Двигатели  
      • Двигатели ТМЗ  
        • Двигатели ТМЗ для автомобилей
        • Двигатели ТМЗ для тракторов
        • Специальные двигатели ТМЗ
        • Промышленные двигатели ТМЗ
      • Двигатели ЯМЗ  
        • ЯМЗ 236
        • ЯМЗ 238
        • ЯМЗ 240
        • ЯМЗ 751
        • ЯМЗ 840
        • ЯМЗ 850
        • ЯМЗ 656
        • ЯМЗ 658
        • ЯМЗ 534
        • ЯМЗ 536
        • ЯМЗ 650
        • Двигатели ЯМЗ для электростанций
      • Двигатели КАМАЗ
      • Двигатели ММЗ
      • Двигатели индивидуальной сборки
      • Комплекты переоборудования
    • Запчасти WEICHAI  
      • Основные запчасти двигателя  
        • Клапаны и толкатели
        • Шатуны
        • Вал коленчатый и маховик
        • Вал распределительный
        • Цилиндро-поршневая группа
      • Система питания  
        • Форсунки
        • Турбокомпрессор
      • Система смазки  
        • Насос масляный
      • Головка блока
      • Ремкомплекты
      • Система охлаждения  
        • Насос водяной
        • Муфта вязкостная и крыльчатка
      • Фильтры
      • Электрооборудование  
        • Генератор
        • Стартер
    • Запчасти ЯМЗ, ТМЗ (V-образные)  
      • Основные запчасти двигателя  
        • Блок двигателя и комплектующие
        • Валы распределительные и клапаны
        • Головка блока и комплектующие
        • Цилиндро-поршневая группа
        • Маховики и комплектующие
        • Валы коленчатые и комплектующие
        • Шатуны и комплектующие
      • Система питания  
        • Коллекторы и патрубки
        • Топливные трубопроводы
        • Турбокомпрессор
        • Топливные фильтры
      • Электрооборудование двигателя
      • Система охлаждения  
        • Вязкостные муфты и крыльчатки
        • Приводы вентилятора
        • Водяные насосы
        • Водяные трубы и термостаты
      • Коробки переключения передач  
        • 8 Ступенчатые КПП
        • 5 Ступенчатые КПП
        • 9 Ступенчатые КПП
        • Запасные части КПП ЯМЗ, ТМЗ
      • Система смазки  
        • Теплообменник и комплектующие
        • Масляные насосы
        • Фильтры масляные (ФГОМ, ФЦОМ)
      • Сцепление  
        • Запасные части механизма сцепления
        • Муфты (подшипники выжимные)
        • Корзины (диски нажимные)
        • Диски ведомые
      • Прочие запчасти двигателя  
        • Ремкомплекты
        • Привод агрегатов
        • Натяжные устройства
        • Трубки
    • Запчасти ЯМЗ-534, ЯМЗ-536  
      • Основные запчасти двигателя  
        • Цилиндро-поршневая группа
        • Головка блока цилиндров и комплектующие
        • Блок цилиндров и комплектующие
        • Вал коленчатый и маховик
        • Вал распределительный
        • Клапаны и толкатели
        • ГУР (Гидроусилитель руля)
        • Система рециркуляции отработавших газов
        • Выпускной коллектор
      • Система питания  
        • Коллекторы и патрубки
        • Топливные фильтры
        • Турбокомпрессор
        • Топливные трубопроводы
      • Система смазки  
        • Масляный картер поддон
        • Масляный насос
        • Теплообменник /Водо-масляный радиатор
        • Фильтры масляные (ФГОМ, ФЦОМ)
      • Пневмокомпрессор и натяжное
      • Система охлаждения  
        • Водяной насос
        • Водяные трубы и патрубки
        • Муфты вязкостные, приводы, крыльчатки
      • Ремкомплекты
      • Сцепление
      • Электрооборудование
    • Запчасти ЯМЗ-650, ЯМЗ-651, DCi-11  
      • Основные запчасти двигателя  
        • Цилиндро-поршневая группа
        • Головка блока цилиндров и комплектующие
        • Блок цилиндров и комплектующие
        • Вал коленчатый и маховик
        • Выпускной коллектор
        • Вал распределительный
        • Клапаны и толкатели
        • ГУР (Гидроусилитель руля)
        • Система рециркуляции отработавших газов
      • Система питания  
        • Коллекторы и патрубки
        • Топливные трубопроводы
        • Топливные фильтры
        • Турбокомпрессор
      • Система смазки  
        • Масляный картер / поддон
        • Масляный насос
        • Теплообменник / Водо-масляный радиатор
        • Фильтры масляные (ФГОМ, ФЦОМ)
      • Система охлаждения  
        • Водяной насос
        • Водяные трубы и патрубки
        • Муфты вязкостные, приводы, крыльчатки
      • Ремкомплекты
      • Пневмокомпрессор и натяжное
      • Электрооборудование
      • Сцепление
    • Топливная аппаратура  
      • ЯЗДА  
        • Распылители
        • ТНВД
        • Форсунки
        • Топливный насос низкого давления
        • Пары плунжерные
        • Муфта опережения впрыска топлива
        • Запчасти и комплектующие ТНВД
      • НЗТА
      • АЗПИ  
        • Распылители
        • Форсунки
      • BOSCH
    • Запчасти УРАЛ  
      • Трансмиссия  
        • Коробка раздаточная
        • Передача карданная
        • Мост задний
        • Мост передний (ведущий)
        • Мост средний (промежуточный)
      • Кузов  
        • Дверь кабины
        • Капот, крылья, облицовка радиатора
        • Окно ветровое и заднее
        • Отопление и вентиляция кабины
        • Кабина
      • Механизмы управления  
        • Управление рулевое
        • Тормоза
      • Дополнительное оборудование  
        • Отбор мощности
        • Устройство седельное
      • Электрооборудование
      • Ходовая часть  
        • Колеса и ступицы
        • Ось передняя
        • Подвеска автомобиля
        • Рама
    • Запчасти МАЗ  
      • Трансмиссия  
        • Мост задний
        • Мост передний (ведущий)
        • Передача карданная
        • Мост средний (промежуточный)
      • Кузов  
        • Кабина
        • Дверь кабины
        • Детали основания кабины
        • Окно ветровое и заднее
        • Платформа
      • Механизмы управления  
        • Тормоза
        • Управление рулевое
      • Ходовая часть  
        • Колеса и ступицы
        • Ось передняя
        • Подвеска автомобиля
        • Рама
    • Запчасти КамАЗ  
      • Кузов  
        • Кабина
        • Капот, крылья, облицовка радиатора
        • Дверь кабины
        • Платформа
        • Окно ветровое и заднее
        • Устройство подъемное и опрокидывающее
        • Сиденье
        • Крыша кабины (крыша кузова)
        • Отопление и вентиляция кабины
      • Трансмиссия  
        • Коробка передач
        • Коробка раздаточная
        • Мост задний
        • Сцепление
        • Мост средний (промежуточный)
        • Передача карданная
        • Мост передний (ведущий)
      • Двигатель  
        • Основные запчасти двигателя
        • Система охлаждения
        • Система питания
        • Система смазки
      • Дополнительное оборудование  
        • Отбор мощности
        • Устройство седельное
      • Ходовая часть  
        • Подвеска автомобиля
        • Рама
        • Колеса и ступицы
        • Ось передняя
      • Механизмы управления  
        • Тормоза
        • Управление рулевое
      • Электрооборудование
    • Запчасти ММЗ
    • Ремни
  • Справочник
    • Грузовые автомобили
    • Автобусы
    • Сельхозтехника
    • Спецтехника
    • Двигатели
  • Как купить
    • Условия оплаты
    • Условия доставки
    • Гарантия на товар
    • Пункты выдачи
  • Услуги
    • Капитальный ремонт двигателей ЯМЗ
  • Акции
  • Статьи
  • Контакты
  • Компания
    • Реквизиты
    • Магазины
    • Оплата
    • Доставка
    • Лицензии и сертификаты
    • Новости
    • Вакансии
Избранное 0 Корзина 0
8-800-700-35-68

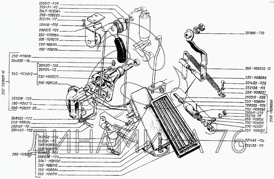
Привод управления подачей топлива на КрАЗ-250

Справочник
Главная
-
Автокаталог
-
Грузовые автомобили и прицепы
-
КрАЗ
-
КрАЗ-250
Справочный каталог

Привод управления подачей топлива — КрАЗ-250:

201418-П29 201420-П29 201456-П29 201456-П29 201495-П29 204Т-1108020 206-1108279 221605-П29 250-1108005 250-1108006 250-1108007 250-1108010 250-1108011-10 250-1108012 250-1108015-20 250-1108016 250-1108025 250-1108026 250-1108032-10 250-1108034 250-1108036 250-1108037 250-1108050 250-1108051 250-1108056 250-1108058 250-1108059 250-1108060 250-1108061 250-1108081 250-1108124 250-1108128 250-1108134 250-1108270 250-1108288 250-1108295 250508-П29 250510-П29 250511-П29 250615-П29 250615-П29 252018-П29 252134-П2 252134-П2 252134-П2 252135-П2 252135-П2 252135-П2 252136-П2 252137-П2 256Т-1108284 258025-П29 258025-П29 258025-П29 258025-П29 258039-П29 264020-П8
в наличии
нет в наличии
масштаб

В наличии
Нет в наличии

Перечень комплектующих от Привод управления подачей топлива на КрАЗ-250

Схемы запчастей предназначены для справочных целей! Мы продаем не все запчасти от Привод управления подачей топлива на КрАЗ-250, представленные в этом списке.
Наличие на складах по деталям с ценой смотрите в карточке товара.
Артикул: 201418-П29
нет в наличии
Болт М6х1х16
Количество на схеме: 2
Информация
Болт М6х1х16
Количество
2
Покрытие
цинкование и пассивирование (цинковое с хроматированием)
Артикул: 201420-П29
нет в наличии
Болт М6х1х20
Количество на схеме: 3
Информация
Болт М6х1х20
Количество
3
Покрытие
цинкование и пассивирование (цинковое с хроматированием)
Артикул: 201456-П29
в наличии
Болт М8х1,25х20
Количество на схеме: 5
Информация
Болт М8х1,25х20
Количество
5
Покрытие
цинкование и пассивирование (цинковое с хроматированием)
Болт М8х1.25х20(ЯМЗ)
Артикул: 201456-П29
Болт М8х1.25х20(ЯМЗ)
Код для заказа: 00005974
Цена: 8 ₽/шт.
Под заказ
Болт М8х1.25х20(ЯМЗ)
Артикул: 201456-П29
Код для заказа: 00005974
Болт М8х1.25х20(ЯМЗ)
Цена: 8 ₽/шт.
Под заказ
Артикул: 201495-П29
в наличии
Болт М10х1,5х20
Количество на схеме: 1
Информация
Болт М10х1,5х20
Количество
1
Покрытие
цинкование и пассивирование (цинковое с хроматированием)
Болт М10х1.5х20 ГАЗ-3302 ремня безопасности, бака топливного ЭТНА
Артикул: 201495-П29
Болт М10х1.5х20 ГАЗ-3302 ремня безопасности, бака топливного ЭТНА
Код для заказа: 00022506
Цена: 13 ₽/шт.
Под заказ
Болт М10х1.5х20 ГАЗ-3302 ремня безопасности, бака топливного ЭТНА
Артикул: 201495-П29
Код для заказа: 00022506
Болт М10х1.5х20 ГАЗ-3302 ремня безопасности, бака топливного ЭТНА
Цена: 13 ₽/шт.
Под заказ
Артикул: 204Т-1108020
нет в наличии
Ось педали
Количество на схеме: 1
Информация
Ось педали
Количество
1
Модель
204Т
Группа
Cистема питания двигателя
Подгруппа
Управление карбюратором (акселератор - управление подачей топлива)
Порядковый номер детали
020
Артикул: 206-1108279
нет в наличии
Шайба фрикционная асбестовая
Количество на схеме: 2
Информация
Шайба фрикционная асбестовая
Количество
2
Модель
206
Группа
Cистема питания двигателя
Подгруппа
Управление карбюратором (акселератор - управление подачей топлива)
Порядковый номер детали
279
Артикул: 221605-П29
нет в наличии
Винт М6х1х16
Количество на схеме: 2
Информация
Винт М6х1х16
Количество
2
Покрытие
цинкование и пассивирование (цинковое с хроматированием)
Артикул: 250-1108005
нет в наличии
Педаль управления подачей топлива с кронштейном в сборе
Количество на схеме: 1
Информация
Педаль управления подачей топлива с кронштейном в сборе
Количество
1
Модель
250
Группа
Cистема питания двигателя
Подгруппа
Управление карбюратором (акселератор - управление подачей топлива)
Порядковый номер детали
005
Артикул: 250-1108006
нет в наличии
Пластина педали
Количество на схеме: 1
Информация
Пластина педали
Количество
1
Модель
250
Группа
Cистема питания двигателя
Подгруппа
Управление карбюратором (акселератор - управление подачей топлива)
Порядковый номер детали
006
Артикул: 250-1108007
нет в наличии
Пластина поддерживающая
Количество на схеме: 1
Информация
Пластина поддерживающая
Количество
1
Модель
250
Группа
Cистема питания двигателя
Подгруппа
Управление карбюратором (акселератор - управление подачей топлива)
Порядковый номер детали
007
Артикул: 250-1108010
нет в наличии
Педаль управления подачей топлива
Количество на схеме: 1
Информация
Педаль управления подачей топлива
Количество
1
Модель
250
Группа
Cистема питания двигателя
Подгруппа
Управление карбюратором (акселератор - управление подачей топлива)
Порядковый номер детали
010
Артикул: 250-1108011-10
нет в наличии
Рычаг управления подачи топлива
Количество на схеме: 1
Информация
Рычаг управления подачи топлива
Количество
1
Модель
250
Группа
Cистема питания двигателя
Подгруппа
Управление карбюратором (акселератор - управление подачей топлива)
Порядковый номер детали
011
Дополнительно
Не взаимозаменяема с деталью, выпущенной ранее под этим же номером
Артикул: 250-1108012
нет в наличии
Кронштейн педали управления подачей топлива в сборе
Количество на схеме: 1
Информация
Кронштейн педали управления подачей топлива в сборе
Количество
1
Модель
250
Группа
Cистема питания двигателя
Подгруппа
Управление карбюратором (акселератор - управление подачей топлива)
Порядковый номер детали
012
Артикул: 250-1108015-20
нет в наличии
Рычаг педали
Количество на схеме: 1
Информация
Рычаг педали
Количество
1
Модель
250
Группа
Cистема питания двигателя
Подгруппа
Управление карбюратором (акселератор - управление подачей топлива)
Порядковый номер детали
015
Дополнительно
Не взаимозаменяема с деталью, выпущенной ранее под этим же номером
Артикул: 250-1108016
нет в наличии
Подушка педали резиновая
Количество на схеме: 1
Информация
Подушка педали резиновая
Количество
1
Модель
250
Группа
Cистема питания двигателя
Подгруппа
Управление карбюратором (акселератор - управление подачей топлива)
Порядковый номер детали
016
Артикул: 250-1108025
нет в наличии
Корпус кронштейна педали управления подачей топлива
Количество на схеме: 1
Информация
Корпус кронштейна педали управления подачей топлива
Количество
1
Модель
250
Группа
Cистема питания двигателя
Подгруппа
Управление карбюратором (акселератор - управление подачей топлива)
Порядковый номер детали
025
Артикул: 250-1108026
нет в наличии
Крышка корпуса кронштейна педали
Количество на схеме: 1
Информация
Крышка корпуса кронштейна педали
Количество
1
Модель
250
Группа
Cистема питания двигателя
Подгруппа
Управление карбюратором (акселератор - управление подачей топлива)
Порядковый номер детали
026
Артикул: 250-1108032-10
нет в наличии
Рычаг
Количество на схеме: 1
Информация
Рычаг
Количество
1
Модель
250
Группа
Cистема питания двигателя
Подгруппа
Управление карбюратором (акселератор - управление подачей топлива)
Порядковый номер детали
032
Дополнительно
Не взаимозаменяема с деталью, выпущенной ранее под этим же номером
Артикул: 250-1108034
нет в наличии
Кронштейн педали
Количество на схеме: 1
Информация
Кронштейн педали
Количество
1
Модель
250
Группа
Cистема питания двигателя
Подгруппа
Управление карбюратором (акселератор - управление подачей топлива)
Порядковый номер детали
034
Артикул: 250-1108036
нет в наличии
Пружина возвратная
Количество на схеме: 1
Информация
Пружина возвратная
Количество
1
Модель
250
Группа
Cистема питания двигателя
Подгруппа
Управление карбюратором (акселератор - управление подачей топлива)
Порядковый номер детали
036
Артикул: 250-1108037
нет в наличии
Кронштейн возвратной пружины
Количество на схеме: 1
Информация
Кронштейн возвратной пружины
Количество
1
Модель
250
Группа
Cистема питания двигателя
Подгруппа
Управление карбюратором (акселератор - управление подачей топлива)
Порядковый номер детали
037
Артикул: 250-1108050
нет в наличии
Тяга в сборе
Количество на схеме: 1
Информация
Тяга в сборе
Количество
1
Модель
250
Группа
Cистема питания двигателя
Подгруппа
Управление карбюратором (акселератор - управление подачей топлива)
Порядковый номер детали
050
Артикул: 250-1108051
нет в наличии
Тяга
Количество на схеме: 1
Информация
Тяга
Количество
1
Модель
250
Группа
Cистема питания двигателя
Подгруппа
Управление карбюратором (акселератор - управление подачей топлива)
Порядковый номер детали
051
Артикул: 250-1108056
нет в наличии
Наконечник тяги
Количество на схеме: 2
Информация
Наконечник тяги
Количество
2
Модель
250
Группа
Cистема питания двигателя
Подгруппа
Управление карбюратором (акселератор - управление подачей топлива)
Порядковый номер детали
056
Артикул: 250-1108058
нет в наличии
Пружина наконечника тяги рычага управления подачей топлива
Количество на схеме: 2
Информация
Пружина наконечника тяги рычага управления подачей топлива
Количество
2
Модель
250
Группа
Cистема питания двигателя
Подгруппа
Управление карбюратором (акселератор - управление подачей топлива)
Порядковый номер детали
058
Артикул: 250-1108059
нет в наличии
Сухарь наконечника тяги рычага управления подачей топлива
Количество на схеме: 2
Информация
Сухарь наконечника тяги рычага управления подачей топлива
Количество
2
Модель
250
Группа
Cистема питания двигателя
Подгруппа
Управление карбюратором (акселератор - управление подачей топлива)
Порядковый номер детали
059
Артикул: 250-1108060
нет в наличии
Пробка наконечника тяги рычага управления подачей топлива
Количество на схеме: 2
Информация
Пробка наконечника тяги рычага управления подачей топлива
Количество
2
Модель
250
Группа
Cистема питания двигателя
Подгруппа
Управление карбюратором (акселератор - управление подачей топлива)
Порядковый номер детали
060
Артикул: 250-1108061
нет в наличии
Палец
Количество на схеме: 2
Информация
Палец
Количество
2
Модель
250
Группа
Cистема питания двигателя
Подгруппа
Управление карбюратором (акселератор - управление подачей топлива)
Порядковый номер детали
061
Артикул: 250-1108081
нет в наличии
Втулка распорная
Количество на схеме: 1
Информация
Втулка распорная
Количество
1
Модель
250
Группа
Cистема питания двигателя
Подгруппа
Управление карбюратором (акселератор - управление подачей топлива)
Порядковый номер детали
081
Артикул: 250-1108124
нет в наличии
Ручка тяги рычага ручного управления подачей топлива
Количество на схеме: 1
Информация
Ручка тяги рычага ручного управления подачей топлива
Количество
1
Модель
250
Группа
Cистема питания двигателя
Подгруппа
Управление карбюратором (акселератор - управление подачей топлива)
Порядковый номер детали
124
Артикул: 250-1108128
нет в наличии
Тяга рычага ручного управления подачей топлива
Количество на схеме: 1
Информация
Тяга рычага ручного управления подачей топлива
Количество
1
Модель
250
Группа
Cистема питания двигателя
Подгруппа
Управление карбюратором (акселератор - управление подачей топлива)
Порядковый номер детали
128
Артикул: 250-1108134
нет в наличии
Прокладка корпуса педали
Количество на схеме: 1
Информация
Прокладка корпуса педали
Количество
1
Модель
250
Группа
Cистема питания двигателя
Подгруппа
Управление карбюратором (акселератор - управление подачей топлива)
Порядковый номер детали
134
Артикул: 250-1108270
нет в наличии
Рычаг
Количество на схеме: 1
Информация
Рычаг
Количество
1
Модель
250
Группа
Cистема питания двигателя
Подгруппа
Управление карбюратором (акселератор - управление подачей топлива)
Порядковый номер детали
270
Артикул: 250-1108288
нет в наличии
Кронштейн ручки тяги рычага ручного управления подачей топлива
Количество на схеме: 1
Информация
Кронштейн ручки тяги рычага ручного управления подачей топлива
Количество
1
Модель
250
Группа
Cистема питания двигателя
Подгруппа
Управление карбюратором (акселератор - управление подачей топлива)
Порядковый номер детали
288
Артикул: 250-1108295
нет в наличии
Усилитель кронштейна
Количество на схеме: 1
Информация
Усилитель кронштейна
Количество
1
Модель
250
Группа
Cистема питания двигателя
Подгруппа
Управление карбюратором (акселератор - управление подачей топлива)
Порядковый номер детали
295
Артикул: 250508-П29
в наличии
Гайка М6-6Н
Количество на схеме: 2
Информация
Гайка М6-6Н
Количество
2
Покрытие
цинкование и пассивирование (цинковое с хроматированием)
ГАЙКА М6-6Н.6.16 (ЯМЗ)
Артикул: 250508-П29
ГАЙКА М6-6Н.6.16 (ЯМЗ)
Код для заказа: 00006006
Цена: 13 ₽/шт.
Под заказ
ГАЙКА М6-6Н.6.16 (ЯМЗ)
Артикул: 250508-П29
Код для заказа: 00006006
ГАЙКА М6-6Н.6.16 (ЯМЗ)
Цена: 13 ₽/шт.
Под заказ
Артикул: 250510-П29
нет в наличии
Гайка М8
Количество на схеме: 2
Информация
Гайка М8
Количество
2
Покрытие
цинкование и пассивирование (цинковое с хроматированием)
Артикул: 250511-П29
в наличии
Гайка М8х1
Количество на схеме: 2
Информация
Гайка М8х1
Количество
2
Покрытие
цинкование и пассивирование (цинковое с хроматированием)
Гайка М8х1.0х6 ЗИЛ,ГАЗ многоцелевая ЭТНА
Артикул: 250511-П29
Гайка М8х1.0х6 ЗИЛ,ГАЗ многоцелевая ЭТНА
Код для заказа: 00027674
Цена: 4 ₽/шт.
Под заказ
Гайка М8х1.0х6 ЗИЛ,ГАЗ многоцелевая ЭТНА
Артикул: 250511-П29
Код для заказа: 00027674
Гайка М8х1.0х6 ЗИЛ,ГАЗ многоцелевая ЭТНА
Цена: 4 ₽/шт.
Под заказ
Артикул: 250615-П29
нет в наличии
Гайка М12х1,25
Информация
Гайка М12х1,25
Артикул: 252018-П29
нет в наличии
Шайба 19
Количество на схеме: 1
Информация
Шайба 19
Количество
1
Покрытие
цинкование и пассивирование (цинковое с хроматированием)
Артикул: 252134-П2
в наличии
Шайба 6 пружинная
Количество на схеме: 7
Информация
Шайба 6 пружинная
Количество
7
Покрытие
фосфатирование и промасливание
ШАЙБА 6Х2 (ЯМЗ)
Артикул: 252134-П2
ШАЙБА 6Х2 (ЯМЗ)
Код для заказа: 00006016
Цена: 3 ₽/шт.
Под заказ
ШАЙБА 6Х2 (ЯМЗ)
Артикул: 252134-П2
Код для заказа: 00006016
ШАЙБА 6Х2 (ЯМЗ)
Цена: 3 ₽/шт.
Под заказ
Артикул: 252135-П2
в наличии
Шайба 8 пружинная
Количество на схеме: 7
Информация
Шайба 8 пружинная
Количество
7
Покрытие
фосфатирование и промасливание
Шайба 8х2.5 ЯМЗ заглушки блока цилиндров АВТОДИЗЕЛЬ
Артикул: 252135-П2
Шайба 8х2.5 ЯМЗ заглушки блока цилиндров АВТОДИЗЕЛЬ
Код для заказа: 00006017
Цена: 3 ₽/шт.
Под заказ
Шайба 8х2.5 ЯМЗ заглушки блока цилиндров АВТОДИЗЕЛЬ
Артикул: 252135-П2
Код для заказа: 00006017
Шайба 8х2.5 ЯМЗ заглушки блока цилиндров АВТОДИЗЕЛЬ
Цена: 3 ₽/шт.
Под заказ
Артикул: 252136-П2
в наличии
Шайба 10 пружинная
Количество на схеме: 1
Информация
Шайба 10 пружинная
Количество
1
Покрытие
фосфатирование и промасливание
Шайба 10.2х2.5 пружинная цинк ЭТНА
Артикул: 252136-П2
Шайба 10.2х2.5 пружинная цинк ЭТНА
Код для заказа: 00062958
Цена: 10 ₽/шт.
Под заказ
Шайба 10.2х2.5 пружинная цинк ЭТНА
Артикул: 252136-П2
Код для заказа: 00062958
Шайба 10.2х2.5 пружинная цинк ЭТНА
Цена: 10 ₽/шт.
Под заказ
Шайба гроверная 17,1х10,1х3,5
Артикул: 252136-П2
Шайба гроверная 17,1х10,1х3,5
Код для заказа: 00006018
Цена: 10 ₽/шт.
Под заказ
Шайба гроверная 17,1х10,1х3,5
Артикул: 252136-П2
Код для заказа: 00006018
Шайба гроверная 17,1х10,1х3,5
Цена: 10 ₽/шт.
Под заказ
Артикул: 252137-П2
в наличии
Шайба 12 пружинная
Количество на схеме: 1
Информация
Шайба 12 пружинная
Количество
1
Покрытие
фосфатирование и промасливание
ШАЙБА 12Х4 (ЯМЗ)
Артикул: 252137-П2
ШАЙБА 12Х4 (ЯМЗ)
Код для заказа: 00006019
Цена: 14 ₽/шт.
Под заказ
ШАЙБА 12Х4 (ЯМЗ)
Артикул: 252137-П2
Код для заказа: 00006019
ШАЙБА 12Х4 (ЯМЗ)
Цена: 14 ₽/шт.
Под заказ
Артикул: 256Т-1108284
нет в наличии
Шайба фасонная
Количество на схеме: 1
Информация
Шайба фасонная
Количество
1
Модель
256Т
Группа
Cистема питания двигателя
Подгруппа
Управление карбюратором (акселератор - управление подачей топлива)
Порядковый номер детали
284
Артикул: 258025-П29
нет в наличии
Шплинт 2,5х20
Количество на схеме: 4
Информация
Шплинт 2,5х20
Количество
4
Покрытие
цинкование и пассивирование (цинковое с хроматированием)
Артикул: 258039-П29
нет в наличии
Шплинт разводной 3х20
Количество на схеме: 3
Информация
Шплинт разводной 3х20
Количество
3
Покрытие
цинкование и пассивирование (цинковое с хроматированием)
Артикул: 264020-П8
нет в наличии
Пресс-масленка 1/8"
Количество на схеме: 1
Информация
Пресс-масленка 1/8"
Количество
1
Покрытие
цинкование
  • Грузовые автомобили
  • Автобусы
  • Сельхозтехника
  • Спецтехника
  • Двигатели
Получить оптовый прайс-лист
Скачать прайс-лист от 05.05.2026 16:00
Специальное предложение от 05.05.2026 17:00
Производители:


  • WEICHAI
  • Автодизель ПАО (ЯМЗ)
  • Тутаевский МЗ
  • ЯЗДА
  • УралАЗ
  • МАЗ
  • АЗПИ
  • BOSCH
  • ММЗ
  • ШААЗ
  • FEDERAL MOGUL
  • ПРАМО
  • Мотордеталь
  • ТАИМ
  • АвтоКрАЗ
  • БЕЛКАРД
  • CZ Strakonice
  • КамАЗ
  • БЗА
  • ЧМЗ
  • BMZ
Новости
Все новости
25 марта 2024
Флагманский седельный тягач «Валдай 45» на выставке «TransRussia»
10 марта 2024
Современные автобусы «CITYMAX 9» и ЛиАЗ-5292 CNG
25 февраля 2024
Серийное производство средних дизельных двигателей повышенной мощности от ЯМЗ
Статьи
Все статьи
Датчики двигателя: за что они отвечают, признаки неисправности и как не прогадать с выбором
Двигатели ЯМЗ-534: история, технические характеристики и области применения
Двигатели ЯМЗ 650: углублённый технический обзор и история
Компания
О компании
Реквизиты
Новости
Политика
Магазины
Информация
Условия оплаты
Условия доставки
Гарантия на товар
Обмен и возврат товара
Помощь
Как оформить заказ
Полезные статьи
Бренды
Пункты выдачи
Оставайтесь на связи
  • Вконтакте
  • YouTube
  • Одноклассники
  • Google Plus
Увидели ошибку?
Выделите, нажав Ctrl + Enter
Наши контакты
8-800-700-35-68
sales@din76.ru
г. Ярославль, Ленинградский пр-т 33, ТЦ "ОМЕГА"
2026 © ООО «Динамика 76» - Все права защищены ООО "Динамика 76"
Предложения на сайте не являются публичной офертой.
На сайте обнаружена ошибка

Текст с ошибкой