Избранное 0 Корзина 0 Личный кабинет
logo
Каталог
Каталог
  • Справочник
    • Грузовые автомобили
    • Автобусы
    • Сельхозтехника
    • Спецтехника
    • Двигатели
  • Доставка
  • Оплата
  • О компании
    • Реквизиты
    • Магазины
    • Оплата
    • Доставка
    • Лицензии и сертификаты
    • Новости
    • Вакансии
  • Контакты
Отправить заявку
Личный кабинет
8 (800) 700-35-68
sales@din76.ru
Избранное 0 Корзина 0
8 (800) 700-35-68
Оптовый прайс-лист
Каталог
  • Двигатели
  • Запчасти WEICHAI
  • Запчасти ЯМЗ, ТМЗ (V-образные)
  • Запчасти ЯМЗ-534, ЯМЗ-536
  • Запчасти ЯМЗ-650, ЯМЗ-651, DCi-11
  • Топливная аппаратура
  • Запчасти УРАЛ
  • Запчасти МАЗ
  • Запчасти КамАЗ
  • Запчасти ММЗ
  • Ремни
Автокаталог (справочник)
  • Доставка
  • Оплата
  • О компании
  • Контакты
8 (800) 700-35-68
Написать в Whatsapp
sales@din76.ru
Динамика 76
Меню  
  • Каталог
    • Двигатели  
      • Двигатели ТМЗ  
        • Двигатели ТМЗ для автомобилей
        • Двигатели ТМЗ для тракторов
        • Специальные двигатели ТМЗ
        • Промышленные двигатели ТМЗ
      • Двигатели ЯМЗ  
        • ЯМЗ 236
        • ЯМЗ 238
        • ЯМЗ 240
        • ЯМЗ 751
        • ЯМЗ 840
        • ЯМЗ 850
        • ЯМЗ 656
        • ЯМЗ 658
        • ЯМЗ 534
        • ЯМЗ 536
        • ЯМЗ 650
        • Двигатели ЯМЗ для электростанций
      • Двигатели КАМАЗ
      • Двигатели ММЗ
      • Двигатели индивидуальной сборки
      • Комплекты переоборудования
    • Запчасти WEICHAI  
      • Основные запчасти двигателя  
        • Клапаны и толкатели
        • Шатуны
        • Вал коленчатый и маховик
        • Вал распределительный
        • Цилиндро-поршневая группа
      • Система питания  
        • Форсунки
        • Турбокомпрессор
      • Система смазки  
        • Насос масляный
      • Головка блока
      • Ремкомплекты
      • Система охлаждения  
        • Насос водяной
        • Муфта вязкостная и крыльчатка
      • Фильтры
      • Электрооборудование  
        • Генератор
        • Стартер
    • Запчасти ЯМЗ, ТМЗ (V-образные)  
      • Основные запчасти двигателя  
        • Блок двигателя и комплектующие
        • Валы распределительные и клапаны
        • Головка блока и комплектующие
        • Цилиндро-поршневая группа
        • Маховики и комплектующие
        • Валы коленчатые и комплектующие
        • Шатуны и комплектующие
      • Система питания  
        • Коллекторы и патрубки
        • Топливные трубопроводы
        • Турбокомпрессор
        • Топливные фильтры
      • Электрооборудование двигателя
      • Система охлаждения  
        • Вязкостные муфты и крыльчатки
        • Приводы вентилятора
        • Водяные насосы
        • Водяные трубы и термостаты
      • Коробки переключения передач  
        • 8 Ступенчатые КПП
        • 5 Ступенчатые КПП
        • 9 Ступенчатые КПП
        • Запасные части КПП ЯМЗ, ТМЗ
      • Система смазки  
        • Теплообменник и комплектующие
        • Масляные насосы
        • Фильтры масляные (ФГОМ, ФЦОМ)
      • Сцепление  
        • Запасные части механизма сцепления
        • Муфты (подшипники выжимные)
        • Корзины (диски нажимные)
        • Диски ведомые
      • Прочие запчасти двигателя  
        • Ремкомплекты
        • Привод агрегатов
        • Натяжные устройства
        • Трубки
    • Запчасти ЯМЗ-534, ЯМЗ-536  
      • Основные запчасти двигателя  
        • Цилиндро-поршневая группа
        • Головка блока цилиндров и комплектующие
        • Блок цилиндров и комплектующие
        • Вал коленчатый и маховик
        • Вал распределительный
        • Клапаны и толкатели
        • ГУР (Гидроусилитель руля)
        • Система рециркуляции отработавших газов
        • Выпускной коллектор
      • Система питания  
        • Коллекторы и патрубки
        • Топливные фильтры
        • Турбокомпрессор
        • Топливные трубопроводы
      • Система смазки  
        • Масляный картер поддон
        • Масляный насос
        • Теплообменник /Водо-масляный радиатор
        • Фильтры масляные (ФГОМ, ФЦОМ)
      • Пневмокомпрессор и натяжное
      • Система охлаждения  
        • Водяной насос
        • Водяные трубы и патрубки
        • Муфты вязкостные, приводы, крыльчатки
      • Ремкомплекты
      • Сцепление
      • Электрооборудование
    • Запчасти ЯМЗ-650, ЯМЗ-651, DCi-11  
      • Основные запчасти двигателя  
        • Цилиндро-поршневая группа
        • Головка блока цилиндров и комплектующие
        • Блок цилиндров и комплектующие
        • Вал коленчатый и маховик
        • Выпускной коллектор
        • Вал распределительный
        • Клапаны и толкатели
        • ГУР (Гидроусилитель руля)
        • Система рециркуляции отработавших газов
      • Система питания  
        • Коллекторы и патрубки
        • Топливные трубопроводы
        • Топливные фильтры
        • Турбокомпрессор
      • Система смазки  
        • Масляный картер / поддон
        • Масляный насос
        • Теплообменник / Водо-масляный радиатор
        • Фильтры масляные (ФГОМ, ФЦОМ)
      • Система охлаждения  
        • Водяной насос
        • Водяные трубы и патрубки
        • Муфты вязкостные, приводы, крыльчатки
      • Ремкомплекты
      • Пневмокомпрессор и натяжное
      • Электрооборудование
      • Сцепление
    • Топливная аппаратура  
      • ЯЗДА  
        • Распылители
        • ТНВД
        • Форсунки
        • Топливный насос низкого давления
        • Пары плунжерные
        • Муфта опережения впрыска топлива
        • Запчасти и комплектующие ТНВД
      • НЗТА
      • АЗПИ  
        • Распылители
        • Форсунки
      • BOSCH
    • Запчасти УРАЛ  
      • Трансмиссия  
        • Коробка раздаточная
        • Передача карданная
        • Мост задний
        • Мост передний (ведущий)
        • Мост средний (промежуточный)
      • Кузов  
        • Дверь кабины
        • Капот, крылья, облицовка радиатора
        • Окно ветровое и заднее
        • Отопление и вентиляция кабины
        • Кабина
      • Механизмы управления  
        • Управление рулевое
        • Тормоза
      • Дополнительное оборудование  
        • Отбор мощности
        • Устройство седельное
      • Электрооборудование
      • Ходовая часть  
        • Колеса и ступицы
        • Ось передняя
        • Подвеска автомобиля
        • Рама
    • Запчасти МАЗ  
      • Трансмиссия  
        • Мост задний
        • Мост передний (ведущий)
        • Передача карданная
        • Мост средний (промежуточный)
      • Кузов  
        • Кабина
        • Дверь кабины
        • Детали основания кабины
        • Окно ветровое и заднее
        • Платформа
      • Механизмы управления  
        • Тормоза
        • Управление рулевое
      • Ходовая часть  
        • Колеса и ступицы
        • Ось передняя
        • Подвеска автомобиля
        • Рама
    • Запчасти КамАЗ  
      • Кузов  
        • Кабина
        • Капот, крылья, облицовка радиатора
        • Дверь кабины
        • Платформа
        • Окно ветровое и заднее
        • Устройство подъемное и опрокидывающее
        • Сиденье
        • Крыша кабины (крыша кузова)
        • Отопление и вентиляция кабины
      • Трансмиссия  
        • Коробка передач
        • Коробка раздаточная
        • Мост задний
        • Сцепление
        • Мост средний (промежуточный)
        • Передача карданная
        • Мост передний (ведущий)
      • Двигатель  
        • Основные запчасти двигателя
        • Система охлаждения
        • Система питания
        • Система смазки
      • Дополнительное оборудование  
        • Отбор мощности
        • Устройство седельное
      • Ходовая часть  
        • Подвеска автомобиля
        • Рама
        • Колеса и ступицы
        • Ось передняя
      • Механизмы управления  
        • Тормоза
        • Управление рулевое
      • Электрооборудование
    • Запчасти ММЗ
    • Ремни
  • Справочник
    • Грузовые автомобили
    • Автобусы
    • Сельхозтехника
    • Спецтехника
    • Двигатели
  • Как купить
    • Условия оплаты
    • Условия доставки
    • Гарантия на товар
    • Пункты выдачи
  • Услуги
    • Капитальный ремонт двигателей ЯМЗ
  • Акции
  • Статьи
  • Контакты
  • Компания
    • Реквизиты
    • Магазины
    • Оплата
    • Доставка
    • Лицензии и сертификаты
    • Новости
    • Вакансии
Избранное 0 Корзина 0
8-800-700-35-68

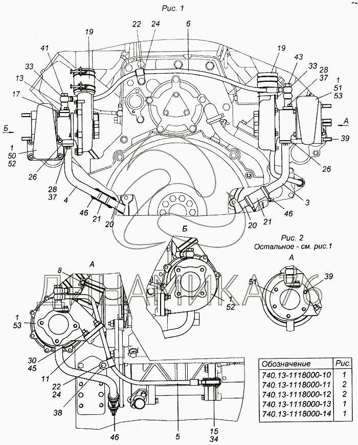
Установка турбокомпрессора на двигатель на 6540

Справочник
Главная
-
Автокаталог
-
Грузовые автомобили и прицепы
-
Камский автозавод
-
6540
Справочный каталог

Установка турбокомпрессора на двигатель — 6540:

3 4 5 6 8 11 13 15 17 19 19 20 20 21 21 22 22 24 24 26 26 28 28 30 33 33 34 37 37 38 39 39 41 43 45 46 46 46 52 52 53 53
в наличии
нет в наличии
масштаб

В наличии
Нет в наличии

Перечень комплектующих от Установка турбокомпрессора на двигатель на 6540

Схемы запчастей предназначены для справочных целей! Мы продаем не все запчасти от Установка турбокомпрессора на двигатель на 6540, представленные в этом списке.
Наличие на складах по деталям с ценой смотрите в карточке товара.
3
3
Артикул: 7406-1118220
в наличии
Трубка слива масла правая
Информация
Трубка слива масла правая
Группа
Cистема питания двигателя
Подгруппа
1118
Порядковый номер детали
220
Трубка КАМАЗ-ЕВРО слива масла правая (ОАО КАМАЗ)
Артикул: 7406-1118220
Трубка КАМАЗ-ЕВРО слива масла правая (ОАО КАМАЗ)
Код для заказа: 00057877
Цена: 788 ₽/шт.
Под заказ
Трубка КАМАЗ-ЕВРО слива масла правая (ОАО КАМАЗ)
Артикул: 7406-1118220
Код для заказа: 00057877
Трубка КАМАЗ-ЕВРО слива масла правая (ОАО КАМАЗ)
Цена: 788 ₽/шт.
Под заказ
4
4
Артикул: 7405-1118224-11
в наличии
Трубка слива масла левая
Информация
Трубка слива масла левая
Группа
Cистема питания двигателя
Подгруппа
1118
Порядковый номер детали
224
Дополнительно
Не взаимозаменяема с деталью, выпущенной ранее под этим же номером
Трубка КАМАЗ-ЕВРО слива масла левая (ОАО КАМАЗ)
Артикул: 7405-1118224-11
Трубка КАМАЗ-ЕВРО слива масла левая (ОАО КАМАЗ)
Код для заказа: 00057876
Цена: 1 053 ₽/шт.
Под заказ
Трубка КАМАЗ-ЕВРО слива масла левая (ОАО КАМАЗ)
Артикул: 7405-1118224-11
Код для заказа: 00057876
Трубка КАМАЗ-ЕВРО слива масла левая (ОАО КАМАЗ)
Цена: 1 053 ₽/шт.
Под заказ
5
5
Артикул: 740-21-1118290-10
в наличии
Трубка подвода масла
Информация
Трубка подвода масла
Группа
Cистема питания двигателя
Подгруппа
1118
Порядковый номер детали
290
Дополнительно
Не взаимозаменяема с деталью, выпущенной ранее под этим же номером
Трубка КАМАЗ-ЕВРО ТКР подвода масла
Артикул: 740-21-1118290-10
Трубка КАМАЗ-ЕВРО ТКР подвода масла
Код для заказа: 00057878
Цена: 3 199 ₽/шт.
Под заказ
Трубка КАМАЗ-ЕВРО ТКР подвода масла
Артикул: 740-21-1118290-10
Код для заказа: 00057878
Трубка КАМАЗ-ЕВРО ТКР подвода масла
Цена: 3 199 ₽/шт.
Под заказ
Трубка КАМАЗ-ЕВРО ТКР подвода масла (ОАО КАМАЗ)
Артикул: 740-21-1118290-10
Трубка КАМАЗ-ЕВРО ТКР подвода масла (ОАО КАМАЗ)
Код для заказа: 00057879
Цена: 5 134 ₽/шт.
Под заказ
Трубка КАМАЗ-ЕВРО ТКР подвода масла (ОАО КАМАЗ)
Артикул: 740-21-1118290-10
Код для заказа: 00057879
Трубка КАМАЗ-ЕВРО ТКР подвода масла (ОАО КАМАЗ)
Цена: 5 134 ₽/шт.
Под заказ
6
6
Артикул: 740-21-1118310-10
нет в наличии
Трубка соединительная подвода масла
Информация
Трубка соединительная подвода масла
Группа
Cистема питания двигателя
Подгруппа
1118
Порядковый номер детали
310
Дополнительно
Не взаимозаменяема с деталью, выпущенной ранее под этим же номером
8
8
Артикул: 5320-1303033
нет в наличии
Хомут 63 в сборе
Информация
Хомут 63 в сборе
Группа
Система охлаждения
Подгруппа
Трубопроводы и шланги системы охлаждения
Порядковый номер детали
033
11
11
Артикул: 7403-1118189
в наличии
Прокладка турбины
Информация
Прокладка турбины
Группа
Cистема питания двигателя
Подгруппа
1118
Порядковый номер детали
189
Прокладка КАМАЗ-ЕВРО турбокомпрессора КВАДРАТИС
Артикул: 7403-1118189
Прокладка КАМАЗ-ЕВРО турбокомпрессора КВАДРАТИС
Код для заказа: 00048139
Цена: 18 ₽/шт.
Под заказ
Прокладка КАМАЗ-ЕВРО турбокомпрессора КВАДРАТИС
Артикул: 7403-1118189
Код для заказа: 00048139
Прокладка КАМАЗ-ЕВРО турбокомпрессора КВАДРАТИС
Цена: 18 ₽/шт.
Под заказ
13
13
Артикул: 7405-1118200
в наличии
Переходник
Информация
Переходник
Группа
Cистема питания двигателя
Подгруппа
1118
Порядковый номер детали
200
Переходник КАМАЗ на ТКР (ОАО КАМАЗ)
Артикул: 7405-1118200
Переходник КАМАЗ на ТКР (ОАО КАМАЗ)
Код для заказа: 00044259
Цена: 641 ₽/шт.
Под заказ
Переходник КАМАЗ на ТКР (ОАО КАМАЗ)
Артикул: 7405-1118200
Код для заказа: 00044259
Переходник КАМАЗ на ТКР (ОАО КАМАЗ)
Цена: 641 ₽/шт.
Под заказ
15
15
Артикул: 7405-1118204
нет в наличии
Штуцер
Информация
Штуцер
Группа
Cистема питания двигателя
Подгруппа
1118
Порядковый номер детали
204
17
17
Артикул: 7405-1118245
нет в наличии
Прокладка
Информация
Прокладка
Группа
Cистема питания двигателя
Подгруппа
1118
Порядковый номер детали
245
19
19
Артикул: 7406-1118276
в наличии
Рукав 50х61-0,29
Информация
Рукав 50х61-0,29
Группа
Cистема питания двигателя
Подгруппа
1118
Порядковый номер детали
276
Рукав КАМАЗ-ЕВРО ТКР (50ммх61мм) красный
Артикул: 7406-1118276
Рукав КАМАЗ-ЕВРО ТКР (50ммх61мм) красный
Код для заказа: 00052823
Цена: 245 ₽/шт.
Под заказ
Рукав КАМАЗ-ЕВРО ТКР (50ммх61мм) красный
Артикул: 7406-1118276
Код для заказа: 00052823
Рукав КАМАЗ-ЕВРО ТКР (50ммх61мм) красный
Цена: 245 ₽/шт.
Под заказ
Рукав КАМАЗ-ЕВРО ТКР (50х61мм) синий силикон
Артикул: 7406-1118276
Рукав КАМАЗ-ЕВРО ТКР (50х61мм) синий силикон
Код для заказа: 00052825
Цена: 245 ₽/шт.
Под заказ
Рукав КАМАЗ-ЕВРО ТКР (50х61мм) синий силикон
Артикул: 7406-1118276
Код для заказа: 00052825
Рукав КАМАЗ-ЕВРО ТКР (50х61мм) синий силикон
Цена: 245 ₽/шт.
Под заказ
20
20
Артикул: 7405-1118280
нет в наличии
Трубка
Информация
Трубка
Группа
Cистема питания двигателя
Подгруппа
1118
Порядковый номер детали
280
21
21
Артикул: 7406-1118320
в наличии
Рукав 22х29-0,098
Информация
Рукав 22х29-0,098
Группа
Cистема питания двигателя
Подгруппа
1118
Порядковый номер детали
320
Рукав КАМАЗ-ЕВРО ТКР (22х29мм) синий силикон
Артикул: 7406-1118320
Рукав КАМАЗ-ЕВРО ТКР (22х29мм) синий силикон
Код для заказа: 00052822
Цена: 141 ₽/шт.
Под заказ
Рукав КАМАЗ-ЕВРО ТКР (22х29мм) синий силикон
Артикул: 7406-1118320
Код для заказа: 00052822
Рукав КАМАЗ-ЕВРО ТКР (22х29мм) синий силикон
Цена: 141 ₽/шт.
Под заказ
22
22
Артикул: 7405-1118322
нет в наличии
Кляммер
Информация
Кляммер
Группа
Cистема питания двигателя
Подгруппа
1118
Порядковый номер детали
322
24
24
Артикул: 7405-1118325
нет в наличии
Прокладка
Информация
Прокладка
Группа
Cистема питания двигателя
Подгруппа
1118
Порядковый номер детали
325
26
26
Артикул: 7405-1118335
в наличии
Прокладка
Информация
Прокладка
Группа
Cистема питания двигателя
Подгруппа
1118
Порядковый номер детали
335
Прокладка КАМАЗ-ЕВРО турбокомпрессора паронит 1.0мм
Артикул: 7405-1118335
Прокладка КАМАЗ-ЕВРО турбокомпрессора паронит 1.0мм
Код для заказа: 00048142
Цена: 7 ₽/шт.
Под заказ
Прокладка КАМАЗ-ЕВРО турбокомпрессора паронит 1.0мм
Артикул: 7405-1118335
Код для заказа: 00048142
Прокладка КАМАЗ-ЕВРО турбокомпрессора паронит 1.0мм
Цена: 7 ₽/шт.
Под заказ
28
28
Артикул: 1/60434/21
нет в наличии
Болт М8-6gх20
Информация
Болт М8-6gх20
Материал
сталь 80 (сталь с пределом прочности на разрыв 784-980 (80-100) МПа (кг/мм2)
Покрытие
цинкование
30
30
Артикул: 1/21647/27
нет в наличии
Гайка М10х1,25-6Н
Информация
Гайка М10х1,25-6Н
Материал
сталь 80 (сталь с пределом прочности на разрыв 784-980 (80-100) МПа (кг/мм2)
Покрытие
специальное покрытие
33
33
Артикул: 1/02800/60
в наличии
Прокладка уплотнительная 14х20х1,5
Информация
Прокладка уплотнительная 14х20х1,5
Материал
медь
Покрытие
без покрытия
Шайба 14.0х20.0х1.5 КАМАЗ фильтров медная (плоская)
Артикул: 1/02800/60
Шайба 14.0х20.0х1.5 КАМАЗ фильтров медная (плоская)
Код для заказа: 00062979
Цена: 18 ₽/шт.
Под заказ
Шайба 14.0х20.0х1.5 КАМАЗ фильтров медная (плоская)
Артикул: 1/02800/60
Код для заказа: 00062979
Шайба 14.0х20.0х1.5 КАМАЗ фильтров медная (плоская)
Цена: 18 ₽/шт.
Под заказ
Шайба 14.0х20.0х1.5 КАМАЗ фильтров медная (плоская) БЕЛЗАН
Артикул: 1/02800/60
Шайба 14.0х20.0х1.5 КАМАЗ фильтров медная (плоская) БЕЛЗАН
Код для заказа: 00062980
Цена: 29 ₽/шт.
Под заказ
Шайба 14.0х20.0х1.5 КАМАЗ фильтров медная (плоская) БЕЛЗАН
Артикул: 1/02800/60
Код для заказа: 00062980
Шайба 14.0х20.0х1.5 КАМАЗ фильтров медная (плоская) БЕЛЗАН
Цена: 29 ₽/шт.
Под заказ
34
34
Артикул: 1/02599/60
в наличии
Прокладка 18х24х1,5
Информация
Прокладка 18х24х1,5
Материал
медь
Покрытие
без покрытия
Шайба 18.0х24.0х1.5 КАМАЗ насоса масляного медная (плоская)
Артикул: 1/02599/60
Шайба 18.0х24.0х1.5 КАМАЗ насоса масляного медная (плоская)
Код для заказа: 00063011
Цена: 20 ₽/шт.
Под заказ
Шайба 18.0х24.0х1.5 КАМАЗ насоса масляного медная (плоская)
Артикул: 1/02599/60
Код для заказа: 00063011
Шайба 18.0х24.0х1.5 КАМАЗ насоса масляного медная (плоская)
Цена: 20 ₽/шт.
Под заказ
37
37
Артикул: 1/05166/73
нет в наличии
Шайба 8 пружинная
Информация
Шайба 8 пружинная
Материал
другие металлические материалы, т. е. не сталь, не латунь, не легкий сплав, не медь
Покрытие
фосфатирование
38
38
Артикул: 1/05196/01
нет в наличии
Шайба плоская 8х17
Информация
Шайба плоская 8х17
Материал
сталь 40 (сталь с пределом прочности на разрыв 333-490 (34-50) МПа (кг/мм2)
Покрытие
цинкование
39
39
Артикул: 1/34495/33
в наличии
Шпилька М10х1,25х15х25
Информация
Шпилька М10х1,25х15х25
Материал
сталь 100 (сталь с пределом прочности на разрыв 980-1176 (100-120) МПа (кг/мм2)
Покрытие
фосфатирование
Крепеж КАМАЗ турбокомпрессора под 4 шпильки (шпильки, гайки, шайбы)
Артикул: 1/34495/33
Крепеж КАМАЗ турбокомпрессора под 4 шпильки (шпильки, гайки, шайбы)
Код для заказа: 00035322
Цена: 229 ₽/шт.
Под заказ
Крепеж КАМАЗ турбокомпрессора под 4 шпильки (шпильки, гайки, шайбы)
Артикул: 1/34495/33
Код для заказа: 00035322
Крепеж КАМАЗ турбокомпрессора под 4 шпильки (шпильки, гайки, шайбы)
Цена: 229 ₽/шт.
Под заказ
Шпилька М10х1.25х15х25 крепления турбокомпрессора КАМАЗ БЕЛЗАН
Артикул: 1/34495/33
Шпилька М10х1.25х15х25 крепления турбокомпрессора КАМАЗ БЕЛЗАН
Код для заказа: 00065857
Цена: 23 ₽/шт.
Под заказ
Шпилька М10х1.25х15х25 крепления турбокомпрессора КАМАЗ БЕЛЗАН
Артикул: 1/34495/33
Код для заказа: 00065857
Шпилька М10х1.25х15х25 крепления турбокомпрессора КАМАЗ БЕЛЗАН
Цена: 23 ₽/шт.
Под заказ
41
41
Артикул: 870005
в наличии
Болт М14х1,5-6gх30
Информация
Болт М14х1,5-6gх30
Болт М14х1.5х30 фильтра топливного КАМАЗ
Артикул: 870005
Болт М14х1.5х30 фильтра топливного КАМАЗ
Код для заказа: 00022725
Цена: 188 ₽/шт.
Под заказ
Болт М14х1.5х30 фильтра топливного КАМАЗ
Артикул: 870005
Код для заказа: 00022725
Болт М14х1.5х30 фильтра топливного КАМАЗ
Цена: 188 ₽/шт.
Под заказ
Болт М14х1.5х30 фильтра топливного КАМАЗ КАРДО (ОАО КАМАЗ)
Артикул: 870005
Болт М14х1.5х30 фильтра топливного КАМАЗ КАРДО (ОАО КАМАЗ)
Код для заказа: 00022726
Цена: 188 ₽/шт.
Под заказ
Болт М14х1.5х30 фильтра топливного КАМАЗ КАРДО (ОАО КАМАЗ)
Артикул: 870005
Код для заказа: 00022726
Болт М14х1.5х30 фильтра топливного КАМАЗ КАРДО (ОАО КАМАЗ)
Цена: 188 ₽/шт.
Под заказ
43
43
Артикул: 870031
в наличии
Болт М14х1,5-6gх50
Информация
Болт М14х1,5-6gх50
Болт М14х1.5х50 клапана электромагнитного КАМАЗ (ОАО КАМАЗ)
Артикул: 870031
Болт М14х1.5х50 клапана электромагнитного КАМАЗ (ОАО КАМАЗ)
Код для заказа: 00022752
Цена: 226 ₽/шт.
Под заказ
Болт М14х1.5х50 клапана электромагнитного КАМАЗ (ОАО КАМАЗ)
Артикул: 870031
Код для заказа: 00022752
Болт М14х1.5х50 клапана электромагнитного КАМАЗ (ОАО КАМАЗ)
Цена: 226 ₽/шт.
Под заказ
45
45
Артикул: 870860
в наличии
Шайба тарельчатая 10
Информация
Шайба тарельчатая 10
Втулка КАМАЗ болта коллектора
Артикул: 870860
Втулка КАМАЗ болта коллектора
Код для заказа: 00026429
Цена: 34 ₽/шт.
Под заказ
Втулка КАМАЗ болта коллектора
Артикул: 870860
Код для заказа: 00026429
Втулка КАМАЗ болта коллектора
Цена: 34 ₽/шт.
Под заказ
46
46
Артикул: 853894
нет в наличии
Хомут в сборе
Информация
Хомут в сборе
52
52
Артикул: 3990023115-02
нет в наличии
Турбокомпрессор К27-1 15-02 левый (ф. "СZ", Чехия)
Информация
Турбокомпрессор К27-1 15-02 левый (ф. "СZ", Чехия)
Подгруппа
3990
Порядковый номер детали
023
Дополнительно
Не взаимозаменяема с деталью, выпущенной ранее под этим же номером
53
53
Артикул: 3990023115-01
нет в наличии
Турбокомпрессор К27-115-01 правый (ф."СZ", Чехия)
Информация
Турбокомпрессор К27-115-01 правый (ф."СZ", Чехия)
Подгруппа
3990
Порядковый номер детали
023
Дополнительно
Не взаимозаменяема с деталью, выпущенной ранее под этим же номером
  • Грузовые автомобили
  • Автобусы
  • Сельхозтехника
  • Спецтехника
  • Двигатели
Получить оптовый прайс-лист
Скачать прайс-лист от 25.05.2026 16:00
Специальное предложение от 25.05.2026 17:00
Производители:


  • WEICHAI
  • Автодизель ПАО (ЯМЗ)
  • Тутаевский МЗ
  • ЯЗДА
  • УралАЗ
  • МАЗ
  • АЗПИ
  • BOSCH
  • ММЗ
  • ШААЗ
  • FEDERAL MOGUL
  • ПРАМО
  • Мотордеталь
  • ТАИМ
  • АвтоКрАЗ
  • БЕЛКАРД
  • CZ Strakonice
  • КамАЗ
  • БЗА
  • ЧМЗ
  • BMZ
Новости
Все новости
25 марта 2024
Флагманский седельный тягач «Валдай 45» на выставке «TransRussia»
10 марта 2024
Современные автобусы «CITYMAX 9» и ЛиАЗ-5292 CNG
25 февраля 2024
Серийное производство средних дизельных двигателей повышенной мощности от ЯМЗ
Статьи
Все статьи
Датчики двигателя: за что они отвечают, признаки неисправности и как не прогадать с выбором
Двигатели ЯМЗ-534: история, технические характеристики и области применения
Двигатели ЯМЗ 650: углублённый технический обзор и история
Компания
О компании
Реквизиты
Новости
Политика
Магазины
Информация
Условия оплаты
Условия доставки
Гарантия на товар
Обмен и возврат товара
Помощь
Как оформить заказ
Полезные статьи
Бренды
Пункты выдачи
Оставайтесь на связи
  • Вконтакте
  • YouTube
  • Одноклассники
  • Google Plus
Увидели ошибку?
Выделите, нажав Ctrl + Enter
Наши контакты
8-800-700-35-68
sales@din76.ru
г. Ярославль, Ленинградский пр-т 33, ТЦ "ОМЕГА"
2026 © ООО «Динамика 76» - Все права защищены ООО "Динамика 76"
Предложения на сайте не являются публичной офертой.
На сайте обнаружена ошибка

Текст с ошибкой