Избранное 0 Корзина 0 Личный кабинет
logo
Каталог
Каталог
  • Справочник
    • Грузовые автомобили
    • Автобусы
    • Сельхозтехника
    • Спецтехника
    • Двигатели
  • Доставка
  • Оплата
  • О компании
    • Реквизиты
    • Магазины
    • Оплата
    • Доставка
    • Лицензии и сертификаты
    • Новости
    • Вакансии
  • Контакты
Отправить заявку
Личный кабинет
8 (800) 700-35-68
sales@din76.ru
Избранное 0 Корзина 0
8 (800) 700-35-68
Оптовый прайс-лист
Каталог
  • Двигатели
  • Запчасти WEICHAI
  • Запчасти ЯМЗ, ТМЗ (V-образные)
  • Запчасти ЯМЗ-534, ЯМЗ-536
  • Запчасти ЯМЗ-650, ЯМЗ-651, DCi-11
  • Топливная аппаратура
  • Запчасти УРАЛ
  • Запчасти МАЗ
  • Запчасти КамАЗ
  • Запчасти ММЗ
  • Ремни
Автокаталог (справочник)
  • Доставка
  • Оплата
  • О компании
  • Контакты
8 (800) 700-35-68
Написать в Whatsapp
sales@din76.ru
Динамика 76
Меню  
  • Каталог
    • Двигатели  
      • Двигатели ТМЗ  
        • Двигатели ТМЗ для автомобилей
        • Двигатели ТМЗ для тракторов
        • Специальные двигатели ТМЗ
        • Промышленные двигатели ТМЗ
      • Двигатели ЯМЗ  
        • ЯМЗ 236
        • ЯМЗ 238
        • ЯМЗ 240
        • ЯМЗ 751
        • ЯМЗ 840
        • ЯМЗ 850
        • ЯМЗ 656
        • ЯМЗ 658
        • ЯМЗ 534
        • ЯМЗ 536
        • ЯМЗ 650
        • Двигатели ЯМЗ для электростанций
      • Двигатели КАМАЗ
      • Двигатели ММЗ
      • Двигатели индивидуальной сборки
      • Комплекты переоборудования
    • Запчасти WEICHAI  
      • Основные запчасти двигателя  
        • Клапаны и толкатели
        • Шатуны
        • Вал коленчатый и маховик
        • Вал распределительный
        • Цилиндро-поршневая группа
      • Система питания  
        • Форсунки
        • Турбокомпрессор
      • Система смазки  
        • Насос масляный
      • Головка блока
      • Ремкомплекты
      • Система охлаждения  
        • Насос водяной
        • Муфта вязкостная и крыльчатка
      • Фильтры
      • Электрооборудование  
        • Генератор
        • Стартер
    • Запчасти ЯМЗ, ТМЗ (V-образные)  
      • Основные запчасти двигателя  
        • Блок двигателя и комплектующие
        • Валы распределительные и клапаны
        • Головка блока и комплектующие
        • Цилиндро-поршневая группа
        • Маховики и комплектующие
        • Валы коленчатые и комплектующие
        • Шатуны и комплектующие
      • Система питания  
        • Коллекторы и патрубки
        • Топливные трубопроводы
        • Турбокомпрессор
        • Топливные фильтры
      • Электрооборудование двигателя
      • Система охлаждения  
        • Вязкостные муфты и крыльчатки
        • Приводы вентилятора
        • Водяные насосы
        • Водяные трубы и термостаты
      • Коробки переключения передач  
        • 8 Ступенчатые КПП
        • 5 Ступенчатые КПП
        • 9 Ступенчатые КПП
        • Запасные части КПП ЯМЗ, ТМЗ
      • Система смазки  
        • Теплообменник и комплектующие
        • Масляные насосы
        • Фильтры масляные (ФГОМ, ФЦОМ)
      • Сцепление  
        • Запасные части механизма сцепления
        • Муфты (подшипники выжимные)
        • Корзины (диски нажимные)
        • Диски ведомые
      • Прочие запчасти двигателя  
        • Ремкомплекты
        • Привод агрегатов
        • Натяжные устройства
        • Трубки
    • Запчасти ЯМЗ-534, ЯМЗ-536  
      • Основные запчасти двигателя  
        • Цилиндро-поршневая группа
        • Головка блока цилиндров и комплектующие
        • Блок цилиндров и комплектующие
        • Вал коленчатый и маховик
        • Вал распределительный
        • Клапаны и толкатели
        • ГУР (Гидроусилитель руля)
        • Система рециркуляции отработавших газов
        • Выпускной коллектор
      • Система питания  
        • Коллекторы и патрубки
        • Топливные фильтры
        • Турбокомпрессор
        • Топливные трубопроводы
      • Система смазки  
        • Масляный картер поддон
        • Масляный насос
        • Теплообменник /Водо-масляный радиатор
        • Фильтры масляные (ФГОМ, ФЦОМ)
      • Пневмокомпрессор и натяжное
      • Система охлаждения  
        • Водяной насос
        • Водяные трубы и патрубки
        • Муфты вязкостные, приводы, крыльчатки
      • Ремкомплекты
      • Сцепление
      • Электрооборудование
    • Запчасти ЯМЗ-650, ЯМЗ-651, DCi-11  
      • Основные запчасти двигателя  
        • Цилиндро-поршневая группа
        • Головка блока цилиндров и комплектующие
        • Блок цилиндров и комплектующие
        • Вал коленчатый и маховик
        • Выпускной коллектор
        • Вал распределительный
        • Клапаны и толкатели
        • ГУР (Гидроусилитель руля)
        • Система рециркуляции отработавших газов
      • Система питания  
        • Коллекторы и патрубки
        • Топливные трубопроводы
        • Топливные фильтры
        • Турбокомпрессор
      • Система смазки  
        • Масляный картер / поддон
        • Масляный насос
        • Теплообменник / Водо-масляный радиатор
        • Фильтры масляные (ФГОМ, ФЦОМ)
      • Система охлаждения  
        • Водяной насос
        • Водяные трубы и патрубки
        • Муфты вязкостные, приводы, крыльчатки
      • Ремкомплекты
      • Пневмокомпрессор и натяжное
      • Электрооборудование
      • Сцепление
    • Топливная аппаратура  
      • ЯЗДА  
        • Распылители
        • ТНВД
        • Форсунки
        • Топливный насос низкого давления
        • Пары плунжерные
        • Муфта опережения впрыска топлива
        • Запчасти и комплектующие ТНВД
      • НЗТА
      • АЗПИ  
        • Распылители
        • Форсунки
      • BOSCH
    • Запчасти УРАЛ  
      • Трансмиссия  
        • Коробка раздаточная
        • Передача карданная
        • Мост задний
        • Мост передний (ведущий)
        • Мост средний (промежуточный)
      • Кузов  
        • Дверь кабины
        • Капот, крылья, облицовка радиатора
        • Окно ветровое и заднее
        • Отопление и вентиляция кабины
        • Кабина
      • Механизмы управления  
        • Управление рулевое
        • Тормоза
      • Дополнительное оборудование  
        • Отбор мощности
        • Устройство седельное
      • Электрооборудование
      • Ходовая часть  
        • Колеса и ступицы
        • Ось передняя
        • Подвеска автомобиля
        • Рама
    • Запчасти МАЗ  
      • Трансмиссия  
        • Мост задний
        • Мост передний (ведущий)
        • Передача карданная
        • Мост средний (промежуточный)
      • Кузов  
        • Кабина
        • Дверь кабины
        • Детали основания кабины
        • Окно ветровое и заднее
        • Платформа
      • Механизмы управления  
        • Тормоза
        • Управление рулевое
      • Ходовая часть  
        • Колеса и ступицы
        • Ось передняя
        • Подвеска автомобиля
        • Рама
    • Запчасти КамАЗ  
      • Кузов  
        • Кабина
        • Капот, крылья, облицовка радиатора
        • Дверь кабины
        • Платформа
        • Окно ветровое и заднее
        • Устройство подъемное и опрокидывающее
        • Сиденье
        • Крыша кабины (крыша кузова)
        • Отопление и вентиляция кабины
      • Трансмиссия  
        • Коробка передач
        • Коробка раздаточная
        • Мост задний
        • Сцепление
        • Мост средний (промежуточный)
        • Передача карданная
        • Мост передний (ведущий)
      • Двигатель  
        • Основные запчасти двигателя
        • Система охлаждения
        • Система питания
        • Система смазки
      • Дополнительное оборудование  
        • Отбор мощности
        • Устройство седельное
      • Ходовая часть  
        • Подвеска автомобиля
        • Рама
        • Колеса и ступицы
        • Ось передняя
      • Механизмы управления  
        • Тормоза
        • Управление рулевое
      • Электрооборудование
    • Запчасти ММЗ
    • Ремни
  • Справочник
    • Грузовые автомобили
    • Автобусы
    • Сельхозтехника
    • Спецтехника
    • Двигатели
  • Как купить
    • Условия оплаты
    • Условия доставки
    • Гарантия на товар
    • Пункты выдачи
  • Услуги
    • Капитальный ремонт двигателей ЯМЗ
  • Акции
  • Статьи
  • Контакты
  • Компания
    • Реквизиты
    • Магазины
    • Оплата
    • Доставка
    • Лицензии и сертификаты
    • Новости
    • Вакансии
Избранное 0 Корзина 0
8-800-700-35-68

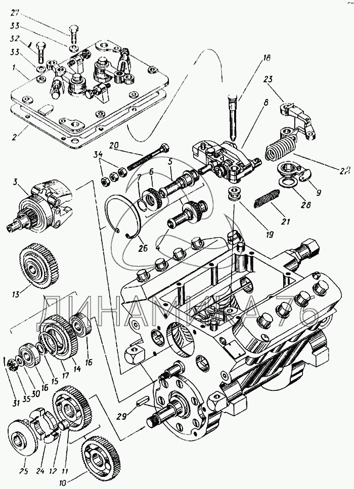
Регулятор частоты вращения на 65115 (до 2001 г.)

Справочник
Главная
-
Автокаталог
-
Грузовые автомобили и прицепы
-
Камский автозавод
-
65115
Справочный каталог

Регулятор частоты вращения — 65115:

1 2 3 4 5 6 7 8 9 10 11 12 13 14 15 16 16 17 18 19 20 21 22 23 24 25 26 27 28 29 30 31 32 33 33 34 35 36
в наличии
нет в наличии
масштаб

В наличии
Нет в наличии

Перечень комплектующих от Регулятор частоты вращения на 65115

Схемы запчастей предназначены для справочных целей! Мы продаем не все запчасти от Регулятор частоты вращения на 65115, представленные в этом списке.
Наличие на складах по деталям с ценой смотрите в карточке товара.
1
1
Артикул: 33-1110024
в наличии
Крышка регулятора верхняя в сборе
Количество на схеме: 1
Информация
Крышка регулятора верхняя в сборе
Количество
1
По английски
Upper regulator cover;
Модель
33
Группа
Cистема питания двигателя
Подгруппа
Ограничитель частоты вращения коленчатого вала двигателя
Порядковый номер детали
024
Крышка регулятора верхняя 33-02, 337-40, 337-20 ТНВД ЯЗДА
Артикул: 33-1110024
Крышка регулятора верхняя 33-02, 337-40, 337-20 ТНВД ЯЗДА
Код для заказа: 00001791
Цена: 2 541 ₽/шт.
Под заказ
Крышка регулятора верхняя 33-02, 337-40, 337-20 ТНВД ЯЗДА
Артикул: 33-1110024
Код для заказа: 00001791
Крышка регулятора верхняя 33-02, 337-40, 337-20 ТНВД ЯЗДА
Цена: 2 541 ₽/шт.
Под заказ
2
2
Артикул: 33-1110026
нет в наличии
Прокладка верхней крышки регулятора
Количество на схеме: 1
Информация
Прокладка верхней крышки регулятора
Количество
1
По английски
Gasket;
Модель
33
Группа
Cистема питания двигателя
Подгруппа
Ограничитель частоты вращения коленчатого вала двигателя
Порядковый номер детали
026
3
3
Артикул: 333-1110040
нет в наличии
Державка грузов регулятора в сборе
Количество на схеме: 1
Информация
Державка грузов регулятора в сборе
Количество
1
По английски
Holder;
Модель
333
Группа
Cистема питания двигателя
Подгруппа
Ограничитель частоты вращения коленчатого вала двигателя
Порядковый номер детали
040
4
4
Артикул: 33-1110060
нет в наличии
Муфта регулятора
Количество на схеме: 1
Информация
Муфта регулятора
Количество
1
По английски
Sleeve;
Модель
33
Группа
Cистема питания двигателя
Подгруппа
Ограничитель частоты вращения коленчатого вала двигателя
Порядковый номер детали
060
5
5
Артикул: 33-1110062
нет в наличии
Муфта регулятора
Количество на схеме: 1
Информация
Муфта регулятора
Количество
1
По английски
Sleeve;
Модель
33
Группа
Cистема питания двигателя
Подгруппа
Ограничитель частоты вращения коленчатого вала двигателя
Порядковый номер детали
062
6
6
Артикул: 33-1110618
нет в наличии
Подшипник 8103
Количество на схеме: 1
Информация
Подшипник 8103
Количество
1
По английски
Bearing;
Модель
33
Группа
Cистема питания двигателя
Подгруппа
Ограничитель частоты вращения коленчатого вала двигателя
Порядковый номер детали
618
7
7
Артикул: 1/34008/73
нет в наличии
Кольцо 16 стопорное
Количество на схеме: 1
Информация
Кольцо 16 стопорное
Количество
1
По английски
Stop ring;
Крепежная деталь
да
Материал
другие металлические материалы, т. е. не сталь, не латунь, не легкий сплав, не медь
Покрытие
фосфатирование
8
8
Артикул: 332-1110160-50
нет в наличии
Рычаги с корректорами
Количество на схеме: 1
Информация
Рычаги с корректорами
Количество
1
По английски
Lever;
Модель
332
Группа
Cистема питания двигателя
Подгруппа
Ограничитель частоты вращения коленчатого вала двигателя
Порядковый номер детали
160
Дополнительно
Не взаимозаменяема с деталью, выпущенной ранее под этим же номером
9
9
Артикул: 33-1110505
нет в наличии
Рычаг стартовой пружины
Количество на схеме: 1
Информация
Рычаг стартовой пружины
Количество
1
По английски
Lever;
Модель
33
Группа
Cистема питания двигателя
Подгруппа
Ограничитель частоты вращения коленчатого вала двигателя
Порядковый номер детали
505
10
10
Артикул: 33-1110515-10
нет в наличии
Шестерня регулятора ведущая
Количество на схеме: 1
Информация
Шестерня регулятора ведущая
Количество
1
По английски
Gearing;
Модель
33
Группа
Cистема питания двигателя
Подгруппа
Ограничитель частоты вращения коленчатого вала двигателя
Порядковый номер детали
515
Дополнительно
Не взаимозаменяема с деталью, выпущенной ранее под этим же номером
11
11
Артикул: 33-1110516
нет в наличии
Шестерня
Количество на схеме: 1
Информация
Шестерня
Количество
1
По английски
Gearing;
Модель
33
Группа
Cистема питания двигателя
Подгруппа
Ограничитель частоты вращения коленчатого вала двигателя
Порядковый номер детали
516
12
12
Артикул: 33-1110519-10
нет в наличии
Вставка
Количество на схеме: 2
Информация
Вставка
Количество
2
По английски
Insert;
Модель
33
Группа
Cистема питания двигателя
Подгруппа
Ограничитель частоты вращения коленчатого вала двигателя
Порядковый номер детали
519
Дополнительно
Не взаимозаменяема с деталью, выпущенной ранее под этим же номером
13
13
Артикул: 33-1110670
нет в наличии
Шестерня промежуточная в сборе
Количество на схеме: 1
Информация
Шестерня промежуточная в сборе
Количество
1
По английски
Gearing;
Модель
33
Группа
Cистема питания двигателя
Подгруппа
Ограничитель частоты вращения коленчатого вала двигателя
Порядковый номер детали
670
14
14
Артикул: 33-1110672
нет в наличии
Шестерня
Количество на схеме: 1
Информация
Шестерня
Количество
1
По английски
Gearing;
Модель
33
Группа
Cистема питания двигателя
Подгруппа
Ограничитель частоты вращения коленчатого вала двигателя
Порядковый номер детали
672
15
15
Артикул: 870627-П29
нет в наличии
Шайба 12
Количество на схеме: 1
Информация
Шайба 12
Количество
1
По английски
Washer;
Покрытие
цинкование и пассивирование (цинковое с хроматированием)
16
16
Артикул: 33-1110624
нет в наличии
Подшипник 201
Количество на схеме: 2
Информация
Подшипник 201
Количество
2
По английски
Bearing;
Модель
33
Группа
Cистема питания двигателя
Подгруппа
Ограничитель частоты вращения коленчатого вала двигателя
Порядковый номер детали
624
17
17
Артикул: 33-1110682
нет в наличии
Кольцо пружинное упорное
Количество на схеме: 1
Информация
Кольцо пружинное упорное
Количество
1
По английски
Ring;
Модель
33
Группа
Cистема питания двигателя
Подгруппа
Ограничитель частоты вращения коленчатого вала двигателя
Порядковый номер детали
682
18
18
Артикул: 33-1110088
нет в наличии
Ось рычага регулятора
Количество на схеме: 1
Информация
Ось рычага регулятора
Количество
1
По английски
Control rod;
Модель
33
Группа
Cистема питания двигателя
Подгруппа
Ограничитель частоты вращения коленчатого вала двигателя
Порядковый номер детали
088
19
19
Артикул: 33-1110089
нет в наличии
Втулка дистанционная
Количество на схеме: 1
Информация
Втулка дистанционная
Количество
1
По английски
Bush;
Модель
33
Группа
Cистема питания двигателя
Подгруппа
Ограничитель частоты вращения коленчатого вала двигателя
Порядковый номер детали
089
20
20
Артикул: 33-1110429
нет в наличии
Болт регулировочный
Количество на схеме: 1
Информация
Болт регулировочный
Количество
1
По английски
Bolt;
Модель
33
Группа
Cистема питания двигателя
Подгруппа
Ограничитель частоты вращения коленчатого вала двигателя
Порядковый номер детали
429
21
21
Артикул: 332-1110448
нет в наличии
Пружина рычага реек
Количество на схеме: 1
Информация
Пружина рычага реек
Количество
1
По английски
Spring;
Модель
332
Группа
Cистема питания двигателя
Подгруппа
Ограничитель частоты вращения коленчатого вала двигателя
Порядковый номер детали
448
22
22
Артикул: 33-1110462-10
нет в наличии
Пружина регулятора
Количество на схеме: 1
Информация
Пружина регулятора
Количество
1
По английски
Spring;
Модель
33
Группа
Cистема питания двигателя
Подгруппа
Ограничитель частоты вращения коленчатого вала двигателя
Порядковый номер детали
462
Дополнительно
Не взаимозаменяема с деталью, выпущенной ранее под этим же номером
23
23
Артикул: 33-1110466
в наличии
Рычаг пружины
Количество на схеме: 1
Информация
Рычаг пружины
Количество
1
По английски
Lever;
Модель
33
Группа
Cистема питания двигателя
Подгруппа
Ограничитель частоты вращения коленчатого вала двигателя
Порядковый номер детали
466
Рычаг пружины регулятора ТНВД КАМАЗ ЯЗДА
Артикул: 33-1110466
Рычаг пружины регулятора ТНВД КАМАЗ ЯЗДА
Код для заказа: 00001823
Цена: 659 ₽/шт.
Под заказ
Рычаг пружины регулятора ТНВД КАМАЗ ЯЗДА
Артикул: 33-1110466
Код для заказа: 00001823
Рычаг пружины регулятора ТНВД КАМАЗ ЯЗДА
Цена: 659 ₽/шт.
Под заказ
24
24
Артикул: 33-1110517-10
в наличии
Сухарь ведущей шестерни
Количество на схеме: 4
Информация
Сухарь ведущей шестерни
Количество
4
По английски
Petainer;
Модель
33
Группа
Cистема питания двигателя
Подгруппа
Ограничитель частоты вращения коленчатого вала двигателя
Порядковый номер детали
517
Дополнительно
Не взаимозаменяема с деталью, выпущенной ранее под этим же номером
Ремкомплект КАМАЗ регулятора частоты вращения (5 наимен.) РЕМКОМПЛЕКТ
Артикул: 33-1110517-10
Ремкомплект КАМАЗ регулятора частоты вращения (5 наимен.) РЕМКОМПЛЕКТ
Код для заказа: 00051750
Цена: 101 ₽/шт.
Под заказ
Ремкомплект КАМАЗ регулятора частоты вращения (5 наимен.) РЕМКОМПЛЕКТ
Артикул: 33-1110517-10
Код для заказа: 00051750
Ремкомплект КАМАЗ регулятора частоты вращения (5 наимен.) РЕМКОМПЛЕКТ
Цена: 101 ₽/шт.
Под заказ
25
25
Артикул: 33-1110521
нет в наличии
Фланец ведущей шестерни
Количество на схеме: 1
Информация
Фланец ведущей шестерни
Количество
1
По английски
Flange;
Модель
33
Группа
Cистема питания двигателя
Подгруппа
Ограничитель частоты вращения коленчатого вала двигателя
Порядковый номер детали
521
26
26
Артикул: 33-1110684
нет в наличии
Кольцо пружинное упорное
Количество на схеме: 1
Информация
Кольцо пружинное упорное
Количество
1
По английски
Ring;
Модель
33
Группа
Cистема питания двигателя
Подгруппа
Ограничитель частоты вращения коленчатого вала двигателя
Порядковый номер детали
684
27
27
Артикул: 870003-П29
нет в наличии
Болт М6-6gх20
Количество на схеме: 2
Информация
Болт М6-6gх20
Количество
2
По английски
Bolt;
Покрытие
цинкование и пассивирование (цинковое с хроматированием)
28
28
Артикул: 870456-П15
нет в наличии
Шайба 16
Количество на схеме: 1
Информация
Шайба 16
Количество
1
По английски
Washer;
Покрытие
оксидирование (окисное)
29
29
Артикул: 870800-П
нет в наличии
Шпонка
Количество на схеме: 1
Информация
Шпонка
Количество
1
По английски
Key;
Покрытие
без покрытия
30
30
Артикул: 1/05196/01
нет в наличии
Шайба плоская 8х17
Количество на схеме: 1
Информация
Шайба плоская 8х17
Количество
1
По английски
Washer;
Крепежная деталь
да
Материал
сталь 40 (сталь с пределом прочности на разрыв 333-490 (34-50) МПа (кг/мм2)
Покрытие
цинкование
31
31
Артикул: 1/07344/01
в наличии
Шплинт разводной 2х25
Количество на схеме: 1
Информация
Шплинт разводной 2х25
Количество
1
По английски
Cotter pin;
Крепежная деталь
да
Материал
сталь 40 (сталь с пределом прочности на разрыв 333-490 (34-50) МПа (кг/мм2)
Покрытие
цинкование
Шплинт 1.8х25 разводной КАМАЗ, НЕФАЗ БЕЛЗАН
Артикул: 1/07344/01
Шплинт 1.8х25 разводной КАМАЗ, НЕФАЗ БЕЛЗАН
Код для заказа: 00065990
Цена: 3 ₽/шт.
Под заказ
Шплинт 1.8х25 разводной КАМАЗ, НЕФАЗ БЕЛЗАН
Артикул: 1/07344/01
Код для заказа: 00065990
Шплинт 1.8х25 разводной КАМАЗ, НЕФАЗ БЕЛЗАН
Цена: 3 ₽/шт.
Под заказ
32
32
Артикул: 1/09026/21
нет в наличии
Болт М6-6gх25
Количество на схеме: 6
Информация
Болт М6-6gх25
Количество
6
По английски
Bolt;
Крепежная деталь
да
Материал
сталь 80 (сталь с пределом прочности на разрыв 784-980 (80-100) МПа (кг/мм2)
Покрытие
цинкование
33
33
Артикул: 1/11977/71
нет в наличии
Шайба коническая пружинная 6х12
Количество на схеме: 6
Информация
Шайба коническая пружинная 6х12
Количество
6
По английски
Washer;
Крепежная деталь
да
Материал
другие металлические материалы, т. е. не сталь, не латунь, не легкий сплав, не медь
Покрытие
цинкование
34
34
Артикул: 1/58962/11
нет в наличии
Гайка ЕМ6-6Н
Количество на схеме: 3
Информация
Гайка ЕМ6-6Н
Количество
3
По английски
Nut;
Крепежная деталь
да
Материал
сталь 50 (сталь с пределом прочности на разрыв 490-784 (50-80) МПа (кг/мм2)
Покрытие
цинкование
35
35
Артикул: 1/61056/11
нет в наличии
Гайка М8-6Н
Количество на схеме: 1
Информация
Гайка М8-6Н
Количество
1
По английски
Nut;
Крепежная деталь
да
Материал
сталь 50 (сталь с пределом прочности на разрыв 490-784 (50-80) МПа (кг/мм2)
Покрытие
цинкование
36
36
Артикул: 33-1110545
нет в наличии
Втулка упорная ведущей шестерни
Количество на схеме: 1
Информация
Втулка упорная ведущей шестерни
Количество
1
По английски
Bushing;
Модель
33
Группа
Cистема питания двигателя
Подгруппа
Ограничитель частоты вращения коленчатого вала двигателя
Порядковый номер детали
545
  • Грузовые автомобили
  • Автобусы
  • Сельхозтехника
  • Спецтехника
  • Двигатели
Получить оптовый прайс-лист
Скачать прайс-лист от 07.05.2026 16:00
Специальное предложение от 07.05.2026 17:00
Производители:


  • WEICHAI
  • Автодизель ПАО (ЯМЗ)
  • Тутаевский МЗ
  • ЯЗДА
  • УралАЗ
  • МАЗ
  • АЗПИ
  • BOSCH
  • ММЗ
  • ШААЗ
  • FEDERAL MOGUL
  • ПРАМО
  • Мотордеталь
  • ТАИМ
  • АвтоКрАЗ
  • БЕЛКАРД
  • CZ Strakonice
  • КамАЗ
  • БЗА
  • ЧМЗ
  • BMZ
Новости
Все новости
25 марта 2024
Флагманский седельный тягач «Валдай 45» на выставке «TransRussia»
10 марта 2024
Современные автобусы «CITYMAX 9» и ЛиАЗ-5292 CNG
25 февраля 2024
Серийное производство средних дизельных двигателей повышенной мощности от ЯМЗ
Статьи
Все статьи
Датчики двигателя: за что они отвечают, признаки неисправности и как не прогадать с выбором
Двигатели ЯМЗ-534: история, технические характеристики и области применения
Двигатели ЯМЗ 650: углублённый технический обзор и история
Компания
О компании
Реквизиты
Новости
Политика
Магазины
Информация
Условия оплаты
Условия доставки
Гарантия на товар
Обмен и возврат товара
Помощь
Как оформить заказ
Полезные статьи
Бренды
Пункты выдачи
Оставайтесь на связи
  • Вконтакте
  • YouTube
  • Одноклассники
  • Google Plus
Увидели ошибку?
Выделите, нажав Ctrl + Enter
Наши контакты
8-800-700-35-68
sales@din76.ru
г. Ярославль, Ленинградский пр-т 33, ТЦ "ОМЕГА"
2026 © ООО «Динамика 76» - Все права защищены ООО "Динамика 76"
Предложения на сайте не являются публичной офертой.
На сайте обнаружена ошибка

Текст с ошибкой