Избранное 0 Корзина 0 Личный кабинет
logo
Каталог
Каталог
  • Справочник
    • Грузовые автомобили
    • Автобусы
    • Сельхозтехника
    • Спецтехника
    • Двигатели
  • Доставка
  • Оплата
  • О компании
    • Реквизиты
    • Магазины
    • Оплата
    • Доставка
    • Лицензии и сертификаты
    • Новости
    • Вакансии
  • Контакты
Отправить заявку
Личный кабинет
8 (800) 700-35-68
sales@din76.ru
Избранное 0 Корзина 0
8 (800) 700-35-68
Оптовый прайс-лист
Каталог
  • Двигатели
  • Запчасти WEICHAI
  • Запчасти ЯМЗ, ТМЗ (V-образные)
  • Запчасти ЯМЗ-534, ЯМЗ-536
  • Запчасти ЯМЗ-650, ЯМЗ-651, DCi-11
  • Топливная аппаратура
  • Запчасти УРАЛ
  • Запчасти МАЗ
  • Запчасти КамАЗ
  • Запчасти ММЗ
  • Ремни
Автокаталог (справочник)
  • Доставка
  • Оплата
  • О компании
  • Контакты
8 (800) 700-35-68
Написать в Whatsapp
sales@din76.ru
Динамика 76
Меню  
  • Каталог
    • Двигатели  
      • Двигатели ТМЗ  
        • Двигатели ТМЗ для автомобилей
        • Двигатели ТМЗ для тракторов
        • Специальные двигатели ТМЗ
        • Промышленные двигатели ТМЗ
      • Двигатели ЯМЗ  
        • ЯМЗ 236
        • ЯМЗ 238
        • ЯМЗ 240
        • ЯМЗ 751
        • ЯМЗ 840
        • ЯМЗ 850
        • ЯМЗ 656
        • ЯМЗ 658
        • ЯМЗ 534
        • ЯМЗ 536
        • ЯМЗ 650
        • Двигатели ЯМЗ для электростанций
      • Двигатели КАМАЗ
      • Двигатели ММЗ
      • Двигатели индивидуальной сборки
      • Комплекты переоборудования
    • Запчасти WEICHAI  
      • Основные запчасти двигателя  
        • Клапаны и толкатели
        • Шатуны
        • Вал коленчатый и маховик
        • Вал распределительный
        • Цилиндро-поршневая группа
      • Система питания  
        • Форсунки
        • Турбокомпрессор
      • Система смазки  
        • Насос масляный
      • Головка блока
      • Ремкомплекты
      • Система охлаждения  
        • Насос водяной
        • Муфта вязкостная и крыльчатка
      • Фильтры
      • Электрооборудование  
        • Генератор
        • Стартер
    • Запчасти ЯМЗ, ТМЗ (V-образные)  
      • Основные запчасти двигателя  
        • Блок двигателя и комплектующие
        • Валы распределительные и клапаны
        • Головка блока и комплектующие
        • Цилиндро-поршневая группа
        • Маховики и комплектующие
        • Валы коленчатые и комплектующие
        • Шатуны и комплектующие
      • Система питания  
        • Коллекторы и патрубки
        • Топливные трубопроводы
        • Турбокомпрессор
        • Топливные фильтры
      • Электрооборудование двигателя
      • Система охлаждения  
        • Вязкостные муфты и крыльчатки
        • Приводы вентилятора
        • Водяные насосы
        • Водяные трубы и термостаты
      • Коробки переключения передач  
        • 8 Ступенчатые КПП
        • 5 Ступенчатые КПП
        • 9 Ступенчатые КПП
        • Запасные части КПП ЯМЗ, ТМЗ
      • Система смазки  
        • Теплообменник и комплектующие
        • Масляные насосы
        • Фильтры масляные (ФГОМ, ФЦОМ)
      • Сцепление  
        • Запасные части механизма сцепления
        • Муфты (подшипники выжимные)
        • Корзины (диски нажимные)
        • Диски ведомые
      • Прочие запчасти двигателя  
        • Ремкомплекты
        • Привод агрегатов
        • Натяжные устройства
        • Трубки
    • Запчасти ЯМЗ-534, ЯМЗ-536  
      • Основные запчасти двигателя  
        • Цилиндро-поршневая группа
        • Головка блока цилиндров и комплектующие
        • Блок цилиндров и комплектующие
        • Вал коленчатый и маховик
        • Вал распределительный
        • Клапаны и толкатели
        • ГУР (Гидроусилитель руля)
        • Система рециркуляции отработавших газов
        • Выпускной коллектор
      • Система питания  
        • Коллекторы и патрубки
        • Топливные фильтры
        • Турбокомпрессор
        • Топливные трубопроводы
      • Система смазки  
        • Масляный картер поддон
        • Масляный насос
        • Теплообменник /Водо-масляный радиатор
        • Фильтры масляные (ФГОМ, ФЦОМ)
      • Пневмокомпрессор и натяжное
      • Система охлаждения  
        • Водяной насос
        • Водяные трубы и патрубки
        • Муфты вязкостные, приводы, крыльчатки
      • Ремкомплекты
      • Сцепление
      • Электрооборудование
    • Запчасти ЯМЗ-650, ЯМЗ-651, DCi-11  
      • Основные запчасти двигателя  
        • Цилиндро-поршневая группа
        • Головка блока цилиндров и комплектующие
        • Блок цилиндров и комплектующие
        • Вал коленчатый и маховик
        • Выпускной коллектор
        • Вал распределительный
        • Клапаны и толкатели
        • ГУР (Гидроусилитель руля)
        • Система рециркуляции отработавших газов
      • Система питания  
        • Коллекторы и патрубки
        • Топливные трубопроводы
        • Топливные фильтры
        • Турбокомпрессор
      • Система смазки  
        • Масляный картер / поддон
        • Масляный насос
        • Теплообменник / Водо-масляный радиатор
        • Фильтры масляные (ФГОМ, ФЦОМ)
      • Система охлаждения  
        • Водяной насос
        • Водяные трубы и патрубки
        • Муфты вязкостные, приводы, крыльчатки
      • Ремкомплекты
      • Пневмокомпрессор и натяжное
      • Электрооборудование
      • Сцепление
    • Топливная аппаратура  
      • ЯЗДА  
        • Распылители
        • ТНВД
        • Форсунки
        • Топливный насос низкого давления
        • Пары плунжерные
        • Муфта опережения впрыска топлива
        • Запчасти и комплектующие ТНВД
      • НЗТА
      • АЗПИ  
        • Распылители
        • Форсунки
      • BOSCH
    • Запчасти УРАЛ  
      • Трансмиссия  
        • Коробка раздаточная
        • Передача карданная
        • Мост задний
        • Мост передний (ведущий)
        • Мост средний (промежуточный)
      • Кузов  
        • Дверь кабины
        • Капот, крылья, облицовка радиатора
        • Окно ветровое и заднее
        • Отопление и вентиляция кабины
        • Кабина
      • Механизмы управления  
        • Управление рулевое
        • Тормоза
      • Дополнительное оборудование  
        • Отбор мощности
        • Устройство седельное
      • Электрооборудование
      • Ходовая часть  
        • Колеса и ступицы
        • Ось передняя
        • Подвеска автомобиля
        • Рама
    • Запчасти МАЗ  
      • Трансмиссия  
        • Мост задний
        • Мост передний (ведущий)
        • Передача карданная
        • Мост средний (промежуточный)
      • Кузов  
        • Кабина
        • Дверь кабины
        • Детали основания кабины
        • Окно ветровое и заднее
        • Платформа
      • Механизмы управления  
        • Тормоза
        • Управление рулевое
      • Ходовая часть  
        • Колеса и ступицы
        • Ось передняя
        • Подвеска автомобиля
        • Рама
    • Запчасти КамАЗ  
      • Кузов  
        • Кабина
        • Капот, крылья, облицовка радиатора
        • Дверь кабины
        • Платформа
        • Окно ветровое и заднее
        • Устройство подъемное и опрокидывающее
        • Сиденье
        • Крыша кабины (крыша кузова)
        • Отопление и вентиляция кабины
      • Трансмиссия  
        • Коробка передач
        • Коробка раздаточная
        • Мост задний
        • Сцепление
        • Мост средний (промежуточный)
        • Передача карданная
        • Мост передний (ведущий)
      • Двигатель  
        • Основные запчасти двигателя
        • Система охлаждения
        • Система питания
        • Система смазки
      • Дополнительное оборудование  
        • Отбор мощности
        • Устройство седельное
      • Ходовая часть  
        • Подвеска автомобиля
        • Рама
        • Колеса и ступицы
        • Ось передняя
      • Механизмы управления  
        • Тормоза
        • Управление рулевое
      • Электрооборудование
    • Запчасти ММЗ
    • Ремни
  • Справочник
    • Грузовые автомобили
    • Автобусы
    • Сельхозтехника
    • Спецтехника
    • Двигатели
  • Как купить
    • Условия оплаты
    • Условия доставки
    • Гарантия на товар
    • Пункты выдачи
  • Услуги
    • Капитальный ремонт двигателей ЯМЗ
  • Акции
  • Статьи
  • Контакты
  • Компания
    • Реквизиты
    • Магазины
    • Оплата
    • Доставка
    • Лицензии и сертификаты
    • Новости
    • Вакансии
Избранное 0 Корзина 0
8-800-700-35-68

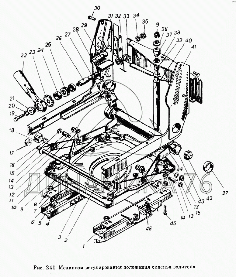
Механизм регулирования положения сиденья водителя на 5511 (до 2003 г.)

Справочник
Главная
-
Автокаталог
-
Грузовые автомобили и прицепы
-
Камский автозавод
-
5511
Справочный каталог

Механизм регулирования положения сиденья водителя — 5511:

1/03329/10 251644 5320-6804110 5320-6804127 5320-6804140 5320-6804157 5320-6804159 5320-6804313 5320-6804510 5320-6804656 5320-6804657 5320-6804659 5320-6804743 5320-6804753 5320.6804161 5320.6804312 5320.6804755 1 2 3 4 5 6 7 8 9 9 10 11 12 12 13 13 14 14 15 15 16 17 18 19 20 21 22 23 24 25 26 27 27 28 29 30 31 32 33 34 35 36 37 38 39 40 41 42 43 44 45 46
в наличии
нет в наличии
масштаб

В наличии
Нет в наличии

Перечень комплектующих от Механизм регулирования положения сиденья водителя на 5511

Схемы запчастей предназначены для справочных целей! Мы продаем не все запчасти от Механизм регулирования положения сиденья водителя на 5511, представленные в этом списке.
Наличие на складах по деталям с ценой смотрите в карточке товара.
Артикул: 1/03329/10
нет в наличии
Штифт 3х28
Количество на схеме: 1
Информация
Штифт 3х28
Количество
1
Крепежная деталь
да
Материал
сталь 50 (сталь с пределом прочности на разрыв 490-784 (50-80) МПа (кг/мм2)
Покрытие
без покрытия
Артикул: 251644
нет в наличии
Гайка М6-6Н ОСТ 37.001.197-75
Количество на схеме: 2
Информация
Гайка М6-6Н ОСТ 37.001.197-75
Количество
2
Покрытие
без покрытия
Артикул: 5320-6804110
в наличии
Механизм перемещения сиденья водителя правый в сборе
Количество на схеме: 1
Информация
Механизм перемещения сиденья водителя правый в сборе
Количество
1
Модель
5320
Группа
Сиденье водителя
Подгруппа
Механизм регулирования сиденья водителя (и переднего сиденья)
Порядковый номер детали
110
Механизм КАМАЗ перемещения сиденья правый в сборе
Артикул: 5320-6804110
Механизм КАМАЗ перемещения сиденья правый в сборе
Код для заказа: 00038753
Цена: 3 642 ₽/шт.
Под заказ
Механизм КАМАЗ перемещения сиденья правый в сборе
Артикул: 5320-6804110
Код для заказа: 00038753
Механизм КАМАЗ перемещения сиденья правый в сборе
Цена: 3 642 ₽/шт.
Под заказ
Артикул: 5320-6804127
нет в наличии
Вкладыш ролика
Количество на схеме: 4
Информация
Вкладыш ролика
Количество
4
Модель
5320
Группа
Сиденье водителя
Подгруппа
Механизм регулирования сиденья водителя (и переднего сиденья)
Порядковый номер детали
127
Артикул: 5320-6804140
нет в наличии
Стопор механизма продольного перемещения в сборе
Количество на схеме: 1
Информация
Стопор механизма продольного перемещения в сборе
Количество
1
Модель
5320
Группа
Сиденье водителя
Подгруппа
Механизм регулирования сиденья водителя (и переднего сиденья)
Порядковый номер детали
140
Артикул: 5320-6804157
нет в наличии
Ручка привода стопора в сборе
Количество на схеме: 1
Информация
Ручка привода стопора в сборе
Количество
1
Модель
5320
Группа
Сиденье водителя
Подгруппа
Механизм регулирования сиденья водителя (и переднего сиденья)
Порядковый номер детали
157
Артикул: 5320-6804159
нет в наличии
Ось стопора
Количество на схеме: 2
Информация
Ось стопора
Количество
2
Модель
5320
Группа
Сиденье водителя
Подгруппа
Механизм регулирования сиденья водителя (и переднего сиденья)
Порядковый номер детали
159
Артикул: 5320-6804313
нет в наличии
Кронштейн крепления спинки сиденья левый
Количество на схеме: 1
Информация
Кронштейн крепления спинки сиденья левый
Количество
1
Модель
5320
Группа
Сиденье водителя
Подгруппа
Механизм регулирования сиденья водителя (и переднего сиденья)
Порядковый номер детали
313
Артикул: 5320-6804510
нет в наличии
Боковина подвески сиденья правая в сборе
Количество на схеме: 1
Информация
Боковина подвески сиденья правая в сборе
Количество
1
Модель
5320
Группа
Сиденье водителя
Подгруппа
Механизм регулирования сиденья водителя (и переднего сиденья)
Порядковый номер детали
510
Артикул: 5320-6804656
нет в наличии
Ручка в сборе
Количество на схеме: 1
Информация
Ручка в сборе
Количество
1
Модель
5320
Группа
Сиденье водителя
Подгруппа
Механизм регулирования сиденья водителя (и переднего сиденья)
Порядковый номер детали
656
Артикул: 5320-6804657
нет в наличии
Облицовка
Количество на схеме: 1
Информация
Облицовка
Количество
1
Модель
5320
Группа
Сиденье водителя
Подгруппа
Механизм регулирования сиденья водителя (и переднего сиденья)
Порядковый номер детали
657
Артикул: 5320-6804659
нет в наличии
Собачка
Количество на схеме: 1
Информация
Собачка
Количество
1
Модель
5320
Группа
Сиденье водителя
Подгруппа
Механизм регулирования сиденья водителя (и переднего сиденья)
Порядковый номер детали
659
Артикул: 5320-6804743
нет в наличии
Упор пружины ручки
Количество на схеме: 2
Информация
Упор пружины ручки
Количество
2
Модель
5320
Группа
Сиденье водителя
Подгруппа
Механизм регулирования сиденья водителя (и переднего сиденья)
Порядковый номер детали
743
Артикул: 5320-6804753
нет в наличии
Проставка ручки
Количество на схеме: 1
Информация
Проставка ручки
Количество
1
Модель
5320
Группа
Сиденье водителя
Подгруппа
Механизм регулирования сиденья водителя (и переднего сиденья)
Порядковый номер детали
753
Артикул: 5320-6804161
нет в наличии
Пружина стопора
Количество на схеме: 2
Информация
Пружина стопора
Количество
2
Модель
5320
Группа
Сиденье водителя
Подгруппа
Механизм регулирования сиденья водителя (и переднего сиденья)
Порядковый номер детали
161
Артикул: 5320-6804312
нет в наличии
Кронштейн спинки правый
Количество на схеме: 1
Информация
Кронштейн спинки правый
Количество
1
Модель
5320
Группа
Сиденье водителя
Подгруппа
Механизм регулирования сиденья водителя (и переднего сиденья)
Порядковый номер детали
312
Артикул: 5320-6804755
нет в наличии
Пружина
Количество на схеме: 1
Информация
Пружина
Количество
1
Модель
5320
Группа
Сиденье водителя
Подгруппа
Механизм регулирования сиденья водителя (и переднего сиденья)
Порядковый номер детали
755
1
1
Артикул: 5320-6804111
в наличии
Механизм перемещения сиденья водителя левый в сборе
Количество на схеме: 1
Информация
Механизм перемещения сиденья водителя левый в сборе
Количество
1
Модель
5320
Группа
Сиденье водителя
Подгруппа
Механизм регулирования сиденья водителя (и переднего сиденья)
Порядковый номер детали
111
Механизм КАМАЗ перемещения сиденья левый в сборе
Артикул: 5320-6804111
Механизм КАМАЗ перемещения сиденья левый в сборе
Код для заказа: 00038752
Цена: 2 855 ₽/шт.
Под заказ
Механизм КАМАЗ перемещения сиденья левый в сборе
Артикул: 5320-6804111
Код для заказа: 00038752
Механизм КАМАЗ перемещения сиденья левый в сборе
Цена: 2 855 ₽/шт.
Под заказ
2
2
Артикул: 5320-6804560
нет в наличии
Шарнир подвески сиденья водителя передний в сборе
Количество на схеме: 1
Информация
Шарнир подвески сиденья водителя передний в сборе
Количество
1
Модель
5320
Группа
Сиденье водителя
Подгруппа
Механизм регулирования сиденья водителя (и переднего сиденья)
Порядковый номер детали
560
3
3
Артикул: 5320-6804540
нет в наличии
Основание подвески сиденья в сборе
Количество на схеме: 1
Информация
Основание подвески сиденья в сборе
Количество
1
Модель
5320
Группа
Сиденье водителя
Подгруппа
Механизм регулирования сиденья водителя (и переднего сиденья)
Порядковый номер детали
540
4
4
Артикул: 5320-6804125
нет в наличии
Ролик механизма перемещения сиденья
Количество на схеме: 4
Информация
Ролик механизма перемещения сиденья
Количество
4
Модель
5320
Группа
Сиденье водителя
Подгруппа
Механизм регулирования сиденья водителя (и переднего сиденья)
Порядковый номер детали
125
5
5
Артикул: 5320-6804138
нет в наличии
Направляющая нижняя в сборе
Количество на схеме: 2
Информация
Направляющая нижняя в сборе
Количество
2
Модель
5320
Группа
Сиденье водителя
Подгруппа
Механизм регулирования сиденья водителя (и переднего сиденья)
Порядковый номер детали
138
6
6
Артикул: 864736
нет в наличии
Шарик Б5
Количество на схеме: 8
Информация
Шарик Б5
Количество
8
Покрытие
без покрытия
7
7
Артикул: 5320-6804134
нет в наличии
Направляющая механизма продольного перемещения сиденья верхняя в сборе
Количество на схеме: 2
Информация
Направляющая механизма продольного перемещения сиденья верхняя в сборе
Количество
2
Модель
5320
Группа
Сиденье водителя
Подгруппа
Механизм регулирования сиденья водителя (и переднего сиденья)
Порядковый номер детали
134
8
8
Артикул: 1/21647/11
в наличии
Гайка М10х1,25-6Н
Количество на схеме: 4
Информация
Гайка М10х1,25-6Н
Количество
4
Крепежная деталь
да
Материал
сталь 50 (сталь с пределом прочности на разрыв 490-784 (50-80) МПа (кг/мм2)
Покрытие
цинкование
Гайка М10х1.25х8 ВАЗ,КАМАЗ многоцелевая
Артикул: 1/21647/11
Гайка М10х1.25х8 ВАЗ,КАМАЗ многоцелевая
Код для заказа: 00027415
Цена: 11 ₽/шт.
Под заказ
Гайка М10х1.25х8 ВАЗ,КАМАЗ многоцелевая
Артикул: 1/21647/11
Код для заказа: 00027415
Гайка М10х1.25х8 ВАЗ,КАМАЗ многоцелевая
Цена: 11 ₽/шт.
Под заказ
9
9
Артикул: 251646
в наличии
Гайка М10х1,25-6Н ОСТ 37.001.197-75
Количество на схеме: 6
Информация
Гайка М10х1,25-6Н ОСТ 37.001.197-75
Количество
6
Покрытие
без покрытия
Гайка М10х1.25х11 КАМАЗ стопорная
Артикул: 251646
Гайка М10х1.25х11 КАМАЗ стопорная
Код для заказа: 00027410
Цена: 25 ₽/шт.
Под заказ
Гайка М10х1.25х11 КАМАЗ стопорная
Артикул: 251646
Код для заказа: 00027410
Гайка М10х1.25х11 КАМАЗ стопорная
Цена: 25 ₽/шт.
Под заказ
10
10
Артикул: 1/05166/77
в наличии
Шайба 8 пружинная
Количество на схеме: 8
Информация
Шайба 8 пружинная
Количество
8
Крепежная деталь
да
Материал
другие металлические материалы, т. е. не сталь, не латунь, не легкий сплав, не медь
Покрытие
специальное покрытие
Шайба КАМАЗ,УРАЛ пружинная топливного регулятора БЕЛЗАН
Артикул: 1/05166/77
Шайба КАМАЗ,УРАЛ пружинная топливного регулятора БЕЛЗАН
Код для заказа: 00063232
Цена: 3 ₽/шт.
Под заказ
Шайба КАМАЗ,УРАЛ пружинная топливного регулятора БЕЛЗАН
Артикул: 1/05166/77
Код для заказа: 00063232
Шайба КАМАЗ,УРАЛ пружинная топливного регулятора БЕЛЗАН
Цена: 3 ₽/шт.
Под заказ
11
11
Артикул: 1/61008/11
нет в наличии
Гайка М8х1,25-6Н
Количество на схеме: 4
Информация
Гайка М8х1,25-6Н
Количество
4
Крепежная деталь
да
Материал
сталь 50 (сталь с пределом прочности на разрыв 490-784 (50-80) МПа (кг/мм2)
Покрытие
цинкование
12
12
Артикул: 5320-6804568
нет в наличии
Прокладка подвески сиденья
Количество на схеме: 4
Информация
Прокладка подвески сиденья
Количество
4
Модель
5320
Группа
Сиденье водителя
Подгруппа
Механизм регулирования сиденья водителя (и переднего сиденья)
Порядковый номер детали
568
13
13
Артикул: 5320-6804617
нет в наличии
Втулка оси шарнира
Количество на схеме: 4
Информация
Втулка оси шарнира
Количество
4
Модель
5320
Группа
Сиденье водителя
Подгруппа
Механизм регулирования сиденья водителя (и переднего сиденья)
Порядковый номер детали
617
14
14
Артикул: 5320-6804614
нет в наличии
Ось соединения шарниров подвески
Количество на схеме: 4
Информация
Ось соединения шарниров подвески
Количество
4
Модель
5320
Группа
Сиденье водителя
Подгруппа
Механизм регулирования сиденья водителя (и переднего сиденья)
Порядковый номер детали
614
15
15
Артикул: 1/10880/76
нет в наличии
Шайба стопорная 9х18,5х1,1
Количество на схеме: 4
Информация
Шайба стопорная 9х18,5х1,1
Количество
4
Крепежная деталь
да
Материал
другие металлические материалы, т. е. не сталь, не латунь, не легкий сплав, не медь
Покрытие
оксидирование
16
16
Артикул: 5320-6804533
нет в наличии
Сухарь буфера
Количество на схеме: 4
Информация
Сухарь буфера
Количество
4
Модель
5320
Группа
Сиденье водителя
Подгруппа
Механизм регулирования сиденья водителя (и переднего сиденья)
Порядковый номер детали
533
17
17
Артикул: 5320-6804569-10
нет в наличии
Ролик шарнира
Количество на схеме: 2
Информация
Ролик шарнира
Количество
2
Модель
5320
Группа
Сиденье водителя
Подгруппа
Механизм регулирования сиденья водителя (и переднего сиденья)
Порядковый номер детали
569
Дополнительно
Не взаимозаменяема с деталью, выпущенной ранее под этим же номером
18
18
Артикул: 5320-6804530
нет в наличии
Буфер шарнира
Количество на схеме: 4
Информация
Буфер шарнира
Количество
4
Модель
5320
Группа
Сиденье водителя
Подгруппа
Механизм регулирования сиденья водителя (и переднего сиденья)
Порядковый номер детали
530
19
19
Артикул: 1/60434/21
нет в наличии
Болт М8-6gх20
Количество на схеме: 1
Информация
Болт М8-6gх20
Количество
1
Крепежная деталь
да
Материал
сталь 80 (сталь с пределом прочности на разрыв 784-980 (80-100) МПа (кг/мм2)
Покрытие
цинкование
20
20
Артикул: 1/05166/21
нет в наличии
Шайба 8 пружинная
Количество на схеме: 1
Информация
Шайба 8 пружинная
Количество
1
Крепежная деталь
да
Материал
сталь 80 (сталь с пределом прочности на разрыв 784-980 (80-100) МПа (кг/мм2)
Покрытие
цинкование
21
21
Артикул: 5320-6804751
нет в наличии
Подкладка ручки
Количество на схеме: 1
Информация
Подкладка ручки
Количество
1
Модель
5320
Группа
Сиденье водителя
Подгруппа
Механизм регулирования сиденья водителя (и переднего сиденья)
Порядковый номер детали
751
22
22
Артикул: 5320-6804756
нет в наличии
Ручка регулировки торсиона в сборе
Количество на схеме: 1
Информация
Ручка регулировки торсиона в сборе
Количество
1
Модель
5320
Группа
Сиденье водителя
Подгруппа
Механизм регулирования сиденья водителя (и переднего сиденья)
Порядковый номер детали
756
23
23
Артикул: 5320-6804749
нет в наличии
Звездочка винта
Количество на схеме: 1
Информация
Звездочка винта
Количество
1
Модель
5320
Группа
Сиденье водителя
Подгруппа
Механизм регулирования сиденья водителя (и переднего сиденья)
Порядковый номер детали
749
24
24
Артикул: 5320-6804681
нет в наличии
Подкладка ручки
Количество на схеме: 2
Информация
Подкладка ручки
Количество
2
Модель
5320
Группа
Сиденье водителя
Подгруппа
Механизм регулирования сиденья водителя (и переднего сиденья)
Порядковый номер детали
681
25
25
Артикул: 864767(108903)
нет в наличии
Подшипник
Количество на схеме: 1
Информация
Подшипник
Количество
1
Покрытие
без покрытия
26
26
Артикул: 5320-6804665
нет в наличии
Винт регулировки торсиона
Количество на схеме: 1
Информация
Винт регулировки торсиона
Количество
1
Модель
5320
Группа
Сиденье водителя
Подгруппа
Механизм регулирования сиденья водителя (и переднего сиденья)
Порядковый номер детали
665
27
27
Артикул: 5320-6804592
нет в наличии
Окантовка трубы торсиона подвески сиденья
Количество на схеме: 2
Информация
Окантовка трубы торсиона подвески сиденья
Количество
2
Модель
5320
Группа
Сиденье водителя
Подгруппа
Механизм регулирования сиденья водителя (и переднего сиденья)
Порядковый номер детали
592
28
28
Артикул: 5320-6804625
нет в наличии
Вилка торсиона подвески
Количество на схеме: 1
Информация
Вилка торсиона подвески
Количество
1
Модель
5320
Группа
Сиденье водителя
Подгруппа
Механизм регулирования сиденья водителя (и переднего сиденья)
Порядковый номер детали
625
29
29
Артикул: 5320-6804327
нет в наличии
Пружина регулировочная
Количество на схеме: 2
Информация
Пружина регулировочная
Количество
2
Модель
5320
Группа
Сиденье водителя
Подгруппа
Механизм регулирования сиденья водителя (и переднего сиденья)
Порядковый номер детали
327
30
30
Артикул: 1/04315/00
нет в наличии
Заклепка 6х14
Количество на схеме: 4
Информация
Заклепка 6х14
Количество
4
Крепежная деталь
да
Материал
сталь 40 (сталь с пределом прочности на разрыв 333-490 (34-50) МПа (кг/мм2)
Покрытие
без покрытия
31
31
Артикул: 5320-6804741
нет в наличии
Ограничитель винта
Количество на схеме: 1
Информация
Ограничитель винта
Количество
1
Модель
5320
Группа
Сиденье водителя
Подгруппа
Механизм регулирования сиденья водителя (и переднего сиденья)
Порядковый номер детали
741
32
32
Артикул: 1/07969/01
нет в наличии
Шплинт 3,7х25
Количество на схеме: 1
Информация
Шплинт 3,7х25
Количество
1
Крепежная деталь
да
Материал
сталь 40 (сталь с пределом прочности на разрыв 333-490 (34-50) МПа (кг/мм2)
Покрытие
цинкование
33
33
Артикул: 5320-6804683
нет в наличии
Втулка скользящая
Количество на схеме: 1
Информация
Втулка скользящая
Количество
1
Модель
5320
Группа
Сиденье водителя
Подгруппа
Механизм регулирования сиденья водителя (и переднего сиденья)
Порядковый номер детали
683
34
34
Артикул: 1/05166/77
в наличии
Шайба 8 пружинная
Количество на схеме: 4
Информация
Шайба 8 пружинная
Количество
4
Крепежная деталь
да
Материал
другие металлические материалы, т. е. не сталь, не латунь, не легкий сплав, не медь
Покрытие
специальное покрытие
Шайба КАМАЗ,УРАЛ пружинная топливного регулятора БЕЛЗАН
Артикул: 1/05166/77
Шайба КАМАЗ,УРАЛ пружинная топливного регулятора БЕЛЗАН
Код для заказа: 00063232
Цена: 3 ₽/шт.
Под заказ
Шайба КАМАЗ,УРАЛ пружинная топливного регулятора БЕЛЗАН
Артикул: 1/05166/77
Код для заказа: 00063232
Шайба КАМАЗ,УРАЛ пружинная топливного регулятора БЕЛЗАН
Цена: 3 ₽/шт.
Под заказ
35
35
Артикул: 1/61096/11
нет в наличии
Гайка глухая
Количество на схеме: 4
Информация
Гайка глухая
Количество
4
Крепежная деталь
да
Материал
сталь 50 (сталь с пределом прочности на разрыв 490-784 (50-80) МПа (кг/мм2)
Покрытие
цинкование
36
36
Артикул: 5320-6804675
нет в наличии
Шайба специальная
Количество на схеме: 2
Информация
Шайба специальная
Количество
2
Модель
5320
Группа
Сиденье водителя
Подгруппа
Механизм регулирования сиденья водителя (и переднего сиденья)
Порядковый номер детали
675
37
37
Артикул: 5320-6804653
нет в наличии
Буфер амортизатора наружный
Количество на схеме: 2
Информация
Буфер амортизатора наружный
Количество
2
Модель
5320
Группа
Сиденье водителя
Подгруппа
Механизм регулирования сиденья водителя (и переднего сиденья)
Порядковый номер детали
653
38
38
Артикул: 5320-6804643
нет в наличии
Поперечина крепления амортизатора подвески сиденья
Количество на схеме: 1
Информация
Поперечина крепления амортизатора подвески сиденья
Количество
1
Модель
5320
Группа
Сиденье водителя
Подгруппа
Механизм регулирования сиденья водителя (и переднего сиденья)
Порядковый номер детали
643
39
39
Артикул: 5320-6804655
нет в наличии
Буфер амортизатора внутренний
Количество на схеме: 2
Информация
Буфер амортизатора внутренний
Количество
2
Модель
5320
Группа
Сиденье водителя
Подгруппа
Механизм регулирования сиденья водителя (и переднего сиденья)
Порядковый номер детали
655
40
40
Артикул: 5320-6804672
нет в наличии
Амортизатор однотрубный в сборе
Количество на схеме: 1
Информация
Амортизатор однотрубный в сборе
Количество
1
Модель
5320
Группа
Сиденье водителя
Подгруппа
Механизм регулирования сиденья водителя (и переднего сиденья)
Порядковый номер детали
672
41
41
Артикул: 5320-6804511
нет в наличии
Боковина подвески сиденья левая в сборе
Количество на схеме: 1
Информация
Боковина подвески сиденья левая в сборе
Количество
1
Модель
5320
Группа
Сиденье водителя
Подгруппа
Механизм регулирования сиденья водителя (и переднего сиденья)
Порядковый номер детали
511
42
42
Артикул: 5320-6804627
нет в наличии
Держатель торсиона
Количество на схеме: 1
Информация
Держатель торсиона
Количество
1
Модель
5320
Группа
Сиденье водителя
Подгруппа
Механизм регулирования сиденья водителя (и переднего сиденья)
Порядковый номер детали
627
43
43
Артикул: 5320-6804623
нет в наличии
Торсион подвески сиденья
Количество на схеме: 2
Информация
Торсион подвески сиденья
Количество
2
Модель
5320
Группа
Сиденье водителя
Подгруппа
Механизм регулирования сиденья водителя (и переднего сиденья)
Порядковый номер детали
623
44
44
Артикул: 5320-6804570
нет в наличии
Шарнир подвески сиденья водителя задний в сборе
Количество на схеме: 1
Информация
Шарнир подвески сиденья водителя задний в сборе
Количество
1
Модель
5320
Группа
Сиденье водителя
Подгруппа
Механизм регулирования сиденья водителя (и переднего сиденья)
Порядковый номер детали
570
45
45
Артикул: 1/32796/01
нет в наличии
Винт с крестообразным шлицем
Количество на схеме: 4
Информация
Винт с крестообразным шлицем
Количество
4
Крепежная деталь
да
Материал
сталь 40 (сталь с пределом прочности на разрыв 333-490 (34-50) МПа (кг/мм2)
Покрытие
цинкование
46
46
Артикул: 5320-6804163
нет в наличии
Стяжка механизма перемещения сиденья
Количество на схеме: 1
Информация
Стяжка механизма перемещения сиденья
Количество
1
Модель
5320
Группа
Сиденье водителя
Подгруппа
Механизм регулирования сиденья водителя (и переднего сиденья)
Порядковый номер детали
163
  • Грузовые автомобили
  • Автобусы
  • Сельхозтехника
  • Спецтехника
  • Двигатели
Получить оптовый прайс-лист
Скачать прайс-лист от 07.05.2026 12:00
Специальное предложение от 07.05.2026 13:00
Производители:


  • WEICHAI
  • Автодизель ПАО (ЯМЗ)
  • Тутаевский МЗ
  • ЯЗДА
  • УралАЗ
  • МАЗ
  • АЗПИ
  • BOSCH
  • ММЗ
  • ШААЗ
  • FEDERAL MOGUL
  • ПРАМО
  • Мотордеталь
  • ТАИМ
  • АвтоКрАЗ
  • БЕЛКАРД
  • CZ Strakonice
  • КамАЗ
  • БЗА
  • ЧМЗ
  • BMZ
Новости
Все новости
25 марта 2024
Флагманский седельный тягач «Валдай 45» на выставке «TransRussia»
10 марта 2024
Современные автобусы «CITYMAX 9» и ЛиАЗ-5292 CNG
25 февраля 2024
Серийное производство средних дизельных двигателей повышенной мощности от ЯМЗ
Статьи
Все статьи
Датчики двигателя: за что они отвечают, признаки неисправности и как не прогадать с выбором
Двигатели ЯМЗ-534: история, технические характеристики и области применения
Двигатели ЯМЗ 650: углублённый технический обзор и история
Компания
О компании
Реквизиты
Новости
Политика
Магазины
Информация
Условия оплаты
Условия доставки
Гарантия на товар
Обмен и возврат товара
Помощь
Как оформить заказ
Полезные статьи
Бренды
Пункты выдачи
Оставайтесь на связи
  • Вконтакте
  • YouTube
  • Одноклассники
  • Google Plus
Увидели ошибку?
Выделите, нажав Ctrl + Enter
Наши контакты
8-800-700-35-68
sales@din76.ru
г. Ярославль, Ленинградский пр-т 33, ТЦ "ОМЕГА"
2026 © ООО «Динамика 76» - Все права защищены ООО "Динамика 76"
Предложения на сайте не являются публичной офертой.
На сайте обнаружена ошибка

Текст с ошибкой