Избранное 0 Корзина 0 Личный кабинет
logo
Каталог
Каталог
  • Справочник
    • Грузовые автомобили
    • Автобусы
    • Сельхозтехника
    • Спецтехника
    • Двигатели
  • Доставка
  • Оплата
  • О компании
    • Реквизиты
    • Магазины
    • Оплата
    • Доставка
    • Лицензии и сертификаты
    • Новости
    • Вакансии
  • Контакты
Отправить заявку
Личный кабинет
8 (800) 700-35-68
sales@din76.ru
Избранное 0 Корзина 0
8 (800) 700-35-68
Оптовый прайс-лист
Каталог
  • Двигатели
  • Запчасти WEICHAI
  • Запчасти ЯМЗ, ТМЗ (V-образные)
  • Запчасти ЯМЗ-534, ЯМЗ-536
  • Запчасти ЯМЗ-650, ЯМЗ-651, DCi-11
  • Топливная аппаратура
  • Запчасти УРАЛ
  • Запчасти МАЗ
  • Запчасти КамАЗ
  • Запчасти ММЗ
  • Ремни
Автокаталог (справочник)
  • Доставка
  • Оплата
  • О компании
  • Контакты
8 (800) 700-35-68
Написать в Whatsapp
sales@din76.ru
Динамика 76
Меню  
  • Каталог
    • Двигатели  
      • Двигатели ТМЗ  
        • Двигатели ТМЗ для автомобилей
        • Двигатели ТМЗ для тракторов
        • Специальные двигатели ТМЗ
        • Промышленные двигатели ТМЗ
      • Двигатели ЯМЗ  
        • ЯМЗ 236
        • ЯМЗ 238
        • ЯМЗ 240
        • ЯМЗ 751
        • ЯМЗ 840
        • ЯМЗ 850
        • ЯМЗ 656
        • ЯМЗ 658
        • ЯМЗ 534
        • ЯМЗ 536
        • ЯМЗ 650
        • Двигатели ЯМЗ для электростанций
      • Двигатели КАМАЗ
      • Двигатели ММЗ
      • Двигатели индивидуальной сборки
      • Комплекты переоборудования
    • Запчасти WEICHAI  
      • Основные запчасти двигателя  
        • Клапаны и толкатели
        • Шатуны
        • Вал коленчатый и маховик
        • Вал распределительный
        • Цилиндро-поршневая группа
      • Система питания  
        • Форсунки
        • Турбокомпрессор
      • Система смазки  
        • Насос масляный
      • Головка блока
      • Ремкомплекты
      • Система охлаждения  
        • Насос водяной
        • Муфта вязкостная и крыльчатка
      • Фильтры
      • Электрооборудование  
        • Генератор
        • Стартер
    • Запчасти ЯМЗ, ТМЗ (V-образные)  
      • Основные запчасти двигателя  
        • Блок двигателя и комплектующие
        • Валы распределительные и клапаны
        • Головка блока и комплектующие
        • Цилиндро-поршневая группа
        • Маховики и комплектующие
        • Валы коленчатые и комплектующие
        • Шатуны и комплектующие
      • Система питания  
        • Коллекторы и патрубки
        • Топливные трубопроводы
        • Турбокомпрессор
        • Топливные фильтры
      • Электрооборудование двигателя
      • Система охлаждения  
        • Вязкостные муфты и крыльчатки
        • Приводы вентилятора
        • Водяные насосы
        • Водяные трубы и термостаты
      • Коробки переключения передач  
        • 8 Ступенчатые КПП
        • 5 Ступенчатые КПП
        • 9 Ступенчатые КПП
        • Запасные части КПП ЯМЗ, ТМЗ
      • Система смазки  
        • Теплообменник и комплектующие
        • Масляные насосы
        • Фильтры масляные (ФГОМ, ФЦОМ)
      • Сцепление  
        • Запасные части механизма сцепления
        • Муфты (подшипники выжимные)
        • Корзины (диски нажимные)
        • Диски ведомые
      • Прочие запчасти двигателя  
        • Ремкомплекты
        • Привод агрегатов
        • Натяжные устройства
        • Трубки
    • Запчасти ЯМЗ-534, ЯМЗ-536  
      • Основные запчасти двигателя  
        • Цилиндро-поршневая группа
        • Головка блока цилиндров и комплектующие
        • Блок цилиндров и комплектующие
        • Вал коленчатый и маховик
        • Вал распределительный
        • Клапаны и толкатели
        • ГУР (Гидроусилитель руля)
        • Система рециркуляции отработавших газов
        • Выпускной коллектор
      • Система питания  
        • Коллекторы и патрубки
        • Топливные фильтры
        • Турбокомпрессор
        • Топливные трубопроводы
      • Система смазки  
        • Масляный картер поддон
        • Масляный насос
        • Теплообменник /Водо-масляный радиатор
        • Фильтры масляные (ФГОМ, ФЦОМ)
      • Пневмокомпрессор и натяжное
      • Система охлаждения  
        • Водяной насос
        • Водяные трубы и патрубки
        • Муфты вязкостные, приводы, крыльчатки
      • Ремкомплекты
      • Сцепление
      • Электрооборудование
    • Запчасти ЯМЗ-650, ЯМЗ-651, DCi-11  
      • Основные запчасти двигателя  
        • Цилиндро-поршневая группа
        • Головка блока цилиндров и комплектующие
        • Блок цилиндров и комплектующие
        • Вал коленчатый и маховик
        • Выпускной коллектор
        • Вал распределительный
        • Клапаны и толкатели
        • ГУР (Гидроусилитель руля)
        • Система рециркуляции отработавших газов
      • Система питания  
        • Коллекторы и патрубки
        • Топливные трубопроводы
        • Топливные фильтры
        • Турбокомпрессор
      • Система смазки  
        • Масляный картер / поддон
        • Масляный насос
        • Теплообменник / Водо-масляный радиатор
        • Фильтры масляные (ФГОМ, ФЦОМ)
      • Система охлаждения  
        • Водяной насос
        • Водяные трубы и патрубки
        • Муфты вязкостные, приводы, крыльчатки
      • Ремкомплекты
      • Пневмокомпрессор и натяжное
      • Электрооборудование
      • Сцепление
    • Топливная аппаратура  
      • ЯЗДА  
        • Распылители
        • ТНВД
        • Форсунки
        • Топливный насос низкого давления
        • Пары плунжерные
        • Муфта опережения впрыска топлива
        • Запчасти и комплектующие ТНВД
      • НЗТА
      • АЗПИ  
        • Распылители
        • Форсунки
      • BOSCH
    • Запчасти УРАЛ  
      • Трансмиссия  
        • Коробка раздаточная
        • Передача карданная
        • Мост задний
        • Мост передний (ведущий)
        • Мост средний (промежуточный)
      • Кузов  
        • Дверь кабины
        • Капот, крылья, облицовка радиатора
        • Окно ветровое и заднее
        • Отопление и вентиляция кабины
        • Кабина
      • Механизмы управления  
        • Управление рулевое
        • Тормоза
      • Дополнительное оборудование  
        • Отбор мощности
        • Устройство седельное
      • Электрооборудование
      • Ходовая часть  
        • Колеса и ступицы
        • Ось передняя
        • Подвеска автомобиля
        • Рама
    • Запчасти МАЗ  
      • Трансмиссия  
        • Мост задний
        • Мост передний (ведущий)
        • Передача карданная
        • Мост средний (промежуточный)
      • Кузов  
        • Кабина
        • Дверь кабины
        • Детали основания кабины
        • Окно ветровое и заднее
        • Платформа
      • Механизмы управления  
        • Тормоза
        • Управление рулевое
      • Ходовая часть  
        • Колеса и ступицы
        • Ось передняя
        • Подвеска автомобиля
        • Рама
    • Запчасти КамАЗ  
      • Кузов  
        • Кабина
        • Капот, крылья, облицовка радиатора
        • Дверь кабины
        • Платформа
        • Окно ветровое и заднее
        • Устройство подъемное и опрокидывающее
        • Сиденье
        • Крыша кабины (крыша кузова)
        • Отопление и вентиляция кабины
      • Трансмиссия  
        • Коробка передач
        • Коробка раздаточная
        • Мост задний
        • Сцепление
        • Мост средний (промежуточный)
        • Передача карданная
        • Мост передний (ведущий)
      • Двигатель  
        • Основные запчасти двигателя
        • Система охлаждения
        • Система питания
        • Система смазки
      • Дополнительное оборудование  
        • Отбор мощности
        • Устройство седельное
      • Ходовая часть  
        • Подвеска автомобиля
        • Рама
        • Колеса и ступицы
        • Ось передняя
      • Механизмы управления  
        • Тормоза
        • Управление рулевое
      • Электрооборудование
    • Запчасти ММЗ
    • Ремни
  • Справочник
    • Грузовые автомобили
    • Автобусы
    • Сельхозтехника
    • Спецтехника
    • Двигатели
  • Как купить
    • Условия оплаты
    • Условия доставки
    • Гарантия на товар
    • Пункты выдачи
  • Услуги
    • Капитальный ремонт двигателей ЯМЗ
  • Акции
  • Статьи
  • Контакты
  • Компания
    • Реквизиты
    • Магазины
    • Оплата
    • Доставка
    • Лицензии и сертификаты
    • Новости
    • Вакансии
Избранное 0 Корзина 0
8-800-700-35-68

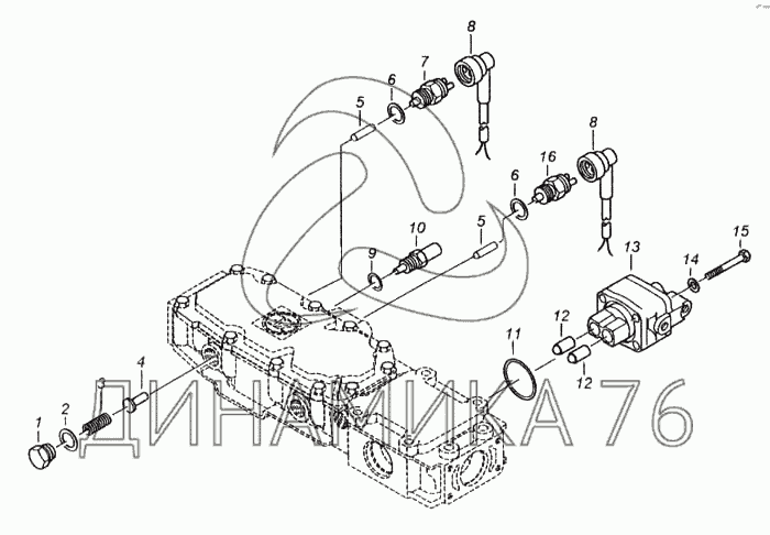
Установка датчиков механизма переключения передач на 5460 (до 2005 г.)

Справочник
Главная
-
Автокаталог
-
Грузовые автомобили и прицепы
-
Камский автозавод
-
5460
Справочный каталог

Установка датчиков механизма переключения передач — 5460:

1 2 3 4 5 5 6 6 7 8 8 9 9 9 9 9 9 9 9 9 9 9 9 9 9 9 10 11 12 12 13 14 15
в наличии
нет в наличии
масштаб

В наличии
Нет в наличии

Перечень комплектующих от Установка датчиков механизма переключения передач на 5460

Схемы запчастей предназначены для справочных целей! Мы продаем не все запчасти от Установка датчиков механизма переключения передач на 5460, представленные в этом списке.
Наличие на складах по деталям с ценой смотрите в карточке товара.
1
1
Артикул: 1315307-019
нет в наличии
Пробка
Количество на схеме: 1
Информация
Пробка
Количество
1
Группа
Система охлаждения
Подгруппа
1315
Порядковый номер детали
307
2
2
Артикул: 0730-009-515
нет в наличии
Уплотнительное кольцо
Количество на схеме: 1
Информация
Уплотнительное кольцо
Количество
1
3
3
Артикул: 0732-041-612
нет в наличии
Нажимная пружина
Количество на схеме: 1
Информация
Нажимная пружина
Количество
1
4
4
Артикул: 1315-307-173
нет в наличии
Винт
Количество на схеме: 1
Информация
Винт
Количество
1
5
5
Артикул: 0731-208-230
нет в наличии
Штифт
Количество на схеме: 2
Информация
Штифт
Количество
2
6
6
Артикул: 0634-801-062
нет в наличии
Кольцо уплотнительное
Количество на схеме: 2
Информация
Кольцо уплотнительное
Количество
2
7
7
Артикул: 0501210-058
нет в наличии
Выключатель
Количество на схеме: 1
Информация
Выключатель
Количество
1
Подгруппа
0501
Порядковый номер детали
210
8
8
Артикул: 6029-199-111
нет в наличии
Поставка в разобранном виде
Количество на схеме: 2
Информация
Поставка в разобранном виде
Количество
2
9
9
Артикул: 0730-007-612
нет в наличии
Шайба (толщина 1.90 мм)
Информация
Шайба (толщина 1.90 мм)
9
9
Артикул: 0730-007-613
нет в наличии
Шайба (толщина 2.00 мм)
Информация
Шайба (толщина 2.00 мм)
9
9
Артикул: 0730-007-614
нет в наличии
Шайба (толщина 2.10 мм)
Информация
Шайба (толщина 2.10 мм)
9
9
Артикул: 0730-007-615
нет в наличии
Шайба (толщина 2.20 мм)
Информация
Шайба (толщина 2.20 мм)
9
9
Артикул: 0730-007-616
нет в наличии
Шайба (толщина 2.30 мм)
Информация
Шайба (толщина 2.30 мм)
9
9
Артикул: 0730-007-617
нет в наличии
Шайба (толщина 2.40 мм)
Информация
Шайба (толщина 2.40 мм)
9
9
Артикул: 0730-007-618
нет в наличии
Шайба (толщина 2.50 мм)
Информация
Шайба (толщина 2.50 мм)
9
9
Артикул: 0730-007-619
нет в наличии
Шайба (толщина 2.60 мм)
Информация
Шайба (толщина 2.60 мм)
9
9
Артикул: 0730-007-620
нет в наличии
Шайба (толщина 2.70 мм)
Информация
Шайба (толщина 2.70 мм)
9
9
Артикул: 0730-007-621
нет в наличии
Шайба (толщина 2.80 мм)
Информация
Шайба (толщина 2.80 мм)
9
9
Артикул: 0730-007-831
нет в наличии
Шайба (толщина 2.90 мм)
Информация
Шайба (толщина 2.90 мм)
9
9
Артикул: 0730-007-832
нет в наличии
Шайба (толщина 3.00 мм)
Информация
Шайба (толщина 3.00 мм)
9
9
Артикул: 0730-007-833
нет в наличии
Шайба (толщина 3.10 мм)
Информация
Шайба (толщина 3.10 мм)
9
9
Артикул: 0730-007-834
нет в наличии
Шайба (толщина 3.20 мм)
Информация
Шайба (толщина 3.20 мм)
9
9
Артикул: 0730-007-835
нет в наличии
Шайба (толщина 3.30 мм)
Информация
Шайба (толщина 3.30 мм)
10
10
Артикул: 1315-207-015
нет в наличии
Ограничитель
Количество на схеме: 1
Информация
Ограничитель
Количество
1
11
11
Артикул: 0634-313-505
нет в наличии
Прокладка кольцеобразная
Количество на схеме: 1
Информация
Прокладка кольцеобразная
Количество
1
12
12
Артикул: 0501-209-188
в наличии
Шариковый подшипник
Количество на схеме: 2
Информация
Шариковый подшипник
Количество
2
Толкатель КАМАЗ клапана включения демультипликатора КПП ZF 16S 151
Артикул: 0501-209-188
Толкатель КАМАЗ клапана включения демультипликатора КПП ZF 16S 151
Код для заказа: 00056570
Цена: 963 ₽/шт.
Под заказ
Толкатель КАМАЗ клапана включения демультипликатора КПП ZF 16S 151
Артикул: 0501-209-188
Код для заказа: 00056570
Толкатель КАМАЗ клапана включения демультипликатора КПП ZF 16S 151
Цена: 963 ₽/шт.
Под заказ
13
13
Артикул: 6038-202-035
нет в наличии
Разделительный клапан
Количество на схеме: 1
Информация
Разделительный клапан
Количество
1
14
14
Артикул: 0630-001-075
нет в наличии
Шайба
Количество на схеме: 4
Информация
Шайба
Количество
4
15
15
Артикул: 0636-010-575
нет в наличии
Болт
Количество на схеме: 4
Информация
Болт
Количество
4
  • Грузовые автомобили
  • Автобусы
  • Сельхозтехника
  • Спецтехника
  • Двигатели
Получить оптовый прайс-лист
Скачать прайс-лист от 06.05.2026 08:00
Специальное предложение от 06.05.2026 09:00
Производители:


  • WEICHAI
  • Автодизель ПАО (ЯМЗ)
  • Тутаевский МЗ
  • ЯЗДА
  • УралАЗ
  • МАЗ
  • АЗПИ
  • BOSCH
  • ММЗ
  • ШААЗ
  • FEDERAL MOGUL
  • ПРАМО
  • Мотордеталь
  • ТАИМ
  • АвтоКрАЗ
  • БЕЛКАРД
  • CZ Strakonice
  • КамАЗ
  • БЗА
  • ЧМЗ
  • BMZ
Новости
Все новости
25 марта 2024
Флагманский седельный тягач «Валдай 45» на выставке «TransRussia»
10 марта 2024
Современные автобусы «CITYMAX 9» и ЛиАЗ-5292 CNG
25 февраля 2024
Серийное производство средних дизельных двигателей повышенной мощности от ЯМЗ
Статьи
Все статьи
Датчики двигателя: за что они отвечают, признаки неисправности и как не прогадать с выбором
Двигатели ЯМЗ-534: история, технические характеристики и области применения
Двигатели ЯМЗ 650: углублённый технический обзор и история
Компания
О компании
Реквизиты
Новости
Политика
Магазины
Информация
Условия оплаты
Условия доставки
Гарантия на товар
Обмен и возврат товара
Помощь
Как оформить заказ
Полезные статьи
Бренды
Пункты выдачи
Оставайтесь на связи
  • Вконтакте
  • YouTube
  • Одноклассники
  • Google Plus
Увидели ошибку?
Выделите, нажав Ctrl + Enter
Наши контакты
8-800-700-35-68
sales@din76.ru
г. Ярославль, Ленинградский пр-т 33, ТЦ "ОМЕГА"
2026 © ООО «Динамика 76» - Все права защищены ООО "Динамика 76"
Предложения на сайте не являются публичной офертой.
На сайте обнаружена ошибка

Текст с ошибкой