Избранное 0 Корзина 0 Личный кабинет
logo
Каталог
Каталог
  • Справочник
    • Грузовые автомобили
    • Автобусы
    • Сельхозтехника
    • Спецтехника
    • Двигатели
  • Доставка
  • Оплата
  • О компании
    • Реквизиты
    • Магазины
    • Оплата
    • Доставка
    • Лицензии и сертификаты
    • Новости
    • Вакансии
  • Контакты
Отправить заявку
Личный кабинет
8 (800) 700-35-68
sales@din76.ru
Избранное 0 Корзина 0
8 (800) 700-35-68
Оптовый прайс-лист
Каталог
  • Двигатели
  • Запчасти WEICHAI
  • Запчасти ЯМЗ, ТМЗ (V-образные)
  • Запчасти ЯМЗ-534, ЯМЗ-536
  • Запчасти ЯМЗ-650, ЯМЗ-651, DCi-11
  • Топливная аппаратура
  • Запчасти УРАЛ
  • Запчасти МАЗ
  • Запчасти КамАЗ
  • Запчасти ММЗ
  • Ремни
Автокаталог (справочник)
  • Доставка
  • Оплата
  • О компании
  • Контакты
8 (800) 700-35-68
Написать в Whatsapp
sales@din76.ru
Динамика 76
Меню  
  • Каталог
    • Двигатели  
      • Двигатели ТМЗ  
        • Двигатели ТМЗ для автомобилей
        • Двигатели ТМЗ для тракторов
        • Специальные двигатели ТМЗ
        • Промышленные двигатели ТМЗ
      • Двигатели ЯМЗ  
        • ЯМЗ 236
        • ЯМЗ 238
        • ЯМЗ 240
        • ЯМЗ 751
        • ЯМЗ 840
        • ЯМЗ 850
        • ЯМЗ 656
        • ЯМЗ 658
        • ЯМЗ 534
        • ЯМЗ 536
        • ЯМЗ 650
        • Двигатели ЯМЗ для электростанций
      • Двигатели КАМАЗ
      • Двигатели ММЗ
      • Двигатели индивидуальной сборки
      • Комплекты переоборудования
    • Запчасти WEICHAI  
      • Основные запчасти двигателя  
        • Клапаны и толкатели
        • Шатуны
        • Вал коленчатый и маховик
        • Вал распределительный
        • Цилиндро-поршневая группа
      • Система питания  
        • Форсунки
        • Турбокомпрессор
      • Система смазки  
        • Насос масляный
      • Головка блока
      • Ремкомплекты
      • Система охлаждения  
        • Насос водяной
        • Муфта вязкостная и крыльчатка
      • Фильтры
      • Электрооборудование  
        • Генератор
        • Стартер
    • Запчасти ЯМЗ, ТМЗ (V-образные)  
      • Основные запчасти двигателя  
        • Блок двигателя и комплектующие
        • Валы распределительные и клапаны
        • Головка блока и комплектующие
        • Цилиндро-поршневая группа
        • Маховики и комплектующие
        • Валы коленчатые и комплектующие
        • Шатуны и комплектующие
      • Система питания  
        • Коллекторы и патрубки
        • Топливные трубопроводы
        • Турбокомпрессор
        • Топливные фильтры
      • Электрооборудование двигателя
      • Система охлаждения  
        • Вязкостные муфты и крыльчатки
        • Приводы вентилятора
        • Водяные насосы
        • Водяные трубы и термостаты
      • Коробки переключения передач  
        • 8 Ступенчатые КПП
        • 5 Ступенчатые КПП
        • 9 Ступенчатые КПП
        • Запасные части КПП ЯМЗ, ТМЗ
      • Система смазки  
        • Теплообменник и комплектующие
        • Масляные насосы
        • Фильтры масляные (ФГОМ, ФЦОМ)
      • Сцепление  
        • Запасные части механизма сцепления
        • Муфты (подшипники выжимные)
        • Корзины (диски нажимные)
        • Диски ведомые
      • Прочие запчасти двигателя  
        • Ремкомплекты
        • Привод агрегатов
        • Натяжные устройства
        • Трубки
    • Запчасти ЯМЗ-534, ЯМЗ-536  
      • Основные запчасти двигателя  
        • Цилиндро-поршневая группа
        • Головка блока цилиндров и комплектующие
        • Блок цилиндров и комплектующие
        • Вал коленчатый и маховик
        • Вал распределительный
        • Клапаны и толкатели
        • ГУР (Гидроусилитель руля)
        • Система рециркуляции отработавших газов
        • Выпускной коллектор
      • Система питания  
        • Коллекторы и патрубки
        • Топливные фильтры
        • Турбокомпрессор
        • Топливные трубопроводы
      • Система смазки  
        • Масляный картер поддон
        • Масляный насос
        • Теплообменник /Водо-масляный радиатор
        • Фильтры масляные (ФГОМ, ФЦОМ)
      • Пневмокомпрессор и натяжное
      • Система охлаждения  
        • Водяной насос
        • Водяные трубы и патрубки
        • Муфты вязкостные, приводы, крыльчатки
      • Ремкомплекты
      • Сцепление
      • Электрооборудование
    • Запчасти ЯМЗ-650, ЯМЗ-651, DCi-11  
      • Основные запчасти двигателя  
        • Цилиндро-поршневая группа
        • Головка блока цилиндров и комплектующие
        • Блок цилиндров и комплектующие
        • Вал коленчатый и маховик
        • Выпускной коллектор
        • Вал распределительный
        • Клапаны и толкатели
        • ГУР (Гидроусилитель руля)
        • Система рециркуляции отработавших газов
      • Система питания  
        • Коллекторы и патрубки
        • Топливные трубопроводы
        • Топливные фильтры
        • Турбокомпрессор
      • Система смазки  
        • Масляный картер / поддон
        • Масляный насос
        • Теплообменник / Водо-масляный радиатор
        • Фильтры масляные (ФГОМ, ФЦОМ)
      • Система охлаждения  
        • Водяной насос
        • Водяные трубы и патрубки
        • Муфты вязкостные, приводы, крыльчатки
      • Ремкомплекты
      • Пневмокомпрессор и натяжное
      • Электрооборудование
      • Сцепление
    • Топливная аппаратура  
      • ЯЗДА  
        • Распылители
        • ТНВД
        • Форсунки
        • Топливный насос низкого давления
        • Пары плунжерные
        • Муфта опережения впрыска топлива
        • Запчасти и комплектующие ТНВД
      • НЗТА
      • АЗПИ  
        • Распылители
        • Форсунки
      • BOSCH
    • Запчасти УРАЛ  
      • Трансмиссия  
        • Коробка раздаточная
        • Передача карданная
        • Мост задний
        • Мост передний (ведущий)
        • Мост средний (промежуточный)
      • Кузов  
        • Дверь кабины
        • Капот, крылья, облицовка радиатора
        • Окно ветровое и заднее
        • Отопление и вентиляция кабины
        • Кабина
      • Механизмы управления  
        • Управление рулевое
        • Тормоза
      • Дополнительное оборудование  
        • Отбор мощности
        • Устройство седельное
      • Электрооборудование
      • Ходовая часть  
        • Колеса и ступицы
        • Ось передняя
        • Подвеска автомобиля
        • Рама
    • Запчасти МАЗ  
      • Трансмиссия  
        • Мост задний
        • Мост передний (ведущий)
        • Передача карданная
        • Мост средний (промежуточный)
      • Кузов  
        • Кабина
        • Дверь кабины
        • Детали основания кабины
        • Окно ветровое и заднее
        • Платформа
      • Механизмы управления  
        • Тормоза
        • Управление рулевое
      • Ходовая часть  
        • Колеса и ступицы
        • Ось передняя
        • Подвеска автомобиля
        • Рама
    • Запчасти КамАЗ  
      • Кузов  
        • Кабина
        • Капот, крылья, облицовка радиатора
        • Дверь кабины
        • Платформа
        • Окно ветровое и заднее
        • Устройство подъемное и опрокидывающее
        • Сиденье
        • Крыша кабины (крыша кузова)
        • Отопление и вентиляция кабины
      • Трансмиссия  
        • Коробка передач
        • Коробка раздаточная
        • Мост задний
        • Сцепление
        • Мост средний (промежуточный)
        • Передача карданная
        • Мост передний (ведущий)
      • Двигатель  
        • Основные запчасти двигателя
        • Система охлаждения
        • Система питания
        • Система смазки
      • Дополнительное оборудование  
        • Отбор мощности
        • Устройство седельное
      • Ходовая часть  
        • Подвеска автомобиля
        • Рама
        • Колеса и ступицы
        • Ось передняя
      • Механизмы управления  
        • Тормоза
        • Управление рулевое
      • Электрооборудование
    • Запчасти ММЗ
    • Ремни
  • Справочник
    • Грузовые автомобили
    • Автобусы
    • Сельхозтехника
    • Спецтехника
    • Двигатели
  • Как купить
    • Условия оплаты
    • Условия доставки
    • Гарантия на товар
    • Пункты выдачи
  • Услуги
    • Капитальный ремонт двигателей ЯМЗ
  • Акции
  • Статьи
  • Контакты
  • Компания
    • Реквизиты
    • Магазины
    • Оплата
    • Доставка
    • Лицензии и сертификаты
    • Новости
    • Вакансии
Избранное 0 Корзина 0
8-800-700-35-68

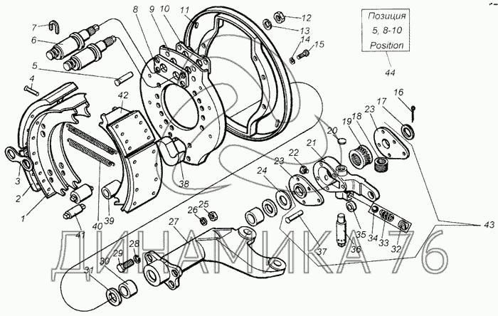
Тормоза рабочие задние на 4326 (до 2001 г.)

Справочник
Главная
-
Автокаталог
-
Грузовые автомобили и прицепы
-
Камский автозавод
-
4326
Справочный каталог

Тормоза рабочие задние — 4326:

1 2 3 4 5 5 6 7 8 8 9 9 10 10 11 12 13 14 15 16 17 18 19 20 21 22 23 23 24 25 26 27 28 29 30 31 32 33 34 35 36 37 38 39 40 41 42 43 44
в наличии
нет в наличии
масштаб

В наличии
Нет в наличии

Перечень комплектующих от Тормоза рабочие задние на 4326

Схемы запчастей предназначены для справочных целей! Мы продаем не все запчасти от Тормоза рабочие задние на 4326, представленные в этом списке.
Наличие на складах по деталям с ценой смотрите в карточке товара.
1
1
Артикул: 53212-3501095
нет в наличии
Колодка тормоза
Количество на схеме: 4
Информация
Колодка тормоза
Количество
4
Модель
53212
Группа
Тормоза
Подгруппа
Тормоза рабочие передние ножные
Порядковый номер детали
095
2
2
Артикул: 53212-3501105
нет в наличии
Накладка фрикционная колодки
Количество на схеме: 8
Информация
Накладка фрикционная колодки
Количество
8
Модель
53212
Группа
Тормоза
Подгруппа
Тормоза рабочие передние ножные
Порядковый номер детали
105
3
3
Артикул: 5320-3501133
нет в наличии
Накладка осей колодок
Количество на схеме: 2
Информация
Накладка осей колодок
Количество
2
Модель
5320
Группа
Тормоза
Подгруппа
Тормоза рабочие передние ножные
Порядковый номер детали
133
4
4
Артикул: 853658
нет в наличии
Заклепка 8х12
Количество на схеме: 64
Информация
Заклепка 8х12
Количество
64
Покрытие
без покрытия
5
5
Артикул: 257047
нет в наличии
Заклепка 10х45
Количество на схеме: 8
Информация
Заклепка 10х45
Количество
8
Покрытие
без покрытия
6
6
Артикул: 53212-3501132
в наличии
Ось колодок переднего тормоза
Количество на схеме: 4
Информация
Ось колодок переднего тормоза
Количество
4
Модель
53212
Группа
Тормоза
Подгруппа
Тормоза рабочие передние ножные
Порядковый номер детали
132
Ось КАМАЗ тормозной колодки (эксцентрик)
Артикул: 53212-3501132
Ось КАМАЗ тормозной колодки (эксцентрик)
Код для заказа: 00041801
Цена: 884 ₽/шт.
Под заказ
Ось КАМАЗ тормозной колодки (эксцентрик)
Артикул: 53212-3501132
Код для заказа: 00041801
Ось КАМАЗ тормозной колодки (эксцентрик)
Цена: 884 ₽/шт.
Под заказ
Ось КАМАЗ тормозной колодки ПРОМРЕСУРС (ОАО КАМАЗ)
Артикул: 53212-3501132
Ось КАМАЗ тормозной колодки ПРОМРЕСУРС (ОАО КАМАЗ)
Код для заказа: 00041803
Цена: 884 ₽/шт.
Под заказ
Ось КАМАЗ тормозной колодки ПРОМРЕСУРС (ОАО КАМАЗ)
Артикул: 53212-3501132
Код для заказа: 00041803
Ось КАМАЗ тормозной колодки ПРОМРЕСУРС (ОАО КАМАЗ)
Цена: 884 ₽/шт.
Под заказ
7
7
Артикул: 5320-3501134
в наличии
Чека оси колодки
Количество на схеме: 4
Информация
Чека оси колодки
Количество
4
Модель
5320
Группа
Тормоза
Подгруппа
Тормоза рабочие передние ножные
Порядковый номер детали
134
Чека КАМАЗ оси тормозной колодки
Артикул: 5320-3501134
Чека КАМАЗ оси тормозной колодки
Код для заказа: 00062871
Цена: 21 ₽/шт.
Под заказ
Чека КАМАЗ оси тормозной колодки
Артикул: 5320-3501134
Код для заказа: 00062871
Чека КАМАЗ оси тормозной колодки
Цена: 21 ₽/шт.
Под заказ
8
8
Артикул: 4310-3501017
нет в наличии
Пластина усилительная суппорта
Количество на схеме: 2
Информация
Пластина усилительная суппорта
Количество
2
Модель
4310
Группа
Тормоза
Подгруппа
Тормоза рабочие передние ножные
Порядковый номер детали
017
9
9
Артикул: 4310-3502014
нет в наличии
Суппорт заднего тормоза
Количество на схеме: 2
Информация
Суппорт заднего тормоза
Количество
2
Модель
4310
Группа
Тормоза
Подгруппа
Тормоза рабочие задние ножные и тормозные барабаны
Порядковый номер детали
014
10
10
Артикул: 5320-3501018
нет в наличии
Кронштейн осей колодок переднего тормоза
Количество на схеме: 2
Информация
Кронштейн осей колодок переднего тормоза
Количество
2
Модель
5320
Группа
Тормоза
Подгруппа
Тормоза рабочие передние ножные
Порядковый номер детали
018
11
11
Артикул: 53212-3502030
в наличии
Щиток заднего тормоза
Количество на схеме: 2
Информация
Щиток заднего тормоза
Количество
2
Модель
53212
Группа
Тормоза
Подгруппа
Тормоза рабочие задние ножные и тормозные барабаны
Порядковый номер детали
030
Щиток КАМАЗ тормоза заднего (ОАО КАМАЗ)
Артикул: 53212-3502030
Щиток КАМАЗ тормоза заднего (ОАО КАМАЗ)
Код для заказа: 00066735
Цена: 1 474 ₽/шт.
Под заказ
Щиток КАМАЗ тормоза заднего (ОАО КАМАЗ)
Артикул: 53212-3502030
Код для заказа: 00066735
Щиток КАМАЗ тормоза заднего (ОАО КАМАЗ)
Цена: 1 474 ₽/шт.
Под заказ
12
12
Артикул: 1/07267/11
нет в наличии
Гайка низкая М20х1,5-6Н
Количество на схеме: 4
Информация
Гайка низкая М20х1,5-6Н
Количество
4
Крепежная деталь
да
Материал
сталь 50 (сталь с пределом прочности на разрыв 490-784 (50-80) МПа (кг/мм2)
Покрытие
цинкование
13
13
Артикул: 1/05174/77
нет в наличии
Шайба 20 пружинная
Количество на схеме: 4
Информация
Шайба 20 пружинная
Количество
4
Крепежная деталь
да
Материал
другие металлические материалы, т. е. не сталь, не латунь, не легкий сплав, не медь
Покрытие
специальное покрытие
14
14
Артикул: 1/05166/77
в наличии
Шайба 8 пружинная
Количество на схеме: 12
Информация
Шайба 8 пружинная
Количество
12
Крепежная деталь
да
Материал
другие металлические материалы, т. е. не сталь, не латунь, не легкий сплав, не медь
Покрытие
специальное покрытие
Шайба КАМАЗ,УРАЛ пружинная топливного регулятора БЕЛЗАН
Артикул: 1/05166/77
Шайба КАМАЗ,УРАЛ пружинная топливного регулятора БЕЛЗАН
Код для заказа: 00063232
Цена: 3 ₽/шт.
Под заказ
Шайба КАМАЗ,УРАЛ пружинная топливного регулятора БЕЛЗАН
Артикул: 1/05166/77
Код для заказа: 00063232
Шайба КАМАЗ,УРАЛ пружинная топливного регулятора БЕЛЗАН
Цена: 3 ₽/шт.
Под заказ
15
15
Артикул: 1/60431/21
нет в наличии
Болт М8-6gх14
Количество на схеме: 12
Информация
Болт М8-6gх14
Количество
12
Крепежная деталь
да
Материал
сталь 80 (сталь с пределом прочности на разрыв 784-980 (80-100) МПа (кг/мм2)
Покрытие
цинкование
16
16
Артикул: 1/07983/01
нет в наличии
Шплинт 5,7х40
Количество на схеме: 2
Информация
Шплинт 5,7х40
Количество
2
Крепежная деталь
да
Материал
сталь 40 (сталь с пределом прочности на разрыв 333-490 (34-50) МПа (кг/мм2)
Покрытие
цинкование
17
17
Артикул: 853641
в наличии
Шайба плоская 27х45х3
Количество на схеме: 2
Информация
Шайба плоская 27х45х3
Количество
2
Покрытие
без покрытия
Шайба КАМАЗ кулака разжимного 27.0х45.0х1.0
Артикул: 853641
Шайба КАМАЗ кулака разжимного 27.0х45.0х1.0
Код для заказа: 00063167
Цена: 33 ₽/шт.
Под заказ
Шайба КАМАЗ кулака разжимного 27.0х45.0х1.0
Артикул: 853641
Код для заказа: 00063167
Шайба КАМАЗ кулака разжимного 27.0х45.0х1.0
Цена: 33 ₽/шт.
Под заказ
18
18
Артикул: 5320-3501141
нет в наличии
Червяк регулировочного рычага
Количество на схеме: 2
Информация
Червяк регулировочного рычага
Количество
2
Модель
5320
Группа
Тормоза
Подгруппа
Тормоза рабочие передние ножные
Порядковый номер детали
141
19
19
Артикул: 5320-3501140
нет в наличии
Шестерня червячная
Количество на схеме: 2
Информация
Шестерня червячная
Количество
2
Модель
5320
Группа
Тормоза
Подгруппа
Тормоза рабочие передние ножные
Порядковый номер детали
140
20
20
Артикул: 1/01586/00
нет в наличии
Заглушка 16
Количество на схеме: 2
Информация
Заглушка 16
Количество
2
Крепежная деталь
да
Материал
сталь 40 (сталь с пределом прочности на разрыв 333-490 (34-50) МПа (кг/мм2)
Покрытие
без покрытия
21
21
Артикул: 5320-3501138
нет в наличии
Корпус регулировочного рычага
Количество на схеме: 2
Информация
Корпус регулировочного рычага
Количество
2
Модель
5320
Группа
Тормоза
Подгруппа
Тормоза рабочие передние ножные
Порядковый номер детали
138
22
22
Артикул: 864006
нет в наличии
Масленка 1.3.Ц6хр.ГОСТ 19853-74
Количество на схеме: 2
Информация
Масленка 1.3.Ц6хр.ГОСТ 19853-74
Количество
2
Покрытие
без покрытия
23
23
Артикул: 5320-3501143
нет в наличии
Крышка регулировочного рычага
Количество на схеме: 4
Информация
Крышка регулировочного рычага
Количество
4
Модель
5320
Группа
Тормоза
Подгруппа
Тормоза рабочие передние ножные
Порядковый номер детали
143
24
24
Артикул: 853642
нет в наличии
Шайба регулировочная 38,5х56х1
Информация
Шайба регулировочная 38,5х56х1
Покрытие
без покрытия
25
25
Артикул: 1/61015/11
нет в наличии
Гайка М12х1,25-6Н
Количество на схеме: 16
Информация
Гайка М12х1,25-6Н
Количество
16
Крепежная деталь
да
Материал
сталь 50 (сталь с пределом прочности на разрыв 490-784 (50-80) МПа (кг/мм2)
Покрытие
цинкование
26
26
Артикул: 1/05200/01
нет в наличии
Шайба плоская 12х22х3
Количество на схеме: 8
Информация
Шайба плоская 12х22х3
Количество
8
Крепежная деталь
да
Материал
сталь 40 (сталь с пределом прочности на разрыв 333-490 (34-50) МПа (кг/мм2)
Покрытие
цинкование
27
27
Артикул: 4310-3502125
нет в наличии
Кронштейн заднего тормоза левый
Количество на схеме: 1
Информация
Кронштейн заднего тормоза левый
Количество
1
Модель
4310
Группа
Тормоза
Подгруппа
Тормоза рабочие задние ножные и тормозные барабаны
Порядковый номер детали
125
28
28
Артикул: 1/05170/77
нет в наличии
Шайба 12 пружинная
Количество на схеме: 8
Информация
Шайба 12 пружинная
Количество
8
Крепежная деталь
да
Материал
другие металлические материалы, т. е. не сталь, не латунь, не легкий сплав, не медь
Покрытие
специальное покрытие
29
29
Артикул: 1/55406/21
в наличии
Болт М12х1,25-6gх40
Количество на схеме: 8
Информация
Болт М12х1,25-6gх40
Количество
8
Крепежная деталь
да
Материал
сталь 80 (сталь с пределом прочности на разрыв 784-980 (80-100) МПа (кг/мм2)
Покрытие
цинкование
Болт М12х1.25х40 КАМАЗ бака топливного
Артикул: 1/55406/21
Болт М12х1.25х40 КАМАЗ бака топливного
Код для заказа: 00022625
Цена: 27 ₽/шт.
Под заказ
Болт М12х1.25х40 КАМАЗ бака топливного
Артикул: 1/55406/21
Код для заказа: 00022625
Болт М12х1.25х40 КАМАЗ бака топливного
Цена: 27 ₽/шт.
Под заказ
30
30
Артикул: 5320-3501126
в наличии
Втулка разжимного кулака
Количество на схеме: 4
Информация
Втулка разжимного кулака
Количество
4
Модель
5320
Группа
Тормоза
Подгруппа
Тормоза рабочие передние ножные
Порядковый номер детали
126
Втулка КАМАЗ кулака разжимного с молибденом
Артикул: 5320-3501126
Втулка КАМАЗ кулака разжимного с молибденом
Код для заказа: 00026461
Цена: 133 ₽/шт.
Под заказ
Втулка КАМАЗ кулака разжимного с молибденом
Артикул: 5320-3501126
Код для заказа: 00026461
Втулка КАМАЗ кулака разжимного с молибденом
Цена: 133 ₽/шт.
Под заказ
Втулка КАМАЗ кулака разжимного с фторопластом
Артикул: 5320-3501126
Втулка КАМАЗ кулака разжимного с фторопластом
Код для заказа: 00026462
Цена: 133 ₽/шт.
Под заказ
Втулка КАМАЗ кулака разжимного с фторопластом
Артикул: 5320-3501126
Код для заказа: 00026462
Втулка КАМАЗ кулака разжимного с фторопластом
Цена: 133 ₽/шт.
Под заказ
31
31
Артикул: 5320-3501117
в наличии
Кольцо уплотнительное разжимного кулака переднего тормоза
Количество на схеме: 4
Информация
Кольцо уплотнительное разжимного кулака переднего тормоза
Количество
4
Модель
5320
Группа
Тормоза
Подгруппа
Тормоза рабочие передние ножные
Порядковый номер детали
117
Кольцо КАМАЗ уплотнительное кулака разжимного
Артикул: 5320-3501117
Кольцо КАМАЗ уплотнительное кулака разжимного
Код для заказа: 00033580
Цена: 13 ₽/шт.
Под заказ
Кольцо КАМАЗ уплотнительное кулака разжимного
Артикул: 5320-3501117
Код для заказа: 00033580
Кольцо КАМАЗ уплотнительное кулака разжимного
Цена: 13 ₽/шт.
Под заказ
Кольцо КАМАЗ уплотнительное кулака разжимного VITOCOM
Артикул: 5320-3501117
Кольцо КАМАЗ уплотнительное кулака разжимного VITOCOM
Код для заказа: 00033581
Цена: 171 ₽/шт.
Под заказ
Кольцо КАМАЗ уплотнительное кулака разжимного VITOCOM
Артикул: 5320-3501117
Код для заказа: 00033581
Кольцо КАМАЗ уплотнительное кулака разжимного VITOCOM
Цена: 171 ₽/шт.
Под заказ
Кольцо КАМАЗ уплотнительное кулака разжимного БРТ
Артикул: 5320-3501117
Кольцо КАМАЗ уплотнительное кулака разжимного БРТ
Код для заказа: 00033582
Цена: 26 ₽/шт.
Под заказ
Кольцо КАМАЗ уплотнительное кулака разжимного БРТ
Артикул: 5320-3501117
Код для заказа: 00033582
Кольцо КАМАЗ уплотнительное кулака разжимного БРТ
Цена: 26 ₽/шт.
Под заказ
32
32
Артикул: 853888
нет в наличии
Пробка фиксатора
Количество на схеме: 2
Информация
Пробка фиксатора
Количество
2
Покрытие
без покрытия
33
33
Артикул: 5320-3501144
нет в наличии
Пружина фиксатора червяка
Количество на схеме: 2
Информация
Пружина фиксатора червяка
Количество
2
Модель
5320
Группа
Тормоза
Подгруппа
Тормоза рабочие передние ножные
Порядковый номер детали
144
34
34
Артикул: 864711
нет в наличии
Шарик-фиксатор БV7.938 мм
Количество на схеме: 2
Информация
Шарик-фиксатор БV7.938 мм
Количество
2
Покрытие
без покрытия
35
35
Артикул: 5320-3501139
нет в наличии
Втулка регулировочного рычага
Количество на схеме: 2
Информация
Втулка регулировочного рычага
Количество
2
Модель
5320
Группа
Тормоза
Подгруппа
Тормоза рабочие передние ножные
Порядковый номер детали
139
36
36
Артикул: 5320-3501142
нет в наличии
Ось червяка
Количество на схеме: 2
Информация
Ось червяка
Количество
2
Модель
5320
Группа
Тормоза
Подгруппа
Тормоза рабочие передние ножные
Порядковый номер детали
142
37
37
Артикул: 853653
нет в наличии
Заклепка 4х48
Количество на схеме: 10
Информация
Заклепка 4х48
Количество
10
Покрытие
без покрытия
38
38
Артикул: 4310-3501111
нет в наличии
Кулак разжимной левый
Количество на схеме: 1
Информация
Кулак разжимной левый
Количество
1
Модель
4310
Группа
Тормоза
Подгруппа
Тормоза рабочие передние ножные
Порядковый номер детали
111
39
39
Артикул: 5320-3501109
в наличии
Ролик колодки
Количество на схеме: 4
Информация
Ролик колодки
Количество
4
Модель
5320
Группа
Тормоза
Подгруппа
Тормоза рабочие передние ножные
Порядковый номер детали
109
Ролик КАМАЗ тормозной колодки (ОАО КАМАЗ)
Артикул: 5320-3501109
Ролик КАМАЗ тормозной колодки (ОАО КАМАЗ)
Код для заказа: 00052562
Цена: 448 ₽/шт.
Под заказ
Ролик КАМАЗ тормозной колодки (ОАО КАМАЗ)
Артикул: 5320-3501109
Код для заказа: 00052562
Ролик КАМАЗ тормозной колодки (ОАО КАМАЗ)
Цена: 448 ₽/шт.
Под заказ
Ролик КАМАЗ тормозной колодки в сборе с осью
Артикул: 5320-3501109
Ролик КАМАЗ тормозной колодки в сборе с осью
Код для заказа: 00052563
Цена: 558 ₽/шт.
Под заказ
Ролик КАМАЗ тормозной колодки в сборе с осью
Артикул: 5320-3501109
Код для заказа: 00052563
Ролик КАМАЗ тормозной колодки в сборе с осью
Цена: 558 ₽/шт.
Под заказ
40
40
Артикул: 5320-3501035
в наличии
Пружина оттяжная колодок
Количество на схеме: 8
Информация
Пружина оттяжная колодок
Количество
8
Модель
5320
Группа
Тормоза
Подгруппа
Тормоза рабочие передние ножные
Порядковый номер детали
035
Пружина КАМАЗ колодок стяжная
Артикул: 5320-3501035
Пружина КАМАЗ колодок стяжная
Код для заказа: 00048879
Цена: 89 ₽/шт.
Под заказ
Пружина КАМАЗ колодок стяжная
Артикул: 5320-3501035
Код для заказа: 00048879
Пружина КАМАЗ колодок стяжная
Цена: 89 ₽/шт.
Под заказ
41
41
Артикул: 5320-3501107
в наличии
Ось ролика колодки
Количество на схеме: 4
Информация
Ось ролика колодки
Количество
4
Модель
5320
Группа
Тормоза
Подгруппа
Тормоза рабочие передние ножные
Порядковый номер детали
107
Ось КАМАЗ ролика колодки (ОАО КАМАЗ)
Артикул: 5320-3501107
Ось КАМАЗ ролика колодки (ОАО КАМАЗ)
Код для заказа: 00041796
Цена: 245 ₽/шт.
Под заказ
Ось КАМАЗ ролика колодки (ОАО КАМАЗ)
Артикул: 5320-3501107
Код для заказа: 00041796
Ось КАМАЗ ролика колодки (ОАО КАМАЗ)
Цена: 245 ₽/шт.
Под заказ
42
42
Артикул: 53212-3501090
в наличии
Колодка в сборе
Количество на схеме: 1
Информация
Колодка в сборе
Количество
1
Модель
53212
Группа
Тормоза
Подгруппа
Тормоза рабочие передние ножные
Порядковый номер детали
090
Колодки тормозные КАМАЗ (1шт.)
Артикул: 53212-3501090
Колодки тормозные КАМАЗ (1шт.)
Код для заказа: 00032939
Цена: 3 290 ₽/шт.
В наличии: 24 шт.
- +
В корзинуВ корзине
Колодки тормозные КАМАЗ (1шт.)
Артикул: 53212-3501090
Код для заказа: 00032939
Колодки тормозные КАМАЗ (1шт.)
Цена: 3 290 ₽/шт.
В наличии: 24 шт.
- +
В корзинуВ корзине
Колодки тормозные КАМАЗ (1шт.) КАС
Артикул: 53212-3501090
Колодки тормозные КАМАЗ (1шт.) КАС
Код для заказа: 00032941
Цена: 3 290 ₽/шт.
Под заказ
Колодки тормозные КАМАЗ (1шт.) КАС
Артикул: 53212-3501090
Код для заказа: 00032941
Колодки тормозные КАМАЗ (1шт.) КАС
Цена: 3 290 ₽/шт.
Под заказ
Колодки тормозные КАМАЗ (1шт.) ЭЛЕМЕНТ
Артикул: 53212-3501090
Колодки тормозные КАМАЗ (1шт.) ЭЛЕМЕНТ
Код для заказа: 00032943
Цена: 1 094 ₽/шт.
Под заказ
Колодки тормозные КАМАЗ (1шт.) ЭЛЕМЕНТ
Артикул: 53212-3501090
Код для заказа: 00032943
Колодки тормозные КАМАЗ (1шт.) ЭЛЕМЕНТ
Цена: 1 094 ₽/шт.
Под заказ
Колодки тормозные КАМАЗ (1шт.) АККОР
Артикул: 53212-3501090
Колодки тормозные КАМАЗ (1шт.) АККОР
Код для заказа: 00032940
Цена: 3 290 ₽/шт.
Под заказ
Колодки тормозные КАМАЗ (1шт.) АККОР
Артикул: 53212-3501090
Код для заказа: 00032940
Колодки тормозные КАМАЗ (1шт.) АККОР
Цена: 3 290 ₽/шт.
Под заказ
43
43
Артикул: 5320-3501136/137
нет в наличии
Рычаг
Количество на схеме: 2
Информация
Рычаг
Количество
2
Модель
5320
Группа
Тормоза
Подгруппа
Тормоза рабочие передние ножные
Порядковый номер детали
136
Дополнительно
Не взаимозаменяема с деталью, выпущенной ранее под этим же номером
44
44
Артикул: 4310-3502012/13
нет в наличии
Суппорт в сборе
Количество на схеме: 2
Информация
Суппорт в сборе
Количество
2
Модель
4310
Группа
Тормоза
Подгруппа
Тормоза рабочие задние ножные и тормозные барабаны
Порядковый номер детали
012
Дополнительно
Не взаимозаменяема с деталью, выпущенной ранее под этим же номером
  • Грузовые автомобили
  • Автобусы
  • Сельхозтехника
  • Спецтехника
  • Двигатели
Получить оптовый прайс-лист
Скачать прайс-лист от 06.05.2026 16:00
Специальное предложение от 06.05.2026 17:00
Производители:


  • WEICHAI
  • Автодизель ПАО (ЯМЗ)
  • Тутаевский МЗ
  • ЯЗДА
  • УралАЗ
  • МАЗ
  • АЗПИ
  • BOSCH
  • ММЗ
  • ШААЗ
  • FEDERAL MOGUL
  • ПРАМО
  • Мотордеталь
  • ТАИМ
  • АвтоКрАЗ
  • БЕЛКАРД
  • CZ Strakonice
  • КамАЗ
  • БЗА
  • ЧМЗ
  • BMZ
Новости
Все новости
25 марта 2024
Флагманский седельный тягач «Валдай 45» на выставке «TransRussia»
10 марта 2024
Современные автобусы «CITYMAX 9» и ЛиАЗ-5292 CNG
25 февраля 2024
Серийное производство средних дизельных двигателей повышенной мощности от ЯМЗ
Статьи
Все статьи
Датчики двигателя: за что они отвечают, признаки неисправности и как не прогадать с выбором
Двигатели ЯМЗ-534: история, технические характеристики и области применения
Двигатели ЯМЗ 650: углублённый технический обзор и история
Компания
О компании
Реквизиты
Новости
Политика
Магазины
Информация
Условия оплаты
Условия доставки
Гарантия на товар
Обмен и возврат товара
Помощь
Как оформить заказ
Полезные статьи
Бренды
Пункты выдачи
Оставайтесь на связи
  • Вконтакте
  • YouTube
  • Одноклассники
  • Google Plus
Увидели ошибку?
Выделите, нажав Ctrl + Enter
Наши контакты
8-800-700-35-68
sales@din76.ru
г. Ярославль, Ленинградский пр-т 33, ТЦ "ОМЕГА"
2026 © ООО «Динамика 76» - Все права защищены ООО "Динамика 76"
Предложения на сайте не являются публичной офертой.
На сайте обнаружена ошибка

Текст с ошибкой