Избранное 0 Корзина 0 Личный кабинет
logo
Каталог
Каталог
  • Справочник
    • Грузовые автомобили
    • Автобусы
    • Сельхозтехника
    • Спецтехника
    • Двигатели
  • Доставка
  • Оплата
  • О компании
    • Реквизиты
    • Магазины
    • Оплата
    • Доставка
    • Лицензии и сертификаты
    • Новости
    • Вакансии
  • Контакты
Отправить заявку
Личный кабинет
8 (800) 700-35-68
sales@din76.ru
Избранное 0 Корзина 0
8 (800) 700-35-68
Оптовый прайс-лист
Каталог
  • Двигатели
  • Запчасти WEICHAI
  • Запчасти ЯМЗ, ТМЗ (V-образные)
  • Запчасти ЯМЗ-534, ЯМЗ-536
  • Запчасти ЯМЗ-650, ЯМЗ-651, DCi-11
  • Топливная аппаратура
  • Запчасти УРАЛ
  • Запчасти МАЗ
  • Запчасти КамАЗ
  • Запчасти ММЗ
  • Ремни
Автокаталог (справочник)
  • Доставка
  • Оплата
  • О компании
  • Контакты
8 (800) 700-35-68
Написать в Whatsapp
sales@din76.ru
Динамика 76
Меню  
  • Каталог
    • Двигатели  
      • Двигатели ТМЗ  
        • Двигатели ТМЗ для автомобилей
        • Двигатели ТМЗ для тракторов
        • Специальные двигатели ТМЗ
        • Промышленные двигатели ТМЗ
      • Двигатели ЯМЗ  
        • ЯМЗ 236
        • ЯМЗ 238
        • ЯМЗ 240
        • ЯМЗ 751
        • ЯМЗ 840
        • ЯМЗ 850
        • ЯМЗ 656
        • ЯМЗ 658
        • ЯМЗ 534
        • ЯМЗ 536
        • ЯМЗ 650
        • Двигатели ЯМЗ для электростанций
      • Двигатели КАМАЗ
      • Двигатели ММЗ
      • Двигатели индивидуальной сборки
      • Комплекты переоборудования
    • Запчасти WEICHAI  
      • Основные запчасти двигателя  
        • Клапаны и толкатели
        • Шатуны
        • Вал коленчатый и маховик
        • Вал распределительный
        • Цилиндро-поршневая группа
      • Система питания  
        • Форсунки
        • Турбокомпрессор
      • Система смазки  
        • Насос масляный
      • Головка блока
      • Ремкомплекты
      • Система охлаждения  
        • Насос водяной
        • Муфта вязкостная и крыльчатка
      • Фильтры
      • Электрооборудование  
        • Генератор
        • Стартер
    • Запчасти ЯМЗ, ТМЗ (V-образные)  
      • Основные запчасти двигателя  
        • Блок двигателя и комплектующие
        • Валы распределительные и клапаны
        • Головка блока и комплектующие
        • Цилиндро-поршневая группа
        • Маховики и комплектующие
        • Валы коленчатые и комплектующие
        • Шатуны и комплектующие
      • Система питания  
        • Коллекторы и патрубки
        • Топливные трубопроводы
        • Турбокомпрессор
        • Топливные фильтры
      • Электрооборудование двигателя
      • Система охлаждения  
        • Вязкостные муфты и крыльчатки
        • Приводы вентилятора
        • Водяные насосы
        • Водяные трубы и термостаты
      • Коробки переключения передач  
        • 8 Ступенчатые КПП
        • 5 Ступенчатые КПП
        • 9 Ступенчатые КПП
        • Запасные части КПП ЯМЗ, ТМЗ
      • Система смазки  
        • Теплообменник и комплектующие
        • Масляные насосы
        • Фильтры масляные (ФГОМ, ФЦОМ)
      • Сцепление  
        • Запасные части механизма сцепления
        • Муфты (подшипники выжимные)
        • Корзины (диски нажимные)
        • Диски ведомые
      • Прочие запчасти двигателя  
        • Ремкомплекты
        • Привод агрегатов
        • Натяжные устройства
        • Трубки
    • Запчасти ЯМЗ-534, ЯМЗ-536  
      • Основные запчасти двигателя  
        • Цилиндро-поршневая группа
        • Головка блока цилиндров и комплектующие
        • Блок цилиндров и комплектующие
        • Вал коленчатый и маховик
        • Вал распределительный
        • Клапаны и толкатели
        • ГУР (Гидроусилитель руля)
        • Система рециркуляции отработавших газов
        • Выпускной коллектор
      • Система питания  
        • Коллекторы и патрубки
        • Топливные фильтры
        • Турбокомпрессор
        • Топливные трубопроводы
      • Система смазки  
        • Масляный картер поддон
        • Масляный насос
        • Теплообменник /Водо-масляный радиатор
        • Фильтры масляные (ФГОМ, ФЦОМ)
      • Пневмокомпрессор и натяжное
      • Система охлаждения  
        • Водяной насос
        • Водяные трубы и патрубки
        • Муфты вязкостные, приводы, крыльчатки
      • Ремкомплекты
      • Сцепление
      • Электрооборудование
    • Запчасти ЯМЗ-650, ЯМЗ-651, DCi-11  
      • Основные запчасти двигателя  
        • Цилиндро-поршневая группа
        • Головка блока цилиндров и комплектующие
        • Блок цилиндров и комплектующие
        • Вал коленчатый и маховик
        • Выпускной коллектор
        • Вал распределительный
        • Клапаны и толкатели
        • ГУР (Гидроусилитель руля)
        • Система рециркуляции отработавших газов
      • Система питания  
        • Коллекторы и патрубки
        • Топливные трубопроводы
        • Топливные фильтры
        • Турбокомпрессор
      • Система смазки  
        • Масляный картер / поддон
        • Масляный насос
        • Теплообменник / Водо-масляный радиатор
        • Фильтры масляные (ФГОМ, ФЦОМ)
      • Система охлаждения  
        • Водяной насос
        • Водяные трубы и патрубки
        • Муфты вязкостные, приводы, крыльчатки
      • Ремкомплекты
      • Пневмокомпрессор и натяжное
      • Электрооборудование
      • Сцепление
    • Топливная аппаратура  
      • ЯЗДА  
        • Распылители
        • ТНВД
        • Форсунки
        • Топливный насос низкого давления
        • Пары плунжерные
        • Муфта опережения впрыска топлива
        • Запчасти и комплектующие ТНВД
      • НЗТА
      • АЗПИ  
        • Распылители
        • Форсунки
      • BOSCH
    • Запчасти УРАЛ  
      • Трансмиссия  
        • Коробка раздаточная
        • Передача карданная
        • Мост задний
        • Мост передний (ведущий)
        • Мост средний (промежуточный)
      • Кузов  
        • Дверь кабины
        • Капот, крылья, облицовка радиатора
        • Окно ветровое и заднее
        • Отопление и вентиляция кабины
        • Кабина
      • Механизмы управления  
        • Управление рулевое
        • Тормоза
      • Дополнительное оборудование  
        • Отбор мощности
        • Устройство седельное
      • Электрооборудование
      • Ходовая часть  
        • Колеса и ступицы
        • Ось передняя
        • Подвеска автомобиля
        • Рама
    • Запчасти МАЗ  
      • Трансмиссия  
        • Мост задний
        • Мост передний (ведущий)
        • Передача карданная
        • Мост средний (промежуточный)
      • Кузов  
        • Кабина
        • Дверь кабины
        • Детали основания кабины
        • Окно ветровое и заднее
        • Платформа
      • Механизмы управления  
        • Тормоза
        • Управление рулевое
      • Ходовая часть  
        • Колеса и ступицы
        • Ось передняя
        • Подвеска автомобиля
        • Рама
    • Запчасти КамАЗ  
      • Кузов  
        • Кабина
        • Капот, крылья, облицовка радиатора
        • Дверь кабины
        • Платформа
        • Окно ветровое и заднее
        • Устройство подъемное и опрокидывающее
        • Сиденье
        • Крыша кабины (крыша кузова)
        • Отопление и вентиляция кабины
      • Трансмиссия  
        • Коробка передач
        • Коробка раздаточная
        • Мост задний
        • Сцепление
        • Мост средний (промежуточный)
        • Передача карданная
        • Мост передний (ведущий)
      • Двигатель  
        • Основные запчасти двигателя
        • Система охлаждения
        • Система питания
        • Система смазки
      • Дополнительное оборудование  
        • Отбор мощности
        • Устройство седельное
      • Ходовая часть  
        • Подвеска автомобиля
        • Рама
        • Колеса и ступицы
        • Ось передняя
      • Механизмы управления  
        • Тормоза
        • Управление рулевое
      • Электрооборудование
    • Запчасти ММЗ
    • Ремни
  • Справочник
    • Грузовые автомобили
    • Автобусы
    • Сельхозтехника
    • Спецтехника
    • Двигатели
  • Как купить
    • Условия оплаты
    • Условия доставки
    • Гарантия на товар
    • Пункты выдачи
  • Услуги
    • Капитальный ремонт двигателей ЯМЗ
  • Акции
  • Статьи
  • Контакты
  • Компания
    • Реквизиты
    • Магазины
    • Оплата
    • Доставка
    • Лицензии и сертификаты
    • Новости
    • Вакансии
Избранное 0 Корзина 0
8-800-700-35-68

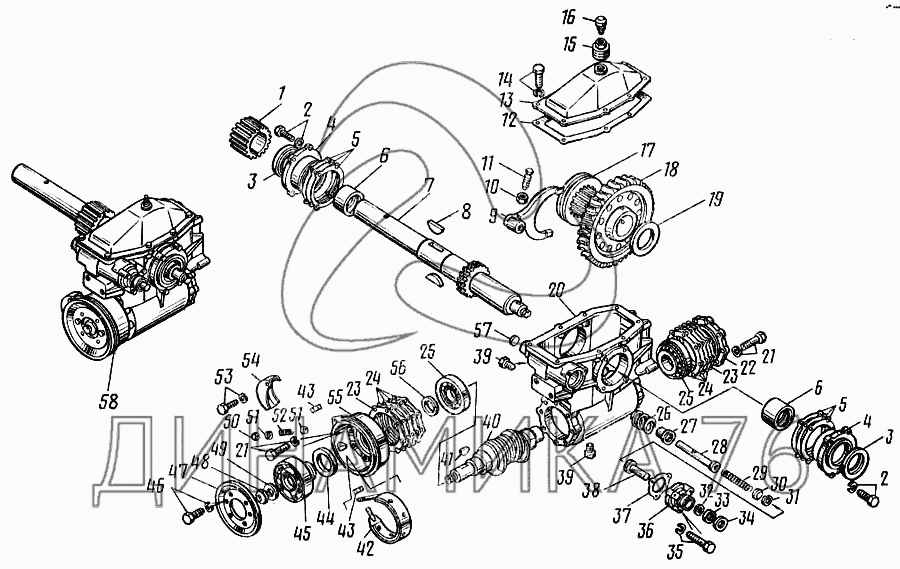
Редуктор лебедки 4310-4501014 на 43101

Справочник
Главная
-
Автокаталог
-
Грузовые автомобили и прицепы
-
Камский автозавод
-
43101
Справочный каталог

Редуктор лебедки 4310-4501014 — 43101:

1/05164/77 1/05170/77 1/07259/11 1/29965/00 1/37775/00 1/55405/21 1/61015/11 4310-4501024 4310-4501026 4310-4501030 4310-4501037 4310-4501080 4310-4501109 4310-4501122 4310-4501160 4310-4501170 4310-4503053 4310-4503100 4310-4503102 4310-4503105 4310-4503107 4310-4503108 4310-4503110 4310-4503111 4310-4503113 4310-4503185 4310-4503187 4310-4504036 853558 853643 854004 862810 864001 864002 864003 864159 864159 864161 864161 864766 1 2 2 3 3 4 4 5 5 5 6 6 7 8 9 10 11 12 13 14 15 16 17 18 19 20 21 21 22 23 23 24 24 24 24 24 24 25 25 25 26 27 28 29 30 31 32 33 34 35 36 37 38 39 39 40 41 42 43 43 44 45 46 47 48 49 50 51 51 52 53 54 55 56 57 58
в наличии
нет в наличии
масштаб

В наличии
Нет в наличии

Перечень комплектующих от Редуктор лебедки 4310-4501014 на 43101

Схемы запчастей предназначены для справочных целей! Мы продаем не все запчасти от Редуктор лебедки 4310-4501014 на 43101, представленные в этом списке.
Наличие на складах по деталям с ценой смотрите в карточке товара.
Артикул: 1/05164/77
нет в наличии
Шайба 6 пружинная
Количество на схеме: 1
Информация
Шайба 6 пружинная
Количество
1
Крепежная деталь
да
Материал
другие металлические материалы, т. е. не сталь, не латунь, не легкий сплав, не медь
Покрытие
специальное покрытие
Артикул: 1/05170/77
нет в наличии
Шайба 12 пружинная
Количество на схеме: 2
Информация
Шайба 12 пружинная
Количество
2
Крепежная деталь
да
Материал
другие металлические материалы, т. е. не сталь, не латунь, не легкий сплав, не медь
Покрытие
специальное покрытие
Артикул: 1/07259/11
нет в наличии
Гайка низкая М6
Количество на схеме: 1
Информация
Гайка низкая М6
Количество
1
Крепежная деталь
да
Материал
сталь 50 (сталь с пределом прочности на разрыв 490-784 (50-80) МПа (кг/мм2)
Покрытие
цинкование
Артикул: 1/29965/00
нет в наличии
Заклепка
Количество на схеме: 12
Информация
Заклепка
Количество
12
Крепежная деталь
да
Материал
сталь 40 (сталь с пределом прочности на разрыв 333-490 (34-50) МПа (кг/мм2)
Покрытие
без покрытия
Артикул: 1/37775/00
нет в наличии
Заклепка
Количество на схеме: 6
Информация
Заклепка
Количество
6
Крепежная деталь
да
Материал
сталь 40 (сталь с пределом прочности на разрыв 333-490 (34-50) МПа (кг/мм2)
Покрытие
без покрытия
Артикул: 1/55405/21
нет в наличии
Болт М12х1,25-6gх35
Количество на схеме: 2
Информация
Болт М12х1,25-6gх35
Количество
2
Крепежная деталь
да
Материал
сталь 80 (сталь с пределом прочности на разрыв 784-980 (80-100) МПа (кг/мм2)
Покрытие
цинкование
Артикул: 1/61015/11
нет в наличии
Гайка М12х1,25-6Н
Количество на схеме: 2
Информация
Гайка М12х1,25-6Н
Количество
2
Крепежная деталь
да
Материал
сталь 50 (сталь с пределом прочности на разрыв 490-784 (50-80) МПа (кг/мм2)
Покрытие
цинкование
Артикул: 4310-4501024
нет в наличии
Стакан с втулкой
Количество на схеме: 2
Информация
Стакан с втулкой
Количество
2
Модель
4310
Группа
Лебедка
Подгруппа
Лебедка
Порядковый номер детали
024
Артикул: 4310-4501026
нет в наличии
Стакан в сборе
Количество на схеме: 1
Информация
Стакан в сборе
Количество
1
Модель
4310
Группа
Лебедка
Подгруппа
Лебедка
Порядковый номер детали
026
Артикул: 4310-4501030
нет в наличии
Вал барабана в сборе
Количество на схеме: 1
Информация
Вал барабана в сборе
Количество
1
Модель
4310
Группа
Лебедка
Подгруппа
Лебедка
Порядковый номер детали
030
Артикул: 4310-4501037
нет в наличии
Ступица
Количество на схеме: 1
Информация
Ступица
Количество
1
Модель
4310
Группа
Лебедка
Подгруппа
Лебедка
Порядковый номер детали
037
Артикул: 4310-4501080
нет в наличии
Крышка подшипника в сборе
Информация
Крышка подшипника в сборе
Группа
Лебедка
Подгруппа
Лебедка
Порядковый номер детали
080
Артикул: 4310-4501109
нет в наличии
Крышка защитная рычага включения редуктора лебедки с пластиной в сборе
Количество на схеме: 1
Информация
Крышка защитная рычага включения редуктора лебедки с пластиной в сборе
Количество
1
Модель
4310
Группа
Лебедка
Подгруппа
Лебедка
Порядковый номер детали
109
Артикул: 4310-4501122
нет в наличии
Прокладка
Информация
Прокладка
Группа
Лебедка
Подгруппа
Лебедка
Порядковый номер детали
122
Артикул: 4310-4501160
нет в наличии
Лента в сборе
Количество на схеме: 1
Информация
Лента в сборе
Количество
1
Модель
4310
Группа
Лебедка
Подгруппа
Лебедка
Порядковый номер детали
160
Артикул: 4310-4501170
нет в наличии
Накладка
Количество на схеме: 1
Информация
Накладка
Количество
1
Модель
4310
Группа
Лебедка
Подгруппа
Лебедка
Порядковый номер детали
170
Артикул: 4310-4503053
нет в наличии
Кронштейн
Количество на схеме: 1
Информация
Кронштейн
Количество
1
Модель
4310
Группа
Лебедка
Подгруппа
Управление лебедкой
Порядковый номер детали
053
Артикул: 4310-4503100
нет в наличии
Рычаг включения лебедки в сборе
Количество на схеме: 1
Информация
Рычаг включения лебедки в сборе
Количество
1
Модель
4310
Группа
Лебедка
Подгруппа
Управление лебедкой
Порядковый номер детали
100
Артикул: 4310-4503102
нет в наличии
Рычаг
Количество на схеме: 1
Информация
Рычаг
Количество
1
Модель
4310
Группа
Лебедка
Подгруппа
Управление лебедкой
Порядковый номер детали
102
Артикул: 4310-4503105
нет в наличии
Ось рычага
Количество на схеме: 1
Информация
Ось рычага
Количество
1
Модель
4310
Группа
Лебедка
Подгруппа
Управление лебедкой
Порядковый номер детали
105
Артикул: 4310-4503107
нет в наличии
Палец упорный
Количество на схеме: 1
Информация
Палец упорный
Количество
1
Модель
4310
Группа
Лебедка
Подгруппа
Управление лебедкой
Порядковый номер детали
107
Артикул: 4310-4503108
нет в наличии
Крышка защитная рычага включения редуктора лебедки с основанием и осью в сборе
Количество на схеме: 1
Информация
Крышка защитная рычага включения редуктора лебедки с основанием и осью в сборе
Количество
1
Модель
4310
Группа
Лебедка
Подгруппа
Управление лебедкой
Порядковый номер детали
108
Артикул: 4310-4503110
нет в наличии
Крышка
Количество на схеме: 1
Информация
Крышка
Количество
1
Модель
4310
Группа
Лебедка
Подгруппа
Управление лебедкой
Порядковый номер детали
110
Артикул: 4310-4503111
нет в наличии
Основание крышки
Количество на схеме: 1
Информация
Основание крышки
Количество
1
Модель
4310
Группа
Лебедка
Подгруппа
Управление лебедкой
Порядковый номер детали
111
Артикул: 4310-4503113
нет в наличии
Пластина
Количество на схеме: 1
Информация
Пластина
Количество
1
Модель
4310
Группа
Лебедка
Подгруппа
Управление лебедкой
Порядковый номер детали
113
Артикул: 4310-4503185
нет в наличии
Муфта защитная штока вилки включения редуктора лебедки
Количество на схеме: 1
Информация
Муфта защитная штока вилки включения редуктора лебедки
Количество
1
Модель
4310
Группа
Лебедка
Подгруппа
Управление лебедкой
Порядковый номер детали
185
Артикул: 4310-4503187
нет в наличии
Ось крышки
Количество на схеме: 1
Информация
Ось крышки
Количество
1
Модель
4310
Группа
Лебедка
Подгруппа
Управление лебедкой
Порядковый номер детали
187
Артикул: 4310-4504036
нет в наличии
Венец
Количество на схеме: 1
Информация
Венец
Количество
1
Модель
4310
Группа
Лебедка
Подгруппа
Трос, крюк и цепь лебедки
Порядковый номер детали
036
Артикул: 853558
нет в наличии
Бонка
Количество на схеме: 1
Информация
Бонка
Количество
1
Покрытие
без покрытия
Артикул: 853643
нет в наличии
Шайба плоская специальная 2,5х6,2
Количество на схеме: 1
Информация
Шайба плоская специальная 2,5х6,2
Количество
1
Покрытие
без покрытия
Артикул: 854004
нет в наличии
Пружина
Количество на схеме: 1
Информация
Пружина
Количество
1
Покрытие
без покрытия
Артикул: 862810
в наличии
Кольцо упорное
Количество на схеме: 1
Информация
Кольцо упорное
Количество
1
Покрытие
без покрытия
Кольцо КАМАЗ упорное ПГУ БЕЛЗАН
Артикул: 862810
Кольцо КАМАЗ упорное ПГУ БЕЛЗАН
Код для заказа: 00019607
Цена: 25 ₽/шт.
Под заказ
Кольцо КАМАЗ упорное ПГУ БЕЛЗАН
Артикул: 862810
Код для заказа: 00019607
Кольцо КАМАЗ упорное ПГУ БЕЛЗАН
Цена: 25 ₽/шт.
Под заказ
Артикул: 864001
нет в наличии
Штуцер клапана
Количество на схеме: 1
Информация
Штуцер клапана
Количество
1
Покрытие
без покрытия
Артикул: 864002
нет в наличии
Клапан
Количество на схеме: 1
Информация
Клапан
Количество
1
Покрытие
без покрытия
Артикул: 864003
нет в наличии
Колпачок клапана (453576512)
Количество на схеме: 1
Информация
Колпачок клапана (453576512)
Количество
1
Покрытие
без покрытия
Артикул: 864159
нет в наличии
Манжета в сборе
Количество на схеме: 1
Информация
Манжета в сборе
Количество
1
Покрытие
без покрытия
Артикул: 864159
нет в наличии
Манжета в сборе
Количество на схеме: 2
Информация
Манжета в сборе
Количество
2
Покрытие
без покрытия
Артикул: 864161
нет в наличии
Пружина сальника
Количество на схеме: 1
Информация
Пружина сальника
Количество
1
Покрытие
без покрытия
Артикул: 864161
нет в наличии
Пружина сальника
Количество на схеме: 2
Информация
Пружина сальника
Количество
2
Покрытие
без покрытия
Артикул: 864766
нет в наличии
Кольцо внутреннее в сборе
Количество на схеме: 22
Информация
Кольцо внутреннее в сборе
Количество
22
Покрытие
без покрытия
1
1
Артикул: 4310-4501127
нет в наличии
Втулка
Количество на схеме: 1
Информация
Втулка
Количество
1
Модель
4310
Группа
Лебедка
Подгруппа
Лебедка
Порядковый номер детали
127
2
2
Артикул: 1/59709/21
нет в наличии
Болт М10х1,25-6gх35
Информация
Болт М10х1,25-6gх35
Материал
сталь 80 (сталь с пределом прочности на разрыв 784-980 (80-100) МПа (кг/мм2)
Покрытие
цинкование
3
3
Артикул: 864158
нет в наличии
Сальник в сборе
Количество на схеме: 2
Информация
Сальник в сборе
Количество
2
Покрытие
без покрытия
4
4
Артикул: 4310-4501028
нет в наличии
Стакан
Количество на схеме: 2
Информация
Стакан
Количество
2
Модель
4310
Группа
Лебедка
Подгруппа
Лебедка
Порядковый номер детали
028
5
5
Артикул: 4310-4501123
нет в наличии
Прокладка
Информация
Прокладка
Группа
Лебедка
Подгруппа
Лебедка
Порядковый номер детали
123
5
5
Артикул: 4310-4501124
нет в наличии
Прокладка
Информация
Прокладка
Группа
Лебедка
Подгруппа
Лебедка
Порядковый номер детали
124
6
6
Артикул: 4310-4501022
нет в наличии
Втулка
Количество на схеме: 2
Информация
Втулка
Количество
2
Модель
4310
Группа
Лебедка
Подгруппа
Лебедка
Порядковый номер детали
022
7
7
Артикул: 4310-4501034
нет в наличии
Вал барабана
Количество на схеме: 1
Информация
Вал барабана
Количество
1
Модель
4310
Группа
Лебедка
Подгруппа
Лебедка
Порядковый номер детали
034
8
8
Артикул: 870823
в наличии
Шпонка сегментная 10х17х55
Количество на схеме: 2
Информация
Шпонка сегментная 10х17х55
Количество
2
Покрытие
без покрытия
Шпонка КАМАЗ вала промежуточного КПП 10х17х55
Артикул: 870823
Шпонка КАМАЗ вала промежуточного КПП 10х17х55
Код для заказа: 00066026
Цена: 309 ₽/шт.
Под заказ
Шпонка КАМАЗ вала промежуточного КПП 10х17х55
Артикул: 870823
Код для заказа: 00066026
Шпонка КАМАЗ вала промежуточного КПП 10х17х55
Цена: 309 ₽/шт.
Под заказ
9
9
Артикул: 4310-4503034
нет в наличии
Вилка лебедки
Количество на схеме: 1
Информация
Вилка лебедки
Количество
1
Модель
4310
Группа
Лебедка
Подгруппа
Управление лебедкой
Порядковый номер детали
034
10
10
Артикул: 1/21647/01
нет в наличии
Гайка М10х1,25
Количество на схеме: 1
Информация
Гайка М10х1,25
Количество
1
Крепежная деталь
да
Материал
сталь 40 (сталь с пределом прочности на разрыв 333-490 (34-50) МПа (кг/мм2)
Покрытие
цинкование
11
11
Артикул: 853350
нет в наличии
Винт установочный М10х1,25-6gх25
Количество на схеме: 1
Информация
Винт установочный М10х1,25-6gх25
Количество
1
Покрытие
без покрытия
12
12
Артикул: 4310-4501046
нет в наличии
Прокладка
Количество на схеме: 1
Информация
Прокладка
Количество
1
Модель
4310
Группа
Лебедка
Подгруппа
Лебедка
Порядковый номер детали
046
13
13
Артикул: 4310-4501042
нет в наличии
Крышка в сборе
Количество на схеме: 1
Информация
Крышка в сборе
Количество
1
Модель
4310
Группа
Лебедка
Подгруппа
Лебедка
Порядковый номер детали
042
14
14
Артикул: 1/59707/21
нет в наличии
Болт М10х1,25-6gх25
Количество на схеме: 8
Информация
Болт М10х1,25-6gх25
Количество
8
Крепежная деталь
да
Материал
сталь 80 (сталь с пределом прочности на разрыв 784-980 (80-100) МПа (кг/мм2)
Покрытие
цинкование
15
15
Артикул: 864889
нет в наличии
Переходник
Количество на схеме: 1
Информация
Переходник
Количество
1
Покрытие
без покрытия
16
16
Артикул: 864000
в наличии
Клапан предохранительный на давление 0,12-0,24 кг/см2
Количество на схеме: 1
Информация
Клапан предохранительный на давление 0,12-0,24 кг/см2
Количество
1
Покрытие
без покрытия
Клапан КАМАЗ предохранительный (сапун)
Артикул: 864000
Клапан КАМАЗ предохранительный (сапун)
Код для заказа: 00032200
Цена: 128 ₽/шт.
Под заказ
Клапан КАМАЗ предохранительный (сапун)
Артикул: 864000
Код для заказа: 00032200
Клапан КАМАЗ предохранительный (сапун)
Цена: 128 ₽/шт.
Под заказ
17
17
Артикул: 4310-4503020
нет в наличии
Муфта включения
Количество на схеме: 1
Информация
Муфта включения
Количество
1
Модель
4310
Группа
Лебедка
Подгруппа
Управление лебедкой
Порядковый номер детали
020
18
18
Артикул: 4310-4501035
нет в наличии
Червячное колесо в сборе
Количество на схеме: 1
Информация
Червячное колесо в сборе
Количество
1
Модель
4310
Группа
Лебедка
Подгруппа
Лебедка
Порядковый номер детали
035
19
19
Артикул: 4310-4501049
нет в наличии
Шайба
Количество на схеме: 1
Информация
Шайба
Количество
1
Модель
4310
Группа
Лебедка
Подгруппа
Лебедка
Порядковый номер детали
049
20
20
Артикул: 4310-4501020
нет в наличии
Картер
Количество на схеме: 1
Информация
Картер
Количество
1
Модель
4310
Группа
Лебедка
Подгруппа
Лебедка
Порядковый номер детали
020
21
21
Артикул: 1/59709/21
нет в наличии
Болт М10х1,25-6gх35
Количество на схеме: 16
Информация
Болт М10х1,25-6gх35
Количество
16
Крепежная деталь
да
Материал
сталь 80 (сталь с пределом прочности на разрыв 784-980 (80-100) МПа (кг/мм2)
Покрытие
цинкование
22
22
Артикул: 4310-4501084
нет в наличии
Крышка
Количество на схеме: 1
Информация
Крышка
Количество
1
Модель
4310
Группа
Лебедка
Подгруппа
Лебедка
Порядковый номер детали
084
23
23
Артикул: 4310-4501098
нет в наличии
Прокладка
Количество на схеме: 2
Информация
Прокладка
Количество
2
Модель
4310
Группа
Лебедка
Подгруппа
Лебедка
Порядковый номер детали
098
24
24
Артикул: 4310-4501067
нет в наличии
Прокладка
Информация
Прокладка
Группа
Лебедка
Подгруппа
Лебедка
Порядковый номер детали
067
24
24
Артикул: 4310-4501069
нет в наличии
Прокладка
Информация
Прокладка
Группа
Лебедка
Подгруппа
Лебедка
Порядковый номер детали
069
24
24
Артикул: 4310-4501070
нет в наличии
Прокладка
Информация
Прокладка
Группа
Лебедка
Подгруппа
Лебедка
Порядковый номер детали
070
24
24
Артикул: 4310-4601068
нет в наличии
Прокладка
Информация
Прокладка
Подгруппа
4601
Порядковый номер детали
068
25
25
Артикул: 864754
нет в наличии
Подшипник роликовый конический в сборе
Количество на схеме: 2
Информация
Подшипник роликовый конический в сборе
Количество
2
Покрытие
без покрытия
25
25
Артикул: 864755
нет в наличии
Кольцо подшипника наружное
Информация
Кольцо подшипника наружное
26
26
Артикул: 5320-2509023
нет в наличии
Пружина возвратная
Количество на схеме: 1
Информация
Пружина возвратная
Количество
1
Модель
5320
Группа
Мост средний
Подгруппа
Механизм блокировки межосевого дифференциала
Порядковый номер детали
023
27
27
Артикул: 4310-4503057
нет в наличии
Стакан
Количество на схеме: 1
Информация
Стакан
Количество
1
Модель
4310
Группа
Лебедка
Подгруппа
Управление лебедкой
Порядковый номер детали
057
28
28
Артикул: 4310-4503049
нет в наличии
Шток
Количество на схеме: 1
Информация
Шток
Количество
1
Модель
4310
Группа
Лебедка
Подгруппа
Управление лебедкой
Порядковый номер детали
049
29
29
Артикул: 5320-2509065
нет в наличии
Пружина нажимная
Количество на схеме: 1
Информация
Пружина нажимная
Количество
1
Модель
5320
Группа
Мост средний
Подгруппа
Механизм блокировки межосевого дифференциала
Порядковый номер детали
065
30
30
Артикул: 5320-2509025
нет в наличии
Крышка стакана механизма блокировки
Количество на схеме: 1
Информация
Крышка стакана механизма блокировки
Количество
1
Модель
5320
Группа
Мост средний
Подгруппа
Механизм блокировки межосевого дифференциала
Порядковый номер детали
025
31
31
Артикул: 862310
нет в наличии
Кольцо
Количество на схеме: 1
Информация
Кольцо
Количество
1
Покрытие
без покрытия
32
32
Артикул: 4310-4503275
нет в наличии
Манжета
Количество на схеме: 1
Информация
Манжета
Количество
1
Модель
4310
Группа
Лебедка
Подгруппа
Управление лебедкой
Порядковый номер детали
275
33
33
Артикул: 4310-1503273
нет в наличии
Кольцо
Количество на схеме: 1
Информация
Кольцо
Количество
1
Модель
4310
Подгруппа
1503
Порядковый номер детали
273
34
34
Артикул: 4310-4503277
нет в наличии
Обойма
Количество на схеме: 1
Информация
Обойма
Количество
1
Модель
4310
Группа
Лебедка
Подгруппа
Управление лебедкой
Порядковый номер детали
277
35
35
Артикул: 1/38264/21
нет в наличии
Болт в сборе
Количество на схеме: 3
Информация
Болт в сборе
Количество
3
Крепежная деталь
да
Материал
сталь 80 (сталь с пределом прочности на разрыв 784-980 (80-100) МПа (кг/мм2)
Покрытие
цинкование
36
36
Артикул: 4310-4503071
нет в наличии
Крышка штока
Количество на схеме: 1
Информация
Крышка штока
Количество
1
Модель
4310
Группа
Лебедка
Подгруппа
Управление лебедкой
Порядковый номер детали
071
37
37
Артикул: 4310-4503073
нет в наличии
Прокладка
Количество на схеме: 1
Информация
Прокладка
Количество
1
Модель
4310
Группа
Лебедка
Подгруппа
Управление лебедкой
Порядковый номер детали
073
38
38
Артикул: 4310-4503069
нет в наличии
Палец
Количество на схеме: 1
Информация
Палец
Количество
1
Модель
4310
Группа
Лебедка
Подгруппа
Управление лебедкой
Порядковый номер детали
069
39
39
Артикул: 262542
нет в наличии
Пробка КГ1/4"
Количество на схеме: 2
Информация
Пробка КГ1/4"
Количество
2
Покрытие
без покрытия
40
40
Артикул: 4310-4501060
нет в наличии
Червяк
Количество на схеме: 1
Информация
Червяк
Количество
1
Модель
4310
Группа
Лебедка
Подгруппа
Лебедка
Порядковый номер детали
060
41
41
Артикул: 870817
в наличии
Шпонка сегментная 8х11х28
Количество на схеме: 1
Информация
Шпонка сегментная 8х11х28
Количество
1
Покрытие
без покрытия
Шпонка КАМАЗ рычага кулака поворотного 8х11х28
Артикул: 870817
Шпонка КАМАЗ рычага кулака поворотного 8х11х28
Код для заказа: 00066039
Цена: 94 ₽/шт.
Под заказ
Шпонка КАМАЗ рычага кулака поворотного 8х11х28
Артикул: 870817
Код для заказа: 00066039
Шпонка КАМАЗ рычага кулака поворотного 8х11х28
Цена: 94 ₽/шт.
Под заказ
42
42
Артикул: 4310-4501158
нет в наличии
Лента в сборе
Количество на схеме: 1
Информация
Лента в сборе
Количество
1
Модель
4310
Группа
Лебедка
Подгруппа
Лебедка
Порядковый номер детали
158
43
43
Артикул: 1/21647/21
нет в наличии
Гайка М10х1,25-6Н
Количество на схеме: 2
Информация
Гайка М10х1,25-6Н
Количество
2
Крепежная деталь
да
Материал
сталь 80 (сталь с пределом прочности на разрыв 784-980 (80-100) МПа (кг/мм2)
Покрытие
цинкование
44
44
Артикул: 864158
нет в наличии
Сальник в сборе
Количество на схеме: 1
Информация
Сальник в сборе
Количество
1
Покрытие
без покрытия
45
45
Артикул: 4310-4501150
нет в наличии
Барабан
Количество на схеме: 1
Информация
Барабан
Количество
1
Модель
4310
Группа
Лебедка
Подгруппа
Лебедка
Порядковый номер детали
150
46
46
Артикул: 1/09021/21
нет в наличии
Болт М6-6gх14
Количество на схеме: 2
Информация
Болт М6-6gх14
Количество
2
Крепежная деталь
да
Материал
сталь 80 (сталь с пределом прочности на разрыв 784-980 (80-100) МПа (кг/мм2)
Покрытие
цинкование
47
47
Артикул: 4310-4501153
нет в наличии
Отражатель
Количество на схеме: 1
Информация
Отражатель
Количество
1
Модель
4310
Группа
Лебедка
Подгруппа
Лебедка
Порядковый номер детали
153
48
48
Артикул: 853507
нет в наличии
Гайка
Количество на схеме: 1
Информация
Гайка
Количество
1
Покрытие
без покрытия
49
49
Артикул: 4310-4501131
нет в наличии
Шайба
Количество на схеме: 1
Информация
Шайба
Количество
1
Модель
4310
Группа
Лебедка
Подгруппа
Лебедка
Порядковый номер детали
131
50
50
Артикул: 1/58962/21
нет в наличии
Гайка М6-6Н
Количество на схеме: 1
Информация
Гайка М6-6Н
Количество
1
Крепежная деталь
да
Материал
сталь 80 (сталь с пределом прочности на разрыв 784-980 (80-100) МПа (кг/мм2)
Покрытие
цинкование
51
51
Артикул: 4310-4501173
нет в наличии
Шайба
Количество на схеме: 2
Информация
Шайба
Количество
2
Модель
4310
Группа
Лебедка
Подгруппа
Лебедка
Порядковый номер детали
173
52
52
Артикул: 4310-4501172
нет в наличии
Пружина
Количество на схеме: 1
Информация
Пружина
Количество
1
Модель
4310
Группа
Лебедка
Подгруппа
Лебедка
Порядковый номер детали
172
53
53
Артикул: 1/38242/21
нет в наличии
Болт в сборе
Количество на схеме: 2
Информация
Болт в сборе
Количество
2
Крепежная деталь
да
Материал
сталь 80 (сталь с пределом прочности на разрыв 784-980 (80-100) МПа (кг/мм2)
Покрытие
цинкование
54
54
Артикул: 4310-4501185
нет в наличии
Крышка
Количество на схеме: 1
Информация
Крышка
Количество
1
Модель
4310
Группа
Лебедка
Подгруппа
Лебедка
Порядковый номер детали
185
55
55
Артикул: 4310-4501085
нет в наличии
Крышка
Количество на схеме: 1
Информация
Крышка
Количество
1
Модель
4310
Группа
Лебедка
Подгруппа
Лебедка
Порядковый номер детали
085
56
56
Артикул: 4310-4501179
нет в наличии
Прокладка
Количество на схеме: 1
Информация
Прокладка
Количество
1
Модель
4310
Группа
Лебедка
Подгруппа
Лебедка
Порядковый номер детали
179
57
57
Артикул: 1/011589/00
нет в наличии
Заглушка
Количество на схеме: 1
Информация
Заглушка
Количество
1
Покрытие
без покрытия
58
58
Артикул: 4310-45010-14
нет в наличии
Редуктор лебедки в сборе
Количество на схеме: 1
Информация
Редуктор лебедки в сборе
Количество
1
  • Грузовые автомобили
  • Автобусы
  • Сельхозтехника
  • Спецтехника
  • Двигатели
Получить оптовый прайс-лист
Скачать прайс-лист от 16.04.2026 16:00
Специальное предложение от 16.04.2026 17:00
Производители:


  • WEICHAI
  • Автодизель ПАО (ЯМЗ)
  • Тутаевский МЗ
  • ЯЗДА
  • УралАЗ
  • МАЗ
  • АЗПИ
  • BOSCH
  • ММЗ
  • ШААЗ
  • FEDERAL MOGUL
  • ПРАМО
  • Мотордеталь
  • ТАИМ
  • АвтоКрАЗ
  • БЕЛКАРД
  • CZ Strakonice
  • КамАЗ
  • БЗА
  • ЧМЗ
  • BMZ
Новости
Все новости
25 марта 2024
Флагманский седельный тягач «Валдай 45» на выставке «TransRussia»
10 марта 2024
Современные автобусы «CITYMAX 9» и ЛиАЗ-5292 CNG
25 февраля 2024
Серийное производство средних дизельных двигателей повышенной мощности от ЯМЗ
Статьи
Все статьи
Датчики двигателя: за что они отвечают, признаки неисправности и как не прогадать с выбором
Двигатели ЯМЗ-534: история, технические характеристики и области применения
Двигатели ЯМЗ 650: углублённый технический обзор и история
Компания
О компании
Реквизиты
Новости
Политика
Магазины
Информация
Условия оплаты
Условия доставки
Гарантия на товар
Обмен и возврат товара
Помощь
Как оформить заказ
Полезные статьи
Бренды
Пункты выдачи
Оставайтесь на связи
  • Вконтакте
  • YouTube
  • Одноклассники
  • Google Plus
Увидели ошибку?
Выделите, нажав Ctrl + Enter
Наши контакты
8-800-700-35-68
sales@din76.ru
г. Ярославль, Ленинградский пр-т 33, ТЦ "ОМЕГА"
2026 © ООО «Динамика 76» - Все права защищены ООО "Динамика 76"
Предложения на сайте не являются публичной офертой.
На сайте обнаружена ошибка

Текст с ошибкой