Избранное 0 Корзина 0 Личный кабинет
logo
Каталог
Каталог
  • Справочник
    • Грузовые автомобили
    • Автобусы
    • Сельхозтехника
    • Спецтехника
    • Двигатели
  • Доставка
  • Оплата
  • О компании
    • Реквизиты
    • Магазины
    • Оплата
    • Доставка
    • Лицензии и сертификаты
    • Новости
    • Вакансии
  • Контакты
Отправить заявку
Личный кабинет
8 (800) 700-35-68
sales@din76.ru
Избранное 0 Корзина 0
8 (800) 700-35-68
Оптовый прайс-лист
Каталог
  • Двигатели
  • Запчасти WEICHAI
  • Запчасти ЯМЗ, ТМЗ (V-образные)
  • Запчасти ЯМЗ-534, ЯМЗ-536
  • Запчасти ЯМЗ-650, ЯМЗ-651, DCi-11
  • Топливная аппаратура
  • Запчасти УРАЛ
  • Запчасти МАЗ
  • Запчасти КамАЗ
  • Запчасти ММЗ
  • Ремни
Автокаталог (справочник)
  • Доставка
  • Оплата
  • О компании
  • Контакты
8 (800) 700-35-68
Написать в Whatsapp
sales@din76.ru
Динамика 76
Меню  
  • Каталог
    • Двигатели  
      • Двигатели ТМЗ  
        • Двигатели ТМЗ для автомобилей
        • Двигатели ТМЗ для тракторов
        • Специальные двигатели ТМЗ
        • Промышленные двигатели ТМЗ
      • Двигатели ЯМЗ  
        • ЯМЗ 236
        • ЯМЗ 238
        • ЯМЗ 240
        • ЯМЗ 751
        • ЯМЗ 840
        • ЯМЗ 850
        • ЯМЗ 656
        • ЯМЗ 658
        • ЯМЗ 534
        • ЯМЗ 536
        • ЯМЗ 650
        • Двигатели ЯМЗ для электростанций
      • Двигатели КАМАЗ
      • Двигатели ММЗ
      • Двигатели индивидуальной сборки
      • Комплекты переоборудования
    • Запчасти WEICHAI  
      • Основные запчасти двигателя  
        • Клапаны и толкатели
        • Шатуны
        • Вал коленчатый и маховик
        • Вал распределительный
        • Цилиндро-поршневая группа
      • Система питания  
        • Форсунки
        • Турбокомпрессор
      • Система смазки  
        • Насос масляный
      • Головка блока
      • Ремкомплекты
      • Система охлаждения  
        • Насос водяной
        • Муфта вязкостная и крыльчатка
      • Фильтры
      • Электрооборудование  
        • Генератор
        • Стартер
    • Запчасти ЯМЗ, ТМЗ (V-образные)  
      • Основные запчасти двигателя  
        • Блок двигателя и комплектующие
        • Валы распределительные и клапаны
        • Головка блока и комплектующие
        • Цилиндро-поршневая группа
        • Маховики и комплектующие
        • Валы коленчатые и комплектующие
        • Шатуны и комплектующие
      • Система питания  
        • Коллекторы и патрубки
        • Топливные трубопроводы
        • Турбокомпрессор
        • Топливные фильтры
      • Электрооборудование двигателя
      • Система охлаждения  
        • Вязкостные муфты и крыльчатки
        • Приводы вентилятора
        • Водяные насосы
        • Водяные трубы и термостаты
      • Коробки переключения передач  
        • 8 Ступенчатые КПП
        • 5 Ступенчатые КПП
        • 9 Ступенчатые КПП
        • Запасные части КПП ЯМЗ, ТМЗ
      • Система смазки  
        • Теплообменник и комплектующие
        • Масляные насосы
        • Фильтры масляные (ФГОМ, ФЦОМ)
      • Сцепление  
        • Запасные части механизма сцепления
        • Муфты (подшипники выжимные)
        • Корзины (диски нажимные)
        • Диски ведомые
      • Прочие запчасти двигателя  
        • Ремкомплекты
        • Привод агрегатов
        • Натяжные устройства
        • Трубки
    • Запчасти ЯМЗ-534, ЯМЗ-536  
      • Основные запчасти двигателя  
        • Цилиндро-поршневая группа
        • Головка блока цилиндров и комплектующие
        • Блок цилиндров и комплектующие
        • Вал коленчатый и маховик
        • Вал распределительный
        • Клапаны и толкатели
        • ГУР (Гидроусилитель руля)
        • Система рециркуляции отработавших газов
        • Выпускной коллектор
      • Система питания  
        • Коллекторы и патрубки
        • Топливные фильтры
        • Турбокомпрессор
        • Топливные трубопроводы
      • Система смазки  
        • Масляный картер поддон
        • Масляный насос
        • Теплообменник /Водо-масляный радиатор
        • Фильтры масляные (ФГОМ, ФЦОМ)
      • Пневмокомпрессор и натяжное
      • Система охлаждения  
        • Водяной насос
        • Водяные трубы и патрубки
        • Муфты вязкостные, приводы, крыльчатки
      • Ремкомплекты
      • Сцепление
      • Электрооборудование
    • Запчасти ЯМЗ-650, ЯМЗ-651, DCi-11  
      • Основные запчасти двигателя  
        • Цилиндро-поршневая группа
        • Головка блока цилиндров и комплектующие
        • Блок цилиндров и комплектующие
        • Вал коленчатый и маховик
        • Выпускной коллектор
        • Вал распределительный
        • Клапаны и толкатели
        • ГУР (Гидроусилитель руля)
        • Система рециркуляции отработавших газов
      • Система питания  
        • Коллекторы и патрубки
        • Топливные трубопроводы
        • Топливные фильтры
        • Турбокомпрессор
      • Система смазки  
        • Масляный картер / поддон
        • Масляный насос
        • Теплообменник / Водо-масляный радиатор
        • Фильтры масляные (ФГОМ, ФЦОМ)
      • Система охлаждения  
        • Водяной насос
        • Водяные трубы и патрубки
        • Муфты вязкостные, приводы, крыльчатки
      • Ремкомплекты
      • Пневмокомпрессор и натяжное
      • Электрооборудование
      • Сцепление
    • Топливная аппаратура  
      • ЯЗДА  
        • Распылители
        • ТНВД
        • Форсунки
        • Топливный насос низкого давления
        • Пары плунжерные
        • Муфта опережения впрыска топлива
        • Запчасти и комплектующие ТНВД
      • НЗТА
      • АЗПИ  
        • Распылители
        • Форсунки
      • BOSCH
    • Запчасти УРАЛ  
      • Трансмиссия  
        • Коробка раздаточная
        • Передача карданная
        • Мост задний
        • Мост передний (ведущий)
        • Мост средний (промежуточный)
      • Кузов  
        • Дверь кабины
        • Капот, крылья, облицовка радиатора
        • Окно ветровое и заднее
        • Отопление и вентиляция кабины
        • Кабина
      • Механизмы управления  
        • Управление рулевое
        • Тормоза
      • Дополнительное оборудование  
        • Отбор мощности
        • Устройство седельное
      • Электрооборудование
      • Ходовая часть  
        • Колеса и ступицы
        • Ось передняя
        • Подвеска автомобиля
        • Рама
    • Запчасти МАЗ  
      • Трансмиссия  
        • Мост задний
        • Мост передний (ведущий)
        • Передача карданная
        • Мост средний (промежуточный)
      • Кузов  
        • Кабина
        • Дверь кабины
        • Детали основания кабины
        • Окно ветровое и заднее
        • Платформа
      • Механизмы управления  
        • Тормоза
        • Управление рулевое
      • Ходовая часть  
        • Колеса и ступицы
        • Ось передняя
        • Подвеска автомобиля
        • Рама
    • Запчасти КамАЗ  
      • Кузов  
        • Кабина
        • Капот, крылья, облицовка радиатора
        • Дверь кабины
        • Платформа
        • Окно ветровое и заднее
        • Устройство подъемное и опрокидывающее
        • Сиденье
        • Крыша кабины (крыша кузова)
        • Отопление и вентиляция кабины
      • Трансмиссия  
        • Коробка передач
        • Коробка раздаточная
        • Мост задний
        • Сцепление
        • Мост средний (промежуточный)
        • Передача карданная
        • Мост передний (ведущий)
      • Двигатель  
        • Основные запчасти двигателя
        • Система охлаждения
        • Система питания
        • Система смазки
      • Дополнительное оборудование  
        • Отбор мощности
        • Устройство седельное
      • Ходовая часть  
        • Подвеска автомобиля
        • Рама
        • Колеса и ступицы
        • Ось передняя
      • Механизмы управления  
        • Тормоза
        • Управление рулевое
      • Электрооборудование
    • Запчасти ММЗ
    • Ремни
  • Справочник
    • Грузовые автомобили
    • Автобусы
    • Сельхозтехника
    • Спецтехника
    • Двигатели
  • Как купить
    • Условия оплаты
    • Условия доставки
    • Гарантия на товар
    • Пункты выдачи
  • Услуги
    • Капитальный ремонт двигателей ЯМЗ
  • Акции
  • Статьи
  • Контакты
  • Компания
    • Реквизиты
    • Магазины
    • Оплата
    • Доставка
    • Лицензии и сертификаты
    • Новости
    • Вакансии
Избранное 0 Корзина 0
8-800-700-35-68

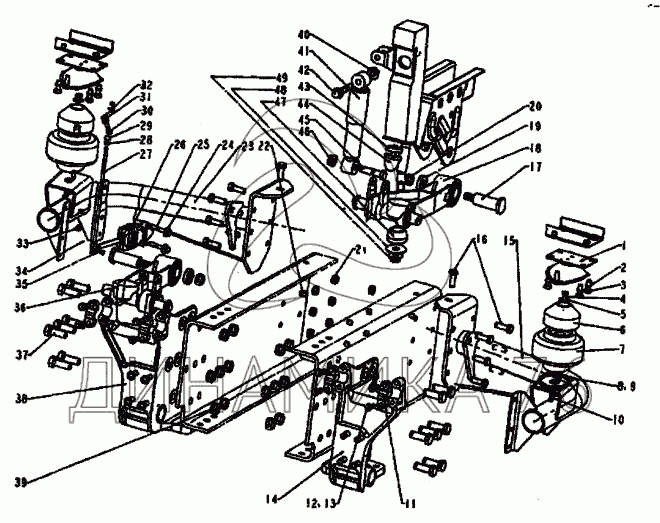
Передняя подвеска кабины на Howo cnhtc-huaxin (до 2010 г.)

Справочник
Главная
-
Автокаталог
-
Грузовые автомобили и прицепы
-
HOWO
-
Howo cnhtc-huaxin
Справочный каталог

Передняя подвеска кабины — Howo cnhtc-huaxin:

1 1 2 3 4 5 6 6 7 7 7 8 9 10 11 12 13 14 15 15 15 16 17 18 19 20 21 22 23 23 23 24 25 26 27 28 29 30 31 32 33 34 35 36 37 38 39 40 41 42 43 44 45 46 47 48 49
в наличии
нет в наличии
масштаб

В наличии
Нет в наличии

Перечень комплектующих от Передняя подвеска кабины на Howo cnhtc-huaxin

Схемы запчастей предназначены для справочных целей! Мы продаем не все запчасти от Передняя подвеска кабины на Howo cnhtc-huaxin, представленные в этом списке.
Наличие на складах по деталям с ценой смотрите в карточке товара.
1
1
Артикул: AZ1642430030
нет в наличии
верхний кронштейн пневморессоры в сборе
Количество на схеме: 2
Информация
верхний кронштейн пневморессоры в сборе
Количество
2
Модель
A
Группа
Сцепление
Подгруппа
1642
Порядковый номер детали
430
Дополнительно
Не взаимозаменяема с деталью, выпущенной ранее под этим же номером
1
1
Артикул: AZ1642430125
нет в наличии
верхний кронштейн винтовой рессоры в сборе
Количество на схеме: 2
Информация
верхний кронштейн винтовой рессоры в сборе
Количество
2
Примечание
SS
Модель
A
Группа
Сцепление
Подгруппа
1642
Порядковый номер детали
430
Дополнительно
Не взаимозаменяема с деталью, выпущенной ранее под этим же номером
2
2
Артикул: Q40310
нет в наличии
Пружинная шайба
Количество на схеме: 8
Информация
Пружинная шайба
Количество
8
3
3
Артикул: Q150B1025
нет в наличии
болт
Количество на схеме: 8
Информация
болт
Количество
8
4
4
Артикул: Q150B0820
нет в наличии
болт
Количество на схеме: 2
Информация
болт
Количество
2
Примечание
AS
5
5
Артикул: Q41208
нет в наличии
Шайба
Количество на схеме: 2
Информация
Шайба
Количество
2
Примечание
AS
6
6
Артикул: AZ1642430116
нет в наличии
шайба
Количество на схеме: 2
Информация
шайба
Количество
2
Примечание
SS
Модель
A
Группа
Сцепление
Подгруппа
1642
Порядковый номер детали
430
Дополнительно
Не взаимозаменяема с деталью, выпущенной ранее под этим же номером
6
6
Артикул: WG1642430033
нет в наличии
Направляющая
Количество на схеме: 2
Информация
Направляющая
Количество
2
Примечание
AS
Модель
W
Группа
Сцепление
Подгруппа
1642
Порядковый номер детали
430
Дополнительно
Не взаимозаменяема с деталью, выпущенной ранее под этим же номером
7
7
Артикул: AZ1642430085
нет в наличии
пневморессора в сборе
Количество на схеме: 2
Информация
пневморессора в сборе
Количество
2
Примечание
AS
Модель
A
Группа
Сцепление
Подгруппа
1642
Порядковый номер детали
430
Дополнительно
Не взаимозаменяема с деталью, выпущенной ранее под этим же номером
7
7
Артикул: WG1642430117
нет в наличии
винтовая рессора в сборе
Количество на схеме: 2
Информация
винтовая рессора в сборе
Количество
2
Примечание
SSH
Модель
W
Группа
Сцепление
Подгруппа
1642
Порядковый номер детали
430
Дополнительно
Не взаимозаменяема с деталью, выпущенной ранее под этим же номером
7
7
Артикул: WG1642430118
нет в наличии
винтовая рессора в сборе
Количество на схеме: 2
Информация
винтовая рессора в сборе
Количество
2
Примечание
SS
Модель
W
Группа
Сцепление
Подгруппа
1642
Порядковый номер детали
430
Дополнительно
Не взаимозаменяема с деталью, выпущенной ранее под этим же номером
8
8
Артикул: Q40308
нет в наличии
Пружинная шайба
Количество на схеме: 2
Информация
Пружинная шайба
Количество
2
9
9
Артикул: Q150B0820
нет в наличии
болт
Количество на схеме: 2
Информация
болт
Количество
2
10
10
Артикул: WG1642430086
нет в наличии
соединительный штуцер
Количество на схеме: 2
Информация
соединительный штуцер
Количество
2
Примечание
AS
Модель
W
Группа
Сцепление
Подгруппа
1642
Порядковый номер детали
430
Дополнительно
Не взаимозаменяема с деталью, выпущенной ранее под этим же номером
11
11
Артикул: AZ1642430043
нет в наличии
крышка
Количество на схеме: 4
Информация
крышка
Количество
4
Модель
A
Группа
Сцепление
Подгруппа
1642
Порядковый номер детали
430
Дополнительно
Не взаимозаменяема с деталью, выпущенной ранее под этим же номером
12
12
Артикул: Q40312
нет в наличии
Пружинная шайба
Количество на схеме: 8
Информация
Пружинная шайба
Количество
8
13
13
Артикул: Q150B1235
нет в наличии
болт
Количество на схеме: 8
Информация
болт
Количество
8
14
14
Артикул: AZ1642430041
нет в наличии
кронштейн кабины левый передний
Количество на схеме: 1
Информация
кронштейн кабины левый передний
Количество
1
Модель
A
Группа
Сцепление
Подгруппа
1642
Порядковый номер детали
430
Дополнительно
Не взаимозаменяема с деталью, выпущенной ранее под этим же номером
15
15
Артикул: AZ1642430110
нет в наличии
кронштейн передней подвески левый нижний в сборе
Количество на схеме: 1
Информация
кронштейн передней подвески левый нижний в сборе
Количество
1
Примечание
пневматическая подвеска кабины
Модель
A
Группа
Сцепление
Подгруппа
1642
Порядковый номер детали
430
Дополнительно
Не взаимозаменяема с деталью, выпущенной ранее под этим же номером
15
15
Артикул: AZ1642430126
нет в наличии
кронштейн передней подвески левый нижний в сборе
Количество на схеме: 1
Информация
кронштейн передней подвески левый нижний в сборе
Количество
1
Примечание
пневматическая подвеска кабины, правая руль
Модель
A
Группа
Сцепление
Подгруппа
1642
Порядковый номер детали
430
Дополнительно
Не взаимозаменяема с деталью, выпущенной ранее под этим же номером
15
15
Артикул: WG1642430010
нет в наличии
Основание левого пружинного кронштейна
Количество на схеме: 1
Информация
Основание левого пружинного кронштейна
Количество
1
Примечание
пневматическая подвеска кабины
Модель
W
Группа
Сцепление
Подгруппа
1642
Порядковый номер детали
430
Дополнительно
Не взаимозаменяема с деталью, выпущенной ранее под этим же номером
16
16
Артикул: Q151C1235
нет в наличии
болт
Количество на схеме: 14
Информация
болт
Количество
14
Примечание
мелкая резьба
17
17
Артикул: AZ1642430071
нет в наличии
болт
Количество на схеме: 2
Информация
болт
Количество
2
Модель
A
Группа
Сцепление
Подгруппа
1642
Порядковый номер детали
430
Дополнительно
Не взаимозаменяема с деталью, выпущенной ранее под этим же номером
18
18
Артикул: AZ1642430051
нет в наличии
маятниковый рычаг левый в сборе
Количество на схеме: 1
Информация
маятниковый рычаг левый в сборе
Количество
1
Модель
A
Группа
Сцепление
Подгруппа
1642
Порядковый номер детали
430
Дополнительно
Не взаимозаменяема с деталью, выпущенной ранее под этим же номером
19
19
Артикул: AZ1642430072
нет в наличии
фасонная шайба
Количество на схеме: 2
Информация
фасонная шайба
Количество
2
Модель
A
Группа
Сцепление
Подгруппа
1642
Порядковый номер детали
430
Дополнительно
Не взаимозаменяема с деталью, выпущенной ранее под этим же номером
20
20
Артикул: 190003888459
нет в наличии
Гайка
Количество на схеме: 2
Информация
Гайка
Количество
2
Подгруппа
1900
Порядковый номер детали
038
Дополнительно
Не взаимозаменяема с деталью, выпущенной ранее под этим же номером
21
21
Артикул: 190003888457
нет в наличии
Гайка
Количество на схеме: 2
Информация
Гайка
Количество
2
Подгруппа
1900
Порядковый номер детали
038
Дополнительно
Не взаимозаменяема с деталью, выпущенной ранее под этим же номером
22
22
Артикул: 190003888457
нет в наличии
Гайка
Количество на схеме: 2
Информация
Гайка
Количество
2
Подгруппа
1900
Порядковый номер детали
038
Дополнительно
Не взаимозаменяема с деталью, выпущенной ранее под этим же номером
23
23
Артикул: AZ1642430127
нет в наличии
кронштейн передней подвески правый нижний в сборе
Количество на схеме: 1
Информация
кронштейн передней подвески правый нижний в сборе
Количество
1
Примечание
AS правая руль
Модель
A
Группа
Сцепление
Подгруппа
1642
Порядковый номер детали
430
Дополнительно
Не взаимозаменяема с деталью, выпущенной ранее под этим же номером
23
23
Артикул: WG1642430020
нет в наличии
Основание правого пружинного кронштейна
Количество на схеме: 1
Информация
Основание правого пружинного кронштейна
Количество
1
Примечание
пневматическая подвеска кабины
Модель
W
Группа
Сцепление
Подгруппа
1642
Порядковый номер детали
430
Дополнительно
Не взаимозаменяема с деталью, выпущенной ранее под этим же номером
23
23
Артикул: WG1642430120
нет в наличии
Основание правого пружинного кронштейна
Количество на схеме: 1
Информация
Основание правого пружинного кронштейна
Количество
1
Примечание
SS
Модель
W
Группа
Сцепление
Подгруппа
1642
Порядковый номер детали
430
Дополнительно
Не взаимозаменяема с деталью, выпущенной ранее под этим же номером
24
24
Артикул: Q40208
нет в наличии
Шайба
Количество на схеме: 2
Информация
Шайба
Количество
2
25
25
Артикул: Q150B0855
нет в наличии
болт
Количество на схеме: 2
Информация
болт
Количество
2
Примечание
пневматическая подвеска кабины
26
26
Артикул: WG1642440051
нет в наличии
Клапан управления нагрузкой
Количество на схеме: 1
Информация
Клапан управления нагрузкой
Количество
1
Примечание
пневматическая подвеска кабины
Модель
W
Группа
Сцепление
Подгруппа
1642
Порядковый номер детали
440
Дополнительно
Не взаимозаменяема с деталью, выпущенной ранее под этим же номером
27
27
Артикул: WG1642430035
нет в наличии
Тяга
Количество на схеме: 1
Информация
Тяга
Количество
1
Примечание
пневматическая подвеска кабины
Модель
W
Группа
Сцепление
Подгруппа
1642
Порядковый номер детали
430
Дополнительно
Не взаимозаменяема с деталью, выпущенной ранее под этим же номером
28
28
Артикул: Q340B09
нет в наличии
гайка
Количество на схеме: 4
Информация
гайка
Количество
4
Примечание
пневматическая подвеска кабины
29
29
Артикул: AZ1642430036
нет в наличии
полусферическая шайба
Количество на схеме: 2
Информация
полусферическая шайба
Количество
2
Примечание
пневматическая подвеска кабины
Модель
A
Группа
Сцепление
Подгруппа
1642
Порядковый номер детали
430
Дополнительно
Не взаимозаменяема с деталью, выпущенной ранее под этим же номером
30
30
Артикул: AZ1642430034
нет в наличии
соединительный рычаг толкающей штанги
Количество на схеме: 1
Информация
соединительный рычаг толкающей штанги
Количество
1
Примечание
пневматическая подвеска кабины
Модель
A
Группа
Сцепление
Подгруппа
1642
Порядковый номер детали
430
Дополнительно
Не взаимозаменяема с деталью, выпущенной ранее под этим же номером
31
31
Артикул: Q340B08
нет в наличии
гайка
Количество на схеме: 1
Информация
гайка
Количество
1
Примечание
пневматическая подвеска кабины
32
32
Артикул: Q41208
нет в наличии
Шайба
Количество на схеме: 1
Информация
Шайба
Количество
1
Примечание
пневматическая подвеска кабины
33
33
Артикул: Q340B08
нет в наличии
гайка
Количество на схеме: 2
Информация
гайка
Количество
2
Примечание
пневматическая подвеска кабины
34
34
Артикул: Q5002012
нет в наличии
Штифт
Количество на схеме: 1
Информация
Штифт
Количество
1
Примечание
пневматическая подвеска кабины
Модель
Группа
Кабина (Кузов)
Подгруппа
Пол передний
Порядковый номер детали
012
35
35
Артикул: Q5100614
нет в наличии
Болт
Количество на схеме: 1
Информация
Болт
Количество
1
Примечание
пневматическая подвеска кабины
Модель
Группа
Детали основания (пола) кабины (Пол кузова)
Подгруппа
5100
Порядковый номер детали
614
36
36
Артикул: AZ1642430052
нет в наличии
маятниковый рычаг правый в сборе
Количество на схеме: 1
Информация
маятниковый рычаг правый в сборе
Количество
1
Примечание
симметричный левому
Модель
A
Группа
Сцепление
Подгруппа
1642
Порядковый номер детали
430
Дополнительно
Не взаимозаменяема с деталью, выпущенной ранее под этим же номером
37
37
Артикул: Q151B1645
нет в наличии
болт
Количество на схеме: 14
Информация
болт
Количество
14
Примечание
Винтовая рессорнная подвеска кабины
38
38
Артикул: AZ1642430042
нет в наличии
кронштейн кабины правый передний
Количество на схеме: 1
Информация
кронштейн кабины правый передний
Количество
1
Примечание
симметричный левому
Модель
A
Группа
Сцепление
Подгруппа
1642
Порядковый номер детали
430
Дополнительно
Не взаимозаменяема с деталью, выпущенной ранее под этим же номером
39
39
Артикул: 190003888459
нет в наличии
Гайка
Количество на схеме: 14
Информация
Гайка
Количество
14
Подгруппа
1900
Порядковый номер детали
038
Дополнительно
Не взаимозаменяема с деталью, выпущенной ранее под этим же номером
40
40
Артикул: Q33014
нет в наличии
Гайка
Количество на схеме: 2
Информация
Гайка
Количество
2
41
41
Артикул: AZ4642430091
нет в наличии
передний амортизатор
Количество на схеме: 2
Информация
передний амортизатор
Количество
2
Модель
A
Подгруппа
4642
Порядковый номер детали
430
Дополнительно
Не взаимозаменяема с деталью, выпущенной ранее под этим же номером
42
42
Артикул: 01841470
нет в наличии
фланцевый болт
Количество на схеме: 2
Информация
фланцевый болт
Количество
2
Подгруппа
0184
Порядковый номер детали
147
43
43
Артикул: AZ1642430082
нет в наличии
шайба буфера-ограничителя
Количество на схеме: 2
Информация
шайба буфера-ограничителя
Количество
2
Модель
A
Группа
Сцепление
Подгруппа
1642
Порядковый номер детали
430
Дополнительно
Не взаимозаменяема с деталью, выпущенной ранее под этим же номером
44
44
Артикул: WG1642430081
нет в наличии
Пружинный стопор
Количество на схеме: 2
Информация
Пружинный стопор
Количество
2
Модель
W
Группа
Сцепление
Подгруппа
1642
Порядковый номер детали
430
Дополнительно
Не взаимозаменяема с деталью, выпущенной ранее под этим же номером
45
45
Артикул: Q150B1460
нет в наличии
болт
Количество на схеме: 2
Информация
болт
Количество
2
46
46
Артикул: Q33014
нет в наличии
Гайка
Количество на схеме: 2
Информация
Гайка
Количество
2
47
47
Артикул: AZ1642430097
нет в наличии
резиновый буфер
Количество на схеме: 2
Информация
резиновый буфер
Количество
2
Модель
A
Группа
Сцепление
Подгруппа
1642
Порядковый номер детали
430
Дополнительно
Не взаимозаменяема с деталью, выпущенной ранее под этим же номером
48
48
Артикул: Q40216
нет в наличии
Шайба
Количество на схеме: 2
Информация
Шайба
Количество
2
49
49
Артикул: Q33016
нет в наличии
Гайка
Количество на схеме: 2
Информация
Гайка
Количество
2
  • Грузовые автомобили
  • Автобусы
  • Сельхозтехника
  • Спецтехника
  • Двигатели
Получить оптовый прайс-лист
Скачать прайс-лист от 06.05.2026 16:00
Специальное предложение от 06.05.2026 17:00
Производители:


  • WEICHAI
  • Автодизель ПАО (ЯМЗ)
  • Тутаевский МЗ
  • ЯЗДА
  • УралАЗ
  • МАЗ
  • АЗПИ
  • BOSCH
  • ММЗ
  • ШААЗ
  • FEDERAL MOGUL
  • ПРАМО
  • Мотордеталь
  • ТАИМ
  • АвтоКрАЗ
  • БЕЛКАРД
  • CZ Strakonice
  • КамАЗ
  • БЗА
  • ЧМЗ
  • BMZ
Новости
Все новости
25 марта 2024
Флагманский седельный тягач «Валдай 45» на выставке «TransRussia»
10 марта 2024
Современные автобусы «CITYMAX 9» и ЛиАЗ-5292 CNG
25 февраля 2024
Серийное производство средних дизельных двигателей повышенной мощности от ЯМЗ
Статьи
Все статьи
Датчики двигателя: за что они отвечают, признаки неисправности и как не прогадать с выбором
Двигатели ЯМЗ-534: история, технические характеристики и области применения
Двигатели ЯМЗ 650: углублённый технический обзор и история
Компания
О компании
Реквизиты
Новости
Политика
Магазины
Информация
Условия оплаты
Условия доставки
Гарантия на товар
Обмен и возврат товара
Помощь
Как оформить заказ
Полезные статьи
Бренды
Пункты выдачи
Оставайтесь на связи
  • Вконтакте
  • YouTube
  • Одноклассники
  • Google Plus
Увидели ошибку?
Выделите, нажав Ctrl + Enter
Наши контакты
8-800-700-35-68
sales@din76.ru
г. Ярославль, Ленинградский пр-т 33, ТЦ "ОМЕГА"
2026 © ООО «Динамика 76» - Все права защищены ООО "Динамика 76"
Предложения на сайте не являются публичной офертой.
На сайте обнаружена ошибка

Текст с ошибкой