Избранное 0 Корзина 0 Личный кабинет
logo
Каталог
Каталог
  • Справочник
    • Грузовые автомобили
    • Автобусы
    • Сельхозтехника
    • Спецтехника
    • Двигатели
  • Доставка
  • Оплата
  • О компании
    • Реквизиты
    • Магазины
    • Оплата
    • Доставка
    • Лицензии и сертификаты
    • Новости
    • Вакансии
  • Контакты
Отправить заявку
Личный кабинет
8 (800) 700-35-68
sales@din76.ru
Избранное 0 Корзина 0
8 (800) 700-35-68
Оптовый прайс-лист
Каталог
  • Двигатели
  • Запчасти WEICHAI
  • Запчасти ЯМЗ, ТМЗ (V-образные)
  • Запчасти ЯМЗ-534, ЯМЗ-536
  • Запчасти ЯМЗ-650, ЯМЗ-651, DCi-11
  • Топливная аппаратура
  • Запчасти УРАЛ
  • Запчасти МАЗ
  • Запчасти КамАЗ
  • Запчасти ММЗ
  • Ремни
Автокаталог (справочник)
  • Доставка
  • Оплата
  • О компании
  • Контакты
8 (800) 700-35-68
Написать в Whatsapp
sales@din76.ru
Динамика 76
Меню  
  • Каталог
    • Двигатели  
      • Двигатели ТМЗ  
        • Двигатели ТМЗ для автомобилей
        • Двигатели ТМЗ для тракторов
        • Специальные двигатели ТМЗ
        • Промышленные двигатели ТМЗ
      • Двигатели ЯМЗ  
        • ЯМЗ 236
        • ЯМЗ 238
        • ЯМЗ 240
        • ЯМЗ 751
        • ЯМЗ 840
        • ЯМЗ 850
        • ЯМЗ 656
        • ЯМЗ 658
        • ЯМЗ 534
        • ЯМЗ 536
        • ЯМЗ 650
        • Двигатели ЯМЗ для электростанций
      • Двигатели КАМАЗ
      • Двигатели ММЗ
      • Двигатели индивидуальной сборки
      • Комплекты переоборудования
    • Запчасти WEICHAI  
      • Основные запчасти двигателя  
        • Клапаны и толкатели
        • Шатуны
        • Вал коленчатый и маховик
        • Вал распределительный
        • Цилиндро-поршневая группа
      • Система питания  
        • Форсунки
        • Турбокомпрессор
      • Система смазки  
        • Насос масляный
      • Головка блока
      • Ремкомплекты
      • Система охлаждения  
        • Насос водяной
        • Муфта вязкостная и крыльчатка
      • Фильтры
      • Электрооборудование  
        • Генератор
        • Стартер
    • Запчасти ЯМЗ, ТМЗ (V-образные)  
      • Основные запчасти двигателя  
        • Блок двигателя и комплектующие
        • Валы распределительные и клапаны
        • Головка блока и комплектующие
        • Цилиндро-поршневая группа
        • Маховики и комплектующие
        • Валы коленчатые и комплектующие
        • Шатуны и комплектующие
      • Система питания  
        • Коллекторы и патрубки
        • Топливные трубопроводы
        • Турбокомпрессор
        • Топливные фильтры
      • Электрооборудование двигателя
      • Система охлаждения  
        • Вязкостные муфты и крыльчатки
        • Приводы вентилятора
        • Водяные насосы
        • Водяные трубы и термостаты
      • Коробки переключения передач  
        • 8 Ступенчатые КПП
        • 5 Ступенчатые КПП
        • 9 Ступенчатые КПП
        • Запасные части КПП ЯМЗ, ТМЗ
      • Система смазки  
        • Теплообменник и комплектующие
        • Масляные насосы
        • Фильтры масляные (ФГОМ, ФЦОМ)
      • Сцепление  
        • Запасные части механизма сцепления
        • Муфты (подшипники выжимные)
        • Корзины (диски нажимные)
        • Диски ведомые
      • Прочие запчасти двигателя  
        • Ремкомплекты
        • Привод агрегатов
        • Натяжные устройства
        • Трубки
    • Запчасти ЯМЗ-534, ЯМЗ-536  
      • Основные запчасти двигателя  
        • Цилиндро-поршневая группа
        • Головка блока цилиндров и комплектующие
        • Блок цилиндров и комплектующие
        • Вал коленчатый и маховик
        • Вал распределительный
        • Клапаны и толкатели
        • ГУР (Гидроусилитель руля)
        • Система рециркуляции отработавших газов
        • Выпускной коллектор
      • Система питания  
        • Коллекторы и патрубки
        • Топливные фильтры
        • Турбокомпрессор
        • Топливные трубопроводы
      • Система смазки  
        • Масляный картер поддон
        • Масляный насос
        • Теплообменник /Водо-масляный радиатор
        • Фильтры масляные (ФГОМ, ФЦОМ)
      • Пневмокомпрессор и натяжное
      • Система охлаждения  
        • Водяной насос
        • Водяные трубы и патрубки
        • Муфты вязкостные, приводы, крыльчатки
      • Ремкомплекты
      • Сцепление
      • Электрооборудование
    • Запчасти ЯМЗ-650, ЯМЗ-651, DCi-11  
      • Основные запчасти двигателя  
        • Цилиндро-поршневая группа
        • Головка блока цилиндров и комплектующие
        • Блок цилиндров и комплектующие
        • Вал коленчатый и маховик
        • Выпускной коллектор
        • Вал распределительный
        • Клапаны и толкатели
        • ГУР (Гидроусилитель руля)
        • Система рециркуляции отработавших газов
      • Система питания  
        • Коллекторы и патрубки
        • Топливные трубопроводы
        • Топливные фильтры
        • Турбокомпрессор
      • Система смазки  
        • Масляный картер / поддон
        • Масляный насос
        • Теплообменник / Водо-масляный радиатор
        • Фильтры масляные (ФГОМ, ФЦОМ)
      • Система охлаждения  
        • Водяной насос
        • Водяные трубы и патрубки
        • Муфты вязкостные, приводы, крыльчатки
      • Ремкомплекты
      • Пневмокомпрессор и натяжное
      • Электрооборудование
      • Сцепление
    • Топливная аппаратура  
      • ЯЗДА  
        • Распылители
        • ТНВД
        • Форсунки
        • Топливный насос низкого давления
        • Пары плунжерные
        • Муфта опережения впрыска топлива
        • Запчасти и комплектующие ТНВД
      • НЗТА
      • АЗПИ  
        • Распылители
        • Форсунки
      • BOSCH
    • Запчасти УРАЛ  
      • Трансмиссия  
        • Коробка раздаточная
        • Передача карданная
        • Мост задний
        • Мост передний (ведущий)
        • Мост средний (промежуточный)
      • Кузов  
        • Дверь кабины
        • Капот, крылья, облицовка радиатора
        • Окно ветровое и заднее
        • Отопление и вентиляция кабины
        • Кабина
      • Механизмы управления  
        • Управление рулевое
        • Тормоза
      • Дополнительное оборудование  
        • Отбор мощности
        • Устройство седельное
      • Электрооборудование
      • Ходовая часть  
        • Колеса и ступицы
        • Ось передняя
        • Подвеска автомобиля
        • Рама
    • Запчасти МАЗ  
      • Трансмиссия  
        • Мост задний
        • Мост передний (ведущий)
        • Передача карданная
        • Мост средний (промежуточный)
      • Кузов  
        • Кабина
        • Дверь кабины
        • Детали основания кабины
        • Окно ветровое и заднее
        • Платформа
      • Механизмы управления  
        • Тормоза
        • Управление рулевое
      • Ходовая часть  
        • Колеса и ступицы
        • Ось передняя
        • Подвеска автомобиля
        • Рама
    • Запчасти КамАЗ  
      • Кузов  
        • Кабина
        • Капот, крылья, облицовка радиатора
        • Дверь кабины
        • Платформа
        • Окно ветровое и заднее
        • Устройство подъемное и опрокидывающее
        • Сиденье
        • Крыша кабины (крыша кузова)
        • Отопление и вентиляция кабины
      • Трансмиссия  
        • Коробка передач
        • Коробка раздаточная
        • Мост задний
        • Сцепление
        • Мост средний (промежуточный)
        • Передача карданная
        • Мост передний (ведущий)
      • Двигатель  
        • Основные запчасти двигателя
        • Система охлаждения
        • Система питания
        • Система смазки
      • Дополнительное оборудование  
        • Отбор мощности
        • Устройство седельное
      • Ходовая часть  
        • Подвеска автомобиля
        • Рама
        • Колеса и ступицы
        • Ось передняя
      • Механизмы управления  
        • Тормоза
        • Управление рулевое
      • Электрооборудование
    • Запчасти ММЗ
    • Ремни
  • Справочник
    • Грузовые автомобили
    • Автобусы
    • Сельхозтехника
    • Спецтехника
    • Двигатели
  • Как купить
    • Условия оплаты
    • Условия доставки
    • Гарантия на товар
    • Пункты выдачи
  • Услуги
    • Капитальный ремонт двигателей ЯМЗ
  • Акции
  • Статьи
  • Контакты
  • Компания
    • Реквизиты
    • Магазины
    • Оплата
    • Доставка
    • Лицензии и сертификаты
    • Новости
    • Вакансии
Избранное 0 Корзина 0
8-800-700-35-68

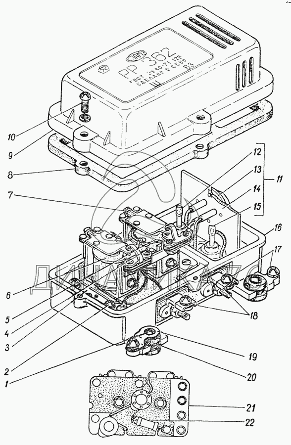
Реле-регулятор на ГАЗ-5312 (до 2002 г.)

Справочник
Главная
-
Автокаталог
-
Грузовые автомобили и прицепы
-
ГАЗ
-
ГАЗ-5312
Справочный каталог

Реле-регулятор — ГАЗ-5312:

3-082 4-082 4-082 5-082 5-082 5-082 6-082 8X-1497 8X-1497 8X-1497 H-1214 H-4267 PP24-3702402 PP24-3702418 PP362-3702420 PP362-3702430 PP362-3702519-E PP362-3702520 PP362-3702550-E PP362-3702560-E PP362-3702620 PP362-3702630 PP362-3802804 X-4001 X-4003 X-4003 РР362-3702101-Л РР362-3702110-Б РР362-3702511-Е 1 2 3 4 5 6 7 8 9 10 11 12 13 14 15 16 17 18 19 20 21 22
в наличии
нет в наличии
масштаб

В наличии
Нет в наличии

Перечень комплектующих от Реле-регулятор на ГАЗ-5312

Схемы запчастей предназначены для справочных целей! Мы продаем не все запчасти от Реле-регулятор на ГАЗ-5312, представленные в этом списке.
Наличие на складах по деталям с ценой смотрите в карточке товара.
Артикул: 3-082
нет в наличии
Шайба пружинная
Информация
Шайба пружинная
Артикул: 4-082
нет в наличии
Шайба
Информация
Шайба
Артикул: 4-082
нет в наличии
Шайба
Информация
Шайба
Артикул: 5-082
нет в наличии
Шайба
Информация
Шайба
Артикул: 5-082
нет в наличии
Шайба
Информация
Шайба
Артикул: 5-082
нет в наличии
Шайба
Информация
Шайба
Артикул: 6-082
нет в наличии
Шайба пружинная
Информация
Шайба пружинная
Артикул: 8X-1497
нет в наличии
Шайба
Информация
Шайба
Артикул: 8X-1497
нет в наличии
Шайба
Информация
Шайба
Артикул: 8X-1497
нет в наличии
Шайба
Информация
Шайба
Артикул: H-1214
нет в наличии
Шайба
Информация
Шайба
Артикул: H-4267
нет в наличии
Винт крепления транзистора
Информация
Винт крепления транзистора
Артикул: PP24-3702402
нет в наличии
Катушка регулятора
Информация
Катушка регулятора
Группа
Электрооборудование
Подгруппа
Реле-регулятор (напряжения)
Порядковый номер детали
402
Артикул: PP24-3702418
нет в наличии
Пружина
Информация
Пружина
Группа
Электрооборудование
Подгруппа
Реле-регулятор (напряжения)
Порядковый номер детали
418
Артикул: PP362-3702420
нет в наличии
Якорь регулятора напряжения в сборе
Информация
Якорь регулятора напряжения в сборе
Группа
Электрооборудование
Подгруппа
Реле-регулятор (напряжения)
Порядковый номер детали
420
Артикул: PP362-3702430
нет в наличии
Угольник с держателями контактов
Информация
Угольник с держателями контактов
Группа
Электрооборудование
Подгруппа
Реле-регулятор (напряжения)
Порядковый номер детали
430
Артикул: PP362-3702519-E
нет в наличии
Прокладка изоляционная нижняя
Информация
Прокладка изоляционная нижняя
Группа
Электрооборудование
Подгруппа
Реле-регулятор (напряжения)
Порядковый номер детали
519
Артикул: PP362-3702520
нет в наличии
Болт клеммовый
Информация
Болт клеммовый
Группа
Электрооборудование
Подгруппа
Реле-регулятор (напряжения)
Порядковый номер детали
520
Артикул: PP362-3702550-E
нет в наличии
Сопротивление комбинированное
Информация
Сопротивление комбинированное
Группа
Электрооборудование
Подгруппа
Реле-регулятор (напряжения)
Порядковый номер детали
550
Артикул: PP362-3702560-E
нет в наличии
Сопротивление 42 Ом
Информация
Сопротивление 42 Ом
Группа
Электрооборудование
Подгруппа
Реле-регулятор (напряжения)
Порядковый номер детали
560
Артикул: PP362-3702620
нет в наличии
Якорь реле защиты в сборе
Информация
Якорь реле защиты в сборе
Группа
Электрооборудование
Подгруппа
Реле-регулятор (напряжения)
Порядковый номер детали
620
Артикул: PP362-3702630
нет в наличии
Держатель с контактом и угольником реле защиты в сборе
Информация
Держатель с контактом и угольником реле защиты в сборе
Группа
Электрооборудование
Подгруппа
Реле-регулятор (напряжения)
Порядковый номер детали
630
Артикул: PP362-3802804
нет в наличии
Вывод с наконечником
Информация
Вывод с наконечником
Группа
Приборы
Подгруппа
Спидометр
Порядковый номер детали
804
Артикул: X-4001
нет в наличии
Шайба пружинная
Информация
Шайба пружинная
Артикул: X-4003
нет в наличии
Гайка крепления регулятора напряжения к панели
Информация
Гайка крепления регулятора напряжения к панели
Артикул: X-4003
нет в наличии
Гайка крепления регулятора напряжения к панели
Информация
Гайка крепления регулятора напряжения к панели
Артикул: РР362-3702101-Л
нет в наличии
Основание
Информация
Основание
Группа
Электрооборудование
Подгруппа
Реле-регулятор (напряжения)
Порядковый номер детали
101
Артикул: РР362-3702110-Б
нет в наличии
Клемма
Информация
Клемма
Группа
Электрооборудование
Подгруппа
Реле-регулятор (напряжения)
Порядковый номер детали
110
Артикул: РР362-3702511-Е
нет в наличии
Панель
Информация
Панель
Группа
Электрооборудование
Подгруппа
Реле-регулятор (напряжения)
Порядковый номер детали
511
1
1
Артикул: PP24-3702022
нет в наличии
Втулка
Информация
Втулка
Группа
Электрооборудование
Подгруппа
Реле-регулятор (напряжения)
Порядковый номер детали
022
2
2
Артикул: H-5003
нет в наличии
Винт крепления панели и панели теплоотвода к основанию
Информация
Винт крепления панели и панели теплоотвода к основанию
3
3
Артикул: PP362-3702500-EH
нет в наличии
Панель в сборе
Информация
Панель в сборе
Группа
Электрооборудование
Подгруппа
Реле-регулятор (напряжения)
Порядковый номер детали
500
4
4
Артикул: МЛТ-0,5-240-ОМ+/-5%--ГОСТ-5172-72
нет в наличии
Резистор
Информация
Резистор
5
5
Артикул: PP362-3702600-ГX-4003
нет в наличии
Реле защиты в сборе
Информация
Реле защиты в сборе
Группа
Электрооборудование
Подгруппа
Реле-регулятор (напряжения)
Порядковый номер детали
600
6
6
Артикул: PP362-3702400-E
нет в наличии
Регулятор напряжения в сборе
Информация
Регулятор напряжения в сборе
Группа
Электрооборудование
Подгруппа
Реле-регулятор (напряжения)
Порядковый номер детали
400
7
7
Артикул: PP315-3702419
нет в наличии
Втулка изоляционная
Информация
Втулка изоляционная
Группа
Электрооборудование
Подгруппа
Реле-регулятор (напряжения)
Порядковый номер детали
419
8
8
Артикул: PP362-3702008
нет в наличии
Прокладка уплотнительная
Информация
Прокладка уплотнительная
Группа
Электрооборудование
Подгруппа
Реле-регулятор (напряжения)
Порядковый номер детали
008
9
9
Артикул: РР362-3702003-А
нет в наличии
Крышка
Информация
Крышка
Группа
Электрооборудование
Подгруппа
Реле-регулятор (напряжения)
Порядковый номер детали
003
10
10
Артикул: 8Х-1549
нет в наличии
Винт крепления крышки
Информация
Винт крепления крышки
11
11
Артикул: PP362-3702800
нет в наличии
Блок полупроводниковый
Информация
Блок полупроводниковый
Группа
Электрооборудование
Подгруппа
Реле-регулятор (напряжения)
Порядковый номер детали
800
12
12
Артикул: КД-202-B--(УЖ3-362-036-ТУ)
нет в наличии
Диод
Информация
Диод
13
13
Артикул: П217(СИ3-365-017-ТУ)
нет в наличии
Транзистор
Информация
Транзистор
14
14
Артикул: PP362-3702810-A2
нет в наличии
Теплооотвод с панелью в сборе
Информация
Теплооотвод с панелью в сборе
Группа
Электрооборудование
Подгруппа
Реле-регулятор (напряжения)
Порядковый номер детали
810
Дополнительно
Конструкция детали модернизирована, но сохранена взаимозаменяемость с ранее выпущенными
15
15
Артикул: Д242(аА0336-206-ТУ)
нет в наличии
Диод
Информация
Диод
16
16
Артикул: PP362-3702100
нет в наличии
Основание с выводами и клеммами в сборе
Информация
Основание с выводами и клеммами в сборе
Группа
Электрооборудование
Подгруппа
Реле-регулятор (напряжения)
Порядковый номер детали
100
17
17
Артикул: 7X-1598
нет в наличии
Винт крепления кронштейна к скобе
Информация
Винт крепления кронштейна к скобе
18
18
Артикул: Вк14-3708053
нет в наличии
Скоба
Информация
Скоба
Группа
Электрооборудование
Подгруппа
Стартер
Порядковый номер детали
053
19
19
Артикул: PP362-3702113
нет в наличии
Кронштейн
Информация
Кронштейн
Группа
Электрооборудование
Подгруппа
Реле-регулятор (напряжения)
Порядковый номер детали
113
20
20
Артикул: PP24-3702006
нет в наличии
Втулка амортизационная
Информация
Втулка амортизационная
Группа
Электрооборудование
Подгруппа
Реле-регулятор (напряжения)
Порядковый номер детали
006
21
21
Артикул: РР362-3702510-Ж
нет в наличии
Панель с сопротивлениями в сборе
Информация
Панель с сопротивлениями в сборе
Группа
Электрооборудование
Подгруппа
Реле-регулятор (напряжения)
Порядковый номер детали
510
22
22
Артикул: МЛТ-2-62-0М±5%
нет в наличии
Резистор
Информация
Резистор
  • Грузовые автомобили
  • Автобусы
  • Сельхозтехника
  • Спецтехника
  • Двигатели
Получить оптовый прайс-лист
Скачать прайс-лист от 09.05.2026 08:00
Специальное предложение от 09.05.2026 09:00
Производители:


  • WEICHAI
  • Автодизель ПАО (ЯМЗ)
  • Тутаевский МЗ
  • ЯЗДА
  • УралАЗ
  • МАЗ
  • АЗПИ
  • BOSCH
  • ММЗ
  • ШААЗ
  • FEDERAL MOGUL
  • ПРАМО
  • Мотордеталь
  • ТАИМ
  • АвтоКрАЗ
  • БЕЛКАРД
  • CZ Strakonice
  • КамАЗ
  • БЗА
  • ЧМЗ
  • BMZ
Новости
Все новости
25 марта 2024
Флагманский седельный тягач «Валдай 45» на выставке «TransRussia»
10 марта 2024
Современные автобусы «CITYMAX 9» и ЛиАЗ-5292 CNG
25 февраля 2024
Серийное производство средних дизельных двигателей повышенной мощности от ЯМЗ
Статьи
Все статьи
Датчики двигателя: за что они отвечают, признаки неисправности и как не прогадать с выбором
Двигатели ЯМЗ-534: история, технические характеристики и области применения
Двигатели ЯМЗ 650: углублённый технический обзор и история
Компания
О компании
Реквизиты
Новости
Политика
Магазины
Информация
Условия оплаты
Условия доставки
Гарантия на товар
Обмен и возврат товара
Помощь
Как оформить заказ
Полезные статьи
Бренды
Пункты выдачи
Оставайтесь на связи
  • Вконтакте
  • YouTube
  • Одноклассники
  • Google Plus
Увидели ошибку?
Выделите, нажав Ctrl + Enter
Наши контакты
8-800-700-35-68
sales@din76.ru
г. Ярославль, Ленинградский пр-т 33, ТЦ "ОМЕГА"
2026 © ООО «Динамика 76» - Все права защищены ООО "Динамика 76"
Предложения на сайте не являются публичной офертой.
На сайте обнаружена ошибка

Текст с ошибкой