Избранное 0 Корзина 0 Личный кабинет
logo
Каталог
Каталог
  • Справочник
    • Грузовые автомобили
    • Автобусы
    • Сельхозтехника
    • Спецтехника
    • Двигатели
  • Доставка
  • Оплата
  • О компании
    • Реквизиты
    • Магазины
    • Оплата
    • Доставка
    • Лицензии и сертификаты
    • Новости
    • Вакансии
  • Контакты
Отправить заявку
Личный кабинет
8 (800) 700-35-68
sales@din76.ru
Избранное 0 Корзина 0
8 (800) 700-35-68
Оптовый прайс-лист
Каталог
  • Двигатели
  • Запчасти WEICHAI
  • Запчасти ЯМЗ, ТМЗ (V-образные)
  • Запчасти ЯМЗ-534, ЯМЗ-536
  • Запчасти ЯМЗ-650, ЯМЗ-651, DCi-11
  • Топливная аппаратура
  • Запчасти УРАЛ
  • Запчасти МАЗ
  • Запчасти КамАЗ
  • Запчасти ММЗ
  • Ремни
Автокаталог (справочник)
  • Доставка
  • Оплата
  • О компании
  • Контакты
8 (800) 700-35-68
Написать в Whatsapp
sales@din76.ru
Динамика 76
Меню  
  • Каталог
    • Двигатели  
      • Двигатели ТМЗ  
        • Двигатели ТМЗ для автомобилей
        • Двигатели ТМЗ для тракторов
        • Специальные двигатели ТМЗ
        • Промышленные двигатели ТМЗ
      • Двигатели ЯМЗ  
        • ЯМЗ 236
        • ЯМЗ 238
        • ЯМЗ 240
        • ЯМЗ 751
        • ЯМЗ 840
        • ЯМЗ 850
        • ЯМЗ 656
        • ЯМЗ 658
        • ЯМЗ 534
        • ЯМЗ 536
        • ЯМЗ 650
        • Двигатели ЯМЗ для электростанций
      • Двигатели КАМАЗ
      • Двигатели ММЗ
      • Двигатели индивидуальной сборки
      • Комплекты переоборудования
    • Запчасти WEICHAI  
      • Основные запчасти двигателя  
        • Клапаны и толкатели
        • Шатуны
        • Вал коленчатый и маховик
        • Вал распределительный
        • Цилиндро-поршневая группа
      • Система питания  
        • Форсунки
        • Турбокомпрессор
      • Система смазки  
        • Насос масляный
      • Головка блока
      • Ремкомплекты
      • Система охлаждения  
        • Насос водяной
        • Муфта вязкостная и крыльчатка
      • Фильтры
      • Электрооборудование  
        • Генератор
        • Стартер
    • Запчасти ЯМЗ, ТМЗ (V-образные)  
      • Основные запчасти двигателя  
        • Блок двигателя и комплектующие
        • Валы распределительные и клапаны
        • Головка блока и комплектующие
        • Цилиндро-поршневая группа
        • Маховики и комплектующие
        • Валы коленчатые и комплектующие
        • Шатуны и комплектующие
      • Система питания  
        • Коллекторы и патрубки
        • Топливные трубопроводы
        • Турбокомпрессор
        • Топливные фильтры
      • Электрооборудование двигателя
      • Система охлаждения  
        • Вязкостные муфты и крыльчатки
        • Приводы вентилятора
        • Водяные насосы
        • Водяные трубы и термостаты
      • Коробки переключения передач  
        • 8 Ступенчатые КПП
        • 5 Ступенчатые КПП
        • 9 Ступенчатые КПП
        • Запасные части КПП ЯМЗ, ТМЗ
      • Система смазки  
        • Теплообменник и комплектующие
        • Масляные насосы
        • Фильтры масляные (ФГОМ, ФЦОМ)
      • Сцепление  
        • Запасные части механизма сцепления
        • Муфты (подшипники выжимные)
        • Корзины (диски нажимные)
        • Диски ведомые
      • Прочие запчасти двигателя  
        • Ремкомплекты
        • Привод агрегатов
        • Натяжные устройства
        • Трубки
    • Запчасти ЯМЗ-534, ЯМЗ-536  
      • Основные запчасти двигателя  
        • Цилиндро-поршневая группа
        • Головка блока цилиндров и комплектующие
        • Блок цилиндров и комплектующие
        • Вал коленчатый и маховик
        • Вал распределительный
        • Клапаны и толкатели
        • ГУР (Гидроусилитель руля)
        • Система рециркуляции отработавших газов
        • Выпускной коллектор
      • Система питания  
        • Коллекторы и патрубки
        • Топливные фильтры
        • Турбокомпрессор
        • Топливные трубопроводы
      • Система смазки  
        • Масляный картер поддон
        • Масляный насос
        • Теплообменник /Водо-масляный радиатор
        • Фильтры масляные (ФГОМ, ФЦОМ)
      • Пневмокомпрессор и натяжное
      • Система охлаждения  
        • Водяной насос
        • Водяные трубы и патрубки
        • Муфты вязкостные, приводы, крыльчатки
      • Ремкомплекты
      • Сцепление
      • Электрооборудование
    • Запчасти ЯМЗ-650, ЯМЗ-651, DCi-11  
      • Основные запчасти двигателя  
        • Цилиндро-поршневая группа
        • Головка блока цилиндров и комплектующие
        • Блок цилиндров и комплектующие
        • Вал коленчатый и маховик
        • Выпускной коллектор
        • Вал распределительный
        • Клапаны и толкатели
        • ГУР (Гидроусилитель руля)
        • Система рециркуляции отработавших газов
      • Система питания  
        • Коллекторы и патрубки
        • Топливные трубопроводы
        • Топливные фильтры
        • Турбокомпрессор
      • Система смазки  
        • Масляный картер / поддон
        • Масляный насос
        • Теплообменник / Водо-масляный радиатор
        • Фильтры масляные (ФГОМ, ФЦОМ)
      • Система охлаждения  
        • Водяной насос
        • Водяные трубы и патрубки
        • Муфты вязкостные, приводы, крыльчатки
      • Ремкомплекты
      • Пневмокомпрессор и натяжное
      • Электрооборудование
      • Сцепление
    • Топливная аппаратура  
      • ЯЗДА  
        • Распылители
        • ТНВД
        • Форсунки
        • Топливный насос низкого давления
        • Пары плунжерные
        • Муфта опережения впрыска топлива
        • Запчасти и комплектующие ТНВД
      • НЗТА
      • АЗПИ  
        • Распылители
        • Форсунки
      • BOSCH
    • Запчасти УРАЛ  
      • Трансмиссия  
        • Коробка раздаточная
        • Передача карданная
        • Мост задний
        • Мост передний (ведущий)
        • Мост средний (промежуточный)
      • Кузов  
        • Дверь кабины
        • Капот, крылья, облицовка радиатора
        • Окно ветровое и заднее
        • Отопление и вентиляция кабины
        • Кабина
      • Механизмы управления  
        • Управление рулевое
        • Тормоза
      • Дополнительное оборудование  
        • Отбор мощности
        • Устройство седельное
      • Электрооборудование
      • Ходовая часть  
        • Колеса и ступицы
        • Ось передняя
        • Подвеска автомобиля
        • Рама
    • Запчасти МАЗ  
      • Трансмиссия  
        • Мост задний
        • Мост передний (ведущий)
        • Передача карданная
        • Мост средний (промежуточный)
      • Кузов  
        • Кабина
        • Дверь кабины
        • Детали основания кабины
        • Окно ветровое и заднее
        • Платформа
      • Механизмы управления  
        • Тормоза
        • Управление рулевое
      • Ходовая часть  
        • Колеса и ступицы
        • Ось передняя
        • Подвеска автомобиля
        • Рама
    • Запчасти КамАЗ  
      • Кузов  
        • Кабина
        • Капот, крылья, облицовка радиатора
        • Дверь кабины
        • Платформа
        • Окно ветровое и заднее
        • Устройство подъемное и опрокидывающее
        • Сиденье
        • Крыша кабины (крыша кузова)
        • Отопление и вентиляция кабины
      • Трансмиссия  
        • Коробка передач
        • Коробка раздаточная
        • Мост задний
        • Сцепление
        • Мост средний (промежуточный)
        • Передача карданная
        • Мост передний (ведущий)
      • Двигатель  
        • Основные запчасти двигателя
        • Система охлаждения
        • Система питания
        • Система смазки
      • Дополнительное оборудование  
        • Отбор мощности
        • Устройство седельное
      • Ходовая часть  
        • Подвеска автомобиля
        • Рама
        • Колеса и ступицы
        • Ось передняя
      • Механизмы управления  
        • Тормоза
        • Управление рулевое
      • Электрооборудование
    • Запчасти ММЗ
    • Ремни
  • Справочник
    • Грузовые автомобили
    • Автобусы
    • Сельхозтехника
    • Спецтехника
    • Двигатели
  • Как купить
    • Условия оплаты
    • Условия доставки
    • Гарантия на товар
    • Пункты выдачи
  • Услуги
    • Капитальный ремонт двигателей ЯМЗ
  • Акции
  • Статьи
  • Контакты
  • Компания
    • Реквизиты
    • Магазины
    • Оплата
    • Доставка
    • Лицензии и сертификаты
    • Новости
    • Вакансии
Избранное 0 Корзина 0
8-800-700-35-68

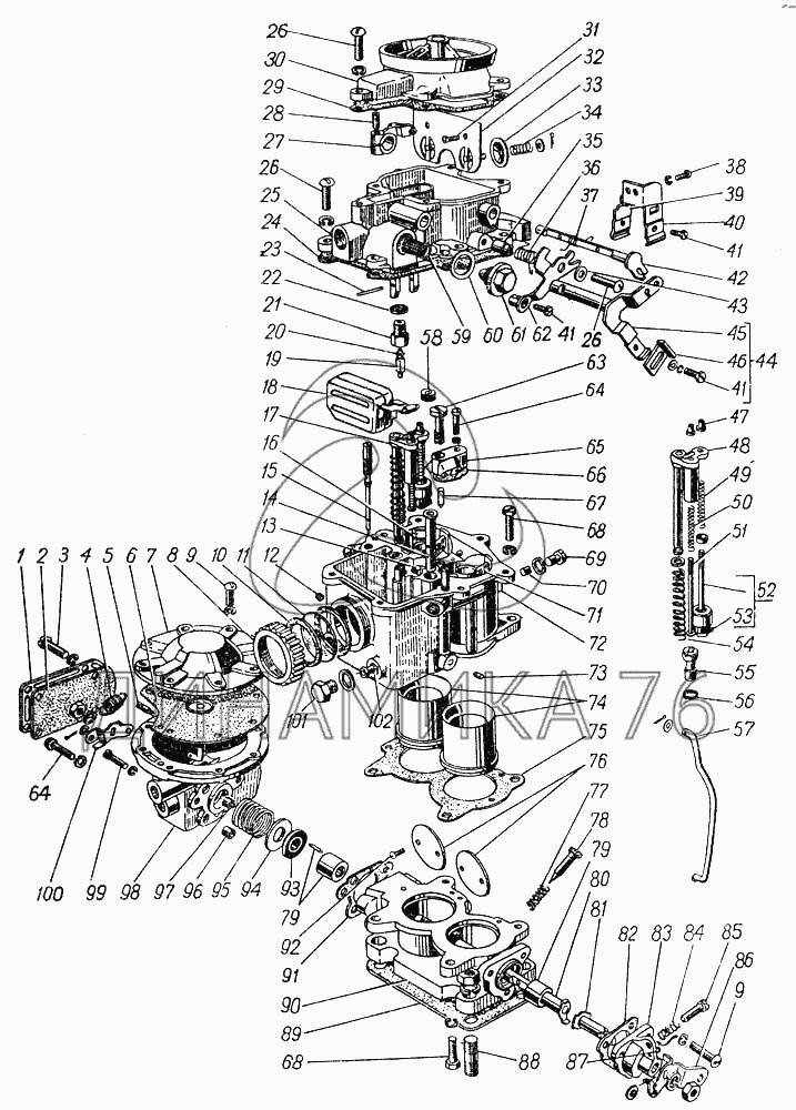
Карбюратор на ГАЗ-5312 (до 2002 г.)

Справочник
Главная
-
Автокаталог
-
Грузовые автомобили и прицепы
-
ГАЗ
-
ГАЗ-5312
Справочный каталог

Карбюратор — ГАЗ-5312:

250503-П29 252135-П2 451303 451304 451305 53-1108009-Б 53-1108010 53-50-1108009-Г 53-50-1108010-Б 900804-0 900812-1 900901-0 900901-0 900901-0 900902-0 900902-0 900902-0 900902-0 900902-0 900903-0 900903-0 900904-0 901013-0 901048-0 901048-0 901101 901106 К126-1107370 К126Б-1107100 К126Б-1107120 К126Б-1107150 К126Б-1107160 К126Б-1107200 К126Б-1107330-А К59-1107217 1 2 3 4 5 6 7 8 9 9 9 10 11 12 13 14 15 16 17 18 19 20 21 22 23 24 25 26 26 26 26 27 28 29 30 31 32 33 34 35 36 37 38 39 40 41 41 41 41 41 42 43 44 45 46 47 48 49 50 51 52 53 54 55 56 57 58 59 60 61 62 63 64 64 64 65 66 67 68 68 69 70 71 72 73 74 75 76 77 78 79 79 80 81 82 83 84 85 86 87 88 89 90 91 92 93 94 95 96 97 98 99 100 101 102
в наличии
нет в наличии
масштаб

В наличии
Нет в наличии

Перечень комплектующих от Карбюратор на ГАЗ-5312

Схемы запчастей предназначены для справочных целей! Мы продаем не все запчасти от Карбюратор на ГАЗ-5312, представленные в этом списке.
Наличие на складах по деталям с ценой смотрите в карточке товара.
Артикул: 250503-П29
нет в наличии
Гайка М8х1-4Н5Н
Информация
Гайка М8х1-4Н5Н
Артикул: 252135-П2
в наличии
Шайба 8Т ОСТ 37.001.115-75
Информация
Шайба 8Т ОСТ 37.001.115-75
Шайба 8х2.5 ЯМЗ заглушки блока цилиндров АВТОДИЗЕЛЬ
Артикул: 252135-П2
Шайба 8х2.5 ЯМЗ заглушки блока цилиндров АВТОДИЗЕЛЬ
Код для заказа: 00006017
Цена: 3 ₽/шт.
Под заказ
Шайба 8х2.5 ЯМЗ заглушки блока цилиндров АВТОДИЗЕЛЬ
Артикул: 252135-П2
Код для заказа: 00006017
Шайба 8х2.5 ЯМЗ заглушки блока цилиндров АВТОДИЗЕЛЬ
Цена: 3 ₽/шт.
Под заказ
Артикул: 451303
нет в наличии
Прокладка
Информация
Прокладка
Артикул: 451304
нет в наличии
Прокладка
Информация
Прокладка
Артикул: 451305
нет в наличии
Прокладка
Информация
Прокладка
Артикул: 53-1108009-Б
нет в наличии
Педаль акселератора с накладкой, прокладкой и втулкой в сборе
Информация
Педаль акселератора с накладкой, прокладкой и втулкой в сборе
Группа
Cистема питания двигателя
Подгруппа
Управление карбюратором (акселератор - управление подачей топлива)
Порядковый номер детали
009
Артикул: 53-1108010
нет в наличии
Педаль акселератора в сборе
Информация
Педаль акселератора в сборе
Группа
Cистема питания двигателя
Подгруппа
Управление карбюратором (акселератор - управление подачей топлива)
Порядковый номер детали
010
Артикул: 53-50-1108009-Г
нет в наличии
Педаль акселератора с накладкой, прокладкой и втулкой в сборе
Информация
Педаль акселератора с накладкой, прокладкой и втулкой в сборе
Модель
53-50
Группа
Cистема питания двигателя
Подгруппа
Управление карбюратором (акселератор - управление подачей топлива)
Порядковый номер детали
009
Артикул: 53-50-1108010-Б
нет в наличии
Педаль акселератора в сборе
Информация
Педаль акселератора в сборе
Модель
53-50
Группа
Cистема питания двигателя
Подгруппа
Управление карбюратором (акселератор - управление подачей топлива)
Порядковый номер детали
010
Артикул: 900804-0
нет в наличии
Гайка М8х1-6Н
Информация
Гайка М8х1-6Н
Артикул: 900812-1
нет в наличии
Гайка
Информация
Гайка
Артикул: 900901-0
нет в наличии
Шайба 4
Информация
Шайба 4
Артикул: 900901-0
нет в наличии
Шайба 4
Информация
Шайба 4
Артикул: 900901-0
нет в наличии
Шайба 4
Информация
Шайба 4
Артикул: 900902-0
нет в наличии
Шайба 5
Информация
Шайба 5
Артикул: 900902-0
нет в наличии
Шайба 5
Информация
Шайба 5
Артикул: 900902-0
нет в наличии
Шайба 5
Информация
Шайба 5
Артикул: 900902-0
нет в наличии
Шайба 5
Информация
Шайба 5
Артикул: 900902-0
нет в наличии
Шайба 5
Информация
Шайба 5
Артикул: 900903-0
нет в наличии
Шайба 6
Информация
Шайба 6
Артикул: 900903-0
нет в наличии
Шайба 6
Информация
Шайба 6
Артикул: 900904-0
нет в наличии
Шайба пружинная 8Н65Г (ГОСТ 6402-70)
Информация
Шайба пружинная 8Н65Г (ГОСТ 6402-70)
Артикул: 901013-0
нет в наличии
Шайба 8,2х0,3
Информация
Шайба 8,2х0,3
Артикул: 901048-0
нет в наличии
Шайба 4
Информация
Шайба 4
Артикул: 901048-0
нет в наличии
Шайба 4
Информация
Шайба 4
Артикул: 901101
нет в наличии
Шплинт
Информация
Шплинт
Артикул: 901106
нет в наличии
Шплинт 1,0х10
Информация
Шплинт 1,0х10
Артикул: К126-1107370
нет в наличии
Заслонка воздушная в сборе
Информация
Заслонка воздушная в сборе
Группа
Cистема питания двигателя
Подгруппа
Карбюратор
Порядковый номер детали
370
Артикул: К126Б-1107100
нет в наличии
Корпус смесительной камеры с пневмоцентробежным ограничителем в сборе
Информация
Корпус смесительной камеры с пневмоцентробежным ограничителем в сборе
Группа
Cистема питания двигателя
Подгруппа
Карбюратор
Порядковый номер детали
100
Артикул: К126Б-1107120
нет в наличии
Подшипник оси привода в сборе
Информация
Подшипник оси привода в сборе
Группа
Cистема питания двигателя
Подгруппа
Карбюратор
Порядковый номер детали
120
Артикул: К126Б-1107150
нет в наличии
Корпус смесительной камеры в сборе
Информация
Корпус смесительной камеры в сборе
Группа
Cистема питания двигателя
Подгруппа
Карбюратор
Порядковый номер детали
150
Артикул: К126Б-1107160
нет в наличии
Механизм диафрагменный в сборе
Информация
Механизм диафрагменный в сборе
Группа
Cистема питания двигателя
Подгруппа
Карбюратор
Порядковый номер детали
160
Артикул: К126Б-1107200
нет в наличии
Корпус поплавковой камеры в сборе
Информация
Корпус поплавковой камеры в сборе
Группа
Cистема питания двигателя
Подгруппа
Карбюратор
Порядковый номер детали
200
Артикул: К126Б-1107330-А
нет в наличии
Клапан подачи топлива в сборе
Информация
Клапан подачи топлива в сборе
Группа
Cистема питания двигателя
Подгруппа
Карбюратор
Порядковый номер детали
330
Артикул: К59-1107217
нет в наличии
Шайба
Информация
Шайба
Группа
Cистема питания двигателя
Подгруппа
Карбюратор
Порядковый номер детали
217
1
1
Артикул: К126Б-1107182
нет в наличии
Крышка
Информация
Крышка
Группа
Cистема питания двигателя
Подгруппа
Карбюратор
Порядковый номер детали
182
2
2
Артикул: К126Б-1107181-А
нет в наличии
Прокладка крышки
Информация
Прокладка крышки
Группа
Cистема питания двигателя
Подгруппа
Карбюратор
Порядковый номер детали
181
3
3
Артикул: 220050-П29
нет в наличии
Винт М4-6gх8 ОСТ 37.001.127-81
Информация
Винт М4-6gх8 ОСТ 37.001.127-81
4
4
Артикул: К126Б-1107158-11
нет в наличии
Пружина ограничительная
Информация
Пружина ограничительная
Группа
Cистема питания двигателя
Подгруппа
Карбюратор
Порядковый номер детали
158
Дополнительно
Не взаимозаменяема с деталью, выпущенной ранее под этим же номером
5
5
Артикул: К126Б-1107161
нет в наличии
Винт пружины
Информация
Винт пружины
Группа
Cистема питания двигателя
Подгруппа
Карбюратор
Порядковый номер детали
161
6
6
Артикул: К126Б-1107170
нет в наличии
Диафрагма в сборе
Информация
Диафрагма в сборе
Группа
Cистема питания двигателя
Подгруппа
Карбюратор
Порядковый номер детали
170
7
7
Артикул: К126Б-1107175
нет в наличии
Крышка в сборе
Информация
Крышка в сборе
Группа
Cистема питания двигателя
Подгруппа
Карбюратор
Порядковый номер детали
175
8
8
Артикул: K126H-1107216
нет в наличии
Гайка
Информация
Гайка
Группа
Cистема питания двигателя
Подгруппа
Карбюратор
Порядковый номер детали
216
9
9
Артикул: 220079-П29
нет в наличии
Винт М5-6gх14
Информация
Винт М5-6gх14
9
9
Артикул: 22079-П29
нет в наличии
Винт
Информация
Винт
10
10
Артикул: К126-1107228-А
нет в наличии
Прокладка
Информация
Прокладка
Группа
Cистема питания двигателя
Подгруппа
Карбюратор
Порядковый номер детали
228
11
11
Артикул: К126-1107225
нет в наличии
Стекло
Информация
Стекло
Группа
Cистема питания двигателя
Подгруппа
Карбюратор
Порядковый номер детали
225
12
12
Артикул: 451603
нет в наличии
Заглушка
Информация
Заглушка
13
13
Артикул: К21-1107244
нет в наличии
Шарик
Информация
Шарик
Группа
Cистема питания двигателя
Подгруппа
Карбюратор
Порядковый номер детали
244
14
14
Артикул: К126Б-1107226
нет в наличии
Трубка эмульсионная
Информация
Трубка эмульсионная
Группа
Cистема питания двигателя
Подгруппа
Карбюратор
Порядковый номер детали
226
15
15
Артикул: К126Б-1107205
нет в наличии
Жиклер топливный
Информация
Жиклер топливный
Группа
Cистема питания двигателя
Подгруппа
Карбюратор
Порядковый номер детали
205
16
16
Артикул: К126-1107204
нет в наличии
Кольцо стопорное
Информация
Кольцо стопорное
Группа
Cистема питания двигателя
Подгруппа
Карбюратор
Порядковый номер детали
204
17
17
Артикул: К126Б-1107210-А
нет в наличии
Привод ускорительного насоса в сборе
Информация
Привод ускорительного насоса в сборе
Группа
Cистема питания двигателя
Подгруппа
Карбюратор
Порядковый номер детали
210
18
18
Артикул: К124-1107320-А
нет в наличии
Поплавок в сборе
Информация
Поплавок в сборе
Группа
Cистема питания двигателя
Подгруппа
Карбюратор
Порядковый номер детали
320
19
19
Артикул: К126Н-1107331
нет в наличии
Игла клапана подачи горючего
Информация
Игла клапана подачи горючего
Группа
Cистема питания двигателя
Подгруппа
Карбюратор
Порядковый номер детали
331
20
20
Артикул: К126Н-1107333
нет в наличии
Шайба
Информация
Шайба
Группа
Cистема питания двигателя
Подгруппа
Карбюратор
Порядковый номер детали
333
21
21
Артикул: К126Б-1107332Б
нет в наличии
Корпус клапана подачи горючего
Информация
Корпус клапана подачи горючего
Группа
Cистема питания двигателя
Подгруппа
Карбюратор
Порядковый номер детали
332
22
22
Артикул: 451305
нет в наличии
Прокладка
Информация
Прокладка
23
23
Артикул: 114-1107304
нет в наличии
Ось поплавка
Информация
Ось поплавка
Группа
Cистема питания двигателя
Подгруппа
Карбюратор
Порядковый номер детали
304
24
24
Артикул: К126-1107012-А
нет в наличии
Прокладка поплавковой камеры
Информация
Прокладка поплавковой камеры
Группа
Cистема питания двигателя
Подгруппа
Карбюратор
Порядковый номер детали
012
25
25
Артикул: К126Б-1107301
нет в наличии
Крышка поплавковой камеры
Информация
Крышка поплавковой камеры
Группа
Cистема питания двигателя
Подгруппа
Карбюратор
Порядковый номер детали
301
26
26
Артикул: 220081-П29
нет в наличии
Винт М5-6gх18 ОСТ 37.001.127-81
Информация
Винт М5-6gх18 ОСТ 37.001.127-81
26
26
Артикул: 220081-П29
нет в наличии
Винт М5-6gх18 ОСТ 37.001.127-81
Информация
Винт М5-6gх18 ОСТ 37.001.127-81
27
27
Артикул: К126Б-1107355
нет в наличии
Вилка в сборе
Информация
Вилка в сборе
Группа
Cистема питания двигателя
Подгруппа
Карбюратор
Порядковый номер детали
355
28
28
Артикул: СЛ22-5205502
нет в наличии
Винт стопорный
Информация
Винт стопорный
Группа
Окно ветровое
Подгруппа
Стеклоочиститель и привод
Порядковый номер детали
502
29
29
Артикул: К126Б-1107021
нет в наличии
Прокладка фланца
Информация
Прокладка фланца
Группа
Cистема питания двигателя
Подгруппа
Карбюратор
Порядковый номер детали
021
30
30
Артикул: К126Б-1107022
нет в наличии
Фланец крышки
Информация
Фланец крышки
Группа
Cистема питания двигателя
Подгруппа
Карбюратор
Порядковый номер детали
022
31
31
Артикул: К126П-1107138
нет в наличии
Винт воздушной заслонки
Информация
Винт воздушной заслонки
Группа
Cистема питания двигателя
Подгруппа
Карбюратор
Порядковый номер детали
138
32
32
Артикул: К126-1107375
нет в наличии
Заслонка воздушная в осью клапана в сборе
Информация
Заслонка воздушная в осью клапана в сборе
Группа
Cистема питания двигателя
Подгруппа
Карбюратор
Порядковый номер детали
375
33
33
Артикул: К24-1107423
нет в наличии
Клапан воздушной заслонки
Информация
Клапан воздушной заслонки
Группа
Cистема питания двигателя
Подгруппа
Карбюратор
Порядковый номер детали
423
34
34
Артикул: К123А-1107321
нет в наличии
Пружина
Информация
Пружина
Группа
Cистема питания двигателя
Подгруппа
Карбюратор
Порядковый номер детали
321
35
35
Артикул: К23-70
нет в наличии
Втулка пружины рычага привода воздушной заслонки
Информация
Втулка пружины рычага привода воздушной заслонки
36
36
Артикул: К126Б-1107309
нет в наличии
Пружина
Информация
Пружина
Группа
Cистема питания двигателя
Подгруппа
Карбюратор
Порядковый номер детали
309
37
37
Артикул: К126Б-1107308
нет в наличии
Пружина
Информация
Пружина
Группа
Cистема питания двигателя
Подгруппа
Карбюратор
Порядковый номер детали
308
38
38
Артикул: 220077-П29
в наличии
Винт М5-6gх10 ОСТ 37.001.127-81
Информация
Винт М5-6gх10 ОСТ 37.001.127-81
Винт М5х10 двери УРАЛ (АО АЗ УРАЛ)
Артикул: 220077-П29
Винт М5х10 двери УРАЛ (АО АЗ УРАЛ)
Код для заказа: 00010425
Цена: 33 ₽/шт.
Под заказ
Винт М5х10 двери УРАЛ (АО АЗ УРАЛ)
Артикул: 220077-П29
Код для заказа: 00010425
Винт М5х10 двери УРАЛ (АО АЗ УРАЛ)
Цена: 33 ₽/шт.
Под заказ
39
39
Артикул: К23-55
нет в наличии
Зажим кронштейна тяги воздушной заслонки
Информация
Зажим кронштейна тяги воздушной заслонки
40
40
Артикул: К126Б-1107302
нет в наличии
Кронштейн
Информация
Кронштейн
Группа
Cистема питания двигателя
Подгруппа
Карбюратор
Порядковый номер детали
302
41
41
Артикул: 900507-1
нет в наличии
Болт
Информация
Болт
41
41
Артикул: 900507-1
нет в наличии
Болт
Информация
Болт
41
41
Артикул: 900507-1
нет в наличии
Болт
Информация
Болт
42
42
Артикул: К126Б-1107310
нет в наличии
Ось воздушной заслонки в сборе
Информация
Ось воздушной заслонки в сборе
Группа
Cистема питания двигателя
Подгруппа
Карбюратор
Порядковый номер детали
310
43
43
Артикул: 901017-0
нет в наличии
Шайба 5,2х1
Информация
Шайба 5,2х1
44
44
Артикул: К126Б-1107350
нет в наличии
Ось привода насоса в сборе
Информация
Ось привода насоса в сборе
Группа
Cистема питания двигателя
Подгруппа
Карбюратор
Порядковый номер детали
350
45
45
Артикул: К126Б-1107345
нет в наличии
Ось привода насоса с рычагом в сборе
Информация
Ось привода насоса с рычагом в сборе
Группа
Cистема питания двигателя
Подгруппа
Карбюратор
Порядковый номер детали
345
46
46
Артикул: К126Б-1107353
нет в наличии
Планка
Информация
Планка
Группа
Cистема питания двигателя
Подгруппа
Карбюратор
Порядковый номер детали
353
47
47
Артикул: К25А-1107228
нет в наличии
Гайка установочная
Информация
Гайка установочная
Группа
Cистема питания двигателя
Подгруппа
Карбюратор
Порядковый номер детали
228
48
48
Артикул: К126Б-1107215
нет в наличии
Планка в сборе
Информация
Планка в сборе
Группа
Cистема питания двигателя
Подгруппа
Карбюратор
Порядковый номер детали
215
49
49
Артикул: К36-1107014
нет в наличии
Пружина поршня
Информация
Пружина поршня
Группа
Cистема питания двигателя
Подгруппа
Карбюратор
Порядковый номер детали
014
50
50
Артикул: К30-1107115
нет в наличии
Пружина поршня
Информация
Пружина поршня
Группа
Cистема питания двигателя
Подгруппа
Карбюратор
Порядковый номер детали
115
51
51
Артикул: К124-1107218
нет в наличии
Шток привода экономайзера
Информация
Шток привода экономайзера
Группа
Cистема питания двигателя
Подгруппа
Карбюратор
Порядковый номер детали
218
52
52
Артикул: К126Б-1107240
нет в наличии
Поршень в сборе
Информация
Поршень в сборе
Группа
Cистема питания двигателя
Подгруппа
Карбюратор
Порядковый номер детали
240
53
53
Артикул: К126Ж-1107242
нет в наличии
Манжета
Информация
Манжета
Группа
Cистема питания двигателя
Подгруппа
Карбюратор
Порядковый номер детали
242
54
54
Артикул: К34-1107013
нет в наличии
Пружина
Информация
Пружина
Группа
Cистема питания двигателя
Подгруппа
Карбюратор
Порядковый номер детали
013
55
55
Артикул: К126Б-1107280
нет в наличии
Клапан экономайзера в сборе
Информация
Клапан экономайзера в сборе
Группа
Cистема питания двигателя
Подгруппа
Карбюратор
Порядковый номер детали
280
56
56
Артикул: 901717-0
нет в наличии
Прокладка распылителя
Информация
Прокладка распылителя
57
57
Артикул: К126Б-1107024
нет в наличии
Тяга малых оборотов
Информация
Тяга малых оборотов
Группа
Cистема питания двигателя
Подгруппа
Карбюратор
Порядковый номер детали
024
58
58
Артикул: К126Б-1107231
нет в наличии
Жиклер воздушный главной системы
Информация
Жиклер воздушный главной системы
Группа
Cистема питания двигателя
Подгруппа
Карбюратор
Порядковый номер детали
231
59
59
Артикул: К59-1107325
нет в наличии
Сетка фильтра в сборе
Информация
Сетка фильтра в сборе
Группа
Cистема питания двигателя
Подгруппа
Карбюратор
Порядковый номер детали
325
60
60
Артикул: 451306
нет в наличии
Прокладка
Информация
Прокладка
61
61
Артикул: К124-1107327
нет в наличии
Пробка фильтра
Информация
Пробка фильтра
Группа
Cистема питания двигателя
Подгруппа
Карбюратор
Порядковый номер детали
327
62
62
Артикул: К126Б-1107315
нет в наличии
Рычаг привода воздушной заслонки в сборе
Информация
Рычаг привода воздушной заслонки в сборе
Группа
Cистема питания двигателя
Подгруппа
Карбюратор
Порядковый номер детали
315
63
63
Артикул: К126П-1107246
нет в наличии
Винт топливопроводящий
Информация
Винт топливопроводящий
Группа
Cистема питания двигателя
Подгруппа
Карбюратор
Порядковый номер детали
246
64
64
Артикул: 220056-П29
нет в наличии
Винт М4-6gх20
Информация
Винт М4-6gх20
64
64
Артикул: 220056-П29
нет в наличии
Винт М4-6gх20
Информация
Винт М4-6gх20
65
65
Артикул: К126Б-1107208
нет в наличии
Распылитель
Информация
Распылитель
Группа
Cистема питания двигателя
Подгруппа
Карбюратор
Порядковый номер детали
208
66
66
Артикул: К126-1107209-А
нет в наличии
Прокладка распылителя
Информация
Прокладка распылителя
Группа
Cистема питания двигателя
Подгруппа
Карбюратор
Порядковый номер детали
209
67
67
Артикул: К21-1107218
нет в наличии
Клапан нагнетательный
Информация
Клапан нагнетательный
Группа
Cистема питания двигателя
Подгруппа
Карбюратор
Порядковый номер детали
218
68
68
Артикул: К28Б-1107025
нет в наличии
Болт М6-6gх1
Информация
Болт М6-6gх1
Группа
Cистема питания двигателя
Подгруппа
Карбюратор
Порядковый номер детали
025
69
69
Артикул: 451502
нет в наличии
Пробка
Информация
Пробка
70
70
Артикул: 906509-0
нет в наличии
Жиклер холостого хода воздушный
Информация
Жиклер холостого хода воздушный
71
71
Артикул: К126Б-1107224
нет в наличии
Диффузор малый
Информация
Диффузор малый
Группа
Cистема питания двигателя
Подгруппа
Карбюратор
Порядковый номер детали
224
72
72
Артикул: К126Б-1107201
нет в наличии
Корпус поплавковой камеры
Информация
Корпус поплавковой камеры
Группа
Cистема питания двигателя
Подгруппа
Карбюратор
Порядковый номер детали
201
73
73
Артикул: 451601
нет в наличии
Заглушка
Информация
Заглушка
74
74
Артикул: К126Б-1107013
нет в наличии
Диффузор
Информация
Диффузор
Группа
Cистема питания двигателя
Подгруппа
Карбюратор
Порядковый номер детали
013
75
75
Артикул: К126-1107014-А
нет в наличии
Прокладка смесительной камеры
Информация
Прокладка смесительной камеры
Группа
Cистема питания двигателя
Подгруппа
Карбюратор
Порядковый номер детали
014
76
76
Артикул: К126Б-1107102
нет в наличии
Заслонка дроссельная
Информация
Заслонка дроссельная
Группа
Cистема питания двигателя
Подгруппа
Карбюратор
Порядковый номер детали
102
77
77
Артикул: 907103-0
нет в наличии
Пружина регулировочного винта холостого хода
Информация
Пружина регулировочного винта холостого хода
78
78
Артикул: 105-0-1107103
нет в наличии
Винт регулировочный холостого хода
Информация
Винт регулировочный холостого хода
Группа
Cистема питания двигателя
Подгруппа
Карбюратор
Порядковый номер детали
103
79
79
Артикул: 942/8
нет в наличии
Подшипник в сборе
Информация
Подшипник в сборе
80
80
Артикул: К126Б-1107110-Б
нет в наличии
Ось дроссельных заслонок в сборе
Информация
Ось дроссельных заслонок в сборе
Группа
Cистема питания двигателя
Подгруппа
Карбюратор
Порядковый номер детали
110
81
81
Артикул: К126Б-1107125
нет в наличии
Ось привода в сборе
Информация
Ось привода в сборе
Группа
Cистема питания двигателя
Подгруппа
Карбюратор
Порядковый номер детали
125
82
82
Артикул: К126Б-1107109-А
нет в наличии
Прокладка
Информация
Прокладка
Группа
Cистема питания двигателя
Подгруппа
Карбюратор
Порядковый номер детали
109
83
83
Артикул: К126Б-1107126
нет в наличии
Подшипник оси привода в сборе
Информация
Подшипник оси привода в сборе
Группа
Cистема питания двигателя
Подгруппа
Карбюратор
Порядковый номер детали
126
84
84
Артикул: К13-1107113
нет в наличии
Пружина
Информация
Пружина
Группа
Cистема питания двигателя
Подгруппа
Карбюратор
Порядковый номер детали
113
85
85
Артикул: К21-1107108
нет в наличии
Винт холостого хода
Информация
Винт холостого хода
Группа
Cистема питания двигателя
Подгруппа
Карбюратор
Порядковый номер детали
108
86
86
Артикул: К126Б-1107127
нет в наличии
Рычаг дроссельных заслонок
Информация
Рычаг дроссельных заслонок
Группа
Cистема питания двигателя
Подгруппа
Карбюратор
Порядковый номер детали
127
87
87
Артикул: К126Б-1107131
нет в наличии
Винт упора
Информация
Винт упора
Группа
Cистема питания двигателя
Подгруппа
Карбюратор
Порядковый номер детали
131
88
88
Артикул: 291747-П2
нет в наличии
Шпилька М8х1-4hх22
Информация
Шпилька М8х1-4hх22
89
89
Артикул: 49-1107015
нет в наличии
Прокладка между карбюратором и впускной трубой
Информация
Прокладка между карбюратором и впускной трубой
Группа
Cистема питания двигателя
Подгруппа
Карбюратор
Порядковый номер детали
015
90
90
Артикул: К126Б-1107101
нет в наличии
Корпус смесительной камеры
Информация
Корпус смесительной камеры
Группа
Cистема питания двигателя
Подгруппа
Карбюратор
Порядковый номер детали
101
91
91
Артикул: К126Б-1107154-А
нет в наличии
Прокладка
Информация
Прокладка
Группа
Cистема питания двигателя
Подгруппа
Карбюратор
Порядковый номер детали
154
92
92
Артикул: 220003-1
нет в наличии
Винт
Информация
Винт
93
93
Артикул: К126Б-1107151
нет в наличии
Манжета
Информация
Манжета
Группа
Cистема питания двигателя
Подгруппа
Карбюратор
Порядковый номер детали
151
94
94
Артикул: К126Б-1107152
нет в наличии
Шайба манжеты
Информация
Шайба манжеты
Группа
Cистема питания двигателя
Подгруппа
Карбюратор
Порядковый номер детали
152
95
95
Артикул: К126Б-1107153
нет в наличии
Пружина
Информация
Пружина
Группа
Cистема питания двигателя
Подгруппа
Карбюратор
Порядковый номер детали
153
96
96
Артикул: К126Б-1107168
нет в наличии
Жиклер вакуумный
Информация
Жиклер вакуумный
Группа
Cистема питания двигателя
Подгруппа
Карбюратор
Порядковый номер детали
168
97
97
Артикул: К126Б-1107167
нет в наличии
Жиклер воздушный
Информация
Жиклер воздушный
Группа
Cистема питания двигателя
Подгруппа
Карбюратор
Порядковый номер детали
167
98
98
Артикул: К126Б-1107166
нет в наличии
Корпус диафрагменного механизма
Информация
Корпус диафрагменного механизма
Группа
Cистема питания двигателя
Подгруппа
Карбюратор
Порядковый номер детали
166
99
99
Артикул: 220080-П29
нет в наличии
Винт М5-6gх16
Информация
Винт М5-6gх16
100
100
Артикул: К126Б-1104155
нет в наличии
Рычаг в сборе
Информация
Рычаг в сборе
Группа
Cистема питания двигателя
Подгруппа
Трубопроводы топливные
Порядковый номер детали
155
101
101
Артикул: 451513
нет в наличии
Пробка
Информация
Пробка
102
102
Артикул: К126Б-1107202-А
нет в наличии
Жиклер главный
Информация
Жиклер главный
Группа
Cистема питания двигателя
Подгруппа
Карбюратор
Порядковый номер детали
202
  • Грузовые автомобили
  • Автобусы
  • Сельхозтехника
  • Спецтехника
  • Двигатели
Получить оптовый прайс-лист
Скачать прайс-лист от 08.05.2026 16:00
Специальное предложение от 08.05.2026 17:00
Производители:


  • WEICHAI
  • Автодизель ПАО (ЯМЗ)
  • Тутаевский МЗ
  • ЯЗДА
  • УралАЗ
  • МАЗ
  • АЗПИ
  • BOSCH
  • ММЗ
  • ШААЗ
  • FEDERAL MOGUL
  • ПРАМО
  • Мотордеталь
  • ТАИМ
  • АвтоКрАЗ
  • БЕЛКАРД
  • CZ Strakonice
  • КамАЗ
  • БЗА
  • ЧМЗ
  • BMZ
Новости
Все новости
25 марта 2024
Флагманский седельный тягач «Валдай 45» на выставке «TransRussia»
10 марта 2024
Современные автобусы «CITYMAX 9» и ЛиАЗ-5292 CNG
25 февраля 2024
Серийное производство средних дизельных двигателей повышенной мощности от ЯМЗ
Статьи
Все статьи
Датчики двигателя: за что они отвечают, признаки неисправности и как не прогадать с выбором
Двигатели ЯМЗ-534: история, технические характеристики и области применения
Двигатели ЯМЗ 650: углублённый технический обзор и история
Компания
О компании
Реквизиты
Новости
Политика
Магазины
Информация
Условия оплаты
Условия доставки
Гарантия на товар
Обмен и возврат товара
Помощь
Как оформить заказ
Полезные статьи
Бренды
Пункты выдачи
Оставайтесь на связи
  • Вконтакте
  • YouTube
  • Одноклассники
  • Google Plus
Увидели ошибку?
Выделите, нажав Ctrl + Enter
Наши контакты
8-800-700-35-68
sales@din76.ru
г. Ярославль, Ленинградский пр-т 33, ТЦ "ОМЕГА"
2026 © ООО «Динамика 76» - Все права защищены ООО "Динамика 76"
Предложения на сайте не являются публичной офертой.
На сайте обнаружена ошибка

Текст с ошибкой