Избранное 0 Корзина 0 Личный кабинет
logo
Каталог
Каталог
  • Справочник
    • Грузовые автомобили
    • Автобусы
    • Сельхозтехника
    • Спецтехника
    • Двигатели
  • Доставка
  • Оплата
  • О компании
    • Реквизиты
    • Магазины
    • Оплата
    • Доставка
    • Лицензии и сертификаты
    • Новости
    • Вакансии
  • Контакты
Отправить заявку
Личный кабинет
8 (800) 700-35-68
sales@din76.ru
Избранное 0 Корзина 0
8 (800) 700-35-68
Оптовый прайс-лист
Каталог
  • Двигатели
  • Запчасти WEICHAI
  • Запчасти ЯМЗ, ТМЗ (V-образные)
  • Запчасти ЯМЗ-534, ЯМЗ-536
  • Запчасти ЯМЗ-650, ЯМЗ-651, DCi-11
  • Топливная аппаратура
  • Запчасти УРАЛ
  • Запчасти МАЗ
  • Запчасти КамАЗ
  • Запчасти ММЗ
  • Ремни
Автокаталог (справочник)
  • Доставка
  • Оплата
  • О компании
  • Контакты
8 (800) 700-35-68
Написать в Whatsapp
sales@din76.ru
Динамика 76
Меню  
  • Каталог
    • Двигатели  
      • Двигатели ТМЗ  
        • Двигатели ТМЗ для автомобилей
        • Двигатели ТМЗ для тракторов
        • Специальные двигатели ТМЗ
        • Промышленные двигатели ТМЗ
      • Двигатели ЯМЗ  
        • ЯМЗ 236
        • ЯМЗ 238
        • ЯМЗ 240
        • ЯМЗ 751
        • ЯМЗ 840
        • ЯМЗ 850
        • ЯМЗ 656
        • ЯМЗ 658
        • ЯМЗ 534
        • ЯМЗ 536
        • ЯМЗ 650
        • Двигатели ЯМЗ для электростанций
      • Двигатели КАМАЗ
      • Двигатели ММЗ
      • Двигатели индивидуальной сборки
      • Комплекты переоборудования
    • Запчасти WEICHAI  
      • Основные запчасти двигателя  
        • Клапаны и толкатели
        • Шатуны
        • Вал коленчатый и маховик
        • Вал распределительный
        • Цилиндро-поршневая группа
      • Система питания  
        • Форсунки
        • Турбокомпрессор
      • Система смазки  
        • Насос масляный
      • Головка блока
      • Ремкомплекты
      • Система охлаждения  
        • Насос водяной
        • Муфта вязкостная и крыльчатка
      • Фильтры
      • Электрооборудование  
        • Генератор
        • Стартер
    • Запчасти ЯМЗ, ТМЗ (V-образные)  
      • Основные запчасти двигателя  
        • Блок двигателя и комплектующие
        • Валы распределительные и клапаны
        • Головка блока и комплектующие
        • Цилиндро-поршневая группа
        • Маховики и комплектующие
        • Валы коленчатые и комплектующие
        • Шатуны и комплектующие
      • Система питания  
        • Коллекторы и патрубки
        • Топливные трубопроводы
        • Турбокомпрессор
        • Топливные фильтры
      • Электрооборудование двигателя
      • Система охлаждения  
        • Вязкостные муфты и крыльчатки
        • Приводы вентилятора
        • Водяные насосы
        • Водяные трубы и термостаты
      • Коробки переключения передач  
        • 8 Ступенчатые КПП
        • 5 Ступенчатые КПП
        • 9 Ступенчатые КПП
        • Запасные части КПП ЯМЗ, ТМЗ
      • Система смазки  
        • Теплообменник и комплектующие
        • Масляные насосы
        • Фильтры масляные (ФГОМ, ФЦОМ)
      • Сцепление  
        • Запасные части механизма сцепления
        • Муфты (подшипники выжимные)
        • Корзины (диски нажимные)
        • Диски ведомые
      • Прочие запчасти двигателя  
        • Ремкомплекты
        • Привод агрегатов
        • Натяжные устройства
        • Трубки
    • Запчасти ЯМЗ-534, ЯМЗ-536  
      • Основные запчасти двигателя  
        • Цилиндро-поршневая группа
        • Головка блока цилиндров и комплектующие
        • Блок цилиндров и комплектующие
        • Вал коленчатый и маховик
        • Вал распределительный
        • Клапаны и толкатели
        • ГУР (Гидроусилитель руля)
        • Система рециркуляции отработавших газов
        • Выпускной коллектор
      • Система питания  
        • Коллекторы и патрубки
        • Топливные фильтры
        • Турбокомпрессор
        • Топливные трубопроводы
      • Система смазки  
        • Масляный картер поддон
        • Масляный насос
        • Теплообменник /Водо-масляный радиатор
        • Фильтры масляные (ФГОМ, ФЦОМ)
      • Пневмокомпрессор и натяжное
      • Система охлаждения  
        • Водяной насос
        • Водяные трубы и патрубки
        • Муфты вязкостные, приводы, крыльчатки
      • Ремкомплекты
      • Сцепление
      • Электрооборудование
    • Запчасти ЯМЗ-650, ЯМЗ-651, DCi-11  
      • Основные запчасти двигателя  
        • Цилиндро-поршневая группа
        • Головка блока цилиндров и комплектующие
        • Блок цилиндров и комплектующие
        • Вал коленчатый и маховик
        • Выпускной коллектор
        • Вал распределительный
        • Клапаны и толкатели
        • ГУР (Гидроусилитель руля)
        • Система рециркуляции отработавших газов
      • Система питания  
        • Коллекторы и патрубки
        • Топливные трубопроводы
        • Топливные фильтры
        • Турбокомпрессор
      • Система смазки  
        • Масляный картер / поддон
        • Масляный насос
        • Теплообменник / Водо-масляный радиатор
        • Фильтры масляные (ФГОМ, ФЦОМ)
      • Система охлаждения  
        • Водяной насос
        • Водяные трубы и патрубки
        • Муфты вязкостные, приводы, крыльчатки
      • Ремкомплекты
      • Пневмокомпрессор и натяжное
      • Электрооборудование
      • Сцепление
    • Топливная аппаратура  
      • ЯЗДА  
        • Распылители
        • ТНВД
        • Форсунки
        • Топливный насос низкого давления
        • Пары плунжерные
        • Муфта опережения впрыска топлива
        • Запчасти и комплектующие ТНВД
      • НЗТА
      • АЗПИ  
        • Распылители
        • Форсунки
      • BOSCH
    • Запчасти УРАЛ  
      • Трансмиссия  
        • Коробка раздаточная
        • Передача карданная
        • Мост задний
        • Мост передний (ведущий)
        • Мост средний (промежуточный)
      • Кузов  
        • Дверь кабины
        • Капот, крылья, облицовка радиатора
        • Окно ветровое и заднее
        • Отопление и вентиляция кабины
        • Кабина
      • Механизмы управления  
        • Управление рулевое
        • Тормоза
      • Дополнительное оборудование  
        • Отбор мощности
        • Устройство седельное
      • Электрооборудование
      • Ходовая часть  
        • Колеса и ступицы
        • Ось передняя
        • Подвеска автомобиля
        • Рама
    • Запчасти МАЗ  
      • Трансмиссия  
        • Мост задний
        • Мост передний (ведущий)
        • Передача карданная
        • Мост средний (промежуточный)
      • Кузов  
        • Кабина
        • Дверь кабины
        • Детали основания кабины
        • Окно ветровое и заднее
        • Платформа
      • Механизмы управления  
        • Тормоза
        • Управление рулевое
      • Ходовая часть  
        • Колеса и ступицы
        • Ось передняя
        • Подвеска автомобиля
        • Рама
    • Запчасти КамАЗ  
      • Кузов  
        • Кабина
        • Капот, крылья, облицовка радиатора
        • Дверь кабины
        • Платформа
        • Окно ветровое и заднее
        • Устройство подъемное и опрокидывающее
        • Сиденье
        • Крыша кабины (крыша кузова)
        • Отопление и вентиляция кабины
      • Трансмиссия  
        • Коробка передач
        • Коробка раздаточная
        • Мост задний
        • Сцепление
        • Мост средний (промежуточный)
        • Передача карданная
        • Мост передний (ведущий)
      • Двигатель  
        • Основные запчасти двигателя
        • Система охлаждения
        • Система питания
        • Система смазки
      • Дополнительное оборудование  
        • Отбор мощности
        • Устройство седельное
      • Ходовая часть  
        • Подвеска автомобиля
        • Рама
        • Колеса и ступицы
        • Ось передняя
      • Механизмы управления  
        • Тормоза
        • Управление рулевое
      • Электрооборудование
    • Запчасти ММЗ
    • Ремни
  • Справочник
    • Грузовые автомобили
    • Автобусы
    • Сельхозтехника
    • Спецтехника
    • Двигатели
  • Как купить
    • Условия оплаты
    • Условия доставки
    • Гарантия на товар
    • Пункты выдачи
  • Услуги
    • Капитальный ремонт двигателей ЯМЗ
  • Акции
  • Статьи
  • Контакты
  • Компания
    • Реквизиты
    • Магазины
    • Оплата
    • Доставка
    • Лицензии и сертификаты
    • Новости
    • Вакансии
Избранное 0 Корзина 0
8-800-700-35-68

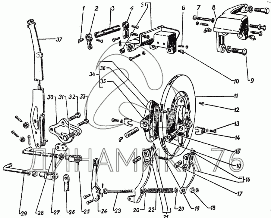
Ручной тормоз на ГАЗ-51 (63, 63А) (до 1956 г.)

Справочник
Главная
-
Автокаталог
-
Грузовые автомобили и прицепы
-
ГАЗ
-
ГАЗ-51 (63, 63А)
Справочный каталог

Ручной тормоз — ГАЗ-51 (63, 63А):

201285-П8 250512-П8 250515-П8 250602-П8 250602-П8 250612-П8 250867-П8 250976-П8 252135-П2 252136-П2 252137-П2 252814-П 258025-П 258025-П 258039-П 260057-П8 260087-П8 264040-П8 51-3507005 51-3507029 51-3508028 А-23637 А-2788 А-2791-С А-2793-В А-2794-А А-7508-В 1 2 3 4 5 6 7 8 9 10 10 11 12 13 14 15 16 17 18 19 20 20 21 22 23 24 25 26 27 28 29 30 31 32 33 34 35 36 37
в наличии
нет в наличии
масштаб

В наличии
Нет в наличии

Перечень комплектующих от Ручной тормоз на ГАЗ-51 (63, 63А)

Схемы запчастей предназначены для справочных целей! Мы продаем не все запчасти от Ручной тормоз на ГАЗ-51 (63, 63А), представленные в этом списке.
Наличие на складах по деталям с ценой смотрите в карточке товара.
Артикул: 201285-П8
нет в наличии
Болт М10-4hх32
Количество на схеме: 4
Информация
Болт М10-4hх32
Количество
4
Покрытие
цинкование
Артикул: 250512-П8
нет в наличии
Гайка М10-6Н
Количество на схеме: 4
Информация
Гайка М10-6Н
Количество
4
Покрытие
цинкование
Артикул: 250515-П8
нет в наличии
Гайка М12х1,25
Количество на схеме: 1
Информация
Гайка М12х1,25
Количество
1
Покрытие
цинкование
Артикул: 250602-П8
нет в наличии
Контргайка винта 242246-П8
Количество на схеме: 2
Информация
Контргайка винта 242246-П8
Количество
2
Покрытие
цинкование
Артикул: 250602-П8
нет в наличии
Контргайка винта 242246-П8
Количество на схеме: 2
Информация
Контргайка винта 242246-П8
Количество
2
Покрытие
цинкование
Артикул: 250612-П8
нет в наличии
Гайка М10
Количество на схеме: 1
Информация
Гайка М10
Количество
1
Покрытие
цинкование
Артикул: 250867-П8
нет в наличии
Гайка М8х1
Количество на схеме: 1
Информация
Гайка М8х1
Количество
1
Покрытие
цинкование
Артикул: 250976-П8
нет в наличии
Гайка М10х1
Количество на схеме: 1
Информация
Гайка М10х1
Количество
1
Покрытие
цинкование
Артикул: 252135-П2
в наличии
Шайба 8Т ОСТ 37.001.115-75
Количество на схеме: 2
Информация
Шайба 8Т ОСТ 37.001.115-75
Количество
2
Покрытие
фосфатирование и промасливание
Шайба 8х2.5 ЯМЗ заглушки блока цилиндров АВТОДИЗЕЛЬ
Артикул: 252135-П2
Шайба 8х2.5 ЯМЗ заглушки блока цилиндров АВТОДИЗЕЛЬ
Код для заказа: 00006017
Цена: 3 ₽/шт.
Под заказ
Шайба 8х2.5 ЯМЗ заглушки блока цилиндров АВТОДИЗЕЛЬ
Артикул: 252135-П2
Код для заказа: 00006017
Шайба 8х2.5 ЯМЗ заглушки блока цилиндров АВТОДИЗЕЛЬ
Цена: 3 ₽/шт.
Под заказ
Артикул: 252136-П2
в наличии
Шайба 10 ОТ ОСТ 37.001.115-75
Количество на схеме: 4
Информация
Шайба 10 ОТ ОСТ 37.001.115-75
Количество
4
Покрытие
фосфатирование и промасливание
Шайба 10.2х2.5 пружинная цинк ЭТНА
Артикул: 252136-П2
Шайба 10.2х2.5 пружинная цинк ЭТНА
Код для заказа: 00062958
Цена: 10 ₽/шт.
Под заказ
Шайба 10.2х2.5 пружинная цинк ЭТНА
Артикул: 252136-П2
Код для заказа: 00062958
Шайба 10.2х2.5 пружинная цинк ЭТНА
Цена: 10 ₽/шт.
Под заказ
Шайба гроверная 17,1х10,1х3,5
Артикул: 252136-П2
Шайба гроверная 17,1х10,1х3,5
Код для заказа: 00006018
Цена: 10 ₽/шт.
Под заказ
Шайба гроверная 17,1х10,1х3,5
Артикул: 252136-П2
Код для заказа: 00006018
Шайба гроверная 17,1х10,1х3,5
Цена: 10 ₽/шт.
Под заказ
Артикул: 252137-П2
в наличии
Шайба 12.ОТ ОСТ 37.001.115-75
Количество на схеме: 3
Информация
Шайба 12.ОТ ОСТ 37.001.115-75
Количество
3
Покрытие
фосфатирование и промасливание
ШАЙБА 12Х4 (ЯМЗ)
Артикул: 252137-П2
ШАЙБА 12Х4 (ЯМЗ)
Код для заказа: 00006019
Цена: 14 ₽/шт.
Под заказ
ШАЙБА 12Х4 (ЯМЗ)
Артикул: 252137-П2
Код для заказа: 00006019
ШАЙБА 12Х4 (ЯМЗ)
Цена: 14 ₽/шт.
Под заказ
Артикул: 252814-П
нет в наличии
Заклепка рычага валика привода ручного тормоза
Количество на схеме: 2
Информация
Заклепка рычага валика привода ручного тормоза
Количество
2
Покрытие
без покрытия
Артикул: 258025-П
нет в наличии
Шплинт 2,5х20
Количество на схеме: 1
Информация
Шплинт 2,5х20
Количество
1
Покрытие
без покрытия
Артикул: 258025-П
нет в наличии
Шплинт 2,5х20
Количество на схеме: 1
Информация
Шплинт 2,5х20
Количество
1
Покрытие
без покрытия
Артикул: 258039-П
нет в наличии
Шплинт 3,2х20 ОСТ 37.001.171-93
Количество на схеме: 2
Информация
Шплинт 3,2х20 ОСТ 37.001.171-93
Количество
2
Покрытие
без покрытия
Артикул: 260057-П8
нет в наличии
Палец 10х28
Количество на схеме: 1
Информация
Палец 10х28
Количество
1
Покрытие
цинкование
Артикул: 260087-П8
нет в наличии
Палец рычага стяжки колодок ручного тормоза
Количество на схеме: 2
Информация
Палец рычага стяжки колодок ручного тормоза
Количество
2
Покрытие
цинкование
Артикул: 264040-П8
нет в наличии
Пресс-масленка К 1/8"
Количество на схеме: 1
Информация
Пресс-масленка К 1/8"
Количество
1
Покрытие
цинкование
Артикул: 51-3507005
нет в наличии
Кронштейн ручного тормоза с колодками и рычагами в сборе
Количество на схеме: 1
Информация
Кронштейн ручного тормоза с колодками и рычагами в сборе
Количество
1
Модель
51
Группа
Тормоза
Подгруппа
Тормоз стояночный
Порядковый номер детали
005
Артикул: 51-3507029
нет в наличии
Втулка рычага колодки ручного тормоза
Количество на схеме: 4
Информация
Втулка рычага колодки ручного тормоза
Количество
4
Модель
51
Группа
Тормоза
Подгруппа
Тормоз стояночный
Порядковый номер детали
029
Артикул: 51-3508028
нет в наличии
Тяга собачки рычага центрального тормоза
Количество на схеме: 1
Информация
Тяга собачки рычага центрального тормоза
Количество
1
Модель
51
Группа
Тормоза
Подгруппа
Привод стояночного тормоза (управление ручным тормозом)
Порядковый номер детали
028
Артикул: А-23637
нет в наличии
Штифт головки тяги собачки рычага центрального тормоза
Количество на схеме: 1
Информация
Штифт головки тяги собачки рычага центрального тормоза
Количество
1
Артикул: А-2788
нет в наличии
Гильза пружины рычага ручного тормоза
Количество на схеме: 1
Информация
Гильза пружины рычага ручного тормоза
Количество
1
Артикул: А-2791-С
нет в наличии
Головка тяги собачки рычага центрального тормоза
Количество на схеме: 1
Информация
Головка тяги собачки рычага центрального тормоза
Количество
1
Артикул: А-2793-В
нет в наличии
Пружина тяги собачки рычага центрального тормоза
Количество на схеме: 1
Информация
Пружина тяги собачки рычага центрального тормоза
Количество
1
Артикул: А-2794-А
нет в наличии
Шляпка рычага
Количество на схеме: 1
Информация
Шляпка рычага
Количество
1
Артикул: А-7508-В
нет в наличии
Втулка кронштейна педалей
Количество на схеме: 2
Информация
Втулка кронштейна педалей
Количество
2
1
1
Артикул: 264030-П8
нет в наличии
Пресс-масленка 2.3.45.Ц6
Количество на схеме: 1
Информация
Пресс-масленка 2.3.45.Ц6
Количество
1
Покрытие
цинкование
2
2
Артикул: 63-3508070
нет в наличии
Рычаг привода ручного тормоза
Количество на схеме: 1
Информация
Рычаг привода ручного тормоза
Количество
1
Модель
63
Группа
Тормоза
Подгруппа
Привод стояночного тормоза (управление ручным тормозом)
Порядковый номер детали
070
3
3
Артикул: 63-3508062
нет в наличии
Валик привода ручного тормоза с заглушкой в сборе
Количество на схеме: 1
Информация
Валик привода ручного тормоза с заглушкой в сборе
Количество
1
Модель
63
Группа
Тормоза
Подгруппа
Привод стояночного тормоза (управление ручным тормозом)
Порядковый номер детали
062
4
4
Артикул: 63-3508065
нет в наличии
Рычаг валика ручного тормоза
Количество на схеме: 1
Информация
Рычаг валика ручного тормоза
Количество
1
Модель
63
Группа
Тормоза
Подгруппа
Привод стояночного тормоза (управление ручным тормозом)
Порядковый номер детали
065
5
5
Артикул: 63-3507010
нет в наличии
Кронштейн колодок ручного тормоза в сборе
Количество на схеме: 1
Информация
Кронштейн колодок ручного тормоза в сборе
Количество
1
Модель
63
Группа
Тормоза
Подгруппа
Тормоз стояночный
Порядковый номер детали
010
6
6
Артикул: 290653-П8
нет в наличии
Болт М12х1,25х38
Количество на схеме: 2
Информация
Болт М12х1,25х38
Количество
2
Покрытие
цинкование
7
7
Артикул: 290676-П8
нет в наличии
Болт М8Х1,25х58 колодки ручного тормоза регулировочный
Количество на схеме: 2
Информация
Болт М8Х1,25х58 колодки ручного тормоза регулировочный
Количество
2
Покрытие
цинкование
8
8
Артикул: 51-3507010
нет в наличии
Кронштейн ручного тормоза
Количество на схеме: 1
Информация
Кронштейн ручного тормоза
Количество
1
Модель
51
Группа
Тормоза
Подгруппа
Тормоз стояночный
Порядковый номер детали
010
9
9
Артикул: 201542-П8
нет в наличии
Болт М12х35
Количество на схеме: 3
Информация
Болт М12х35
Количество
3
Покрытие
цинкование
10
10
Артикул: 264035-П8
нет в наличии
Пресс-масленка К1/8"
Количество на схеме: 2
Информация
Пресс-масленка К1/8"
Количество
2
Покрытие
цинкование
10
10
Артикул: 264035-П8
нет в наличии
Пресс-масленка К1/8"
Количество на схеме: 2
Информация
Пресс-масленка К1/8"
Количество
2
Покрытие
цинкование
11
11
Артикул: 51-3507052-В
нет в наличии
Диск ручного тормоза
Количество на схеме: 1
Информация
Диск ручного тормоза
Количество
1
Модель
51
Группа
Тормоза
Подгруппа
Тормоз стояночный
Порядковый номер детали
052
12
12
Артикул: 224682-П8
нет в наличии
Винт М8-6gх16
Количество на схеме: 2
Информация
Винт М8-6gх16
Количество
2
Покрытие
цинкование
13
13
Артикул: 201452-П8
нет в наличии
Болт М8х1,25х12
Количество на схеме: 2
Информация
Болт М8х1,25х12
Количество
2
Покрытие
цинкование
14
14
Артикул: 51-3507024
нет в наличии
Стопор оси колодки ручного тормоза
Количество на схеме: 2
Информация
Стопор оси колодки ручного тормоза
Количество
2
Модель
51
Группа
Тормоза
Подгруппа
Тормоз стояночный
Порядковый номер детали
024
15
15
Артикул: 51-3507022-А
нет в наличии
Ось колодки ручного тормоза
Количество на схеме: 2
Информация
Ось колодки ручного тормоза
Количество
2
Модель
51
Группа
Тормоза
Подгруппа
Тормоз стояночный
Порядковый номер детали
022
16
16
Артикул: 51-3507034
нет в наличии
Рычаг колодки ручного тормоза задний в сборе
Количество на схеме: 1
Информация
Рычаг колодки ручного тормоза задний в сборе
Количество
1
Модель
51
Группа
Тормоза
Подгруппа
Тормоз стояночный
Порядковый номер детали
034
17
17
Артикул: 51-3507030
нет в наличии
Ось рычага колодки ручного тормоза
Количество на схеме: 2
Информация
Ось рычага колодки ручного тормоза
Количество
2
Модель
51
Группа
Тормоза
Подгруппа
Тормоз стояночный
Порядковый номер детали
030
18
18
Артикул: 292830-П8
нет в наличии
Гайка 1М12х1,25 стяжки рычага ручного тормоза
Количество на схеме: 1
Информация
Гайка 1М12х1,25 стяжки рычага ручного тормоза
Количество
1
Покрытие
цинкование
19
19
Артикул: 51-3507048
нет в наличии
Пружина замка багажника
Количество на схеме: 1
Информация
Пружина замка багажника
Количество
1
Модель
51
Группа
Тормоза
Подгруппа
Тормоз стояночный
Порядковый номер детали
048
20
20
Артикул: 252045-П8
нет в наличии
Шайба 12 верхняя
Количество на схеме: 2
Информация
Шайба 12 верхняя
Количество
2
Покрытие
цинкование
21
21
Артикул: 51-3507026
нет в наличии
Рычаг колодки ручного тормоза передний в сборе
Количество на схеме: 1
Информация
Рычаг колодки ручного тормоза передний в сборе
Количество
1
Модель
51
Группа
Тормоза
Подгруппа
Тормоз стояночный
Порядковый номер детали
026
22
22
Артикул: 51-3507043
нет в наличии
Пружина стяжки рычагов колодок ручного тормоза
Количество на схеме: 1
Информация
Пружина стяжки рычагов колодок ручного тормоза
Количество
1
Модель
51
Группа
Тормоза
Подгруппа
Тормоз стояночный
Порядковый номер детали
043
23
23
Артикул: 51-3507040
нет в наличии
Стяжка рычагов колодок ручного тормоза
Количество на схеме: 1
Информация
Стяжка рычагов колодок ручного тормоза
Количество
1
Модель
51
Группа
Тормоза
Подгруппа
Тормоз стояночный
Порядковый номер детали
040
24
24
Артикул: 63-3507045
нет в наличии
Рычаг стяжки колодок ручного тормоза
Количество на схеме: 1
Информация
Рычаг стяжки колодок ручного тормоза
Количество
1
Модель
63
Группа
Тормоза
Подгруппа
Тормоз стояночный
Порядковый номер детали
045
25
25
Артикул: 060-142642
нет в наличии
Вилка привода ручного тормоза регулировочная
Количество на схеме: 1
Информация
Вилка привода ручного тормоза регулировочная
Количество
1
Покрытие
без покрытия
26
26
Артикул: 51-3507045
нет в наличии
Рычаг стяжки колодок ручного тормоза
Количество на схеме: 1
Информация
Рычаг стяжки колодок ручного тормоза
Количество
1
Модель
51
Группа
Тормоза
Подгруппа
Тормоз стояночный
Порядковый номер детали
045
27
27
Артикул: 63-3508043
нет в наличии
Тяга привода ручного тормоза
Количество на схеме: 1
Информация
Тяга привода ручного тормоза
Количество
1
Модель
63
Группа
Тормоза
Подгруппа
Привод стояночного тормоза (управление ручным тормозом)
Порядковый номер детали
043
28
28
Артикул: 51-3508030
нет в наличии
Собачка рычага центрального тормоза
Количество на схеме: 1
Информация
Собачка рычага центрального тормоза
Количество
1
Модель
51
Группа
Тормоза
Подгруппа
Привод стояночного тормоза (управление ручным тормозом)
Порядковый номер детали
030
29
29
Артикул: 51-3508043
нет в наличии
Тяга привода ручного тормоза
Количество на схеме: 1
Информация
Тяга привода ручного тормоза
Количество
1
Модель
51
Группа
Тормоза
Подгруппа
Привод стояночного тормоза (управление ручным тормозом)
Порядковый номер детали
043
30
30
Артикул: 51-3508048
нет в наличии
Сектор рычага центрального тормоза
Количество на схеме: 1
Информация
Сектор рычага центрального тормоза
Количество
1
Модель
51
Группа
Тормоза
Подгруппа
Привод стояночного тормоза (управление ручным тормозом)
Порядковый номер детали
048
31
31
Артикул: 201540-П8
нет в наличии
Болт М12х1,75х30
Количество на схеме: 2
Информация
Болт М12х1,75х30
Количество
2
Покрытие
цинкование
32
32
Артикул: 205442-П8
нет в наличии
Болт 1М10Х1Х40 крепления рычага ручного тормоза к сектору
Количество на схеме: 1
Информация
Болт 1М10Х1Х40 крепления рычага ручного тормоза к сектору
Количество
1
Покрытие
цинкование
33
33
Артикул: 205424-П8
нет в наличии
Болт М8х1х35
Количество на схеме: 1
Информация
Болт М8х1х35
Количество
1
Покрытие
цинкование
34
34
Артикул: 51-3507015
нет в наличии
Колодка ручного тормоза в сборе
Количество на схеме: 2
Информация
Колодка ручного тормоза в сборе
Количество
2
Модель
51
Группа
Тормоза
Подгруппа
Тормоз стояночный
Порядковый номер детали
015
35
35
Артикул: 255872-П
нет в наличии
Заклепка
Количество на схеме: 16
Информация
Заклепка
Количество
16
Покрытие
без покрытия
36
36
Артикул: 51-3507020
нет в наличии
Накладка колодки ручного тормоза
Количество на схеме: 2
Информация
Накладка колодки ручного тормоза
Количество
2
Модель
51
Группа
Тормоза
Подгруппа
Тормоз стояночный
Порядковый номер детали
020
37
37
Артикул: 51-3508015
нет в наличии
Рычаг центрального тормоза в сборе
Количество на схеме: 1
Информация
Рычаг центрального тормоза в сборе
Количество
1
Модель
51
Группа
Тормоза
Подгруппа
Привод стояночного тормоза (управление ручным тормозом)
Порядковый номер детали
015
  • Грузовые автомобили
  • Автобусы
  • Сельхозтехника
  • Спецтехника
  • Двигатели
Получить оптовый прайс-лист
Скачать прайс-лист от 07.05.2026 12:00
Специальное предложение от 07.05.2026 09:00
Производители:


  • WEICHAI
  • Автодизель ПАО (ЯМЗ)
  • Тутаевский МЗ
  • ЯЗДА
  • УралАЗ
  • МАЗ
  • АЗПИ
  • BOSCH
  • ММЗ
  • ШААЗ
  • FEDERAL MOGUL
  • ПРАМО
  • Мотордеталь
  • ТАИМ
  • АвтоКрАЗ
  • БЕЛКАРД
  • CZ Strakonice
  • КамАЗ
  • БЗА
  • ЧМЗ
  • BMZ
Новости
Все новости
25 марта 2024
Флагманский седельный тягач «Валдай 45» на выставке «TransRussia»
10 марта 2024
Современные автобусы «CITYMAX 9» и ЛиАЗ-5292 CNG
25 февраля 2024
Серийное производство средних дизельных двигателей повышенной мощности от ЯМЗ
Статьи
Все статьи
Датчики двигателя: за что они отвечают, признаки неисправности и как не прогадать с выбором
Двигатели ЯМЗ-534: история, технические характеристики и области применения
Двигатели ЯМЗ 650: углублённый технический обзор и история
Компания
О компании
Реквизиты
Новости
Политика
Магазины
Информация
Условия оплаты
Условия доставки
Гарантия на товар
Обмен и возврат товара
Помощь
Как оформить заказ
Полезные статьи
Бренды
Пункты выдачи
Оставайтесь на связи
  • Вконтакте
  • YouTube
  • Одноклассники
  • Google Plus
Увидели ошибку?
Выделите, нажав Ctrl + Enter
Наши контакты
8-800-700-35-68
sales@din76.ru
г. Ярославль, Ленинградский пр-т 33, ТЦ "ОМЕГА"
2026 © ООО «Динамика 76» - Все права защищены ООО "Динамика 76"
Предложения на сайте не являются публичной офертой.
На сайте обнаружена ошибка

Текст с ошибкой