Избранное 0 Корзина 0 Личный кабинет
logo
Каталог
Каталог
  • Справочник
    • Грузовые автомобили
    • Автобусы
    • Сельхозтехника
    • Спецтехника
    • Двигатели
  • Доставка
  • Оплата
  • О компании
    • Реквизиты
    • Магазины
    • Оплата
    • Доставка
    • Лицензии и сертификаты
    • Новости
    • Вакансии
  • Контакты
Отправить заявку
Личный кабинет
8 (800) 700-35-68
sales@din76.ru
Избранное 0 Корзина 0
8 (800) 700-35-68
Оптовый прайс-лист
Каталог
  • Двигатели
  • Запчасти WEICHAI
  • Запчасти ЯМЗ, ТМЗ (V-образные)
  • Запчасти ЯМЗ-534, ЯМЗ-536
  • Запчасти ЯМЗ-650, ЯМЗ-651, DCi-11
  • Топливная аппаратура
  • Запчасти УРАЛ
  • Запчасти МАЗ
  • Запчасти КамАЗ
  • Запчасти ММЗ
  • Ремни
Автокаталог (справочник)
  • Доставка
  • Оплата
  • О компании
  • Контакты
8 (800) 700-35-68
Написать в Whatsapp
sales@din76.ru
Динамика 76
Меню  
  • Каталог
    • Двигатели  
      • Двигатели ТМЗ  
        • Двигатели ТМЗ для автомобилей
        • Двигатели ТМЗ для тракторов
        • Специальные двигатели ТМЗ
        • Промышленные двигатели ТМЗ
      • Двигатели ЯМЗ  
        • ЯМЗ 236
        • ЯМЗ 238
        • ЯМЗ 240
        • ЯМЗ 751
        • ЯМЗ 840
        • ЯМЗ 850
        • ЯМЗ 656
        • ЯМЗ 658
        • ЯМЗ 534
        • ЯМЗ 536
        • ЯМЗ 650
        • Двигатели ЯМЗ для электростанций
      • Двигатели КАМАЗ
      • Двигатели ММЗ
      • Двигатели индивидуальной сборки
      • Комплекты переоборудования
    • Запчасти WEICHAI  
      • Основные запчасти двигателя  
        • Клапаны и толкатели
        • Шатуны
        • Вал коленчатый и маховик
        • Вал распределительный
        • Цилиндро-поршневая группа
      • Система питания  
        • Форсунки
        • Турбокомпрессор
      • Система смазки  
        • Насос масляный
      • Головка блока
      • Ремкомплекты
      • Система охлаждения  
        • Насос водяной
        • Муфта вязкостная и крыльчатка
      • Фильтры
      • Электрооборудование  
        • Генератор
        • Стартер
    • Запчасти ЯМЗ, ТМЗ (V-образные)  
      • Основные запчасти двигателя  
        • Блок двигателя и комплектующие
        • Валы распределительные и клапаны
        • Головка блока и комплектующие
        • Цилиндро-поршневая группа
        • Маховики и комплектующие
        • Валы коленчатые и комплектующие
        • Шатуны и комплектующие
      • Система питания  
        • Коллекторы и патрубки
        • Топливные трубопроводы
        • Турбокомпрессор
        • Топливные фильтры
      • Электрооборудование двигателя
      • Система охлаждения  
        • Вязкостные муфты и крыльчатки
        • Приводы вентилятора
        • Водяные насосы
        • Водяные трубы и термостаты
      • Коробки переключения передач  
        • 8 Ступенчатые КПП
        • 5 Ступенчатые КПП
        • 9 Ступенчатые КПП
        • Запасные части КПП ЯМЗ, ТМЗ
      • Система смазки  
        • Теплообменник и комплектующие
        • Масляные насосы
        • Фильтры масляные (ФГОМ, ФЦОМ)
      • Сцепление  
        • Запасные части механизма сцепления
        • Муфты (подшипники выжимные)
        • Корзины (диски нажимные)
        • Диски ведомые
      • Прочие запчасти двигателя  
        • Ремкомплекты
        • Привод агрегатов
        • Натяжные устройства
        • Трубки
    • Запчасти ЯМЗ-534, ЯМЗ-536  
      • Основные запчасти двигателя  
        • Цилиндро-поршневая группа
        • Головка блока цилиндров и комплектующие
        • Блок цилиндров и комплектующие
        • Вал коленчатый и маховик
        • Вал распределительный
        • Клапаны и толкатели
        • ГУР (Гидроусилитель руля)
        • Система рециркуляции отработавших газов
        • Выпускной коллектор
      • Система питания  
        • Коллекторы и патрубки
        • Топливные фильтры
        • Турбокомпрессор
        • Топливные трубопроводы
      • Система смазки  
        • Масляный картер поддон
        • Масляный насос
        • Теплообменник /Водо-масляный радиатор
        • Фильтры масляные (ФГОМ, ФЦОМ)
      • Пневмокомпрессор и натяжное
      • Система охлаждения  
        • Водяной насос
        • Водяные трубы и патрубки
        • Муфты вязкостные, приводы, крыльчатки
      • Ремкомплекты
      • Сцепление
      • Электрооборудование
    • Запчасти ЯМЗ-650, ЯМЗ-651, DCi-11  
      • Основные запчасти двигателя  
        • Цилиндро-поршневая группа
        • Головка блока цилиндров и комплектующие
        • Блок цилиндров и комплектующие
        • Вал коленчатый и маховик
        • Выпускной коллектор
        • Вал распределительный
        • Клапаны и толкатели
        • ГУР (Гидроусилитель руля)
        • Система рециркуляции отработавших газов
      • Система питания  
        • Коллекторы и патрубки
        • Топливные трубопроводы
        • Топливные фильтры
        • Турбокомпрессор
      • Система смазки  
        • Масляный картер / поддон
        • Масляный насос
        • Теплообменник / Водо-масляный радиатор
        • Фильтры масляные (ФГОМ, ФЦОМ)
      • Система охлаждения  
        • Водяной насос
        • Водяные трубы и патрубки
        • Муфты вязкостные, приводы, крыльчатки
      • Ремкомплекты
      • Пневмокомпрессор и натяжное
      • Электрооборудование
      • Сцепление
    • Топливная аппаратура  
      • ЯЗДА  
        • Распылители
        • ТНВД
        • Форсунки
        • Топливный насос низкого давления
        • Пары плунжерные
        • Муфта опережения впрыска топлива
        • Запчасти и комплектующие ТНВД
      • НЗТА
      • АЗПИ  
        • Распылители
        • Форсунки
      • BOSCH
    • Запчасти УРАЛ  
      • Трансмиссия  
        • Коробка раздаточная
        • Передача карданная
        • Мост задний
        • Мост передний (ведущий)
        • Мост средний (промежуточный)
      • Кузов  
        • Дверь кабины
        • Капот, крылья, облицовка радиатора
        • Окно ветровое и заднее
        • Отопление и вентиляция кабины
        • Кабина
      • Механизмы управления  
        • Управление рулевое
        • Тормоза
      • Дополнительное оборудование  
        • Отбор мощности
        • Устройство седельное
      • Электрооборудование
      • Ходовая часть  
        • Колеса и ступицы
        • Ось передняя
        • Подвеска автомобиля
        • Рама
    • Запчасти МАЗ  
      • Трансмиссия  
        • Мост задний
        • Мост передний (ведущий)
        • Передача карданная
        • Мост средний (промежуточный)
      • Кузов  
        • Кабина
        • Дверь кабины
        • Детали основания кабины
        • Окно ветровое и заднее
        • Платформа
      • Механизмы управления  
        • Тормоза
        • Управление рулевое
      • Ходовая часть  
        • Колеса и ступицы
        • Ось передняя
        • Подвеска автомобиля
        • Рама
    • Запчасти КамАЗ  
      • Кузов  
        • Кабина
        • Капот, крылья, облицовка радиатора
        • Дверь кабины
        • Платформа
        • Окно ветровое и заднее
        • Устройство подъемное и опрокидывающее
        • Сиденье
        • Крыша кабины (крыша кузова)
        • Отопление и вентиляция кабины
      • Трансмиссия  
        • Коробка передач
        • Коробка раздаточная
        • Мост задний
        • Сцепление
        • Мост средний (промежуточный)
        • Передача карданная
        • Мост передний (ведущий)
      • Двигатель  
        • Основные запчасти двигателя
        • Система охлаждения
        • Система питания
        • Система смазки
      • Дополнительное оборудование  
        • Отбор мощности
        • Устройство седельное
      • Ходовая часть  
        • Подвеска автомобиля
        • Рама
        • Колеса и ступицы
        • Ось передняя
      • Механизмы управления  
        • Тормоза
        • Управление рулевое
      • Электрооборудование
    • Запчасти ММЗ
    • Ремни
  • Справочник
    • Грузовые автомобили
    • Автобусы
    • Сельхозтехника
    • Спецтехника
    • Двигатели
  • Как купить
    • Условия оплаты
    • Условия доставки
    • Гарантия на товар
    • Пункты выдачи
  • Услуги
    • Капитальный ремонт двигателей ЯМЗ
  • Акции
  • Статьи
  • Контакты
  • Компания
    • Реквизиты
    • Магазины
    • Оплата
    • Доставка
    • Лицензии и сертификаты
    • Новости
    • Вакансии
Избранное 0 Корзина 0
8-800-700-35-68

Приборы электрооборудования на ГАЗ-3308 (до 2002 г.)

Справочник
Главная
-
Автокаталог
-
Грузовые автомобили и прицепы
-
ГАЗ
-
ГАЗ-3308
Справочный каталог

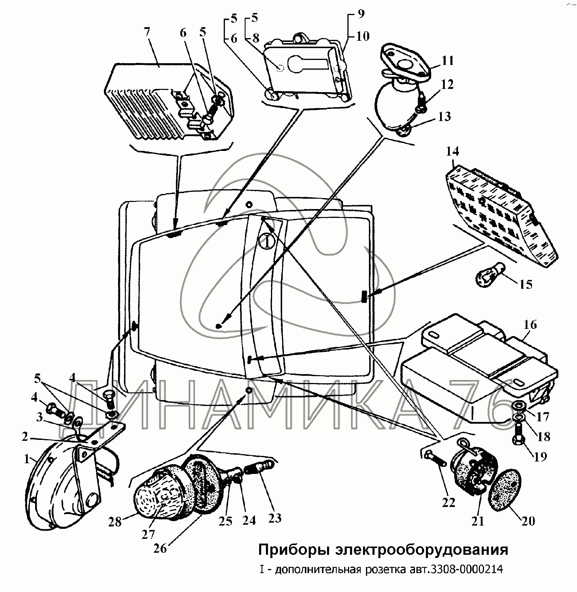
Приборы электрооборудования — ГАЗ-3308:

0026.123714 90.3734 А24-21-3 А24-5-1 А24-5-2 С306Д/С307Д 1 2 3 4 4 5 5 5 5 6 6 7 8 9 10 11 12 13 14 15 16 16 17 19 20 21 22 23 24 25 26 27 28 28
в наличии
нет в наличии
масштаб

В наличии
Нет в наличии

Перечень комплектующих от Приборы электрооборудования на ГАЗ-3308

Схемы запчастей предназначены для справочных целей! Мы продаем не все запчасти от Приборы электрооборудования на ГАЗ-3308, представленные в этом списке.
Наличие на складах по деталям с ценой смотрите в карточке товара.
Артикул: 0026-123714
нет в наличии
Плафон
Количество на схеме: 1
Информация
Плафон
Количество
1
Покрытие
без покрытия
Артикул: 90-3734
нет в наличии
Коммутатор
Количество на схеме: 1
Информация
Коммутатор
Количество
1
Артикул: А24-21-3
нет в наличии
Лампа накаливания (d=15, D=26,5, L=45) ГОСТ 2023.1 -88
Количество на схеме: 1
Информация
Лампа накаливания (d=15, D=26,5, L=45) ГОСТ 2023.1 -88
Количество
1
Артикул: А24-5-1
нет в наличии
Лампа накаливания (d=15, D=19, L=30) ГОСТ 2023.1-88
Количество на схеме: 2
Информация
Лампа накаливания (d=15, D=19, L=30) ГОСТ 2023.1-88
Количество
2
Артикул: А24-5-2
нет в наличии
Лампа
Количество на схеме: 1
Информация
Лампа
Количество
1
Артикул: С306Д/С307Д
нет в наличии
Комплект рупорных звуковых сигналов
Количество на схеме: 1
Информация
Комплект рупорных звуковых сигналов
Количество
1
1
1
Артикул: 201-3721-01
нет в наличии
Сигнал звуковой безрупорный (201.3721000-01)
Количество на схеме: 1
Информация
Сигнал звуковой безрупорный (201.3721000-01)
Количество
1
2
2
Артикул: 3307-3721064
нет в наличии
Кронштейн сигнала
Количество на схеме: 1
Информация
Кронштейн сигнала
Количество
1
Модель
3307
Группа
Электрооборудование
Подгруппа
Сигналы звуковые
Порядковый номер детали
064
3
3
Артикул: 4301-3724343
нет в наличии
Провод минусовый
Количество на схеме: 1
Информация
Провод минусовый
Количество
1
Модель
4301
Группа
Электрооборудование
Подгруппа
Электропровода
Порядковый номер детали
343
4
4
Артикул: 201417-П29
нет в наличии
Болт М6-6gх14 ОСТ 37.001.123-96
Количество на схеме: 3
Информация
Болт М6-6gх14 ОСТ 37.001.123-96
Количество
3
Покрытие
цинкование и пассивирование (цинковое с хроматированием)
5
5
Артикул: 4599526092
нет в наличии
Шайба 6
Количество на схеме: 10
Информация
Шайба 6
Количество
10
Группа
Лебедка
Подгруппа
4599
Порядковый номер детали
526
Дополнительно
Не взаимозаменяема с деталью, выпущенной ранее под этим же номером
6
6
Артикул: 201418-П29
нет в наличии
Болт М6-6gх16 ОСТ 37.001.123-96
Количество на схеме: 5
Информация
Болт М6-6gх16 ОСТ 37.001.123-96
Количество
5
Покрытие
цинкование и пассивирование (цинковое с хроматированием)
7
7
Артикул: 131-3734
нет в наличии
Коммутатор (131.3734000)
Количество на схеме: 1
Информация
Коммутатор (131.3734000)
Количество
1
8
8
Артикул: 201416-П29
нет в наличии
Болт М6-6gх12 ОСТ 37.001.123-96
Количество на схеме: 2
Информация
Болт М6-6gх12 ОСТ 37.001.123-96
Количество
2
Покрытие
цинкование и пассивирование (цинковое с хроматированием)
9
9
Артикул: 2702-3702
нет в наличии
Регулятор напряжения
Количество на схеме: 1
Информация
Регулятор напряжения
Количество
1
10
10
Артикул: 3308-3702016
нет в наличии
Кронштейн
Количество на схеме: 1
Информация
Кронштейн
Количество
1
Модель
3308
Группа
Электрооборудование
Подгруппа
Реле-регулятор (напряжения)
Порядковый номер детали
016
11
11
Артикул: ПД308Б
нет в наличии
Фонарь освещения под капотом
Количество на схеме: 1
Информация
Фонарь освещения под капотом
Количество
1
12
12
Артикул: 240037-П29
нет в наличии
Винт М5х16 ОСТ 37.001.187-81
Количество на схеме: 2
Информация
Винт М5х16 ОСТ 37.001.187-81
Количество
2
Покрытие
цинкование и пассивирование (цинковое с хроматированием)
13
13
Артикул: А12-10
нет в наличии
Лампа подкапотная
Количество на схеме: 1
Информация
Лампа подкапотная
Количество
1
14
14
Артикул: 0026-023714
нет в наличии
Плафон освещения грузового отсека
Количество на схеме: 1
Информация
Плафон освещения грузового отсека
Количество
1
Покрытие
без покрытия
15
15
Артикул: А12-21-3
нет в наличии
Лампа
Количество на схеме: 1
Информация
Лампа
Количество
1
16
16
Артикул: РС950П
нет в наличии
Прерыватель указателей поворота (РС950П-3726010)
Количество на схеме: 1
Информация
Прерыватель указателей поворота (РС950П-3726010)
Количество
1
16
16
Артикул: РС951А-У-ХЛ
нет в наличии
Прерыватель указателей поворота
Количество на схеме: 1
Информация
Прерыватель указателей поворота
Количество
1
17
17
Артикул: 252004-П29
в наличии
Шайба 6 ОСТ 37.001.144-96
Количество на схеме: 2
Информация
Шайба 6 ОСТ 37.001.144-96
Количество
2
Покрытие
цинкование и пассивирование (цинковое с хроматированием)
Шайба 6.0 УРАЛ кабины (АО АЗ УРАЛ)
Артикул: 252004-П29
Шайба 6.0 УРАЛ кабины (АО АЗ УРАЛ)
Код для заказа: 00002895
Цена: 12 ₽/шт.
В наличии: 41 шт.
- +
В корзинуВ корзине
Шайба 6.0 УРАЛ кабины (АО АЗ УРАЛ)
Артикул: 252004-П29
Код для заказа: 00002895
Шайба 6.0 УРАЛ кабины (АО АЗ УРАЛ)
Цена: 12 ₽/шт.
В наличии: 41 шт.
- +
В корзинуВ корзине
19
19
Артикул: 290509-П29
нет в наличии
Болт М6-6gх25
Количество на схеме: 2
Информация
Болт М6-6gх25
Количество
2
Покрытие
цинкование и пассивирование (цинковое с хроматированием)
20
20
Артикул: 51-3715021
нет в наличии
Прокладка штепсельной розетки переносной лампы
Количество на схеме: 1
Информация
Прокладка штепсельной розетки переносной лампы
Количество
1
Модель
51
Группа
Электрооборудование
Подгруппа
Лампы переносная и подкапотная
Порядковый номер детали
021
21
21
Артикул: 13-995-00-01
нет в наличии
Розетка штепсельная 47К-О ТУ 2491-003-03964945-93
Количество на схеме: 1
Информация
Розетка штепсельная 47К-О ТУ 2491-003-03964945-93
Количество
1
22
22
Артикул: 221512-П29
нет в наличии
Винт М3-6gх28 ОСТ 37.001.125-81
Количество на схеме: 2
Информация
Винт М3-6gх28 ОСТ 37.001.125-81
Количество
2
Покрытие
цинкование и пассивирование (цинковое с хроматированием)
23
23
Артикул: 53-3726180
нет в наличии
Соединитель прокладки
Количество на схеме: 2
Информация
Соединитель прокладки
Количество
2
Модель
53
Группа
Электрооборудование
Подгруппа
Указатели поворота (передние)
Порядковый номер детали
180
24
24
Артикул: 250464-П29
в наличии
Гайка М5-6Н ОСТ 37.001.124-93
Количество на схеме: 4
Информация
Гайка М5-6Н ОСТ 37.001.124-93
Количество
4
Покрытие
цинкование и пассивирование (цинковое с хроматированием)
Гайка М5 вентиляции УРАЛ (АО АЗ УРАЛ)
Артикул: 250464-П29
Гайка М5 вентиляции УРАЛ (АО АЗ УРАЛ)
Код для заказа: 00027649
Цена: 28 ₽/шт.
Под заказ
Гайка М5 вентиляции УРАЛ (АО АЗ УРАЛ)
Артикул: 250464-П29
Код для заказа: 00027649
Гайка М5 вентиляции УРАЛ (АО АЗ УРАЛ)
Цена: 28 ₽/шт.
Под заказ
25
25
Артикул: 252233-П29
нет в наличии
Шайба 2-5 ОСТ 37.001.146-75
Количество на схеме: 4
Информация
Шайба 2-5 ОСТ 37.001.146-75
Количество
4
Покрытие
цинкование и пассивирование (цинковое с хроматированием)
26
26
Артикул: 53А-3726176
нет в наличии
Прокладка бокового повторителя
Количество на схеме: 2
Информация
Прокладка бокового повторителя
Количество
2
Модель
53А
Группа
Электрооборудование
Подгруппа
Указатели поворота (передние)
Порядковый номер детали
176
27
27
Артикул: А12-5
нет в наличии
Лампа (53-70-3714033)
Количество на схеме: 2
Информация
Лампа (53-70-3714033)
Количество
2
28
28
Артикул: УП101-В
в наличии
Повторитель боковой указателя поворота (УП101-3726010-В)
Количество на схеме: 2
Информация
Повторитель боковой указателя поворота (УП101-3726010-В)
Количество
2
Повторитель поворота КАМАЗ,МАЗ 24V (штырь) ОСВАР
Артикул: УП101-В
Повторитель поворота КАМАЗ,МАЗ 24V (штырь) ОСВАР
Код для заказа: 00044769
Цена: 187 ₽/шт.
Под заказ
Повторитель поворота КАМАЗ,МАЗ 24V (штырь) ОСВАР
Артикул: УП101-В
Код для заказа: 00044769
Повторитель поворота КАМАЗ,МАЗ 24V (штырь) ОСВАР
Цена: 187 ₽/шт.
Под заказ
Повторитель поворота КАМАЗ,МАЗ 24V Руденск
Артикул: УП101-В
Повторитель поворота КАМАЗ,МАЗ 24V Руденск
Код для заказа: 00044770
Цена: 348 ₽/шт.
Под заказ
Повторитель поворота КАМАЗ,МАЗ 24V Руденск
Артикул: УП101-В
Код для заказа: 00044770
Повторитель поворота КАМАЗ,МАЗ 24V Руденск
Цена: 348 ₽/шт.
Под заказ
28
28
Артикул: УП101-Г1-У
нет в наличии
Повторитель боковой указателя поворота
Количество на схеме: 2
Информация
Повторитель боковой указателя поворота
Количество
2
  • Грузовые автомобили
  • Автобусы
  • Сельхозтехника
  • Спецтехника
  • Двигатели
Получить оптовый прайс-лист
Скачать прайс-лист от 30.04.2026 16:00
Специальное предложение от 30.04.2026 17:00
Производители:


  • WEICHAI
  • Автодизель ПАО (ЯМЗ)
  • Тутаевский МЗ
  • ЯЗДА
  • УралАЗ
  • МАЗ
  • АЗПИ
  • BOSCH
  • ММЗ
  • ШААЗ
  • FEDERAL MOGUL
  • ПРАМО
  • Мотордеталь
  • ТАИМ
  • АвтоКрАЗ
  • БЕЛКАРД
  • CZ Strakonice
  • КамАЗ
  • БЗА
  • ЧМЗ
  • BMZ
Новости
Все новости
25 марта 2024
Флагманский седельный тягач «Валдай 45» на выставке «TransRussia»
10 марта 2024
Современные автобусы «CITYMAX 9» и ЛиАЗ-5292 CNG
25 февраля 2024
Серийное производство средних дизельных двигателей повышенной мощности от ЯМЗ
Статьи
Все статьи
Датчики двигателя: за что они отвечают, признаки неисправности и как не прогадать с выбором
Двигатели ЯМЗ-534: история, технические характеристики и области применения
Двигатели ЯМЗ 650: углублённый технический обзор и история
Компания
О компании
Реквизиты
Новости
Политика
Магазины
Информация
Условия оплаты
Условия доставки
Гарантия на товар
Обмен и возврат товара
Помощь
Как оформить заказ
Полезные статьи
Бренды
Пункты выдачи
Оставайтесь на связи
  • Вконтакте
  • YouTube
  • Одноклассники
  • Google Plus
Увидели ошибку?
Выделите, нажав Ctrl + Enter
Наши контакты
8-800-700-35-68
sales@din76.ru
г. Ярославль, Ленинградский пр-т 33, ТЦ "ОМЕГА"
2026 © ООО «Динамика 76» - Все права защищены ООО "Динамика 76"
Предложения на сайте не являются публичной офертой.
На сайте обнаружена ошибка

Текст с ошибкой