Избранное 0 Корзина 0 Личный кабинет
logo
Каталог
Каталог
  • Справочник
    • Грузовые автомобили
    • Автобусы
    • Сельхозтехника
    • Спецтехника
    • Двигатели
  • Доставка
  • Оплата
  • О компании
    • Реквизиты
    • Магазины
    • Оплата
    • Доставка
    • Лицензии и сертификаты
    • Новости
    • Вакансии
  • Контакты
Отправить заявку
Личный кабинет
8 (800) 700-35-68
sales@din76.ru
Избранное 0 Корзина 0
8 (800) 700-35-68
Оптовый прайс-лист
Каталог
  • Двигатели
  • Запчасти WEICHAI
  • Запчасти ЯМЗ, ТМЗ (V-образные)
  • Запчасти ЯМЗ-534, ЯМЗ-536
  • Запчасти ЯМЗ-650, ЯМЗ-651, DCi-11
  • Топливная аппаратура
  • Запчасти УРАЛ
  • Запчасти МАЗ
  • Запчасти КамАЗ
  • Запчасти ММЗ
  • Ремни
Автокаталог (справочник)
  • Доставка
  • Оплата
  • О компании
  • Контакты
8 (800) 700-35-68
Написать в Whatsapp
sales@din76.ru
Динамика 76
Меню  
  • Каталог
    • Двигатели  
      • Двигатели ТМЗ  
        • Двигатели ТМЗ для автомобилей
        • Двигатели ТМЗ для тракторов
        • Специальные двигатели ТМЗ
        • Промышленные двигатели ТМЗ
      • Двигатели ЯМЗ  
        • ЯМЗ 236
        • ЯМЗ 238
        • ЯМЗ 240
        • ЯМЗ 751
        • ЯМЗ 840
        • ЯМЗ 850
        • ЯМЗ 656
        • ЯМЗ 658
        • ЯМЗ 534
        • ЯМЗ 536
        • ЯМЗ 650
        • Двигатели ЯМЗ для электростанций
      • Двигатели КАМАЗ
      • Двигатели ММЗ
      • Двигатели индивидуальной сборки
      • Комплекты переоборудования
    • Запчасти WEICHAI  
      • Основные запчасти двигателя  
        • Клапаны и толкатели
        • Шатуны
        • Вал коленчатый и маховик
        • Вал распределительный
        • Цилиндро-поршневая группа
      • Система питания  
        • Форсунки
        • Турбокомпрессор
      • Система смазки  
        • Насос масляный
      • Головка блока
      • Ремкомплекты
      • Система охлаждения  
        • Насос водяной
        • Муфта вязкостная и крыльчатка
      • Фильтры
      • Электрооборудование  
        • Генератор
        • Стартер
    • Запчасти ЯМЗ, ТМЗ (V-образные)  
      • Основные запчасти двигателя  
        • Блок двигателя и комплектующие
        • Валы распределительные и клапаны
        • Головка блока и комплектующие
        • Цилиндро-поршневая группа
        • Маховики и комплектующие
        • Валы коленчатые и комплектующие
        • Шатуны и комплектующие
      • Система питания  
        • Коллекторы и патрубки
        • Топливные трубопроводы
        • Турбокомпрессор
        • Топливные фильтры
      • Электрооборудование двигателя
      • Система охлаждения  
        • Вязкостные муфты и крыльчатки
        • Приводы вентилятора
        • Водяные насосы
        • Водяные трубы и термостаты
      • Коробки переключения передач  
        • 8 Ступенчатые КПП
        • 5 Ступенчатые КПП
        • 9 Ступенчатые КПП
        • Запасные части КПП ЯМЗ, ТМЗ
      • Система смазки  
        • Теплообменник и комплектующие
        • Масляные насосы
        • Фильтры масляные (ФГОМ, ФЦОМ)
      • Сцепление  
        • Запасные части механизма сцепления
        • Муфты (подшипники выжимные)
        • Корзины (диски нажимные)
        • Диски ведомые
      • Прочие запчасти двигателя  
        • Ремкомплекты
        • Привод агрегатов
        • Натяжные устройства
        • Трубки
    • Запчасти ЯМЗ-534, ЯМЗ-536  
      • Основные запчасти двигателя  
        • Цилиндро-поршневая группа
        • Головка блока цилиндров и комплектующие
        • Блок цилиндров и комплектующие
        • Вал коленчатый и маховик
        • Вал распределительный
        • Клапаны и толкатели
        • ГУР (Гидроусилитель руля)
        • Система рециркуляции отработавших газов
        • Выпускной коллектор
      • Система питания  
        • Коллекторы и патрубки
        • Топливные фильтры
        • Турбокомпрессор
        • Топливные трубопроводы
      • Система смазки  
        • Масляный картер поддон
        • Масляный насос
        • Теплообменник /Водо-масляный радиатор
        • Фильтры масляные (ФГОМ, ФЦОМ)
      • Пневмокомпрессор и натяжное
      • Система охлаждения  
        • Водяной насос
        • Водяные трубы и патрубки
        • Муфты вязкостные, приводы, крыльчатки
      • Ремкомплекты
      • Сцепление
      • Электрооборудование
    • Запчасти ЯМЗ-650, ЯМЗ-651, DCi-11  
      • Основные запчасти двигателя  
        • Цилиндро-поршневая группа
        • Головка блока цилиндров и комплектующие
        • Блок цилиндров и комплектующие
        • Вал коленчатый и маховик
        • Выпускной коллектор
        • Вал распределительный
        • Клапаны и толкатели
        • ГУР (Гидроусилитель руля)
        • Система рециркуляции отработавших газов
      • Система питания  
        • Коллекторы и патрубки
        • Топливные трубопроводы
        • Топливные фильтры
        • Турбокомпрессор
      • Система смазки  
        • Масляный картер / поддон
        • Масляный насос
        • Теплообменник / Водо-масляный радиатор
        • Фильтры масляные (ФГОМ, ФЦОМ)
      • Система охлаждения  
        • Водяной насос
        • Водяные трубы и патрубки
        • Муфты вязкостные, приводы, крыльчатки
      • Ремкомплекты
      • Пневмокомпрессор и натяжное
      • Электрооборудование
      • Сцепление
    • Топливная аппаратура  
      • ЯЗДА  
        • Распылители
        • ТНВД
        • Форсунки
        • Топливный насос низкого давления
        • Пары плунжерные
        • Муфта опережения впрыска топлива
        • Запчасти и комплектующие ТНВД
      • НЗТА
      • АЗПИ  
        • Распылители
        • Форсунки
      • BOSCH
    • Запчасти УРАЛ  
      • Трансмиссия  
        • Коробка раздаточная
        • Передача карданная
        • Мост задний
        • Мост передний (ведущий)
        • Мост средний (промежуточный)
      • Кузов  
        • Дверь кабины
        • Капот, крылья, облицовка радиатора
        • Окно ветровое и заднее
        • Отопление и вентиляция кабины
        • Кабина
      • Механизмы управления  
        • Управление рулевое
        • Тормоза
      • Дополнительное оборудование  
        • Отбор мощности
        • Устройство седельное
      • Электрооборудование
      • Ходовая часть  
        • Колеса и ступицы
        • Ось передняя
        • Подвеска автомобиля
        • Рама
    • Запчасти МАЗ  
      • Трансмиссия  
        • Мост задний
        • Мост передний (ведущий)
        • Передача карданная
        • Мост средний (промежуточный)
      • Кузов  
        • Кабина
        • Дверь кабины
        • Детали основания кабины
        • Окно ветровое и заднее
        • Платформа
      • Механизмы управления  
        • Тормоза
        • Управление рулевое
      • Ходовая часть  
        • Колеса и ступицы
        • Ось передняя
        • Подвеска автомобиля
        • Рама
    • Запчасти КамАЗ  
      • Кузов  
        • Кабина
        • Капот, крылья, облицовка радиатора
        • Дверь кабины
        • Платформа
        • Окно ветровое и заднее
        • Устройство подъемное и опрокидывающее
        • Сиденье
        • Крыша кабины (крыша кузова)
        • Отопление и вентиляция кабины
      • Трансмиссия  
        • Коробка передач
        • Коробка раздаточная
        • Мост задний
        • Сцепление
        • Мост средний (промежуточный)
        • Передача карданная
        • Мост передний (ведущий)
      • Двигатель  
        • Основные запчасти двигателя
        • Система охлаждения
        • Система питания
        • Система смазки
      • Дополнительное оборудование  
        • Отбор мощности
        • Устройство седельное
      • Ходовая часть  
        • Подвеска автомобиля
        • Рама
        • Колеса и ступицы
        • Ось передняя
      • Механизмы управления  
        • Тормоза
        • Управление рулевое
      • Электрооборудование
    • Запчасти ММЗ
    • Ремни
  • Справочник
    • Грузовые автомобили
    • Автобусы
    • Сельхозтехника
    • Спецтехника
    • Двигатели
  • Как купить
    • Условия оплаты
    • Условия доставки
    • Гарантия на товар
    • Пункты выдачи
  • Услуги
    • Капитальный ремонт двигателей ЯМЗ
  • Акции
  • Статьи
  • Контакты
  • Компания
    • Реквизиты
    • Магазины
    • Оплата
    • Доставка
    • Лицензии и сертификаты
    • Новости
    • Вакансии
Избранное 0 Корзина 0
8-800-700-35-68

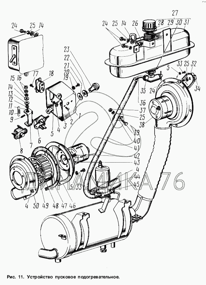
Устройство пусковое подогревательное на ГАЗ-3307 (до 2000 г.)

Справочник
Главная
-
Автокаталог
-
Грузовые автомобили и прицепы
-
ГАЗ
-
ГАЗ-3307
Справочный каталог

Устройство пусковое подогревательное — ГАЗ-3307:

3307-1015570 53-1015582 1 2 3 4 4 4 4 5 5 5 6 7 8 9 10 11 12 13 14 14 14 15 16 17 18 19 20 21 22 23 24 24 24 25 25 25 25 26 27 28 29 30 31 32 33 33 34 35 36 37 38 39 40 41 42 43 44 45 46 47 48 49 50
в наличии
нет в наличии
масштаб

В наличии
Нет в наличии

Перечень комплектующих от Устройство пусковое подогревательное на ГАЗ-3307

Схемы запчастей предназначены для справочных целей! Мы продаем не все запчасти от Устройство пусковое подогревательное на ГАЗ-3307, представленные в этом списке.
Наличие на складах по деталям с ценой смотрите в карточке товара.
Артикул: 3307-1015570
нет в наличии
Пульт управления подогревателем в сборе
Количество на схеме: 1
Информация
Пульт управления подогревателем в сборе
Количество
1
ОКПО доп.
0;
Модель
3307
Группа
Двигатель
Подгруппа
Подогреватель пусковой двигателя
Порядковый номер детали
570
Артикул: 53-1015582
нет в наличии
Корпус контрольной спирали со спиралью в сборе
Количество на схеме: 1
Информация
Корпус контрольной спирали со спиралью в сборе
Количество
1
ОКПО доп.
3307-1015570;
Модель
53
Группа
Двигатель
Подгруппа
Подогреватель пусковой двигателя
Порядковый номер детали
582
1
1
Артикул: 53-1015575-01
нет в наличии
Корпус пульта управления пусковым подогревателем в сборе
Количество на схеме: 1
Информация
Корпус пульта управления пусковым подогревателем в сборе
Количество
1
ОКПО доп.
3307-1015570;
Модель
53
Группа
Двигатель
Подгруппа
Подогреватель пусковой двигателя
Порядковый номер детали
575
2
2
Артикул: 220081-П29
нет в наличии
Винт М5-6gх18 ОСТ 37.001.127-81
Количество на схеме: 2
Информация
Винт М5-6gх18 ОСТ 37.001.127-81
Количество
2
ОКПО доп.
0;
Покрытие
цинкование и пассивирование (цинковое с хроматированием)
3
3
Артикул: 251086-П29
нет в наличии
Гайка М5-6Н ОСТ 37.001.112-91
Количество на схеме: 2
Информация
Гайка М5-6Н ОСТ 37.001.112-91
Количество
2
ОКПО доп.
0;
Покрытие
цинкование и пассивирование (цинковое с хроматированием)
4
4
Артикул: 251082-П29
нет в наличии
Гайка М4-6Н ОСТ 37.001.112-91
Количество на схеме: 2
Информация
Гайка М4-6Н ОСТ 37.001.112-91
Количество
2
ОКПО доп.
0;
Покрытие
цинкование и пассивирование (цинковое с хроматированием)
4
4
Артикул: 251082-П29
нет в наличии
Гайка М4-6Н ОСТ 37.001.112-91
Количество на схеме: 6
Информация
Гайка М4-6Н ОСТ 37.001.112-91
Количество
6
ОКПО доп.
0;
Покрытие
цинкование и пассивирование (цинковое с хроматированием)
5
5
Артикул: 252152-П2
нет в наличии
Шайба 4Л ОСТ 37.001.115-75
Количество на схеме: 6
Информация
Шайба 4Л ОСТ 37.001.115-75
Количество
6
ОКПО доп.
0;
Покрытие
фосфатирование и промасливание
5
5
Артикул: 252152-П2
нет в наличии
Шайба 4Л ОСТ 37.001.115-75
Количество на схеме: 2
Информация
Шайба 4Л ОСТ 37.001.115-75
Количество
2
ОКПО доп.
0;
Покрытие
фосфатирование и промасливание
5
5
Артикул: 252152-ПК
нет в наличии
Шайба 4Л
Количество на схеме: 4
Информация
Шайба 4Л
Количество
4
ОКПО доп.
0;
Покрытие
без покрытия
6
6
Артикул: 20-3709010-Б2
нет в наличии
Переключатель электровентилятора и электромагнитного клапана в сборе П305
Количество на схеме: 1
Информация
Переключатель электровентилятора и электромагнитного клапана в сборе П305
Количество
1
ОКПО доп.
3307-1015570;
Модель
20
Группа
Электрооборудование
Подгруппа
Переключатели электрические (переключатель света центральный)
Порядковый номер детали
010
7
7
Артикул: 53-1015585
нет в наличии
Корпус контрольной спирали пульта управления
Количество на схеме: 1
Информация
Корпус контрольной спирали пульта управления
Количество
1
ОКПО доп.
53-1015582;
Модель
53
Группа
Двигатель
Подгруппа
Подогреватель пусковой двигателя
Порядковый номер детали
585
8
8
Артикул: 12-3722220
нет в наличии
Предохранитель ПР2Б (покупное изделие)
Количество на схеме: 1
Информация
Предохранитель ПР2Б (покупное изделие)
Количество
1
ОКПО доп.
3307-1015570;
Модель
12
Группа
Электрооборудование
Подгруппа
Предохранители (электрических цепей)
Порядковый номер детали
220
9
9
Артикул: 242469-П29
нет в наличии
Винт М5-6gх8
Количество на схеме: 2
Информация
Винт М5-6gх8
Количество
2
ОКПО доп.
0;
Покрытие
цинкование и пассивирование (цинковое с хроматированием)
10
10
Артикул: 53-1015590
нет в наличии
Спираль контрольная пульта управления
Количество на схеме: 1
Информация
Спираль контрольная пульта управления
Количество
1
ОКПО доп.
53-1015582;
Модель
53
Группа
Двигатель
Подгруппа
Подогреватель пусковой двигателя
Порядковый номер детали
590
11
11
Артикул: 53-1015593
нет в наличии
Болт крепления контрольной спирали
Количество на схеме: 2
Информация
Болт крепления контрольной спирали
Количество
2
ОКПО доп.
53-1015582;
Модель
53
Группа
Двигатель
Подгруппа
Подогреватель пусковой двигателя
Порядковый номер детали
593
12
12
Артикул: 53-1015599
нет в наличии
Шайба изолирующая малая
Количество на схеме: 2
Информация
Шайба изолирующая малая
Количество
2
ОКПО доп.
53-1015582;
Модель
53
Группа
Двигатель
Подгруппа
Подогреватель пусковой двигателя
Порядковый номер детали
599
13
13
Артикул: 53-1015597
нет в наличии
Шайба изолирующая
Количество на схеме: 4
Информация
Шайба изолирующая
Количество
4
ОКПО доп.
53-1015582;
Модель
53
Группа
Двигатель
Подгруппа
Подогреватель пусковой двигателя
Порядковый номер детали
597
14
14
Артикул: 252004-П29
в наличии
Шайба 6 ОСТ 37.001.144-96
Количество на схеме: 2
Информация
Шайба 6 ОСТ 37.001.144-96
Количество
2
ОКПО доп.
0;
Покрытие
цинкование и пассивирование (цинковое с хроматированием)
Шайба 6.0 УРАЛ кабины (АО АЗ УРАЛ)
Артикул: 252004-П29
Шайба 6.0 УРАЛ кабины (АО АЗ УРАЛ)
Код для заказа: 00002895
Цена: 12 ₽/шт.
В наличии: 41 шт.
- +
В корзинуВ корзине
Шайба 6.0 УРАЛ кабины (АО АЗ УРАЛ)
Артикул: 252004-П29
Код для заказа: 00002895
Шайба 6.0 УРАЛ кабины (АО АЗ УРАЛ)
Цена: 12 ₽/шт.
В наличии: 41 шт.
- +
В корзинуВ корзине
15
15
Артикул: 252154-П2
нет в наличии
Шайба 6Л ОСТ 37.001.115-75
Количество на схеме: 2
Информация
Шайба 6Л ОСТ 37.001.115-75
Количество
2
ОКПО доп.
0;
Покрытие
фосфатирование и промасливание
16
16
Артикул: 250608-П29
нет в наличии
Гайка М6-6Н ОСТ 37.001.124-93
Количество на схеме: 4
Информация
Гайка М6-6Н ОСТ 37.001.124-93
Количество
4
ОКПО доп.
0;
Покрытие
цинкование и пассивирование (цинковое с хроматированием)
17
17
Артикул: 220051-П29
нет в наличии
Винт М4-6gх10 ОСТ 37.001.127-81
Количество на схеме: 2
Информация
Винт М4-6gх10 ОСТ 37.001.127-81
Количество
2
ОКПО доп.
0;
Покрытие
цинкование и пассивирование (цинковое с хроматированием)
18
18
Артикул: 4602-3710
нет в наличии
Выключатель
Количество на схеме: 1
Информация
Выключатель
Количество
1
ОКПО доп.
3307-1015570;
19
19
Артикул: 252002-П29
нет в наличии
Шайба 4 ОСТ 37.001.144-96
Количество на схеме: 2
Информация
Шайба 4 ОСТ 37.001.144-96
Количество
2
ОКПО доп.
0;
Покрытие
цинкование и пассивирование (цинковое с хроматированием)
20
20
Артикул: 220048-П29
нет в наличии
Винт М4-6gх6
Количество на схеме: 2
Информация
Винт М4-6gх6
Количество
2
ОКПО доп.
0;
Покрытие
цинкование и пассивирование (цинковое с хроматированием)
21
21
Артикул: 21-3709038
нет в наличии
Шайба прокладочная
Количество на схеме: 1
Информация
Шайба прокладочная
Количество
1
ОКПО доп.
3307-1015570;
Модель
21
Группа
Электрооборудование
Подгруппа
Переключатели электрические (переключатель света центральный)
Порядковый номер детали
038
22
22
Артикул: 21-3709030
нет в наличии
Гайка
Количество на схеме: 1
Информация
Гайка
Количество
1
ОКПО доп.
3307-1015570;
Модель
21
Группа
Электрооборудование
Подгруппа
Переключатели электрические (переключатель света центральный)
Порядковый номер детали
030
23
23
Артикул: 51-3709051-Б
нет в наличии
Ручка
Количество на схеме: 1
Информация
Ручка
Количество
1
ОКПО доп.
3307-1015570;
Модель
51
Группа
Электрооборудование
Подгруппа
Переключатели электрические (переключатель света центральный)
Порядковый номер детали
051
24
24
Артикул: 201418-П29
нет в наличии
Болт М6-6gх16 ОСТ 37.001.123-96
Количество на схеме: 2
Информация
Болт М6-6gх16 ОСТ 37.001.123-96
Количество
2
ОКПО доп.
0;
Покрытие
цинкование и пассивирование (цинковое с хроматированием)
24
24
Артикул: 201418-П29
нет в наличии
Болт М6-6gх16 ОСТ 37.001.123-96
Количество на схеме: 6
Информация
Болт М6-6gх16 ОСТ 37.001.123-96
Количество
6
ОКПО доп.
0;
Покрытие
цинкование и пассивирование (цинковое с хроматированием)
25
25
Артикул: 252134-П2
в наличии
Шайба 6Т ОСТ 37.001.115-75
Количество на схеме: 1
Информация
Шайба 6Т ОСТ 37.001.115-75
Количество
1
ОКПО доп.
0;
Покрытие
фосфатирование и промасливание
ШАЙБА 6Х2 (ЯМЗ)
Артикул: 252134-П2
ШАЙБА 6Х2 (ЯМЗ)
Код для заказа: 00006016
Цена: 3 ₽/шт.
Под заказ
ШАЙБА 6Х2 (ЯМЗ)
Артикул: 252134-П2
Код для заказа: 00006016
ШАЙБА 6Х2 (ЯМЗ)
Цена: 3 ₽/шт.
Под заказ
25
25
Артикул: 252134-П2
в наличии
Шайба 6Т ОСТ 37.001.115-75
Количество на схеме: 2
Информация
Шайба 6Т ОСТ 37.001.115-75
Количество
2
ОКПО доп.
0;
Покрытие
фосфатирование и промасливание
ШАЙБА 6Х2 (ЯМЗ)
Артикул: 252134-П2
ШАЙБА 6Х2 (ЯМЗ)
Код для заказа: 00006016
Цена: 3 ₽/шт.
Под заказ
ШАЙБА 6Х2 (ЯМЗ)
Артикул: 252134-П2
Код для заказа: 00006016
ШАЙБА 6Х2 (ЯМЗ)
Цена: 3 ₽/шт.
Под заказ
25
25
Артикул: 252134-П2
в наличии
Шайба 6Т ОСТ 37.001.115-75
Количество на схеме: 6
Информация
Шайба 6Т ОСТ 37.001.115-75
Количество
6
ОКПО доп.
0;
Покрытие
фосфатирование и промасливание
ШАЙБА 6Х2 (ЯМЗ)
Артикул: 252134-П2
ШАЙБА 6Х2 (ЯМЗ)
Код для заказа: 00006016
Цена: 3 ₽/шт.
Под заказ
ШАЙБА 6Х2 (ЯМЗ)
Артикул: 252134-П2
Код для заказа: 00006016
ШАЙБА 6Х2 (ЯМЗ)
Цена: 3 ₽/шт.
Под заказ
26
26
Артикул: 3307-1015496
нет в наличии
Кронштейн переходный топливного бачка
Количество на схеме: 2
Информация
Кронштейн переходный топливного бачка
Количество
2
ОКПО доп.
0;
Модель
3307
Группа
Двигатель
Подгруппа
Подогреватель пусковой двигателя
Порядковый номер детали
496
27
27
Артикул: 53А-1015450
нет в наличии
Бачок топливный пускового подогревателя с пробкой в сборе
Количество на схеме: 1
Информация
Бачок топливный пускового подогревателя с пробкой в сборе
Количество
1
ОКПО доп.
0;
Модель
53А
Группа
Двигатель
Подгруппа
Подогреватель пусковой двигателя
Порядковый номер детали
450
28
28
Артикул: 53-1015468
нет в наличии
Пробка топливного бачка подогревателя
Количество на схеме: 1
Информация
Пробка топливного бачка подогревателя
Количество
1
ОКПО доп.
53A-1015450;
Модель
53
Группа
Двигатель
Подгруппа
Подогреватель пусковой двигателя
Порядковый номер детали
468
29
29
Артикул: 53-1015479-А
нет в наличии
Прокладка пробки топливного бачка подогревателя
Количество на схеме: 1
Информация
Прокладка пробки топливного бачка подогревателя
Количество
1
ОКПО доп.
53A-1015450;
Модель
53
Группа
Двигатель
Подгруппа
Подогреватель пусковой двигателя
Порядковый номер детали
479
30
30
Артикул: 53-1015480-А
нет в наличии
Фильтр бачка со штуцером в сборе
Количество на схеме: 1
Информация
Фильтр бачка со штуцером в сборе
Количество
1
ОКПО доп.
53A-1015450;
Модель
53
Группа
Двигатель
Подгруппа
Подогреватель пусковой двигателя
Порядковый номер детали
480
31
31
Артикул: 53А-1015455
нет в наличии
Бачок топливный подогревателя в сборе
Количество на схеме: 1
Информация
Бачок топливный подогревателя в сборе
Количество
1
ОКПО доп.
53A-1015450;
Модель
53А
Группа
Двигатель
Подгруппа
Подогреватель пусковой двигателя
Порядковый номер детали
455
32
32
Артикул: 3307-1015555
нет в наличии
Кронштейн крепления электровентилятора
Количество на схеме: 1
Информация
Кронштейн крепления электровентилятора
Количество
1
ОКПО доп.
0;
Модель
3307
Группа
Двигатель
Подгруппа
Подогреватель пусковой двигателя
Порядковый номер детали
555
33
33
Артикул: 224570-П29
нет в наличии
Винт М4-6gх8 ОСТ 37.001.130-81
Количество на схеме: 4
Информация
Винт М4-6gх8 ОСТ 37.001.130-81
Количество
4
ОКПО доп.
0;
Покрытие
цинкование и пассивирование (цинковое с хроматированием)
33
33
Артикул: 224570-П29
нет в наличии
Винт М4-6gх8 ОСТ 37.001.130-81
Количество на схеме: 6
Информация
Винт М4-6gх8 ОСТ 37.001.130-81
Количество
6
ОКПО доп.
0;
Покрытие
цинкование и пассивирование (цинковое с хроматированием)
34
34
Артикул: 3102-8401512
нет в наличии
Держатель гайки в сборе
Количество на схеме: 1
Информация
Держатель гайки в сборе
Количество
1
ОКПО доп.
0;
Модель
3102
Группа
Оперение
Подгруппа
Облицовка радиатора
Порядковый номер детали
512
35
35
Артикул: ВП5
нет в наличии
Краник топливного бачка подогревателя
Количество на схеме: 1
Информация
Краник топливного бачка подогревателя
Количество
1
ОКПО доп.
0;
36
36
Артикул: 49Б-1015410
нет в наличии
Трубка топливного бачка пускового подогревателя
Количество на схеме: 1
Информация
Трубка топливного бачка пускового подогревателя
Количество
1
ОКПО доп.
0;
Модель
49Б
Группа
Двигатель
Подгруппа
Подогреватель пусковой двигателя
Порядковый номер детали
410
37
37
Артикул: 250508-П29
в наличии
Гайка М6-6Н ОСТ 37.001.124-93
Количество на схеме: 1
Информация
Гайка М6-6Н ОСТ 37.001.124-93
Количество
1
ОКПО доп.
0;
Покрытие
цинкование и пассивирование (цинковое с хроматированием)
ГАЙКА М6-6Н.6.16 (ЯМЗ)
Артикул: 250508-П29
ГАЙКА М6-6Н.6.16 (ЯМЗ)
Код для заказа: 00006006
Цена: 13 ₽/шт.
Под заказ
ГАЙКА М6-6Н.6.16 (ЯМЗ)
Артикул: 250508-П29
Код для заказа: 00006006
ГАЙКА М6-6Н.6.16 (ЯМЗ)
Цена: 13 ₽/шт.
Под заказ
38
38
Артикул: 3307-1015550
нет в наличии
Электровентилятор подогревателя в сборе
Количество на схеме: 1
Информация
Электровентилятор подогревателя в сборе
Количество
1
ОКПО доп.
0;
Модель
3307
Группа
Двигатель
Подгруппа
Подогреватель пусковой двигателя
Порядковый номер детали
550
39
39
Артикул: 201416-П29
нет в наличии
Болт М6-6gх12 ОСТ 37.001.123-96
Количество на схеме: 1
Информация
Болт М6-6gх12 ОСТ 37.001.123-96
Количество
1
ОКПО доп.
0;
Покрытие
цинкование и пассивирование (цинковое с хроматированием)
40
40
Артикул: А-14598
нет в наличии
Скоба
Количество на схеме: 1
Информация
Скоба
Количество
1
ОКПО доп.
0;
41
41
Артикул: 63-1013101-30
нет в наличии
Шланг от тройника к редукционному клапану
Количество на схеме: 1
Информация
Шланг от тройника к редукционному клапану
Количество
1
ОКПО доп.
0;
Модель
63
Группа
Двигатель
Подгруппа
Радиатор масляный
Порядковый номер детали
101
Дополнительно
Не взаимозаменяема с деталью, выпущенной ранее под этим же номером
42
42
Артикул: 66-8102080
нет в наличии
Электромотор вентилятора пускового подогревателя МЭ202
Количество на схеме: 1
Информация
Электромотор вентилятора пускового подогревателя МЭ202
Количество
1
ОКПО доп.
0;
Модель
66
Группа
Отопление и вентиляция кабины
Подгруппа
Обогрев ветрового стекла
Порядковый номер детали
080
43
43
Артикул: 30-5303045
нет в наличии
Буфер
Количество на схеме: 2
Информация
Буфер
Количество
2
ОКПО доп.
0;
Модель
30
Группа
Передок кабины
Подгруппа
Ящик вещевой
Порядковый номер детали
045
44
44
Артикул: 297403-П29
нет в наличии
Хомут 14
Количество на схеме: 2
Информация
Хомут 14
Количество
2
ОКПО доп.
0;
Покрытие
цинкование и пассивирование (цинковое с хроматированием)
45
45
Артикул: 222476-П29
нет в наличии
Винт М4-6gх20 ОСТ 37.001.128-96
Количество на схеме: 2
Информация
Винт М4-6gх20 ОСТ 37.001.128-96
Количество
2
ОКПО доп.
0;
Покрытие
цинкование и пассивирование (цинковое с хроматированием)
46
46
Артикул: 30-8102016
нет в наличии
Корпус вентилятора
Количество на схеме: 1
Информация
Корпус вентилятора
Количество
1
ОКПО доп.
0;
Модель
30
Группа
Отопление и вентиляция кабины
Подгруппа
Обогрев ветрового стекла
Порядковый номер детали
016
47
47
Артикул: 30-8102026
нет в наличии
Прокладка
Количество на схеме: 1
Информация
Прокладка
Количество
1
ОКПО доп.
3307-1015550;
Модель
30
Группа
Отопление и вентиляция кабины
Подгруппа
Обогрев ветрового стекла
Порядковый номер детали
026
48
48
Артикул: 242471-П29
нет в наличии
Винт М5-6gх12 ОСТ 37.001.132-82
Количество на схеме: 1
Информация
Винт М5-6gх12 ОСТ 37.001.132-82
Количество
1
ОКПО доп.
0;
Покрытие
цинкование и пассивирование (цинковое с хроматированием)
49
49
Артикул: 81Ю-8102030
нет в наличии
Ротор в сборе
Количество на схеме: 1
Информация
Ротор в сборе
Количество
1
ОКПО доп.
3307-1015550;
Модель
81Ю
Группа
Отопление и вентиляция кабины
Подгруппа
Обогрев ветрового стекла
Порядковый номер детали
030
50
50
Артикул: 41-8102020
нет в наличии
Крышка корпуса в сборе
Количество на схеме: 1
Информация
Крышка корпуса в сборе
Количество
1
ОКПО доп.
3307-1015550;
Модель
41
Группа
Отопление и вентиляция кабины
Подгруппа
Обогрев ветрового стекла
Порядковый номер детали
020
  • Грузовые автомобили
  • Автобусы
  • Сельхозтехника
  • Спецтехника
  • Двигатели
Получить оптовый прайс-лист
Скачать прайс-лист от 06.05.2026 16:00
Специальное предложение от 06.05.2026 17:00
Производители:


  • WEICHAI
  • Автодизель ПАО (ЯМЗ)
  • Тутаевский МЗ
  • ЯЗДА
  • УралАЗ
  • МАЗ
  • АЗПИ
  • BOSCH
  • ММЗ
  • ШААЗ
  • FEDERAL MOGUL
  • ПРАМО
  • Мотордеталь
  • ТАИМ
  • АвтоКрАЗ
  • БЕЛКАРД
  • CZ Strakonice
  • КамАЗ
  • БЗА
  • ЧМЗ
  • BMZ
Новости
Все новости
25 марта 2024
Флагманский седельный тягач «Валдай 45» на выставке «TransRussia»
10 марта 2024
Современные автобусы «CITYMAX 9» и ЛиАЗ-5292 CNG
25 февраля 2024
Серийное производство средних дизельных двигателей повышенной мощности от ЯМЗ
Статьи
Все статьи
Датчики двигателя: за что они отвечают, признаки неисправности и как не прогадать с выбором
Двигатели ЯМЗ-534: история, технические характеристики и области применения
Двигатели ЯМЗ 650: углублённый технический обзор и история
Компания
О компании
Реквизиты
Новости
Политика
Магазины
Информация
Условия оплаты
Условия доставки
Гарантия на товар
Обмен и возврат товара
Помощь
Как оформить заказ
Полезные статьи
Бренды
Пункты выдачи
Оставайтесь на связи
  • Вконтакте
  • YouTube
  • Одноклассники
  • Google Plus
Увидели ошибку?
Выделите, нажав Ctrl + Enter
Наши контакты
8-800-700-35-68
sales@din76.ru
г. Ярославль, Ленинградский пр-т 33, ТЦ "ОМЕГА"
2026 © ООО «Динамика 76» - Все права защищены ООО "Динамика 76"
Предложения на сайте не являются публичной офертой.
На сайте обнаружена ошибка

Текст с ошибкой