Избранное 0 Корзина 0 Личный кабинет
logo
Каталог
Каталог
  • Справочник
    • Грузовые автомобили
    • Автобусы
    • Сельхозтехника
    • Спецтехника
    • Двигатели
  • Доставка
  • Оплата
  • О компании
    • Реквизиты
    • Магазины
    • Оплата
    • Доставка
    • Лицензии и сертификаты
    • Новости
    • Вакансии
  • Контакты
Отправить заявку
Личный кабинет
8 (800) 700-35-68
sales@din76.ru
Избранное 0 Корзина 0
8 (800) 700-35-68
Оптовый прайс-лист
Каталог
  • Двигатели
  • Запчасти WEICHAI
  • Запчасти ЯМЗ, ТМЗ (V-образные)
  • Запчасти ЯМЗ-534, ЯМЗ-536
  • Запчасти ЯМЗ-650, ЯМЗ-651, DCi-11
  • Топливная аппаратура
  • Запчасти УРАЛ
  • Запчасти МАЗ
  • Запчасти КамАЗ
  • Запчасти ММЗ
  • Ремни
Автокаталог (справочник)
  • Доставка
  • Оплата
  • О компании
  • Контакты
8 (800) 700-35-68
Написать в Whatsapp
sales@din76.ru
Динамика 76
Меню  
  • Каталог
    • Двигатели  
      • Двигатели ТМЗ  
        • Двигатели ТМЗ для автомобилей
        • Двигатели ТМЗ для тракторов
        • Специальные двигатели ТМЗ
        • Промышленные двигатели ТМЗ
      • Двигатели ЯМЗ  
        • ЯМЗ 236
        • ЯМЗ 238
        • ЯМЗ 240
        • ЯМЗ 751
        • ЯМЗ 840
        • ЯМЗ 850
        • ЯМЗ 656
        • ЯМЗ 658
        • ЯМЗ 534
        • ЯМЗ 536
        • ЯМЗ 650
        • Двигатели ЯМЗ для электростанций
      • Двигатели КАМАЗ
      • Двигатели ММЗ
      • Двигатели индивидуальной сборки
      • Комплекты переоборудования
    • Запчасти WEICHAI  
      • Основные запчасти двигателя  
        • Клапаны и толкатели
        • Шатуны
        • Вал коленчатый и маховик
        • Вал распределительный
        • Цилиндро-поршневая группа
      • Система питания  
        • Форсунки
        • Турбокомпрессор
      • Система смазки  
        • Насос масляный
      • Головка блока
      • Ремкомплекты
      • Система охлаждения  
        • Насос водяной
        • Муфта вязкостная и крыльчатка
      • Фильтры
      • Электрооборудование  
        • Генератор
        • Стартер
    • Запчасти ЯМЗ, ТМЗ (V-образные)  
      • Основные запчасти двигателя  
        • Блок двигателя и комплектующие
        • Валы распределительные и клапаны
        • Головка блока и комплектующие
        • Цилиндро-поршневая группа
        • Маховики и комплектующие
        • Валы коленчатые и комплектующие
        • Шатуны и комплектующие
      • Система питания  
        • Коллекторы и патрубки
        • Топливные трубопроводы
        • Турбокомпрессор
        • Топливные фильтры
      • Электрооборудование двигателя
      • Система охлаждения  
        • Вязкостные муфты и крыльчатки
        • Приводы вентилятора
        • Водяные насосы
        • Водяные трубы и термостаты
      • Коробки переключения передач  
        • 8 Ступенчатые КПП
        • 5 Ступенчатые КПП
        • 9 Ступенчатые КПП
        • Запасные части КПП ЯМЗ, ТМЗ
      • Система смазки  
        • Теплообменник и комплектующие
        • Масляные насосы
        • Фильтры масляные (ФГОМ, ФЦОМ)
      • Сцепление  
        • Запасные части механизма сцепления
        • Муфты (подшипники выжимные)
        • Корзины (диски нажимные)
        • Диски ведомые
      • Прочие запчасти двигателя  
        • Ремкомплекты
        • Привод агрегатов
        • Натяжные устройства
        • Трубки
    • Запчасти ЯМЗ-534, ЯМЗ-536  
      • Основные запчасти двигателя  
        • Цилиндро-поршневая группа
        • Головка блока цилиндров и комплектующие
        • Блок цилиндров и комплектующие
        • Вал коленчатый и маховик
        • Вал распределительный
        • Клапаны и толкатели
        • ГУР (Гидроусилитель руля)
        • Система рециркуляции отработавших газов
        • Выпускной коллектор
      • Система питания  
        • Коллекторы и патрубки
        • Топливные фильтры
        • Турбокомпрессор
        • Топливные трубопроводы
      • Система смазки  
        • Масляный картер поддон
        • Масляный насос
        • Теплообменник /Водо-масляный радиатор
        • Фильтры масляные (ФГОМ, ФЦОМ)
      • Пневмокомпрессор и натяжное
      • Система охлаждения  
        • Водяной насос
        • Водяные трубы и патрубки
        • Муфты вязкостные, приводы, крыльчатки
      • Ремкомплекты
      • Сцепление
      • Электрооборудование
    • Запчасти ЯМЗ-650, ЯМЗ-651, DCi-11  
      • Основные запчасти двигателя  
        • Цилиндро-поршневая группа
        • Головка блока цилиндров и комплектующие
        • Блок цилиндров и комплектующие
        • Вал коленчатый и маховик
        • Выпускной коллектор
        • Вал распределительный
        • Клапаны и толкатели
        • ГУР (Гидроусилитель руля)
        • Система рециркуляции отработавших газов
      • Система питания  
        • Коллекторы и патрубки
        • Топливные трубопроводы
        • Топливные фильтры
        • Турбокомпрессор
      • Система смазки  
        • Масляный картер / поддон
        • Масляный насос
        • Теплообменник / Водо-масляный радиатор
        • Фильтры масляные (ФГОМ, ФЦОМ)
      • Система охлаждения  
        • Водяной насос
        • Водяные трубы и патрубки
        • Муфты вязкостные, приводы, крыльчатки
      • Ремкомплекты
      • Пневмокомпрессор и натяжное
      • Электрооборудование
      • Сцепление
    • Топливная аппаратура  
      • ЯЗДА  
        • Распылители
        • ТНВД
        • Форсунки
        • Топливный насос низкого давления
        • Пары плунжерные
        • Муфта опережения впрыска топлива
        • Запчасти и комплектующие ТНВД
      • НЗТА
      • АЗПИ  
        • Распылители
        • Форсунки
      • BOSCH
    • Запчасти УРАЛ  
      • Трансмиссия  
        • Коробка раздаточная
        • Передача карданная
        • Мост задний
        • Мост передний (ведущий)
        • Мост средний (промежуточный)
      • Кузов  
        • Дверь кабины
        • Капот, крылья, облицовка радиатора
        • Окно ветровое и заднее
        • Отопление и вентиляция кабины
        • Кабина
      • Механизмы управления  
        • Управление рулевое
        • Тормоза
      • Дополнительное оборудование  
        • Отбор мощности
        • Устройство седельное
      • Электрооборудование
      • Ходовая часть  
        • Колеса и ступицы
        • Ось передняя
        • Подвеска автомобиля
        • Рама
    • Запчасти МАЗ  
      • Трансмиссия  
        • Мост задний
        • Мост передний (ведущий)
        • Передача карданная
        • Мост средний (промежуточный)
      • Кузов  
        • Кабина
        • Дверь кабины
        • Детали основания кабины
        • Окно ветровое и заднее
        • Платформа
      • Механизмы управления  
        • Тормоза
        • Управление рулевое
      • Ходовая часть  
        • Колеса и ступицы
        • Ось передняя
        • Подвеска автомобиля
        • Рама
    • Запчасти КамАЗ  
      • Кузов  
        • Кабина
        • Капот, крылья, облицовка радиатора
        • Дверь кабины
        • Платформа
        • Окно ветровое и заднее
        • Устройство подъемное и опрокидывающее
        • Сиденье
        • Крыша кабины (крыша кузова)
        • Отопление и вентиляция кабины
      • Трансмиссия  
        • Коробка передач
        • Коробка раздаточная
        • Мост задний
        • Сцепление
        • Мост средний (промежуточный)
        • Передача карданная
        • Мост передний (ведущий)
      • Двигатель  
        • Основные запчасти двигателя
        • Система охлаждения
        • Система питания
        • Система смазки
      • Дополнительное оборудование  
        • Отбор мощности
        • Устройство седельное
      • Ходовая часть  
        • Подвеска автомобиля
        • Рама
        • Колеса и ступицы
        • Ось передняя
      • Механизмы управления  
        • Тормоза
        • Управление рулевое
      • Электрооборудование
    • Запчасти ММЗ
    • Ремни
  • Справочник
    • Грузовые автомобили
    • Автобусы
    • Сельхозтехника
    • Спецтехника
    • Двигатели
  • Как купить
    • Условия оплаты
    • Условия доставки
    • Гарантия на товар
    • Пункты выдачи
  • Услуги
    • Капитальный ремонт двигателей ЯМЗ
  • Акции
  • Статьи
  • Контакты
  • Компания
    • Реквизиты
    • Магазины
    • Оплата
    • Доставка
    • Лицензии и сертификаты
    • Новости
    • Вакансии
Избранное 0 Корзина 0
8-800-700-35-68

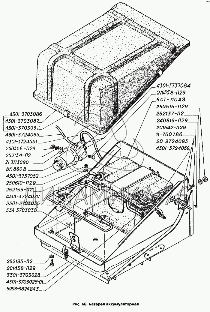
Батарея аккумуляторная на ГАЗ-3306 (до 1994 г.)

Справочник
Главная
-
Автокаталог
-
Грузовые автомобили и прицепы
-
ГАЗ
-
ГАЗ-3306
Справочный каталог

Батарея аккумуляторная — ГАЗ-3306:

11-700786 20-3724083 201458-П29 201542-П29 21-3713090 210358-П29 240819-П29 250508-П29 250515-П29 250610-П29 252134-П2 252135-П2 252137-П2 252155-П2 3301-3703028 3301-3703035 4301-3703025-01 4301-3703037 4301-3703086 4301-3703087 4301-3724050 4301-3724065 4301-3724070 4301-3724551 4301-3737082 4301-3737084 53А-3703038 5903-3824243 6СТ-110А3 ВК860В.3737000
в наличии
нет в наличии
масштаб

В наличии
Нет в наличии

Перечень комплектующих от Батарея аккумуляторная на ГАЗ-3306

Схемы запчастей предназначены для справочных целей! Мы продаем не все запчасти от Батарея аккумуляторная на ГАЗ-3306, представленные в этом списке.
Наличие на складах по деталям с ценой смотрите в карточке товара.
Артикул: 11-700786
нет в наличии
Обойма уплотнителя пучка проводов
Количество на схеме: 2
Информация
Обойма уплотнителя пучка проводов
Количество
2
Покрытие
без покрытия
Артикул: 20-3724083
нет в наличии
Уплотнитель
Количество на схеме: 2
Информация
Уплотнитель
Количество
2
Модель
20
Группа
Электрооборудование
Подгруппа
Электропровода
Порядковый номер детали
083
Артикул: 201458-П29
в наличии
Болт М8-6gх25 ОСТ 37.001.123-96
Количество на схеме: 29
Информация
Болт М8-6gх25 ОСТ 37.001.123-96
Количество
29
Покрытие
цинкование и пассивирование (цинковое с хроматированием)
Болт М8х1.25х25 ЗИЛ-433360 кронштейна радиатора масляного, ГАЗ-2410 крепление ГЦС ЭТНА
Артикул: 201458-П29
Болт М8х1.25х25 ЗИЛ-433360 кронштейна радиатора масляного, ГАЗ-2410 крепление ГЦС ЭТНА
Код для заказа: 00023015
Цена: 9 ₽/шт.
Под заказ
Болт М8х1.25х25 ЗИЛ-433360 кронштейна радиатора масляного, ГАЗ-2410 крепление ГЦС ЭТНА
Артикул: 201458-П29
Код для заказа: 00023015
Болт М8х1.25х25 ЗИЛ-433360 кронштейна радиатора масляного, ГАЗ-2410 крепление ГЦС ЭТНА
Цена: 9 ₽/шт.
Под заказ
Артикул: 201542-П29
нет в наличии
Болт М12-6gх35 ОСТ 37.001.123-96
Количество на схеме: 22
Информация
Болт М12-6gх35 ОСТ 37.001.123-96
Количество
22
Покрытие
цинкование и пассивирование (цинковое с хроматированием)
Артикул: 21-3713090
нет в наличии
Скоба
Количество на схеме: 4
Информация
Скоба
Количество
4
Модель
21
Группа
Электрооборудование
Подгруппа
Освещение щитка приборов
Порядковый номер детали
090
Артикул: 210358-П29
нет в наличии
Болт М6-6gх20 ОСТ 37.001.106-75
Количество на схеме: 2
Информация
Болт М6-6gх20 ОСТ 37.001.106-75
Количество
2
Покрытие
цинкование и пассивирование (цинковое с хроматированием)
Артикул: 240819-П29
нет в наличии
Винт М4х16 ОСТ 37.001.188-81
Количество на схеме: 13
Информация
Винт М4х16 ОСТ 37.001.188-81
Количество
13
Покрытие
цинкование и пассивирование (цинковое с хроматированием)
Артикул: 250508-П29
в наличии
Гайка М6-6Н ОСТ 37.001.124-93
Количество на схеме: 76
Информация
Гайка М6-6Н ОСТ 37.001.124-93
Количество
76
Покрытие
цинкование и пассивирование (цинковое с хроматированием)
ГАЙКА М6-6Н.6.16 (ЯМЗ)
Артикул: 250508-П29
ГАЙКА М6-6Н.6.16 (ЯМЗ)
Код для заказа: 00006006
Цена: 13 ₽/шт.
Под заказ
ГАЙКА М6-6Н.6.16 (ЯМЗ)
Артикул: 250508-П29
Код для заказа: 00006006
ГАЙКА М6-6Н.6.16 (ЯМЗ)
Цена: 13 ₽/шт.
Под заказ
Артикул: 250515-П29
в наличии
Гайка М12х1,25-6Н ОСТ 37.001.124-93
Количество на схеме: 34
Информация
Гайка М12х1,25-6Н ОСТ 37.001.124-93
Количество
34
Покрытие
цинкование и пассивирование (цинковое с хроматированием)
Гайка М12*1,25-10
Артикул: 250515-П29
Гайка М12*1,25-10
Код для заказа: 00008613
Цена: 20 ₽/шт.
Под заказ
Гайка М12*1,25-10
Артикул: 250515-П29
Код для заказа: 00008613
Гайка М12*1,25-10
Цена: 20 ₽/шт.
Под заказ
Артикул: 250610-П29
нет в наличии
Гайка М8-6Н ОСТ 37.001.124-93
Количество на схеме: 21
Информация
Гайка М8-6Н ОСТ 37.001.124-93
Количество
21
Покрытие
цинкование и пассивирование (цинковое с хроматированием)
Артикул: 252134-П2
в наличии
Шайба 6Т ОСТ 37.001.115-75
Количество на схеме: 109
Информация
Шайба 6Т ОСТ 37.001.115-75
Количество
109
Покрытие
фосфатирование и промасливание
ШАЙБА 6Х2 (ЯМЗ)
Артикул: 252134-П2
ШАЙБА 6Х2 (ЯМЗ)
Код для заказа: 00006016
Цена: 3 ₽/шт.
Под заказ
ШАЙБА 6Х2 (ЯМЗ)
Артикул: 252134-П2
Код для заказа: 00006016
ШАЙБА 6Х2 (ЯМЗ)
Цена: 3 ₽/шт.
Под заказ
Артикул: 252135-П2
в наличии
Шайба 8Т ОСТ 37.001.115-75
Количество на схеме: 139
Информация
Шайба 8Т ОСТ 37.001.115-75
Количество
139
Покрытие
фосфатирование и промасливание
Шайба 8х2.5 ЯМЗ заглушки блока цилиндров АВТОДИЗЕЛЬ
Артикул: 252135-П2
Шайба 8х2.5 ЯМЗ заглушки блока цилиндров АВТОДИЗЕЛЬ
Код для заказа: 00006017
Цена: 3 ₽/шт.
Под заказ
Шайба 8х2.5 ЯМЗ заглушки блока цилиндров АВТОДИЗЕЛЬ
Артикул: 252135-П2
Код для заказа: 00006017
Шайба 8х2.5 ЯМЗ заглушки блока цилиндров АВТОДИЗЕЛЬ
Цена: 3 ₽/шт.
Под заказ
Артикул: 252137-П2
в наличии
Шайба 12.ОТ ОСТ 37.001.115-75
Количество на схеме: 109
Информация
Шайба 12.ОТ ОСТ 37.001.115-75
Количество
109
Покрытие
фосфатирование и промасливание
ШАЙБА 12Х4 (ЯМЗ)
Артикул: 252137-П2
ШАЙБА 12Х4 (ЯМЗ)
Код для заказа: 00006019
Цена: 14 ₽/шт.
Под заказ
ШАЙБА 12Х4 (ЯМЗ)
Артикул: 252137-П2
Код для заказа: 00006019
ШАЙБА 12Х4 (ЯМЗ)
Цена: 14 ₽/шт.
Под заказ
Артикул: 252155-П2
нет в наличии
Шайба 8Л ОСТ 37.001.115-75
Количество на схеме: 111
Информация
Шайба 8Л ОСТ 37.001.115-75
Количество
111
Покрытие
фосфатирование и промасливание
Артикул: 3301-3703028
нет в наличии
Кронштейн крепления основания
Количество на схеме: 1
Информация
Кронштейн крепления основания
Количество
1
Модель
3301
Группа
Электрооборудование
Подгруппа
Батарея аккумуляторная
Порядковый номер детали
028
Артикул: 3301-3703035
нет в наличии
Рамка крепления аккумуляторных батарей
Количество на схеме: 1
Информация
Рамка крепления аккумуляторных батарей
Количество
1
Модель
3301
Группа
Электрооборудование
Подгруппа
Батарея аккумуляторная
Порядковый номер детали
035
Артикул: 4301-3703025-01
нет в наличии
Основание аккумуляторных батарей
Количество на схеме: 1
Информация
Основание аккумуляторных батарей
Количество
1
Модель
4301
Группа
Электрооборудование
Подгруппа
Батарея аккумуляторная
Порядковый номер детали
025
Артикул: 4301-3703037
нет в наличии
Упор крышки
Количество на схеме: 3
Информация
Упор крышки
Количество
3
Модель
4301
Группа
Электрооборудование
Подгруппа
Батарея аккумуляторная
Порядковый номер детали
037
Артикул: 4301-3703086
нет в наличии
Крышка аккумуляторных батарей в сборе
Количество на схеме: 1
Информация
Крышка аккумуляторных батарей в сборе
Количество
1
Модель
4301
Группа
Электрооборудование
Подгруппа
Батарея аккумуляторная
Порядковый номер детали
086
Артикул: 4301-3703087
нет в наличии
Крышка аккумуляторных батарей
Количество на схеме: 1
Информация
Крышка аккумуляторных батарей
Количество
1
Модель
4301
Группа
Электрооборудование
Подгруппа
Батарея аккумуляторная
Порядковый номер детали
087
Артикул: 4301-3724050
нет в наличии
Провод
Количество на схеме: 1
Информация
Провод
Количество
1
Модель
4301
Группа
Электрооборудование
Подгруппа
Электропровода
Порядковый номер детали
050
Артикул: 4301-3724065
нет в наличии
Провод
Количество на схеме: 1
Информация
Провод
Количество
1
Модель
4301
Группа
Электрооборудование
Подгруппа
Электропровода
Порядковый номер детали
065
Артикул: 4301-3724070
нет в наличии
Провод
Количество на схеме: 1
Информация
Провод
Количество
1
Модель
4301
Группа
Электрооборудование
Подгруппа
Электропровода
Порядковый номер детали
070
Артикул: 4301-3724551
нет в наличии
Провод
Количество на схеме: 1
Информация
Провод
Количество
1
Модель
4301
Группа
Электрооборудование
Подгруппа
Электропровода
Порядковый номер детали
551
Артикул: 4301-3737082
нет в наличии
Чехол защитный
Количество на схеме: 1
Информация
Чехол защитный
Количество
1
Модель
4301
Группа
Электрооборудование
Подгруппа
Выключатель массы (батареи)
Порядковый номер детали
082
Артикул: 4301-3737084
нет в наличии
Чехол защитный вывода стартера
Количество на схеме: 3
Информация
Чехол защитный вывода стартера
Количество
3
Модель
4301
Группа
Электрооборудование
Подгруппа
Выключатель массы (батареи)
Порядковый номер детали
084
Артикул: 53А-3703038
нет в наличии
Стяжка крепления аккумуляторной батареи
Количество на схеме: 3
Информация
Стяжка крепления аккумуляторной батареи
Количество
3
Модель
53А
Группа
Электрооборудование
Подгруппа
Батарея аккумуляторная
Порядковый номер детали
038
Артикул: 5903-3824243
нет в наличии
Трубка
Количество на схеме: 1
Информация
Трубка
Количество
1
Модель
5903
Группа
Приборы
Подгруппа
3824
Порядковый номер детали
243
Артикул: 6СТ-110А3
нет в наличии
Батарея аккумуляторная
Количество на схеме: 2
Информация
Батарея аккумуляторная
Количество
2
Примечание
1
Артикул: ВК860В-3737000
нет в наличии
Выключатель ВК860В
Количество на схеме: 1
Информация
Выключатель ВК860В
Количество
1
Примечание
1
Модель
ВК860В
Группа
Электрооборудование
Подгруппа
Выключатель массы (батареи)
Порядковый номер детали
000
  • Грузовые автомобили
  • Автобусы
  • Сельхозтехника
  • Спецтехника
  • Двигатели
Получить оптовый прайс-лист
Скачать прайс-лист от 05.05.2026 16:00
Специальное предложение от 05.05.2026 17:00
Производители:


  • WEICHAI
  • Автодизель ПАО (ЯМЗ)
  • Тутаевский МЗ
  • ЯЗДА
  • УралАЗ
  • МАЗ
  • АЗПИ
  • BOSCH
  • ММЗ
  • ШААЗ
  • FEDERAL MOGUL
  • ПРАМО
  • Мотордеталь
  • ТАИМ
  • АвтоКрАЗ
  • БЕЛКАРД
  • CZ Strakonice
  • КамАЗ
  • БЗА
  • ЧМЗ
  • BMZ
Новости
Все новости
25 марта 2024
Флагманский седельный тягач «Валдай 45» на выставке «TransRussia»
10 марта 2024
Современные автобусы «CITYMAX 9» и ЛиАЗ-5292 CNG
25 февраля 2024
Серийное производство средних дизельных двигателей повышенной мощности от ЯМЗ
Статьи
Все статьи
Датчики двигателя: за что они отвечают, признаки неисправности и как не прогадать с выбором
Двигатели ЯМЗ-534: история, технические характеристики и области применения
Двигатели ЯМЗ 650: углублённый технический обзор и история
Компания
О компании
Реквизиты
Новости
Политика
Магазины
Информация
Условия оплаты
Условия доставки
Гарантия на товар
Обмен и возврат товара
Помощь
Как оформить заказ
Полезные статьи
Бренды
Пункты выдачи
Оставайтесь на связи
  • Вконтакте
  • YouTube
  • Одноклассники
  • Google Plus
Увидели ошибку?
Выделите, нажав Ctrl + Enter
Наши контакты
8-800-700-35-68
sales@din76.ru
г. Ярославль, Ленинградский пр-т 33, ТЦ "ОМЕГА"
2026 © ООО «Динамика 76» - Все права защищены ООО "Динамика 76"
Предложения на сайте не являются публичной офертой.
На сайте обнаружена ошибка

Текст с ошибкой