Избранное 0 Корзина 0 Личный кабинет
logo
Каталог
Каталог
  • Справочник
    • Грузовые автомобили
    • Автобусы
    • Сельхозтехника
    • Спецтехника
    • Двигатели
  • Доставка
  • Оплата
  • О компании
    • Реквизиты
    • Магазины
    • Оплата
    • Доставка
    • Лицензии и сертификаты
    • Новости
    • Вакансии
  • Контакты
Отправить заявку
Личный кабинет
8 (800) 700-35-68
sales@din76.ru
Избранное 0 Корзина 0
8 (800) 700-35-68
Оптовый прайс-лист
Каталог
  • Двигатели
  • Запчасти WEICHAI
  • Запчасти ЯМЗ, ТМЗ (V-образные)
  • Запчасти ЯМЗ-534, ЯМЗ-536
  • Запчасти ЯМЗ-650, ЯМЗ-651, DCi-11
  • Топливная аппаратура
  • Запчасти УРАЛ
  • Запчасти МАЗ
  • Запчасти КамАЗ
  • Запчасти ММЗ
  • Ремни
Автокаталог (справочник)
  • Доставка
  • Оплата
  • О компании
  • Контакты
8 (800) 700-35-68
Написать в Whatsapp
sales@din76.ru
Динамика 76
Меню  
  • Каталог
    • Двигатели  
      • Двигатели ТМЗ  
        • Двигатели ТМЗ для автомобилей
        • Двигатели ТМЗ для тракторов
        • Специальные двигатели ТМЗ
        • Промышленные двигатели ТМЗ
      • Двигатели ЯМЗ  
        • ЯМЗ 236
        • ЯМЗ 238
        • ЯМЗ 240
        • ЯМЗ 751
        • ЯМЗ 840
        • ЯМЗ 850
        • ЯМЗ 656
        • ЯМЗ 658
        • ЯМЗ 534
        • ЯМЗ 536
        • ЯМЗ 650
        • Двигатели ЯМЗ для электростанций
      • Двигатели КАМАЗ
      • Двигатели ММЗ
      • Двигатели индивидуальной сборки
      • Комплекты переоборудования
    • Запчасти WEICHAI  
      • Основные запчасти двигателя  
        • Клапаны и толкатели
        • Шатуны
        • Вал коленчатый и маховик
        • Вал распределительный
        • Цилиндро-поршневая группа
      • Система питания  
        • Форсунки
        • Турбокомпрессор
      • Система смазки  
        • Насос масляный
      • Головка блока
      • Ремкомплекты
      • Система охлаждения  
        • Насос водяной
        • Муфта вязкостная и крыльчатка
      • Фильтры
      • Электрооборудование  
        • Генератор
        • Стартер
    • Запчасти ЯМЗ, ТМЗ (V-образные)  
      • Основные запчасти двигателя  
        • Блок двигателя и комплектующие
        • Валы распределительные и клапаны
        • Головка блока и комплектующие
        • Цилиндро-поршневая группа
        • Маховики и комплектующие
        • Валы коленчатые и комплектующие
        • Шатуны и комплектующие
      • Система питания  
        • Коллекторы и патрубки
        • Топливные трубопроводы
        • Турбокомпрессор
        • Топливные фильтры
      • Электрооборудование двигателя
      • Система охлаждения  
        • Вязкостные муфты и крыльчатки
        • Приводы вентилятора
        • Водяные насосы
        • Водяные трубы и термостаты
      • Коробки переключения передач  
        • 8 Ступенчатые КПП
        • 5 Ступенчатые КПП
        • 9 Ступенчатые КПП
        • Запасные части КПП ЯМЗ, ТМЗ
      • Система смазки  
        • Теплообменник и комплектующие
        • Масляные насосы
        • Фильтры масляные (ФГОМ, ФЦОМ)
      • Сцепление  
        • Запасные части механизма сцепления
        • Муфты (подшипники выжимные)
        • Корзины (диски нажимные)
        • Диски ведомые
      • Прочие запчасти двигателя  
        • Ремкомплекты
        • Привод агрегатов
        • Натяжные устройства
        • Трубки
    • Запчасти ЯМЗ-534, ЯМЗ-536  
      • Основные запчасти двигателя  
        • Цилиндро-поршневая группа
        • Головка блока цилиндров и комплектующие
        • Блок цилиндров и комплектующие
        • Вал коленчатый и маховик
        • Вал распределительный
        • Клапаны и толкатели
        • ГУР (Гидроусилитель руля)
        • Система рециркуляции отработавших газов
        • Выпускной коллектор
      • Система питания  
        • Коллекторы и патрубки
        • Топливные фильтры
        • Турбокомпрессор
        • Топливные трубопроводы
      • Система смазки  
        • Масляный картер поддон
        • Масляный насос
        • Теплообменник /Водо-масляный радиатор
        • Фильтры масляные (ФГОМ, ФЦОМ)
      • Пневмокомпрессор и натяжное
      • Система охлаждения  
        • Водяной насос
        • Водяные трубы и патрубки
        • Муфты вязкостные, приводы, крыльчатки
      • Ремкомплекты
      • Сцепление
      • Электрооборудование
    • Запчасти ЯМЗ-650, ЯМЗ-651, DCi-11  
      • Основные запчасти двигателя  
        • Цилиндро-поршневая группа
        • Головка блока цилиндров и комплектующие
        • Блок цилиндров и комплектующие
        • Вал коленчатый и маховик
        • Выпускной коллектор
        • Вал распределительный
        • Клапаны и толкатели
        • ГУР (Гидроусилитель руля)
        • Система рециркуляции отработавших газов
      • Система питания  
        • Коллекторы и патрубки
        • Топливные трубопроводы
        • Топливные фильтры
        • Турбокомпрессор
      • Система смазки  
        • Масляный картер / поддон
        • Масляный насос
        • Теплообменник / Водо-масляный радиатор
        • Фильтры масляные (ФГОМ, ФЦОМ)
      • Система охлаждения  
        • Водяной насос
        • Водяные трубы и патрубки
        • Муфты вязкостные, приводы, крыльчатки
      • Ремкомплекты
      • Пневмокомпрессор и натяжное
      • Электрооборудование
      • Сцепление
    • Топливная аппаратура  
      • ЯЗДА  
        • Распылители
        • ТНВД
        • Форсунки
        • Топливный насос низкого давления
        • Пары плунжерные
        • Муфта опережения впрыска топлива
        • Запчасти и комплектующие ТНВД
      • НЗТА
      • АЗПИ  
        • Распылители
        • Форсунки
      • BOSCH
    • Запчасти УРАЛ  
      • Трансмиссия  
        • Коробка раздаточная
        • Передача карданная
        • Мост задний
        • Мост передний (ведущий)
        • Мост средний (промежуточный)
      • Кузов  
        • Дверь кабины
        • Капот, крылья, облицовка радиатора
        • Окно ветровое и заднее
        • Отопление и вентиляция кабины
        • Кабина
      • Механизмы управления  
        • Управление рулевое
        • Тормоза
      • Дополнительное оборудование  
        • Отбор мощности
        • Устройство седельное
      • Электрооборудование
      • Ходовая часть  
        • Колеса и ступицы
        • Ось передняя
        • Подвеска автомобиля
        • Рама
    • Запчасти МАЗ  
      • Трансмиссия  
        • Мост задний
        • Мост передний (ведущий)
        • Передача карданная
        • Мост средний (промежуточный)
      • Кузов  
        • Кабина
        • Дверь кабины
        • Детали основания кабины
        • Окно ветровое и заднее
        • Платформа
      • Механизмы управления  
        • Тормоза
        • Управление рулевое
      • Ходовая часть  
        • Колеса и ступицы
        • Ось передняя
        • Подвеска автомобиля
        • Рама
    • Запчасти КамАЗ  
      • Кузов  
        • Кабина
        • Капот, крылья, облицовка радиатора
        • Дверь кабины
        • Платформа
        • Окно ветровое и заднее
        • Устройство подъемное и опрокидывающее
        • Сиденье
        • Крыша кабины (крыша кузова)
        • Отопление и вентиляция кабины
      • Трансмиссия  
        • Коробка передач
        • Коробка раздаточная
        • Мост задний
        • Сцепление
        • Мост средний (промежуточный)
        • Передача карданная
        • Мост передний (ведущий)
      • Двигатель  
        • Основные запчасти двигателя
        • Система охлаждения
        • Система питания
        • Система смазки
      • Дополнительное оборудование  
        • Отбор мощности
        • Устройство седельное
      • Ходовая часть  
        • Подвеска автомобиля
        • Рама
        • Колеса и ступицы
        • Ось передняя
      • Механизмы управления  
        • Тормоза
        • Управление рулевое
      • Электрооборудование
    • Запчасти ММЗ
    • Ремни
  • Справочник
    • Грузовые автомобили
    • Автобусы
    • Сельхозтехника
    • Спецтехника
    • Двигатели
  • Как купить
    • Условия оплаты
    • Условия доставки
    • Гарантия на товар
    • Пункты выдачи
  • Услуги
    • Капитальный ремонт двигателей ЯМЗ
  • Акции
  • Статьи
  • Контакты
  • Компания
    • Реквизиты
    • Магазины
    • Оплата
    • Доставка
    • Лицензии и сертификаты
    • Новости
    • Вакансии
Избранное 0 Корзина 0
8-800-700-35-68

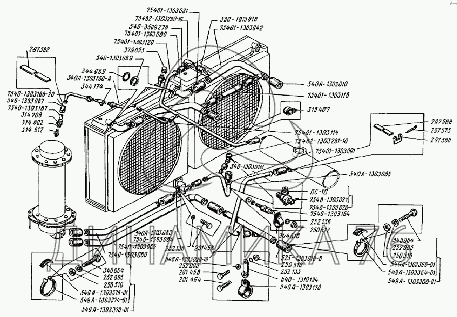
Трубопроводы системы охлаждения на Общий (см. мод-ции)

Справочник
Главная
-
Автокаталог
-
Грузовые автомобили и прицепы
-
БелАЗ
-
Общий (см. мод-ции)
Справочный каталог

Трубопроводы системы охлаждения — Общий (см. мод-ции):

201458 201464 250510 250512 252005 252135 252136 297575 297580 297582 297588 314612 314708 314802 315407 340064 344174 344618 344969 379053 525-1303010-Б 530-1015818 540-1303010 540-1303067 540-1303089 540-1310134 540-3509276 540А-1303010 540А-1303083 540А-1303085 540А-1303100-А 540А-1303170 548А-1303020-10 549А-1303360-01 549А-1303364-01 549А-1303366-01 549А-1303370-01 549А-1303374-01 549А-1303376-01 7540-1303060 7540-1303065 7540-1303084 7540-1303164 7540-1303166-20 7540-1303167 75401-1303031 75401-1303042 75401-1303080 75401-1303091 75401-1303114 75401-1303118 75401-1303120 7548-1305020 7548-1305027 75482-1303280-10 75482-1303281-10 ПС-10
в наличии
нет в наличии
масштаб

В наличии
Нет в наличии

Перечень комплектующих от Трубопроводы системы охлаждения на Общий (см. мод-ции)

Схемы запчастей предназначены для справочных целей! Мы продаем не все запчасти от Трубопроводы системы охлаждения на Общий (см. мод-ции), представленные в этом списке.
Наличие на складах по деталям с ценой смотрите в карточке товара.
Артикул: 201458
нет в наличии
Болт
Количество на схеме: 165
Информация
Болт
Количество
165
Вес;ТНВД;
0,012;870899990;
Покрытие
без покрытия
Артикул: 201464
нет в наличии
Болт
Количество на схеме: 114
Информация
Болт
Количество
114
Вес;ТНВД;
0,018;870899990;
Покрытие
без покрытия
Артикул: 250510
нет в наличии
Гайка
Количество на схеме: 317
Информация
Гайка
Количество
317
Вес;ТНВД;
0,006;870899990;
Покрытие
без покрытия
Артикул: 250512
в наличии
Гайка
Количество на схеме: 148
Информация
Гайка
Количество
148
Вес;ТНВД;
0,011;;
Покрытие
без покрытия
Гайка М10-6Н МАЗ ОСТ 37.001.124-96 омедненная усиленная
Артикул: 250512
Гайка М10-6Н МАЗ ОСТ 37.001.124-96 омедненная усиленная
Код для заказа: 00027392
Цена: 5 ₽/шт.
В наличии: 14 шт.
- +
В корзинуВ корзине
Гайка М10-6Н МАЗ ОСТ 37.001.124-96 омедненная усиленная
Артикул: 250512
Код для заказа: 00027392
Гайка М10-6Н МАЗ ОСТ 37.001.124-96 омедненная усиленная
Цена: 5 ₽/шт.
В наличии: 14 шт.
- +
В корзинуВ корзине
Артикул: 252005
нет в наличии
Шайба
Количество на схеме: 69
Информация
Шайба
Количество
69
Вес;ТНВД;
0,002;870899990;
Покрытие
без покрытия
Артикул: 252135
нет в наличии
Шайба
Количество на схеме: 621
Информация
Шайба
Количество
621
Вес;ТНВД;
0,001;870899990;
Покрытие
без покрытия
Артикул: 252136
нет в наличии
Шайба
Количество на схеме: 274
Информация
Шайба
Количество
274
Вес;ТНВД;
0,001;870899990;
Покрытие
без покрытия
Артикул: 297575
нет в наличии
Шплинт
Количество на схеме: 80
Информация
Шплинт
Количество
80
Вес;ТНВД;
0,008;870899990;
Покрытие
без покрытия
Артикул: 297580
нет в наличии
Пряжка
Количество на схеме: 71
Информация
Пряжка
Количество
71
Вес;ТНВД;
0,0048;870899990;
Покрытие
без покрытия
Артикул: 297582
нет в наличии
Лента
Количество на схеме: 30
Информация
Лента
Количество
30
Вес;ТНВД;
0,007;;
Покрытие
без покрытия
Артикул: 297588
нет в наличии
Лента
Количество на схеме: 15
Информация
Лента
Количество
15
Вес;ТНВД;
0,016;;
Покрытие
без покрытия
Артикул: 314612
в наличии
Ниппель
Количество на схеме: 7
Информация
Ниппель
Количество
7
Вес;ТНВД;
0,032;;
Покрытие
без покрытия
Ниппель МАЗ топливопровода d=10мм ОАО МАЗ
Артикул: 314612
Ниппель МАЗ топливопровода d=10мм ОАО МАЗ
Код для заказа: 00041120
Цена: 86 ₽/шт.
Под заказ
Ниппель МАЗ топливопровода d=10мм ОАО МАЗ
Артикул: 314612
Код для заказа: 00041120
Ниппель МАЗ топливопровода d=10мм ОАО МАЗ
Цена: 86 ₽/шт.
Под заказ
Артикул: 314708
нет в наличии
Гайка
Количество на схеме: 39
Информация
Гайка
Количество
39
Вес;ТНВД;
0;;
Покрытие
без покрытия
Артикул: 314802
нет в наличии
Муфта
Количество на схеме: 39
Информация
Муфта
Количество
39
Вес;ТНВД;
0,0032;;
Покрытие
без покрытия
Артикул: 315407
нет в наличии
Кляммер
Количество на схеме: 20
Информация
Кляммер
Количество
20
Вес;ТНВД;
0,01;870899990;
Покрытие
без покрытия
Артикул: 340064
нет в наличии
Накладка
Количество на схеме: 18
Информация
Накладка
Количество
18
Вес;ТНВД;
0,027;;
Покрытие
без покрытия
Артикул: 344174
нет в наличии
Тройник
Количество на схеме: 1
Информация
Тройник
Количество
1
Вес;ТНВД;
0,1;;
Покрытие
без покрытия
Артикул: 344618
нет в наличии
Кляммер
Количество на схеме: 1
Информация
Кляммер
Количество
1
Вес;ТНВД;
0,009;;
Покрытие
без покрытия
Артикул: 344969
нет в наличии
Кольцо У-50х45-2 (34496900)
Количество на схеме: 12
Информация
Кольцо У-50х45-2 (34496900)
Количество
12
Вес;ТНВД;
0;;
Покрытие
без покрытия
Артикул: 379053
в наличии
Угольник
Количество на схеме: 10
Информация
Угольник
Количество
10
Вес;ТНВД;
0,079;870829900;
Покрытие
без покрытия
Угольник МАЗ бака топливного 350л,500л ОАО МАЗ
Артикул: 379053
Угольник МАЗ бака топливного 350л,500л ОАО МАЗ
Код для заказа: 00059650
Цена: 198 ₽/шт.
Под заказ
Угольник МАЗ бака топливного 350л,500л ОАО МАЗ
Артикул: 379053
Код для заказа: 00059650
Угольник МАЗ бака топливного 350л,500л ОАО МАЗ
Цена: 198 ₽/шт.
Под заказ
Артикул: 525-1303010-Б
нет в наличии
Шланг
Количество на схеме: 3
Информация
Шланг
Количество
3
Вес;ТНВД;
0,12;401699900;
Модель
525
Группа
Система охлаждения
Подгруппа
Трубопроводы и шланги системы охлаждения
Порядковый номер детали
010
Артикул: 530-1015818
нет в наличии
Шланг
Количество на схеме: 2
Информация
Шланг
Количество
2
Вес;ТНВД;
0,045;401699900;
Модель
530
Группа
Двигатель
Подгруппа
Подогреватель пусковой двигателя
Порядковый номер детали
818
Артикул: 540-1303010
нет в наличии
Шланг
Количество на схеме: 1
Информация
Шланг
Количество
1
Вес;ТНВД;
0,07;400910000;
Модель
540
Группа
Система охлаждения
Подгруппа
Трубопроводы и шланги системы охлаждения
Порядковый номер детали
010
Артикул: 540-1303067
нет в наличии
Шланг
Количество на схеме: 12
Информация
Шланг
Количество
12
Вес;ТНВД;
0,03;401699900;
Модель
540
Группа
Система охлаждения
Подгруппа
Трубопроводы и шланги системы охлаждения
Порядковый номер детали
067
Артикул: 540-1303089
нет в наличии
Шайба регулировочная
Количество на схеме: 6
Информация
Шайба регулировочная
Количество
6
Вес;ТНВД;
0,004;870894900;
Модель
540
Группа
Система охлаждения
Подгруппа
Трубопроводы и шланги системы охлаждения
Порядковый номер детали
089
Артикул: 540-1310134
нет в наличии
Рычаг
Количество на схеме: 1
Информация
Рычаг
Количество
1
Вес;ТНВД;
0;;
Модель
540
Группа
Система охлаждения
Подгруппа
Жалюзи радиатора
Порядковый номер детали
134
Артикул: 540-3509276
нет в наличии
Шланг
Количество на схеме: 5
Информация
Шланг
Количество
5
Вес;ТНВД;
0,082;870839900;
Модель
540
Группа
Тормоза
Подгруппа
Компрессор пневмотормозов
Порядковый номер детали
276
Артикул: 540А-1303010
нет в наличии
Шланг
Количество на схеме: 4
Информация
Шланг
Количество
4
Вес;ТНВД;
0,07;401693900;
Модель
540А
Группа
Система охлаждения
Подгруппа
Трубопроводы и шланги системы охлаждения
Порядковый номер детали
010
Артикул: 540А-1303083
нет в наличии
Прокладка
Количество на схеме: 1
Информация
Прокладка
Количество
1
Вес;ТНВД;
0;;
Модель
540А
Группа
Система охлаждения
Подгруппа
Трубопроводы и шланги системы охлаждения
Порядковый номер детали
083
Артикул: 540А-1303085
нет в наличии
Труба сливная
Количество на схеме: 1
Информация
Труба сливная
Количество
1
Вес;ТНВД;
1,47;;
Модель
540А
Группа
Система охлаждения
Подгруппа
Трубопроводы и шланги системы охлаждения
Порядковый номер детали
085
Артикул: 540А-1303100-А
нет в наличии
Труба пароотводящая
Количество на схеме: 1
Информация
Труба пароотводящая
Количество
1
Вес;ТНВД;
0;;
Модель
540А
Группа
Система охлаждения
Подгруппа
Трубопроводы и шланги системы охлаждения
Порядковый номер детали
100
Артикул: 540А-1303170
нет в наличии
Хомут
Количество на схеме: 1
Информация
Хомут
Количество
1
Вес;ТНВД;
0;;
Модель
540А
Группа
Система охлаждения
Подгруппа
Трубопроводы и шланги системы охлаждения
Порядковый номер детали
170
Артикул: 548А-1303020-10
нет в наличии
Трубопровод
Количество на схеме: 1
Информация
Трубопровод
Количество
1
Вес;ТНВД;
3,3;870899990;
Модель
548А
Группа
Система охлаждения
Подгруппа
Трубопроводы и шланги системы охлаждения
Порядковый номер детали
020
Дополнительно
Не взаимозаменяема с деталью, выпущенной ранее под этим же номером
Артикул: 549А-1303360-01
нет в наличии
Хомут
Количество на схеме: 6
Информация
Хомут
Количество
6
Вес;ТНВД;
0,09;870899990;
Модель
549А
Группа
Система охлаждения
Подгруппа
Трубопроводы и шланги системы охлаждения
Порядковый номер детали
360
Артикул: 549А-1303364-01
нет в наличии
Лента
Количество на схеме: 6
Информация
Лента
Количество
6
Вес;ТНВД;
0;;
Модель
549А
Группа
Система охлаждения
Подгруппа
Трубопроводы и шланги системы охлаждения
Порядковый номер детали
364
Артикул: 549А-1303366-01
нет в наличии
Накладка
Количество на схеме: 6
Информация
Накладка
Количество
6
Вес;ТНВД;
0,013;;
Модель
549А
Группа
Система охлаждения
Подгруппа
Трубопроводы и шланги системы охлаждения
Порядковый номер детали
366
Артикул: 549А-1303370-01
нет в наличии
Хомут
Количество на схеме: 8
Информация
Хомут
Количество
8
Вес;ТНВД;
0,08;870899990;
Модель
549А
Группа
Система охлаждения
Подгруппа
Трубопроводы и шланги системы охлаждения
Порядковый номер детали
370
Артикул: 549А-1303374-01
нет в наличии
Лента
Количество на схеме: 8
Информация
Лента
Количество
8
Вес;ТНВД;
0;;
Модель
549А
Группа
Система охлаждения
Подгруппа
Трубопроводы и шланги системы охлаждения
Порядковый номер детали
374
Артикул: 549А-1303376-01
нет в наличии
Накладка
Количество на схеме: 8
Информация
Накладка
Количество
8
Вес;ТНВД;
0,013;;
Модель
549А
Группа
Система охлаждения
Подгруппа
Трубопроводы и шланги системы охлаждения
Порядковый номер детали
376
Артикул: 7540-1303060
нет в наличии
Трубопровод
Количество на схеме: 1
Информация
Трубопровод
Количество
1
Вес;ТНВД;
0;;
Модель
7540
Группа
Система охлаждения
Подгруппа
Трубопроводы и шланги системы охлаждения
Порядковый номер детали
060
Артикул: 7540-1303065
нет в наличии
Трубопровод
Количество на схеме: 1
Информация
Трубопровод
Количество
1
Вес;ТНВД;
0;;
Модель
7540
Группа
Система охлаждения
Подгруппа
Трубопроводы и шланги системы охлаждения
Порядковый номер детали
065
Артикул: 7540-1303084
нет в наличии
Патрубок
Количество на схеме: 1
Информация
Патрубок
Количество
1
Вес;ТНВД;
0;;
Модель
7540
Группа
Система охлаждения
Подгруппа
Трубопроводы и шланги системы охлаждения
Порядковый номер детали
084
Артикул: 7540-1303164
нет в наличии
Стержень
Количество на схеме: 1
Информация
Стержень
Количество
1
Вес;ТНВД;
0;;
Модель
7540
Группа
Система охлаждения
Подгруппа
Трубопроводы и шланги системы охлаждения
Порядковый номер детали
164
Артикул: 7540-1303166-20
нет в наличии
Труба верхняя
Количество на схеме: 1
Информация
Труба верхняя
Количество
1
Вес;ТНВД;
0;;
Модель
7540
Группа
Система охлаждения
Подгруппа
Трубопроводы и шланги системы охлаждения
Порядковый номер детали
166
Дополнительно
Не взаимозаменяема с деталью, выпущенной ранее под этим же номером
Артикул: 7540-1303167
нет в наличии
Труба нижняя
Количество на схеме: 1
Информация
Труба нижняя
Количество
1
Вес;ТНВД;
0;;
Модель
7540
Группа
Система охлаждения
Подгруппа
Трубопроводы и шланги системы охлаждения
Порядковый номер детали
167
Артикул: 75401-1303031
нет в наличии
Труба левая
Количество на схеме: 1
Информация
Труба левая
Количество
1
Вес;ТНВД;
0;;
Модель
75401
Группа
Система охлаждения
Подгруппа
Трубопроводы и шланги системы охлаждения
Порядковый номер детали
031
Артикул: 75401-1303042
нет в наличии
Труба правая
Количество на схеме: 1
Информация
Труба правая
Количество
1
Вес;ТНВД;
0;;
Модель
75401
Группа
Система охлаждения
Подгруппа
Трубопроводы и шланги системы охлаждения
Порядковый номер детали
042
Артикул: 75401-1303080
нет в наличии
Патрубок
Количество на схеме: 2
Информация
Патрубок
Количество
2
Вес;ТНВД;
0;;
Модель
75401
Группа
Система охлаждения
Подгруппа
Трубопроводы и шланги системы охлаждения
Порядковый номер детали
080
Артикул: 75401-1303091
нет в наличии
Трубопровод
Количество на схеме: 1
Информация
Трубопровод
Количество
1
Вес;ТНВД;
0;;
Модель
75401
Группа
Система охлаждения
Подгруппа
Трубопроводы и шланги системы охлаждения
Порядковый номер детали
091
Артикул: 75401-1303114
нет в наличии
Трубопровод
Количество на схеме: 1
Информация
Трубопровод
Количество
1
Вес;ТНВД;
0,07;;
Модель
75401
Группа
Система охлаждения
Подгруппа
Трубопроводы и шланги системы охлаждения
Порядковый номер детали
114
Артикул: 75401-1303118
нет в наличии
Трубопровод
Количество на схеме: 1
Информация
Трубопровод
Количество
1
Вес;ТНВД;
0,075;;
Модель
75401
Группа
Система охлаждения
Подгруппа
Трубопроводы и шланги системы охлаждения
Порядковый номер детали
118
Артикул: 75401-1303120
нет в наличии
Труба промежуточная
Количество на схеме: 1
Информация
Труба промежуточная
Количество
1
Вес;ТНВД;
0;;
Модель
75401
Группа
Система охлаждения
Подгруппа
Трубопроводы и шланги системы охлаждения
Порядковый номер детали
120
Артикул: 7548-1305020
нет в наличии
Кран
Количество на схеме: 1
Информация
Кран
Количество
1
Вес;ТНВД;
0,15;870899990;
Модель
7548
Группа
Система охлаждения
Подгруппа
Кран сливной
Порядковый номер детали
020
Артикул: 7548-1305027
нет в наличии
Ручка
Количество на схеме: 1
Информация
Ручка
Количество
1
Вес;ТНВД;
0,014;;
Модель
7548
Группа
Система охлаждения
Подгруппа
Кран сливной
Порядковый номер детали
027
Артикул: 75482-1303280-10
нет в наличии
Патрубок
Количество на схеме: 1
Информация
Патрубок
Количество
1
Вес;ТНВД;
0;;
Модель
75482
Группа
Система охлаждения
Подгруппа
Трубопроводы и шланги системы охлаждения
Порядковый номер детали
280
Дополнительно
Не взаимозаменяема с деталью, выпущенной ранее под этим же номером
Артикул: 75482-1303281-10
нет в наличии
Патрубок
Количество на схеме: 1
Информация
Патрубок
Количество
1
Вес;ТНВД;
0;;
Модель
75482
Группа
Система охлаждения
Подгруппа
Трубопроводы и шланги системы охлаждения
Порядковый номер детали
281
Дополнительно
Не взаимозаменяема с деталью, выпущенной ранее под этим же номером
Артикул: ПС-10
нет в наличии
Кран
Количество на схеме: 1
Информация
Кран
Количество
1
Вес;ТНВД;
1;870899990;
  • Грузовые автомобили
  • Автобусы
  • Сельхозтехника
  • Спецтехника
  • Двигатели
Получить оптовый прайс-лист
Скачать прайс-лист от 26.05.2026 08:00
Специальное предложение от 26.05.2026 09:00
Производители:


  • WEICHAI
  • Автодизель ПАО (ЯМЗ)
  • Тутаевский МЗ
  • ЯЗДА
  • УралАЗ
  • МАЗ
  • АЗПИ
  • BOSCH
  • ММЗ
  • ШААЗ
  • FEDERAL MOGUL
  • ПРАМО
  • Мотордеталь
  • ТАИМ
  • АвтоКрАЗ
  • БЕЛКАРД
  • CZ Strakonice
  • КамАЗ
  • БЗА
  • ЧМЗ
  • BMZ
Новости
Все новости
25 марта 2024
Флагманский седельный тягач «Валдай 45» на выставке «TransRussia»
10 марта 2024
Современные автобусы «CITYMAX 9» и ЛиАЗ-5292 CNG
25 февраля 2024
Серийное производство средних дизельных двигателей повышенной мощности от ЯМЗ
Статьи
Все статьи
Датчики двигателя: за что они отвечают, признаки неисправности и как не прогадать с выбором
Двигатели ЯМЗ-534: история, технические характеристики и области применения
Двигатели ЯМЗ 650: углублённый технический обзор и история
Компания
О компании
Реквизиты
Новости
Политика
Магазины
Информация
Условия оплаты
Условия доставки
Гарантия на товар
Обмен и возврат товара
Помощь
Как оформить заказ
Полезные статьи
Бренды
Пункты выдачи
Оставайтесь на связи
  • Вконтакте
  • YouTube
  • Одноклассники
  • Google Plus
Увидели ошибку?
Выделите, нажав Ctrl + Enter
Наши контакты
8-800-700-35-68
sales@din76.ru
г. Ярославль, Ленинградский пр-т 33, ТЦ "ОМЕГА"
2026 © ООО «Динамика 76» - Все права защищены ООО "Динамика 76"
Предложения на сайте не являются публичной офертой.
На сайте обнаружена ошибка

Текст с ошибкой