Избранное 0 Корзина 0 Личный кабинет
logo
Каталог
Каталог
  • Справочник
    • Грузовые автомобили
    • Автобусы
    • Сельхозтехника
    • Спецтехника
    • Двигатели
  • Доставка
  • Оплата
  • О компании
    • Реквизиты
    • Магазины
    • Оплата
    • Доставка
    • Лицензии и сертификаты
    • Новости
    • Вакансии
  • Контакты
Отправить заявку
Личный кабинет
8 (800) 700-35-68
sales@din76.ru
Избранное 0 Корзина 0
8 (800) 700-35-68
Оптовый прайс-лист
Каталог
  • Двигатели
  • Запчасти WEICHAI
  • Запчасти ЯМЗ, ТМЗ (V-образные)
  • Запчасти ЯМЗ-534, ЯМЗ-536
  • Запчасти ЯМЗ-650, ЯМЗ-651, DCi-11
  • Топливная аппаратура
  • Запчасти УРАЛ
  • Запчасти МАЗ
  • Запчасти КамАЗ
  • Запчасти ММЗ
  • Ремни
Автокаталог (справочник)
  • Доставка
  • Оплата
  • О компании
  • Контакты
8 (800) 700-35-68
Написать в Whatsapp
sales@din76.ru
Динамика 76
Меню  
  • Каталог
    • Двигатели  
      • Двигатели ТМЗ  
        • Двигатели ТМЗ для автомобилей
        • Двигатели ТМЗ для тракторов
        • Специальные двигатели ТМЗ
        • Промышленные двигатели ТМЗ
      • Двигатели ЯМЗ  
        • ЯМЗ 236
        • ЯМЗ 238
        • ЯМЗ 240
        • ЯМЗ 751
        • ЯМЗ 840
        • ЯМЗ 850
        • ЯМЗ 656
        • ЯМЗ 658
        • ЯМЗ 534
        • ЯМЗ 536
        • ЯМЗ 650
        • Двигатели ЯМЗ для электростанций
      • Двигатели КАМАЗ
      • Двигатели ММЗ
      • Двигатели индивидуальной сборки
      • Комплекты переоборудования
    • Запчасти WEICHAI  
      • Основные запчасти двигателя  
        • Клапаны и толкатели
        • Шатуны
        • Вал коленчатый и маховик
        • Вал распределительный
        • Цилиндро-поршневая группа
      • Система питания  
        • Форсунки
        • Турбокомпрессор
      • Система смазки  
        • Насос масляный
      • Головка блока
      • Ремкомплекты
      • Система охлаждения  
        • Насос водяной
        • Муфта вязкостная и крыльчатка
      • Фильтры
      • Электрооборудование  
        • Генератор
        • Стартер
    • Запчасти ЯМЗ, ТМЗ (V-образные)  
      • Основные запчасти двигателя  
        • Блок двигателя и комплектующие
        • Валы распределительные и клапаны
        • Головка блока и комплектующие
        • Цилиндро-поршневая группа
        • Маховики и комплектующие
        • Валы коленчатые и комплектующие
        • Шатуны и комплектующие
      • Система питания  
        • Коллекторы и патрубки
        • Топливные трубопроводы
        • Турбокомпрессор
        • Топливные фильтры
      • Электрооборудование двигателя
      • Система охлаждения  
        • Вязкостные муфты и крыльчатки
        • Приводы вентилятора
        • Водяные насосы
        • Водяные трубы и термостаты
      • Коробки переключения передач  
        • 8 Ступенчатые КПП
        • 5 Ступенчатые КПП
        • 9 Ступенчатые КПП
        • Запасные части КПП ЯМЗ, ТМЗ
      • Система смазки  
        • Теплообменник и комплектующие
        • Масляные насосы
        • Фильтры масляные (ФГОМ, ФЦОМ)
      • Сцепление  
        • Запасные части механизма сцепления
        • Муфты (подшипники выжимные)
        • Корзины (диски нажимные)
        • Диски ведомые
      • Прочие запчасти двигателя  
        • Ремкомплекты
        • Привод агрегатов
        • Натяжные устройства
        • Трубки
    • Запчасти ЯМЗ-534, ЯМЗ-536  
      • Основные запчасти двигателя  
        • Цилиндро-поршневая группа
        • Головка блока цилиндров и комплектующие
        • Блок цилиндров и комплектующие
        • Вал коленчатый и маховик
        • Вал распределительный
        • Клапаны и толкатели
        • ГУР (Гидроусилитель руля)
        • Система рециркуляции отработавших газов
        • Выпускной коллектор
      • Система питания  
        • Коллекторы и патрубки
        • Топливные фильтры
        • Турбокомпрессор
        • Топливные трубопроводы
      • Система смазки  
        • Масляный картер поддон
        • Масляный насос
        • Теплообменник /Водо-масляный радиатор
        • Фильтры масляные (ФГОМ, ФЦОМ)
      • Пневмокомпрессор и натяжное
      • Система охлаждения  
        • Водяной насос
        • Водяные трубы и патрубки
        • Муфты вязкостные, приводы, крыльчатки
      • Ремкомплекты
      • Сцепление
      • Электрооборудование
    • Запчасти ЯМЗ-650, ЯМЗ-651, DCi-11  
      • Основные запчасти двигателя  
        • Цилиндро-поршневая группа
        • Головка блока цилиндров и комплектующие
        • Блок цилиндров и комплектующие
        • Вал коленчатый и маховик
        • Выпускной коллектор
        • Вал распределительный
        • Клапаны и толкатели
        • ГУР (Гидроусилитель руля)
        • Система рециркуляции отработавших газов
      • Система питания  
        • Коллекторы и патрубки
        • Топливные трубопроводы
        • Топливные фильтры
        • Турбокомпрессор
      • Система смазки  
        • Масляный картер / поддон
        • Масляный насос
        • Теплообменник / Водо-масляный радиатор
        • Фильтры масляные (ФГОМ, ФЦОМ)
      • Система охлаждения  
        • Водяной насос
        • Водяные трубы и патрубки
        • Муфты вязкостные, приводы, крыльчатки
      • Ремкомплекты
      • Пневмокомпрессор и натяжное
      • Электрооборудование
      • Сцепление
    • Топливная аппаратура  
      • ЯЗДА  
        • Распылители
        • ТНВД
        • Форсунки
        • Топливный насос низкого давления
        • Пары плунжерные
        • Муфта опережения впрыска топлива
        • Запчасти и комплектующие ТНВД
      • НЗТА
      • АЗПИ  
        • Распылители
        • Форсунки
      • BOSCH
    • Запчасти УРАЛ  
      • Трансмиссия  
        • Коробка раздаточная
        • Передача карданная
        • Мост задний
        • Мост передний (ведущий)
        • Мост средний (промежуточный)
      • Кузов  
        • Дверь кабины
        • Капот, крылья, облицовка радиатора
        • Окно ветровое и заднее
        • Отопление и вентиляция кабины
        • Кабина
      • Механизмы управления  
        • Управление рулевое
        • Тормоза
      • Дополнительное оборудование  
        • Отбор мощности
        • Устройство седельное
      • Электрооборудование
      • Ходовая часть  
        • Колеса и ступицы
        • Ось передняя
        • Подвеска автомобиля
        • Рама
    • Запчасти МАЗ  
      • Трансмиссия  
        • Мост задний
        • Мост передний (ведущий)
        • Передача карданная
        • Мост средний (промежуточный)
      • Кузов  
        • Кабина
        • Дверь кабины
        • Детали основания кабины
        • Окно ветровое и заднее
        • Платформа
      • Механизмы управления  
        • Тормоза
        • Управление рулевое
      • Ходовая часть  
        • Колеса и ступицы
        • Ось передняя
        • Подвеска автомобиля
        • Рама
    • Запчасти КамАЗ  
      • Кузов  
        • Кабина
        • Капот, крылья, облицовка радиатора
        • Дверь кабины
        • Платформа
        • Окно ветровое и заднее
        • Устройство подъемное и опрокидывающее
        • Сиденье
        • Крыша кабины (крыша кузова)
        • Отопление и вентиляция кабины
      • Трансмиссия  
        • Коробка передач
        • Коробка раздаточная
        • Мост задний
        • Сцепление
        • Мост средний (промежуточный)
        • Передача карданная
        • Мост передний (ведущий)
      • Двигатель  
        • Основные запчасти двигателя
        • Система охлаждения
        • Система питания
        • Система смазки
      • Дополнительное оборудование  
        • Отбор мощности
        • Устройство седельное
      • Ходовая часть  
        • Подвеска автомобиля
        • Рама
        • Колеса и ступицы
        • Ось передняя
      • Механизмы управления  
        • Тормоза
        • Управление рулевое
      • Электрооборудование
    • Запчасти ММЗ
    • Ремни
  • Справочник
    • Грузовые автомобили
    • Автобусы
    • Сельхозтехника
    • Спецтехника
    • Двигатели
  • Как купить
    • Условия оплаты
    • Условия доставки
    • Гарантия на товар
    • Пункты выдачи
  • Услуги
    • Капитальный ремонт двигателей ЯМЗ
  • Акции
  • Статьи
  • Контакты
  • Компания
    • Реквизиты
    • Магазины
    • Оплата
    • Доставка
    • Лицензии и сертификаты
    • Новости
    • Вакансии
Избранное 0 Корзина 0
8-800-700-35-68

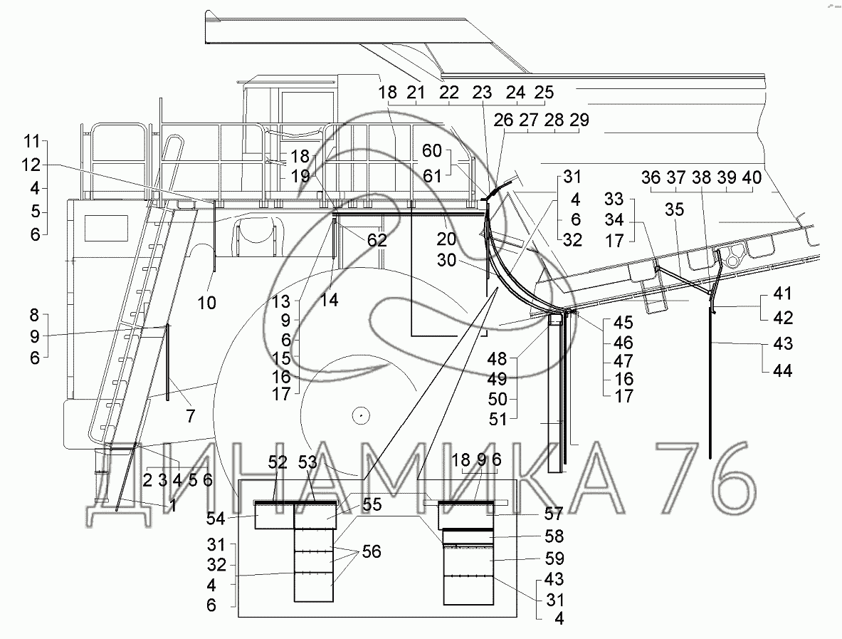
Установка брызговиков 75600-8511002 на БелАЗ-75600 (до 2010 г.)

Справочник
Главная
-
Автокаталог
-
Грузовые автомобили и прицепы
-
БелАЗ
-
БелАЗ-75600
Справочный каталог

Установка брызговиков 75600-8511002 — БелАЗ-75600:

1 2 3 4 4 4 4 4 5 5 6 6 6 6 6 6 6 7 8 9 9 9 10 11 12 13 14 15 16 16 17 17 17 18 18 18 19 20 21 22 23 24 25 26 27 28 29 30 31 31 31 32 32 33 34 35 36 37 38 39 40 41 42 43 43 44 45 46 47 48 49 50 51 52 53 54 55 56 57 58 59 60 61 62
в наличии
нет в наличии
масштаб

В наличии
Нет в наличии

Перечень комплектующих от Установка брызговиков 75600-8511002 на БелАЗ-75600

Схемы запчастей предназначены для справочных целей! Мы продаем не все запчасти от Установка брызговиков 75600-8511002 на БелАЗ-75600, представленные в этом списке.
Наличие на складах по деталям с ценой смотрите в карточке товара.
1
1
Артикул: 74131-8511226
нет в наличии
Брызговик
Количество на схеме: 2
Информация
Брызговик
Количество
2
Артикул
4536461288;
Модель
74131
Группа
Платформа
Подгруппа
Брызговики платформы
Порядковый номер детали
226
2
2
Артикул: 74131-8511044
нет в наличии
Кронштейн
Количество на схеме: 2
Информация
Кронштейн
Количество
2
Артикул
4536461305;
Модель
74131
Группа
Платформа
Подгруппа
Брызговики платформы
Порядковый номер детали
044
3
3
Артикул: 201464
нет в наличии
Болт
Количество на схеме: 4
Информация
Болт
Количество
4
Артикул
4593461530;
Покрытие
без покрытия
4
4
Артикул: 250510
нет в наличии
Гайка
Количество на схеме: 175
Информация
Гайка
Количество
175
Артикул
4595531055;
Покрытие
без покрытия
5
5
Артикул: 252135
нет в наличии
Шайба
Количество на схеме: 20
Информация
Шайба
Количество
20
Артикул
4598166046;
Покрытие
без покрытия
6
6
Артикул: 342515
нет в наличии
Шайба
Количество на схеме: 240
Информация
Шайба
Количество
240
Артикул
4599576002;
Покрытие
без покрытия
7
7
Артикул: 7513-8403906-20
нет в наличии
Брызговик
Количество на схеме: 2
Информация
Брызговик
Количество
2
Артикул
4536443810;
Модель
7513
Группа
Оперение
Подгруппа
Крыло переднее и фартук крыла
Порядковый номер детали
906
Дополнительно
Не взаимозаменяема с деталью, выпущенной ранее под этим же номером
8
8
Артикул: 7513-8403464-10
нет в наличии
Усилитель
Количество на схеме: 2
Информация
Усилитель
Количество
2
Артикул
4536419590;
Модель
7513
Группа
Оперение
Подгруппа
Крыло переднее и фартук крыла
Порядковый номер детали
464
Дополнительно
Не взаимозаменяема с деталью, выпущенной ранее под этим же номером
9
9
Артикул: 201460
нет в наличии
Болт
Количество на схеме: 115
Информация
Болт
Количество
115
Артикул
4593461526;
Покрытие
без покрытия
10
10
Артикул: 75600-8403904
нет в наличии
Брызговик
Количество на схеме: 2
Информация
Брызговик
Количество
2
Артикул
4536266448;
Модель
75600
Группа
Оперение
Подгруппа
Крыло переднее и фартук крыла
Порядковый номер детали
904
11
11
Артикул: 75600-8403210
нет в наличии
Пластина
Количество на схеме: 2
Информация
Пластина
Количество
2
Артикул
4536262832;
Модель
75600
Группа
Оперение
Подгруппа
Крыло переднее и фартук крыла
Порядковый номер детали
210
12
12
Артикул: 200263
нет в наличии
Болт
Количество на схеме: 16
Информация
Болт
Количество
16
Артикул
4593261022;
Покрытие
без покрытия
13
13
Артикул: 75137-8403938
нет в наличии
Пластина
Количество на схеме: 1
Информация
Пластина
Количество
1
Артикул
4536463450;
Модель
75137
Группа
Оперение
Подгруппа
Крыло переднее и фартук крыла
Порядковый номер детали
938
14
14
Артикул: 75137-8403944
нет в наличии
Брызговик
Количество на схеме: 2
Информация
Брызговик
Количество
2
Артикул
4536463451;
Модель
75137
Группа
Оперение
Подгруппа
Крыло переднее и фартук крыла
Порядковый номер детали
944
15
15
Артикул: 201540
нет в наличии
Болт
Количество на схеме: 24
Информация
Болт
Количество
24
Артикул
4593461598;
Покрытие
без покрытия
16
16
Артикул: 252045
в наличии
Шайба
Количество на схеме: 30
Информация
Шайба
Количество
30
Артикул
4598111258;
Покрытие
без покрытия
Шайба 12.00х37.0х3.0 подвески радиатора КАМАЗ БЕЛЗАН
Артикул: 252045
Шайба 12.00х37.0х3.0 подвески радиатора КАМАЗ БЕЛЗАН
Код для заказа: 00062962
Цена: 28 ₽/шт.
Под заказ
Шайба 12.00х37.0х3.0 подвески радиатора КАМАЗ БЕЛЗАН
Артикул: 252045
Код для заказа: 00062962
Шайба 12.00х37.0х3.0 подвески радиатора КАМАЗ БЕЛЗАН
Цена: 28 ₽/шт.
Под заказ
17
17
Артикул: 252137
нет в наличии
Шайба
Количество на схеме: 38
Информация
Шайба
Количество
38
Артикул
4598166068;
Покрытие
без покрытия
18
18
Артикул: 75201-8403936
нет в наличии
Кронштейн брызговика
Количество на схеме: 11
Информация
Кронштейн брызговика
Количество
11
Артикул
4536240896;
Модель
75201
Группа
Оперение
Подгруппа
Крыло переднее и фартук крыла
Порядковый номер детали
936
19
19
Артикул: 75600-8511104
нет в наличии
Брызговик
Количество на схеме: 1
Информация
Брызговик
Количество
1
Артикул
4536263336;
Модель
75600
Группа
Платформа
Подгруппа
Брызговики платформы
Порядковый номер детали
104
20
20
Артикул: 75600-8511014
нет в наличии
Брызговик
Количество на схеме: 4
Информация
Брызговик
Количество
4
Артикул
4536263329;
Модель
75600
Группа
Платформа
Подгруппа
Брызговики платформы
Порядковый номер детали
014
21
21
Артикул: 75600-8511015
нет в наличии
Брызговик
Количество на схеме: 4
Информация
Брызговик
Количество
4
Артикул
4536263330;
Модель
75600
Группа
Платформа
Подгруппа
Брызговики платформы
Порядковый номер детали
015
22
22
Артикул: 75600-8511156
нет в наличии
Кронштейн брызговика
Количество на схеме: 1
Информация
Кронштейн брызговика
Количество
1
Артикул
4536263366;
Модель
75600
Группа
Платформа
Подгруппа
Брызговики платформы
Порядковый номер детали
156
23
23
Артикул: 75600-8511226
нет в наличии
Брызговик
Количество на схеме: 1
Информация
Брызговик
Количество
1
Артикул
4536263368;
Модель
75600
Группа
Платформа
Подгруппа
Брызговики платформы
Порядковый номер детали
226
24
24
Артикул: 75600-8511154
нет в наличии
Кронштейн брызговика
Количество на схеме: 1
Информация
Кронштейн брызговика
Количество
1
Артикул
4536263365;
Модель
75600
Группа
Платформа
Подгруппа
Брызговики платформы
Порядковый номер детали
154
25
25
Артикул: 75600-8511222
нет в наличии
Брызговик
Количество на схеме: 1
Информация
Брызговик
Количество
1
Артикул
4536263367;
Модель
75600
Группа
Платформа
Подгруппа
Брызговики платформы
Порядковый номер детали
222
26
26
Артикул: 202123
нет в наличии
Болт
Количество на схеме: 7
Информация
Болт
Количество
7
Артикул
4593461690;
Покрытие
без покрытия
27
27
Артикул: 250560
нет в наличии
Гайка
Количество на схеме: 7
Информация
Гайка
Количество
7
Артикул
4595531063;
Покрытие
без покрытия
28
28
Артикул: 252017
нет в наличии
Шайба
Количество на схеме: 14
Информация
Шайба
Количество
14
Артикул
4598111210;
Покрытие
без покрытия
29
29
Артикул: 252139
нет в наличии
Шайба
Количество на схеме: 7
Информация
Шайба
Количество
7
Артикул
4598166070;
Покрытие
без покрытия
30
30
Артикул: 75600-8511379-10
нет в наличии
Усилитель
Количество на схеме: 4
Информация
Усилитель
Количество
4
Артикул
4536267082;
Модель
75600
Группа
Платформа
Подгруппа
Брызговики платформы
Порядковый номер детали
379
Дополнительно
Не взаимозаменяема с деталью, выпущенной ранее под этим же номером
31
31
Артикул: 201458
нет в наличии
Болт
Количество на схеме: 95
Информация
Болт
Количество
95
Артикул
4593461524;
Покрытие
без покрытия
32
32
Артикул: 75600-8511046
нет в наличии
Усилитель
Количество на схеме: 4
Информация
Усилитель
Количество
4
Артикул
4536264058;
Модель
75600
Группа
Платформа
Подгруппа
Брызговики платформы
Порядковый номер детали
046
33
33
Артикул: 201543
нет в наличии
Болт
Количество на схеме: 8
Информация
Болт
Количество
8
Артикул
4593461601;
Покрытие
без покрытия
34
34
Артикул: 250514
в наличии
Гайка
Количество на схеме: 8
Информация
Гайка
Количество
8
Артикул
4595531059;
Покрытие
без покрытия
Гайка М12-6Н МАЗ ОСТ 37.001.124-75 ОАО МАЗ
Артикул: 250514
Гайка М12-6Н МАЗ ОСТ 37.001.124-75 ОАО МАЗ
Код для заказа: 00027437
Цена: 19 ₽/шт.
Под заказ
Гайка М12-6Н МАЗ ОСТ 37.001.124-75 ОАО МАЗ
Артикул: 250514
Код для заказа: 00027437
Гайка М12-6Н МАЗ ОСТ 37.001.124-75 ОАО МАЗ
Цена: 19 ₽/шт.
Под заказ
35
35
Артикул: 7509-8403450
нет в наличии
Раскос
Количество на схеме: 4
Информация
Раскос
Количество
4
Артикул
4536380072;
Модель
7509
Группа
Оперение
Подгруппа
Крыло переднее и фартук крыла
Порядковый номер детали
450
36
36
Артикул: 201499
нет в наличии
Болт
Количество на схеме: 8
Информация
Болт
Количество
8
Артикул
4593461561;
Покрытие
без покрытия
37
37
Артикул: 250512
в наличии
Гайка
Количество на схеме: 8
Информация
Гайка
Количество
8
Артикул
4595531057;
Покрытие
без покрытия
Гайка М10-6Н МАЗ ОСТ 37.001.124-96 омедненная усиленная
Артикул: 250512
Гайка М10-6Н МАЗ ОСТ 37.001.124-96 омедненная усиленная
Код для заказа: 00027392
Цена: 5 ₽/шт.
В наличии: 14 шт.
- +
В корзинуВ корзине
Гайка М10-6Н МАЗ ОСТ 37.001.124-96 омедненная усиленная
Артикул: 250512
Код для заказа: 00027392
Гайка М10-6Н МАЗ ОСТ 37.001.124-96 омедненная усиленная
Цена: 5 ₽/шт.
В наличии: 14 шт.
- +
В корзинуВ корзине
38
38
Артикул: 252039
нет в наличии
Шайба
Количество на схеме: 8
Информация
Шайба
Количество
8
Артикул
4598111257;
Покрытие
без покрытия
39
39
Артикул: 252136
нет в наличии
Шайба
Количество на схеме: 8
Информация
Шайба
Количество
8
Артикул
4598166067;
Покрытие
без покрытия
40
40
Артикул: 7509-8403500
нет в наличии
Кронштейн
Количество на схеме: 4
Информация
Кронштейн
Количество
4
Артикул
4536380078;
Модель
7509
Группа
Оперение
Подгруппа
Крыло переднее и фартук крыла
Порядковый номер детали
500
41
41
Артикул: 75570-8511025
нет в наличии
Усилитель
Количество на схеме: 4
Информация
Усилитель
Количество
4
Артикул
4536347053;
Модель
75570
Группа
Платформа
Подгруппа
Брызговики платформы
Порядковый номер детали
025
42
42
Артикул: 75600-8511140
нет в наличии
Кронштейн брызговика
Количество на схеме: 2
Информация
Кронштейн брызговика
Количество
2
Артикул
4536263343;
Модель
75600
Группа
Платформа
Подгруппа
Брызговики платформы
Порядковый номер детали
140
43
43
Артикул: 75131-8403935
нет в наличии
Усилитель
Количество на схеме: 52
Информация
Усилитель
Количество
52
Артикул
4536444130;
Модель
75131
Группа
Оперение
Подгруппа
Крыло переднее и фартук крыла
Порядковый номер детали
935
44
44
Артикул: 75600-8511213
нет в наличии
Брызговик
Количество на схеме: 4
Информация
Брызговик
Количество
4
Артикул
4536263351;
Модель
75600
Группа
Платформа
Подгруппа
Брызговики платформы
Порядковый номер детали
213
45
45
Артикул: 7423-8511054
нет в наличии
Усилитель
Количество на схеме: 2
Информация
Усилитель
Количество
2
Артикул
4536146828;
Модель
7423
Группа
Платформа
Подгруппа
Брызговики платформы
Порядковый номер детали
054
46
46
Артикул: 75600-8511026
нет в наличии
Усилитель
Количество на схеме: 1
Информация
Усилитель
Количество
1
Артикул
4536264060;
Модель
75600
Группа
Платформа
Подгруппа
Брызговики платформы
Порядковый номер детали
026
47
47
Артикул: 201538
нет в наличии
Болт
Количество на схеме: 6
Информация
Болт
Количество
6
Артикул
4593461596;
Покрытие
без покрытия
48
48
Артикул: 75600-8511263-10
нет в наличии
Пластина
Количество на схеме: 1
Информация
Пластина
Количество
1
Артикул
4536267081;
Модель
75600
Группа
Платформа
Подгруппа
Брызговики платформы
Порядковый номер детали
263
Дополнительно
Не взаимозаменяема с деталью, выпущенной ранее под этим же номером
49
49
Артикул: 75600-8511057
нет в наличии
Пластина
Количество на схеме: 1
Информация
Пластина
Количество
1
Артикул
4536267083;
Модель
75600
Группа
Платформа
Подгруппа
Брызговики платформы
Порядковый номер детали
057
50
50
Артикул: 75600-8511018-20
нет в наличии
Кронштейн
Количество на схеме: 1
Информация
Кронштейн
Количество
1
Артикул
4536268564;
Модель
75600
Группа
Платформа
Подгруппа
Брызговики платформы
Порядковый номер детали
018
Дополнительно
Не взаимозаменяема с деталью, выпущенной ранее под этим же номером
51
51
Артикул: 7513-8403464
нет в наличии
Пластина
Количество на схеме: 1
Информация
Пластина
Количество
1
Артикул
4536412616;
Модель
7513
Группа
Оперение
Подгруппа
Крыло переднее и фартук крыла
Порядковый номер детали
464
52
52
Артикул: 75600-8511218
нет в наличии
Усилитель
Количество на схеме: 1
Информация
Усилитель
Количество
1
Артикул
4536264063;
Модель
75600
Группа
Платформа
Подгруппа
Брызговики платформы
Порядковый номер детали
218
53
53
Артикул: 75600-8511048
нет в наличии
Усилитель
Количество на схеме: 1
Информация
Усилитель
Количество
1
Артикул
4536264062;
Модель
75600
Группа
Платформа
Подгруппа
Брызговики платформы
Порядковый номер детали
048
54
54
Артикул: 75600-8511078
нет в наличии
Брызговик
Количество на схеме: 1
Информация
Брызговик
Количество
1
Артикул
4536264055;
Модель
75600
Группа
Платформа
Подгруппа
Брызговики платформы
Порядковый номер детали
078
55
55
Артикул: 75600-8511052
нет в наличии
Брызговик
Количество на схеме: 1
Информация
Брызговик
Количество
1
Артикул
4536264054;
Модель
75600
Группа
Платформа
Подгруппа
Брызговики платформы
Порядковый номер детали
052
56
56
Артикул: 75600-8511212
нет в наличии
Брызговик
Количество на схеме: ;
Информация
Брызговик
Количество
;
Модель
75600
Группа
Платформа
Подгруппа
Брызговики платформы
Порядковый номер детали
212
57
57
Артикул: 75600-8511232-10
нет в наличии
Брызговик
Количество на схеме: 1
Информация
Брызговик
Количество
1
Артикул
4536267085;
Модель
75600
Группа
Платформа
Подгруппа
Брызговики платформы
Порядковый номер детали
232
Дополнительно
Не взаимозаменяема с деталью, выпущенной ранее под этим же номером
58
58
Артикул: 75600-8511234-10
нет в наличии
Брызговик
Количество на схеме: 1
Информация
Брызговик
Количество
1
Артикул
4536267084;
Модель
75600
Группа
Платформа
Подгруппа
Брызговики платформы
Порядковый номер детали
234
Дополнительно
Не взаимозаменяема с деталью, выпущенной ранее под этим же номером
59
59
Артикул: 7513-8403906-01
нет в наличии
Брызговик
Количество на схеме: ;
Информация
Брызговик
Количество
;
Модель
7513
Группа
Оперение
Подгруппа
Крыло переднее и фартук крыла
Порядковый номер детали
906
60
60
Артикул: 75600-8511120
нет в наличии
Кронштейн брызговика
Количество на схеме: 1
Информация
Кронштейн брызговика
Количество
1
Артикул
4536263337;
Модель
75600
Группа
Платформа
Подгруппа
Брызговики платформы
Порядковый номер детали
120
61
61
Артикул: 75600-8511121
нет в наличии
Кронштейн брызговика
Количество на схеме: 1
Информация
Кронштейн брызговика
Количество
1
Артикул
4536263339;
Модель
75600
Группа
Платформа
Подгруппа
Брызговики платформы
Порядковый номер детали
121
62
62
Артикул: 75600-8403920
нет в наличии
Кронштейн брызговика
Количество на схеме: 1
Информация
Кронштейн брызговика
Количество
1
Артикул
4536269529;
Модель
75600
Группа
Оперение
Подгруппа
Крыло переднее и фартук крыла
Порядковый номер детали
920
  • Грузовые автомобили
  • Автобусы
  • Сельхозтехника
  • Спецтехника
  • Двигатели
Получить оптовый прайс-лист
Скачать прайс-лист от 29.04.2026 16:00
Специальное предложение от 29.04.2026 17:00
Производители:


  • WEICHAI
  • Автодизель ПАО (ЯМЗ)
  • Тутаевский МЗ
  • ЯЗДА
  • УралАЗ
  • МАЗ
  • АЗПИ
  • BOSCH
  • ММЗ
  • ШААЗ
  • FEDERAL MOGUL
  • ПРАМО
  • Мотордеталь
  • ТАИМ
  • АвтоКрАЗ
  • БЕЛКАРД
  • CZ Strakonice
  • КамАЗ
  • БЗА
  • ЧМЗ
  • BMZ
Новости
Все новости
25 марта 2024
Флагманский седельный тягач «Валдай 45» на выставке «TransRussia»
10 марта 2024
Современные автобусы «CITYMAX 9» и ЛиАЗ-5292 CNG
25 февраля 2024
Серийное производство средних дизельных двигателей повышенной мощности от ЯМЗ
Статьи
Все статьи
Датчики двигателя: за что они отвечают, признаки неисправности и как не прогадать с выбором
Двигатели ЯМЗ-534: история, технические характеристики и области применения
Двигатели ЯМЗ 650: углублённый технический обзор и история
Компания
О компании
Реквизиты
Новости
Политика
Магазины
Информация
Условия оплаты
Условия доставки
Гарантия на товар
Обмен и возврат товара
Помощь
Как оформить заказ
Полезные статьи
Бренды
Пункты выдачи
Оставайтесь на связи
  • Вконтакте
  • YouTube
  • Одноклассники
  • Google Plus
Увидели ошибку?
Выделите, нажав Ctrl + Enter
Наши контакты
8-800-700-35-68
sales@din76.ru
г. Ярославль, Ленинградский пр-т 33, ТЦ "ОМЕГА"
2026 © ООО «Динамика 76» - Все права защищены ООО "Динамика 76"
Предложения на сайте не являются публичной офертой.
На сайте обнаружена ошибка

Текст с ошибкой