Избранное 0 Корзина 0 Личный кабинет
logo
Каталог
Каталог
  • Справочник
    • Грузовые автомобили
    • Автобусы
    • Сельхозтехника
    • Спецтехника
    • Двигатели
  • Доставка
  • Оплата
  • О компании
    • Реквизиты
    • Магазины
    • Оплата
    • Доставка
    • Лицензии и сертификаты
    • Новости
    • Вакансии
  • Контакты
Отправить заявку
Личный кабинет
8 (800) 700-35-68
sales@din76.ru
Избранное 0 Корзина 0
8 (800) 700-35-68
Оптовый прайс-лист
Каталог
  • Двигатели
  • Запчасти WEICHAI
  • Запчасти ЯМЗ, ТМЗ (V-образные)
  • Запчасти ЯМЗ-534, ЯМЗ-536
  • Запчасти ЯМЗ-650, ЯМЗ-651, DCi-11
  • Топливная аппаратура
  • Запчасти УРАЛ
  • Запчасти МАЗ
  • Запчасти КамАЗ
  • Запчасти ММЗ
  • Ремни
Автокаталог (справочник)
  • Доставка
  • Оплата
  • О компании
  • Контакты
8 (800) 700-35-68
Написать в Whatsapp
sales@din76.ru
Динамика 76
Меню  
  • Каталог
    • Двигатели  
      • Двигатели ТМЗ  
        • Двигатели ТМЗ для автомобилей
        • Двигатели ТМЗ для тракторов
        • Специальные двигатели ТМЗ
        • Промышленные двигатели ТМЗ
      • Двигатели ЯМЗ  
        • ЯМЗ 236
        • ЯМЗ 238
        • ЯМЗ 240
        • ЯМЗ 751
        • ЯМЗ 840
        • ЯМЗ 850
        • ЯМЗ 656
        • ЯМЗ 658
        • ЯМЗ 534
        • ЯМЗ 536
        • ЯМЗ 650
        • Двигатели ЯМЗ для электростанций
      • Двигатели КАМАЗ
      • Двигатели ММЗ
      • Двигатели индивидуальной сборки
      • Комплекты переоборудования
    • Запчасти WEICHAI  
      • Основные запчасти двигателя  
        • Клапаны и толкатели
        • Шатуны
        • Вал коленчатый и маховик
        • Вал распределительный
        • Цилиндро-поршневая группа
      • Система питания  
        • Форсунки
        • Турбокомпрессор
      • Система смазки  
        • Насос масляный
      • Головка блока
      • Ремкомплекты
      • Система охлаждения  
        • Насос водяной
        • Муфта вязкостная и крыльчатка
      • Фильтры
      • Электрооборудование  
        • Генератор
        • Стартер
    • Запчасти ЯМЗ, ТМЗ (V-образные)  
      • Основные запчасти двигателя  
        • Блок двигателя и комплектующие
        • Валы распределительные и клапаны
        • Головка блока и комплектующие
        • Цилиндро-поршневая группа
        • Маховики и комплектующие
        • Валы коленчатые и комплектующие
        • Шатуны и комплектующие
      • Система питания  
        • Коллекторы и патрубки
        • Топливные трубопроводы
        • Турбокомпрессор
        • Топливные фильтры
      • Электрооборудование двигателя
      • Система охлаждения  
        • Вязкостные муфты и крыльчатки
        • Приводы вентилятора
        • Водяные насосы
        • Водяные трубы и термостаты
      • Коробки переключения передач  
        • 8 Ступенчатые КПП
        • 5 Ступенчатые КПП
        • 9 Ступенчатые КПП
        • Запасные части КПП ЯМЗ, ТМЗ
      • Система смазки  
        • Теплообменник и комплектующие
        • Масляные насосы
        • Фильтры масляные (ФГОМ, ФЦОМ)
      • Сцепление  
        • Запасные части механизма сцепления
        • Муфты (подшипники выжимные)
        • Корзины (диски нажимные)
        • Диски ведомые
      • Прочие запчасти двигателя  
        • Ремкомплекты
        • Привод агрегатов
        • Натяжные устройства
        • Трубки
    • Запчасти ЯМЗ-534, ЯМЗ-536  
      • Основные запчасти двигателя  
        • Цилиндро-поршневая группа
        • Головка блока цилиндров и комплектующие
        • Блок цилиндров и комплектующие
        • Вал коленчатый и маховик
        • Вал распределительный
        • Клапаны и толкатели
        • ГУР (Гидроусилитель руля)
        • Система рециркуляции отработавших газов
        • Выпускной коллектор
      • Система питания  
        • Коллекторы и патрубки
        • Топливные фильтры
        • Турбокомпрессор
        • Топливные трубопроводы
      • Система смазки  
        • Масляный картер поддон
        • Масляный насос
        • Теплообменник /Водо-масляный радиатор
        • Фильтры масляные (ФГОМ, ФЦОМ)
      • Пневмокомпрессор и натяжное
      • Система охлаждения  
        • Водяной насос
        • Водяные трубы и патрубки
        • Муфты вязкостные, приводы, крыльчатки
      • Ремкомплекты
      • Сцепление
      • Электрооборудование
    • Запчасти ЯМЗ-650, ЯМЗ-651, DCi-11  
      • Основные запчасти двигателя  
        • Цилиндро-поршневая группа
        • Головка блока цилиндров и комплектующие
        • Блок цилиндров и комплектующие
        • Вал коленчатый и маховик
        • Выпускной коллектор
        • Вал распределительный
        • Клапаны и толкатели
        • ГУР (Гидроусилитель руля)
        • Система рециркуляции отработавших газов
      • Система питания  
        • Коллекторы и патрубки
        • Топливные трубопроводы
        • Топливные фильтры
        • Турбокомпрессор
      • Система смазки  
        • Масляный картер / поддон
        • Масляный насос
        • Теплообменник / Водо-масляный радиатор
        • Фильтры масляные (ФГОМ, ФЦОМ)
      • Система охлаждения  
        • Водяной насос
        • Водяные трубы и патрубки
        • Муфты вязкостные, приводы, крыльчатки
      • Ремкомплекты
      • Пневмокомпрессор и натяжное
      • Электрооборудование
      • Сцепление
    • Топливная аппаратура  
      • ЯЗДА  
        • Распылители
        • ТНВД
        • Форсунки
        • Топливный насос низкого давления
        • Пары плунжерные
        • Муфта опережения впрыска топлива
        • Запчасти и комплектующие ТНВД
      • НЗТА
      • АЗПИ  
        • Распылители
        • Форсунки
      • BOSCH
    • Запчасти УРАЛ  
      • Трансмиссия  
        • Коробка раздаточная
        • Передача карданная
        • Мост задний
        • Мост передний (ведущий)
        • Мост средний (промежуточный)
      • Кузов  
        • Дверь кабины
        • Капот, крылья, облицовка радиатора
        • Окно ветровое и заднее
        • Отопление и вентиляция кабины
        • Кабина
      • Механизмы управления  
        • Управление рулевое
        • Тормоза
      • Дополнительное оборудование  
        • Отбор мощности
        • Устройство седельное
      • Электрооборудование
      • Ходовая часть  
        • Колеса и ступицы
        • Ось передняя
        • Подвеска автомобиля
        • Рама
    • Запчасти МАЗ  
      • Трансмиссия  
        • Мост задний
        • Мост передний (ведущий)
        • Передача карданная
        • Мост средний (промежуточный)
      • Кузов  
        • Кабина
        • Дверь кабины
        • Детали основания кабины
        • Окно ветровое и заднее
        • Платформа
      • Механизмы управления  
        • Тормоза
        • Управление рулевое
      • Ходовая часть  
        • Колеса и ступицы
        • Ось передняя
        • Подвеска автомобиля
        • Рама
    • Запчасти КамАЗ  
      • Кузов  
        • Кабина
        • Капот, крылья, облицовка радиатора
        • Дверь кабины
        • Платформа
        • Окно ветровое и заднее
        • Устройство подъемное и опрокидывающее
        • Сиденье
        • Крыша кабины (крыша кузова)
        • Отопление и вентиляция кабины
      • Трансмиссия  
        • Коробка передач
        • Коробка раздаточная
        • Мост задний
        • Сцепление
        • Мост средний (промежуточный)
        • Передача карданная
        • Мост передний (ведущий)
      • Двигатель  
        • Основные запчасти двигателя
        • Система охлаждения
        • Система питания
        • Система смазки
      • Дополнительное оборудование  
        • Отбор мощности
        • Устройство седельное
      • Ходовая часть  
        • Подвеска автомобиля
        • Рама
        • Колеса и ступицы
        • Ось передняя
      • Механизмы управления  
        • Тормоза
        • Управление рулевое
      • Электрооборудование
    • Запчасти ММЗ
    • Ремни
  • Справочник
    • Грузовые автомобили
    • Автобусы
    • Сельхозтехника
    • Спецтехника
    • Двигатели
  • Как купить
    • Условия оплаты
    • Условия доставки
    • Гарантия на товар
    • Пункты выдачи
  • Услуги
    • Капитальный ремонт двигателей ЯМЗ
  • Акции
  • Статьи
  • Контакты
  • Компания
    • Реквизиты
    • Магазины
    • Оплата
    • Доставка
    • Лицензии и сертификаты
    • Новости
    • Вакансии
Избранное 0 Корзина 0
8-800-700-35-68

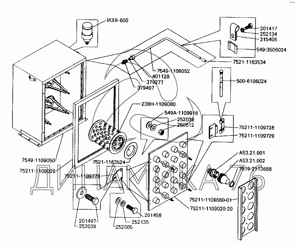
Фильтр воздушный БелАЗ-7512,75123 на БелАЗ-7549 (до 2002 г.)

Справочник
Главная
-
Автокаталог
-
Грузовые автомобили и прицепы
-
БелАЗ
-
БелАЗ-7549
Справочный каталог

Фильтр воздушный БелАЗ-7512,75123 — БелАЗ-7549:

201417 201458 201497 238Н-1109080 250508 250512 251514 252005 252037 252039 252039 252134 252135 262542 315406 379277 379497 401120 500-6106024 549-1109660-10 549-3506024 549А-1109916 740-1109560 7509-1109020 7509-1109025-10 7509-1109028 7509-1109050 7519-2113688 7521-1163524 7521-1163534 75211-1109020-20 75211-1109029 75211-1109660-01 75211-1109728 75211-1109729 75211-1109778 7549-1109050 7549-1109052 7549-1109670 А53.21.001 А53.21.002 А9-8402000 ИЗВ-600
в наличии
нет в наличии
масштаб

В наличии
Нет в наличии

Перечень комплектующих от Фильтр воздушный БелАЗ-7512,75123 на БелАЗ-7549

Схемы запчастей предназначены для справочных целей! Мы продаем не все запчасти от Фильтр воздушный БелАЗ-7512,75123 на БелАЗ-7549, представленные в этом списке.
Наличие на складах по деталям с ценой смотрите в карточке товара.
Артикул: 201417
нет в наличии
Болт
Количество на схеме: 3
Информация
Болт
Количество
3
884408;
Покрытие
без покрытия
Артикул: 201458
нет в наличии
Болт
Количество на схеме: 12
Информация
Болт
Количество
12
884410;
Покрытие
без покрытия
Артикул: 201497
нет в наличии
Болт
Количество на схеме: 3
Информация
Болт
Количество
3
884409;
Покрытие
без покрытия
Артикул: 238Н-1109080
в наличии
Элемент фильтрующий
Количество на схеме: 6
Информация
Элемент фильтрующий
Количество
6
884448;
Модель
238Н
Группа
Cистема питания двигателя
Подгруппа
Фильтр воздушный
Порядковый номер детали
080
Чехол МАЗ защитный элемента фильтрующего воздушного ЭКОФИЛ
Артикул: 238Н-1109080
Чехол МАЗ защитный элемента фильтрующего воздушного ЭКОФИЛ
Код для заказа: 00062908
Цена: 1 796 ₽/шт.
Под заказ
Чехол МАЗ защитный элемента фильтрующего воздушного ЭКОФИЛ
Артикул: 238Н-1109080
Код для заказа: 00062908
Чехол МАЗ защитный элемента фильтрующего воздушного ЭКОФИЛ
Цена: 1 796 ₽/шт.
Под заказ
Артикул: 250508
нет в наличии
Гайка
Количество на схеме: 16
Информация
Гайка
Количество
16
884414;
Покрытие
без покрытия
Артикул: 250512
в наличии
Гайка
Количество на схеме: 10
Информация
Гайка
Количество
10
884412;
Покрытие
без покрытия
Гайка М10-6Н МАЗ ОСТ 37.001.124-96 омедненная усиленная
Артикул: 250512
Гайка М10-6Н МАЗ ОСТ 37.001.124-96 омедненная усиленная
Код для заказа: 00027392
Цена: 5 ₽/шт.
В наличии: 14 шт.
- +
В корзинуВ корзине
Гайка М10-6Н МАЗ ОСТ 37.001.124-96 омедненная усиленная
Артикул: 250512
Код для заказа: 00027392
Гайка М10-6Н МАЗ ОСТ 37.001.124-96 омедненная усиленная
Цена: 5 ₽/шт.
В наличии: 14 шт.
- +
В корзинуВ корзине
Артикул: 251514
нет в наличии
Гайка
Количество на схеме: 8
Информация
Гайка
Количество
8
884413;
Покрытие
без покрытия
Артикул: 252005
нет в наличии
Шайба
Количество на схеме: 12
Информация
Шайба
Количество
12
884443;
Покрытие
без покрытия
Артикул: 252037
нет в наличии
Шайба
Количество на схеме: 16
Информация
Шайба
Количество
16
884446;
Покрытие
без покрытия
Артикул: 252039
нет в наличии
Шайба
Количество на схеме: 12
Информация
Шайба
Количество
12
884447;
Покрытие
без покрытия
Артикул: 252134
нет в наличии
Шайба
Количество на схеме: 3
Информация
Шайба
Количество
3
884444;
Покрытие
без покрытия
Артикул: 252135
нет в наличии
Шайба
Количество на схеме: 12
Информация
Шайба
Количество
12
884445;
Покрытие
без покрытия
Артикул: 262542
нет в наличии
Пробка
Количество на схеме: 2
Информация
Пробка
Количество
2
884433;
Покрытие
без покрытия
Артикул: 315406
нет в наличии
Кляммер
Количество на схеме: 3
Информация
Кляммер
Количество
3
884419;
Покрытие
без покрытия
Артикул: 379277
нет в наличии
Муфта
Количество на схеме: 1
Информация
Муфта
Количество
1
884426;
Покрытие
без покрытия
Артикул: 379497
в наличии
Штуцер
Количество на схеме: 1
Информация
Штуцер
Количество
1
884427;
Покрытие
без покрытия
Ниппель МАЗ трубки воздухоподводящей КПП ОАО МАЗ
Артикул: 379497
Ниппель МАЗ трубки воздухоподводящей КПП ОАО МАЗ
Код для заказа: 00041121
Цена: 62 ₽/шт.
Под заказ
Ниппель МАЗ трубки воздухоподводящей КПП ОАО МАЗ
Артикул: 379497
Код для заказа: 00041121
Ниппель МАЗ трубки воздухоподводящей КПП ОАО МАЗ
Цена: 62 ₽/шт.
Под заказ
Артикул: 401120
нет в наличии
Гайка
Количество на схеме: 1
Информация
Гайка
Количество
1
884415;
Покрытие
без покрытия
Артикул: 500-6106024
нет в наличии
Ось петли
Количество на схеме: 2
Информация
Ось петли
Количество
2
884428;
Модель
500
Группа
Дверь кабины (передняя)
Подгруппа
Навески (передней) двери
Порядковый номер детали
024
Артикул: 549-1109660-10
нет в наличии
Пылеотбойник
Количество на схеме: 2
Информация
Пылеотбойник
Количество
2
884437;
Модель
549
Группа
Cистема питания двигателя
Подгруппа
Фильтр воздушный
Порядковый номер детали
660
Дополнительно
Не взаимозаменяема с деталью, выпущенной ранее под этим же номером
Артикул: 549-3506024
нет в наличии
Прокладка
Количество на схеме: 3
Информация
Прокладка
Количество
3
884434;
Модель
549
Группа
Тормоза
Подгруппа
Трубопроводы пневмотормозов
Порядковый номер детали
024
Артикул: 549А-1109916
нет в наличии
Прокладка
Количество на схеме: 6
Информация
Прокладка
Количество
6
884435;
Модель
549А
Группа
Cистема питания двигателя
Подгруппа
Фильтр воздушный
Порядковый номер детали
916
Артикул: 740-1109560
нет в наличии
Элемент фильтрующий
Количество на схеме: 8
Информация
Элемент фильтрующий
Количество
8
884449;
Модель
740
Группа
Cистема питания двигателя
Подгруппа
Фильтр воздушный
Порядковый номер детали
560
Артикул: 7509-1109020
нет в наличии
Крышка
Количество на схеме: 2
Информация
Крышка
Количество
2
884424;
Модель
7509
Группа
Cистема питания двигателя
Подгруппа
Фильтр воздушный
Порядковый номер детали
020
Артикул: 7509-1109025-10
нет в наличии
Корпус крышки
Количество на схеме: 2
Информация
Корпус крышки
Количество
2
884423;
Модель
7509
Группа
Cистема питания двигателя
Подгруппа
Фильтр воздушный
Порядковый номер детали
025
Дополнительно
Не взаимозаменяема с деталью, выпущенной ранее под этим же номером
Артикул: 7509-1109028
нет в наличии
Прокладка крышки
Количество на схеме: 2
Информация
Прокладка крышки
Количество
2
884436;
Модель
7509
Группа
Cистема питания двигателя
Подгруппа
Фильтр воздушный
Порядковый номер детали
028
Артикул: 7509-1109050
нет в наличии
Корпус
Количество на схеме: 2
Информация
Корпус
Количество
2
884421;
Модель
7509
Группа
Cистема питания двигателя
Подгруппа
Фильтр воздушный
Порядковый номер детали
050
Артикул: 7519-2113688
нет в наличии
Уплотнитель
Количество на схеме: 20
Информация
Уплотнитель
Количество
20
884411;
Модель
7519
Подгруппа
2113
Порядковый номер детали
688
Артикул: 7521-1163524
нет в наличии
Держатель
Количество на схеме: 6
Информация
Держатель
Количество
6
884416;
Модель
7521
Группа
Cистема питания двигателя
Подгруппа
1163
Порядковый номер детали
524
Артикул: 7521-1163534
нет в наличии
Рукав
Количество на схеме: 1
Информация
Рукав
Количество
1
884439;
Модель
7521
Группа
Cистема питания двигателя
Подгруппа
1163
Порядковый номер детали
534
Артикул: 75211-1109020-20
нет в наличии
Крышка
Количество на схеме: 1
Информация
Крышка
Количество
1
884425;
Модель
75211
Группа
Cистема питания двигателя
Подгруппа
Фильтр воздушный
Порядковый номер детали
020
Дополнительно
Не взаимозаменяема с деталью, выпущенной ранее под этим же номером
Артикул: 75211-1109029
нет в наличии
Уплотнитель
Количество на схеме: 1
Информация
Уплотнитель
Количество
1
884442;
Модель
75211
Группа
Cистема питания двигателя
Подгруппа
Фильтр воздушный
Порядковый номер детали
029
Артикул: 75211-1109660-01
нет в наличии
Пылеотбойник
Количество на схеме: 2
Информация
Пылеотбойник
Количество
2
884438;
Модель
75211
Группа
Cистема питания двигателя
Подгруппа
Фильтр воздушный
Порядковый номер детали
660
Артикул: 75211-1109728
нет в наличии
Петля
Количество на схеме: 2
Информация
Петля
Количество
2
884430;
Модель
75211
Группа
Cистема питания двигателя
Подгруппа
Фильтр воздушный
Порядковый номер детали
728
Артикул: 75211-1109729
нет в наличии
Петля
Количество на схеме: 2
Информация
Петля
Количество
2
884431;
Модель
75211
Группа
Cистема питания двигателя
Подгруппа
Фильтр воздушный
Порядковый номер детали
729
Артикул: 75211-1109778
нет в наличии
Прижим
Количество на схеме: 2
Информация
Прижим
Количество
2
884432;
Модель
75211
Группа
Cистема питания двигателя
Подгруппа
Фильтр воздушный
Порядковый номер детали
778
Артикул: 7549-1109050
нет в наличии
Корпус
Количество на схеме: 1
Информация
Корпус
Количество
1
884422;
Модель
7549
Группа
Cистема питания двигателя
Подгруппа
Фильтр воздушный
Порядковый номер детали
050
Артикул: 7549-1109052
нет в наличии
Трубопровод
Количество на схеме: 1
Информация
Трубопровод
Количество
1
884441;
Модель
7549
Группа
Cистема питания двигателя
Подгруппа
Фильтр воздушный
Порядковый номер детали
052
Артикул: 7549-1109670
нет в наличии
Держатель
Количество на схеме: 8
Информация
Держатель
Количество
8
884440;
Модель
7549
Группа
Cистема питания двигателя
Подгруппа
Фильтр воздушный
Порядковый номер детали
670
Артикул: А53-21-001
нет в наличии
Патрубок
Количество на схеме: 20
Информация
Патрубок
Количество
20
884429;
Артикул: А53-21-002
нет в наличии
Колпак
Количество на схеме: 20
Информация
Колпак
Количество
20
884420;
Артикул: А9-8402000
нет в наличии
Застежка
Количество на схеме: 8
Информация
Застежка
Количество
8
884417;
Модель
А9
Группа
Оперение
Подгруппа
Капот
Порядковый номер детали
000
Артикул: ИЗВ-600
нет в наличии
Индикатор засоренности фильтра
Количество на схеме: 1
Информация
Индикатор засоренности фильтра
Количество
1
884418;
  • Грузовые автомобили
  • Автобусы
  • Сельхозтехника
  • Спецтехника
  • Двигатели
Получить оптовый прайс-лист
Скачать прайс-лист от 08.05.2026 16:00
Специальное предложение от 08.05.2026 17:00
Производители:


  • WEICHAI
  • Автодизель ПАО (ЯМЗ)
  • Тутаевский МЗ
  • ЯЗДА
  • УралАЗ
  • МАЗ
  • АЗПИ
  • BOSCH
  • ММЗ
  • ШААЗ
  • FEDERAL MOGUL
  • ПРАМО
  • Мотордеталь
  • ТАИМ
  • АвтоКрАЗ
  • БЕЛКАРД
  • CZ Strakonice
  • КамАЗ
  • БЗА
  • ЧМЗ
  • BMZ
Новости
Все новости
25 марта 2024
Флагманский седельный тягач «Валдай 45» на выставке «TransRussia»
10 марта 2024
Современные автобусы «CITYMAX 9» и ЛиАЗ-5292 CNG
25 февраля 2024
Серийное производство средних дизельных двигателей повышенной мощности от ЯМЗ
Статьи
Все статьи
Датчики двигателя: за что они отвечают, признаки неисправности и как не прогадать с выбором
Двигатели ЯМЗ-534: история, технические характеристики и области применения
Двигатели ЯМЗ 650: углублённый технический обзор и история
Компания
О компании
Реквизиты
Новости
Политика
Магазины
Информация
Условия оплаты
Условия доставки
Гарантия на товар
Обмен и возврат товара
Помощь
Как оформить заказ
Полезные статьи
Бренды
Пункты выдачи
Оставайтесь на связи
  • Вконтакте
  • YouTube
  • Одноклассники
  • Google Plus
Увидели ошибку?
Выделите, нажав Ctrl + Enter
Наши контакты
8-800-700-35-68
sales@din76.ru
г. Ярославль, Ленинградский пр-т 33, ТЦ "ОМЕГА"
2026 © ООО «Динамика 76» - Все права защищены ООО "Динамика 76"
Предложения на сайте не являются публичной офертой.
На сайте обнаружена ошибка

Текст с ошибкой